文件化信息管理程序
- 格式:doc
- 大小:129.50 KB
- 文档页数:6
《文件化信息管理程序》随着社会的发展和科技的进步,信息管理已经成为了现代社会中不可或缺的一部分。
其中,文件化信息管理程序作为信息管理的一个重要组成部分,对于企业和政府机构来说具有至关重要的意义。
本文将介绍文件化信息管理程序的概念、重要性以及如何制定有效的文件化信息管理程序。
一、文件化信息管理程序的概念文件化信息管理程序是指将信息和相关文件进行系统化、规范化、标准化的管理程序。
这些文件可以包括纸质文件、电子文件、图像文件、音频文件等。
文件化信息管理程序的主要目的是确保信息和相关文件的真实性、可靠性和完整性,以便在需要时能够迅速、准确地获取和使用。
二、文件化信息管理程序的重要性1、保障信息安全文件化信息管理程序能够有效地保障企业和政府机构的信息安全。
通过制定严格的文件管理制度和规范,可以避免信息泄露、篡改或损坏,确保信息的机密性、完整性和可用性。
2、提高工作效率文件化信息管理程序能够提高企业和政府机构的工作效率。
通过建立标准的文件管理体系,可以避免重复工作和浪费时间,同时可以快速、准确地查找和使用所需的信息,减少工作成本和时间成本。
3、促进知识管理文件化信息管理程序能够促进企业和政府机构的知识管理。
通过将经验和知识以文件的形式记录下来,可以避免因为人员流动而导致的知识流失,同时可以积累和传承组织的知识财富,提高组织的竞争力和创新能力。
三、制定有效的文件化信息管理程序1、确定管理目标和范围制定文件化信息管理程序的第一步是确定管理的目标和范围。
企业和政府机构需要根据自身的情况和需求,明确管理的目标和重点领域,如人事管理、财务管理、采购管理等等。
同时,还需要确定管理的范围和边界,如哪些信息需要纳入管理体系,哪些部门或业务需要纳入管理体系等。
2、制定管理规范和流程制定文件化信息管理程序的第二步是制定管理的规范和流程。
企业和政府机构需要根据确定的管理目标和范围,制定相应的管理规范和流程。
这些规范和流程应该包括信息的收集、分类、存储、检索、处理、传递和销毁等方面。
文件化信息管理程序(ISO9001-2015/ISO14001-2015)1.目的为了便于文件的检索和查找,简化审批流程,规范文件管制的权责和要求,特建立文件拟制、核发、修订、保存、回收和废止的管理和控制依据。
2.范围适用于本公司质量环境体系相关的文件管理和控制。
3.术语和定义3.1一阶文件:指质量环境手册,概述质量环境方针政策和质量环境目标,定义公司各单位的功能和职责,明确公司产品实现涉及的活动和规则,指导公司质量环境体系保持持续改进的纲领性文件。
3.2 二阶文件:程序类文件,此类文件指本部门的活动实现需要跨部门沟通与协作,并对沟通与协作的作业流程进行阐述的指导性文件。
3.3三阶文件:作业指导书类,指各部门内为实施某个/项活动内容而需要阐明作业顺序、作业标准和作业内容的指导性文件。
3.4四阶文件:泛指记录表单类,是对上术文件中相关活动的结果的一种记录。
4. 权责4.1各阶文件的审批权责如下:4.2文件管制中心简称DCC,除生产部3.4阶文件外,负责管控所有阶别文件备案、分发、修订、回收、作废和维护管理。
5.内容5.1文件编写格式5.1.1 质量环境手册、程序文件、作业指导书编写格式,参考本程序,可视实际需要作项目删减,力求做到条理清晰,语句通畅。
5.1.2 培训文件/表格/记录依据实际需要制作,不规定具体格式。
5.2文件编号原则5.2.1 在公司所有文件中,缩写DXC=DXC有限公司,所有文件编号、文件名称不得有重复。
5.2.2 质量环境手册QEM:内容包括相关单位、修订记录、目的、范围、公司简介、质量环境方针和目标、管理责任、资源管理、产品实现、量测分析与改善,与ISO9001&14001体系要求的对照程序等编号格式前置代码为 DXC-QM,其后可跟数字01表示一阶文件或者留空。
修订版本号从“AX”开始,X从0到4,版本变更按A0~A4,B0~B4,C0~C4顺序以此类推(当文件修订内容超过三分之一时,版本直接上升,版次归零),除非特别说明,下列格式版本升级方法皆同5.2.3 程序类文件:Quality Environment Procedure简称QEP,内容包括相关单位、修订记录、目的、范围、权责、定义、参考文件、附件等,视文件需求作内容相关调整,2级程序文件编号格式前置代码为ITI–QEP-XX(按标准条款顺序编号),版本控制同5.2.2。
文件化信息管理程序简介文件化信息管理程序是一种用来帮助组织和管理信息的软件工具。
它可以帮助用户创建、存储、检索和共享各种类型的文件和文档。
本文将介绍文件化信息管理程序的功能和优势,并提供一些使用该程序的最佳实践。
一、功能1. 创建和编辑文件:文件化信息管理程序允许用户创建不同类型的文件,如文本文档、电子表格、演示文稿等。
用户可以使用各种格式和样式自定义文档的外观。
2. 存储和组织文件:该程序提供一个中心化的存储库,用户可以将文件保存在云端或本地计算机上。
用户可以创建文件夹和子文件夹,并使用标签和关键字进行文件的分类和组织。
3. 检索和搜索文件:文件化信息管理程序提供强大的搜索功能,用户可以通过文件名、标签、关键字等多种方式快速找到所需文件。
它还支持全文搜索,即根据文件内容进行搜索。
4. 共享和协作:用户可以与团队成员共享文件,并设定不同的访问权限。
该程序还支持实时协作,多个用户可以同时编辑同一文件,避免了版本混淆和冲突。
5. 版本控制:文件化信息管理程序会自动保存文件的不同版本,用户可以轻松地查看、比较和恢复以往的版本。
这对于跟踪文件更改和修订非常有帮助。
二、优势1. 提高工作效率:通过集中管理和快速检索文件,文件化信息管理程序可以大大提高工作效率。
用户不再需要花费时间在各个文件夹和电子邮件中寻找文件,只需简单搜索即可找到所需文件。
2. 加强协作和沟通:文件化信息管理程序旨在促进团队之间的协作和沟通。
团队成员可以共同编辑文件、留下评论和反馈,促进了协作和知识共享。
3. 提高数据安全性:文件化信息管理程序通常提供安全的数据存储和访问控制。
用户可以为文件设置不同级别的访问权限,确保敏感信息不被未经授权的人员访问。
4. 强大的备份和恢复功能:文件化信息管理程序通常会自动备份文件,并提供简单的恢复功能。
即使文件被意外删除或损坏,用户也可以轻松地恢复文件到以前的状态。
三、最佳实践1. 统一文件命名规范:为了便于检索和整理文件,建议制定统一的文件命名规范。
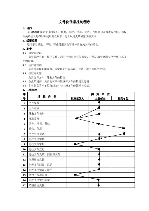
文件化信息控制程序1、目的对QEOHS有关文件的编制、批准、发放、使用、更改、作废和回收等进行控制,确保相关单位及时得到并使用有效版本,防止误用失效或作废的文件。
2、适用范围适用于与质量、环境、职业健康安全管理体系有关文件的控制。
3、职责3.1质量管理部负责管理手册、程序文件、通用作业指导书等质量、环境、职业健康安全管理体系文件的控制。
3.2生产管理部负责专用作业指导书、国家相关行业标准、规范、施工图纸的控制。
3.3经理办公室负责公司文件、外来文件的控制。
3.4企业策划部:负责公司法律法规等文件的控制及更新。
3.5各单位负责本单位自制文件和上级文件的管理与控制。
5、控制要求5.1文件的分类5.1.1外来文件a)相关法律法规;b)上级文件(包括上级单位的部门文件);c)行业可直接引用或执行的标准、规范;d)顾客提供的图纸、资料、来函及传真件等。
5.1.2内部形成文件a)管理手册;b)程序文件;c)质量管理制度;d)作业指导书;e)公司文件f)机关部室用于指导全公司工作的部门文件;g)合同文件;h)各单位自制的文件。
5.2文件的编写、审核和批准签发5.2.1管理手册由质量管理部组织编写,管理者代表审核,总经理批准签发。
5.2.2程序文件由质量管理部组织相关部室编写,管理者代表批准签发。
质量管理制度由质量管理部组织编写,单位负责人审核,管理者代表批准签发。
5.2.3通用作业指导书由质量管理部组织编写,单位负责人审核,管理者代表批准签发。
5.2.4专用作业指导书由主管单位组织编写,单位负责人审核,主管副总经理批准签发。
5.2.5施工组织设计、质量计划、施工方案的编制和批准签发执行《产品实现的策划控制程序》和《施工和服务提供的控制程序》。
5.2.6公司文件由经理办公室组织相关部室编写,经理办公室审核,总经理或主管副总经理批准签发;机关部室用于指导全公司工作的文件由部室编写,部室负责人审核,总经理或主管副总经理批准签发。
1.目的:对质量/环境管理体系文件化信息(以下简称文件或记录)进行控制,确保无论何时何处需要这些信息,均可获得并适用;以及予以妥善保护(如:防止失密、不当使用或不完整)。
2.范围:适用于本公司质量/环境体系所有文件和记录的控制,包括:手册、程序文件、支持性文件和记录。
3.权责:3.1各部门内部文件由部门主管或其指定人员编制,部门主管或管理者代表(授权代表)批核。
3.2程序文件由相关部门制定,管理者代表(授权代表)审核,总经理批准。
3.3 质量/环境手册由管理者代表(授权代表)审核,公司总经理批准。
3.4文件编写小组对文件进行校对、审核,及对所有文件的运作过程进行全面监督。
3.5文件控制中心:负责文件的编号、收发、归档及监督管理工作。
3.6相关部门负责对外来文件进行管理。
4.定义4.1质量/环境手册:纲领文件,阐明质量/环境管理体系的过程关系,及满足国际标准与相关法律法规要求。
4.2程序文件:规定过程的方法,即为什么做、何人、于何时、在什么地方做什么事。
4.3支持性文件:作业指导书、标准规范、工艺文件和图纸等,说明如何做某事。
4.4记录:分发收集、传达资讯、控制作业流程和证明作业已符合要求的所有记录和表格。
4.5外来文件:与质量/环境管理体系及产品质量/环境相关的国际、国家、行业标准及相应的法律、法规,客户、供应商提供的图样或检验标准等。
5.程序内容:5.2文件编写格式:5.2.1程序文件编写大致按以下格式:(1)目的(2)范围(3)权责(4)定义(无时填“无”)(5)程序内容(6)相关文件(无时填“无”)(7)相关记录(8)附件(无时填“无”)5.2.2文件章节次序编号:1 1.1 1.1.1 1.1.1.12 2.1 2.1.1 2.1.1.1,之后用小写拼音a、b、c、d……(依此类推)5.2.3文件的页次格式为:页次/总页数。
5.2.4版次:版次号、版本号/修订。
5.2.4.1体系文件的“文件版本”由“版本号/版次号”组成,“版本号”用英文大写字母(A、B、C…Z)表示,“版次号”用阿拉伯数字(00、01、02…99)表示,各文件内页每修订一次换一个“版次号”,每修订99次“版本号”换为下一个字母。
1.目的对公司品保管理体系文件进行控制记录,确保各部门所使用的文件为有效版和运行的证。
2.适用范围适用于与公司品保管理体系有关的所有文件和记录(含客户指定记录)控制。
3.定义3.1文件化信息:公司所有文件和记录。
4.权责4.1管理者代表负责组织品保手册、程序文件的编写;4.2相关职能部门负责本部门品保管理体系文件的编写、审核、发放、更改;4.3各部门负责本部门内品保管理体系文件的存档、回收及归类管理;4.44行政部4.4.1负责品保管理体系文件的识别、文件发放与回收、文件归档、保存等;4.4.2负责文件变更/更改通知、文件保密、调阅、销毁、稽核等管理;4.4.3负责制作、修订文件编码;4.4.4对各部门文件管制工作和品保记录管理与维护,过期需留存记录的保管的督导作用;4.4.5外来文件(包括属于顾客财产的文件)的管理。
4.4.6各部门:负责品保记录的收集、分发、登记、整理、归档、保存及维护。
4.作业程序4.1文件管理作业流程图(见附录)4.2文件分类4.2.1用于指导公司体系运行及操作的指导性文件,分四阶4.2.11一阶文件:手册类,如品保手册等;4.3.12二阶文件:程序文件;4.4.13三阶文件:作业文件(作业标准、检验标准、技术文件、试验标准、操作规程、岗位职责、规章制度等);4.5.14四阶文件:品保记录表单。
4.2.2外来文件:包括国际标准、国家标准、行业标准、顾客提供的技术文件、图纸以及国家颁布的有关政策、法律法规等。
4.3文件制作/修订4.3.1文件制订:各部门根据本部门的工作需要,制作/修订相应文件时,应填写《文号;4.3.2文件初版发行时,文件版次为Ao版;修订后升版为A1,A2,A3……(版次以数字序号表示),版次依此类推,修订10次后改版文件升级为BO,B1,B2,B3……(版次以数字序号表示),依此类推;若修改点少且文件页数较多时,可针对当页更改版次,而整份文件的版本不变,但需在修订记录上标识;4.4文件编码原则4.4.1一阶文件:GHD(公司代码)+QMS(品保管理体系)+流水号4.4.2二阶文件:GHD(公司代码)+QP+流水号4.4.3三阶文件:GHD(公司代码)+WI+部门代码+流水号4.4.4四阶文件:GHD(公司代码)+部门代码+流水号+版本号4.4.54.4..6各部门发布通告之编码规则:GHD(公司代码)+部门代码+年份+月份+流水号4.5文件签核4.5.1品保手册由管理者代表制订、审核,总经理批准;程序文件由各部门/管理者代表制订,管理者代表审核,总经理批准;4.5.2三阶文件由部门相关人员制订,部门负责人审核,管理者代表批准;4.5.3文件制/修订并通过审核、批准后,交行政部统一发行、存档。
文件化信息管理程序(ISO9001/14001-2015)1、目的:对质量/环境管理体系文件化信息(以下简称文件或记录)进行控制,确保无论何时何处需要这些信息,均可获得并适用;以及予以妥善保护(如:防止失密、不当使用或不完整)。
2、范围:适用于本公司质量/环境体系所有文件和记录的控制,包括:手册、程序文件、支持性文件和记录。
3、权责:3.1各部门内部文件由部门主管或其指定人员编制,部门主管或管理者代表(授权代表)批核。
3.2程序文件由相关部门制定,管理者代表(授权代表)审核,总经理批准。
3.3 质量/环境手册由管理者代表(授权代表)审核,公司总经理批准。
3.4文件编写小组对文件进行校对、审核,及对所有文件的运作过程进行全面监督。
3.5文件控制中心:负责文件的编号、收发、归档及监督管理工作。
3.6相关部门负责对外来文件进行管理。
4、定义4.1质量/环境手册:纲领文件,阐明质量/环境管理体系的过程关系,及满足国际标准与相关法律法规要求。
4.2程序文件:规定过程的方法,即为什么做、何人、于何时、在什么地方做什么事。
4.3支持性文件:作业指导书、标准规范、工艺文件和图纸等,说明如何做某事。
4.4记录:分发收集、传达资讯、控制作业流程和证明作业已符合要求的所有记录和表格。
4.5外来文件:与质量/环境管理体系及产品质量/环境相关的国际、国家、行业标准及相应的法律、法规,客户、供应商提供的图样或检验标准等。
5、程序内容:5.1文件和记录的分类、编号、编写与审批:文件分类编号方法编写审核批准(1)质量/环境手册QEM+顺序号管理者代表管理者代表(授权代表)总经理(2)程序文件PR+顺序号相关职能部门管理者代表(授权代表)总经理(3)支持性文件WI+顺序号各部门负责人部门主管管理者代表(4)记录表单FM+顺序号各部门主管管理者代表(授权代表)随文件一同审批 (5) 技术资料以图纸及订单号为准工程师工程部主管工程部主管(6)外来文件WL+单号+流水号管理者代表管理者代表(授权代表)5.2文件编写格式:5.2.1程序文件编写大致按以下格式:(1)目的(2)范围(3)权责(4)定义(无时填“无”)(5)程序内容(6)相关文件(无时填“无”)(7)相关记录(8)附件(无时填“无”)5.2.2文件章节次序编号:1 1.1 1.1.1 1.1.1.12 2.1 2.1.1 2.1.1.1(依此类推)5.2.3文件的页次格式为:页次/总页数。
文件化信息管理程序(IATF16949-2016/ISO14001-2015)1.0目的:通过职责划分、明确工作程序及要求,确保公司管理体系有关的文件、记录的编写、修改、发行、废除和管制等文件化信息得到有效控制。
2.0范围:本程序适用于与管理体系有关的所有文件化信息的控制。
3.0职责:3.1文件编制(修订)、审核、批准权限3.2文件编制单位代号为:3.3质量部是管理体系文件控制的归口管理部门,负责批准后的文件分发、收回、销毁及管制,负责检查监督各单位管理体系文件的管理实施情况。
其它管理性文件由各相关职能部门归口管理。
3.4公司总经理负责制订颁布公司质量方针和质量目标,批准【质量手册】和第二层次程序文件的发布。
3.5管理代表负责公司内使用的第三层次文件的批准发布。
3.6管理代表负责组织有关人员对现有文件进行评审。
3.7管理代表负责组织编制、修改、并审核质量手册和第二层次程序文件。
3.8各单位一把手负责本部门内的文件、作业标准的审核。
3.9 工程部负责技术性文件的归口管理,负责检查监督各单位技术性文件的管理实施情况,适时安排文件修改的评审。
3.10各单位负责建立本单位使用的与管理性有关的体系文件清单,并进行管制。
4.0有关术语和定义:4.1 技术性文件:特指顾客工程标准/规范及其更改、产品图样及设计文件、工艺文件、检验作业指导书、技术标准、图样更改、工艺更改、工装模具图样等。
4.2管理体系文件:除技术性文件以外的与管理有关的体系文件,如各种工作程序、工作规范等。
4.3系统文件:【质量手册】将管理体系中各作业要项以书面文件形式作系统的规定。
4.4程序文件:将管理体系中各管理程序以书面文件叙述的文件。
4.5指导文件:管理体系中各作业标准、办法、图面、说明其作业方法的文件。
4.6表单记录:将程序文件或工作作业标准所规定的执行事项﹐以数字、文字、图表或其它可明确表达内容的文件呈现执行的结果。
凡具有下列条件者称为正式表单:a.使用期及保存期超过三个月以上。
“文件化信息管理程序”资料汇总目录一、文件化信息管理程序二、《文件化信息管理程序》三、文件化信息管理程序四、《文件化信息管理程序》文件化信息管理程序文件化信息管理程序:提升效率与便捷性的重要工具在当今这个信息爆炸的时代,我们每天都会产生大量的数据和信息。
这些信息不仅包括公司的文档、电子邮件、图片、视频、音频等,还包括个人的健康记录、财务信息、个人身份信息等。
如何有效管理这些信息,使之有序、可访问并安全,已成为一项重要的挑战。
这就是文件化信息管理程序发挥作用的地方。
文件化信息管理程序是一种系统化的工具,用于创建、存储、检索和管理电子信息。
这些信息可以包括文本、图像、音频和视频等形式,以及各种格式的文件。
该程序通过将所有信息存储在一个中央系统中,使用户能够快速、准确地访问和共享数据,从而提高工作效率。
数据存储:文件化信息管理程序能够存储各种类型的数据,包括文档、图片、视频、音频等。
它提供了大容量、高效率的存储解决方案,可以轻松处理大量数据。
数据检索:该程序通过创建易于搜索的元数据和关键字,使用户能够快速查找需要的信息。
通过关键词搜索和过滤,用户可以在几秒钟内找到所需的数据。
数据管理:文件化信息管理程序可以轻松管理大量的数据,包括数据的组织、分类、排序和归档。
这有助于保持数据的清晰和有序,使得数据更容易被访问和使用。
数据安全:该程序提供了强大的安全机制,包括用户访问控制、数据加密和备份等。
这可以保护敏感数据不受未经授权的访问或泄露。
企业管理:文件化信息管理程序可以帮助企业有效地管理其所有的电子信息,包括财务记录、客户资料、人力资源信息等。
它提高了信息的可访问性和安全性,从而提高了企业的运营效率。
科学研究:在科研领域,文件化信息管理程序对于管理大量的实验数据、文献资料和研究成果至关重要。
它可以帮助科学家们快速查找和使用信息,促进科研进展。
政府机构:政府机构需要存储和管理大量的公共记录,如公民的个人信息、土地记录、案件档案等。
文件信息管理程序概述:文件信息管理程序是一种用于方便管理和查找文件信息的工具。
它可以帮助用户有效组织和管理文件,提高文件的检索速度和准确性。
本文将介绍文件信息管理程序的主要功能和优势。
一、背景介绍随着互联网和数字化时代的到来,各类文件如文档、图片、音频、视频等以大量的形式存在于我们的计算机中。
这些文件的数量庞大且不断增长,给我们的文件管理带来了诸多挑战。
传统的文件夹分类方式已经不能满足用户的需求,用户需要一种更智能、高效的方式来管理文件。
文件信息管理程序就应运而生。
二、功能特点1. 文件分类管理:文件信息管理程序可以根据文件的属性和内容自动进行分类管理。
它可以通过文件名、扩展名、创建日期、修改日期等属性来识别文件,并根据用户的自定义规则进行分类。
这样,用户就可以迅速找到所需的文件,提高工作效率。
2. 全文检索:文件信息管理程序可以提供全文检索功能,用户只需要输入文件相关的关键词,即可迅速搜索到相关的文件。
这比传统的文件夹层级式查找方式更方便快捷,大大节省用户的时间。
3. 文件标签化:文件信息管理程序支持给文件添加标签。
用户可以根据文件的内容和关键词,为文件添加标签,方便后续的查找和管理。
标签的使用可以大大简化文件的组织和归档工作。
4. 文件预览和编辑:文件信息管理程序可以提供文件的预览和编辑功能,用户可以在不打开文件的情况下,直接通过程序对文件进行预览和编辑,提高文件操作的便捷性。
5. 多设备同步:文件信息管理程序支持多设备之间的同步。
用户可以在不同的设备上安装文件信息管理程序,并通过云同步功能实现文件管理的同步。
这样,用户可以在任何时间、任何地点访问和管理文件。
三、优势和价值1. 提高工作效率:通过文件信息管理程序,用户可以快速找到所需的文件,节省查找时间,提高工作效率。
2. 简化文件管理:文件信息管理程序可以自动分类和标签化文件,简化了文件的组织和归档过程,减少了用户的操作负担。
3. 方便的文件分享和协作:文件信息管理程序可以支持文件的分享和协作,用户可以方便地与他人共享和协作文件,提高团队的工作效率。
文件化信息控制程序
文件化信息控制程序是指一种能够将信息进行文件化存储和管理的程序。
这种程序通常会提供一系列功能,包括创建、编辑、查找、删除文件的操作,以及对文件进行分类、标记、加密和分享等功能。
文件化信息控制程序可以帮助用户更好地管理和保护个人和机密信息。
通过文件化的方式,用户可以将信息整理有序地存储在计算机或其他存储设备上,并通过程序提供的搜索和查找功能,快速找到需要的信息。
此外,文件化信息控制程序还可以提供加密功能,对重要的文件进行加密保护,防止信息泄露。
另外,文件化信息控制程序也可以用于团队协作。
多个用户可以通过程序共享和编辑文件,提高工作效率。
程序还可以记录和控制用户对文件的操作,确保文件的版本控制和安全性。
最后,文件化信息控制程序还可以与其他应用集成,例如与电子邮件、日历等进行同步,方便用户在不同应用之间共享和管理文件。
总之,文件化信息控制程序是一种方便、高效、安全地管理和控制信息的工具,可以提供文件存储、搜索、分类、分享、加密等功能,帮助用户更好地管理个人和机密信息。
质量环境管理体系文件本手册的解释权归工业电机事业部所有1、目的1.1对质量、环境体系、产品认证、管理规定要求所需的文件化信息进行有效管控,确保文件化信息的适宜性、可获得性和防止被误用;1.2确保文件化信息得到妥善保护,如加密管理、无纸化办公软件等的推广应用;2、适用范围适用于产品实现过程和质量/环境管理体系运行中的文件化信息的管控。
3、职责3.1品质部负责质量/环境管理体系运行所需文件化信息的归口管理,负责适用法律法规、产品认证标准的查新工作;3.2技术部负责设计开发流程所需文件化信息的归口管理,负责技术标准的查新工作;3.3工艺装备部负责工艺管控流程所需文件化信息的归口管理;3.4各部门/车间负责本部门/车间文件化信息的日常管理工作;4、方法和要求4.1、文件化信息的编制和更新4.1.1质量环境管理体系运行过程中所需的文件化信息由品质部组织各职能部门进行编制,所涉及表单由职能部门负责设计,报品质部确认并备案;4.1.3设计部门负责编写设计文件,包括产品标准、设计标准、设计任务书、产品图纸、采购规范、检验和试验规范等设计技术文件,由权限主管审批。
4.1.3 工艺部门负责编写工艺标准、工装模具图纸、加工作业指导书等工艺文件,由权限主管审批。
4.1.4 其他文件由各自职能部门负责编写,相关部门负责会签,权限主管批准。
4.1.5文件化信息应具有一定的标识和说明(如标题、项目、检索编号、版本号、编制/批准人、日期等);4.1.6文件化信息应有一定的格式,并通过适当的媒介传递和归档(如语言种类、软件版本、修订履历,媒介包括纸质或电子档);4.1.7、文件化信息在发布前应通过评审和批准,以确保适宜性和充分性;4.1.8 文件化信息的编写流程通常有编制、审核、批准等,具体见文件编写、审核、批准、发放/管理和变更权限一览表:4.1.9文件化信息的修改需征得原编制人员或所在部门主管领导的同意,当文件重修修订后,应重新经过审核、批准流程,具体按4.1.8要求。
文件化信息管理流程1. 目的方便管理本公司的相关文件和质量记录,本流程标准了公司文件和资料的制作、核定、发放、修改程序,及明确了质量记录的形成、标识、收集、保存、归档、保存、查阅和处理的要求,以方便文件的检索查阅,证明质量系统的有效运作及作为以后质量改善和追溯的依据,并确保在质量管理体系运行的相关部门都能使用文件的现行有效版本。
2.范围本流程文件规定了质量体系文件中管理文件和资料的编写、审批、发放、更改和管理要求及质量手册、流程文件、作业文件和质量记录等的控制。
3. 权责3.1品管部3.1.1 负责保管文件和资料的原稿。
3.1.2 安排文件的编号。
3.1.3 控制文件的版本、发放、回收、修改及失效后的处理。
3.2外来文件3.2.1 相关客户图纸/资料及品质要求由销售部/品管部负责收集,保存。
3.2.2 有关供给商图纸/资料及品质标准/报告由采购部/品管部负责收集,保存。
3.2.3 与产品有关的图纸/资料等相关标准由工程部/研发部/品管部负责收集,保存。
3.3文件的制订、审核与核准4. 名词定义4.1外来文件:指客户/供给商提供的技术性资料、检验标准以及由相关部门搜集的国际/国家/行业标准、法律法规等。
4.2受控文件:指受更改状态控制的文件,确保其有效性。
4.3 非受控文件:指仅供参考但不受有效性管理的文件5. 文件的控制5.1 文件分类5.1.1 本流程所称文件,指质量管理体系文件,包括质量手册、流程文件、记录表格、 作业指导书,其关系如下:手册描述质量管理体系要素及其关系各部门、岗位的详细的工作文件 对质量管理活动过程的记录文件5.1.2 所有文件分为受控文件和非受控文件。
受控文件是指经过正式批准,具有唯一标 识,受到更改控制的文件;否则即为非受控文件,公司内部只能使用受控文件作 为实施依据,非受控文件只能作为参考或发给相关方。
5.2 文件标准格式手册和工作指导书根据书根据实际需要采用不同格式,流程文件应采用以下标准格式: 5.2.1 文件抬头应包括以下资料,但不限于:〔1〕公司名称 〔2〕文件名称 〔3〕文件编号 〔4〕文件页码 〔5〕版本/版次5.2.2 内容:文件标准格式的内容可包括以下几项,但不限于: 〔1〕目的 〔2〕范围 〔3〕权责 〔4〕名词定义 〔5〕工作程序 〔6〕相关文件〔7〕三级文件〔8〕表单记录5.2.3 文件结尾应包括以下几项,但不限于:〔1〕编制、审核、批准人〔2〕发行日期〔3〕修改记录5.3文件、质量记录编号系统5.3.1 各类管制文件均由品管编码管理注:流程文件的部门代码可省略。
1、目的规范质量安全管理体系有关的文件、资料和记录(电子档)管理控制过程,确保公司部门运作和各过程方法间的沟通,提高整体管理水平,保持质量安全体系文件化信息的规范性、统一性、正确性、有效性、适用性以及受控和最新版本。
2、范围适用于本公司质量安全管理体系相关的文件、资料和记录(电子档)以及外来文件。
3、权责总经理:负责批准《质量安全管理手册》、《员工手册》、《HACCP计划》、《食品安全防护计划》、《XX年度培训计划》、《采购申请》、《合格供应商》以及其他财务制度和合同(金额超过5000元及以上)等。
管理者代表/食品安全小组组长:负责质量安全体系相关文件化信息(除报总经理批准外)的批准,为我司体系文件的主控责任人。
食品安全小组(专职体系维护人员):负责对质量安全体系文件化信息的编制和评审,收集与质量安全管理体系有关外来文件(法规、标准和资料等),为体系文件归口管理部门。
(品管)体系文控员:负责体系文件化信息的编号、发放、回收、保存、归档以及作废和销毁具体处理。
各部门:负责本部门相关文件化信息的编制、领取、使用和保管,并对本岗位流程和操作文件化信息评审和更新。
4、定义文件化信息:组织需控制和保持的信息及其包含它的介质。
手册:第一层次文件,包括管理手册、员工手册、财务手册、产品手册等,即本公司的经营宗旨、方针和策略等,为公司的管理提供方向、框架和纲领性文件。
程序文件:第二层次文件,即本公司工作流程,体现过程方法的规定和说明。
支持性文件:第三层次文件,包括作业指导书、管理规定、操作指引、图纸和影像等,即本公司为确保产品质量安全,人员、产品、卫生、工艺及设备操作等方面所规定的具体过程方法(在什么时间、什么地方、谁负责,怎么操作,谁监督检查、效果如何、异常怎么处理等)。
记录:第四层次文件,包括培训记录、会议记录、检验记录、卫生记录、操作记录等,即可证实本公司质量安全管理体系建立、运行、验证和审核有关的证据,要求“及时、真实、准确、清晰”。
文件化信息控制程序(IATF16949-2016/ISO9001-2015)1.0目的规范质量体系文件/记录的制订、核准、发放及修改控制的过程和要求,以确保各相关部门可适时获得适当且有效之最新文件。
2.0范围适用于本司质量体系所有文件/记录,包括重要的外来文件、电子文件、组织知3.0职责文控中心组织制定、发行文件,相关部门执行。
4.0定义无5.0内容5.1编写要求5.1.1所制订文件不可与法律、法规相抵触。
5.1.2编写文件以‘简洁、切合实际、易懂易操作’为原则,文件需可操作性和易操作性。
5.1.3语言表达应通俗易懂、精确严谨、避免产生误解,避免使用生僻字,如有不易懂的名词须定义说明。
5.1.4文件的编写可用文字、图表、流程的方式表述。
5.1.5相关联的文件应保持衔接紧密,相互间无矛盾、无分歧。
5.2文件分类及分类说明5.3文件结构及格式5.3.1文件结构、5.3.2文件格式规范5.3.2.1体系文件编辑尽量采用:宋体字、正文使用‘小四’(即12号)字体、段落间距为1.5倍行距、抬头或标题应视情况选用加粗字体。
5.3.2.2体系文件抬头:5.4 文件编号5.4.1 文件编号采用“公司代码+类别代码+部门代码+流水号+版本号”的方式;(手册与程序文件无部门代码)5.4.2 表格编号采用“公司代码+类别代码+部门代码+流水号+版本号”的方式。
5.4.3 派发的副本编号在副本印章上以“部门代码+流水号”表示,流水号为01~99,按部门分开编号。
5.4.3 公司代码为“XX”;为XX的简写。
5.4.4 部门代码如下表,各部门制订文件时须对应所属部门代码:5.4.5 流水号的使用说明:手册的流水号为年份:YYYY, 程序文件的流水号为01~99,其余文件及表格的流水号为001~999;5.4.6 外来文件的编号只需在“外来文件”图章内编写流水号,流水号YY-MM-DD-XXX,即“年-月-日-流水号(001~999)”;5.4.7 范例A)质量手册的编号方式:BF-QM-□□□□年份B )程序文件的编号方式:BF-QP-□□C )三级文件的编号方式:BF-QW-□□-□□□D )表格的编号方式:BF-QR-□□-□□□-□□5.5 受控文件的识别所有受控文件必须有文件名称、文件编号、生效日期、受控章等受控信息。
文件化信息管理程序1.0 目的通过制定本程序,规范公司文件及记录的创建、分发、访问、检索、使用、保存、变更、保留及处置的行为,来实现文件化信息的规范性、统一性、正确性、有效性、适用性的目的。
2.0 适用范围适用于与公司管理体系相关的文件、资料和记录(含电子档)以及外来文件的管理。
3.0 职责3.1最高管理者:负责批准管理手册、程序文件及作业准则。
3.2管理者代表:负责审核管理手册、程序文件及作业准则。
组织策划各部门对体系文件的编写。
对体系文件及记录表单的修订/废止做审批,组织对外来文件的使用评审,组织相关人员形成文件评审委员会。
3.3总经办(文控中心):负责体系文件及记录的编号、登记、发放、回收、保存、归档、作废、销毁等管理工作。
3.4各部门:负责本部门管辖范围内体系文件及记录信息的编写,并对本部门的文件及记录进行管理。
3.4文件评审委员会:负责对体系文件的评审。
4.0 定义4.1一级文件信息:管理手册。
4.2二级文件信息:程序文件。
4.3三级文件信息:作业准则、作业指导书、操作规范、检验标准规范等。
4.4四级文件信息:表单、记录。
4.5外部文件:凡与质量环境管理体系或产品相关的国际、国家、行业标准,顾客、外部提供方的文件信息(如图样或检验标准)均属之。
4.6文件信息媒介:文件信息的载体,可以是纸质的、电子的等其他方式。
5.0文件的控制5.1策划5.1.1总经理任命管理者代表,管理者代表负责组织管理体系文件的编制、发行和更改的控制,组织相关人员组成文件评审委员会,对体系文件的编制、修订、废止做评审工作。
有关对外部门负责外来文件接收,各部门负责各类内部文件的制定、审核和更改控制。
文控中心负责管理体系文件、记录的编号、发行、回收及作废控制。
5.1.2对于电子媒体文件的管理具体参见《信息化系统管理作业准则》执行。
5.1.3对于技术类文件及外来文件的管理具体参见《文件管理作业准则》执行。
5.1.4对于文件编写人员应有进行相应的培训,熟知文件的编写的要求、方法等。
5.1.5对于公司的体系文件、记录表单、及外来文件等均要进行识别,可作为公司的知识,具体参见《知识管理程序》执行。
5.2文件化信息建立策划5.2.1管理手册、程序文件的建立由管理者代表进行策划。
作业准则的建立由各部门负责人或管理者代表进行策划。
技术文件的建立由各部门负责人进行策划。
5.2.1文件化信息建立策划时应考虑:参考来源、基本格式、文件信息载体、编写要求等。
5.3文件编制5.3.1 体系文件的编制如下:管理手册—由管理者代表指派专人编制。
程序文件—由管理者代表依据各职能部门工作性质与体系标准的对应关系,指定相关职能部门负责编制;作业准则—由各职能部门视工作业务需要或管理者代表指派任务要求,由相关部门指定专人编制。
技术文件—由各职能部门视工作业务需要,由相关部门指定专人编制。
技术文件包括产品技术文件(图纸、产品规格书等)、生产技术文件(作业指导书、工艺参数表等)、质量技术文件(检验规范、检验标准书等)等,具体管理参见《文件管理作业准则》执行。
5.3.2各类体系文件的标准格式均在文件编写前由文控中心统一组织策划,经管理者代表审批后予以实施,各部门在编写文件时不可随意改动格式。
其内容基本上应包含标题、版本、编号、制订部门、生效日期、修订记录、编制、审核、批准栏(也可根据实际情况适当增删)。
管理手册:文件架构基本上应包含概述、职责、内容、结构、发放和使用原则、修改、参考资料等。
程序文件、作业准则:文件架构基本上应包含目的、适用范围、职责、定义、内容、相关文件、记录表单、附件等项。
技术类文件:文件架构由各编制单位自行订立。
5.3.3各部门在制定新的体系文件时,应填写《文件制订、修订、废止申请单》,提交文控中心,经管理者代表审批后予以实施。
5.3.4各类体系文件的在编写前由文控中心统一组织策划其编码原则。
具体如下:管理手册:流水号(01,02,03…)手册类文件公司代号程序文件:流水号(01,02,03…)程序类文件公司代号作业准则流水号(01,02,03…)(该编码准则类文件各部门代号公司代号注:总经办(含最高管理者、管理者代表)—A、财务中心—B、营销中心(含管辖部门)—C、制造中心—D、人力资源部—E、出口部—F、采购部—G、研发部门(含各部)—H、品质部—I、工程部—J、生产部—K、PMC部—L技术类文件:其编码原则由各编制单位自行订立,具体参见《文件管理作业准则》执行。
5.4文件评审5.4.1管理手册、程序文件、作业准则文件编写完成后先提交文控中心核实其编号、格式是否正确,再提交给文件评审委员会进行评审,评审时应重点考虑:文件的规范性、统一性、正确性、有效性、适用性等。
对于引用的关联文件或表单要做确认是否一致。
对于评审不通过,应按要求修订完善或终止编制。
5.4.2对于产品技术、生产技术、质量技术类文件由各主管部门负责人自行评审,评审时应重点考虑:文件的规范性、统一性、正确性、有效性、适用性等。
对于引用的关联文件或表单要做确认是否一致。
对于评审不通过,应按要求修订完善或终止编制。
5.5文件审批5.5.1管理手册、程序文件、作业准则文件由管理者代表审核,总经理批准。
5.5.2对于产品技术、生产技术、质量技术类文件由各主管部门主管或指派专人审核,部门最高领导批准。
5.5.3文件审批如不通过,编制人员应了解问题,及时重新修订完善后再进行审批。
5.6文件发放前准备5.6.1经过审批后的文件统一交到文控中心。
文控员须检查文件是否清晰、干净。
检查文件的编号、版本/修改号、生效日期,是否经过审核、审批等。
确定无误的文件,文控员将文件记录到《文件总览表》列帐管理。
5.6.2在文件发放前文控中心应与编制部门或管理者代表沟通,明确文件发放的范围,是纸质档还是电子档发放,是否需要受控等。
并填写《文件分发一览表》,对于纸质档应复印需要发放的份数,对于受控文件需在文件首页加盖红色文件受控章(对于技术类文件须每页加盖)。
非受控文件发放无需加盖发行章。
5.7文件发放及回收5.7.1文控中心依据《文件分发一览表》,将文件发放至各部门或人员。
发放时间原则上不允许超过审批时间二天。
并填写《文件发放与回收记录表》。
5.7.2文控中心对于电子档文件可以采用邮件、网络盘、OA系统等途径发放至各部门或人员处,并填写《文件发放与回收记录表》做相应备注。
5.7.3文控中心对于更新版本的文件,在发放时必须做好旧版文件回收,各部门在收到新版文件的同时及时提交旧版文件,回收时间原则上不允许超过二天时间,以防止失效文件的使用。
文控员应填写《文件发放与回收记录表》注明回收情况。
5.7.4不在发放范围内的部门或因破损而需领用文件的部门,须填写《文件领用、借用申请单》,写明申请文件名称、编号、申请原因等给文件中心,经原编制部门负责人或管理者代表批准同意方可执行补发。
必要时文控中心可调整《文件分发一览表》。
5.8文件使用5.8.1 文件分发到各使用部门,各部门应及时组织相关人员进行学习理解。
对体系文件的学习人力资源部应每年策划组织相关人员进行专门培训,具体培训过程参见《人力资源管理程序》。
5.8.1 文件使用部门/人员应保持文件的完整和清晰,确保文件页数、段落、文字等内容的正确,不得擅自涂改,防止不当使用及失密。
对规定需要在现场展示或公布的文件应在现场适当的位置进行公布或展示。
非现场使用的文件,各使用部门可指派专人自行集中管理。
使用部门/人员不得以复印文件替代正式文件。
5.8.2 当使用中的文件有缺页、破损、字迹模糊、内容不清晰而影响使用时,使用部门应持原文件到文控中心进行更换,不可以复印方式自行处理。
5.8.3 在使用过程中,使用人若发现文件规定不合理或存在错误应及时与原编写部门/人员进行沟通,其沟通方式及流程可参见《沟通与信息管理程序》执行,同时向文控员反馈,并由文控员负责跟进原编写部门/人员进行修订。
5.8.4 必要时,对允许借用或查询的文件,有关部门应当对借用或查询的情况进行登记,并在《文件分发一览表》注明情况。
5.8.5 对有保密要求的文件,有关部门/人员应当妥善保管以防止泄密。
任何人员都不得进行未经授权的文件复制或泄密。
5.9使用评价5.9.1所有文件通过实际使用、内外部审核、管理评审或管理者代表组织专题评审等方式,来评价其文件的符合性、有效性、适用性等,必要时应进行相应修改及完善。
具体可参见《持续改进管理程序》执行。
5.10文件修订5.10.1文件的修订或更改由原编制部门执行,修订完的文件的评审、审批、发放等参照本程序5.4、5.5、5.6、5.7条款执行。
文件最新更改内容需以粗斜体加底纹表示,以便于区分修改内容。
5.10.2文件修订或更改时需注明修订或更改记录、版本/修改号、生效日期等。
5.10.3对于管理手册、程序文件、作业准则的修订或更改其版本/修改号应做相应变更,具体如下:A / 0为修订时的记录数字码。
表示该文件已修订的次数。
由0开始,超过5时,则整份文件由原版次改为下一版次。
对于大的修订可直接改为下一版次。
版本号,以26个字母方式依序递增(A、B、C……)。
5.10.4对于各类技术文件的修订要求,具体参见《文件管理作业准则》(/AW11-01)5.11文件作废申请经评价审核已不适用的文件,由原编制部门提出作废申请,填写《文件制订、修订、废止申请单》提交文控中心。
5.12作废审批文控中心将《文件制订、修订、废止申请单》提交给管理者代表进行审批。
审批不通过则要求提出部门按审批意见执行。
通过则由文控中心执行作废处理。
5.12文件报废处理5.12.1经审批同意作废的文件,由文控中心通知相关使用部门统一回收后销毁或直接通知使用部门自行销毁(原则上要求在接到通知后三天内销毁完毕),以防止无效文件被继续使用。
存放在文控中心的旧版次原件可加盖“过时保留”章并保存,做好标识易于查找。
销毁文件时应在《文件发放与回收记录表》注明销毁情况。
5.12.2文控中心盖有“过时保留”的文件应保存3个日历年时间,超期可进行销毁处理,如仍有保留价值的作废文件应无期限保存。
6.0记录的控制6.1记录表单编制6.1.1 列入体系文件中的记录表单,由原文件编制部门负责设计制作,在设计时应与使用单位沟通,充分考虑表单的合理性,方便性,适用性等。
6.1.2列入体系文件中的记录表单应进行编号管理,并可明确期版本,具体如下:A/1,A/2,A/3…)01、02、03…)(该码皆相同)6.1.3对于未列入体系文件管控的记录表单,由各使用部门自行设计制作,无需编号。
6.2表单审批6.2.1 列入体系文件中的记录表单随体系文件一同评审及审批,具体参见本程序5.4、5.5条款执行。