丙二醇嵌段聚醚l61结构
- 格式:docx
- 大小:16.17 KB
- 文档页数:2
丙二醇嵌段聚醚l61结构丙二醇嵌段聚醚L61是一种聚合物,由丙二醇(propane-1,3-diol)和嵌段化助剂组成。
它具有一定的热稳定性、耐溶剂性和机械性能,因此在许多领域中有广泛的应用,如涂料、胶粘剂、纺织品和药物输送等。
下面将介绍丙二醇嵌段聚醚L61的结构以及相关参考内容。
1. 结构:丙二醇嵌段聚醚L61的化学式为C12H24O6,结构为嵌段聚合物。
每个嵌段由若干个丙二醇单元组成,丙二醇单元间通过醚键连接。
嵌段中的丙二醇单元可以有不同的分布模式,如均分、间隔分布或区段分布等。
这些分布模式影响着聚合物的物性。
2. 物性:丙二醇嵌段聚醚L61具有较低的玻璃化转变温度(Tg),通常在-70℃到-50℃之间。
这一特性使得它在低温环境下仍能保持较好的弹性和柔软性。
此外,该聚合物的熔点通常较高,约为118℃,这使得它在高温下具有较好的热稳定性。
此外,丙二醇嵌段聚醚L61还具有较好的溶剂性能和良好的拉伸强度,这使得它在涂料和胶粘剂等应用中具有优秀的性能。
3. 应用领域:- 涂料:丙二醇嵌段聚醚L61可以作为涂料的分散剂和稠化剂,可以提高涂料的流变性能和耐候性。
此外,它还可以增加涂料的抗刮擦性和耐溶剂性,改善涂层的光泽度和耐久性。
- 胶粘剂:丙二醇嵌段聚醚L61可以用作水性胶粘剂的增稠剂和粘接剂。
它能够提供胶粘剂的粘附力和柔性,降低胶粘剂的粘度,从而改善胶粘剂的加工性能和粘接性能。
- 纺织品:丙二醇嵌段聚醚L61可以作为织物的柔软剂和防皱剂,可以提高纺织品的柔软性和耐磨性。
此外,它还可以增加纺织品的耐洗涤性和抗静电性,改善纺织品的手感和外观。
- 药物输送:丙二醇嵌段聚醚L61可以作为药物的载体或溶剂,用于控制药物的释放速率和改善药物的溶解性。
此外,它还可以增加药物的稳定性,降低药物的毒性和副作用。
4. 相关参考内容:- 林氏嵌段聚醚L61结构及其性能研究(《高分子材料科学与工程》)- 丙二醇嵌段聚醚在胶黏剂中的应用(《涂料工业》)- 丙二醇嵌段聚醚增稠剂的合成与性能研究(《粘接》)- 丙二醇嵌段聚醚在纺织品中的应用研究(《纺织学报》)- 丙二醇嵌段聚醚载体在药物输送系统中的应用(《化学工程与装备》)以上是关于丙二醇嵌段聚醚L61的结构和相关参考内容的介绍。
EINECS号: 200-338-0图为丙二醇分子结构式。
丙二醇为二元醇,具有一般醇的性质。
与有机酸及无机酸反应,可生成单酯或双酯。
与环氧丙烷反应,生成醚。
与卤化氢反应,生成卤代醇。
与乙醛反应,生成甲基二氧戊环。
丙二醇溶解性能好,毒性和刺激性较小,广泛用作注射剂(如肌内注射min。
用任何合适的方法求出所有各峰的面积,再算出丙二醇面积的百分率,并换算成质量百分含量。
毒性FAO/WHO(2000):ADI 0~25mg/kg。
LD5022~23.9mg/kg(小鼠,经口)。
GRAS(FDA,§184.1666,2000)。
使用限量FAO/WHO(1984):酪农干酪,其稀奶油混合物量的5g/kg(单用或与其他载体和稳定剂合用)。
日本(1998):生面条、生馅、墨鱼熏制品≤2%;饺子、烧麦、春卷、馄饨等的皮子≤1.2%;其他食品≤0.6%。
GB 2760~96:糕点3.0g/kg,胶姆糖胶FDA,§184.1666(2000):含醇饮料5%;糖果和糖霜24%;冷冻乳品2.5%;调味剂、增香剂,97%;果仁和果仁制品5%;其他食品2.0%。
食品添加剂最大允许使用量最大允许残留量标准添加剂中文名称允许使用该种添加剂的食品中文名称添加剂功能最大允许使用量(g/kg)最大允许残留量(g/kg)1,2-丙二醇食品食品用香料用于配制香精的各香料成分不得超过在GB 2760中的最大允许使用量和最大允许残留量丙二醇胶基糖果胶基糖果中基础剂物质按生产需要适量使用(有特别规定的除外)1,2-丙二醇食品食品工业用加工助剂/食品工业用加工助剂一般应在制成最后成品之前出去,有规定食品中残留量的除外丙二醇生湿面制品稳定剂和凝固剂1.5化学性质无色粘稠稳定的吸水性液体,几乎无味无臭。
与水、乙醇及多种有机溶剂混溶。
用途用作树脂、增塑剂、表面活性剂、乳化剂和破乳剂的原料,也可用作防冻剂和热载体用途用作气相色谱固定液、溶剂、抗冻剂、增塑剂及脱水剂。
二醇嵌段聚醚[b][/b][b]【化学成分】[/b]聚氧乙烯、聚氧丙烯嵌段聚合物[b]【类[/b][b]型】[/b]非离子[b]【性能与应用】[/b]1、作低泡沫洗涤剂或消泡剂。
L61、L64、F68用于配制低泡、高去污力合成洗涤剂;L61在造纸或发酵工业中用作消泡剂;F68在人工心肺机血液循环时用作消泡剂,防止空气进入。
2、聚醚毒性很低,常用作药物赋形剂和乳化剂;在口腔、鼻喷雾剂、眼、耳滴剂和洗发剂中都经常使用。
3、聚醚是有效的润湿剂,可用于织物的染色、照相显影和电镀的酸性浴中,在糖厂使用F68,由于水的渗透性增加,可获得更多的糖分。
4、聚醚是有效的抗静电剂,L44可对合成纤维提供持久的静电防护作用。
5、聚醚在乳状液涂料中作分散剂。
F68在醋酸乙烯乳液聚合时作乳化剂。
L62、L64可作农药乳化剂,在金属切削和磨削中作冷却剂和润滑剂。
在橡胶硫化时作润滑剂。
6、聚醚可用作原油破乳剂,L64、F68能有效地防止输油管道中硬垢的形成,以及用于次级油的回收。
7、聚醚可用作造纸助剂,F68能有效地提高铜版纸的质量。
8、F38可用作乳化剂、润湿剂、消泡剂、破乳剂、分散剂、抗静电剂、除尘剂、粘度调节剂、控泡剂、匀染剂、胶凝剂等,用于生产农用化学品、化妆品、药品;还用于金属加工净洗、纸浆和造纸工业、纺织品加工(纺织、整理、染色、柔软整理)、水质处理;也用作漂清助剂。
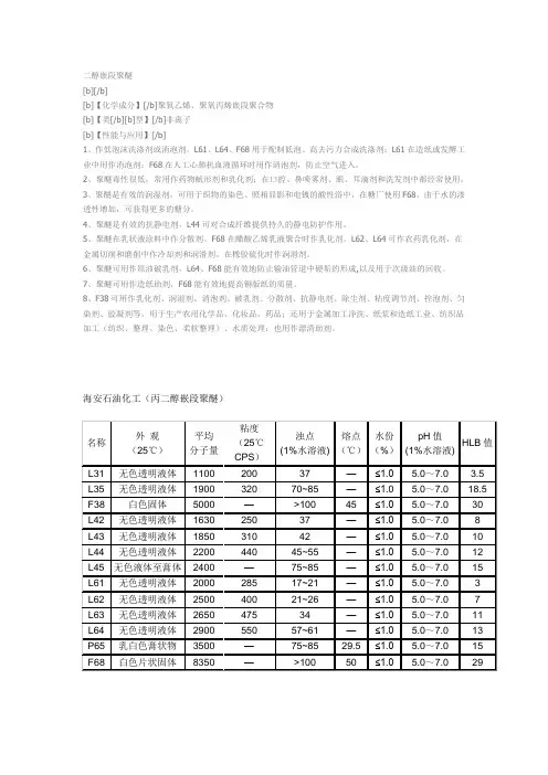
海安石油化工(丙二醇嵌段聚醚)名称外观(25℃)平均分子量粘度(25℃CPS)浊点(1%水溶液)熔点(℃)水份(%)pH值(1%水溶液)HLB值L31 无色透明液体1100 200 37 —≤1.0 5.0~7.0 3.5 L35 无色透明液体1900 320 70~85 —≤1.0 5.0~7.0 18.5 F38 白色固体5000 —>100 45 ≤1.0 5.0~7.0 30 L42 无色透明液体1630 250 37 —≤1.0 5.0~7.0 8 L43 无色透明液体1850 310 42 —≤1.0 5.0~7.0 10 L44 无色透明液体2200 440 45~55 —≤1.0 5.0~7.0 12 L45 无色液体至膏体2400 —75~85 —≤1.0 5.0~7.0 15 L61 无色透明液体2000 285 17~21 —≤1.0 5.0~7.0 3 L62 无色透明液体2500 400 21~26 —≤1.0 5.0~7.0 7 L63 无色透明液体2650 475 34 —≤1.0 5.0~7.0 11 L64 无色透明液体2900 550 57~61 —≤1.0 5.0~7.0 13 P65 乳白色膏状物3500 —75~85 29.5 ≤1.0 5.0~7.0 15 F68 白色片状固体8350 —>100 50 ≤1.0 5.0~7.0 29丙烯醇聚醚产品指标 Product Specification:产品名称羟值酸值水份不饱和度色度金属离子粘度pH Hydroxyl Value Acid Value Water Content Unsaturation Colority Metal Ionic mPa.s (25℃)Product Name (mgKOH/g) (mgKOH/g) (%) (mol/g) (APHA) (ppm) (25℃) 1%水溶液Y-1 44~50 ≤0.1 ≤0.1 ≥0.65 ≤100F-6 41~49 ≤0.1 ≤0.1 ≥0.62 ≤100FB-1 50~58 ≤0.1 ≤0.1 ≥0.85 ≤100FB-2 55~61 ≤0.15 ≤0.15 ≥0.92 ≤80 ≤10 95~125B-400 130~150 ≤0.15 ≤0.15 ≥2.30 ≤200 ≤10PE-1000 56±5 ≤0.15 ≤0.15 ≥0.65 ≤100 ≤5P-90 55~61 ≤0.15 ≤0.15 ≥0.75 ≤200 ≤10 5~7 FB-1000 55~63 ≤0.15 ≤0.15 ≥0.90 ≤200 ≤10CG-10 55~63 ≤0.15 ≤0.15 ≥0.90 ≤50 ≤10F6:CH2=CH-CH2O(C3H6O)m(C2H4O)nH烯丙醇封端聚醚介这些产品包含一个或两个双键的功能,因此具有很好的反应活性。
丙二醇结构简式#简介 ##丙二醇的定义丙二醇(Propylene Glycol),化学式C3H8O2,又称1,2-丙二醇,是一种无色、无味、带有甜味的粘稠液体。
它是一种重要的有机化合物,广泛应用于制药、化妆品、食品、涂料、溶剂等行业。
##丙二醇的结构简式丙二醇的结构简式为HO-CH2-CH2-OH,表示它是由两个羟基(OH)与一个甲基(CH2)连接而成的。
其分子式为C3H8O2,分子量为76.09。
另外,丙二醇还有三个异构体:1,1-丙二醇、2,2-丙二醇和1,3-丙二醇。
#丙二醇的性质 ##物理性质 - 外观:无色至黄色粘稠液体 - 熔点:-59°C - 沸点:188°C - 密度:1.036 g/cm³ - 疏水性:可溶于水和大多数有机溶剂##化学性质 - 稳定性:丙二醇在常温下相对稳定,但容易被氧化,需要防止暴露在空气中。
- 反应性:丙二醇是一种弱碱性物质,在一定条件下可以与酸催化剂反应生成酯类、醚类等化合物。
此外,丙二醇也可以与醛类反应生成1,3-二醇。
#丙二醇的应用 ##制药丙二醇在制药行业中广泛应用,常用作溶剂、载体和稳定剂。
它可以促进药物的溶解度,降低药物的毒性,提高药物吸收的速度。
丙二醇还可以作为药物注射剂的稀释剂,帮助药物达到适合注射的浓度。
##化妆品丙二醇在化妆品中被广泛用作保湿剂、溶剂和防腐剂。
它能够吸湿并与水分形成胶体结构,从而增加皮肤的湿润度。
同时,丙二醇还可以帮助其他活性成分更好地渗透皮肤,提高化妆品的功效。
##食品丙二醇作为食品添加剂被允许在食品中使用。
它可以作为调味剂、增稠剂和保湿剂。
丙二醇能够增加食品的口感和保持食品的湿润度,提高食物的品质。
同时,丙二醇也常用于制作糖果、饼干和冰淇淋等甜食。
##涂料与溶剂丙二醇在涂料和溶剂领域有着广泛的应用。
它可以作为涂料的稀释剂,调整涂料的粘度和流动性。
丙二醇还可以与其他化合物反应,生成具有特定功能或性质的涂料和溶剂。
2 聚醚多元醇分子端基(或/及侧基)含两个或两个以上羟基、分子主链由醚链(-R-O-R'—)组成的低聚物称为聚醚多元醇。
聚醚多元醇通常以多羟基、含伯胺基化合物或醇胺为起始剂,以氧化丙烯、氧化乙烯等环氧化合物为聚合单体,开环均聚或共聚而成。
聚氧化丙烯多元醇及聚氧化丙烯-氧化乙烯共聚醚多元醇在此归类为普通聚醚多元醇,其官能度在2~8之间,相对分子质量在200~8000之间。
除通用聚醚多元醇(即用常规碱催化工艺制备的聚氧化丙烯多元醇)外,还有具有高伯羟基含量或端氨基的高活性聚醚多元醇,含有各种元素或芳、杂环结构的特种功能性聚醚多元醇,分子量分布极窄的低不饱和度高分子量聚醚多元醇等。
这些聚醚的开发和使用,使聚氨酯产品性能获得极大改善,使产品的使用范围得到更大的拓展。
在聚醚多元醇分子结构中,醚键内聚能较低,并易于旋转,故由它制备的聚氨酯材料低温柔顺性能好,耐水解性能优良,虽然机械性能不如聚酯型聚氨酯,但原料体系粘度低,易与异氰酸酯、助剂等组分互溶,加工性能优良。
为了增加软质泡沫塑料的硬度,人们开发了以聚醚多元醇为基础的聚合物多元醇和聚脲多元醇等有机聚合物填充多元醇,它们属于特殊的聚合物改性聚醚多元醇。
用于泡沫塑料的聚合物多元醇多以聚醚多元醇为基础聚醚,可单独或于普通聚醚多元醇结合使用,用于要求一定的承载性能的聚氨酯泡沫垫材和半硬泡。
耐燃聚氨酯泡沫塑料所需的多元醇化合物分子则—般内含卤素、磷、锑等阻火元素。
聚四氢呋喃二醇是一类特种高性能聚醚多元醇,主要用于合成高性能耐水解聚氨酯弹性体、氨纶等。
聚四氢呋喃多元醇将专门介绍。
2.1 聚氧化丙烯多元醇为了与聚四氢呋喃二醇区别,此节论述的聚醚多元醇即是指聚氧化丙烯多元醇,包括含少量氧化乙烯链段或端基的聚氧化丙烯-氧化乙烯共聚多元醇。
由不同起始剂、不同氧化烯烃单体制得的聚醚多元醇规格及用途见表2-1。
表2-1 由不同起始剂、单体制得的聚醚多元醇的用途官能度起始剂氧化烯烃分子量用途水、乙二醇、丙二PU弹性体类材料,2醇、二乙二醇、二PO200~4000 软质、半硬质泡沫丙二醇等 PO/EOTHF/PO 塑料等丙三醇、三羟甲基PO 软质、半硬质泡沫3 丙烷、三乙醇胺等PO/EO 400~7000 塑料及弹性体类材料等4 季戊四醇、PO硬泡、半硬泡、软甲苯二胺等PO/EO 400~800 泡 5 木糖醇、二乙烯三PO胺等PO/EO 500~800 硬泡 6 山梨醇、甘露醇、POα-甲基葡萄糖甙PO/EO 1000以下硬泡8蔗糖POPO/EO500~15000硬泡、高载荷软泡聚醚多元醇的性能与起始剂关系密切,也与分子中氧化烯烃链段长度及排列结构有关。
丙二醇嵌段聚醚l61结构一、什么是丙二醇嵌段聚醚l61结构?丙二醇嵌段聚醚l61(Poly(propylene glycol) block poly(ethylene glycol) l61,简称PPG-PEG l61)是一种具有特殊结构的聚合物。
它由丙二醇和乙二醇的嵌段聚合物组成,具有丙二醇和乙二醇的性质和特点。
二、丙二醇嵌段聚醚l61的结构特点PPG-PEG l61的结构特点主要体现在以下几个方面:1. 嵌段结构PPG-PEG l61由丙二醇和乙二醇的嵌段聚合物组成,丙二醇和乙二醇的分子在聚合过程中交替排列,形成嵌段结构。
这种嵌段结构赋予了PPG-PEG l61特殊的性质和功能。
2. 丙二醇和乙二醇的性质丙二醇是一种具有两个羟基的有机化合物,具有良好的溶解性和可调节的粘度。
乙二醇也是一种具有两个羟基的有机化合物,具有良好的溶解性和增塑性。
丙二醇和乙二醇的性质在PPG-PEG l61中得到了充分的发挥。
3. 特殊功能PPG-PEG l61具有一些特殊的功能,如表面活性剂、增溶剂、调节粘度和改变流变性等。
这些功能使得PPG-PEG l61在许多领域具有广泛的应用前景。
三、丙二醇嵌段聚醚l61的应用领域PPG-PEG l61由于其独特的结构和功能,被广泛应用于以下领域:1. 医药领域PPG-PEG l61在医药领域中被用作药物的载体和控释系统。
其嵌段结构可以实现药物的稳定输送和控制释放,提高药物的生物利用度和疗效。
2. 化妆品领域PPG-PEG l61在化妆品领域中被用作乳化剂、保湿剂和增稠剂等。
其特殊的结构和性质可以改善化妆品的质地和稳定性,提高产品的使用感受。
3. 工业领域PPG-PEG l61在工业领域中被用作润滑剂、防腐剂和增塑剂等。
其特殊的功能可以改善工业产品的性能和使用寿命,提高生产效率和产品质量。
4. 其他领域此外,PPG-PEG l61还可以应用于纺织、染料、胶粘剂等领域,具有广泛的应用前景。
嵌段聚醚和无规聚醚
嵌段聚醚和无规聚醚的区别如下:
1.结构不同。
嵌段聚醚是环氧乙烷和环氧丙烷分别形成均聚长链段,间隔排列在主链上。
无规聚醚是环氧乙烷和环氧丙烷在分子链上无规则排列,两个单体在主链上随机分布,没有一个单体能在分子链上形成单独的长链段。
2.性能不同。
嵌段聚醚的渗透性能远好于相应的各种无规聚醚,且其浊点明显低于无规聚醚。
无规聚醚中,EO和PO的排列较为整齐,使分子间作用力加大,在水溶液中摆脱水的“拉力”的能力变强,从而浊点降低。
3.应用不同。
嵌段聚醚在高温(210℃)下的热失重率高于无规聚醚,这是由于嵌段聚醚中PO链段上甲基的存在造成的。
甲基的存在使得分子内空间位阻增加,分子的热稳定性降低。
无规聚醚中EO和PO的整齐排列,造成了分子力的增大,提高了聚醚的粘度。
聚乙二醇—聚丙二醇—聚乙二醇嵌段共聚物聚乙二醇—聚丙二醇—聚乙二醇嵌段共聚物,简称PEG-PPO-PEG嵌段共聚物,是一种由聚乙二醇(PEG)和聚丙二醇(PPO)组成的高分子化合物,其中聚丙二醇作为中间嵌段连接了两端的聚乙二醇。
这种嵌段共聚物具有独特的水溶性、表面活性和生物相容性,广泛应用于药物输送、组织工程、医疗器械、生物传感和化妆品等领域。
PEG是一种聚合物,具有极强的亲水性和生物相容性,能够有效地保持药物的稳定性和活性。
PPO是另一种聚合物,具有较弱的亲水性和生物相容性,在PEG嵌段共聚物中起到了中间嵌段的作用。
中间的PPO段具有自组装能力,在水中形成了一定的微相分离结构,形成了一种由表面活性剂类似的分子结构,使得嵌段共聚物具有了优良的表面活性。
这种自组装结构还能够控制嵌段共聚物的形态和结构,形成纳米粒子或胶束等具有特定功能的结构,从而实现药物的载体和传输。
PEG-PPO-PEG嵌段共聚物的药物输送应用主要包括两种方式:一种是利用纳米粒子或胶束结构作为药物的载体,实现药物诱导的自组装和传输;另一种是利用本身的表面活性和生物相容性,直接将药物导入细胞或组织中,或者利用其作为药物的保护剂,提高药物的稳定性和生物可利用性。
PEG-PPO-PEG嵌段共聚物在组织工程中也有广泛的应用。
其水溶性和生物相容性使得其能够作为植物草酸钙等材料的溶剂和模板,在细胞培养和组织再生过程中起到了重要的作用。
PEG-PPO-PEG嵌段共聚物还可以形成3D打印生物材料,用于制造人造皮肤、骨骼和其他生物组织替代品。
PEG-PPO-PEG嵌段共聚物的生物传感应用基于其独特的物理化学性质,在分子识别、分子传输和生物检测等方面有广泛的应用。
PEG-PPO-PEG嵌段共聚物能够容纳小分子、蛋白质和核酸等生物大分子,形成一种特殊的生物传感结构,实现对生物分子的高灵敏度检测和传输。
PEG-PPO-PEG嵌段共聚物还可以应用于化妆品和个人护理产品中,能够起到愈合剂、润滑剂和稳定剂等多种作用。
丙二醇结构
丙二醇是一种有机化学的无色液体,其结构式为CH3CHOHCH2OH,分子式为C3H8O2。
它是一种氢化烃,主要组成成分是甲醇和乙醇,丙二醇中包含三个碳原子、八个氢原子和两个氧原子。
丙二醇是一种极强的碱,它的化学结构存在一个可以与多种酸性物质反应的卤素中心,它几乎可以与任何酸性物质发生反应。
丙二醇的分子结构特别接近丙醇,实际上可以看作是丙醇分子附加一个水分子而形成的,而丙醇分子本身也是一种烃,而且含有三个碳原子和八个氢原子,其分子式为C3H8O。
丙二醇的分子具有一个由三个碳原子排成的环状结构,碳原子之间通过共价键相连,在环状结构的两端连接着一个氢原子,在环芳醚结构内部还有一个卤素中心,由一个氢原子和一个氧原子组成。
因此,丙二醇分子共有三个氢原子,五个碳原子和两个氧原子构成。
- 1 -。
二醇嵌段聚醚[b][/b][b]【化学成分】[/b]聚氧乙烯、聚氧丙烯嵌段聚合物[b]【类[/b][b]型】[/b]非离子[b]【性能与应用】[/b]1、作低泡沫洗涤剂或消泡剂。
L61、L64、F68用于配制低泡、高去污力合成洗涤剂;L61在造纸或发酵工业中用作消泡剂;F68在人工心肺机血液循环时用作消泡剂,防止空气进入。
2、聚醚毒性很低,常用作药物赋形剂和乳化剂;在口腔、鼻喷雾剂、眼、耳滴剂和洗发剂中都经常使用。
3、聚醚是有效的润湿剂,可用于织物的染色、照相显影和电镀的酸性浴中,在糖厂使用F68,由于水的渗透性增加,可获得更多的糖分。
4、聚醚是有效的抗静电剂,L44可对合成纤维提供持久的静电防护作用。
5、聚醚在乳状液涂料中作分散剂。
F68在醋酸乙烯乳液聚合时作乳化剂。
L62、L64可作农药乳化剂,在金属切削和磨削中作冷却剂和润滑剂。
在橡胶硫化时作润滑剂。
6、聚醚可用作原油破乳剂,L64、F68能有效地防止输油管道中硬垢的形成,以及用于次级油的回收。
7、聚醚可用作造纸助剂,F68能有效地提高铜版纸的质量。
8、F38可用作乳化剂、润湿剂、消泡剂、破乳剂、分散剂、抗静电剂、除尘剂、粘度调节剂、控泡剂、匀染剂、胶凝剂等,用于生产农用化学品、化妆品、药品;还用于金属加工净洗、纸浆和造纸工业、纺织品加工(纺织、整理、染色、柔软整理)、水质处理;也用作漂清助剂。
海安石油化工(丙二醇嵌段聚醚)名称外观(25℃)平均分子量粘度(25℃CPS)浊点(1%水溶液)熔点(℃)水份(%)pH值(1%水溶液)HLB值L31 无色透明液体1100 200 37 —≤1.0 5.0~7.0 3.5 L35 无色透明液体1900 320 70~85 —≤1.0 5.0~7.0 18.5 F38 白色固体5000 —>100 45 ≤1.0 5.0~7.0 30 L42 无色透明液体1630 250 37 —≤1.0 5.0~7.0 8 L43 无色透明液体1850 310 42 —≤1.0 5.0~7.0 10 L44 无色透明液体2200 440 45~55 —≤1.0 5.0~7.0 12 L45 无色液体至膏体2400 —75~85 —≤1.0 5.0~7.0 15 L61 无色透明液体2000 285 17~21 —≤1.0 5.0~7.0 3 L62 无色透明液体2500 400 21~26 —≤1.0 5.0~7.0 7 L63 无色透明液体2650 475 34 —≤1.0 5.0~7.0 11 L64 无色透明液体2900 550 57~61 —≤1.0 5.0~7.0 13 P65 乳白色膏状物3500 —75~85 29.5 ≤1.0 5.0~7.0 15 F68 白色片状固体8350 —>100 50 ≤1.0 5.0~7.0 29丙烯醇聚醚产品指标Product Specification:产品名称羟值酸值水份不饱和度色度金属离子粘度pH Hydroxyl Value Acid Value Water Content Unsaturation Colority Metal Ionic mPa.s (25℃)Product Name (mgKOH/g) (mgKOH/g) (%) (mol/g) (APHA) (ppm) (25℃)1%水溶液Y-1 44~50 ≤0.1 ≤0.1 ≥0.65 ≤100F-6 41~49 ≤0.1 ≤0.1 ≥0.62 ≤100FB-1 50~58 ≤0.1 ≤0.1 ≥0.85 ≤100FB-2 55~61 ≤0.15 ≤0.15 ≥0.92 ≤80 ≤10 95~125B-400 130~150 ≤0.15 ≤0.15 ≥2.30 ≤200 ≤10PE-1000 56±5 ≤0.15 ≤0.15 ≥0.65 ≤100 ≤5P-90 55~61 ≤0.15 ≤0.15 ≥0.75 ≤200 ≤10 5~7 FB-1000 55~63 ≤0.15 ≤0.15 ≥0.90 ≤200 ≤10CG-10 55~63 ≤0.15 ≤0.15 ≥0.90 ≤50 ≤10F6:CH2=CH-CH2O(C3H6O)m(C2H4O)nH烯丙醇封端聚醚介这些产品包含一个或两个双键的功能,因此具有很好的反应活性。
丙二醇嵌段聚醚l61结构
(原创实用版)
目录
1.丙二醇嵌段聚醚 l61 的概述
2.丙二醇嵌段聚醚 l61 的结构特点
3.丙二醇嵌段聚醚 l61 的应用领域
4.丙二醇嵌段聚醚 l61 的优缺点分析
正文
丙二醇嵌段聚醚 l61 是一种聚合物,其特点是由丙二醇和聚醚 l61 嵌段而成。
这种结构使得丙二醇嵌段聚醚 l61 具有良好的柔韧性和弹性,使其在许多领域都有广泛的应用。
丙二醇嵌段聚醚 l61 的结构特点是由丙二醇和聚醚 l61 两种材料
嵌段而成。
丙二醇具有良好的亲水性,而聚醚 l61 具有良好的疏水性,这种组合使得丙二醇嵌段聚醚 l61 既具有亲水性又具有疏水性,可以在不同的环境中使用。
丙二醇嵌段聚醚 l61 的应用领域非常广泛,包括但不限于医药、食品、化妆品和电子等领域。
在医药领域,丙二醇嵌段聚醚 l61 可以用作药物的载体,提高药物的生物利用度;在食品领域,丙二醇嵌段聚醚 l61 可以用作食品添加剂,提高食品的口感和保质期;在化妆品领域,丙二醇嵌段聚醚 l61 可以用作保湿剂,提高化妆品的保湿效果;在电子领域,丙二醇嵌段聚醚 l61 可以用作电子元器件的绝缘材料,提高电子元器件的性能。
丙二醇嵌段聚醚 l61 的优缺点分析,优点包括具有良好的柔韧性和弹性,可以在不同的环境中使用,同时具有亲水性和疏水性,可以满足不同领域的需求。