丙二醇嵌段聚醚,丙烯醇聚醚
- 格式:doc
- 大小:82.00 KB
- 文档页数:3
丙二醇醚的生产及市场行情概述文章介绍了丙二醇醚产品生产工艺技术,并对国内外的生产情况、市场行情做了分析及预测。
标签:丙二醇醚;工艺原理;消费领域1 丙二醇醚简介丙二醇醚属于二元醇醚,是环氧丙烷的重要衍生物。
丙二醇醚分子结构中有烷基、羟基、醚键,使其兼具有醇类、醚类溶剂特性;同时由于醇醚具有较强的氢键,使其成为多种有机溶剂与水的强偶联剂;另外其气味温和,溶解力强,挥发速率适中,一类性能优异的溶剂。
丙二醇醚作为高级有机溶剂,广泛应用在印刷油墨、工业用清洗剂、涂料覆铜板、印染等行业。
丙二醇醚物理性质见表1。
表1 丙二醇醚类产品物理性质2 丙二醇醚的生产情况分析及预测2.1 世界丙二醇醚生产情况分析及预测丙二醇醚的生产主要集中在美国、西欧、日本和巴西等国家和地区。
陶氏化学、壳牌、Lyondell和BP公司是世界主要的丙二醇醚生产商,其中道化学公司的产能约占世界总产能的30%以上。
自2005年以来,随着丙二醇醚在各领域应用的不断推广,丙二醇醚的产量和需求量稳定增长。
2011年,全球丙二醇醚的产量达75.01万吨,是2005年的1.51倍,平均年增长率为7.1%。
预计未来几年增长速度将在7.1%左右,2015年全球产量将达到98.67万吨以上。
预计2015年世界丙二醇醚的产能的增长主要来自亚洲地区。
2.2 我国丙二醇醚生产情况分析及预测我国在上世纪九十年代开始二元醇醚类的规模化工业生产,主要生产企业有:陶氏化学(张家港)有限公司、南京德纳、江苏天音、扬州华伦、怡达化工、江苏瑞佳等。
2011年,我国丙二醇醚的产量达15.08万吨,是2005年的7.18倍,增长率为38.9%。
其中丙二醇甲醚占有绝对重要的位置,约占丙二醇醚类总产量的70%。
预计未来几年我国乙二醇醚被丙二醇醚替代的领域会不断扩大,丙二醇醚的增长速度将在20%以上,2015年我国产量将达到31.23万吨以上。
3 丙二醇醚生产工艺技术发展3.1 合成工艺原理丙二醇醚的生产工艺技术主要有Willamson法,缩乙醛法,乙氧基环氧乙烷法及环氧丙烷法等。
聚丙二醇分子量 5000
聚丙二醇,分子量为5000,是一种常见的高分子聚合物。
它由许多丙二醇分子通过共价键连接而成,具有线性结构。
聚丙二醇具有许多独特的化学和物理性质,使其在各个领域得到广泛应用。
聚丙二醇在医药领域有着重要的作用。
由于其亲水性和生物相容性,聚丙二醇常被用作药物的包裹材料。
这种包裹材料可以保护药物不受外界环境的影响,延长药物的释放时间,并提高药物的稳定性。
此外,聚丙二醇还可以用于制备生物可降解的缓释材料,用于治疗癌症等疾病。
聚丙二醇在化妆品行业也有着广泛的应用。
由于其良好的保湿性能和渗透性,聚丙二醇常用于制造护肤品和化妆品。
它可以帮助皮肤吸收水分,并锁住皮肤的水分,从而保持皮肤的湿润和光滑。
此外,聚丙二醇还可以作为乳化剂和稳定剂使用,使化妆品更加稳定和易于使用。
聚丙二醇还在纺织、涂料、塑料等行业中得到广泛应用。
在纺织行业,聚丙二醇可以用作纤维的柔软剂和润滑剂,提高纤维的柔软度和手感。
在涂料领域,聚丙二醇可以作为分散剂和增稠剂使用,改善涂料的流动性和附着性。
在塑料工业中,聚丙二醇可以用作增塑剂,提高塑料的延展性和韧性。
总的来说,聚丙二醇是一种重要的高分子聚合物,具有广泛的应用
前景。
它在医药、化妆品、纺织、涂料和塑料等行业中发挥着重要的作用。
随着科学技术的不断发展,聚丙二醇的应用领域还将不断扩大,为我们的生活带来更多的便利和福祉。
丙二醇嵌段聚醚生产方式丙二醇嵌段聚醚是一种重要的高分子材料,广泛用于医药、化妆品、涂料等领域。
本文将介绍丙二醇嵌段聚醚的生产方式。
一、醚化反应丙二醇嵌段聚醚的生产方式首先是进行醚化反应。
该反应是将丙二醇与聚氧乙烯醇进行醚化反应,生成丙二醇嵌段聚醚。
具体步骤如下:1. 将丙二醇与聚氧乙烯醇按一定摩尔比加入反应釜中。
2. 在适当温度下,加入酸催化剂,促使醚化反应进行。
3. 反应进行一定时间后,停止反应,得到丙二醇嵌段聚醚。
二、纯化和分离醚化反应后的产物中可能存在未反应的原料、副产物和催化剂等杂质,需要进行纯化和分离。
常用的方法有结晶、溶剂萃取等。
1. 结晶法:将产物溶解在适量的溶剂中,然后进行结晶,通过晶体的形成和沉淀来分离纯化。
2. 溶剂萃取法:将产物溶解在适当的溶剂中,然后与相应的溶剂进行萃取,通过分相来分离纯化。
三、脱色处理丙二醇嵌段聚醚在醚化反应和纯化过程中可能受到氧化或其他因素的影响而变色,需要进行脱色处理。
常见的脱色方法有活性炭吸附、氧化漂白等。
1. 活性炭吸附法:将产物与活性炭接触,在一定条件下,通过物理吸附作用将色素吸附到活性炭上,从而实现脱色效果。
2. 氧化漂白法:将产物与氧化剂反应,氧化剂可以使有机物发生氧化反应,降解色素,从而达到脱色的目的。
四、干燥和包装经过脱色处理的丙二醇嵌段聚醚需要进行干燥处理,以去除其中的水分,提高产品的质量和稳定性。
常见的干燥方法有真空干燥、喷雾干燥等。
干燥后,将丙二醇嵌段聚醚进行包装,以保证产品的保存和运输。
总结:丙二醇嵌段聚醚的生产方式包括醚化反应、纯化和分离、脱色处理、干燥和包装等步骤。
通过这些步骤,可以得到高质量的丙二醇嵌段聚醚产品,满足不同领域的需求。
同时,为了提高产品的质量和稳定性,生产过程中还要注意控制反应条件、选择合适的分离和纯化方法,并进行必要的脱色和干燥处理。
聚醚表活剂
聚醚型非离子表面活性剂是一类非常重要的表面活性剂,它具有优良的表面活性和灵活的HLB 值的可调节性。
这使得它在食品、药物、化妆品、纤维及其相关工业中有着广泛的用途,常用作润滑剂、洗涤剂、乳化剂、分散剂、消泡剂等。
聚醚的分类主要有两种:嵌段聚醚和无规聚醚。
嵌段聚醚的主要化学成分是有聚氧乙烯和聚氧丙烯嵌段聚合物组成的,其规格包括L31、L35、L38、L42、L43、L44、L45、L61、L62、L63、L64、P65、F68等。
无规聚醚的主要化学成分是聚氧乙烯-聚氧丙烯共聚物,其规格有异构十三醇无规聚醚、丙二醇无规聚醚、丙三醇无规聚醚、丁三醇无规聚醚、月桂酸无规聚醚、十二醇无规聚醚等。
聚醚的粘压决定于其化学结构和分子链的长短,粘压系数通常低于同粘度矿物油的粘压系数。
此外,聚醚还具有较低的凝点,在低温条件下流动性会比较好。
烯丙基聚醚的用途1. 介绍烯丙基聚醚烯丙基聚醚(Polypropylene Glycol,简称PPG)是一种聚合物,由丙烯醇通过聚合反应得到。
其分子结构中含有丙烯基烯烃(propylene)和聚醚(polyether)基团。
烯丙基聚醚具有较高的分子量、低黏度和可溶性,是一种重要的工业化学品和原材料。
2. 烯丙基聚醚的特性2.1 高温稳定性烯丙基聚醚能在高温下保持较好的稳定性,这使得它在高温条件下的应用具有广泛的可能性。
2.2 低毒性和环境友好性烯丙基聚醚具有低毒性和良好的环境友好性。
它不会对人体和环境造成严重的危害,因此被广泛应用于医药、食品等领域。
2.3 优异的化学稳定性烯丙基聚醚具有优异的化学稳定性,可以耐受各种化学物质的腐蚀和氧化,因此在耐腐蚀和化学品包装等领域使用广泛。
2.4 良好的润滑性能烯丙基聚醚具有良好的润滑性能,能有效降低摩擦系数,减少能量损耗,因此在润滑剂和润滑油等领域应用广泛。
2.5 高可溶性烯丙基聚醚具有较高的可溶性,能够与多种有机溶剂和水混溶,因此在涂料、颜料、染料等领域使用广泛。
3. 烯丙基聚醚的应用3.1 医药行业烯丙基聚醚在医药行业中有着广泛的应用。
它可以用作药物的溶剂、乳化剂和包裹剂,用于制造口服药剂、注射剂、外用药等。
烯丙基聚醚还可以作为合成材料和生物医药材料的添加剂,用于改善材料的性能和稳定性。
3.2 化妆品行业烯丙基聚醚在化妆品行业中被广泛应用。
它可以作为乳化剂、增稠剂和保湿剂,用于制造乳液、面霜、洗发水等产品。
烯丙基聚醚还可以提供良好的润滑性能,使得化妆品更加易于涂抹和吸收。
3.3 涂料和油漆行业烯丙基聚醚在涂料和油漆行业中有着重要的应用。
它可以作为分散剂、稳定剂和增塑剂,用于改善涂料和油漆的性能和稳定性。
烯丙基聚醚还可以提供良好的涂膜性能,使涂层更加均匀和耐久。
3.4 工业润滑剂烯丙基聚醚在工业润滑剂领域被广泛使用。
它可以作为基础润滑油的添加剂,用于改善润滑油的性能。
聚醚系列丙二醇嵌段聚醚【化学成分】聚氧乙烯、聚氧丙烯嵌段聚合物【类型】非离子【技术指标】*P65即为原来的L65【性能与应用】1、作低泡沫洗涤剂或消泡剂。
L61、L64、F68用于配制低泡、高去污力合成洗涤剂;L61在造纸或发酵工业中用作消泡剂;F68 在人工心肺机血液循环时用作消泡剂,防止空气进入。
2、聚醚毒性很低,常用作药物赋形剂和乳化剂;在口腔、鼻喷雾剂、眼、耳滴剂和洗发剂中都经常使用。
3、聚醚是有效的润湿剂,可用于织物的染色、照相显影和电镀的酸性浴中,在糖厂使用F68,由于水的渗透性增加,可获得更多的糖分。
4、聚醚是有效的抗静电剂,L44可对合成纤维提供持久的静电防护作用。
5、聚醚在乳状液涂料中作分散剂。
F68在醋酸乙烯乳液聚合时作乳化剂。
L62、L64可作农药乳化剂,在金属切削和磨削中作冷却剂和润滑剂。
在橡胶硫化时作润滑剂。
6、聚醚可用作原油破乳剂,L64、F68能有效地防止输油管道中硬垢的形成,以及用于次级油的回收。
7、聚醚可用作造纸助剂,F68能有效地提高铜版纸的质量。
8、F38可用作乳化剂、润湿剂、消泡剂、破乳剂、分散剂、抗静电剂、除尘剂、粘度调节剂、控泡剂、匀染剂、胶凝剂等,用于生产农用化学品、化妆品、药品;还用于金属加工净洗、纸浆和造纸工业、纺织品加工(纺织、整理、染色、柔软整理)、水质处理;也用作漂清助剂。
9、P65主要用在毛纺行业,作为羊毛保护剂,在羊毛炭化工艺中加入0.3%左右,可减少羊毛鳞片损伤,增强单纤维强度10%,降低纺纱断头率10%。
【包装与贮运】200Kg铁桶、50Kg塑料桶包装。
按一般化学品贮存和运输。
贮存于干燥通风处。
保质期二年。
聚醚NPE-108、NPE-105【化学成分】烷基酚聚氧乙烯聚氧丙烯醚【类型】非离子【技术指标】【性能与应用】1、本品易溶于水,在水中溶解时不存在溶胀现象,具有良好的乳化、净洗、渗透能力。
2、本品是合成纤维油剂的组分之一,除显示乳化抗静电性能外,还具有良好的低温流动性。
聚乙二醇—聚丙二醇—聚乙二醇嵌段共聚物聚乙二醇—聚丙二醇—聚乙二醇嵌段共聚物,简称PEG-PPO-PEG嵌段共聚物,是一种由聚乙二醇(PEG)和聚丙二醇(PPO)组成的高分子化合物,其中聚丙二醇作为中间嵌段连接了两端的聚乙二醇。
这种嵌段共聚物具有独特的水溶性、表面活性和生物相容性,广泛应用于药物输送、组织工程、医疗器械、生物传感和化妆品等领域。
PEG是一种聚合物,具有极强的亲水性和生物相容性,能够有效地保持药物的稳定性和活性。
PPO是另一种聚合物,具有较弱的亲水性和生物相容性,在PEG嵌段共聚物中起到了中间嵌段的作用。
中间的PPO段具有自组装能力,在水中形成了一定的微相分离结构,形成了一种由表面活性剂类似的分子结构,使得嵌段共聚物具有了优良的表面活性。
这种自组装结构还能够控制嵌段共聚物的形态和结构,形成纳米粒子或胶束等具有特定功能的结构,从而实现药物的载体和传输。
PEG-PPO-PEG嵌段共聚物的药物输送应用主要包括两种方式:一种是利用纳米粒子或胶束结构作为药物的载体,实现药物诱导的自组装和传输;另一种是利用本身的表面活性和生物相容性,直接将药物导入细胞或组织中,或者利用其作为药物的保护剂,提高药物的稳定性和生物可利用性。
PEG-PPO-PEG嵌段共聚物在组织工程中也有广泛的应用。
其水溶性和生物相容性使得其能够作为植物草酸钙等材料的溶剂和模板,在细胞培养和组织再生过程中起到了重要的作用。
PEG-PPO-PEG嵌段共聚物还可以形成3D打印生物材料,用于制造人造皮肤、骨骼和其他生物组织替代品。
PEG-PPO-PEG嵌段共聚物的生物传感应用基于其独特的物理化学性质,在分子识别、分子传输和生物检测等方面有广泛的应用。
PEG-PPO-PEG嵌段共聚物能够容纳小分子、蛋白质和核酸等生物大分子,形成一种特殊的生物传感结构,实现对生物分子的高灵敏度检测和传输。
PEG-PPO-PEG嵌段共聚物还可以应用于化妆品和个人护理产品中,能够起到愈合剂、润滑剂和稳定剂等多种作用。
丙二醇嵌段聚醚结构丙二醇嵌段聚醚结构是一种具有优良性能的聚合物材料,由于其独特的分子结构,表现出许多优异的性能,被广泛应用于各个行业。
一、丙二醇嵌段聚醚结构的简介丙二醇嵌段聚醚结构是由丙二醇和聚醚链段通过化学合成而成的一种聚合物。
它的分子结构中含有两个不同的链段,一种是丙二醇链段,另一种是聚醚链段。
这种结构使得丙二醇嵌段聚醚具有优良的溶解性、高度的阻燃性、良好的润滑性、优异的抗磨损性和环保无污染等性能。
二、丙二醇嵌段聚醚的性能优势1.优良的溶解性:丙二醇嵌段聚醚在许多溶剂中具有良好的溶解性,可用于制备高分子溶液和悬浮液。
2.高度的阻燃性:丙二醇嵌段聚醚具有很高的阻燃性,可减少火灾事故的发生,保障人身和财产安全。
3.良好的润滑性:丙二醇嵌段聚醚可作为润滑剂使用,降低摩擦系数,减少磨损。
4.优异的抗磨损性:由于丙二醇嵌段聚醚分子结构中的聚醚链段具有较高的柔韧性,使得材料在摩擦过程中具有优异的抗磨损性能。
5.环保无污染:丙二醇嵌段聚醚的生产和应用过程中不产生有害物质,符合绿色环保的发展理念。
三、丙二醇嵌段聚醚的应用领域1.涂料行业:丙二醇嵌段聚醚可用于制备高性能的涂料,提高涂层的附着力、耐磨性和耐腐蚀性。
2.聚氨酯行业:丙二醇嵌段聚醚可作为聚氨酯材料的改性剂,提高聚氨酯材料的强度、硬度和耐磨性。
3.化学合成行业:丙二醇嵌段聚醚可用于制备高性能的化学合成材料,如聚合物电解质、高分子膜等。
4.润滑油行业:丙二醇嵌段聚醚可作为润滑油的添加剂,提高润滑油的性能,延长设备使用寿命。
四、我国丙二醇嵌段聚醚的发展现状及展望近年来,我国丙二醇嵌段聚醚行业取得了长足的发展,产能和产量逐年上升。
同时,我国丙二醇嵌段聚醚生产企业不断加大研发投入,产品性能逐渐接近国际先进水平。
然而,与发达国家相比,我国丙二醇嵌段聚醚行业在产品种类、应用领域和技术水平方面仍有一定差距。
聚醚助溶剂
摘要:
1.聚醚助溶剂的定义和作用
2.聚醚助溶剂的种类和特点
3.聚醚助溶剂的应用领域
4.聚醚助溶剂的发展前景
正文:
聚醚助溶剂是一种具有广泛应用的化学物质,其主要作用是在各种工业生产过程中提高物质的溶解性。
聚醚助溶剂具有溶剂效率高、稳定性好、毒性低等优点,因此备受市场青睐。
首先,聚醚助溶剂的种类繁多,可以根据不同的需求选择适合的类型。
常见的聚醚助溶剂包括聚乙二醇、聚丙二醇、聚丁二醇等。
这些聚醚助溶剂各具特点,例如聚乙二醇具有良好的水溶性,聚丙二醇则具有较高的沸点和溶解力。
其次,聚醚助溶剂的应用领域非常广泛。
在化工、医药、食品、环保等行业中,聚醚助溶剂都可以发挥重要作用。
例如,在农药生产中,聚醚助溶剂可以提高农药的溶解度和稳定性;在制药过程中,聚醚助溶剂可以帮助药物更好地溶解和吸收。
随着科学技术的不断发展,聚醚助溶剂在各个领域的应用将更加广泛,市场需求也将持续增长。
因此,聚醚助溶剂的发展前景非常乐观。
同时,新型聚醚助溶剂的不断研发也将为相关行业带来更多的创新和突破。
总之,聚醚助溶剂是一种具有广泛应用和巨大发展潜力的化学物质。
聚丙二醇的形成原理聚丙二醇(Polypropylene glycol,简称PPG)是一种重要的高分子化合物,它的形成原理涉及到聚合反应和醚化反应。
本文将从这两个方面详细介绍聚丙二醇的形成原理。
聚丙二醇的形成涉及到聚合反应。
聚合反应是指将单体分子通过共价键连接在一起,形成高分子化合物的过程。
聚丙二醇的单体是丙二醇(propylene glycol),它是由丙烯醇经氧化反应得到的无色透明液体。
在聚合反应中,丙二醇分子的两个羟基(OH)与其他丙二醇分子的羟基发生反应,形成醚键,将分子连接在一起。
反应过程中,需要引入催化剂来促进反应的进行,常用的催化剂有硫酸铵、硫酸钠等。
聚合反应是一个自由基反应过程,首先需要将丙二醇分子中的羟基进行脱氢,生成自由基。
然后,自由基与其他丙二醇分子中的羟基结合,形成新的醚键。
这样,聚丙二醇的分子中就会出现长链结构,分子量逐渐增大。
聚合反应过程中,需要控制反应温度、反应时间和催化剂的用量,以获得所需的聚丙二醇。
除了聚合反应,聚丙二醇的形成还涉及到醚化反应。
醚化反应是指醇与醚化剂反应生成醚化合物的过程。
聚丙二醇的醚化反应是将聚合后的丙二醇分子中的羟基与醚化剂反应,形成聚丙二醇分子中的醚键。
常用的醚化剂有甲醇、乙醇等。
醚化反应可以通过酸催化或碱催化来进行。
醚化反应是一个亲核取代反应,醇的羟基攻击醚化剂中的氧原子,形成醚键。
在聚丙二醇的形成中,醚化反应是为了进一步增加分子量和改变聚丙二醇的性质。
通过选择不同的醚化剂,可以获得不同分子量的聚丙二醇,从而调节其溶解性、粘度和热性能等。
聚丙二醇的形成原理主要涉及到聚合反应和醚化反应。
聚合反应通过羟基之间的醚化反应将丙二醇分子连接在一起,形成长链结构的聚丙二醇。
醚化反应则是为了进一步增加分子量和改变聚丙二醇的性质。
聚丙二醇作为一种重要的高分子化合物,具有广泛的应用前景,在医药、涂料、塑料等领域发挥着重要的作用。
丙二醇嵌段聚醚分子量
丙二醇嵌段聚醚是一种常见的高分子材料,它的分子量对其性能起着关键作用。
在本文中,我们将深入探讨丙二醇嵌段聚醚分子量的含义、影响和测量方法。
首先,什么是丙二醇嵌段聚醚分子量?简单来说,它是由数个丙二醇单元和醚键嵌段组成的高分子量。
分子量越大,通常意味着聚合物链越长,分子量分布也越窄。
这对于聚合物的物理、化学性质以及应用性能都有显著影响。
其次,丙二醇嵌段聚醚的分子量对材料性能有哪些影响?首先是热力学性质。
分子量越大,分子间的作用力也越大,从而使聚合物的玻璃转化温度(Tg)、熔点、热稳定性等性质都有所提高。
同时,分子量也会影响聚合物的流变性能、结构性质和相态行为等。
那么,如何测量丙二醇嵌段聚醚的分子量呢?常见的方法包括凝胶渗透色谱(GPC)、动态光散射(DLS)和核磁共振(NMR)等。
其中GPC是最常用的分析方法,它通过聚合物在凝胶柱中的分布情况,推断出聚合物的分子量分布,进而计算平均分子量。
最后,分子量的选择在丙二醇嵌段聚醚的合成和应用中具有重要意义。
通常情况下,用于制备聚氧乙烯聚醚醇(POE)和聚合物电解质(PPE)等应用中的丙二醇嵌段聚醚分子量范围在2000-8000左右。
但是,针对不同的应用场景和性能需求,也可以有更高或更低的分子量选择。
总之,丙二醇嵌段聚醚分子量是影响材料性能和应用的重要因素之一。
合理的分子量选择和相关性能测试,有助于提高聚合物材料的性能和应用效果。
环氧丙烷与丙二醇聚醚结构式
环氧丙烷与丙二醇聚醚是常见的化学品,它们都具有重要的应用价值。
下面,我将详细介绍它们的结构式及相关内容。
一、环氧丙烷
环氧丙烷的结构式为C3H6O,其中的O是环氧基。
环氧丙烷是一种无
色有毒气体,在室温下易液化。
它具有环氧化反应的特性,是合成其
他有机物的重要中间体。
环氧丙烷广泛用于制造环氧树脂、表面涂料、医药、农药等领域,是化工行业的重要原料之一。
二、丙二醇聚醚
丙二醇聚醚的结构式为HOCH2CH(OCH2CH2)nOH,其中n为聚合度,表示环氧乙烷在丙二醇上的反应次数。
丙二醇聚醚是一种透明无色液体,可溶于水和多种有机溶剂,并具有较好的表面活性。
它广泛应用
于涂料、墨水、洗涤剂、油墨、颜料、乳液、防冻液等领域,是一种
优异的表面活性剂和增溶剂。
总之,环氧丙烷和丙二醇聚醚都是化工行业中不可或缺的重要化学品。
它们的结构式及特性决定了它们的广泛用途和应用前景,非常值得深
入研究和开发利用。
二醇嵌段聚醚
[b][/b]
[b]【化学成分】[/b]聚氧乙烯、聚氧丙烯嵌段聚合物
[b]【类[/b][b]型】[/b]非离子
[b]【性能与应用】[/b]
1、作低泡沫洗涤剂或消泡剂。
L61、L64、F68用于配制低泡、高去污力合成洗涤剂;L61在造纸或发酵工业中用作消泡剂;F68在人工心肺机血液循环时用作消泡剂,防止空气进入。
2、聚醚毒性很低,常用作药物赋形剂和乳化剂;在口腔、鼻喷雾剂、眼、耳滴剂和洗发剂中都经常使用。
3、聚醚是有效的润湿剂,可用于织物的染色、照相显影和电镀的酸性浴中,在糖厂使用F68,由于水的渗透性增加,可获得更多的糖分。
4、聚醚是有效的抗静电剂,L44可对合成纤维提供持久的静电防护作用。
5、聚醚在乳状液涂料中作分散剂。
F68在醋酸乙烯乳液聚合时作乳化剂。
L62、L64可作农药乳化剂,在金属切削和磨削中作冷却剂和润滑剂。
在橡胶硫化时作润滑剂。
6、聚醚可用作原油破乳剂,L64、F68能有效地防止输油管道中硬垢的形成,以及用于次级油的回收。
7、聚醚可用作造纸助剂,F68能有效地提高铜版纸的质量。
8、F38可用作乳化剂、润湿剂、消泡剂、破乳剂、分散剂、抗静电剂、除尘剂、粘度调节剂、控泡剂、匀染剂、胶凝剂等,用于生产农用化学品、化妆品、药品;还用于金属加工净洗、纸浆和造纸工业、纺织品加工(纺织、整理、染色、柔软整理)、水质处理;也用作漂清助剂。
海安石油化工(丙二醇嵌段聚醚)
丙烯醇聚醚
F6:CH2=CH-CH2O(C3H6O)m(C2H4O)nH 烯丙醇封端聚醚。
L35丙二醇嵌段聚醚
产品指标
化学成分:丙二醇嵌段聚醚
外观:乳白色膏体
类型:非离子
PH值:5-7
HLB值:18.5
产品性能
溶于水。
溶于乙醇、甲苯等有机溶剂。
具有优良的增溶、去污、乳化、破乳、消泡、分散、润湿、渗透、润滑、抗静电能力。
低泡。
优良的钙镁分散能力。
耐受非氧化型酸。
产品应用
1、作为乳化剂、分散剂等,应用于护理用品领域。
2、作为润滑剂、冷却剂等,广泛应用于金属加工液领域。
3、作为润湿剂,广泛应用于电镀、纺织、化纤等领域。
包装与贮存
包装:本品采用60KG、200KG、1000KG塑料桶装。
储存:本品不属危险品,远离热及火源,密封存放于室内阴凉、通风、干燥处。
未使用完前,每次使用后容器应严格密封。
保质期12个月。
运输:本品运输中要密封好,防潮、防强碱强酸及防雨水等杂质混入。
二醇嵌段聚醚
[b][/b]
[b]【化学成分】[/b]聚氧乙烯、聚氧丙烯嵌段聚合物
[b]【类[/b][b]型】[/b]非离子
[b]【性能与应用】[/b]
1、作低泡沫洗涤剂或消泡剂。
L61、L64、F68用于配制低泡、高去污力合成洗涤剂;L61在造纸或发酵工业中用作消泡剂;F68在人工心肺机血液循环时用作消泡剂,防止空气进入。
2、聚醚毒性很低,常用作药物赋形剂和乳化剂;在口腔、鼻喷雾剂、眼、耳滴剂和洗发剂中都经常使用。
3、聚醚是有效的润湿剂,可用于织物的染色、照相显影和电镀的酸性浴中,在糖厂使用F68,由于水的渗透性增加,可获得更多的糖分。
4、聚醚是有效的抗静电剂,L44可对合成纤维提供持久的静电防护作用。
5、聚醚在乳状液涂料中作分散剂。
F68在醋酸乙烯乳液聚合时作乳化剂。
L62、L64可作农药乳化剂,在金属切削和磨削中作冷却剂和润滑剂。
在橡胶硫化时作润滑剂。
6、聚醚可用作原油破乳剂,L64、F68能有效地防止输油管道中硬垢的形成,以及用于次级油的回收。
7、聚醚可用作造纸助剂,F68能有效地提高铜版纸的质量。
8、F38可用作乳化剂、润湿剂、消泡剂、破乳剂、分散剂、抗静电剂、除尘剂、粘度调节剂、控泡剂、匀染剂、胶凝剂等,用于生产农用化学品、化妆品、药品;还用于金属加工净洗、纸浆和造纸工业、纺织品加工(纺织、整理、染色、柔软整理)、水质处理;也用作漂清助剂。
海安石油化工(丙二醇嵌段聚醚)
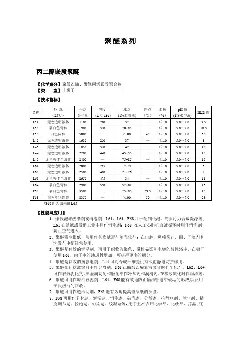
名称
外观
(25℃)
平均
分子量
粘度
(25℃
CPS)
浊点
(1%水溶液)
熔点
(℃)
水份
(%)
pH值
(1%水溶液)
HLB值
L31 无色透明液体1100 200 37 —≤1.0 5.0~7.0 3.5 L35 无色透明液体1900 320 70~85 —≤1.0 5.0~7.0 18.5 F38 白色固体5000 —>100 45 ≤1.0 5.0~7.0 30 L42 无色透明液体1630 250 37 —≤1.0 5.0~7.0 8 L43 无色透明液体1850 310 42 —≤1.0 5.0~7.0 10 L44 无色透明液体2200 440 45~55 —≤1.0 5.0~7.0 12 L45 无色液体至膏体2400 —75~85 —≤1.0 5.0~7.0 15 L61 无色透明液体2000 285 17~21 —≤1.0 5.0~7.0 3 L62 无色透明液体2500 400 21~26 —≤1.0 5.0~7.0 7 L63 无色透明液体2650 475 34 —≤1.0 5.0~7.0 11 L64 无色透明液体2900 550 57~61 —≤1.0 5.0~7.0 13 P65 乳白色膏状物3500 —75~85 29.5 ≤1.0 5.0~7.0 15 F68 白色片状固体8350 —>100 50 ≤1.0 5.0~7.0 29
丙烯醇聚醚
产品指标 Product Specification:
产品名称
羟值酸值水份不饱和度色度金属离子粘度pH Hydroxyl Value Acid Value Water Content Unsaturation Colority Metal Ionic mPa.s (25℃)Product Name (mgKOH/g) (mgKOH/g) (%) (mol/g) (APHA) (ppm) (25℃) 1%水溶液Y-1 44~50 ≤0.1 ≤0.1 ≥0.65 ≤100
F-6 41~49 ≤0.1 ≤0.1 ≥0.62 ≤100
FB-1 50~58 ≤0.1 ≤0.1 ≥0.85 ≤100
FB-2 55~61 ≤0.15 ≤0.15 ≥0.92 ≤80 ≤10 95~125
B-400 130~150 ≤0.15 ≤0.15 ≥2.30 ≤200 ≤10
PE-1000 56±5 ≤0.15 ≤0.15 ≥0.65 ≤100 ≤5
P-90 55~61 ≤0.15 ≤0.15 ≥0.75 ≤200 ≤10 5~7 FB-1000 55~63 ≤0.15 ≤0.15 ≥0.90 ≤200 ≤10
CG-10 55~63 ≤0.15 ≤0.15 ≥0.90 ≤50 ≤10
F6:CH2=CH-CH2O(C3H6O)m(C2H4O)nH
烯丙醇封端聚醚
介
这些产品包含一个或两个双键的功能,因此具有很好的反应活性。
乙二醇链不只是聚乙二醇,
也可以是混聚的聚乙二醇和聚丙二醇共聚物,或者只是聚丙二醇。
热门的产品主要为聚乙二
醇或者混聚的EO/PO共聚物。
产品末端可由甲基、烯丙基、丁基、环氧基或乙酰基封端,因此这些产品不含有任何自由羟
基,涉及-OH基团产生的不良反应是可以避免的。
这些产品大多数被应用在与硅氧烷发生反应,用铂作为催化剂,该聚醚的双键与硅氧烷Si- H
键发生加成反应,获得聚醚改性有机硅。
产品名称化学结构式
AEM系列
烯丙基聚氧乙烯甲基醚CH
2
=CHCH
2
O(C
2
H
4
O)
n
CH
3 n=2~40
AEPM系列
烯丙基聚氧乙烯聚氧丙烯甲基醚(EO/PO 混聚) CH
2
=CHCH
2
O(C
2
H
4
O)
n
(C
3
H
6
O)
m
CH
3 n=2~40 m=2~40
AEA系列
烯丙基聚氧乙烯烯丙基醚CH
2
=CHCH
2
O(C
2
H
4
O)
n
CH
2
CH=CH
2 n=2~40
AEPA系列CH
2=CHCH
2
O(C
2
H
4
O)
n
(C
3
H
6
O)
m
CH
2
CH=CH
2
烯丙基聚氧乙烯聚氧丙烯烯丙基醚
(EO/PO 混聚)
n=2~40 m=2~40
AEH系列
烯丙基聚氧乙烯环氧基醚CH
2
=CHCH
2
O(C
2
H
4
O)
n
CH
2
(CHCH
2
)O n=2~40
AEPH系列
烯丙基聚氧乙烯聚氧丙烯环氧基醚(EO/PO 混聚) CH
2
=CHCH
2
O(C
2
H
4
O)
n
(C
3
H
6
O)
m
CH
2
(CHCH
2
)O n=2~40 m=2~40
AEPB系列
烯丙基聚氧乙烯聚氧丙烯丁基醚(EO/PO 混聚) CH
2
=CHCH
2
O(C
2
H
4
O)
n
(C
3
H
6
O)
m
C
4
H
9 n=2~40 m=2~40
AEC系列
烯丙基聚氧乙烯醋酸酯CH
2
=CHCH
2
O (C
2
H
4
O)
n
CH
2
CH
2
OOCCH
3 n=2~40
AEPC系列
烯丙基聚氧乙烯聚氧丙烯醋酸酯(EO/PO混聚)CH
2
=CHCH
2
O(C
2
H
4
O)
n
(C
3
H
6
O)
m
CH
2
CH
2
OOCCH
3 n=2~40 m=2~40
主要用途
这个系列产品可显著提高聚醚改性硅油的品质,被广泛应用于聚氨酯匀泡剂、乳化剂、个人保护用品、涂料流平剂、织物亲水防静电柔软整理剂、自乳化消泡剂、水溶性润滑剂、玻璃防雾剂和交联密封剂等领域。