流水槽循环水养殖系统
- 格式:pdf
- 大小:609.02 KB
- 文档页数:3
技术交流1002019年第5期池塘循环流水养殖系统专栏池塘循环流水养殖系统基本原理(六)池塘集约化养殖技术和池塘循环流水养殖系统(IPA/IPRS)是一项现代化的水产养殖技术,最早在美国兴起。
在渔业转型升级大背景下,池塘集约化养殖技术和IPRS逐渐得到国内水产养殖从业人员的重视,近年来,浙江、安徽、江苏等地修建了多条IPRS系统,并取得了显著效益。
为增进读者对IPRS的了解,本刊将对IPRS的建造和技术管理进行连续介绍,供学习参考。
池水的充气与交换充气和水流装置——增氧推水设备安置在流水槽的上游。
通常还要用一个连接法兰,以便可以调节增氧推水设备在水中的位置。
有些养殖场会用铝合金在流水槽上游端悬挂增氧推水设备。
该铝合金挂壁安装在流水槽墙的顶部,且用木垫片调整其位置。
支撑臂也有不同的调节孔,使增氧推水设备的上沿部分保持高出池水面至少2cm ~3cm 。
鼓风机可以安装在紧邻跑道流水槽的墙体顶部,上有顶棚保护;也可建在防风雨工棚内。
如果是安装在跑道旁边的工棚内,需要选择适当大小的输气管,以防止气流减少,确保其能正常通向每组曝气管。
从一个鼓风机引出的输气管通常要配套使用6cm ~7.5cm 的PVC 管。
增氧推水设备示意图技术交流1012019年第5期系统中有配电设备或供电线路,为驱动IPRS 系统的鼓风机或其他设备提供电力。
全天候照明系统对于系统的管理是非常重要的。
在设计IPRS 系统时就应事先规划好鼓风机的线路布设和照明系统。
在流水槽的上下游端分别铺设工作跑道或平台。
这些跑道通常要延伸穿越所有流水养殖,这对于IPRS 系统的有效管理是非常关键的。
在这些工作平台上可以进行投饲或执行各种管理任务。
这些平台一般宽1m ~1.2m ,可建成混凝土、木质或钢架结构,其能跨越5m 宽的跑道,中央部分要能承重250kg ~500kg 。
导流设施连接在流水槽下游的外墙,从水面一直延伸至池塘底部。
如前所述,该设施的作用是帮助引导水流绕着整个池塘流动。
干货!循环水养殖系统最全最详细介绍,领悟了就是半个专家!•循环水养殖系统(recirculating aquaculture system,RAS)是一种新型养殖模式,通过一系列水处理单元将养殖池中产生的废水处理后再次循环回用。
RAS的主要原理是将环境工程、土木建筑、现代生物、电子信息等学科领域的先进技术集于一体,以去除养殖水体中残饵粪便、氨氮(TAN)、亚硝酸盐氮(NO2--N)等有害污染物,净化养殖环境为目的,利用物理过滤、生物过滤、去除CO2、消毒、增氧、调温等处理将净化后的水体重新输入养殖池的过程。
其不仅可以解决水资源利用率低的问题,还可以为养殖生物提供稳定可靠、舒适优质的生活环境,为高密度养殖提供了有利条件。
循环水养殖系统概目1.养殖池:孵化池、育苗池、养殖池。
2.物理过滤:预排污装置;分流集污装置。
•沉淀:沉淀池、斜板沉淀器、竖流沉淀器、旋流沉淀器。
•砂滤:砂滤器、砂滤罐、活性砂过滤器。
弧形筛。
•微滤机:全塑微滤机、自旋微滤机、智能型微滤机、可调速微滤机、微型微滤机、不锈钢微滤机。
•过滤器:带式过滤器、袋式过滤器、膜过滤器、压力过滤器。
•二氧化碳脱除器:•蛋白分离器:外排式蛋白分离器;内排式蛋白分离器;溢流器;溶气释放器。
••重金属(铁、锰)去除设备及其活性炭联动工艺去除器:3.生物过滤:移动床生物反应器:滴流式滤器;生物转盘:浸没式滤池;生物旁路反应器;生物絮凝式净化器;一体式物化/ 生化装置。
竹环填料;竹球填料;竹片填料;悬浮填料;滤条填料;多面空心球填料;玻璃环填料;立体弹性填料;彗星式纤维滤料;不对称纤维填料。
4.杀菌消毒:臭氧系统。
封闭式紫外线杀菌器:手动清洁紫外线杀菌器、气动清洁紫外线杀菌器、机械清洁紫外线杀菌器、自清洁紫外线杀菌器。
开放式紫外线杀菌器;明渠式紫外线杀菌器。
空气紫外线杀菌器。
5. 增氧、纯氧增氧:低压混氧器;射流混氧器;紊流混氧器;压力增氧;氧气锥;气石;增氧管;氧回收器。
技术交流1012019年第4期池塘循环流水养殖系统专栏池塘循环流水养殖系统基本原理(五)池塘集约化养殖技术和池塘循环流水养殖系统(IPA/IPRS)是一项现代化的水产养殖技术,最早在美国兴起。
在渔业转型升级大背景下,池塘集约化养殖技术和IPRS逐渐得到国内水产养殖从业人员的重视,近年来,浙江、安徽、江苏等地修建了多条IPRS系统,并取得了显著效益。
为增进读者对IPRS的了解,本刊将对IPRS的建造和技术管理进行连续介绍,供学习参考。
增氧推水设备(WWU)—水体交换和池塘水体流动IPRS技术的核心是要让整个养殖池塘的水体保持更有效和不停的充气与混合,并且让这些经充分充气的池水不断地流经每条流水槽。
要使大量水体流动,传统方法通常需要消耗巨大的能量。
但是,新型的增氧推水设备采用低压力、大风量的鼓风机为一组安装在水下限定区域的曝气管输气,其运行效率非常高。
因为空气被导入曝气管,它们能把小气泡释放在水体中,并与水体充分接触。
这个理念实际上就是用了一种大规模的气提式增氧方法。
这一举措产生的混合气水被限制在底部的导流罩中,从而使上升的气水团在其作用下形成很强的定向水流。
这种水的运动很大,从而产生了大的水流和惯性,能够在很短时间内能使整个池塘的水在池塘内形成环流。
我们充分利用这种增氧推水设备的功能来不断地将水体流经每条养殖流水槽和在池塘内大循环。
这个作用越大,其驱动的水循环和水的混合速率就越大。
定向的水流运动也提供了一种收集大量固体废弃物的好方法,能把由鱼类产生的粪便等集中于流水槽下游的集污区(也称滞留区QZ)。
集污区在最下游部分形成(一般在流水槽下游的3m~5m处),此处作为废弃物沉淀收集区域。
鼓风机对推水设备和曝气混合的参数需求:(1)鼓风机必须经久耐用;(2)最小指标是170m3/h气体输出;(3)鼓风机的输出功率因型号大小和曝气管在水下的深度而变化;(4)一个IPRS系统需要至少3个~4个鼓风机。
推水设备的关键部分——曝气管:(1)建议采用带有Aero-tube商标和蓝彩条的曝气管;(2)该曝气管的效率为2.25m3/m/h;(3)该操作要求适用于特定的曝气管水下深度,最好是1m~1.25m。
池塘内循环流水养殖技术(IPA)养殖相关知识一、IPA循环水养殖系统13年引入中国江苏进行养殖。
在养殖池塘内的修建小的养殖单元,一般养殖水槽的的面积占池塘的2%左右,实现鱼类的圈养和养殖粪污的集中排放,水体溶氧的均衡,其他辅助设施实现水质溶氧的稳定。
避免原先散养的过程中,残饵和粪便的不断积累。
养殖槽外10-20%的面积种植水生植物,去除养殖水体中的总氮和总磷,来保证养殖水体的氨氮和亚盐处于合适的水平。
比如一些荷花,观赏植物,空心菜等。
通过植物的种植,对氨氮的利用来保证养殖水体的指标处于良好水平养殖槽体建设:在养殖设施完备的情况下,可以实现槽内每立方水体养殖100千克商品鱼。
养殖水槽排出的营养元素带来的鱼产力,如花白鲢等滤食性鱼类的产量是槽内产量的10%-15%。
槽外还可以套养对虾,黄颡鱼,匙吻鲟,罗氏沼虾等。
二、养殖系统的建设1、基础建设:一般的规格为22米长,5米宽,2米水深。
可实现24,2吨至25.3吨的商品鱼的产量。
心脏部分包括养殖槽内外的增氧系统和导流系统。
特别需要关注养殖槽外的水质控制,因为整个养殖系统是一个整理,只有保证槽外的水质才能确保槽内的水质良好。
2、心脏部分:水质控制需要关注养殖槽内的增氧系统和导流系统和槽外的增氧系统和循环系统。
养殖单位必须按照标准建设。
3、排污系统:粪肥利用,自然地形排污,可以被种植业利用。
4、机械式排污,效果比地形排污要好。
5、投料系统:可以实现投料的完全自动化。
6、附属设施:饲料转运,商品鱼转运上车等简易装置等。
三、一些建议渔业物联网对渔业的智能控制,对养殖过程实现智能化操作和监控。
养殖是个系统工程,需要注意养殖系统的鱼类应激处理能力,排污系统完善。
坚持按时排污。
养殖槽外需要种植水生植物,提高水体的净化能力。
养殖成本较传统养殖低35%以上。
越喜欢流水的鱼养殖效果越好。
地域没有具体的限制。
主要注意南北方槽体结构要求的差异。
由于养殖鱼类环境的改善,细菌性疾病和病毒性疾病减少。
池塘循环流水养殖系统专栏池塘集约化养殖技术和池塘循环流水养殖系统(IPA/IPRS)是一项现代化的水产养殖技术,最早在美国兴起。
在渔业转型升级大背景下,池塘集约化养殖技术和IPRS逐渐得到国内水产养殖从业人员的重视,近年来,浙江、安徽、江苏等地修建了多条IPRS系统,并取得了显著效益。
为增进读者对IPRS的了解,本刊将对IPRS的建造和技术管理进行连续介绍,供学习参考。
池塘循环流水养殖系统基本原理(十三)5.气提式增氧推水设备:气提式增氧推水设备是决定池塘循环流水养殖系统成败的最重要设备之一,通常被称为池塘循环流水养殖系统的心脏。
目前,系统供气方式包括集中供气和单独供气两种。
在微孔气提式增氧推水机系统中,曝气管和鼓风机是最核心的配件,两者在功能上也是相互制约和促进的。
高效、耐用的鼓风机可以克服曝气管的通气阻力把空气源源不断地输入到养殖水体中。
低压、多孔、不堵塞的曝气管也可以保证鼓风机在工作过程中不过载且安全持续地运行。
反之,鼓风机效率低、不耐用或曝气管在使用过程中堵塞都会导致增氧推水系统不能正常运行,直接威胁养殖鱼类的生命安全,尤其在高密度集约化IPRS养殖系统中要特别注意这两种核心配件的选择和匹配(图7)。
建议采用美国生产的Aero-Tube曝气管,其标准曝气量为2.25m3/h/m。
图7 IPRS气提式增氧推水设备6.流水养鱼槽的流量与流速:流水养鱼槽的流量调节是流水养鱼的关键技术之一。
从理论上来讲,根据某一养殖阶段内流水养鱼槽的体积、载鱼量、所养品种在当时的水温、规格下耗氧来计算单位时间内的耗氧量,这样就可以计算出所需的流量大小。
流量与流速密切相关,一般情况下,流速越快,流量越大,水中溶氧高,产量就会增加。
但是,如果流速真正超过养殖鱼类适应流速的范围,鱼类会为克服流速消耗能量,从而影响其生长。
除此以外,如果流速太快会直接影响到鱼类排泄物的沉降率和收集效果。
总之,流速过快或过慢都会直接影响到鱼类排泄物的收集效果。
流水槽循环水养殖,结合工厂化循环水养殖理念,集成了循环流水养鱼技术与普通池塘养鱼技术,将传统池塘的“开放式散养”变为“集约化圈养”,使“静水”池塘实现了“流水”养鱼。
通过机械造浪造流,在整个大池塘里形成环形水流,水流流经水槽,能在“跑道”内对水产品进行集中喂养,又能利用水流将排泄物集中到一个槽内统一处理,从而起到净化池塘水质的作用。
流水槽循环水养殖系统推荐渔管家,在物联网水养殖系统方面有着深厚的经验,提供水产品养殖的所有系统。
下面简单介绍流水槽循环水养殖系统。
二、流水槽循环水养殖系统结构1、圈养系统:在砖混结构的流水养殖槽中安装纳米微孔增氧的气体提推水动力装置,形成高溶氧水流,构建吃食性鱼类的“圈养区”。
2、排泄物收集系统:在流水养殖槽尾部设计安装废弃物和排泄物收集系统,解决养殖产生的自身污染,实现低碳、高效的养殖目的。
3、外围池塘水质净化系统:在这个系统内,栽种部分沉水或挺水植物,放养花白鲢、泥鳅、螺蛳、青虾、对虾、黄颡鱼、匙吻鲟、罗氏沼虾等水生动物净化水体,并在外围池塘水面上设置气提式推水设施,使整个养殖系统的水体形成大循环。
4、物联网智能管理系统:通过各种传感器采集信息以帮助及时发现问题,并且准确地确定发生问题的位置。
足不出户,看看手机或仪器就能获知流水养殖槽里的水产品生产情况,并能及时发现问题。
三、流水槽循环水养殖的槽体建设流水槽体顺着南北方向建设为最佳,流水槽体建设土建材料可以选择砖砌水泥墙(经济耐用)、玻璃钢(成本高)、PVC材质(不耐用)、不锈钢(成本过高)等材质。
鉴于经济实惠,建议采用砖砌水泥墙来建槽体,流水槽表面涂刷台湾南宝生态池漆。
流水养殖槽外10%~20%的面积种植荷花、空心菜等观赏水生植物,去除养殖水体中的总氮和总磷,调节养殖水体的氨氮和亚硝酸盐指标处于良好水平,提高水体的净化能力,实现水体生态良性循环。
四、流水槽循环水养殖鱼类有草鱼、鲤鱼、鲫鱼、鲈鱼、黄颡鱼等,选择喜欢流水的鱼养殖效果更好,不宜养殖凶猛鱼类,如黑鱼等,可套养花白鲢等滤食性鱼类用于初步净化水质。
浮式低碳高效池塘循环流水养殖模式一、技术来源低碳高效池塘循环水养鱼简称”IPA”(Intensive PondAquaculture),是由美国奥本大学教授Jesse Chappell (杰西.查珀尔)与一名水产养殖户共同研发。
该技术于2005年研发成功并在美国农场示范多年。
2013年美国大豆协会与江苏省水产技术推广总站在苏州吴江平望水产养殖场开展池塘循环流水养鱼试点并获得成功。
二、建造原理在原有池塘的基础上,按照池塘的面积的2%修建长22米、宽5米、高2-2.5米为一个单元的流水槽,约10亩水体修建一个流水槽。
1.流水槽的前端为推水增氧区,通过推水设施,使流水槽内的水向同一个方向产生流动,增加槽内的溶氧以及让鱼类排泄物向固定方向收集。
2.流水槽中间为养殖区,养殖区前端设置推水设施,两侧设置底层增氧管道,使养殖槽内溶氧始终保持适合鱼类生长的水平,由于水的流动,槽内的鱼长期处于运动状态,鱼的品质得到极大的提升,人们称之为“跑道鱼”。
3.流水槽尾部为粪便收集区,通过推水设施推动,鱼类粪便向流水槽尾部沉积,流水槽尾部设置V形集污槽,通过吸污设备定时将收集的鱼类粪便抽上岸集中处理。
4.大水体净化区,鱼类的可溶性排泄物,经大水体中微生物、滤食性鱼类、水生植物净化,使池塘水体始终保持低营养化状态,实现水体无限循环使用,不产生污染排放。
三、浮式低碳高效池塘流水养殖槽的意义1.有效收集鱼类排泄物,对水体几乎0排放通过建造集污区和安装吸污设备,有效地收集增殖鱼类的排泄物和残剩的饲料,从源头上解决水产增殖水体富营养化和污染问题。
2.提高产量、高效利用水体、提升经济价值浮式低碳高效池塘循环流水养殖槽的单槽产量达4-5万斤,同一水体可养殖多种经济鱼类,解决了部分水域仅能养殖花白鲢等低价值鱼类的问题,提高经济价值,降低市场风险。
3.提升水产品质量安全浮式低碳高效池塘流水养殖槽,在减少排放的同时,保护了养殖水域水生环境,减少了鱼类疾病的发生,降低了养殖过程中药物的使用,浮式低碳高效池塘循环流水养殖模式用药量仅为传统池塘养殖模式的2%。
健康高效,自动吸污——池塘循环流水养殖系统了解一下?(IPA/IPRS)是一项现代化的水产养殖技术,最早在美国兴起。
在渔业转型升级大背景下,池塘集约化养殖技术和IPRS逐渐得到国内水产养殖从业人员的重视,近年来,浙江、安徽、江苏等地修建了多条IPRS系统,并取得了显著效益。
为增进读者对IPRS的了解,本公众号将对IPRS的建造和技术管理进行连续介绍,供学习参考。
池塘循环流水养殖系统基本原理(一)现代集约化池塘养殖技术和池塘循环流水养殖系统(IPA/IPRS),最早是数年前在美国奥本大学、克莱姆森大学,及随后在密西西比州立大学研发起来的。
图1和图2反映了早期的小规模池塘循环流水养殖系统的模型,是由奥本大学的马萨和拉泽尔开发的。
图1 图示为正确的IPRS系统中水流方向图2 IPRS系统俯视图,可看到养殖流水槽。
该系统设计应靠近塘埂,方便操作。
另外可再建设一条相对窄点的流水槽(宽度大约为2.5米~3米),用于鱼种生产美国阿拉巴马和世界上其他地方的池塘循环流水养殖系统(IPRS)的研发结果展示出了其在商业化养殖方面三倍的产量改善,体现了相同成本下更高的生产效率。
要想在世界各地都能复制或达到这个高生产力水平和效率,了解并遵照池塘循环流水养殖系统的基本原理是非常关键的。
该养殖系统在功能上与传统池塘养殖有相同之处,但在设计和管理上却有很大的差异,从而能达到养殖产量的显著提高。
1.这是一个微流水养殖系统。
维护池塘内水体的充分混合和连续流动是至关重要的,这样才能加快对由于投饲所产生的污染负荷的有效处理。
池塘循环流水养殖系统最关键的重要原理是通过安装在流水槽上游的增氧推水设备的连续运行,使水体得到最适混合和流动。
在整个池塘中保持连续的水体流动和混合,能改变其浮游生物优势种的组成及其稳定性,增加有益细菌的存在,加速污染物被分解的速率,减少传统池塘中容易出现的水质指标的过度波动。
2.因为在池塘循环流水养殖系统中鱼类被养殖在某一个特定的空间,因此需要优质全价的配合饲料,来保障获得最佳的成活率、产量和饲料转化效率(FCR)。
技术交流1072019年第1期池塘循环流水养殖系统专栏池塘循环流水养殖系统基本原理(二)池塘集约化养殖技术和池塘循环流水养殖系统(IPA/IPRS)是一项现代化的水产养殖技术,最早在美国兴起。
在渔业转型升级大背景下,池塘集约化养殖技术和IPRS逐渐得到国内水产养殖从业人员的重视,近年来,浙江、安徽、江苏等地修建了多条IPRS系统,并取得了显著效益。
为增进读者对IPRS的了解,本刊将对IPRS的建造和技术管理进行连续介绍,供学习参考。
8.采用多级养殖的生产策略可以减少生产季节池塘废弃物累积的风险,因此会在同一个时间内养殖2种~3种不同规格的鱼类。
我们认识到在IPRS中放养不同批次的鱼类达到商品规格后连续上市的价值。
采用这种方法,一套IPRS系统内会养殖不同大小的鱼类,不过就像一个养猪场那样,不同大小的猪是相互分开的。
这是因为将不同规格的猪分开饲养,猪的生长表现最佳,牛和禽类的表现也类似。
如果将小的鱼种放入较大的鱼群中,总是有较大比例的小鱼被大鱼捕食。
因此采用大小分批养殖来避免这种现象发生。
集污系统水下视图技术交流1082019年第1期未完待续9.众所周知,池塘养殖模式的分型能获得2倍或3倍的产量。
单纯讨论每公顷的产量是没有多大意义的,除非能够明确池塘的平均水深。
池塘养殖中水体的容积才是最关键的因素。
所以,如果我们衡量传统池塘的产量,其范围在每立方水体0.5kg~0.6kg。
采用池塘循环流水养殖技术,按池水容积计产量可以达到平均每立方米水体1kg~1.5kg。
假设按这个标准,那么平均水深1.7m~2.0m、配备了合理的IPRS设备及管理系统的池塘,一年的产量达到20,000kg/公顷~25,000kg/公顷将很常见。
在一个多级养殖的IPRS系统中,一年内养殖3茬~4茬将很正常。
池塘循环流水养殖系统规模大小的设计很重要,越精确地知道整个池塘的水体积越好。
体积越小,单位体积的成本越高。
IPRS大系统的成本在每立方米70美元~80.5美元,与此相比,小系统的成本大约在每立方米280美元~350美元。
水产养殖中的养殖水体水力循环系统在水产养殖业中,养殖水体的水力循环系统起着至关重要的作用。
通过维持水质的稳定和提供足够的氧气,养殖水体水力循环系统可以保证水生生物的健康成长和高产。
本文将重点探讨水产养殖中的养殖水体水力循环系统的原理和应用。
一、水产养殖的养殖水体水力循环系统原理水产养殖的养殖水体水力循环系统通过循环水体,达到提高水质和氧气供应的目的。
其原理如下:1. 循环水体:通过水泵等设备,将水质相对较好的水源引入养殖池或养殖网箱中,然后将废水排出,实现水质的循环。
这样可以避免水体长时间停滞,导致水质恶化和病虫害的滋生。
2. 水质处理:通过循环系统,可以将养殖水体中的悬浮物、有机物和氨氮等有害物质过滤和分解,从而改善水质并减少污染物。
一般采用滤网、生物过滤技术等方法进行处理,确保水质达到适宜的水平。
3. 氧气供应:良好的水力循环系统可以增加养殖水体中的氧气含量,为养殖生物提供足够的氧气。
这可以通过水流的搅动作用以及增加氧气装置等方式实现。
高浓度的氧气可以促进养殖生物的新陈代谢和增强抵抗力,提高养殖效益。
二、养殖水体水力循环系统的应用水产养殖中的养殖水体水力循环系统广泛应用于各类养殖场和水产养殖企业。
以下是几个常见的应用场景:1. 渔业养殖场:在渔业养殖场中,通过水力循环系统可以提供稳定的养殖水体环境。
通过控制循环水流量和水质处理,可以保持水体的清洁和稳定,提高养殖生物的存活率和生长速度。
2. 水产苗种养殖:对于水产苗种养殖来说,养殖水体的水力循环系统尤为重要。
它可以为幼苗提供充足的氧气和营养物质,促进其健康成长。
通过适当的循环水流和水质调控,可以减少疾病传播和死亡率,提高苗种质量。
3. 水产养殖网箱:在水产养殖网箱中,养殖水体的水力循环系统可以提供稳定的水流和氧气供应,降低养殖网箱内的温度和溶氧度。
这对于大规模养殖和高密度养殖尤为重要,可以有效减少病害的发生,提高产量。
4. 污水处理:水产养殖中的污水处理是一个重要的环节。
池塘循环流水养殖技术要点池塘内循环微流水生态养殖模式是将原有池塘养殖的鱼虾蟹等集中在流水槽里进行养殖,用增氧机翻动水体进入流水槽,再经过养殖区——流水槽(养殖水产动物的养殖量等于原有池塘的养殖量)后,将残余的饲料、粪便等收集起来,再移除池塘系统。
而流出的水体仅仅含有水产动物的排泄物、部分溶解于水体中的饲料物质和粪便物质,流出的水体再经过水生植物等吸收后回到养殖池塘循环使用。
池塘条件池塘内循环微流水生态养殖系统建设塘口面积不宜过小,以30亩以上为宜。
池塘深度2米左右,常年水位不低于1.5米,以1.7米~2.0米之间为宜。
主养池塘旁边必须有建设污水沉淀的生物氧化塘的地块(与总体的流水养鱼池面积相当)。
交通便利,最好能够保障饲料、鱼车可以直接到达系统工作台。
系统面积系统建设面积占池塘总面积的2%—5%,不建议超过5%。
太大超过池塘负载量,无法营造稳定、良好的池塘生态环境;太小则无法最大化的利用池塘生产能力,经济效益低下。
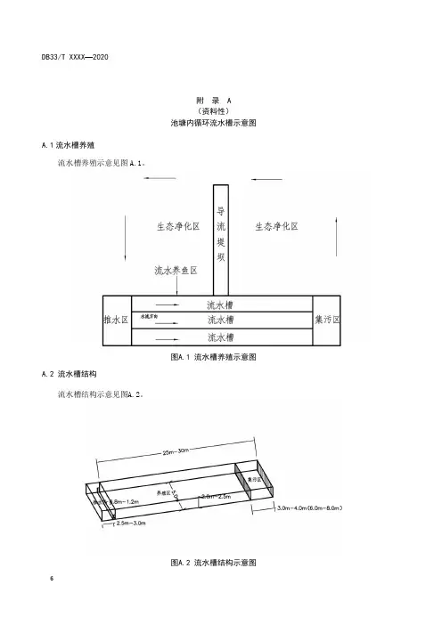
水槽构造水槽净宽为5米,长度26米,其中22米为养殖区,前端1米为推水区,末端3米为集污区。
集污区可适当扩大以提高收集效果。
水槽深度2.5米,可根据池塘深度适当增减。
基本构成一个完整的池塘内循环微流水生态养殖系统主要包括增氧推水设备、流水养鱼池、集污系统、污水处理系统、水质监测系统、导流墙、底层增氧设备及拦鱼栅、备用发电机、起捕设备等辅助设备。
池塘内循环微流水需要注意三点首先每个池塘最好配备一台发电机,还要在流水槽底部或四周布设微孔增氧管,“这套系统需要动力支撑,不能缺电,备发电机遇到遇到突发停电的情况时可以紧急救援,特别是夏季,天热又闷,如果停电会出现一些鱼虾闷死,造成损失。
其次,由于是高效高密度养殖,在养殖池塘里应投食优质全价配合饲料,避免产生过多的残饵粪便。
“还可以在每条槽的中部上层可以加一些网片,避免饲料因水流快速流到槽尾部,造成饲料浪费。
此外,用池塘内循环微流水生态系统养殖有一大特点就是集污效果,集污的目的是为了减少池塘养殖过程中产生的污染,如果不集污,就失去了池塘循环流水养鱼系统的价值。
技术交流992019年第2期池塘循环流水养殖系统专栏池塘循环流水养殖系统基本原理(三)池塘集约化养殖技术和池塘循环流水养殖系统(IPA/IPRS)是一项现代化的水产养殖技术,最早在美国兴起。
在渔业转型升级大背景下,池塘集约化养殖技术和IPRS逐渐得到国内水产养殖从业人员的重视,近年来,浙江、安徽、江苏等地修建了多条IPRS系统,并取得了显著效益。
为增进读者对IPRS的了解,本刊将对IPRS的建造和技术管理进行连续介绍,供学习参考。
池塘结构——池塘的设计和建造需要考虑很多因素。
土壤类型、地形、进水点、排水位置、电源接入点、捕捞时的清鱼处、散装或袋装饲料入口、系统的管理及其他一些因素都要考虑进去。
在美国,现代池塘正在日益变小,虽然较小的养殖单元建造成本较高,但其管理效率会好于大池塘。
另外,相对来说小型池塘在建造过程中挖土更多、额外的进排水也较多,从而使得其单位蓄水的成本更高。
因此采用IPRS养殖技术时,选择大小适当的池塘是最经济有效的。
如采用池塘循环流水养殖技术,1公顷的小池塘就可以有效运行。
而当今运行中更有效的IPRS池塘,面积为2.5公顷至10公顷。
有些30公顷大小的IPRS池塘生产表现也不错,但暂时不推荐使用。
而池塘体积大小也是池塘IPRS养殖系统分类的依据。
池塘的形状也是经常讨论的一个话题。
方形和长方形池塘都有利于更有效的混合和维护池塘内的水流。
不太推荐长窄形的池塘,这种类型的池塘通常需要在结构上进行重新改造才能在采用IPRS养殖技术时更有效地发挥效能。
同样,三角形、不规则池塘或任何其他不利于形成或维持水流的池塘形状都是不鼓励的。
当要考虑在池塘的什么位置设计流水槽时,管理人员/设计者需要考虑电力设施的接口、饲料(散装或袋装)搬运、鱼类捕捞及转运、多个流水槽共享一个堤埂的效率、供电和投饲系统、饲料仓储、粪便收集与去除和储藏以及任何临时性管理设施等。
有效的IPRS养殖系统在设计上会考虑两个或多至四个池塘相邻而能共用堤埂的机会。
池塘集约化养殖技术和池塘循环流水养殖系统(IPA/IPRS)是一项现代化的水产养殖技术,最早在美国兴起。
在渔业转型升级大背景下,池塘集约化养殖技术和IPRS逐渐得到国内水产养殖从业人员的重视,流水槽水深标尺注意:1.在给流水槽的鱼用药前需把药物充分溶解或稀释。
由于养殖空间相对较小,避免把药物用在鱼类密集处,以防灼伤鱼类。
2.在某种程度上来讲,所有用于IPRS系统的药物都会对鱼类产生一定的胁迫作用,所以必须郑重强调,在给流水槽鱼类进行药物预防处理期间,负责人员不能离开现场。
这些药物所采用的浓度,主要用于对付外部寄生虫,但也能在某种程度上处理外部细菌,但必须要有一定的处理时间。
例如,有时候由于鱼类被大量寄生虫寄生,它们对药物处理就会变得更加敏感。
基于这些原因,负责人员要留在现场直到药物处理终止,流水槽中的水被更换好,才能离开现场。
水槽的数量和大小是由池塘的水体积决定的,而不是取决于池塘表面积。
所以,在确定了池塘中所要兴建流水槽的大小和数量后,我们现在要关注的是IPRS流水槽中鱼类的合理放养密度问题。
流水槽设计能生产的鱼类数量,是与其所在大池塘的水体积相匹配的。
鉴于这一事实,我们在流水槽中放养的鱼类数量和规格要最适合于IPRS系统的总容积。
为了给新的管理人员取得用池塘循环流水养殖技术的经验,我们推荐设定一个每立方米的目标生物量作为起始目标(以草鱼为例),这个每立方米目标生物量设定在150kg左右。
当管理人员对池塘循环殖流水槽来生产,其放养的规格是25g~30g或更小的鱼种。
正如前几节中提到的,多级养殖技术比所有流水槽都养殖同一规格商品鱼的方法更有优势,后者会限制鱼类的生长和年产量,加大各个层面上的风险。
我们推荐经营者采用多级养殖技术来增加产品上市的机会和降低经营的风险。
多级养殖技术能确保在每年的不同时间销售产品的机会,这从资金周转而言也是一个很吸引人的经营策略。
流水槽鱼类的捕捞因为所有养殖的鱼类已经在限制IPRS双插槽,第二个拦鱼栅网目较小,用于养殖小规格鱼种。
流水槽循环水养殖,结合工厂化循环水养殖理念,集成了循环流水养鱼技术与普通池塘养鱼技术,将传统池塘的“开放式散养”变为“集约化圈养”,使“静水”池塘实现了“流水”养鱼。
通过机械造浪造流,在整个大池塘里形成环形水流,水流流经水槽,能在“跑道”内对水产品进行集中喂养,又能利用水流将排泄物集中到一个槽内统一处理,从而起到净化池塘水质的作用。
流水槽循环水养殖系统推荐渔管家,在物联网水养殖系统方面有着深厚的经验,提供水产品养殖的所有系统。
下面简单介绍流水槽循环水养殖系统。
二、流水槽循环水养殖系统结构
1、圈养系统:在砖混结构的流水养殖槽中安装纳米微孔增氧的气体提推水动力装置,形成高溶氧水流,构建吃食性鱼类的“圈养区”。
2、排泄物收集系统:在流水养殖槽尾部设计安装废弃物和排泄物收集系统,解决养殖产生的自身污染,实现低碳、高效的养殖目的。
3、外围池塘水质净化系统:在这个系统内,栽种部分沉水或挺水植物,放养花白鲢、泥鳅、螺蛳、青虾、对虾、黄颡鱼、匙吻鲟、罗氏沼虾等水生动物净化水体,并在外围池塘水面上设置气提式推水设施,使整个养殖系统的水体形成大循环。
4、物联网智能管理系统:通过各种传感器采集信息以帮助及时发现问题,并且准确地确定发生问题的位置。
足不出户,看看手机或仪器就能获知流水养殖槽里的水产品生产情况,并能及时发现问题。
三、流水槽循环水养殖的槽体建设
流水槽体顺着南北方向建设为最佳,流水槽体建设土建材料可以选择砖砌水泥墙(经济耐用)、玻璃钢(成本高)、PVC材质(不耐用)、不锈钢(成本过高)等材质。
鉴于经济实惠,建议采用砖砌水泥墙来建槽体,流水槽表面涂刷台湾南宝生态池漆。
流水养殖槽外10%~20%的面积种植荷花、空心菜等观赏水生植物,去除养殖水体中的总氮和总磷,调节养殖水体的氨氮和亚硝酸盐指标处于良好水平,提高水体的净化能力,实现水体生态良性循环。
四、流水槽循环水养殖鱼类有草鱼、鲤鱼、鲫鱼、鲈鱼、黄颡鱼等,选择喜欢流水的鱼养殖效果更好,不宜养殖凶猛鱼类,如黑鱼等,可套养花白鲢等滤食性鱼类用于初步净化水质。
投放养殖鱼苗规格以50~100g为宜,放养密度可根据槽体内水体面积、鱼种、计划产量等因素来定。
例如:一个长22m、宽5m、深2.5m、面积110㎡的流水槽可以投放6万尾鲫鱼苗,是普通养殖的50倍,每立方米水体产量超100kg,是传统养殖的4~5倍,每个流水槽年收益10万元左右。
流水槽循环水养殖可以大大提高鱼类存活率,通常预计存活率在85%~90%。
南京渔管家物联网科技有限公司(以下称“渔管家”)是南京市引进的唯一一家智慧渔业高层次人才项目的高新技术企业,公司以南京农业大学与南京邮电大学博士为核心组建,目标成为中国水产现代化智能养殖技术与服务的引领者。
渔管家以云计算+智能硬件模式解决水产养殖用户水质监测、增氧控制、饵料投喂、疾病防治等刚性需求,基于大数据云平台解决用户饲料、鱼药、设备、交易等市场需求。
公司服务政府渔业园区、渔业企业、合作社、家庭农场、一般养殖户,总服务面积已超过10000亩。