艾默生精密空调设计手册20091109
- 格式:pdf
- 大小:1.08 MB
- 文档页数:24
艾默生机房空调产品介绍机房空调系列1、艾默生力博特系列空调Liebert.PEX系列描述Liebert.PEX─面向全球的高端精密空调系统描述:✧Liebert.PEX机组是基于艾默生全球研发与设计平台的高端机组,针对全球销售,全球同步上市✧高可靠性、高灵活性、全寿命成本✧产品系列完备,具有风冷、乙二醇冷、水冷和冷冻水等机型✧制冷量范围宽,风冷、水冷、乙二醇冷机组20kW~100kW,冷冻水机组28~151kW 应用范围:中、大型交换机房和移动机房计算机房和数据中心(IDC)高科技环境及实验室工业控制室和精密加工设备标准检测室和校准中心UPS和电池室生化培养室医院和检测室优点与特点:1、高可靠性、高灵活性、全寿命低成本2、可拆卸搬运的结构,100%全正面维护,节省机房占地空间3、艾默生Copeland高效涡旋式压缩机,适合环保制冷剂4、自张力调节式风机,满足不同机外余压需求5、大面积V型蒸发器,快速除湿设计,确保节能6、独特的高效远红外加湿系统,加湿速度快,适应恶劣水质,低维护量7、超大屏幕全中文图形显示屏8、iCOM强大的联控与通讯功能9、全新的风冷全调速冷凝器,噪声低高适应性:多项节能设计多种送风方式,满足不同气流组织需求多种冷却方式,包括风冷、水冷、乙二醇冷却及冷冻水等,有利于适应现场的实际条件适应R22、R407C等不同冷媒多种监控方式风冷冷凝器提供适合不同温度环境(包括低温启动)的配置风冷方式提供超远安装距离和超高落差的方案2、Liebert.PEX系列数据下送风风冷机组技术参数1、D ataMate3000系列空调产品概述DataMate 3000系列空调是艾默生网络能源有限公司开发的小型机房专用空调产品。
包括7KW、12KW两种制冷量,有多种配置可供选择。
性能特点*高效的制冷系统设计,节能运行,比普通舒适空调节省20%~30%的能耗*具有恒温恒湿功能,大风量小焓差设计,满足专业机房需要*采用高效稳定的COPELAND柔性涡旋式压缩机,保障产品长寿命、高能效比*全中文大屏幕显示,具有密码保护、专家故障诊断功能*超宽输入电压设计,独特的缺相保护功能和相序检测功能,可实现来电自启动*配备标准监控接口*灵活的主备机切换功能,实现机组自动切换及轮值功能*低噪音设计技术参数。
艾默生SDC空调使用说明手册一、设备用途向地下吹风的打空调,用于机房温湿度调节。
二、接口类型通讯接口采用RS485/232方式。
信息传输方式为异步方式,起始位1位,数据位8位,停止位1位,无校验。
数据传输速率为1200、2400、4800、9600和19200bps可以设置。
三、通信参数设置1、控制器SDC系列空调的控制器为PACC控制器,采用240*128点阵蓝色背光液晶显示屏显示,用户界面操作简单。
多级密码保护,能有效防止非法操作。
控制器具有掉电自恢复功能。
通过菜单操作可以准确了解各主要部件运行时间。
专家级故障诊断系统,可以自动显示当前故障内容,方便维护人员进行设备维护。
可存储200多条历史事件记录,配置RS485接口,通信协议采用信息产业部标准通信协议,控制器面包那如图1所示图1 控制器面板2、操作键功能说明控制器有5个操作键,分别是开/关键、退出键、上移键、下移键和回车键。
功能见下表:表1 操作键功能说明33.1 主界面图2 主界面界面上包含三类机组工作图标,分别是动画运行状态图标、锁定状态图标和开关机主备状态图标,这些图标告知操作员机组正在何种运行模式下运行。
图标及其含义如图3所示。
图3 图标含义3.2 密码界面在主界面下按回车键,显示输入密码界面,如图4所示。
输入正确密码确认后即可进入主菜单界面。
图4 密码输入界面进入菜单界面的密码分3个等级,需要密码打开的菜单在它的标题后标有菜单级别[1]、[2]、[3],以表示所需密码的级别。
各种密码等级的使用者、初始密码、允许进入的菜单等级见图5。
图5 密码等级注意:操作者输入不同等级的密码,可获得相应等级的密码权限。
操作者只等修改对应密码权限的菜单项,否则只能浏览菜单内容。
3.3 通讯设置在系统设置界面图6中,课选择进入到通讯设置菜单,如图7所示,通讯设置子菜单包括:通讯协议、通讯地址和波特率。
波特率可选的通信速率包括:1200bps、2400bps、4800bps、9600bps和19200bps。
精密空调设计及负荷计算(1)机房设计标准河南省医疗保险中心信息机房属于中型重要的自动化机房。
机房内有严格的温、湿度要求,机房内按国标GB50174-2008《计算机机房施工要求》的规定配置空调设备:A级级别项目夏季冬季22±2°C 20±2°C相对湿度45%~65%温度变化率<5°C/h并不得结露同时,主机房区的噪声声压级小于65分贝;主机房内要维持正压,与室外压差大于9.8帕;送风速度不小于3米/秒;在表态条件下,主机房内大于0.5微米的尘埃不大于18000粒/升;为使机房能达到上述要求,应采用精密空调机组才能满足要求。
(2)精确总热负荷的计算本工程主要的热负荷来源于设备的发热量及环境的热负荷。
因此,我们要了解主设备的数量及用电情况以确定精密空调的容量及配置;另外根据以往经验,除主要的设备热负荷之外的其他负荷,如机房照明负荷、建筑维护结构负荷、补充的新风负荷、人员的散热负荷等环境热负荷可根据机房的面积进行估算。
据目前了解机房面积为65 m2,机柜密度20面,机房内机柜密度不大,建议按照每350W/㎡的发热量来配置空调。
总热负荷:Q=SP=65×300=19.5Kw考虑到后期会有更多设备进入机房,适当增大空调选型功率,可以很好保护贵方的初期投资,因此我方提出选择一台22KW的机房精密空调进行制冷,以满足贵方后期的需要。
同时考虑到郑州秋冬两季气候较为干燥,加湿量很大,而传统的电极加湿罐在水质偏软的南方使用效果更好,因此我们此次建议书中推荐了最新的PEX空调系统(采用红外加湿技术),从根本上解决了频繁更换加湿罐的问题,无论从资金投入以及日后维护,均有明显改善。
艾默生推荐产品和方案●现根据上述的计算结果,结合机房现场情况,推荐选用艾默生公司先Liebert-PEX系列机房空调产品P1025U/LSF32系列空调产品1台。
●P1025U室内机组单机制冷量为22.1 KW >19.5KW,满足热负荷需要,单台有10%左右的制冷量冗余。
艾默生精密空调维护手册H52主办2016年4月21日订定目录第一章概述 (1)1.1 简介 (1)1.2 主要部件 (1)1.2.1 室内机 (1)1.2.2控制器 (2)第二章各个功能模块介绍 (3)2.1制冷系统 (3)2.1.1压缩机 (4)2.1.2冷凝器 (5)2.1.3膨胀阀 (5)2.1.4蒸发器 (5)2.1.5高低压开关 (5)2.2加湿系统 (6)2.3加热系统 (6)2.4室内送风系统 (7)2.4.1过滤网阻塞开关 (7)2.4.2气流丢失开关 (8)第三章故障诊断与处理 (9)3.1风机故障诊断 (9)3.2压缩机和制冷系统故障诊断 (10)3.3 除湿系统故障诊断 (12)3.4加湿器故障诊断 (12)3.5加热系统故障诊断 (13)第四章系统运行与维护 (14)4.1电控部分维护 (14)4.2过滤网 (15)4.3风机组件 (15)4.4 加湿器 (16)4.5电加热 (17)4.6 制冷系统 (17)第五章报警情况说明及解决办法 (18)5.1标准报警 (18)5.1.1过滤器阻塞(CF) (18)5.1.2主风扇过载(FOL) (18)5.1.3空气丢失(LOA) (19)5.1.4回风高湿度报警(HRT) (19)5.1.5 回风高温度报警(HTH) (19)5.1.6:回风低温度报警(LRT) (19)5.1.7回风低湿度报警(LRH) (19)5.1.8 电源丢失报警 (20)5.1.9加湿器问题(HUP) (20)5.1.10 低压报警(LP2) (20)5.1.11高压报警(HP1/HP2) (20)5.1.12短期循环工作 (21)5.1.13自定义报警(CI1/CI2/CI3/CI4) (21)5.2 可选择的/自定义报警 (21)5.2.1 水量损失 (21)5.2.2 探测到烟雾(SMO) (21)5.2.4 启动备用组件(STB) (21)5.2.5 地板下有水的报警(WUF) (21)第一章概述1.1 简介艾默生精密空调适用于设备室或计算机房的环境控制。
力博特机房精密空调技术方案建议书艾默生网络能源有限公司2007年2月- 目录-一、艾默生精密空调配置及报价二、CM+精密空调室内室外机位置建议三、艾默生CM+精密空调产品技术资料和特点四、艾默生网络能源公司简介五、艾默生网络能源有限公司设备保修承诺六、工程与售后服务保障体系七、艾默生全球知名客户及安徽省部分客户分布一、艾默生精密空调型号推荐1、配置方案及报价见报价部分(EXCEL表格)。
报价说明:1、此配置方案提供的是全球500强企业艾默生公司生产的国际品质的“力博特”精密机房空调,强大的生产能力,保证20天供货。
2、艾默生“力博特”精密机房空调在安徽网上的装机量已近1000台,在安徽电信、安徽移动、安徽联通已有数年规模的使用历史,部分设备在网运行已超过10年。
3、艾默生“力博特”机房空调是同类产品唯一在安徽设立办事处及售后服务中心的产品,并设立合肥备品备件库,确保用户的服务需求。
4、“力博特”机房空调为业内公认的顶尖品牌之一,百年的制造历史积累,多项业界技术专利,优势随处可见:具有模糊逻辑控制的电极式加湿器,高品质的谷轮柔性涡漩式压缩机,超大表面积的V 型蒸发器盘管,确保效率最高,自动皮带张力调节功能,最大限度地提高送风系统的寿命和效率。
5、已经汉化的超大屏幕280 128矩阵LCD中文显示屏,图形化显示多种信息,维护使用极其方便。
免费提供开放的监控协议,保证设备远程监控的需要。
6、超宽的输入电压设计,独特的缺相保护、相序检测功能;来电自启动功能等特点均为业界独有。
二、CM+精密空调室内室外机位置建议室内机工作安装示意图:室内机安装建议基本要求:a、房间整体通风顺畅,送风、回风无障碍。
b、安装位置综合考虑,结合上下水、液管、汽管连接。
C、室内机安装处防静电地板下电缆等妨碍出风的物体较少,静电地板高度保证在350mm以上。
如现场无特殊要求,当室外机高于室内机时,建议垂直最大距离为20米;当室外机低于室内机时,建议垂直最大距离为9米;管道总长不超过60米,管道长度大于30米时,需加装DX管道延长组件。
艾默生电子设备强迫风冷热设计规范艾默生电子设备强迫风冷热设计规范是指在设计电子设备时必须遵循的一些规范要求,以使得设备的冷却和散热能够更加有效地进行。
艾默生电子设备公司是国际知名的电子设备生产商,其设计出来的设备具有高效、耐久、稳定等特点,同时也享有广泛的应用领域。
在此文档中,我们将会介绍一些艾默生电子设备强迫风冷热设计规范的重点内容。
首先,艾默生电子设备强迫风冷热设计规范的核心在于热管理。
在电子设备的使用过程中,由于电子元件的电子运动会释放出热量,因此需要对设备进行散热。
如果设备的热量无法得到很好地释放,就会造成设备故障、电子元件损坏等问题。
因此,艾默生电子设备在设计中,考虑到了不同的热量产生和散热方式,制定了相应的散热规范。
其中,强迫风冷是一种常见的散热方式,需要满足以下规范:1. 保证空气流动畅通电子设备内的空气流动对于散热至关重要,因此必须保证空气流通畅通。
在设计时,设备内应该留出合适的气流通道,使得空气可以在设备内自由流动。
2. 放置风扇风扇的作用是将热空气排出设备外,因此应该放置在流通通道的末端,负责将热空气排出。
3. 设计合适的散热片散热片是用于增大散热面积,提高热量散热效率的关键组件。
在设计时,应该根据设备内需要散热的元器件大小和热量大小,选用合适的散热片。
以上三点是艾默生电子设备强迫风冷热设计规范中的重点内容。
除此之外,还有一些细节问题也需要注意,例如必须保证风扇的转速和散热片的材料选择等。
这些规范要求的实施可以提高电子设备的故障率、寿命和性能,同时对于用户提高设备的使用体验也具有重要意义。
总结起来,艾默生电子设备强迫风冷热设计规范是一套完善的规范体系,包括空气流动规范、风扇放置规范和散热片规范等内容。
这些规范的实施可以提高电子设备的故障率,寿命和性能,确保电子设备在长期使用过程中更加可靠和稳定。
变频调速器(艾默生)使用说明感谢您购买盾安空调,为使您更好的使用和维护机组,提高机组的运行效率,延长机组的使用寿命,特请您注意以下几点:1、请您保管好随机资料,在开启或检修机器前,仔细阅读说明书及随机资料.2、安装工作及首次开机工作必须由受过训练的专业人员进行。
安装按电控柜铭牌的编号将其与机组编号一一对应的互相匹配.注意:请一一对应匹配.一、查收随机资料及附件1、附件:①尼龙接头;②包塑金属软管;③导线若干等。
二、柜体安装1、安装位置:控制柜安装机组旁边的墙壁上,如无墙壁,则用户自行做支架安装,建议安装位置与机组风机段距离≤3米,高度(以操作界面为准):1。
4~1.5米,接线出厂标配为3米,若接线距离>3米,则接线部分由用户自行解决。
2、安装方式:明装.采用壁挂式安装,安装孔及尺寸见电控柜实体.三、放线、接线、走线1、柜式空调机组电控柜固定完成后,按电机接线盒到电动机接线端子的弯曲距离放线。
2、按电气原理图、电气接线图、随机附件接好电源进线、接地线等导线。
3、若控制柜含BA干接点,则所需电缆用线由用户自备,建议使用线径0.75mm2导线。
调试(0。
7~5.5)kW变频器一、数字操作器TOP—LED02各部说明:PRG:编程键;FUNC/DATA:功能/数据键;>>:移位键;∧:递增键;∨:递减键;RUN:运行键;-1-STOP/RESET:停止/复位。
详细说明见随机变频器《使用手册》二、变频器内部参数设置注意:若Array变频柜含BA干接点,将选择开关打到自动档,通过远程常开无源输入触点对变频器启停进行控制,然后检测运行状态输出、手/自动状态输出的信号输出是否正常;带可选项参数为增加远程调频功能时设置参数,由用户自行确定,接收和反馈信号均为DC0~10V信号,出厂时不含此参数;出厂设置变频器跳码开关CN10跳为V.(7。
5~55)kW变频器一、数字操作器F1A452GZ1各部说明:MENU/ESC:编程/退出键;ENTER/DATA:功能/数据键;PANEL/REMOTE:运行命令通道切换键;>>:移位键;∧:递增键;-2-∨:递减键;JOG:点动键;RUN:运行键;STOP/RESET:停止/复位。
目录一、设备选型前准备工作 (3)二、总制冷量的确定 (4)三、室内机组型号的确定 (5)1、室内机组冷量的确定 (5)2、室内机组送风方式的确定 (6)2.1风帽上送风 (6)2.2风道上送风 (6)2.3地板下送风 (7)3、机组冷却方式的确定 (7)3.1风冷型空调机组 (7)3.1.1安装位置要求 (7)3.1.2风冷冷凝器的选配 (7)3.1.3室内外机间的最大允许垂直高度和当量铜管长度 (7)3.2水冷型空调机组 (8)3.3乙二醇型空调机组 (8)3.4乙二醇自然冷却型空调机组 (9)3.5冷冻水型空调机组 (9)3.6双冷源型空调机组 (10)四、空调的配电设计 (10)附录1 制冷工程常用单位换算表 (11)附录2 室外机摆放位置示意图 (11)附录3 空调设备技术数据 (12)附录4 冷凝器配置参考地区的环境温度 (16)附录5 风冷冷凝器配置表 (17)附录6 Libert空调型号说明 (18)力博特精密空调设备选型指导书艾默生网络能源有限公司艾默生网络能源有限公司空调设备选型指导书一、设备选型前准备工作1、在设备选型前,工程师必须与用户及销售人员进行交流,清楚明白他们对此空调设备选型的意图,内容如下:1)空调机组的容量2)空调室内机组的型式、数量,有无主备关系;3)空调室外机组的型式、数量;4)设备货期及竞争对手情况5)备选项目;6)其他要求。
2、工程师依据交流结果,根据现场情况,初步确定机组的选型及须进一步交流的事项。
3、选型设计过程中要认真、仔细,对无法准确确定的地方,应与用户交流并尽可能地多索要相关图纸和资料。
4、工程师在现场与用户沟通时,对于不符合其要求的地方,必须与用户讲清楚不符合的原因及采取另外何种办法,同时必须征得用户同意。
二、总制冷量的确定精密工艺房间内的冷负荷确定一般要根据设备负荷、照明负荷、辐射负荷、维护结构传热负荷等进行准确计算,一般由设计院完成。
但鉴于时间或其它条件限制,一般采用面积负荷估算法进行估算,估算时最好与用户主管工程师沟通并确定结果。
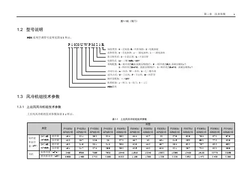
图1-1机(双门)1.2 型号说明PEX系列空调型号说明见图2-3所示。
P 1 020 U W P M S 1 R加湿类型:0-无加湿;R-红外加湿;S-电极加湿再热类型:0-无电加热;1-一级电加热;2-二级电加热显示屏形式:S-小显示屏;L-大显示屏电源形式:M-三相/50Hz/400V系统配置:R-制冷剂为R22,涡旋压缩机2个;P-制冷剂为R22,涡旋压缩机1个S-制冷剂为R407C,涡旋压缩机2个;Z-制冷剂为R407C,涡旋压缩机1个冷却方式:A-风冷;W-水冷;G-乙二醇冷却送风方式:U-上出风;F-下出风;D-风管型制冷量级别:××KW机组框架:1-单门;2-双门;3-三门PEX系列1.3 风冷机组技术参数1.3.1 上出风风冷机组技术参数上出风风冷机组技术参数如表3-1所示。
表1-1 上出风风冷机组技术参数上出风风冷机组冷凝器技术参数如下:注意如所需数据未在表中列出,请与艾默生开发部门联系。
1.PEX冷凝器技术参数PEX冷凝器技术参数如表3-2到表3-7所示。
表1-2 PE X冷凝器技术参数(R22,环境温度35℃)表1-3 PE X冷凝器技术参数(R22,环境温度38℃)表1-4 PE X冷凝器技术参数(R22,环境温度41℃)表1-5 PE X冷凝器技术参数(R407C,环境温度35℃)表1-6 PE X冷凝器技术参数(R407C,环境温度38℃)表1-7 PE X冷凝器技术参数(R407C,环境温度41℃)2.低温型室外机技术参数低温型室外机技术参数如表3-8和表3-9所示。
表1-8 低温型室外机技术参数(R22,环境温度35℃)表1-9 低温型室外机冷凝器技术参数(R407C,环境温度35℃)1.3.2 下出风风冷机组技术参数下出风风冷机组技术参数如表3-10所示。
表1-10 下出风风冷机组技术参数下出风风冷机组冷凝器技术参数如下:注意1.下出风机型测试机外静压为20Pa。
艾默生空调下送风设计方案机房空调设计方案艾默生网络能源有限公司9月26日1、系统设计依据1.《电信机房空调维护规程》2. GB/T2887-《电子计算机场地通用规范》3. GB50174-《电子计算机机房设计规范》4. GBJ19-87( )采暖通风与空气调节设计规范5.GB/T8833- 室内空气质量标准6.GB2887-89《计算机场地技术条件》2、机房设计要求设计方案应根据大楼的既有结构和客观条件,因地制宜;既要符合国家有关标准,又要满足所确定的需求,整个数据中心设计需要按国家A级设计规范进行。
全年365天、每天24小时运行。
中心机房属于大型重要的计算机中心。
机房内有严格的温、湿度要求,机房内按国标GB50174-《电子计算机机房设计规范》的规定配置空调设备:同时,主机房区的噪声声压级小于68分贝主机房内要维持正压,与室外压差大于9.8帕送风速度不小于3米/秒在表态条件下,主机房内大于0.5微米的尘埃不大于18000粒/升为使机房能达到上述要求,应采用精密空调机组才能满足要求,3、机房精密空调设计方案3.1机房专用空调的性能指标:1.机房专用空调机组的的电气性能应符合IEC标准2.输入电压允许波动范围:220/380V +10% -15%,频率:50HZ2HZ3.机房专用空调应能按要求自动调节室内温、湿度,具有制冷、加热、加湿、除湿等功能。
4.机房专用空调机组的适应环境:温度:室内 -10℃ +30℃室外 -30℃ +45℃湿度:≤95%RH5.机房专用空调运行的平均无故障时间MTBF≥10万小时。
3.2空调负荷的确定方法机房主要热负荷的来源✧设备负荷(计算机类设备热负荷);✧机房照明负荷;✧建筑维护结构负荷;✧补充的新风负荷;✧人员的散热负荷等。
✧其它以上各种热负荷能够归纳为二大类:计算机类设备热负荷和机房环境热负荷(包括:机房照明负荷、建筑维护结构负荷、补充的新风负荷、人员的散热负荷等),计算机类设备负荷能够根据所有设备的耗电功率总和计算得到,而机房环境热负荷可按照每平方米100W的经验值测算得到。
Liebert.PEX系列机房专用空调设计安装手册目录目录 (2)一、性能 (3)1. Liebert.PEX系列精密空调室内机基本技术指标 (3)2. 室内机机械参数 (5)3. 风帽尺寸 (6)4. 室外机机械参数 (8)二、系统安装布局 (10)1. 系统总体布局 (10)2. 安装室内机 (13)1)机房要求 (13)2)安装空间 (13)3)维护空间要求 (14)4)机组底座 (14)3. 安装室外机 (16)4. 安装机组管路 (16)1)一般原则 (17)2)连接管路 (17)附录:PEX机组接线图 (20)-3-一、 性能1. Liebert.PEX 系列精密空调室内机基本技术指标风冷型、水冷型、乙二醇冷上出风参数:机型类型P1020UAP1025UAP1030UAP1035UAP2040UAP2045UAP2050UAP2055UAP2060UAP2070UAP3080UAP3090UAP3100UA制冷量 19.4 22.1 29.2 32.4 39.5 44.4 45.7 52 57.9 65.9 79.4 87.2 97.924dB ℃ 50%RH 显冷量 18.3 20.7 25.9 28 37.2 40.7 42 46.1 51.6 56.3 69.2 77.5 83.9制冷量 19.3 21.9 28.1 31.8 39.8 42.9 44.5 49.7 56.4 63.5 76.7 83.5 96.5制冷量和显冷量(kW )24dB ℃ 45%RH 显冷量19.1 21.7 27.4 29.9 39.5 42.6 44.2 48.8 55.1 59.7 73.5 82.2 89.9标准风量(m 3/h )5400 6300 7866 7920 10440 11610 12240 13032 15390 15480 19188 22770 22860风机台数 1 1 1 1 2 2 2 2 2 2 3 3 3风机机外静压(Pa )25-200 25-200 25-200 25-200 25-200 25-200 25-200 25-200 25-200 25-200 25-200 25-200 25-200压缩机1 数量 1 1 1 1 2 1 2 1 2 2 2 2 2电加热3功率(kW ) 6 6 6 6 9 9 9 9 9 9 12 12 12 加湿量(kg/h ) 4.5 4.5 4.5 4.5 10 10 10 10 10 10 10 10 10 远红外加湿器 加湿水盘 不锈钢不锈钢不锈钢不锈钢不锈钢不锈钢不锈钢不锈钢不锈钢不锈钢不锈钢不锈钢不锈钢尺寸(mm ) 666*816*96 666*816*96 666*816*96 666*816*96 666*816*96 666*816*96 666*816*96 666*816*96 666*816*96 666*816*96 666*816*96 666*816*96 666*816*96滤网4数量1 1 1 12 2 2 2 2 23 3 3回液管ID (mm ) 16 16 16 16 16 16 16 16 16 16 16 16 16排气管ID (mm ) 22 22 22 22 22 22 22 22 22 22 22 22 22远红外加湿器 注水管OD (mm ) 6.35 6.35 6.35 6.35 6.35 6.35 6.35 6.35 6.35 6.35 6.35 6.35 6.35风冷型室内机组接口尺寸冷凝水排水管ID (mm )19 19 19 19 19 19 19 19 19 19 19 19 19 水流量调节阀6尺寸(inch ) 1 1 1-1/4 1-1/4 1 1-1/4 1 1-1/4 1-1/4 1-1/4 1-1/4 1-1/4 1-1/4 进水量(l/s ) 1.15 1.32 1.73 1.90 2.35 2.58 2.66 3.05 3.47 3.83 4.67 5.12 5.73 水冷型冷却水供应要求7压降(kPa )45.560.954.450.046.992.161.1104.357.850.154.989.494.5水冷型接口尺寸 进出水管7OD (mm ) 28 28 35 35 28 35 28 35 35 35 35 35 35 净重(kg ) 320 330 340 350 590 560 610 570 640 650 910 930 950FLA 5(A ) 23.125.230.432.342.948.547.153.557.561.371.977.787.7电参数 空开32 32 40 40 63 63 63 63 80 80 100 100 100注:1:涡旋,R22制冷剂(可兼容R407C )。
2:V 型,铜管铝翅片。
3:螺旋翅片U 型不锈钢加热管。
4:基于ASHRAE52.1-1992,人工记重法,平均过滤效率90%以上;过滤效率等级G4(EN779)。
5. 满负荷电流数。
机组的的最大满负荷电流值并不是所有部件的额定最大满负荷电流之和,而是在最大电负荷工况下可能同时运行的相关运行部件的额定最大满负荷电流的总和 6标准型为二通阀,可选配三通阀。
7:设计水压可达1034KPa ,表中数据进水温度30℃,出水温度为35℃。
-4-风冷型、水冷型、乙二醇冷下出风参数:机型类型P1020FAP1025FAP1030FAP1035FAP2040FAP2045FAP2050FAP2055FAP2060FAP2070FAP3080FAP3090FAP3100FA制冷量 20 23.1 30.1 33.1 41 45 46.4 53.2 60.6 66.9 81.4 89.3 100 24dB ℃50%RH 显冷量 18.9 21.5 26.6 29.4 38.5 41.7 43.2 47.3 53.5 59 71.1 79.6 88.4 制冷量 19.7 22.4 28.8 31.8 40.4 44 45.6 51.6 58.2 64.6 78.6 85.5 97.9 制冷量和显冷量(kW )24dB ℃ 45%RH显冷量19.5 22.2 28.1 31.2 40.1 43.6 45.2 50.5 56.7 62.7 75.6 84.3 94.5 标准风量(m3/h ) 5670 6660 8280 8190 10980 12240 12960 13680 16200 16020 20160 2394023760风机台数 1 1 1 1 2 2 2 2 2 2 3 3 3 风机 机外静压(Pa ) 25-200 25-200 25-200 25-200 25-200 25-200 25-200 25-200 25-200 25-200 25-200 25-200 25-200压缩机1数量1 1 1 12 1 2 1 2 2 2 2 2 迎风面积(m 2) 0.95 0.95 0.95 0.95 2.07 2.07 2.07 2.07 2.07 2.07 3.22 3.22 3.22 蒸发器盘管2迎面风速(m/s ) 1.671.962.432.411.471.641.741.832.172.151.742.072.05电加热3功率(kW ) 6 6 6 6 9 9 9 9 9 9 12 12 12 加湿量(kg/h ) 4.5 4.5 4.5 4.5 10 10 10 10 10 10 10 10 10 远红外加湿器 加湿水盘 不锈钢不锈钢不锈钢不锈钢不锈钢不锈钢不锈钢不锈钢不锈钢不锈钢不锈钢不锈钢不锈钢尺寸(mm ) 790*790*96 790*790*96 790*790*96 790*790*96 790*790*96 790*790*96 790*790*96 790*790*96 790*790*96 790*790*96 790*790*96 790*790*96 790*790*96滤网4数量1 1 1 12 2 2 2 2 23 3 3水流量调节阀6尺寸(inch ) 1 1 1-1/4 1-1/4 1 1-1/4 1 1-1/4 1-1/4 1-1/4 1-1/4 1-1/4 1-1/4 进水量(l/s ) 1.15 1.32 1.73 1.90 2.35 2.58 2.66 3.05 3.47 3.83 4.67 5.12 5.73 水冷型冷却水供应要求7压降(kPa )45.560.954.450.046.992.161.1104.357.850.154.989.494.5回液管ID (mm ) 16 16 16 16 16 16 16 16 16 16 16 16 16排气管ID (mm ) 22 22 22 22 22 22 22 22 22 22 22 22 22 远红外加湿器 注水管OD (mm ) 6.35 6.35 6.35 6.35 6.35 6.35 6.35 6.35 6.35 6.35 6.35 6.35 6.35风冷型室内机组接口尺寸冷凝水排水管ID (mm )19 19 19 19 19 19 19 19 19 19 19 19 19水冷型接口尺寸 进出水管7OD (mm )28 28 35 35 28 35 28 35 35 35 35 35 35净重(kg ) 320 330 340 350 590 560 610 570 640 650 910 930 950 FLA 5(A ) 23.125.230.432.342.948.547.153.557.561.371.977.787.7电参数 空开32 32 40 40 63 63 63 63 80 80 100 100 100注:1:涡旋,R22制冷剂(可兼容R407C )。
2:V 型,铜管铝翅片。
3:螺旋翅片U 型不锈钢加热管。
4:基于ASHRAE52.1-1992,人工记重法,平均过滤效率90%以上;过滤效率等级G4(EN779)。
5.满负荷电流数。
机组的的最大满负荷电流值并不是所有部件的额定最大满负荷电流之和,而是在最大电负荷工况下可能同时运行的相关运行部件的额定最大满负荷电流的总和6标准型为二通阀,可选配三通阀。
7:设计水压可达1034KPa ,表中数据进水温度30℃,出水温度为35℃。
2. 室内机机械参数室内机机械参数见图2-11、图2-12、图2-13和表2-1。
单门系列双门系列三门系列 室内机机械参数设备净重(kg )产品型号外形尺寸(W ×D ×H )(mm )风冷系列水冷系列P1020UW/A 、P1020FW/A 、P1020DW/A 853×874×1970 320 320 P1025UW/A 、P1025FW/A 、P1025DW/A 853×874×1970 330 330 P1030UW/A 、P1030FW/A 、P1030DW/A 853×874×1970 340 340 P1035UW/A 、P1035FW/A 、P1035DW/A 853×874×1970 350 350 P2045UW/A 、P2045FW/A 、P2045DW/A 1704×874×1970 560 560 P2055UW/A 、P2055FW/A 、P2055DW/A 1704×874×1970 570 570 P2040UW/A 、P2040FW/A 、P2040DW/A 1704×874×1970 590 590 P2050UW/A 、P2050FW/A 、P2050DW/A 1704×874×1970 610 610 P2060UW/A 、P2060FW/A 、P2060DW/A 1704×874×1970 640 640 P2070UW/A 、P2070FW/A 、P2070DW/A 1704×874×1970 650 650 P3080UW/A 、P3080FW/A 、P3080DW/A 2553×874×1970 910 910 P3090UW/A 、P3090FW/A 、P3090DW/A 2553×874×1970 930 930 P3100UW/A 、P3100FW/A 、P3100DW/A 2553×874×1970950 9503. 风帽尺寸对于上出风系统,可以根据要求选择带有格栅的送风风帽,风帽的外形如图2-14、图2-15和图2-16所示,具体尺寸参见表2-2。