沉箱重力式码头课程设计计算书
- 格式:doc
- 大小:769.50 KB
- 文档页数:62
任务要求:码头设计高水位12米,低水位7.4米,设计船型20000吨,波高小于1米,地面堆货20kpa ,Mh —16—30门座式起重机,地基承载力不足,须抛石基床。
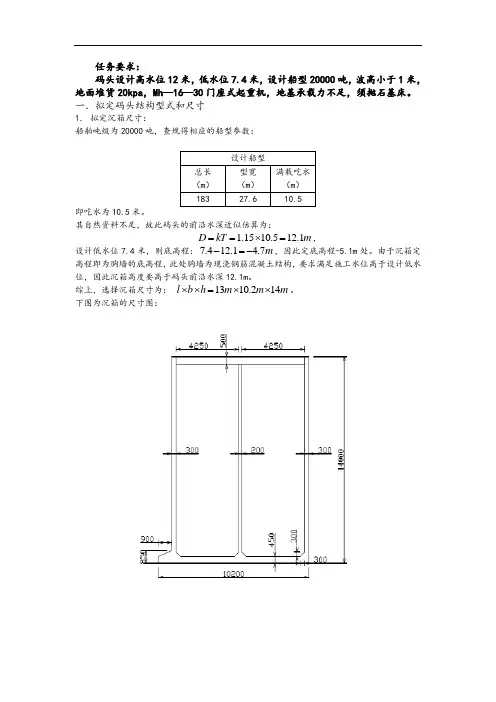
一.拟定码头结构型式和尺寸1. 拟定沉箱尺寸:船舶吨级为20000吨,查规得相应的船型参数:设计船型总长 (m ) 型宽 (m ) 满载吃水 (m ) 18327.610.5即吃水为10.5米。
其自然资料不足,故此码头的前沿水深近似估算为:1.1510.512.1D kT m ==⨯=,设计低水位7.4米,则底高程:7.412.1 4.7m -=-,因此定底高程-5.1m 处。
由于沉箱定高程即为胸墙的底高程,此处胸墙为现浇钢筋混凝土结构,要求满足施工水位高于设计低水位,因此沉箱高度要高于码头前沿水深12.1m 。
综上,选择沉箱尺寸为: 1310.214l b h m m m ⨯⨯=⨯⨯。
下图为沉箱的尺寸图:2.拟定胸墙尺寸:如图,胸墙的顶宽由构造确定,一般不小于0.8m,对于停靠小型河船舶的码头不小于0.5m。
此处设计胸墙的顶宽为 1.0m。
设其底宽为5.5m,检验其滑动和倾覆稳定性要否满足要求:(由于此处现浇胸墙部分钢筋直接由沉箱顶部插入,可认为其抗滑稳定性满足要求,只需验算其抗倾稳定性)设计高水位时胸墙有效重力小于设计低水位时,对于胸墙的整体抗倾不利,故考虑设计高水位时的抗倾稳定。
沉箱为现浇钢筋混凝土,其重度在水上为323.5/kN m ,水下为313.5/kN m ,则在设计高水位时沉箱的自重为:()][()5.511 1.511 1.5 1.5 5.5123.5 3.11 1.5 5.51 3.113.52 4.6 4.[{]62}G -=⨯+⨯⨯⨯-⨯+⨯+⨯+-⨯⨯⨯()则 227.83G kN =。
自重G 对O 点求矩:G 77.10.533.4967 5.510.47922/3 5.51/3=733.56M kN m =⨯+⨯-⨯⨯+()() 。
目录第一章设计资料------------------------------------- 3第二章码头标准断面设计------------------------ 5第三章沉箱设计------------------------------------- 11第四章作用标准值分类及计算----------------- 15第五章码头标准断面各项稳定性验算------- 44第一章设计资料(一)自然条件1.潮位:极端高水位:+6.5m;设计高水位:+5.3m;极端低水位:-1.1m;设计低水位:+1.2m;施工水位:+2.5m。
2.波浪:拟建码头所在水域有掩护,码头前波高小于1米(不考虑波浪力作用)。
3.气象条件:码头所在地区常风主要为北向,其次为东南向;强风向(7级以上大风)主要为北~北北西向,其次为南南东~东南向。
4.地震资料:本地的地震设计烈度为7度。
5.地形地质条件:码头位置处海底地势平缓,底坡平均为1/200,海底标高为-4.0~-5.0m 。
根据勘探资料,码头所在地的地址资料见图1。
图一 地质资料(二)码头前沿设计高程:对于有掩护码头的顶标高,按照两种标准计算:基本标准:码头顶标高=设计高水位+超高值(1.0~1.5m )=5.30+(1.0~1.5)=6.30~6.80m 复核标准:码头顶标高=极端高水位+超高值(0~0.5m )=6.50+(0~0.5)=6.50~7.00m(三) 码头结构安全等级及用途:码头结构安全等级为二级,件杂货码头。
(四) 材料指标:拟建码头所需部分材料及其重度、内摩擦角的标准值可按表1选用。
表1(五)使用荷载:1.堆货荷载:前沿q1=20kpa;前方堆场q2=30kpa。
2.门机荷载:按《港口工程荷载规范》附录C荷载代号Mh-10 -25 设计。
3.铁路荷载:港口通过机车类型为干线机车,按《港口工程荷载规范》表7.0.3-2中的铁路竖向线荷载标准值设计。
目录第一章设计资料------------------------------------- 3 第二章码头标准断面设计------------------------ 5 第三章沉箱设计------------------------------------- 11 第四章作用标准值分类与计算----------------- 15 第五章码头标准断面各项稳定性验算------- 44第一章设计资料(一)自然条件1.潮位:极端高水位:+6.5m;设计高水位:+5.3m;极端低水位:-1.1m;设计低水位:+1.2m;施工水位:+2.5m。
2.波浪:拟建码头所在水域有掩护,码头前波高小于1米(不考虑波浪力作用)。
3.气象条件:码头所在地区常风主要为北向,其次为东南向;强风向(7级以上大风)主要为北~北北西向,其次为南南东~东南向。
4.地震资料:本地的地震设计烈度为7度。
5.地形地质条件:码头位置处海底地势平缓,底坡平均为1/200,海底标高为-4.0~-5.0m。
根据勘探资料,码头所在地的地址资料见图1。
图一地质资料(二)码头前沿设计高程:对于有掩护码头的顶标高,按照两种标准计算:基本标准:码头顶标高=设计高水位+超高值(1.0~1.5m)=5.30+(1.0~1.5)=6.30~6.80m 复核标准:码头顶标高=极端高水位+超高值(0~0.5m)=6.50+(0~0.5)=6.50~7.00m (三)码头结构安全等级与用途:码头结构安全等级为二级,件杂货码头。
(四)材料指标:拟建码头所需部分材料与其重度、摩擦角的标准值可按表1选用。
表1(五)使用荷载:1.堆货荷载:前沿q1=20kpa;前方堆场q2=30kpa。
2.门机荷载:按《港口工程荷载规》附录C荷载代号Mh-10 -25 设计。
3.铁路荷载:港口通过机车类型为干线机车,按《港口工程荷载规》表7.0.3-2中的铁路竖向线荷载标准值设计。
4.船舶系缆力:按普通系缆力计算,设计风速22m/s。
1、某重力式方块码头,初步拟定的断面尺寸见图,设计计算资料如下 (1)回填1层,水上γ=18KN/m3,水下γ=9KN/m3,φ=30°; 回填2层,水上γ=19KN/m3,水下γ=11KN/m3,φ=45°。
(2)计算水位:5.0m ;不考虑剩余水压力。
朗金主动土压力公式:20=tan 452nan K φ⎛⎫- ⎪⎝⎭,库伦主动土压力公式22cos =cos nan K φ⎡⎢⎢⎣绘制土压力分布图,计算土压力强度、总土压力及土压力产生的倾覆力矩。
答1、土压力计算q=20kpa5.002、土压力计算(1)土压力系数计算回填一层按朗金公式计算土压力:n 0δ=,02020301=tan 45=tan 45=223n an K φ⎛⎫⎛⎫-- ⎪ ⎪⎝⎭⎝⎭回填二层按库伦公式计算土压力:0n 15δ=,22cos ==0.194nan K φ⎡⎢⎢⎣(2)土压力强度计算:11183183H a e KP =⨯⨯=0211 1.50.194tan15 3.09H a e KP =⨯⨯⨯=03(18311 1.511 2.12)0.194tan1517.58H a e KP =⨯+⨯+⨯⨯⨯=04(18311 1.511 2.1211 1.38)0.194tan1520.43H a e KP =⨯+⨯+⨯+⨯⨯⨯=5120 6.673H a e KP =⨯=06200.194tan15 3.75H a e KP =⨯⨯=(3)水平土压力分块合力及对前趾的倾覆力矩永久作用:11183272aH E KN =⨯⨯= 1186108EH M KN m =⨯=• 213.09 1.5 2.322aH E KN =⨯⨯= 2 2.3249.28EH M KN m =⨯=• 3 3.09 2.12 6.55aH E KN =⨯= 3 6.55 2.4415.98EH M KN m =⨯=•412.12(17.583.09)15.362aH E KN=⨯⨯-=4115.36( 2.12 1.38)32.053EH M KN m =⨯⨯+=•517.58 1.3824.26aH E KN =⨯= 5124.26 1.3816.742EH M KN m =⨯⨯=•611.38(20.4317.58) 1.972aH E KN=⨯⨯-=611.97 1.380.903EH M KN m =⨯⨯=•77.46Hn E KN ∑= 182.95EHn M KN m ∑=•可变作用:7 6.67320aH E KN =⨯= 720 6.513EH M KN m =⨯=•813.75 2.12 3.982aH E KN=⨯⨯=813.98(1.38 2.12)8.303EH M KN m =⨯+⨯=•9 3.75 1.38 5.18aH E KN =⨯= 915.18 1.38 3.572EH M KN m =⨯⨯=•29.16Hn E KN ∑= 24.87EHn M KN m ∑=•(4)竖向土压力合力及其对后趾的稳定力矩 永久作用:01()tan (77.4627)tan1513.52Vn Hn aH E E E KNδ∑=∑-⨯=-⨯=3.713.52 3.750.03EVn vn M E KN m ∑=∑⨯=⨯=•可变作用:07()tan (29.1620)tan15 2.45qVn Hn aH E E E KNδ∑=∑-⨯=-⨯=3.7 2.45 3.79.07qEVn qvn M E KN m ∑=∑⨯=⨯=•2、某重力式方块码头,初步拟定的断面尺寸见图,设计计算资料如下 (1)重度:混凝土,水上γ=24KN/m3,水下γ=14KN/m3; (2)堆货:q=20KN/m 2。
第一篇设计任务书1、概述1.1编制本报告的主要依据和资料《重力式码头设计与施工规范》JTJ290-98、《海港水文规范》JTJ213-98、《水运工程抗震设计规范》JTJ225-98、《港口工程地基规范》JTJ250-98、《港口工程荷载规范》JTJ215-98以及课本《港口水工建筑物》。
1.2建设的必要性和建设规模1.2.1建设的必要性该工程为件杂货码头,将带动周围地区经济社会发展,是综合利用海岸线及海洋资源的需要,也是增加劳动就业,提高当地人民生活水平和促使社会安定的需要。
1.2.2建设的规模该码头结构形式为顺岸沉箱重力式,建筑物等级为二级。
2、自然条件分析2.1地理位置2.2气象码头所在地区常风主要为北向,其次为东南向;强风向(7级以上大风)主要为北~北北西向,其次为南南东~东南向。
2.2.1气温多年平均气温 13℃历年极端最高气温 41℃多年最高月平均气温 28℃历史极端最低气温 -21℃多年最低月平均气温 -6.3℃2.2.2降水本区域年平均降水量640~712mm,最多年降水量1064~1186mm,最小年降水量261~384mm,年降水量集中在夏季(6~8月),其中7月份降水量占全年降水量的30%左右。
2.2.3风况本区域常年主导风向,冬季多东北风,夏季多东南风。
年平均风速为2.8~3.8m/s ,大风多发生于春季,其次为冬季,秋季最少。
年大风天数平均10天,最多24天,最大风速达13~24m/s 。
2.2.4 雾况多年平均雾日为11~14天,多发生于冬季,秋季次之。
2.2.5 相对湿度年平均相对湿度为70%~80%。
2.3 水文2.3.1 潮汐、水位设计高水位: 3.8m 设计低水位: 0.32m 极端高水位: 4.9m 极端低水位: -1.1m 施工水位: 2.0m2.3.2 波浪拟建码头所在水域有掩护,码头前波高小于1米。
50年一遇,%1H 波浪高值为: 设计高水位: 6.3s T m 665.1%1== H 设计低水位: 6.3s T m 665.1%1== H 极端高水位: 6.3s T m 665.1%1== H2.3.3 海流 2.3.4 冰凌本区域一般12月下旬至次年2月上旬水面结冰,最大岸冰厚度2~3cm ,最大冻土深度10cm 。
任务要求:码头设计高水位12米,低水位7.4米,设计船型20000吨,波高小于1米,地面堆货20kpa ,Mh —16—30门座式起重机,地基承载力不足,须抛石基床。
一.拟定码头结构型式和尺寸1. 拟定沉箱尺寸:船舶吨级为20000吨,查规范得相应的船型参数:即吃水为10.5米。
其自然资料不足,故此码头的前沿水深近似估算为:1.1510.512.1D kT m ==⨯=,设计低水位7.4米,则底高程:7.412.1 4.7m -=-,因此定底高程-5.1m 处。
由于沉箱定高程即为胸墙的底高程,此处胸墙为现浇钢筋混凝土结构,要求满足施工水位高于设计低水位,因此沉箱高度要高于码头前沿水深12.1m 。
综上,选择沉箱尺寸为: 1310.214l b h m m m ⨯⨯=⨯⨯。
下图为沉箱的尺寸图:2.拟定胸墙尺寸:如图,胸墙的顶宽由构造确定,一般不小于0.8m ,对于停靠小型内河船舶的码头不小于0.5m 。
此处设计胸墙的顶宽为1.0m 。
设其底宽为5.5m ,检验其滑动和倾覆稳定性要求是否满足要求:(由于此处现浇胸墙部分钢筋直接由沉箱顶部插入,可认为其抗滑稳定性满足要求,只需验算其抗倾稳定性)设计高水位时胸墙有效重力小于设计低水位时,对于胸墙的整体抗倾不利,故考虑设计高水位时的抗倾稳定。
沉箱为现浇钢筋混凝土,其重度在水上为323.5/kN m ,水下为313.5/kN m ,则在设计高水位时沉箱的自重为:()][()5.511 1.511 1.5 1.5 5.5123.5 3.11 1.5 5.51 3.113.52 4.6 4.[{]62}G -=⨯+⨯⨯⨯-⨯+⨯+⨯+-⨯⨯⨯()则 227.83G kN =。
自重G 对O 点求矩:G 77.10.533.4967 5.510.47922/3 5.51/3=733.56M kN m =⨯+⨯-⨯⨯+()() 。
考虑到有门机在前沿工作平台工作时,胸墙的水平土压力最大,此处门机荷载折算为线性荷载为:25010178.5714q kPa ⨯==。
如有帮助,欢迎下载。
码头结构整体稳定性计算书设计:校对:审核:1、设计条件1)设计船型设计代表船型见下表。
2)结构安全等级结构安全等级为二级。
3)自然条件(1)设计水位设计高水位(高潮位累计频率10%): 1.76m设计低水位(低潮位累计频率90%):+0.0m极端高水位(重现期50年一遇):+2.66m极端低水位(重现期50年一遇):-1.71m施工水位: 1.40m(2)波浪海西湾内波高H1%=2.67m。
(3)地质资料码头基床底面全部座落在全风化花岗岩层,风化岩承载力容许值为f=340kPa。
(4)码头面荷载a.门座起重机靠海侧轨道至码头前沿20kPa,其余30kPa。
b. 起重机荷载:码头设40吨门座起重机。
轮数48,轮压垂直方向(非工作状态)200kN,(工作状态)250kN,水平轮压35kN,基距12m,轮距840-980-840-840-840-980-840-840-840 -980-840。
(5)材料重度2、作用分类及计算2.1 结构自重力计算(1)极端高水位情况:计算图示见下图。
极端高水位作用分布图(2)设计高水位情况:计算图示见下图。
设计高水作用分布图设计低水作用分布图(3)设计低水位情况:计算图示见下图。
2.2 土压力强度计算码头后方填料为积砂石(按粗砂计算),35ϕ=︒,根据《重力式码头设计与施工规范》(JTJ290—98)第3.5.1.2条规定2(45/2)an K tg ϕ=︒-则2(45/2)0.271an K tg ϕ=︒-= 沉箱顶面以下考虑3511.6733ϕδ︒===︒ 根据(JTJ290—98)表B.0.3—1,查的0.24an K =cos 0.24cos11.670.235ax an K K δ==⨯︒= sin 0.24sin11.670.0485ay an K K δ==⨯︒=土压力标准值按(JTJ290—98)3.5条计算:110cos n n i i an i e h K γα-==∑21cos n n i i an i e h K γα==∑式中:cos 1α=1)码头后方填料土压力(永久作用) (1)极端高水位情况(2.66m ):e 4.0=0e 2.66=18×1.34×0.271=6.54(kPa )e 1.4=(18×1.34+9.5×1.26)×0.271=9.78(kPa ) e ‘1.4=(18×1.34+9.5×1.26)×0.235=8.48(kPa )e -9.0=(18×1.34+9.5×1.26+9.5×10.4)×0.235=31.7(kPa ) 土压力强度分布图见 图 土压力引起的水平作用:1116.54 1.34(6.549.78) 1.26(8.4831.7)10.4222H E =⨯⨯+⨯+⨯+⨯+⨯4.38210.28208.94223.602(/)kN m =++=土压力引起的竖向作用:208.9411.6743.16(/)V E tg kN m =⨯︒=土压力引起的倾覆力矩:1(2 6.549.78) 1.344.382( 1.3411.66)10.2810.433(6.549.78)(28.4831.7)10.4208.941043.58(/)3(8.4831.7)EH M kN m m ⎡⎤⨯+⨯=⨯⨯++⨯++⎢⎥⨯+⎣⎦⨯+⨯⨯=⨯+土压力引起的稳定力矩:43.1611.02475.62(/)EV M kN m m =⨯=(2)设计高水位情况e 4.0=0e 1.76=18×2.24×0.271=10.93(kPa )e 1.4=(18×2.24+9.5×0.36)×0.271=11.85(kPa ) e ‘1.4=(18×2.24+9.5×0.36)×0.235=10.28(kPa )e -9.0=(18×2.24+9.5×0.36+9.5×10.4)×0.235=33.5(kPa ) 土压力强度分布图见 图 土压力引起的水平作用:11110.93 2.24(10.9311.85)0.36(10.2833.5)10.4222H E =⨯⨯+⨯+⨯+⨯+⨯12.24 4.1227.66244.0(/)kN m =++=土压力引起的竖向作用:227.6611.6747.02(/)V E tg kN m =⨯︒=土压力引起的倾覆力矩:1(210.9311.85)0.3612.24( 2.2410.76) 4.110.433(10.9311.85)(210.2833.5)10.4227.661158.75(/)3(10.2833.5)EH M kN m m ⎡⎤⨯+⨯=⨯⨯++⨯++⎢⎥⨯+⎣⎦⨯+⨯⨯=⨯+土压力引起的稳定力矩:47.0211.02518.16(/)EV M kN m m =⨯=(3)设计低水位情况e 4.0=0e 1.4=18×2.6×0.271=12.68(kPa ) e ‘1.4=18×2.6×0.235=11.0(kPa )e 0.0=(18×2.6+18×1.4)×0.235=16.92(kPa ) e -9.0=(18×2.6+18×1.4+9.5×9)×0.235=37.01(kPa ) 土压力强度分布图见 图 土压力引起的水平作用:11112.68 2.6(1116.92) 1.4(16.9237.01)9222H E =⨯⨯+⨯+⨯+⨯+⨯16.48419.544242.69278.72(/)kN m =++=土压力引起的竖向作用:(19.544242.69)11.6754.16(/)V E tg kN m =+⨯︒=土压力引起的倾覆力矩:1(21116.92) 1.416.484(12.8610.4)19.544933(1116.92)(216.9237.01)9242.691387.21(/)3(16.9237.01)EH M kN m m ⎡⎤⨯+⨯=⨯⨯++⨯++⎢⎥⨯+⎣⎦⨯+⨯⨯=⨯+土压力引起的稳定力矩:54.1611.02596.84(/)EV M kN m m =⨯=2)均布荷载产生的土压力(可变作用):各种水位时,均布荷载产生的土压力标准值均相同。
重力式码头计算报告书工程编号: 计算: 校核: 审定:工程条件1.1 设计采用的技术规a.《重力式码头设计与施工规》(JTS 167-2-2009)b.《港口工程荷载规》(JTS 144-1-2010)c.《水运工程混凝土结构设计规》(JTS 151-2011)d.《水运工程抗震设计规》(JTS 146-2012)1.2 工程基本信息码头顶面高程(m):0.00码头前沿泥面高程(m):-6.00结构前水底坡度:1:0.00墙后泥面与水平面夹角(°):0.00不考虑剩余水压力设计高水位(m):-.5设计低水位(m):-7各区域角点坐标点编号点坐标X(m) 点高程(m)1 0 0各区域参数梯形挡土墙截面参数结构截面尺寸参数(m):b0(m)=0.80, b1(m)=0.00, b2(m)=1.00, b3(m)=3.50, b4(m)=0.80h1(m)=7.00, h2(m)=1.00墙后填料参数:墙后土层参数土层类型水上重度(kN/m^3)水下重度(kN/m^3)摩擦角(°)水下摩擦角(°)外摩擦角(°)墙后填土17 20 45 45 15基床水上重度(kN/m^3)17,基床水下重度(kN/m^3)20,摩擦系数.6,基床承载力设计值(kPa)600 1.3 土层物理参数土层名称饱和重度(m) 粘聚力(kPa)摩擦角(°)砂砾石20 0 36地基承载力计算按照《港口工程地基规》(JTS 147-1-2010)中5.3.8条条分法计算沉降计算参数沉降计算经验修正系数:0.70容许沉降设计值(mm):20.00开挖土平均重度(kN/m^3):19.00原始泥面线控制点1坐标X(m):0.00 控制点1坐标Y(m):0.00控制点2坐标X(m):50.00 控制点2坐标Y(m):0.001.4 地基参数1.5 地面均载(荷载向下为正)1.6 系缆力系缆力参数系船柱参数1.7组合信息荷载名称持久组合计算结果2.1荷载计算结果2.1.1,设计低水位自重结构上的计算集中力(竖向力向下为正,水平力向右为正)结构上受到的倾覆滑动力(FH向左为正,FV向下为正,MH向前倾覆为正,MV稳定为正)2.1.2,设计高水位自重结构上的计算集中力(竖向力向下为正,水平力向右为正)结构上受到的倾覆滑动力(FH向左为正,FV向下为正,MH向前倾覆为正,MV稳定为正)2.1.3,土压力(设计低水位)结构上竖向均布力(竖向力向下为正)结构上水平均布力(水平力向右为正)结构上受到的倾覆滑动力(FH向左为正,FV向下为正,MH向前倾覆为正,MV稳定为正)2.1.4,土压力(设计高水位)结构上竖向均布力(竖向力向下为正)结构上水平均布力(水平力向右为正)结构上受到的倾覆滑动力(FH向左为正,FV向下为正,MH向前倾覆为正,MV稳定为正)2.1.5,(设计低水位)地面荷载1结构上竖向均布力(竖向力向下为正)结构上水平均布力(水平力向右为正)结构上受到的倾覆滑动力(FH向左为正,FV向下为正,MH向前倾覆为正,MV稳定为正)2.1.6,(设计高水位)地面荷载1结构上竖向均布力(竖向力向下为正)结构上水平均布力(水平力向右为正)结构上受到的倾覆滑动力(FH向左为正,FV向下为正,MH向前倾覆为正,MV稳定为正)2.2抗倾、抗滑验算2.2.1,持久组合抗滑验算抗倾验算2.3基床承载力验算2.3.1,持久组合抗滑验算2.4地基承载力验算2.4.1,持久组合2.5地基沉降。
“港口航道工程学”课程设计任务书--某港口沉箱码头初步设计“港口航道工程学”课程设计指导书某港口沉箱码头初步设计指导教师张劲松田兴参武汉大学水利水电学院2011年1月5日一、设计目的和要求本课程设计的目的,是通过对某市和尚岛港区沉箱码头部分水工结构的设计,进一步掌握所学《港口航道工程学》这门课程的主要内容,并初步学会运用有关专业课、技术基础课的理论去解决实际工程问题,训练编写设计说明书、绘制港口水工建筑物图纸的能力和技巧,以及培养正确的设计思想,熟悉有关的设计规范等。
由于时间关系,本设计是在已有勘测规划及部分设计成果的基础上进行的。
每个学生必须独立完成和提交所规定的设计成果。
说明书应概念明确,简明扼要,计算成果应正确无误,图纸应规范。
二、设计内容1、确定码头的等级;2、确定码头的结构形式并拟定其断面尺寸;3、确定码头的作用荷载;4、对码头进行稳定性验算。
三、设计成果1、设计说明书(包括计算部分)一份;2、码头结构布置剖面图一张(3号图)。
四、设计资料某市地处辽东半岛最南端,三面环海,气候温和,交通方便,是我国东北的一颗明珠,也是我国的重要港口和旅游城市,工业和旅游业十分发达。
但是,多年来该市一直处于缺煤少电状态,已严重影响了工业生产和人民生活,该市是围绕着老港口发展起来的城市,位于市中心的某些货场(如煤场)等已严重威胁着该市的安全。
同时,由于国民经济的蓬勃发展,吞吐量的急骤增加,船舶的停泊时间长,造成政治、经济上不应有的影响和损失。
为缓和本地区能源供应紧张,解决该市缺煤少电状况,并使这些货物有专用装卸码头和库场,国家计委批准兴建和尚岛港区,并列入国家重点工程项目。
(一)概况1、地理位置和尚岛港区位于本市海湾北端的红土堆子湾。
背靠市第四发电厂,与市经济开发区隔海相望,交通方便,有公路与该市至沈阳公路相接,铁路接东北干线,可达全国各地。
港区距市内陆路25公里,水路8海里。
2、自然条件该港区属海洋型气候,平均气温10.2℃,7~8月最高,一般为25︒左右,极值达34.4︒,1~2月最低,一般为-5~-10℃,极值达-21℃。
总平面布置上海港改建码头是河口港码头,平面布置与工艺设计按《海港总平面设计规范》和《河港总平面设计规范》的有关规定确定。
根据水文、地质、地形、货种、装卸工艺及施工条件等因素综合分析,采用高桩码头结构型式(上层土为淤泥)。
码头前沿大致平行于黄浦江主流向,由于码头前江面宽约500米,水域面积不大,为了不使水流结构发生变化选用顺岸式。
码头前沿布置在规划前沿线,考虑到当地陆域面积紧张,采用满堂式,1#和2#码头连片布置,拆掉原有的防洪墙,将后桩台至陆地之间的短距离水域用当地廉价的砂石料抛填,当汛期来临时,码头停止作业,采用堆沙包的方法来防汛。
由资料得到的水位值:设计高水位:高潮位累积频率曲线的10%处————3.75 m设计低水位:高潮位累积频率曲线的90%处————1.22 m极端高水位:高潮位累积频率曲线的2%处————4.63m极端低水位:高潮位累积频率曲线的98%处————0.60 m1.1一号码头总平面布置1.1.1停靠方式停靠方式采用两点系泊(如图),受力系船柱数目根据船长查得为n=2,系船柱间距最大为20m,最少系船柱个数为6个。
1.1.2一号码头主要尺度的拟定1.1.2.1 泊位长度单个泊位长度:L=L+2dbL————单个泊位长度(m)bL————设计船长(m),L=82.6m;d————富裕长度(m),按《海港总平面设计规范》查表取值为8~10mL=82.6+2×(8~10)=98.6~102.6m,取码头长度为118m, 已b有岸线满足要求.1.1.2.2泊位宽度为了不占用主航道,泊位宽度:B=2bb————设计船宽(m),b=13.6mB=2×13.6=27.2m,取28m1.1.2.3 码头前沿顶高程(按有掩护港口的码头计算)基本标准:E=HWL + 超高值(1.0~1.5)复核标准:E=极端高水位+超高值(0~0.5)E————码头面高程(m)HWL————设计高水位(m)基本标准:E=3.75+(1.0~1.5)=4.75~5.25 m复核标准:E=4.63+(0~0.5)=4.63~5.13 m 由资料知,当地万吨级泊位的码头面标高一般为+4.8m,所以取E=4.8m1.1.2.4码头前沿设计水深D=T+Z1+Z2+Z3+Z4Z2 =KH- Z14%D————码头前沿设计水深(m)T————设计船型满载吃水(m),T=4.47m;Z1————龙骨下最小富裕深度(m),查得Z1=0.2mZ2————波浪富裕深度(m),K————系数,顺浪取0.3,横浪取0.5H————码头前的允许波高(m)4%由于地处黄浦江中,码头前江面宽度只有500米,波浪主要为顺浪,查《港口规划与布置》得3000吨级的杂货船的允许波高为H=0.8m,%4所以:Z2 =0.3 0.8-0.2=0.04 mZ3————船舶因配载不均而增加的船尾吃水值(m),杂货船可不计,Z3=0 m;Z4————备淤富裕深度(m),Z4=0.5mD=4.47+0.2+0.04+0+0.5=5.21m,所以码头前沿水底高程=设计最低水位-码头前沿设计水深=1.22-5.21=-3.99m,由于码头前沿布置在规划前沿线处,且规划挖至-9.0 m,所以水深条件肯定满足。
码头稳定性验算1.计算模型2.计算荷载设计高水位=2.77m ;设计低水位=-2.89m1) 结构自重力①重力(设计高水位2.77m)G1护栏作用力不计G2胸墙=(1.73*23+0.02*13)*1.3=52.065KN G3砼挡墙=0.5*(1.914+2.589)*1.75*13+0.5*(2.589+3.375)*1.0*13=93.21kn力臂计算:稳定力矩计算:②重力(设计低水位-2.89m ) G1护栏 作用力不计G2胸墙=1.75*1.3*23=52.325KN G3砼挡墙=0.5*(1.914+2.589)*1.75*23+ 0.5*(2.589+3.375)*1.0*23=164.91kn 力臂计算:稳定力矩计算:2)土压力强度计算后方回填碎石,二片石,开山石 ︒=45ϕ γ=18kn/m第二破裂角: 005.22)(21)90(21'=---=βεϕθ=β0=ε005.224521=⨯=δ有 15°<α1,α2<θ' ,故土压力可按公式2.4.1.1计算 对胸墙: α=0 ,cos α=1对砼挡墙: 0195.155.31==-tgα ; cos α=0.9613.作用分析1) 永久作用①设计高水位2.77m永久作用土压力强度 cos α1=1 ,cos α2=0.96111e = 0e 12=(18×1.48+11×0.02)×Kan ×cos α1=26.86×0.1597 =4.29kpa1597.0)841.01(924.05.00cos 5.22cos 45sin 5.67sin 1)5.22cos(145cos )cos()cos()sin()sin(1)cos(cos )(cos 2000002222=+⨯=⎥⎥⎦⎤⎢⎢⎣⎡︒+⨯=⎥⎦⎤⎢⎣⎡-+-+++-=βαδαβϕδϕδαααϕαn n n n n n n k 2835.0)9319.01(723.0765.095.15cos 45.38cos 45sin 5.67sin 1)45.38cos()95.15(cos 05.29cos )cos()cos()sin()sin(1)cos(cos )(cos 20000202222=+⨯=⎥⎥⎦⎤⎢⎢⎣⎡︒+⨯=⎥⎦⎤⎢⎣⎡-+-+++-=βαδαβϕδϕδαααϕαn n n n n n n ke 21 =(18×1.48+11×0.02)×0.2835×0.961=7.318kpa e 2=57.11×kan ×cos α2=57.11×0.2835×0.961=15.559kpa 胸墙后土压力合力水平合力:Eh n =竖直合力:Ev n = 计算得:(按填料分层,单位kn)力臂计算水平力壁di 和倾覆力矩MEHi 计算竖直力壁di 和稳定力矩MEVi 计算)cos(25.011n an n n i n n i i K h h r h r δα+⎪⎭⎫⎝⎛+∑-=)sin(25.011n an n n i n n i i K h h r h r δα+⎪⎭⎫ ⎝⎛+∑-=②设计低水位-2.89m永久作用土压力强度 cos α1=1 ,cos α2=0.961 e 11=0e 12=(18×1.5)×Kan ×cos α1=27×0.1597×1 =4.312kpa e 21=(18×1.5)×Kan ×cos α1=27×0.2835×0.961 =7.356kpae 22=76.5×kan ×cos α2=76.5×0.2835×0.961=20.842kpa 胸墙后土压力合力水平合力:Eh n =竖直合力:Ev n = 计算得:(按填料分层,单位kn)力臂计算水平力臂di 和倾覆力矩MEHi 计算)cos(25.011n an n n i n n i i K h h r h r δα+⎪⎭⎫⎝⎛+∑-=)sin(25.011n an n n i n n i i K h h r h r δα+⎪⎭⎫ ⎝⎛+∑-=竖直力臂di和稳定力矩MEVi计算2)可变作用取可变荷载Q=30kn/m①可变作用土压力强度胸墙Eq1=q·kq·Kan·hn=30×1×0.1597×1.5=7.187kn 砼挡墙Eq2=q·kq·Kan·hn=30×1×0.2835×2.75=23.389kn胸墙后土压力合力水平分力Eqh1=7.19×cos22.5°= 6.64kn竖向分力Eqv1=7.19×sin22.5°= 2.752kn砼挡墙后土压力合力水平分力Eqh2=23.39×cos38.45°= 18.313kn 竖向分力Eqv2=23.39×sin38.45°= 14.548kn 可变土压力合力水平力 Eqh=6.64+18.304 = 24.954kn 竖向力 Eqv=2.75+14.56 = 17.300kn ②可变土压力力臂及力矩计算水平力臂di 和倾覆力矩MEqhi 计算竖直力臂di 和稳定力矩MEqvi 计算3)波浪作用,地震作用和系缆力,剩余水压力暂不考虑。
总平面布置上海港改建码头是河口港码头,平面布置与工艺设计按《海港总平面设计规范》和《河港总平面设计规范》的有关规定确定。
根据水文、地质、地形、货种、装卸工艺及施工条件等因素综合分析,采用高桩码头结构型式(上层土为淤泥)。
码头前沿大致平行于黄浦江主流向,由于码头前江面宽约500米,水域面积不大,为了不使水流结构发生变化选用顺岸式。
码头前沿布置在规划前沿线,考虑到当地陆域面积紧张,采用满堂式,1#和2#码头连片布置,拆掉原有的防洪墙,将后桩台至陆地之间的短距离水域用当地廉价的砂石料抛填,当汛期来临时,码头停止作业,采用堆沙包的方法来防汛。
由资料得到的水位值:设计高水位:高潮位累积频率曲线的10%处————3.75 m设计低水位:高潮位累积频率曲线的90%处————1.22 m极端高水位:高潮位累积频率曲线的2%处————4.63m极端低水位:高潮位累积频率曲线的98%处————0.60 m1.1一号码头总平面布置1.1.1停靠方式停靠方式采用两点系泊(如图),受力系船柱数目根据船长查得为n=2,系船柱间距最大为20m,最少系船柱个数为6个。
1.1.2一号码头主要尺度的拟定1.1.2.1 泊位长度单个泊位长度:L=L+2dbL————单个泊位长度(m)bL————设计船长(m),L=82.6m;d————富裕长度(m),按《海港总平面设计规范》查表取值为8~10mL=82.6+2×(8~10)=98.6~102.6m,取码头长度为118m, 已b有岸线满足要求.1.1.2.2泊位宽度为了不占用主航道,泊位宽度:B=2bb————设计船宽(m),b=13.6mB=2×13.6=27.2m,取28m1.1.2.3 码头前沿顶高程(按有掩护港口的码头计算)基本标准:E=HWL + 超高值(1.0~1.5)复核标准:E=极端高水位+超高值(0~0.5)E————码头面高程(m)HWL————设计高水位(m)基本标准:E=3.75+(1.0~1.5)=4.75~5.25 m复核标准:E=4.63+(0~0.5)=4.63~5.13 m 由资料知,当地万吨级泊位的码头面标高一般为+4.8m,所以取E=4.8m1.1.2.4码头前沿设计水深D=T+Z1+Z2+Z3+Z4Z2 =KH- Z14%D————码头前沿设计水深(m)T————设计船型满载吃水(m),T=4.47m;Z1————龙骨下最小富裕深度(m),查得Z1=0.2mZ2————波浪富裕深度(m),K————系数,顺浪取0.3,横浪取0.5H————码头前的允许波高(m)4%由于地处黄浦江中,码头前江面宽度只有500米,波浪主要为顺浪,查《港口规划与布置》得3000吨级的杂货船的允许波高为H=0.8m,%4所以:Z2 =0.3 0.8-0.2=0.04 mZ3————船舶因配载不均而增加的船尾吃水值(m),杂货船可不计,Z3=0 m;Z4————备淤富裕深度(m),Z4=0.5mD=4.47+0.2+0.04+0+0.5=5.21m,所以码头前沿水底高程=设计最低水位-码头前沿设计水深=1.22-5.21=-3.99m,由于码头前沿布置在规划前沿线处,且规划挖至-9.0 m,所以水深条件肯定满足。
第一篇设计任务书1.概述1.1编制本报告的主要依据和资料《重力式码头设计与施工规范》JTJ290-98、《海港水文规范》JTJ213-98、《水运工程抗震设计规范》JTJ225-98、《港口工程地基规范》JTJ250-98、《港口工程荷载规范》JTJ215-98以及课本《港口水工建筑物》。
1.2建设的必要性和建设规模1.2.1建设的必要性该工程为件杂货码头,将带动周围地区经济社会发展,是综合利用海岸线及海洋资源的需要,也是增加劳动就业,提高当地人民生活水平和促使社会安定的需要。
1.2.2建设的规模该码头结构形式为顺岸沉箱重力式,建筑物等级为Ⅰ级。
2. 自然条件分析2.1地理位置2.2气象码头所在地区常风主要为北向,其次为东南向;强风向(7级以上大风)主要为北~北北西向,其次为南南东~东南向。
2.2.1气温多年平均气温13℃历年极端最高气温41℃多年最高月平均气温28℃历史极端最低气温-21℃多年最低月平均气温-6.3℃2.2.2降水本区域年平均降水量640~712mm,最多年降水量1064~1186mm,最小年降水量261~384mm,年降水量集中在夏季(6~8月),其中7月份降水量占全年降水量的30%左右。
2.2.3风况本区域常年主导风向,冬季多东北风,夏季多东南风。
年平均风速为 2.8~3.8m/s,大风多发生于春季,其次为冬季,秋季最少。
年大风天数平均10天,最多24天,最大风速达13~24m/s。
2.2.4雾况多年平均雾日为11~14天,多发生于冬季,秋季次之。
2.2.5相对湿度年平均相对湿度为70%~80%。
2.3水文2.3.1潮汐、水位极端高水位(五十年一遇)﹢5.10米极端低水位(五十年一遇)﹣1.25米设计高水位(历时累积频率1%) ﹢4.22米设计低水位(历时累积频率98%) ﹢0.45米施工水位﹢2.00米2.3.2波浪拟建码头所在水域有掩护,码头前波高小于1米。
50年一遇,H1%波浪高值为:设计高水位:H1% =1.665m,T=6.3s设计低水位:H1% =1.665m,T=6.3s极端高水位:H1% =1.665m,T=6.3s2.3.3海流2.3.4冰凌本区域一般12月下旬至次年2月上旬水面结冰,最大岸冰厚度2~3cm,最大冻土深度10cm。
目录第一章设计资料------------------------------------- 3 第二章码头标准断面设计------------------------ 5 第三章沉箱设计------------------------------------- 11 第四章作用标准值分类及计算----------------- 15 第五章码头标准断面各项稳定性验算------- 44第一章设计资料(一)自然条件1.潮位:极端高水位:+6.5m;设计高水位:+5.3m;极端低水位:-1.1m;设计低水位:+1.2m;施工水位:+2.5m。
2.波浪:拟建码头所在水域有掩护,码头前波高小于1米(不考虑波浪力作用)。
3.气象条件:码头所在地区常风主要为北向,其次为东南向;强风向(7级以上大风)主要为北~北北西向,其次为南南东~东南向。
4.地震资料:本地的地震设计烈度为7度。
5.地形地质条件:码头位置处海底地势平缓,底坡平均为1/200,海底标高为-4.0~-5.0m。
根据勘探资料,码头所在地的地址资料见图1。
图一地质资料(二)码头前沿设计高程:对于有掩护码头的顶标高,按照两种标准计算:基本标准:码头顶标高=设计高水位+超高值(1.0~1.5m)=5.30+(1.0~1.5)=6.30~6.80m 复核标准:码头顶标高=极端高水位+超高值(0~0.5m)=6.50+(0~0.5)=6.50~7.00m (三)码头结构安全等级及用途:码头结构安全等级为二级,件杂货码头。
(四)材料指标:拟建码头所需部分材料及其重度、摩擦角的标准值可按表1选用。
表1(五)使用荷载:1.堆货荷载:前沿q1=20kpa;前方堆场q2=30kpa。
2.门机荷载:按《港口工程荷载规》附录C荷载代号Mh-10 -25 设计。
3.铁路荷载:港口通过机车类型为干线机车,按《港口工程荷载规》表7.0.3-2中的铁路竖向线荷载标准值设计。
4.船舶系缆力:按普通系缆力计算,设计风速22m/s。
(六)设计船型:万吨级杂货船总长L×型宽B×型深H×满载吃水T:146×22×13.1×8.7m第二章码头标准断面设计第一节码头各部分标高(一)码头(胸墙)顶标高对于有掩护码头的顶标高,按照两种标准计算:基本标准:码头顶标高=设计高水位+超高值(1.0~1.5m)=5.30+(1.0~1.5)=6.30~6.80m 复核标准:码头顶标高=极端高水位+超高值(0~0.5m)=6.50+(0~0.5)=6.50~7.00m码头顶标高取6.60m。
(二)沉箱顶标高沉箱顶标高=施工水位+(0.3~0.5m)=2.50+(0.3~0.5)=2.80~3.00m根据地区施工水位,沉箱顶标高取2.90m。
(三)胸墙底标高胸墙底标高=沉箱顶标高-(0.3~0.5m)=2.90-(0.3~0.5m)=2.40~2.60m胸墙底标高取2.50m。
(四)码头(沉箱)底标高码头前沿设计水深D=T+Z1+Z2+Z3+Z4其中:T——设计船型满载吃水(m),T=8.7m;Z1——龙骨下最小富余水深(m),与海底质有关,对重力式码头应按岩石土考虑,取Z1=0.6m;Z2——波浪富余深度(m),Z2=KH4%-Z1=0.5×1.0-0.6=﹣0.1<0,取Z2=0;Z3——船舶因配载不均匀而增加的尾吃水(m),对杂货船取Z3=0;Z4——备淤深度(m),取Z4=0.4m。
则:码头前沿设计水深D=T+Z1+Z2+Z3+Z4=8.7+0.6+0+0+0.4=9.7m码头底标高=设计低水位-码头前沿设计水深=1.20-9.7=﹣8.5m码头底标高取﹣8.50m。
(五)抛石基床底标高取抛石基床厚度为1.5m,则基床底标高=﹣8.50-1.50=﹣10.0m(六)抛石棱体顶标高抛石棱体顶标高=沉箱顶标高+(<0.5m)=2.90+(<0.5)=(<3.40m)抛石棱体顶标高取3.40m。
(七)二片石顶标高抛石棱体顶面和坡面的表层应抛设0.5~0.8m厚的二片石,取其厚度为0.5m,其上再设置倒滤层。
二片石顶标高=3.40+0.5=3.90m。
(八)倒滤层顶标高倒滤层采用碎石倒滤层,且不分层,采用级配较好的混合石料石渣,其厚度不得小于0.8m,取其厚度为0.8m。
倒滤层顶标高=3.90+0.8=4.70m第二节沉箱尺度的确定(一)外形尺度1.泊位长度设计泊位为顺岸式码头连续多个泊位的中间泊位,泊位长度L b=L+2d(设计船长+富裕长度),其中L=146m,d=12~15m,取d=15m,L b=L+2d=146+30=176m。
泊位采用11个沉箱平接,沉箱长度取16.00m,沉箱安装缝采用50mm,则泊位的实际长度为11×16.00+10×0.05=176.50m。
2.沉箱长度沉箱长度取16.00m。
3.沉箱高度沉箱高度=沉箱顶标高-沉箱底标高=2.90-(﹣8.50)=11.40m4.沉箱宽度根据经验取(0.6~0.7)倍码头高度(胸墙顶到沉箱底),即(0.6~0.7)×[6.60-(﹣8.50)]=9.06~10.57m,则沉箱宽度取10.50m。
(二)细部尺寸1.隔墙厚度隔墙厚度取隔墙间距的1/25~1/20,且不得小于0.2m,隔墙厚度取0.2m。
2.外壁厚度外壁厚度由计算确定,且不得小于250mm,在本设计中外壁厚度分0.3m、0.35m、0.4m三级,外壁厚度取0.3m。
3.底板厚度底板厚度由计算确定,且不宜小于壁厚,在本设计中底板厚度分0.4m、0.45m、0.5m、0.55m 四级,底板厚度取0.4m。
4.箱隔墙布置箱隔墙采用对称布置,隔墙间距分别取4.10m、3.70m。
5.加强角宽度加强角宽度一般为150~200mm,取200mm。
沉箱的其他细部尺寸见附图1。
(三)沉箱体积和重量计算沉箱重量时,钢筋混凝土重度标准值采用25.0kN/m3。
沉箱材料体积和重量计算见下表2:表2沉箱重量=840.26t,小于沉箱预制场大平台可制作沉箱的最大重量2000t,满足预制场的预制能力。
第三节上部结构设计(一)胸墙断面设计1.胸墙顶宽胸墙采用L型,顶宽取3.00m。
2.胸墙底宽胸墙底宽由胸墙稳定性要求确定,根据经验应大于1/2沉箱顶宽度,即大于0.5×9.00=4.50m,底宽取5.00m。
3.胸墙高度胸墙高度=胸墙顶标高-胸墙底标高=6.60-2.50=4.10m。
(二)系船的选择计算船舶系缆力:F xw=73.6×10-5A xw v x2ζ1ζ2 F yw=49.0×10-5A yw v y2ζ1ζ2按75%保证率、压载或空载状况,取A xw=1570m2,A yw=382m2设计风速v x=22m/s, v y=0m/s查表取得ζ1x=0.8,ζ1y=1.0,ζ2=1.3(按船舶水面以上建筑高度15米取,),故:F xw= 581.64 KNF yw=0 KN系船柱结合码头按25m 等间距布置,共计布置7个,实际受力系船柱为3个N=⎥⎥⎦⎤⎢⎢⎣⎡+∑∑βαβαcos cos cos sin y x F F nK α=30°,β=15°,n=3,K=1.3 N=521.87 KN 取N=522 KN(三) 门机布置门机的轨距、跨距均为10.5m ,门机前轨距码头前沿2m ,布置在胸墙上,后轨布置在单独设置的轨道梁上,距货场外边线之间的安全净距取2m 。
(四) 铁路布置门机下对称布置两条铁路线,每条铁路线的铁路标准轨距为1435mm ,轨枕宽度为2500mm 。
两条铁路线的中心线距离为4.5m ,两条铁路线的中心线距近侧门机轨道的距离为3m 。
钢轨上的线荷载标准值按干线机车为140KN/m 。
(五) 管沟设计管沟用于放置为船舶供水和供电而铺设的水管和电缆,设在胸墙,管沟中心线距码头前沿1.3m ,要求管沟底面高程应高于平均高潮位,故采用小管沟,尺寸(宽×高)为0.4m ×0.6m 。
(六) 护舷设计1. 护舷类型和规格的选择1有效撞击能量20m 2nV E ρ=其中,ρ取0.8,m 查规得1万吨级杂货船满载排水量m=14800t ,n V =0.15m/s ,所以210=E ×0.8×14800×0.152=133.2KJ查橡胶护舷性能表,选择低反力型鼓型护舷H1000,反力R=360KN ,吸能量E=136.0KJ 。
2. 护舷的布置橡胶护舷间断布置,在每个沉箱的中心位置布置一个护舷,即每16米布置一个,每个泊位共11个。
船舶挤靠力标准值KN nFK F xjj 74.681164.5813.1''=⨯==∑为了使船舶在不同水位和不同吃水深度时都能用船体干舷部分接触护舷,兼顾小船靠泊及防止船舶摇摆对码头产生碰撞,在3.5m 高程处悬挂低反力型鼓型护舷,在5.5m 高程处沿前沿线悬挂D300水平护舷。
第四节 其他设计问题(一) 抛石棱体1. 作用设置抛石棱体是为了防止回填土的流失,并且减少墙后回填土对沉箱和胸墙产生的土压力。
2. 材料抛石棱体采用10~100kg 块石。
3. 顶宽回填土(渣石):摩擦角φ=29°,破裂角θ1=32.7°(假设α、β均为0,δ=31φ); 块石:摩擦角φ=45°,破裂角θ2=23.9°(假设α、β均为0,δ=31φ)。
二者总厚度H=h 1+h 2=15.10m ,破裂面与水平面夹角Hh h 2211θθθ+=,且满足4.35.83d 2.3h 232.3tan 121+-+-=-+-=)(h d h θ,试算得θ=25.8°,h 1=3.26m ,h 2=11.84m ,抛石棱体顶宽d=8.65m 。
4. 坡度抛石棱体坡度采用1:1。
(二) 二片石抛石棱体顶面和坡面的表层抛设0.5m 厚的二片石,坡度为1:1。
(三) 倒滤层设置倒滤层是为了防止墙后回填土流失。
倒滤层采用碎石倒滤层,且不分层,采用级配较好的混合石料石渣,取其厚度为0.8m ,碎石层坡度采用1:1.5。
(四) 抛石基床1. 作用将墙身传来的外力扩散到较大围的地基上,以减少地基应力和建筑物的沉降;保护地基免受波浪和水流的淘刷;整平基面,便于墙身的砌筑和安装。
2. 型式因原泥面水深小于码头前设计水深,故采用暗基床的型式。
3. 材料采用10~100kg块石且有一定级配。
4.厚度抛石基床厚度取1.5m。
5.肩宽和底宽外肩宽不宜小于1.5倍基床厚度,取2.3m;肩宽不宜小于0.5倍基床厚度,取0.8m。