基坑支护监测项目
- 格式:doc
- 大小:40.50 KB
- 文档页数:2
基坑支护监测记录时间:2024年10月1日地点:XX市工地基坑一、监测目的:本次监测旨在对工地基坑的支护情况进行了解和记录,以保证基坑的安全施工。
二、监测内容:1.基坑周边地表沉降情况的监测。
2.支护结构变形、开裂等情况的监测。
3.排水系统的监测和运行情况。
4.监测员现场记录。
三、监测方法:1.地表沉降监测:采用水准测量法,选择周围固定控制点,结合全站仪进行测量。
2.支护结构监测:采用变形监测仪和裂缝计进行监测。
3.排水系统监测:结合现场巡查,观察排水系统的运行情况。
4.监测员现场记录:记录现场施工情况,包括气候、设计高程、设备使用情况等。
四、监测结果:1.地表沉降监测结果:根据水准测量数据,基坑周边地表沉降情况较为平稳,变化范围小于2cm,符合设计要求。
沉降主要集中在基坑周边10米范围内,较远处地表沉降明显减小。
2.支护结构监测结果:支护结构变形监测数据显示,支护结构整体稳定,未发现明显变形情况。
裂缝计监测结果也显示,支护结构表面未出现裂缝变形现象。
3.排水系统监测结果:排水系统正常运行,未发现堵塞或漏水情况。
现场巡查显示,水位稳定,没有积水或渗漏现象。
4.监测员现场记录:施工过程中,天气晴朗,温度适宜,无明显气候变化。
工人按照设计要求使用设备,操作规范。
监测员对施工现场进行巡查,未发现异常情况。
五、结论:基坑支护监测结果显示,基坑支护结构整体稳定,未发现明显变形和裂缝情况。
排水系统正常运行,地表沉降较小。
施工过程中,各项工作按照设计要求进行,未出现异常情况。
基于以上监测结果,认为基坑支护工程符合设计要求,可以继续进行后续施工。
六、建议:在后续基坑施工中,继续加强对支护结构和排水系统的监测,及时发现和处理可能出现的问题。
推荐在重点部位增加监测点,加强对支护结构的监测和分析,以确保工程质量和安全。
七、备注:。
基坑工程监测之支护结构监测支护结构的设计,虽然根据地质勘探资料和使用要求进行了较详细的计算,但由于土层的复杂性和离散性,勘探提供的数据常难以代表土层的总体情况,土层取样时的扰动和试验误差亦会产生偏差;荷载和设计计算中的假定和简化会造成误差;挖土和支撑装拆等施工条件的改变,突发和偶然情况等随机困难等亦会造成误差。
为此,支护结构设计计算的内力值与结构的实际工作状况往往难以准确的一致。
所以,在基坑开挖与支护结构使用期间,对较重要的支护结构需要进行监测。
通过对支护结构和周围环境的监测,能随时掌握土层和支护结构内力的变化情况,以及邻近建筑物、地下管线和道路的变形情况,将观测值与设计计算值进行对比和分析,随时采取必要的技术措施,以保证在不造成危害的条件下安全地进行施工。
支护结构和周围环境的监测的重要性,正被越来越多的建设和施工单位所认识,它作为基坑开挖和支护结构工作期间的一项技术,已被列入支护结构设计。
1.支护结构监测项目与监测方法基坑和支护结构的监测项目,根据支护结构的重要程度、周围环境的复杂性和施工的要求而定。
要求严格则监测项目增多,否则可减之,表6-135所列之监测项目为重要的支护结构所需监测的项目,对其他支护结构可参照之增减。
支护结构监测项目与监测方法表6-1352.支护结构监测常用仪器及其应用支护结构的监测,主要分为应力监测与变形监测。
应力监测主要用机械系统和电气系统的仪器;变形监测主要用机械系统、电气系统和光学系统的仪器。
(1)变形监测仪器变形监测仪器除常用的经纬仪、水准仪外,主要是测斜仪。
测斜仪是一种测量仪器轴线与沿垂线之间夹角的变化量,进行测量围护墙或土层各点水平位移的仪器(图6-196)。
使用时,沿挡墙或土层深度方向埋设测斜管(导管),让测斜仪在测斜管内一定位置上滑动,就能测得该位置处的倾角,沿深度各个位置上滑动,就能测得围护墙或土层各标高位置处的水平位移。
图6-196 测斜仪1-敏感部件;2-壳体;3-导向轮;4-引出电缆测斜仪最常用者为伺服加速度式和电阻应变片式。
基坑支护监测检测方案
基坑支护监测检测方案
一、背景
在建筑工程中,对于沉降、地陷等地质灾害,采取基坑支护措施是必要的。
但是,随着基坑的深度增加,存在越来越大的风险和安全隐患。
因此,为了保证施工的安全和减少对周边环境的影响,就需要对基坑支护工程进行监测检测。
二、检测内容
为了全面了解基坑支护的变形情况和稳定性,应进行以下内容的监测检测:
1. 地下水位的监测,包括测量地下水位变化、地下水压力变化等指标。
2. 基坑附近围岩(土体)变形的监测,重点关注基坑周围的土壤沉降、变形、裂缝等情况。
3. 基坑的位移变形、变形速率,关注基坑深度、周边地形地貌的变化情况。
4. 测量支撑结构的应力变化,包括水平横向支护应力、垂直支撑应力、拉杆应力等,以确保支撑系统的稳定性和安全性。
5. 进行振动、噪音检测,避免施工对周边环境和生态带来过大的影响。
三、监测设备和方法
1。
基坑工程监测内容及方法介绍【XXX】本文由XXX老师精心收编整理,同学们定要好好复!基坑工程监测内容及方法介绍基坑工程监测内容及方法介绍基坑支护设计目前还没有成熟的方法可以计算基坑周围的土体变化,而基坑支护结构在基坑开挖过程中若发生破坏后果非常严重,因此在施工过程中通过对基坑的变形观测指导基坑开挖和支护,对基坑的安全施工有重要意义。
1基坑施工监测的内容及特点1.1基坑支护监测的内容有1.1.1水平位移监测,目的是监测基坑边壁的水平变形量、变形速率信息1.1.2竖向位移监测,目的是监测基坑围护墙顶、墙后地表与立柱的竖向位移信息1.1.3深层水平位移监测,目的是监测围护墙体或基坑周围土体的深层水平位移信息1.1.4倾斜监测,目的是监测建筑物倾斜度、倾斜方向和倾斜速率信息1.1.5裂缝监测,目的是监测裂缝的位置、走向、长度、宽度及变化程度此外还有支护结构内力监测、土压力监测、孔隙水压力监测、地下水位监测、锚杆拉力监测1.2基坑施工监测的特点1.2.1时效性基坑监测是配合降水和开挖过程,有鲜明的时间性,测【XXX】本文由XXX老师精心收编整理,同学们定要好好复!量结果是动态变化的,因此深基坑施工中监测需随时进行,通常是1次/d,在测量对象变化快的关键时期,可能每天需进行数次。
基坑监测的时效性要求对应的方法和设备具有采集数据快、全天候工作的能力,甚至适应夜晚或大雾天气等严酷的环境条件。
1.2.2高精度在施工中,基坑变形速率可能在0.1mm/d以下,要测这样的变形精度,常用测量方法和仪器部不能胜任,因此基坑施工中的测量通常采用特殊的高精度仪器。
1.2.3等精度基坑施工中的监测通常只需求测得相对变化值,而不要求丈量绝对值。
例如,通俗丈量要求将修建物在地面定位,这是一个绝对量坐标及高程的丈量,而在基坑边壁变形丈量中,只需求测定边壁相对于原来基准位置的位移即可,而边壁原来的位置(坐标及高程)可能完全不需要知道。
由于这个鲜明的特点,使得深基坑施工监测有其自身规律。
基坑支护结构检测项目一、引言基坑支护结构是土木工程中的重要组成部分,它的设计和施工质量直接关系到工程的安全性和稳定性。
因此,对基坑支护结构进行检测是非常必要的。
本文将介绍基坑支护结构检测项目的内容和要求。
二、检测项目及内容1. 检测前的准备工作在进行基坑支护结构检测之前,需要进行一些准备工作。
首先,需要了解基坑支护结构的设计方案和施工图纸,以便对检测结果进行比对和分析。
其次,需要准备好检测仪器和设备,如测量仪器、探测器等。
最后,还需要制定检测方案和计划,明确检测的内容和方法。
2. 基坑支护结构的尺寸测量基坑支护结构的尺寸测量是基坑检测的重要内容之一。
通过测量基坑支护结构的尺寸,可以了解其实际情况与设计方案的偏差程度,从而评估基坑的稳定性。
尺寸测量可以使用激光测距仪、全站仪等设备进行,确保测量结果的准确性和可靠性。
3. 基坑支护结构的平整度检测基坑支护结构的平整度检测是为了评估其表面的平整度和垂直度。
通过使用水平仪、水准仪等测量工具,可以检测基坑支护结构的平面偏差和垂直偏差,以及墙面的平整度。
平整度检测是基坑支护结构施工质量的重要评估指标之一。
4. 基坑支护结构的强度检测基坑支护结构的强度检测是为了评估其抗压、抗拉等力学性能。
可以通过使用金属探伤仪、超声波测厚仪等设备,对基坑支护结构的材料进行检测。
同时,还可以进行钢筋的探伤和混凝土的强度测试,以评估基坑支护结构的力学性能是否符合设计要求。
5. 基坑支护结构的渗漏检测基坑支护结构的渗漏检测是为了评估其防水性能。
通过使用水压试验仪、渗漏检测仪等设备,可以对基坑支护结构的渗漏情况进行检测。
渗漏检测是基坑支护结构防水效果的重要评估指标之一。
6. 基坑支护结构的变形检测基坑支护结构的变形检测是为了评估其变形情况。
通过使用测量仪器和监测设备,可以实时监测基坑支护结构的变形情况,包括沉降、位移等。
变形检测可以帮助工程师及时发现并解决基坑支护结构的变形问题,确保工程的安全性。
基坑支护监测的内容基坑支护监测是指在基坑施工过程中,对基坑支护工程进行实时、准确地监测和控制,以保障施工期间的安全以及周边建筑物的稳定。
结构监测是基坑支护工程的重要组成部分,它可以帮助工程师及时发现问题并采取相应措施,以确保基坑施工的顺利进行。
基坑支护监测的主要内容包括以下几个方面:1. 地质勘测:在进行基坑支护工程之前,需要进行地质勘测,以确定地层情况、地下水位和土壤背景。
地质勘测的结果将作为设计和施工的依据,并对基坑支护监测的后续工作提供有价值的参考。
2. 监测点布置:基坑支护监测需要在基坑周围设置一定数量的监测点,通过监测点来收集基坑工程施工过程中的相关数据信息。
监测点的布置应该根据具体情况确定,通常包括地下水位监测井、沉降点、支撑轴力、变形测点等,以全面了解基坑支护工程的动态变化。
3. 监测设备选择:根据监测要求和具体条件,选择适当的监测设备和仪器。
常用的监测设备包括沉降测量仪、支撑轴力测量仪、倾斜仪、位移传感器等。
这些设备能够实时地采集和记录地下水位、地表沉降、支撑轴力、变形等数据,为研究基坑支护工程的安全性提供重要依据。
4. 监测数据的分析和处理:监测过程中获取的数据需要进行及时的分析和处理,以便及时发现问题并采取相应的措施。
对监测数据进行统计、分析,通过绘制曲线、制作图表等方式展示监测数据的变化趋势,以便工程师和相关人员全面了解基坑支护工程的运行情况。
5. 监测报告编制:根据监测数据的分析结果,编制监测报告,详细记录监测结果和发现的问题,并提出建议和措施以解决问题。
监测报告应包括基础数据、监测过程中的记录、数据处理和分析结果,以及监测结论和建议等内容。
基坑支护监测是基坑工程中不可或缺的环节,它可以及时发现和解决工程施工过程中的安全隐患,保证基坑支护工程的质量和安全。
通过科学合理的监测布点和监测设备的选择,以及数据的准确分析和处理,可以为工程师和施工人员提供科学的依据,保障基坑施工的安全与顺利进行。
基坑施工监测项目内容1、基坑的监测应根据工程特点、监测项目控制值、当地施工经验等确定监测预警等级和预警标准。
支护结构监测项目控制值应根据工程监测等级、支护结构特点及设计计算结果等进行确定。
周边环境监测项目控制值应根据环境对象的类型与特点、结构形式、变形特征、已有变形、正常使用条件及国家现行有关标准的规定,并结合环境对象的重要性、易损性及相关单位的要求等进行确定。
对重要的、特殊的或风险等级较高的环境对象的监测项目控制值,应在现状调查与监测的基础上,通过分析计算或专项评估加以确定。
基坑工程监测项目见下表。
表基坑工程监测项目2、当开挖基坑为以下情况时,需实施基坑监测:①基坑设计安全等级为一、二级的基坑。
②开挖深度大于或等于5m的下列基坑:土质基坑、极软岩基坑、破碎的软岩基坑、极破碎的岩体基坑;上部为土体,下部为极软岩、破碎的软岩、极破碎的岩体构成的土岩组合基坑。
③开挖深度小于5m但现场地质情况和周围环境较复杂的基坑。
3、基坑工程施工前,由建设方委托具备相应资质的第三方对基坑工程实施现场监测。
监测单位编制监测方案,并经建设方、设计方等认可,必要时与基坑周边环境涉及的有关管理单位协商一致后方可实施。
4、基坑工程监测范围根据基坑设计深度、地质条件、周边环境情况以及支护结构类型、施工工法等综合确定;采用施工降水时,需考虑降水及地面沉降的影响范围;采用爆破开挖时,爆破振动的监测范围应根据《爆破安全规程》GB 6722—2014(经2016 年修订)的相关规定结合工程实际情况,通过爆破试验确定。
5、现场监测对象包括:支护结构;基坑及周围岩土体;地下水;周边环境中的被保护对象(包括周边建筑、管线、轨道交通、铁路及重要的道路等);其他应监测的对象等。
6、基坑变形监测周期应根据施工进程确定;当开挖速度或降水速度加快引起变形速率增大时,应增加观测次数;当变形量接近预警值或有事故征兆时,应持续观测。
7、当下列基坑工程的监测变形量接近预警值时,需进行专项论证:①邻近重要建筑、设施、管线等破坏后果很严重的基坑工程。
基坑监测方案基坑监测方案。
一、基坑安全自查的项目1、支护结构监测2341保证每2在支护结构内埋设带导槽PVC塑料管,以跟踪支护结构位移。
选择在可能产生较大变形的部位,共布设9孔(C1~C9),深度同桩墙深。
为保证成孔率,另布置3个备用孔(C10~C12),共计12孔。
PVC塑料管外径70mm,所有测斜管埋设中,测斜管的导槽必须垂直于基坑边。
先行埋设的测斜管用细铁丝按导槽方向固定在钢筋笼上。
埋设于检查孔的测斜管需用干燥黄砂密实测斜管与钢管内壁间的空隙。
3、支护结构钢筋应力监测在支护结构内布设钢筋应力测点,共布设10个断面,即G1~G10,每断面在迎土、迎坑面各埋设一个钢筋应变计;根据本工程的设计方案,自支护结构钢筋笼顶端向下5m布设1只应力计,钢筋笼底端向上也按5m距离布设一只,另六只以2.5m间距均布,这样每个应力测孔共16只应力计。
这样在支护结构内共布设160只应力计,4;第三。
每55点60只应6在立柱桩中选择2根立柱布点(N1~N2),在其底部布置钢筋应力计,以测定其受力情况。
在立柱底部的钢筋笼中的下端布置一组(3只,以800对称布置)的钢筋应力计,应力计与钢筋笼绑焊,导线通过PVC软管引至地面。
每立柱布置3只,共计6只钢筋应力计。
7、坑内、外地下水位监测坑内水位的监测主要利用停止降水的降水井轮流观测。
坑外设9个测孔D1~D9;采用钻机埋设53mm的PVC管。
参见附图12-1。
8、立柱沉降监测布设L1~L10共计10个监测点,点位用一金属标志头埋设于立柱顶部。
9、基坑周围原有建筑物及道路管线的沉降监测101根据设计要求,为保证基坑开挖、基坑周边构筑物、结构施工安全,基坑施工应与现场实时监测相结合,根据现场所得的信息进行分析,及时反馈并通知有关人员,以便及时调整设计、改进施工方法,达到动态设计与信息化施工的目的。
基坑开挖期间土方每开挖一步进行一次观测,每道支撑施工前后各进行一次观测,其他时段每3~5天测一次。
一、招标公告根据国家有关法律法规和相关规定,现将本项目基坑支护监测招标事宜公告如下:项目名称:XX工程项目基坑支护监测项目地点:XX市XX区XX街道XX号项目业主:XX房地产开发有限公司招标单位:XX建筑工程有限公司招标内容:本项目基坑支护监测服务的采购,包括但不限于现场监测、数据分析、监测报告编制等。
招标方式:公开招标招标时间:自公告之日起至2023年X月X日投标截止时间:2023年X月X日投标地点:XX市XX区XX街道XX号XX建筑工程有限公司招标办公室二、投标人资格要求1. 具有独立法人资格,注册资金不少于人民币500万元;2. 具有建设行政主管部门核发的测绘资质证书,并具备相应等级的基坑监测资质;3. 具有良好的商业信誉和健全的财务会计制度;4. 具有类似项目经验,并在近三年内完成过2个以上类似规模的基坑支护监测项目;5. 具有完善的监测设备和技术人员,能够满足本项目需求;6. 投标人不得存在被责令停业、投标资格被取消或者财产被接管、冻结等情况。
三、投标文件要求1. 投标人应按照招标文件的要求,编制投标文件,包括但不限于以下内容:(1)投标函;(2)法定代表人身份证明或授权委托书;(3)企业法人营业执照副本;(4)测绘资质证书副本;(5)类似项目业绩证明材料;(6)公司简介及组织机构;(7)项目实施计划及人员配备;(8)设备清单及检测报告;(9)报价单;(10)其他证明材料。
2. 投标文件应密封并加盖公章,封面注明“XX工程项目基坑支护监测投标文件”。
四、招标程序1. 招标人组织成立评标委员会,对投标文件进行审查;2. 评标委员会对投标文件进行评分,根据评分结果确定中标候选人;3. 招标人向中标候选人发出中标通知书;4. 中标候选人与招标人签订合同。
五、招标文件的获取有意向的投标人可于2023年X月X日至2023年X月X日,每日上午9:00至11:30,下午14:00至17:00(北京时间),到XX市XX区XX街道XX号XX建筑工程有限公司招标办公室购买招标文件。
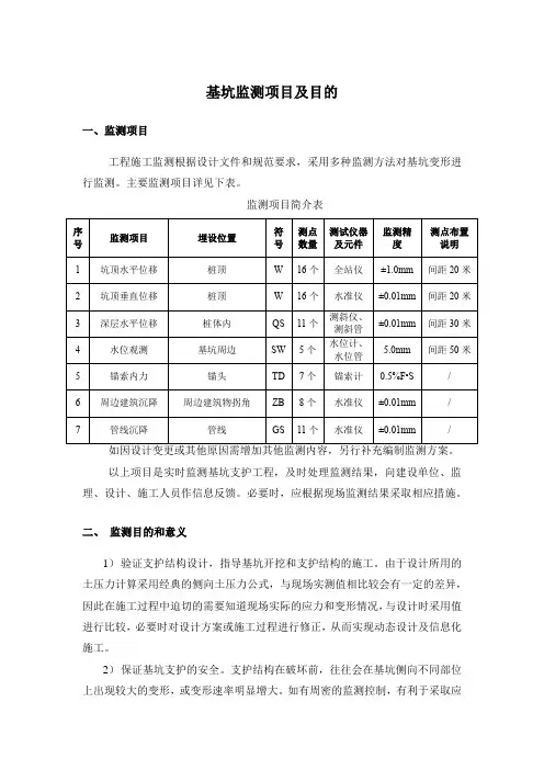
基坑监测项目及目的
一、监测项目
工程施工监测根据设计文件和规范要求,采用多种监测方法对基坑变形进行监测。
主要监测项目详见下表。
监测项目简介表
以上项目是实时监测基坑支护工程,及时处理监测结果,向建设单位、监理、设计、施工人员作信息反馈。
必要时,应根据现场监测结果采取相应措施。
二、监测目的和意义
1)验证支护结构设计,指导基坑开挖和支护结构的施工。
由于设计所用的土压力计算采用经典的侧向土压力公式,与现场实测值相比较会有一定的差异,因此在施工过程中迫切的需要知道现场实际的应力和变形情况,与设计时采用值进行比较,必要时对设计方案或施工过程进行修正,从而实现动态设计及信息化施工。
2)保证基坑支护的安全。
支护结构在破坏前,往往会在基坑侧向不同部位上出现较大的变形,或变形速率明显增大。
如有周密的监测控制,有利于采取应
急措施,在很大程度上避免或减轻破坏的后果。
3)总结工程经验,为完善设计提供依据。
积累区域性设计、施工、监测的经验。
4)为了实施对建筑物施工过程的动态控制,掌握地层、地下水、围护结构与支撑体系的状态,及施工对既有建筑物的影响,必须进行现场监控量测。
通过对量测数据的整理和分析,及时确定相应的施工措施,确保施工工期和既有建筑的安全。
5)为隐蔽工程的工程质量、施工期间及运行初期的工程安全提供必要的评估资料。
6)为工程诉讼提供依据。
基坑支护工程监测方案一、基坑支护工程监测方案1.监测目的(1)监测基坑开挖过程中的变形情况,及时发现并处理可能存在的变形加剧或者失稳的情况。
(2)监测基坑支护结构的施工质量,及时发现并处理支护结构的裂缝、位移等问题。
(3)监测基坑开挖和支护过程中的地下水位变化情况,确保地下水位对支护结构的影响在合理范围内。
(4)监测基坑支护工程对周边建筑物、管线等的影响,确保不会对周边环境造成负面影响。
2.监测内容(1)基坑开挖过程的变形监测,包括土体沉降、支护结构位移、裂缝变化等情况。
(2)基坑支护结构施工过程的监测,包括混凝土浇筑质量、支护结构内力变化、裂缝情况等。
(3)地下水位监测,主要是为了了解地下水位的变化情况,及时调整排水和抗渗措施。
(4)周边建筑物、管线等的影响监测,主要是为了了解基坑支护工程对周边环境的影响情况。
3.监测方法(1)基坑开挖过程的变形监测,可以采用测量仪器进行实时监测,如全站仪、测斜仪、倾角仪等。
(2)基坑支护结构施工过程的监测,可以采用超声波检测仪、裂缝位移计等仪器进行实时监测。
(3)地下水位监测,可以采用水位计进行实时监测。
(4)周边建筑物、管线等的影响监测,可以采用激光测距仪、地震波等仪器进行实时监测。
4.监测频率(1)基坑开挖过程的变形监测,每天至少进行一次监测,发现异常情况要及时处理。
(2)基坑支护结构施工过程的监测,根据施工进度和情况进行不定期监测,发现问题及时处理。
(3)地下水位监测,每天至少进行一次监测,根据地下水位变化情况适时调整排水和抗渗措施。
(4)周边建筑物、管线等的影响监测,根据实际情况进行不定期监测,及时发现问题并处理。
二、监测结果处理1.监测结果的处理(1)基坑开挖过程的变形监测结果要及时分析,如发现异常情况要立即停止开挖,并做好防护措施。
(2)基坑支护结构施工过程的监测结果要及时分析,如发现支护结构存在问题要及时调整施工方案,并进行补救措施。
(3)地下水位监测结果要及时分析,根据地下水位变化情况适时调整排水和抗渗措施。
基坑支护监测方案基坑是指建筑施工过程中需要挖掘的大面积或深度较大的坑洞,在城市建设中广泛应用于地下室、地下停车场、地铁等工程建设中。
基坑的支护是确保施工安全和周围环境稳定的重要措施之一、而监测基坑支护的方案则是在施工过程中对支护工程进行实时监测,及时发现并修复问题,以确保工程的稳定性和安全性。
本文将介绍一个基坑支护监测方案。
一、监测内容1.地表沉降监测:通过安装沉降观测点,测量地表沉降情况,及时发现和掌握地表沉降变化的趋势和速度,以判断基坑支护工程是否存在变形和下沉情况。
2.周边建筑物位移监测:通过设置位移观测点,监测周边建筑物的位移情况,及时发现和掌握周边建筑物变位的情况,以评估基坑施工对周边建筑物的影响程度。
3.土体应力监测:通过在基坑周边和支护结构上设置应变计和应变片,实时监测土体的应力分布情况,了解土体的变形和变位情况。
4.土体测斜监测:通过设置测斜孔和监测测斜仪,监测土体的倾斜情况,及时发现和掌握土体的变形和位移情况,以评估基坑支护结构的稳定性。
5.土体水位监测:通过在基坑周边设置水位观测点,监测地下水位的变化情况,及时发现和掌握地下水位的涨落情况,以评估基坑支护结构对地下水位的影响程度。
二、监测方法1.建立监测体系:根据实际情况,确定监测点的位置和数量,合理布设监测设备,建立监测点的坐标系和标注体系,确保监测的准确性和可靠性。
2.监测设备选择:选择适合的监测设备和仪器,包括位移仪器、应变仪器、测斜仪器、水位仪器等,保证监测数据的精确性和稳定性。
3.数据采集与处理:设立数据采集终端和服务器,实现实时数据采集、传输和存储,建立数据处理平台,对监测数据进行分析和评估,及时发现异常情况并采取相应的应对措施。
4.预警机制与措施:根据监测数据的变化趋势和阈值,设置相应的预警机制,建立监测数据与预警信号的关联模型,一旦出现预警信号,及时启动应急预案,采取相应的支护修补措施,以确保施工安全。
三、监测频率与报告1.监测频率:根据具体工程的要求和施工进度,制定监测频率,一般为每周或每月进行一次,实时监测的数据可随时查看。
地下室开挖基坑支护监测方案一、项目背景与目标二、监测内容与方法1.监测内容(1)地下水位监测:在开挖基坑前后,通过井点和水位计等设备对基坑周边地下水位进行连续监测,以及记录相应的变化情况。
(2)周边建筑物变位监测:在基坑开挖过程中,对周边建筑物进行水平位移和竖向位移的监测,以及记录相应的变化情况。
(3)基坑支撑结构变形监测:对基坑支撑结构进行水平位移、竖向位移、沉降等变形的监测,以及记录相应的变化情况。
2.监测方法(1)地下水位监测:选择适当数量的井点,在基坑周边布设水位计,连续监测地下水位的变化情况。
同时,记录天气、降雨等外部因素的变化情况,以便分析地下水位变化的原因。
(2)周边建筑物变位监测:通过激光测距仪、测斜仪、水准仪等设备,对周边建筑物进行水平位移和竖向位移的监测。
监测频率应根据实际情况确定,一般为每天一次或每周一次。
(3)基坑支撑结构变形监测:通过激光测距仪、全站仪、沉降标测等设备,对基坑支撑结构进行水平位移、竖向位移、沉降等变形的监测。
监测频率应根据实际情况确定,一般为每天一次或每周一次。
三、监测数据处理与分析1.监测数据处理(1) 地下水位数据处理:监测得到的地下水位数据应及时导入电脑,进行处理和分析。
具体的处理方法可以采用Excel或专业的数据处理软件进行。
(2) 周边建筑物变位数据处理:监测得到的周边建筑物变位数据应及时导入电脑,进行处理和分析。
具体的处理方法可以采用Excel或专业的数据处理软件进行。
(3) 基坑支撑结构变形数据处理:监测得到的基坑支撑结构变形数据应及时导入电脑,进行处理和分析。
具体的处理方法可以采用Excel或专业的数据处理软件进行。
2.监测数据分析(1)地下水位数据分析:通过对地下水位数据进行分析,判断基坑周边水文地质情况是否有变化,并结合实际情况评估地下水位对基坑支撑结构的影响。
(2)建筑物变位数据分析:通过对建筑物变位数据进行分析,判断基坑开挖对周边建筑物的变形情况,并及时采取相应的措施进行调整和修复。
基坑工程监测内容及方法介绍基坑工程监测内容及方法介绍基坑支护设计目前还没有成熟的方法可以计算基坑周围的土体变化,而基坑支护结构在基坑开挖过程中若发生破坏后果非常严重,因此在施工过程中通过对基坑的变形观测指导基坑开挖和支护,对基坑的安全施工有重要意义。
1 基坑施工监测的内容及特点1.1 基坑支护监测的内容有1.1.1 水平位移监测,目的是监测基坑边壁的水平变形量、变形速率信息1.1.2 竖向位移监测,目的是监测基坑围护墙顶、墙后地表与立柱的竖向位移信息1.1.3 深层水平位移监测,目的是监测围护墙体或基坑周围土体的深层水平位移信息1.1.4 倾斜监测,目的是监测建筑物倾斜度、倾斜方向和倾斜速率信息1.1.5 裂缝监测,目的是监测裂缝的位置、走向、长度、宽度及变化程度此外还有支护结构内力监测、土压力监测、孔隙水压力监测、地下水位监测、锚杆拉力监测1.2 基坑施工监测的特点1.2.1 时效性基坑监测是配合降水和开挖过程,有鲜明的时间性,测量结果是动态变化的,因此深基坑施工中监测需随时进行,通常是1次/d,在测量对象变化快的关键时期,可能每天需进行数次。
基坑监测的时效性要求对应的方法和设备具有采集数据快、全天候工作的能力,甚至适应夜晚或大雾天气等严酷的环境条件。
1.2.2 高精度在施工中,基坑变形速率可能在0.1mm/d以下,要测这样的变形精度,常用测量方法和仪器部不能胜任,因此基坑施工中的测量通常采用特殊的高精度仪器。
1.2.3 等精度基坑施工中的监测通常只要求测得相对变化值,而不要求测量绝对值。
例如,普通测量要求将建筑物在地面定位,这是一个绝对量坐标及高程的测量,而在基坑边壁变形测量中,只要求测定边壁相对于原来基准位置的位移即可,而边壁原来的位置(坐标及高程)可能完全不需要知道。
由于这个鲜明的特点,使得深基坑施工监测有其自身规律。
例如,普通水准测量要求前后视距相等,以清除地球曲率、大气折光、水准仪视准轴与水准管轴不平行等项误差,但在基坑监测中,受环境条件的限制,前后视距可能根本无法相等。
基坑支护监测方案一、前言基坑工程是现代城市发展的必要工程之一。
但是,基坑在挖掘过程中,坑壁的支护架设问题是一个不可回避的难点。
基于此,对基坑支护工程的监测体系的建立和运行至关重要。
监测数据可以及时反馈基坑工程的变化情况,及早发现问题和隐患。
本文旨在探讨基坑支护监测方案。
二、监测目标基坑支护监测的主要目标是检测工程施工阶段和使用过程中的变形、裂隙、渗流、沉降等情况,及时发现基坑支护工程中存在的问题,以提供实时监控数据和合理管理方案,确保基坑工程的安全稳定。
三、监测内容基坑支护监测包括土体的变形、沉降、倾斜、裂缝、地下水位、地下水承压力、渗流等方面的监测。
1. 土体变形监测在基坑工程施工期间,对周边建筑物、路基、地下管线等进行变形监测,也可以对基坑内部土体变形进行监测。
使用关键点测量法和导线测量法联合进行。
2. 土体沉降监测使用测距仪、水准仪等工具,在开挖前、挖土过程中和结束后的不同时间段进行测量,及时反馈土体沉降的情况。
3. 土体倾斜监测使用磁测倾斜仪、电子水准仪、倾斜仪等工具进行倾斜监测,检测基坑周边可能受影响的建筑物、工地及地下设施倾斜情况,并进行动态监测。
4. 基坑支护结构变形监测使用测点设备在支护结构重要点位上进行测量及记录,监测支护结构的受力情况,及时发现问题。
5. 基坑支护结构变形缝隙监测对支护结构变形缝隙进行检测监测,能够及时反映支护结构的运行状况。
6. 基坑支护结构钢筋应力监测通过安装应力传感器或测力盒来实现钢筋应力的长期监测。
7. 地下水位监测安装地下水位监测井,监测井深度等要与基坑相同,记录地下水位的高度、变化情况,检测水流方向和水流速度。
8. 地下水承压力监测在基坑支护结构底部设定地下水压力计,观测地下水承压力的变化情况。
9. 渗流监测通过渗透流量计监测地下水的渗流量,对渗透量进行时间序列分析,预测地下水的进入量和基坑的稳定性。
四、监测频率监测需要设置监测周期,根据建筑物、盖板、围护结构和泵站的不同,进行不同的监测时间和监测频率。
基坑支护监测的内容基坑支护监测是建筑工程中的一项必要措施,其主要目的是确保基坑支护的安全、有效和可靠。
基坑是指建筑物或其他工程结构的地下空间,是建筑工程中最基本的组成部分之一。
基坑支护监测的内容包括基坑支护结构的安全稳定性监测、土体变形监测、地下水位监测等,下面将对其具体内容进行详细介绍。
1. 基坑支护结构的安全稳定性监测:基坑一般由支撑结构和周边的土体构成,支撑结构主要包括支撑桩、支撑梁、支撑墙等。
监测支撑结构的安全稳定性是基坑支护监测的重要内容之一。
对于支撑桩的监测一般采用静载试验,在试验过程中检测支撑桩的承载能力以及变形情况;对于支撑梁的监测一般是采用夯实法进行,以检测其强度和变形情况;对于支撑墙的监测一般采用倾覆试验,以检测其倾斜和倒塌的情况等。
2. 土体变形监测:在基坑挖掘过程中,周边土体受到了不同程度的扰动,形成了变形和沉降等现象。
因此,监测周边土体的变形情况是基坑支护监测的重要内容之一。
监测方法主要包括几何测量法、水准测量法、GPS法等。
在实际工程中,可以根据具体情况选择合适的监测方法。
在进行土体变形监测时,应注意设置监测点的数量和位置,以保证监测数据的有效性和准确性。
3. 地下水位监测:地下水位对于基坑支护的稳定性非常关键。
在基坑挖掘过程中,地下水位的变化可能会影响周边土体的稳定性,因此,需要对地下水位进行监测。
地下水位监测的方法主要包括钻孔监测法、水文观测法、地下水位计监测法等。
监测时应注意监测点的数量和监测频率,以及监测数据的准确性和可靠性。
综上所述,基坑支护监测的内容包括基坑支护结构的安全稳定性监测、土体变形监测、地下水位监测等。
在实际工程中,应根据具体情况选择合适的监测方法,并注意监测数据的准确性和可靠性。
只有对基坑支护进行严谨有效的监测,才能保证基坑支护的安全、有效和可靠。
地下建(构)基坑支护结构主要监测内容
地下建(构)基坑支护结构监测工作的前提是要了解现场结构的相关信息,并在施工前提前部署传感器设备,以方便在基坑开挖过程中进行实时在线监测,地下建(构)基坑支护结构监测的主要内容:
1.周边地下管线监测:可采用动力水准仪或静力水准仪监测基坑周边地下管线的相对沉降位移变量。
2.周边建筑物及地表沉降:可采用静力水准仪、倾角传感器、裂缝计等分别监测基坑周边原有建筑物因开挖而引起的沉降、倾斜及裂缝等受损程度。
3.支护结构沉降监测:利用静力水准仪监测支护结构物垂直位移的变形情况。
4.土体内部位移监测:采用自动化测斜仪监测围护墙体或基坑周围土体的深层位移数据
5.支护结构内力监测:支护结构内力可采用预埋在结构内部或表面的应变计监测。
6.支撑梁轴力监测:采用轴力计监测基坑在施工过程中支撑梁轴力的变化,避免支承轴力超过设计强度导致支撑破坏引起支护体系失稳。
当使用钢筋束时,采用钢筋计监测每根钢筋的受力。
7.土压力监测:采用土压力盒监测基坑土体内部压力变化情况。
8.地下水位监测:采用投入式水位计监测基坑外地下水位的变化情况。
9.孔隙水压力监测:采用渗压计实时监测基坑土体内部孔隙水压力。
10.裂缝监测:采用裂缝计监测基坑周边裂缝的位置、走向、长度、宽度,必要时应监测裂缝深度。
1、基坑侧壁安全等级的划分
注:有特殊要求的建筑基坑侧壁安全等级可根据具体情况另行确定;r0指重要性系数。
支护结构设计应考虑其结构水平变形、地下水的变化对周边环境的水平与竖向变形的影响,对于安全等级为一级和对周边环境变形有限定要求的二级建筑基坑侧壁,应根据周边环境的重要性、对变形的适应能力及土的性质等因素确定支护结构的水平变形限值。
2、基坑支护变形监测的要求
(1)监测点的布置应满足监控要求,从基坑边缘以外1~2 倍开挖深度范围内的需要保护物体均应作为监控对象。
(2)基坑工程监测项目可按下表选择
基坑工程监测项目表
(3)位移观测基准点数量不少于两点,且应设在影响范围以外。
(4)监测项目在基坑开挖前应测得初始值,且不应少于两次。
(5)基坑监测项目的监控报警值应根据监测对象的有关规范及支护结构设计要求确定。
(6)各项监测的时间间隔可根据施工进程确定。
当变形超过有关标准或监测结果变化速率较大时,应加密观测次数。
当有事故征兆时,应连续监测。