沉箱预制方案.
- 格式:doc
- 大小:71.50 KB
- 文档页数:9
预制沉箱方案1. 引言预制沉箱是一种在水下运输和保护重型设备和结构的常用方法。
它通过使用预制的钢箱,将设备或结构放置在箱子内,在水下将其沉没到指定的位置。
预制沉箱具有操作简便、施工周期短等优点,因此在海洋工程和水下施工中得到广泛应用。
本文档将介绍预制沉箱的设计方案和施工流程。
2. 设计方案2.1 沉箱材料预制沉箱通常采用高强度钢材作为主要材料,以保证其在水下环境中的耐久性和强度要求。
钢材的选择应考虑箱体的重量、强度和成本等因素。
常见的沉箱材料包括Q345C、Q390C等高强度结构钢,其具有良好的耐腐蚀性和机械性能。
2.2 沉箱尺寸沉箱的尺寸需要根据具体的设备或结构进行设计。
一般而言,沉箱的长度要能容纳设备或结构的长度,宽度要保证设备或结构能够稳定放置,高度要满足设备或结构在沉没过程中的要求。
此外,沉箱还需要考虑浮力、稳定性和阻力等因素,以确保在沉没过程中的平稳性和安全性。
2.3 沉箱密封性沉箱的密封性是确保设备或结构在水下运输和保护过程中不受外界环境影响的重要因素。
沉箱的密封性设计应考虑水密性、气密性和防腐性等方面的要求。
常见的密封方式包括焊接和密封胶等。
3. 施工流程3.1 准备工作在进行预制沉箱施工之前,需要进行充分的准备工作,包括设计方案的制定、材料的采购、设备的准备等。
根据具体情况,可能还需要进行一些必要的试验和检测。
3.2 制作沉箱根据设计方案,将采购的高强度钢材进行切割、焊接和打磨等工艺,制作沉箱的主体结构。
同时,还需安装好沉箱的密封件和固定装置。
3.3 完成沉箱测试制作完成后,需对沉箱进行严格的测试和检测,以确保其满足设计要求。
测试内容包括沉箱的浮力测试、密封性测试和承载能力测试等。
3.4 运输和沉没完成沉箱测试后,可以进行运输和沉没的工作。
在运输时,需要选择合适的交通工具和运输方案,确保沉箱的安全运输到指定位置。
在沉没过程中,需要结合具体情况控制沉箱的下沉速度和水平度,以确保设备或结构的安全。
目录1.编制依据 (1)2.工程概况 (1)3.工程特点分析 (1)4.工程的质量目标 (2)5.施工方法 (2)6.施工进度计划 (14)7.施工总平面布置 (14)8.现场组织机构及质量保证体系 (15)9.质量保证技术措施 (15)10.机械设备及电力保证措施 (16)11.附件 (17)**************沉箱预制施工方案1.编制依据:1.1**************主体工程施工图及有关修改通知。
1.2水运工程混凝土施工规范(JTJ268—96)1.3港口工程质量检验评定标准(JTJ221—98)2.工程概况:本施工组织设计编制范围**********************沉箱预制部分,本工程共需沉箱28个,其中D型沉箱5个,E型沉箱22个,其余1个沉箱类型未定。
沉箱后墙外部及沉箱前墙内部均有宽2m牛腿,下表为沉箱主要尺寸及主要工程量:沉箱预制采用分层预制的方法,分层高度见下表:工程沉箱为钢筋混凝土结构,D型沉箱分为五次浇注完成,E型沉箱分6次浇注完成。
D型沉箱在*******1#台座预制,E型沉箱在2#台座完成,全部沉箱用浮船坞出运。
此沉箱预制工程量大,施工周期短,同时浮船坞要负责三个工程的沉箱出运,这就要求施工安排要紧凑,因此合理安排施工是重点。
施工现场的模板数量及起重设备选型、合理利用是保证工期的关键,根据施工现场的条件,经综合考虑,模板采用大片模板、整体支拆,采用3台塔吊(必要时辅助1辆轮胎吊),确保工程的顺利进行。
4.工程的质量目标:本局的质量方针是——质量是本局的生命,优良的质量是全局职工永恒的追求。
5.施工方法:5.1工艺综述沉箱预制采用水平分层的施工方法。
模板采用定型组合钢模板,外模大片吊装,内模整体抽芯;钢筋以现场绑扎和预绑网片相结合;砼由拌和楼集中拌和,砼搅拌车水平运输,泵车泵送和塔吊吊罐入模工艺。
沉箱出运采用500t千斤顶组顶升沉箱使之坐于撬车上,顶推器顶推撬车上浮船坞,再将沉箱运至安装现场。
沉箱预制专项施工方案一、项目背景随着城市建设规模的不断扩大,沉箱预制技术在地铁、桥梁等工程中的应用日益普遍。
沉箱预制是指将桥梁、隧道等工程中需要使用的沉箱组件在工厂预制完成,然后运输到现场进行拼装安装的工艺方法。
本文旨在探讨沉箱预制专项施工方案,以确保工程施工顺利进行。
二、施工准备1. 施工前准备在进行沉箱预制施工前,需做好以下准备工作:•制定详细的施工计划和进度安排;•确定沉箱预制的设计图纸和相关技术资料;•准备好所需的原材料和设备。
2. 施工人员配备合理配置施工人员,包括生产现场的操作工人和技术人员,确保施工人员熟悉工艺流程和安全操作规范。
三、沉箱预制工艺流程1. 钢筋加工首先进行钢筋的加工,根据设计图纸要求进行切割、弯曲等处理。
2. 模具制作根据沉箱的设计要求,制作模具,保证沉箱的尺寸和形状准确。
3. 混凝土浇筑在制作好的模具中,进行混凝土的浇筑,确保混凝土的质量和强度。
4. 养护完成混凝土浇筑后,进行养护,确保混凝土的强度和稳定性。
四、沉箱运输及安装1. 运输将预制好的沉箱进行运输到施工现场,选择适当的运输工具和路线,避免发生变形或损坏。
2. 安装将沉箱按照设计图纸要求进行安装,采取合理的安装方法和工艺,确保沉箱的稳固性和密封性。
五、施工质量控制在沉箱预制施工过程中,应加强施工质量控制,包括对原材料的检验、工艺过程的监控以及成品的质量检测。
六、施工安全保障施工期间应严格遵守安全操作规程,配备必要的安全设施和器材,确保施工现场和工人的安全。
结语以上是关于沉箱预制专项施工方案的介绍,通过合理的施工准备、工艺流程和质量控制,可以提升沉箱预制施工效率和质量,促进工程的顺利进行。
沉箱预制方案1. 引言在现代建筑业中,沉箱预制技术被广泛应用于地下结构的建设和基础设施工程中。
这种技术通过将预先制造好的沉箱组件安装到基础坑内,能够提高施工效率、保证项目质量并降低项目成本。
本文将介绍沉箱预制方案的基本原理、优势和应用场景,并提供一些推荐实施步骤。
2. 沉箱预制方案的基本原理沉箱预制方案是一种通过工厂化生产沉箱模块并安装到基础坑内的施工方法。
在这种方案中,首先在工厂内生产沉箱模块,包括底板、墙板、顶板等组件。
然后,将这些组件运输到施工现场,并进行现场的组装和安装。
最后,通过与基础进行连接固定,完成沉箱的预制和安装过程。
3. 沉箱预制方案的优势沉箱预制方案具有以下几个显著的优势:3.1 提高施工效率:通过在工厂内进行预制,可以减少现场施工时间和人工成本。
工厂生产线的自动化程度高,能够更高效地完成沉箱模块的生产。
而现场施工过程则更加简化,只需要进行简单的组装和安装工作。
3.2 保证项目质量:由于沉箱模块在工厂内进行生产,可以更好地控制材料和工艺的质量。
工厂内的生产环境稳定,能够减少外界环境因素对施工质量的影响。
因此,沉箱预制方案能够更好地保证项目的质量。
3.3 降低项目成本:沉箱预制方案可以提高施工效率和项目质量,从而降低项目成本。
节约的人工和材料成本能够用于其他方面的投资,为项目的整体成本控制提供了支持。
4. 沉箱预制方案的应用场景沉箱预制方案适用于各种地下结构的建设和基础设施工程,包括地下车库、地下通道、地下管线等。
在这些工程中,需要对地下空间进行合理利用和布局,并且要求施工过程快速、质量可控。
沉箱预制方案正是满足这些需求的理想选择。
5. 沉箱预制方案的实施步骤下面是一些推荐的沉箱预制方案实施步骤:5.1 设计方案确定:根据项目需求和实际情况,确定合理的沉箱预制方案的设计方案。
这个过程需要考虑地下结构的功能、荷载要求、施工条件等因素。
5.2 沉箱模块生产:根据设计方案,在工厂内生产各种沉箱模块,包括底板、墙板、顶板等组件。
沉箱预制方案1. 简介沉箱预制即是将船舶甲板上需要装设设备和结构的预制部件事先制作好后,以集装箱形式进行运输,然后在目的港进行吊装和安装的一种装船方案。
沉箱预制方案相比于传统船舶建造工艺,具有工期短、质量可控、环境适应能力强等优势。
本文将介绍沉箱预制方案的工艺步骤、优势以及在船舶建造中的应用。
2. 工艺步骤沉箱预制方案主要包括设计、制作、运输和安装四个步骤。
2.1 设计在沉箱预制方案的设计阶段,需要考虑设备和结构的功能需求、空间布局以及材料的选择等因素。
设计人员需要根据船舶的特点和要求,制定相应的预制构件几何尺寸和强度要求。
此外,在设计过程中还需考虑预制部件的拼装和连接方式,以确保在安装时可以有效地组装在一起。
2.2 制作制作阶段是指在船舶建造厂里对预制构件进行加工和制作的过程。
制作过程可以分为如下几个步骤:•材料采购和准备:根据设计要求,采购相应的材料,并按照规定的尺寸进行切割和加工,以满足预制构件的要求。
•预制构件加工:对原材料进行加工,包括切割、钻孔、磨削等工序,以形成预制构件的各个部分。
•预制构件组装:将加工好的预制构件按照设计要求进行组装,采用焊接、螺栓连接等方式固定在一起,形成完整的预制构件。
完成预制构件的制作后,需要将其运输到目的港口,通常通过陆运或海运的方式进行。
如果预制构件尺寸较大或重量较重,通常会采用船运的方式进行运输。
在运输过程中,需要保证预制构件的完整性和稳定性,避免损坏或丢失。
2.4 安装预制构件到达目的港口后,将通过吊装等方式进行安装。
在安装过程中,需要根据设计要求和现场情况,进行预制构件的定位、固定和接口连接等工作。
同时,还需进行预制构件与船体其他部分的协调,以确保安装效果符合要求。
3.1 工期短相比于传统船舶建造方式,沉箱预制方案的工期更短。
预制构件在工厂内进行制作,可以与船舶的其他建造工作并行进行,有效缩短了工期,提高了生产效率。
3.2 质量可控预制构件在工厂内进行制作,工艺和质量可控。
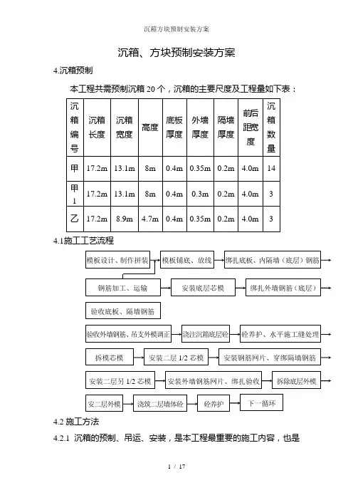
沉箱、方块预制安装方案4.沉箱预制本工程共需预制沉箱20个,沉箱的主要尺度及工程量如下表:4.1施工工艺流程4.2施工方法4.2.1沉箱的预制、吊运、安装,是本工程最重要的施工内容,也是本工程施工技术要求最高、施工难度相对最大的分部工程。
4.2.1.1沉箱的预制沉箱预制选用场内预制溜放下水的施工方案。
4.2.2模板工程4.2.2.1模板分层及套数模板采用大片钢模板钢桁架拼装,沉箱高7.5 m,7.0 m,4.7m,其中甲、甲1、甲2、甲3型沉箱分2层预制,乙型沉箱一次性完成。
模板分层高度及相应层砼方量如下表:根据工程进度计划安排,综合考虑流水作业和经济效益确定沉箱模板数量如下:4.2.2.2模板制作、加工模板采用定型组合钢模板拼装,按模板设计图纸要求进行制作加工。
a.底层模板:底部趾脚用δ6钢板焊成带压脚板的异型模板,上设一道水平桁架;外模按照不同型沉箱相同的箱格断面每4米一片,以便周转,配板采用定型组合钢模竖排、横围囹、竖桁架,模板上口设水平桁架一道,上铺δ2.5钢板做为操作平台。
外模底角通过锚栓固定,内外模之间上口通过拉条对拉。
b.上层模板:芯模采用定型组合钢模板、钢桁架结构,整个芯模由四片内模通过吊装架接成一个整体,整体支拆。
芯模上口设水平桁架,上面铺δ2.5钢板作为操作平台。
外模与底层对应分片,采用定型组合钢模板桁架结构,并设有上、下操作平台和栏杆。
内外模以及内模之间上口通过拉条对拉。
顶层加强角设特制模板。
4.2.2.3模板支立、拆卸模板拼装、拆卸在预制场由120T.M塔吊进行。
由于沉箱预制工序较多,钢筋绑扎和模板支拆需交叉作业,所以控制好流水节拍特别重要。
施工中需严格按拟定的程序进行。
a.底层模板底层模板支立工艺流程:①地模处理:选用5mm厚纤维板与胎座砼地坪接触,作为地胎模,其上再铺两层包装纸,纤维板可重复使用。
②芯模支立:芯模支立前先在拼装场组接,固定成型后,涂刷脱模剂,用塔吊吊装就位。
沉箱预制安全施工方案沉箱预制是一种常用于地下工程施工的方法,它可以提高施工效率,减少工期,并确保工程的安全性。
下面是一个针对沉箱预制安全施工方案的示例,包括施工前、施工中和施工后的具体措施。
一、施工前的准备工作:1.确定施工区域:在施工前,需要明确沉箱预制的施工区域,并进行必要的地质勘察和土壤测试,以确定地下环境的特点和承载力。
2.设计沉箱结构:根据地质条件和工程要求,设计合适的沉箱结构,并确保其满足相关的安全标准和规范要求。
3.制定施工计划:根据设计要求和工期限制,制定详细的施工计划,包括施工序列、施工步骤和关键节点等。
4.分析风险和采取措施:对施工过程中可能出现的风险进行分析,制定相应的应急措施,并提供必要的安全设备和防护措施。
二、施工中的安全措施:1.安装沉箱:在安装沉箱时,需要使用合适的吊装装置和专业人员,确保沉箱的准确定位和稳定安装。
2.加固沉箱:根据设计要求,对沉箱进行加固,包括设置支撑和加强构件等,以增加沉箱的稳定性和承载能力。
3.施工过程中的监测:在沉箱预制的整个施工过程中,需要进行定期的监测和检测,以确保沉箱的安全使用。
这包括对沉箱的位移、应力和变形等进行监测,及时处理异常情况。
4.施工期间的通风和排水:在沉箱预制的过程中,需要保证施工现场的通风和排水,以减轻施工人员的劳动强度,并确保施工区域的安全。
5.施工现场的管理:在施工现场,需要制定相应的管理制度,包括施工人员的安全教育、施工现场的防火和防尘措施等。
三、施工后的安全措施:1.完善施工记录:在沉箱预制施工结束后,需要做好相应的施工记录,包括施工过程中的问题和措施,以及施工后的质量验收等。
2.维护和保养沉箱:在沉箱预制结束后,需要对沉箱进行定期的维护和保养,包括清洁、防腐和检修等,以保证沉箱的使用寿命和安全性。
3.废弃物和废水的处理:在沉箱预制施工结束后,需要妥善处理废弃物和废水,确保环境的安全和卫生。
4.安全培训和总结:在沉箱预制施工结束后,可以进行相关的安全培训和总结,以提高施工人员的安全意识和施工质量。
沉箱预制方案1. 引言沉箱预制技术是一种在深水施工中常用的技术,它能够解决在深水施工中沉箱的制造和安装难题。
本文将介绍沉箱预制方案的背景、原理以及具体操作步骤。
2. 背景在海洋工程中,如海底隧道、桥梁、码头等的建设过程中,常常需要使用到沉箱。
沉箱是一个特殊的结构,用于在海底形成稳定的基础,作为承受结构和通道。
传统的沉箱制造和安装方式通常需要在现场进行,造成时间和经济成本的浪费。
因此,沉箱预制技术的出现能够极大地提高工程效率和质量。
3. 原理沉箱预制技术的基本原理是在陆地上进行沉箱的制造和预装备工作,然后将预制好的沉箱通过吊装或拖运等方式运送到目的地,在目的地进行下沉或固定。
主要步骤如下:1.设计阶段:根据实际工程要求,设计沉箱的尺寸、形状和材料等。
2.预制工作:在工程场地上建立预制作业场所,根据设计要求进行支撑结构的搭建,然后根据预制图纸进行沉箱的制造。
沉箱可以采用钢筋混凝土或预应力混凝土等材料进行制造。
实际情况,可以选择将沉箱直接下沉到海底,或使用桩基或其他方式将沉箱固定在海底。
4.后续工作:沉箱的下沉和固定后,还需要进行后续的工程施工,如填埋填筑和固定等。
4. 操作步骤以下是沉箱预制方案的具体操作步骤:1.确定预制场所:选择适合沉箱预制的区域,建立预制场地,并进行必要的平整和支撑工作。
2.制造预制模具:根据预制沉箱的尺寸和形状,制造预制模具。
预制模具需要具备足够的强度和稳定性,以确保预制沉箱的质量。
3.混凝土浇筑:根据设计要求,在预制模具内进行混凝土的浇筑。
需要确保混凝土的均匀浇筑,同时注意排除气泡和振实混凝土。
4.钢筋布置:在混凝土浇筑前或浇筑过程中,进行钢筋的布置。
钢筋的布置需要符合设计要求,以增加沉箱的强度和稳定性。
5.养护:混凝土浇筑后,进行适当的养护工作。
养护时间需要根据混凝土的硬化时间和环境条件来确定。
实际情况,选择合适的方式将沉箱下沉或固定在海底。
7.后续工程:沉箱下沉或固定后,进行后续工程施工,如填埋填筑和固定等。
沉箱预制施工方案一、项目概述沉箱(也称地下化粪池)是一种用于储存污水和污泥的地下设施,它一般采用预制构件的方式进行施工。
本方案旨在介绍沉箱预制施工的方法和步骤。
二、施工准备1.确定施工现场:根据设计要求确定施工现场,并清理现场上的杂物和障碍物。
2.准备施工材料和设备:准备所需的预制构件、混凝土、钢筋等材料,并配备相应的施工设备和机械。
三、沉箱预制构件制作1.配料:按照设计要求,将混凝土原材料进行配料,确保其质量和相应的强度等级。
2.预制构件模具准备:根据设计要求制作预制构件所需的模具,并对其进行检查和修整。
3.浇筑混凝土:将准备好的混凝土倒入模具中,采用振动等手段排除气泡,并平整表面。
4.养护:将浇注好的混凝土构件进行养护,以确保其强度和稳定性。
5.构件组装:将制作好的预制构件组装起来,并进行必要的连接和固定。
四、施工步骤1.沟槽开挖:根据设计要求进行沟槽的开挖,同时保证沟槽底部平整。
2.探测管道位置:在沟槽底部进行必要的探测,以确定管道的位置和高度。
3.管道安装:根据探测结果,安装好相应的进、出管道以及通风管道。
4.填充砂浆:在沟槽底部的管道周围填充砂浆,以增强其稳定性。
5.沉箱安装:将预制好的沉箱放入沟槽中,并进行水平调整和定位。
6.观测井施工:根据设计要求,在沉箱上方建造观测井,并进行必要的连接。
7.填充砂浆:在沉箱的周围填充砂浆,并进行必要的膨胀处理,以增强其密封性。
8.盖板安装:根据设计要求安装好沉箱的盖板,确保其能够承受相应的荷载和环境要求。
9.清理和收尾工作:清理施工现场,清除垃圾和余料,进行收尾工作。
五、施工注意事项1.施工前应严格按照设计要求进行设备和材料的选择和准备。
2.施工现场应保持整洁,确保施工按照计划进行。
3.施工过程中应注意安全,严格遵守相关的施工规范和操作规程。
4.严格控制混凝土的配比和施工质量,确保沉箱的强度和密封性能。
5.在沉箱施工过程中要注重保护环境,避免对周围的土壤和地表水等产生污染。
目录一、编制依据 (1)二、工程概况 (1)三、施工部署 (2)四、施工工艺流程 (4)五、施工前预备 (5)六、典型施工 (5)七、施工方法 (5)八、安全环保技术措施 (22)沉箱预制施工方案一、编制依据1、《水运工程质量检验标准》(JTS257—2008);2、《水运工程混凝土施工规范》(JTS202-2011);3、《钢筋焊接及验收规程》(JGJ18-2003);4、《建筑工程施工手册》;5、沉箱预制相关设计图纸;6、华能山东石岛湾核电厂大件设备运输码头工程施工组织设计。
二、工程概况1、工程概况华能山东石岛湾大件设备运输码头工程共预制沉箱29个,分为A、B、C、D、E五种结构型式,其中A型沉箱25个,其余沉箱各1个。
沉箱A和沉箱B平面尺寸为8500(长)×4900(宽)×6200(高)mm,顶面以下2.6m 范畴以内混凝土强度等级C35F300,其余为C35,单个沉箱体积A型69.2 m3和B型68.9m3;C型沉箱平面尺寸为14100mm(长)×11100mm(宽)×8200mm (高),单个沉箱体积281.3m3,顶面以下 2.7范畴以内混凝土强度等级C35F300,其余为C35; D沉箱和E沉箱平面尺寸为11700mm(长)×9900mm (宽)×6200mm(高),单个沉箱体积分别为189.8m3和194m3,顶面以下2.7范畴以内混凝土强度等级C35F300,其余为C35。
前期已预制完成A型沉箱16个,剩余A型沉箱9个、B、C、D、E型沉箱各1个。
所有沉箱均在现场预制场预制,预制场设置19个沉箱预制胎座,在预制现场设置1台16t龙门式起重机,所有沉箱均在龙门式起重机下预制完成。
2、工艺概述A、B、D、E型沉箱分两层预制完成,底层高为3.5m,顶层高为2.7m;C型沉箱分三层预制完成,底层高为3.5m,第二层高为2m,顶层高为2.7m。
一、概述1.1 工程概况工程拟建1个400m长LNG泊位(可靠泊舱容介于(8×104m3~16.5×104m3,远期21.5×104m3LNG船舶),343.32m连接LNG码头平台的栈桥,1座105m长工作船码头。
LNG码头与工作船码头都为重力式结构。
现浇混凝土以C45高性能混凝土为主。
LNG码头为墩式沉箱结构,沉箱有甲型、乙型、丙型三种型号共13件,甲型(靠船墩沉箱)有3件,乙型(系缆墩沉箱)有6件(设计修改为甲型),丙型(工作平台沉箱)有4件;其结构形式为0.7m高的正八棱柱底座、底座上部为φ12.5m米字型隔墙的圆筒结构。
工作船码头为岸壁式沉箱结构,沉箱有甲型、乙型两种型号共15件,其中甲型有7件(设计修改为乙型),乙型有8件。
由于小型方沉箱结构、模板设计、施工工艺相对比较简单常规,故本方案描述以大圆筒沉箱为主。
1.2 编制依据(1)交通部《水运工程混凝土施工规范》(JTJ268-96);(2)交通部《水运工程混凝土质量控制标准》(JTJ269-96);(3)交通部《水运工程混凝土试验规程》(JTJ270-98);(4)交通部《重力式码头设计与施工规范》(JTJ290-98);(5)交通部《海港工程混凝土结构防腐蚀技术规范》(JTJ275-2000);(6)交通部《港口工程质量检验评定标准》(JTJ221-98);(7)《港口工程质量检验评定标准》(JTJ221-98)局部修订;(8)相关图纸及文件。
二、施工工艺流程2.1 施工工艺(1)圆筒沉箱混凝土方量较大,连续浇筑施工强度大,为保证浇筑质量采用分层浇筑的施工方法进行预制。
根据沉箱结构形式及模板制作要求,接高段模板比混凝土分层长10cm,确定如下分层高度:LNG码头沉箱分层高度表(2)工作船码头沉箱采用整体浇筑的施工方法进行预制。
(3)模板采用钢板作板面,以型钢围令、钢桁架作为模板骨架,外模大片吊装,整体骨架固定面板进行,芯模支架加面模整体式装拆。
沉箱、卸荷板预制、专项施工方案一早起来,我就坐在电脑前,开始构思这个专项施工方案。
这次的任务是关于沉箱、卸荷板的预制和施工,我已经有了十年的方案写作经验,但每次面对新的项目,都像是打开了一扇新的大门。
我们得明确沉箱和卸荷板的概念。
沉箱,顾名思义,是一种可以沉入水底的箱子,用于水下工程的基础设施建设;卸荷板,则是用于减轻结构荷载的一种板状构件。
这两个元素在我们的施工方案中占据着举足轻重的地位。
1.施工前准备施工前,要进行现场踏勘,了解地形地貌、地下管线、交通状况等,为后续施工提供依据。
然后,组织施工队伍,进行技术交底和安全培训,确保每个施工人员都清楚自己的职责和施工要求。
2.沉箱预制沉箱预制是施工的第一步。
我们先要在工厂里制作好沉箱模板,模板要求尺寸精确,结构牢固。
就是钢筋绑扎,这个过程要严格按照设计图纸进行,不能有丝毫马虎。
然后是混凝土浇筑,浇筑过程中要保证混凝土的密实度,防止出现蜂窝、麻面等质量问题。
3.沉箱安装沉箱预制完成后,就要进行现场安装。
安装前,要对基础进行处理,确保基础平整、坚实。
然后,用吊车将沉箱吊装到位,进行调整,使其符合设计要求。
进行焊接固定,确保沉箱的稳定性。
4.卸荷板预制卸荷板的预制与沉箱类似,也要经过模板制作、钢筋绑扎、混凝土浇筑等环节。
不同的是,卸荷板预制时,要充分考虑其受力特点,确保板件的厚度、强度和稳定性。
5.卸荷板安装卸荷板预制完成后,要进行现场安装。
安装过程中,要注意调整板件的水平度,保证其与沉箱的连接牢固。
还要对卸荷板进行防腐蚀处理,提高其使用寿命。
6.施工过程中注意事项在施工过程中,要密切关注天气变化,避免在恶劣天气下进行高空作业。
同时,要加强对施工现场的安全管理,确保施工人员的人身安全。
另外,施工过程中,要严格按照设计图纸和施工方案进行,不得擅自改变施工方法。
7.施工后期验收施工完成后,要进行验收。
验收内容包括沉箱和卸荷板的安装质量、焊接质量、防腐蚀处理等。
长乐长屿陆岛交通码头沉箱预制安全专项施工方案编制人:审核人:批准人:日期:中交一航局第二工程有限公司长乐长屿陆岛交通码头工程项目经理部沉箱预制安全专项施工方案1编制原则和编制依据1.1编制原则1.1.1 遵守合同文件各项条款要求,全面响应合同文件,认真贯彻业主或监理工程师的指示、指令和要求。
1.1.2 严格遵守合同文件明确的设计规范、施工规范和安全技术要求。
1.1.3 坚持技术先进性、科学合理性、经济实用性、安全可靠性与实事求是相结合。
1.1.4 自始至终对施工现场坚持实施全员全方位、全过程严密监控、动静结合、科学管理的原则。
1.1.5 实施项目管理,通过对劳务、设备、材料、技术、资金、方案、信息、时间与空间的优化处理,实现成本、工期、质量、安全及社会效益。
1.2编制依据《港口工程施工手册》《建筑施工手册》(第四版)《钢结构设计规范》《混凝土结构设计规范》2、工程概况码头结构为重力式沉箱结构,沉箱分为2种型式:CX1、CX2,其中CX1型沉箱12个、CX2型沉箱4个,沉箱设计混凝土标号为C35,在预制时,沉箱前后壁设4个Ф220㎜吊孔;前后壁、格仓设Ф200㎜透水孔中心设在距沉箱底部1m处,沉箱内部回填中粗海沙,并用200mm碎石及100mmC15素混凝土封仓。
3、沉箱预制施工工艺4、安全保证措施4.1 预制场安全标示标牌(1) 预制场内醒目位置设工程公示牌、施工平面布置图、安全生产牌、消防保卫牌、管理人员名单及监督电话牌、文明施工牌等标示牌。
(2) 吊装作业区、安全通道设置禁止标志;预制场生产区域设置明显标示。
(3) 钢筋绑扎区在明显位置设置标识牌。
(4)正在使用的机械设备在醒目位置悬挂机械操作安全规定公示牌,易发生机械伤害的场、施工现场出入口设置禁止和警示标志。
4.2机械设备(1) 进场机械设备必须能满足工程质量和施工进度要求;安装调试简便,容易操作、维护方便,可靠性高,安全性能好;对环境不会造成污染和破坏,如油、声污染。
一工程概况
某码头工程共有10件沉箱,为钢筋混凝土结构。
预制场地设置在中级泊位预制场,该预制场曾经预制过码头大量的构件,完全可以胜任本工程构件的预制任务。
本工程沉箱共有2种型号:其中型一种共9件,每件沉箱混凝土方量为1175m3、重2938吨,此种沉箱外形尺寸为28.36m(包括前后沿底趾各1m)×13.5m×18.4m,共18个格,每格大小为4.13m ×4.10m;另一型共1件,混凝土方量为936.7m3、重2092吨,此种沉箱外形尺寸为19.76m(包括前后沿底趾各1m)×13.5m×18.4m,共12个格,每格大小为4.13m×4.10m。
二施工工艺流程
本工程10件沉箱施工均采用底趾部分为立模,箱壁及格墙为滑模的工艺进行预制,保证砼一次浇注成型。
其流程:
三各工序具体施工方法1、施工准备
经过测量场地尺寸及根据施工的情况,进行现场场地布置。
. .. . . .资料. ..
2、底模铺设
由于沉箱需要进行陆上搬运到浮船坞上进行海上运输到现场安装,根据陆上搬运采取气囊出运的工艺要求,沉箱采取在垫高32cm 的地台上预制。
3、钢筋加工、绑扎
⑴、钢筋加工:钢筋在钢筋加工场下料,弯曲成型,按规格、型号堆放整齐,并附上标识以防混乱。
⑵、钢筋绑扎
①、底板钢筋及箱壁、箱体第一层钢筋绑扎
绑扎顺序:底板下层钢筋上层钢筋箱体第一节钢筋
②、滑模钢筋绑扎
A、竖向钢筋接长
竖向钢筋总长达18.86米,拟分四节接长。
B、横向钢筋绑扎
整个施工过程,安排专人在竖向钢筋上画好横向(水平)钢筋的间距标记,横向钢筋绑扎在竖向钢筋外侧,位置对准间距标记,逐点绑扎,扎丝头用手按压向伸。
4、底板侧模安装
采用钢板、型钢由现场加工成块,门吊进行拼装,沉箱外侧底趾上面倾斜部分采取开仓式。
在底板及墙身第一段钢筋绑扎完成、并经监理验收合格后安装侧模。
6、砼浇筑
(1)砼配合比控制
在浇注沉箱前进行砼配合比设计及试配,选择最佳配合比,浇注时试验工现场值班监控,确保砼质量得到有效控制。
(2)砼拌和及运输
预制场备两台50立方/小时砼拌和系统供应砼,四台平板车水平运输,两台25t门式起重机垂直运输,水平运距为50—200米。
可以满足施工进度要求。
(3)前台砼浇注
①、底座砼浇筑。
浇注沉箱底板砼时,砼从滑升模板桁架间直接卸至仓,再用人工分灰浇注,沉箱前后趾砼则将砼卸到分灰钢板上,由人工铲入仓浇注。
②、浇注滑升模板的砼
底座砼浇注完后,及时在在滑升模板的箱格上安装平台板及分灰钢板。
砼卸在平台上的分灰板上,人工分浆入模,每个箱格两人分灰,一人振捣,分灰时注意不要把砼洒到模板外,分灰厚度按30cm /层控制。
浇注从各个角开始,如果天气炎热,首先浇注墙和较厚的墙,最后浇被太阳直射的墙,这样可使出模砼强度大致相同,分浆时各部分要均匀,振捣完一层后再分上一层砼。
振捣厚度为30cm /层(即插入2/3振动棒长度),振捣要密实均匀,不得碰到钢筋和模板。
7、初升
用贯入阻力仪对浇注滑升模板第一层的砼式样进行强度检测,当试件强度达到0.18mpa左右时,可进行初升。
8、正常滑升
初升后进入正常滑升阶段。
砼分灰控制在滑升模板上口以下10cm 左右。
要使各部分砼分灰均匀,大致在同一个平面上。
按顺序及时振捣,交接班时,振捣手在现场交接清楚。
防止漏振、过振。
⑴、滑升速度确定
支承杆无失稳可能的情况下,按混凝土的出模强度控制滑升速度:
V=(H-h-a)/T
⑵、砼表面抹面
砼表面抹面从初升时开始,采用原浆抹面,先用木灰刀粗抹,再用钢灰刀细抹,较粗糙的部位可加少量砂浆抹,要求抹平抹光,不得有凹凸不平,转角处要棱角分明,线条顺直,要二次抹面收光。
⑶、滑升模板水平控制
滑升过程中要对滑模模板进行调平,方法是在爬杆上每隔25cm 测量一组水平标高,卡上限位卡,每个千斤顶顶部到限位卡时限位调平。
⑷、出模砼养护
模板升到一定高度,底板以及墙体下部砼已经终凝,及时进行养护,防止表面开裂并保证砼强度。
⑸、沉箱顶面控制
滑模模板滑升到将近顶部时,测量人员要校核顶标高,并在爬杆上做好顶标高标志。
模板顶滑到顶标高时,暂停滑升,浇满砼。
抹面工找平顶部,有预埋外露钢筋的部位砼表面拉毛。
⑹、砼顶部二次振捣、二次抹面
顶部砼收水即将初凝时(一般在砼初凝时间的1/3—2/3)进行二次振捣、二次抹面,二次振捣振动棒从墙中插入。
9、末升
待拆模时滑空,末升时液压操作手要经常滑升过程中砼顶部有没有被拉裂,发现有被拉裂的趋向马上停止滑升,用钢板把该部位压密实,然后才继续滑升。
四机械、人员组织
1、施工机械组织
2、施工劳动力组织
劳动力组织是滑升模板施工成功的一个重要工作,为了确保典型施工顺利进行,在开工前对各种工种进行培训,先培训后上岗。
使参加施工的各个员工熟悉各自的工作容和各工种之间的协调一致。