格栅除污机安装检验批质量验收记录
- 格式:xls
- 大小:27.00 KB
- 文档页数:4
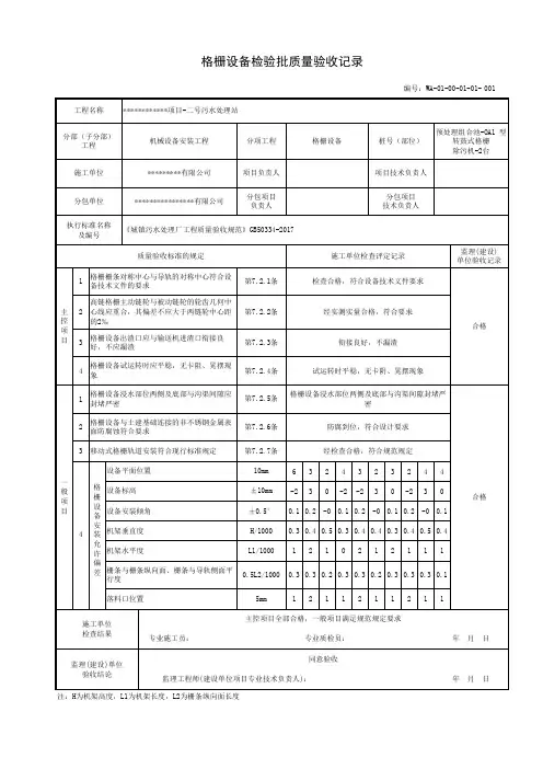
云南省市政基础设施工程格栅设备检验批质量验收记录C-06-01-01-001工程名称XXXXX分部工程名称机械设备安装工程施工单位项目经理分包单位分包单位项目经理检验批名称、部位格栅设备格柵设备施工执行标准名称及编号《城镇污水处理厂工程质量验收规范》 GB 50334-2017质量验收规范规定的检查项目及验收标准施工单位检查评定记录监理(建设)单位验收记录主控项目7.2.1格栅栅条对称中心与导轨的对称中心符合设备技术文件的要求7.2.2高链格栅主动链轮与被动链轮的轮齿几何中心线应重合,其偏差不应大于两链轮中心距的2‰7.2.3格栅设备出渣口应与输送机进渣口衔接良好,不应漏渣7.2.4格栅设备试运转时应平稳,无卡阻、晃摆现象一般项目1格栅设备浸水部位两侧及底部与沟渠间隙应封堵严密2格栅设备与土建基础连接的非不锈钢金属表面防腐蚀符合要求3移动式格栅轨道安装符合现行标准规定4格栅设备安装允许偏差(mm)设备平面位置10合格率设备标高±10合格率设备安装倾角±0.5°合格率机架垂直度H/1000合格率机架水平度L 1/1000合格率栅条与栅条纵向面、栅条与导轨侧面平行度0.5L 2/1000合格率落料口位置5合格率施工单位检查评定结果专业工长(施工员)施工班组长项目专业质量检查员:年 月 日监理(建设)单位验收结论专业监理工程师:年 月 日注:H为机架高度,L 1为机架长度,L 2为栅条纵向面长度。
筑业软件 4853525551484954。
工程设施安装查收记录工程名称:日期:序项目质量要求项目负责人号复检结果自检结果管道基础的高程和固定支架的安装地点应切合设计要求管道安装的接口以及和阀门的连结一定坚固严实闸、阀启闭时应知足在工作压力下无泄露管道焊缝应饱满,表面平坦。
不得有裂纹、烧伤、结瘤等现象1 管线部分管口粘策应坚固,连结件之间应严实、无孔隙管壁厚 10mm 之内焊口平直度同意误差为管壁厚1/4管壁厚 10mm 以上焊口平直度同意误差为3mm管道安装的线位应正确、直顺零件安装应平直、不歪曲,表面不该有裂纹。
重皮和麻面等缺点,外圆弧应平均格栅除污机应定位正确。
安装角度误差应切合产品随机技术文件规定。
各机架的连策应坚固格栅除污机双侧与水渠壁空隙应不大于格栅条间隙设施平面地点同意误差20mm2机械格栅设施标高同意误差±20mm栅条纵向面谕导轨侧面平行度同意误差≤设施安装倾角同意误差±°设施平面地点同意误差10mm设施标高同意误差+20 ,-10mm3螺旋输送机螺旋槽直顺度同意误差1/1000 ,全长≤ 3设施纵向水平度 1/1000水泵底座应采纳地脚螺栓固定,二次浇注资料应保4 水泵证密实。
指引潜水泵起落的导杆一定平行且垂直,自动连结处的金属面之间应有效密封序号5 6 7 8项目曝气管鼓风机脱水机启闭机及闸门项目负责人质量要求复检结果自检结果水泵出水口配置的成对法兰安装应平直潜水泵导杆过长时,中间应有靠谱的加固举措水泵轴导杆垂直度同意误差< 1/1000 ,全长≤ 3 皮带轮、联轴器水平度同意误差≤设施标高同意误差± 5泵体内纵向水平度同意误差≤泵体内横向水平度同意误差≤设施平面地点同意误差± 5微孔曝气器的接点应密切,管路基础应坚固、无泄漏各个曝气器之间的高度误差≤㎜10ABS 管接头无渗漏系统安装完成后,微孔曝气器管路应吹扫洁净,出气孔不该拥塞微孔曝气装置应做 48 小时清水曝气试验,保持出气平均鼓风机基础与安装应严实,无松动设施安装地点和标高应切合设计要求管路中的进风阀、配管、消声器等协助设施的连策应坚固、密切、无泄露现象设施平面地点同意误差10mm设施标高同意误差±20设施标高同意误差±20设施水平度同意误差1/1000按设施安装说明书就行安装启闭机中心与闸门板推力吊耳中心应位于同一垂线,垂直度误差应不大于全长的1/1000闸门安装应坚固,密封面应严实启闭机开启应灵巧,无卡阻和颤动现象。
玻璃纤维土工格栅检验批质量验收记录模板范本一:一、项目概述1.1 项目名称1.2 项目位置1.3 项目负责人1.4 项目施工单位二、检验依据2.1 国家相关标准2.2 建设单位要求2.3 施工单位自身要求三、备料验收3.1 玻璃纤维土工格栅型号及规格3.2 材料颜色和表面质量3.3 材料包装情况及数量3.4 材料质量证明文件四、基础施工验收4.1 基础准备4.2 材料铺设4.3 固定方式4.4 间距和对齐检查4.5 固定件和连接件安装检查五、施工工艺验收5.1 材料切割和现场拼接5.2 玻璃纤维土工格栅与其他材料的连接5.3 玻璃纤维土工格栅与土工布的固定方式5.4 玻璃纤维土工格栅表面处理5.5 玻璃纤维土工格栅施工过程的检查六、质量验收6.1 玻璃纤维土工格栅的物理性能检测6.2 玻璃纤维土工格栅的化学性能检测6.3 玻璃纤维土工格栅的耐久性检测6.4 玻璃纤维土工格栅的外观检查七、验收结果7.1 合格品数量7.2 不合格品处理方式7.3 安全隐患及整改措施7.4 验收结论及意见八、附件8.1 质量证明文件复印件8.2 合格品抽样检测记录8.3 不合格品整改记录8.4 安全隐患整改记录九、法律名词及注释附件一:《建设工程质量验收管理条例》附件二:《建筑工程质量验收标准》附件三:《工程建设质量管理规范》模板范本二:一、项目概述1.1 项目名称1.2 项目位置1.3 项目负责人1.4 项目施工单位二、检验依据2.1 国家相关标准2.2 建设单位要求2.3 施工单位自身要求三、备料验收3.1 玻璃纤维土工格栅型号及规格3.2 材料颜色和表面质量3.3 材料包装情况及数量3.4 材料质量证明文件四、基础施工验收4.1 基础准备4.2 材料铺设4.3 固定方式4.4 间距和对齐检查4.5 固定件和连接件安装检查五、施工工艺验收5.1 材料切割和现场拼接5.2 玻璃纤维土工格栅与其他材料的连接5.3 玻璃纤维土工格栅与土工布的固定方式5.4 玻璃纤维土工格栅表面处理5.5 玻璃纤维土工格栅施工过程的检查六、质量验收6.1 玻璃纤维土工格栅的物理性能检测6.2 玻璃纤维土工格栅的化学性能检测6.3 玻璃纤维土工格栅的耐久性检测6.4 玻璃纤维土工格栅的外观检查七、验收结果7.1 合格品数量7.2 不合格品处理方式7.3 安全隐患及整改措施7.4 验收结论及意见八、附件8.1 质量证明文件复印件8.2 合格品抽样检测记录8.3 不合格品整改记录8.4 安全隐患整改记录九、法律名词及注释附件一:《土木工程施工质量检验标准规范》附件二:《土工合成材料使用技术与规范》附件三:《建设工程质量管理办法》。
第12345应测点数123421242532526302540600.10.12370.7-0.7-0.738一般项目允许偏差监理单位验收结论符合要求同意验收。
符合要求施工单位检查意见主控项目全部符合要求,一般项目满足规范要求,本检验符合要求。
质检员:监理工程师:年 月 日年 月 日 设备安装倾角(mm)±0.53592平均合格率(%)90设备标高(mm)±203792 栅条纵向面与导轨侧面平行度(mm)≤0.5/10002086 格栅除污机两侧与沟渠壁间隙应不大于格栅条间隙。
第11.2.8条符合要求 设备平面位置(mm)202990 格栅除污机应定位准确。
安装角 度偏差应符合产品随机技术文件 规定。
各机架的连接应牢固。
第11.2.6条符合要求 机身较长的格栅除污机应按要求 采取加固措施。
第11.2.7条符合要求 其他类型除污机的安装应满足 设计要求。
第11.2.5条符合设计要求施工与质量验收规范的规定不合格点的实测偏差值或实测值合格点数合格率(%)主控项目 耙齿与栅条的啮合应无卡阻, 间隙应不大于0.5mm,啮合深 度应不小于35mm。
第11.2.3条符合要求栅片运行位置应正确,无卡阻、突跳现象。
过载装置应动 作灵敏可靠。
栅片上的垃圾不 应有回落渠内现象。
第11.2.4条符合要求格栅除污机安装在基础上应牢 固。
第11.2.1条符合要求 格栅栅条对称中心与导轨的对 称中心应符合要求,格栅栅条 的纵向面与导轨侧面应平行。
第11.2.2条符合要求验收规范及图号GB50334-2002施工与质量验收规范的规定施工单位检查记录监理单位验收记录分部工程名称机电设备安装分项工程名称格栅除污机安装验收部位15主要工程数量项目经理技术负责人施工工长工程名称单位工程名称施工单位分包单位市政基础设施工程格栅除污机安装检验批质量验收记录市政质检·5·15页,共页。
电力工程质量安全目标质量保障要点及技术组织措施1.实施全过程质量管理通过全过程质量管理,从设计、采购、施工到验收等每个环节都要进行全面的质量控制。
要进行严格的质量策划、质量保证和质量控制,确保质量的可控性和可追溯性。
2.完善的质量保证体系建立完善的质量管理体系,包括质量组织机构、质量职责分工、质量管理程序和质量验收标准等,从而形成一套可行的、科学的质量管理体系,保证电力工程质量的可控性和稳定性。
3.严格执行标准和规范在电力工程施工过程中,要严格执行国家和行业的相关标准和规范,确保电力设备和电气设备的选型、安装、调试等工作符合安全、可靠的要求。
4.加强施工现场管理加强对电力工程施工现场的管理,包括对施工人员的培训、工艺过程的控制、材料的选择和检验等方面的管理,确保施工过程中质量和安全的要求得到满足。
5.健全质量监督体系建立健全的质量监督体系,由专门的监督机构对电力工程进行监督,及时发现和纠正存在的质量问题,确保质量和安全的目标得以实现。
6.强化质量控制和检测手段利用现代化的检测手段和技术手段,对电力工程质量进行全面、准确的检测。
包括采用故障诊断系统、在线监测系统和无损检测技术等,提高质量控制和检测的精度和效率。
7.推行质量管理标准化8.加强专业人才培养加强电力工程质量安全方面的专业人才培养,提高电力工程人员的专业知识和技能水平。
同时,加强对施工人员和质检人员的培训,提高他们对质量和安全问题的认识和处理能力。
总之,电力工程质量安全目标的质量保障要点及技术组织措施是以全过程质量管理为基础,通过建立完善的质量保证体系、严格执行标准和规范、加强施工现场管理、健全质量监督体系、强化质量控制和检测手段、推行质量管理标准化、加强专业人才培养等措施,确保电力工程质量的可控性和安全可靠性,提高电力工程的质量水平和施工效率。
钢筋格栅、网片加工与安装检验批质量验收记录编号:表G2-40填表说明主控项目1、钢筋格栅和钢筋网的加工及安装应符合设计要求。
检查数量:全数检查。
检验方法:观察、量测。
2、钢筋格栅和钢筋网采用的钢筋种类、型号、规格应符合设计要求,其施焊应符合设计及钢筋焊接标准的规定。
检查数量:以同牌号、同炉罐、同规格、同交货状态的钢筋,每60t为一批,不足60t也按一批计,每批抽检一次。
检验方法:查验每批质量证明文件并进行力学性能(屈服强度、抗拉强度和伸长率)和工艺性能(冷弯)试验。
一般项目1、钢筋格栅和钢筋网宜在工厂加工。
钢筋格栅第一榀制作好后应试拼,经检验合格后方可进行批量生产。
(GB50299-1999 第7.6.1条);钢筋格栅和钢筋网片加工及安装允许偏差和检验方法在GB50299-1999第7.6.3、7.6.4、7.6.5、7.6.6条做了规定。
钢筋格栅组装后应在一个平面内;安装时基面应坚实并清理干净,必要时进行予加固;格栅与壁面应楔紧,每片格栅节点及相邻格栅纵向必须分别连接牢固(GB50299-1999第7.6.3-2、7.6.5-1、7.6.5-3条)。
格栅采用双层钢筋网时,应在第一层铺设好后再铺第二层(GB50299-1999第7.6.6-2条)。
作物品质生理生化与检测技术试题专业:作物栽培学与耕作学姓名:马尚宇学号:S2009180一、名词解释或英文缩写1.完全蛋白质与不完全蛋白质完全蛋白质:complete protein 含有全部必需氨基酸的蛋白质即为完全蛋白质。
不完全蛋白质:incomplete protein 不含有某种或某些必需氨基酸的蛋白质称为不完全蛋白质。
2.加工品质和营养品质加工品质:processing quality包括磨面品质(一次加工品质)和食品加工品质(二次加工品质)。
磨面品质指籽粒在磨成面粉的过程中,对面粉工艺所提出的要求的适应性和满足程度。
食品加工品质指将面粉加工成面食品时,给类面食品在加工工艺和成品质量上对小麦品种的籽粒和面粉质量提出的不同要求,以及对这些要求的适应性和满足程度。
土工格栅质量检验记录.xls 范本1: [土工格栅质量检验记录.xls]一、检验单位信息1.1 检验单位名称:1.2 检验单位地址:1.3 联系人及联系方式:二、产品基本信息2.1 产品名称:2.2 生产厂商:2.3 规格型号:2.4 批次号:2.5 检验日期:三、外观质量检验3.1 外观检验要点:- 表面平整度检验- 规格尺寸检验3.2 检验结果:- 外观质量合格- 外观质量不合格四、物理性能检验4.1 抗拉强度检验4.2 拉伸弹性模量检验4.3 延伸率检验4.4 游离物及重金属含量检验4.5 检验结果:- 物理性能合格- 物理性能不合格五、安装使用性能检验5.1 安装使用要点:- 安装步骤检验- 强度承载力检验- 抗风性能检验5.2 检验结果:- 安装使用性能合格- 安装使用性能不合格六、环保及可持续性检验6.1 环保及可持续性要点:- 环保性能检验- 可持续性评估- 循环再利用性评估6.2 检验结果:- 环保及可持续性合格- 环保及可持续性不合格七、检验结论根据上述质量检验结果,判断土工格栅的质量情况,并出具检验结论。
附件:1. 检验报告照片附件2. 其他相关附件法律名词及注释:1. 合格:指产品在检验各项指标上符合标准要求。
2. 不合格:指产品在检验各项指标上不符合标准要求,存在质量问题。
3. 检验结论:根据质量检验结果,对产品质量进行总体评定的结论。
4. 附件:指检验过程中所拍摄的照片、录像以及其他相关文件等。
范本2: [土工格栅质量检验记录.xls]一、检验单位信息1.1 检验单位名称:1.2 检验单位地址:1.3 联系人及联系方式:二、产品基本信息2.1 产品名称:2.2 生产厂商:2.3 规格型号:2.4 批次号:2.5 检验日期:三、外观质量检验3.1 外观检验要点:- 表面平整度检验- 规格尺寸检验- 颜色一致性检验3.2 检验结果:- 外观质量合格- 外观质量不合格四、物理性能检验4.1 抗拉强度检验4.2 拉伸弹性模量检验4.3 延伸率检验4.4 游离物及重金属含量检验4.5 检验结果:- 物理性能合格- 物理性能不合格五、安装使用性能检验5.1 安装使用要点:- 安装步骤检验- 强度承载力检验- 抗风性能检验- 抗腐蚀性能检验5.2 检验结果:- 安装使用性能合格 - 安装使用性能不合格六、环保及可持续性检验6.1 环保及可持续性要点: - 环保性能检验- 可持续性评估- 循环再利用性评估6.2 检验结果:- 环保及可持续性合格- 环保及可持续性不合格七、检验结论根据上述质量检验结果,判断土工格栅的质量情况,并出具检验结论。
格栅污机安装检验批质量检验记录一、检验说明格栅污机是一种常用于水处理系统中的设备,用于去除污水中的固体杂物。
为了确保安装质量及设备性能的稳定和可靠,我们对格栅污机的安装进行了质量检验。
本次检验主要针对格栅污机的安装位置、安装工艺、安装规范等方面进行了检查,并记录了相应的数据,以评估安装质量是否符合要求。
二、检验内容1. 安装位置检验我们首先对格栅污机的安装位置进行了检查。
核对了设备安装位置是否与设计图纸要求一致,并检查了周围的工作环境是否符合安装要求,包括通风、空间大小等因素。
同时,还检查了设备与周围其他设备或结构之间是否保持了合适的间隔,以确保设备的正常运行及维护。
2. 安装工艺检验我们对格栅污机的安装工艺进行了详细检查。
首先,核对了安装工艺流程是否按照设备制造商提供的安装指南进行操作。
同时,还检查了安装所使用的工具、设备是否符合要求,安装人员是否具备相应的技能和资质。
另外,我们还对安装过程中的固定螺栓、密封胶等关键部件的安装方法和质量进行了检验,确保安装工艺达到标准要求。
3. 安装规范检验为了保证格栅污机的长期运行稳定,我们对安装的规范性进行了检查。
检查了安装过程中是否遵守了相关的安全规范和操作规程,是否进行了必要的验收测试和调试工作。
同时,检查了设备的外观是否整洁美观,接线是否牢固可靠,线缆是否正确引导,以及设备标识是否齐全清晰等方面。
三、检验结果根据以上的检查以及相关数据的记录,我们得出了格栅污机安装检验的结论如下:1. 安装位置符合要求,与设计图纸一致,周围工作环境满足安装要求。
2. 安装工艺规范,按照制造商提供的安装指南进行操作,安装所使用的工具设备齐全,安装人员具备相应的技能和资质。
3. 安装过程遵守了相关的安全规范和操作规程,进行了必要的验收测试和调试工作。
设备外观整洁美观,接线牢固可靠,线缆正确引导,设备标识齐全清晰。
综上所述,格栅污机的安装质量检验符合要求,设备可以正常投入使用。