格栅检验批
- 格式:docx
- 大小:30.57 KB
- 文档页数:17
云南省市政基础设施工程格栅设备检验批质量验收记录C-06-01-01-001工程名称XXXXX分部工程名称机械设备安装工程施工单位项目经理分包单位分包单位项目经理检验批名称、部位格栅设备格柵设备施工执行标准名称及编号《城镇污水处理厂工程质量验收规范》 GB 50334-2017质量验收规范规定的检查项目及验收标准施工单位检查评定记录监理(建设)单位验收记录主控项目7.2.1格栅栅条对称中心与导轨的对称中心符合设备技术文件的要求7.2.2高链格栅主动链轮与被动链轮的轮齿几何中心线应重合,其偏差不应大于两链轮中心距的2‰7.2.3格栅设备出渣口应与输送机进渣口衔接良好,不应漏渣7.2.4格栅设备试运转时应平稳,无卡阻、晃摆现象一般项目1格栅设备浸水部位两侧及底部与沟渠间隙应封堵严密2格栅设备与土建基础连接的非不锈钢金属表面防腐蚀符合要求3移动式格栅轨道安装符合现行标准规定4格栅设备安装允许偏差(mm)设备平面位置10合格率设备标高±10合格率设备安装倾角±0.5°合格率机架垂直度H/1000合格率机架水平度L 1/1000合格率栅条与栅条纵向面、栅条与导轨侧面平行度0.5L 2/1000合格率落料口位置5合格率施工单位检查评定结果专业工长(施工员)施工班组长项目专业质量检查员:年 月 日监理(建设)单位验收结论专业监理工程师:年 月 日注:H为机架高度,L 1为机架长度,L 2为栅条纵向面长度。
筑业软件 4853525551484954。
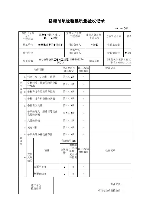
栅栏安装检验批质量验收记录表
说明
主控项目
1.栅栏立柱、格栅材质及各部联结件应符合设计规定。
检验数量:施工单位全部检查;监理单位平行检验10%。
检验方法:施工单位对照设计文件、观察检查、尺量;监理单位检查施工单位检验记录,并平行检验。
一般项目
1.栅栏埋设位置正确、齐全,预留高度应符合设计要求。
检验数量:施工单位全部检查。
检验方法:观察检查、尺量
2.栅栏涂料均匀,涂层应符合设计规定。
检验数量:施工单位全部检查。
检验方法:观察检查。
玻璃纤维土工格栅检验批质量检验记录一、项目背景玻璃纤维土工格栅是一种用于土壤加固和土地基建设的重要材料。
为保障工程质量,确保玻璃纤维土工格栅的性能符合规定标准,需要进行质量检验。
本文档记录了玻璃纤维土工格栅检验批的质量检验过程和结果。
二、检验对象本次检验批共包含XX个玻璃纤维土工格栅,总长度为XX米。
三、检验内容1. 外观检验对每个玻璃纤维土工格栅进行外观检验,检查是否有破损、裂缝、变形等缺陷,记录检验结果。
2. 尺寸检验测量每个玻璃纤维土工格栅的长度、宽度和厚度,记录测量结果,并与规定标准进行对比。
3. 强度检验选取一定数量的玻璃纤维土工格栅进行强度检验,使用适当的设备进行拉伸、压缩等力学性能测试,并记录测试结果。
4. 耐候性检验使用适当的方法和设备,对部分玻璃纤维土工格栅进行耐候性测试,模拟不同气候条件下的使用情况,并记录测试结果。
5. 化学性能检验对部分玻璃纤维土工格栅进行化学性能检验,包括耐酸碱性能、耐腐蚀性能等,记录测试结果。
四、检验方法1. 外观检验目测法:仔细观察每个玻璃纤维土工格栅的外观,记录有无破损、裂缝、变形等情况。
2. 尺寸检验使用卷尺测量每个玻璃纤维土工格栅的长度、宽度和厚度,保留到毫米级,并记录测量结果。
3. 强度检验使用拉压试验机对选取的玻璃纤维土工格栅进行强度检验,按照规定的试验方法进行测试,并记录测试结果。
4. 耐候性检验使用人工气候箱或模拟自然气候条件进行耐候性测试,记录测试前后玻璃纤维土工格栅的性能变化情况。
5. 化学性能检验使用适当的化学试剂进行化学性能检验,按照规定的试验方法进行测试,并记录测试结果。
五、检验结果1. 外观检验结果XX个玻璃纤维土工格栅全部外观完好,无破损、裂缝、变形等缺陷。
2. 尺寸检验结果根据测量结果,所有玻璃纤维土工格栅的长度、宽度和厚度均符合规定标准。
3. 强度检验结果经过拉伸、压缩等力学性能测试,所有玻璃纤维土工格栅的强度符合规定要求。
青岛市地铁一期工程(3号线)
××××隧道格栅钢架制安、钢筋网报验申请表
青岛市地铁一期工程(3号线)
格栅钢架制安、钢筋网检验批质量验收记录
表号:J032编号:
青岛市地铁一期工程(3号线)
隧道格栅钢架架立隐蔽检查记录
表号:S054 编号:
青岛市地铁一期工程(3号线)
锚杆检验批质量验收记录
表号:J011 编号:
青岛市地铁一期工程(3号线)
锚杆施工记录表
表号:S044 编号:
记录员:质检员:施工负责人:年月日
青岛市地铁一期工程(3号线)
锚杆施工记录表
表号:S044 编号:
记录员:质检员:施工负责人:年月日
青岛市地铁一期工程(3号线)
格栅钢架加工检查记录表
表号:S045 编号:
记录员:质检员:施工负责人:年月日
青岛市地铁一期工程(3号线)
暗挖区间隧道钢架安装记录表
表号:S046 编号:
记录员:质检员:施工负责人:年月日。