(完整版)格栅安装检验批验收表
- 格式:doc
- 大小:37.01 KB
- 文档页数:1
玻璃纤维土工格栅检验批质量验收记录模板范本一:一、项目概述1.1 项目名称1.2 项目位置1.3 项目负责人1.4 项目施工单位二、检验依据2.1 国家相关标准2.2 建设单位要求2.3 施工单位自身要求三、备料验收3.1 玻璃纤维土工格栅型号及规格3.2 材料颜色和表面质量3.3 材料包装情况及数量3.4 材料质量证明文件四、基础施工验收4.1 基础准备4.2 材料铺设4.3 固定方式4.4 间距和对齐检查4.5 固定件和连接件安装检查五、施工工艺验收5.1 材料切割和现场拼接5.2 玻璃纤维土工格栅与其他材料的连接5.3 玻璃纤维土工格栅与土工布的固定方式5.4 玻璃纤维土工格栅表面处理5.5 玻璃纤维土工格栅施工过程的检查六、质量验收6.1 玻璃纤维土工格栅的物理性能检测6.2 玻璃纤维土工格栅的化学性能检测6.3 玻璃纤维土工格栅的耐久性检测6.4 玻璃纤维土工格栅的外观检查七、验收结果7.1 合格品数量7.2 不合格品处理方式7.3 安全隐患及整改措施7.4 验收结论及意见八、附件8.1 质量证明文件复印件8.2 合格品抽样检测记录8.3 不合格品整改记录8.4 安全隐患整改记录九、法律名词及注释附件一:《建设工程质量验收管理条例》附件二:《建筑工程质量验收标准》附件三:《工程建设质量管理规范》模板范本二:一、项目概述1.1 项目名称1.2 项目位置1.3 项目负责人1.4 项目施工单位二、检验依据2.1 国家相关标准2.2 建设单位要求2.3 施工单位自身要求三、备料验收3.1 玻璃纤维土工格栅型号及规格3.2 材料颜色和表面质量3.3 材料包装情况及数量3.4 材料质量证明文件四、基础施工验收4.1 基础准备4.2 材料铺设4.3 固定方式4.4 间距和对齐检查4.5 固定件和连接件安装检查五、施工工艺验收5.1 材料切割和现场拼接5.2 玻璃纤维土工格栅与其他材料的连接5.3 玻璃纤维土工格栅与土工布的固定方式5.4 玻璃纤维土工格栅表面处理5.5 玻璃纤维土工格栅施工过程的检查六、质量验收6.1 玻璃纤维土工格栅的物理性能检测6.2 玻璃纤维土工格栅的化学性能检测6.3 玻璃纤维土工格栅的耐久性检测6.4 玻璃纤维土工格栅的外观检查七、验收结果7.1 合格品数量7.2 不合格品处理方式7.3 安全隐患及整改措施7.4 验收结论及意见八、附件8.1 质量证明文件复印件8.2 合格品抽样检测记录8.3 不合格品整改记录8.4 安全隐患整改记录九、法律名词及注释附件一:《土木工程施工质量检验标准规范》附件二:《土工合成材料使用技术与规范》附件三:《建设工程质量管理办法》。
青岛市地铁一期工程(3号线)
××××隧道格栅钢架制安、钢筋网报验申请表工程名称:青岛地铁一期工程(3号线)土建14标编号:
青岛市地铁一期工程(3号线)
格栅钢架制安、钢筋网检验批质量验收记录表号:J032编号:
青岛市地铁一期工程(3号线)
隧道格栅钢架架立隐蔽检查记录
表号:S054 编号:
青岛市地铁一期工程(3号线)
锚杆检验批质量验收记录
表号:J011 编号:
青岛市地铁一期工程(3号线)
锚杆施工记录表
表号:S044 编号:
记录员:质检员:施工负责人:年月日
青岛市地铁一期工程(3号线)
锚杆施工记录表
表号:S044 编号:
记录员:质检员:施工负责人:年月日
青岛市地铁一期工程(3号线)
格栅钢架加工检查记录表
表号: S045 编号:
记录员:质检员:施工负责人:年月日
青岛市地铁一期工程(3号线)
暗挖区间隧道钢架安装记录表
表号: S046 编号:
14.
记录员:质检员:施工负责人:年月日15.。
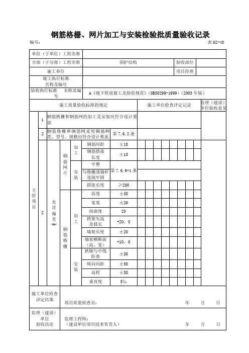
钢筋格栅、网片加工与安装检验批质量验收记录编号:表G2-40填表说明主控项目1、钢筋格栅和钢筋网的加工及安装应符合设计要求。
检查数量:全数检查。
检验方法:观察、量测。
2、钢筋格栅和钢筋网采用的钢筋种类、型号、规格应符合设计要求,其施焊应符合设计及钢筋焊接标准的规定。
检查数量:以同牌号、同炉罐、同规格、同交货状态的钢筋,每60t为一批,不足60t也按一批计,每批抽检一次。
检验方法:查验每批质量证明文件并进行力学性能(屈服强度、抗拉强度和伸长率)和工艺性能(冷弯)试验。
一般项目1、钢筋格栅和钢筋网宜在工厂加工。
钢筋格栅第一榀制作好后应试拼,经检验合格后方可进行批量生产。
(GB50299-1999 第7.6.1条);钢筋格栅和钢筋网片加工及安装允许偏差和检验方法在GB50299-1999第7.6.3、7.6.4、7.6.5、7.6.6条做了规定。
钢筋格栅组装后应在一个平面内;安装时基面应坚实并清理干净,必要时进行予加固;格栅与壁面应楔紧,每片格栅节点及相邻格栅纵向必须分别连接牢固(GB50299-1999第7.6.3-2、7.6.5-1、7.6.5-3条)。
格栅采用双层钢筋网时,应在第一层铺设好后再铺第二层(GB50299-1999第7.6.6-2条)。
作物品质生理生化与检测技术试题专业:作物栽培学与耕作学姓名:马尚宇学号:S2009180一、名词解释或英文缩写1.完全蛋白质与不完全蛋白质完全蛋白质:complete protein 含有全部必需氨基酸的蛋白质即为完全蛋白质。
不完全蛋白质:incomplete protein 不含有某种或某些必需氨基酸的蛋白质称为不完全蛋白质。
2.加工品质和营养品质加工品质:processing quality包括磨面品质(一次加工品质)和食品加工品质(二次加工品质)。
磨面品质指籽粒在磨成面粉的过程中,对面粉工艺所提出的要求的适应性和满足程度。
食品加工品质指将面粉加工成面食品时,给类面食品在加工工艺和成品质量上对小麦品种的籽粒和面粉质量提出的不同要求,以及对这些要求的适应性和满足程度。