运输车辆、机械台班使用申请表
- 格式:doc
- 大小:31.50 KB
- 文档页数:1
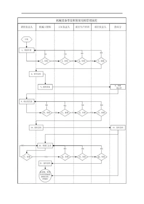
1目的
为规范设备零星租赁使用的管理,降低消耗,特制定本流程。
2适用范围
适用于公司范围内所有设备的零星租赁使用。
3工作程序说明
4解释
本流程由物资管理部负责解释。
5主要附件
附件一:零星机械台班使用申请表
附件二:零星机械台班使用确认单
附件三:零星机械台班使用汇总表
附件一:
零星机械台班使用申请表
项目名称:申请时间:年月日
注:1.表格由项目机械工程师进行主办落实。
2.本表一式二份项目设备工程师存档一份,使用工区存档一份。
附件二:
零星机械台班使用确认单项目名称:
注:1.表格由项目机械工程师进行主办落实。
2.表格一式三份供应方、使用方、项目机械工程师各一份。
3.使用时间按合同内台班时间要求计取,若按小时计取请另启一行并备注说明。
4.增减时间内若时间为减少填写(—)号。
附件三:
零星机械台班使用汇总表
工程名称:填写时期:年月日供应单位:合同编号:
注:1.表格由项目机械工程师进行主办落实。
2.使用时间按合同内台班时间要求计取,若按小时计取请另启一行并备注说明。
序号机械设备名称型号规格功率/斗容/吨位单位小时限价台班限价备注一土石方机械81反铲挖掘机360型 1.5m³~3m³元3502800含燃油2反铲挖掘机300型1m³~3m³元2912328含燃油3反铲挖掘机220型0.8m³~1.5m³元2041632含燃油4反铲挖掘机200型0.8m³~1.5m³元2041632含燃油5反铲挖掘机120型0.4m³~0.6m³元1461168含燃油6履带推土机ST160元2431944含燃油7履带推土机ST220元2722176含燃油8装载机ZL30 1.5m³~2m³元117936含燃油9装载机ZL502m³~3.1m³元1751400含燃油10振动压路机18t元2041632含燃油11振动压路机20t-22t元2231784含燃油12振动压路机25t-26t元2331864含燃油13胶轮压路机26t元1651320含燃油14胶轮压路机30t元2522016含燃油15双钢轮压路机11~14吨元1461168含燃油16平地机160PS元2622096含燃油17平地机180PS元2912328含燃油18平地机190-220PS元3202560含燃油二水平运输机械1自卸汽车25t元1461168含燃油2自卸汽车30t20m³元2091672含燃油3平板车15t元97776含燃油4平板车30t元121968含燃油5随车吊12T元1361088含燃油6随车吊16T元1461168含燃油三起重及垂直运输机械1履带式起重机50t元2231784含燃油2履带式起重机80t元3402720含燃油3汽车式起重机12t元1261008含燃油序号机械设备名称型号规格功率/斗容/吨位单位小时限价台班限价备注4汽车式起重机16t元1461168含燃油5汽车式起重机20t元1551240含燃油6汽车式起重机25t元1751400含燃油7汽车式起重机50t元3062448含燃油说明:1、台班台时租赁指导价包含所有费用,人工费、修理费、燃油费及附属油费均由出租方承担。
零散用工及临时机械台班管理办法为规范公司零散用工及临时机械台班管理,合理使用零散工和临时机械,提高工作效率,更好地服务生产经营建设,制定此管理办法。
第一章零散用工管理制度第一条零散用工范畴1、设施保护措施砌筑等土建施工用工2、适用于公司建构筑物、设备基础简单修补等用工3、适用于物资搬运、装卸或其它工作的零星用工;4、家星水电维修用工:5、其他临时零散工。
第二条零散用工条件1. 长期零教用工提供用工单位必须具备施工资质和安全生产许可,每年与提供用工单位签订合同,合同期限为一年,并报公司办公室审核、备案。
2、临时零散用工临时零散用工仅限于使用公司附近常住居民或公司在职员工亲属,申报部门及临时用工管理人员必须通过电话咨询、走访等方式对工头及工人严格进行筛选和登记,一经聘用,签订《临时零散用工协议》,并报公司办公室审核、备案。
3.所用工人必须品行端正,遵纪守法,无违法犯罪和严重违纪行为:能吃苦耐劳,乐于奉献,具有相适应的文化知识和职业技能,特种作业必须取得相应的技能资格证书:身体健康,男18周岁以上,60周岁以下:女18周岁以上,55周岁以下(公司退休返聘人员除外)。
第三条零散用工审批1、属生产性维护用工,用工部门提出书面申话,开组职技术人员等部门勘察审核,报分管领导同意后由用工部门城写零散用工登记表》,分管领导审批后下达执行。
属非生“性临时用工,由用工部填写《零散用工登记表》,报部门领导干#后下大执行。
2、《零散用工登记表》经批准后,一式两份,办公室和施工单位各执一份。
第四条零散用工监督1.零散工人作业前,使用部门必须对该部分人员进行作业前培训,包含安全注意事项,公司规章制度,作业内容和要求等,并检查是否配备相应安全保护设备。
2.用工部门必须监督提供用工单位按照确定的工作内容和范围施工,符合作业方案、安全用电、技术标准进行作业。
发现有问题时可勒令停工,及时与生产部门联系,协调解决。
3.因意外给公司财产,声誉造成损失或正常工作的延误,由用工部门负责追索赔偿,赔偿额度时间大小由用工部门或者公司负责人决定。
运输车辆/机械台班使用申请单
注:每天下午5:00以前申请第二天的机械,本表采用一机一单制,由工长申请,生产经理确认,商务部确认该费用收支情况是合同内或合同外的,执行经理、项目经理最后审批,机械管理员根据表单要求安排机械进场。
本表一式二份,申请人和商务部各留存一份。
申请人在每天使用完毕后填写实际使用时间及超出预计时间原因,将申请单及当日小票交由机电部汇总,汽吊小票上的签名实行谁申请使用,谁签字的原则。
零散用工及临时机械台班管理办法为规范公司零散用工及临时机械台班管理,合理使用零散工和临时机械,提高工作效率,更好地服务生产经营建设,特制定此管理办法。
第一章零散用工管理制度第一条零散用工范畴1、设施保护措施砌筑等土建施工用工;2、适用于公司建构筑物、设备基础简单修补等用工;3、适用于物资搬运、装卸或其它工作的零星用工;4、零星水电维修用工;5、其他临时零散工。
第二条零散用工条件1、长期零散用工提供用工单位必须具备施工资质和安全生产许可,每年与提供用工单位签订合同,合同期限为一年,并报公司办公室审核、备案。
2、临时零散用工临时零散用工仅限于使用公司附近常住居民或公司在职员工亲属,申报部门及临时用工管理人员必须通过电话咨询、走访等方式对工头及工人严格进行筛选和登记,一经聘用,签订《临时零散用工协议》,并报公司办公室审核、备案。
3、所用工人必须品行端正,遵纪守法,无违法犯罪和严重违纪行为;能吃苦耐劳,乐于奉献,具有相适应的文化知识和职业技能,特种作业必须取得相应的技能资格证书;身体健康,男18周岁以上,60周岁以下;女18周岁以上,55周岁以下(公司退休返聘人员除外)。
第三条零散用工审批1、属生产性维护用工,用工部门提出书面申请,并组织技术人员等部门勘察审核,报分管领导同意后由用工部门填写《零散用工登记表》,分管领导审批后下达执行。
属非生产性临时用工,由用工部填写《零散用工登记表》,报部门领导审批后下达执行。
2、《零散用工登记表》经批准后,一式两份,办公室和施工单位各执一份。
第四条零散用工监督1、零散工人作业前,使用部门必须对该部分人员进行作业前培训,包含安全注意事项、公司规章制度,作业内容和要求等,并检查是否配备相应安全保护设备。
2、用工部门必须监督提供用工单位按照确定的工作内容和范围施工,符合作业方案、安全用电和技术标准进行作业。
发现有问题时,可勒令停工,及时与生产部门联系,协调解决。
3、因意外给公司财产,声誉造成损失或正常工作的延误,由用工部门负责追索赔偿,赔偿额度事件大小由用工部门或公司负责人决定。
安工字〔2006〕10号关于租用运输、吊装机械设备有关规定的通知公司各单位、各部门、所属项目部:为了规范租用运输、吊装机械设备行为,减少对外租用运输、吊装机械设备中存在的问题和公司安全生产管理的需要,现就各单位从外单位租用机械设备作如下规定:1、项目部和生产经营单位需租用运输、吊运机械设备时,在同等条件下,应优先考虑内部租赁,“先内后外”。
确需在外中、长期租用运输、吊装机械设备的,必须先书面报告公司工程管理部,经批准后,方能外租,对外租用的所有运输、吊装机械设备,凡零星租赁台班单价在2000元以上或长期租赁的,均应与出租方签订书面的租赁合同(参考格式见附件),凡出租方系自然人的,必须附有自然人的身份证等有效证明身份的证件复印件及联系方式。
2、各单位外租的运输、吊装机械设备,应做用车记录,各使用班组长、项目生产调度应签字确认,机械使用台班记录单格式附后。
3、对外租用运输、吊运机械设备有关费用的报销的有效凭据包括:发票、租赁合同(协议)、使用台班记录,需报批的,还应附公司同意外租的审批报告。
4、大型机械的租赁费支付[指零星单项金额在1万元以上(含1万元)或长租累计金额在3万元以上(含3万元)],由项目部报公司经理审批后予以支付,租赁费支付审批表附后。
此通知。
二○○六年一月十九日主题词:租用机械设备规定通知抄送:公司领导主送:各单位、各部门中国机械工业第一安装工程公司2006年1月19日印数15份吊车租赁合同(长租)出租方:地址:____________ 邮码:____________ 电话:____________承租方:中国机械工业第一安装工程公司地址:____________ 邮码:____________ 电话:____________ 根据《中华人民共和国合同法》及有关规定,按照平等互利的原则,为明确出租方和承租方的权利和义务,经双方协商一致,签订本合同。
一、租赁设备的名称、数量、规格型号及相关参数二、租赁期限使用期限自年月日至年月日,共计天(以实际的进出场时间为准)。
附件3山东省建筑起重机械产权备案申请表申请单位:申请日期:年月日山东省建筑工程管理局制填写说明1、申请单位:即建筑起重机械产权单位,应填写全称,并且名称与公章必须一致。
2、使用性质:填写出租、自用。
3、单位地址:填写申请单位的详细地址,包括省(自治区、直辖市)、市(地)、县(市、区)、路(街道、社区、乡)、号(村)等。
4、企业法人营业执照注册号:工商部门发放营业执照上的统一编制注册号。
5、经济类型:按照国家有关规定填写单位的经济类型,如国有、集体、股份、私营、个体、外商独资等。
6、组织机构代码:申请单位向组织机构代码管理部门申请取得的代码,该代码作为信息管理追溯的代号,对于一个申请单位来说,必须保证具有其唯一性。
7、固定资产:与申请单位相关的厂房、设备等固定资产。
8、注册资金:在工商注册的资金。
9、法定代表人:填写申请单位合法的代表人,必须与营业执照一致。
10、申请单位应向备案登记机关提交以下资料:(1)企业法人营业执照副本(原件及复印件);(2)设备购销合同、发票复印件或相应有效证明文件;(3)特种设备制造许可证(原件及复印件);(4)制造监督检验证明(原件及复印件);(5)省备案证明;(6)产品合格证(原件及复印件);(7)备案登记机关规定的其他资料。
设备购销合同、发票复印件资料不齐全的,由产权单位和生产制造单位提交有效证明文件;未实行制造许可的,提交省级以上建筑工程管理部门组织的产品鉴定证明;2006年10月1日以前出厂的建筑起重机械,不能提供制造监督检验证明的,应提供由法定特种设备检验检测机构出具的设备安全性能技术鉴定报告;达到国家规定达到国家规定的出厂年限的,应提交省级以上具备相应资格评估机构出具的评估报告;出租的设备,应提交出租单位具备机械设备安全性能自检能力的证明文件;进口的设备,应提交国家规定的相关文件。
11、资料复印件应当加盖产权单位公章,产权单位对所提供资料的真实性负责。
12、产权备案编号由备案登记机关统一编号并填写。
零散用工及临时机械台班管理办法为规范公司零散用工及临时机械台班管理,合理使用零散工和临时机械,提高工作效率,更好地服务生产经营建设,特制定此管理办法。
第一章零散用工管理制度第一条零散用工范畴1、设施保护措施砌筑等土建施工用工;2、适用于公司建构筑物、设备基础简单修补等用工;3、适用于物资搬运、装卸或其它工作的零星用工;4、零星水电维修用工;5、其他临时零散工。
第二条零散用工条件1、长期零散用工提供用工单位必须具备施工资质和安全生产许可,每年与提供用工单位签订合同,合同期限为一年,并报公司办公室审核、备案。
2、临时零散用工临时零散用工仅限于使用公司附近常住居民或公司在职员工亲属,申报部门及临时用工管理人员必须通过电话咨询、走访等方式对工头及工人严格进行筛选和登记,一经聘用,签订《临时零散用工协议》,并报公司办公室审核、备案。
3、所用工人必须品行端正,遵纪守法,无违法犯罪和严重违纪行为;能吃苦耐劳,乐于奉献,具有相适应的文化知识和职业技能,特种作业必须取得相应的技能资格证书;身体健康,男18周岁以上,60周岁以下;女18周岁以上,55周岁以下(公司退休返聘人员除外)。
第三条零散用工审批1、属生产性维护用工,用工部门提出书面申请,并组织技术人员等部门勘察审核,报分管领导同意后由用工部门填写《零散用工登记表》,分管领导审批后下达执行。
属非生产性临时用工,由用工部填写《零散用工登记表》,报部门领导审批后下达执行。
2、《零散用工登记表》经批准后,一式两份,办公室和施工单位各执一份。
第四条零散用工监督1、零散工人作业前,使用部门必须对该部分人员进行作业前培训,包含安全注意事项、公司规章制度,作业内容和要求等,并检查是否配备相应安全保护设备。
2、用工部门必须监督提供用工单位按照确定的工作内容和范围施工,符合作业方案、安全用电和技术标准进行作业。
发现有问题时,可勒令停工,及时与生产部门联系,协调解决。
3、因意外给公司财产,声誉造成损失或正常工作的延误,由用工部门负责追索赔偿,赔偿额度事件大小由用工部门或公司负责人决定。
満收方零星用工及机械台班管理制度土石方工程收方管理制度(1) 基坑开挖工程量在基坑开挖完成后,由土石方分包队负责人、测量组、工程部、合约部、现场负责人共同进行现场实测收方;实测收方后双方草签现场收方资料,双方现场收方人员均需签字确认;由成本合约部出具正式的工程量收方签认资料,并且由土石方分包队负责人、测量组、工程部、合约部、现场负责人、总工程师、成本副经理、项目经理签字后正式生效;正式的工程量签认单一式伍份,分包队伍负责人执壹份,合约部、工程部、资料室、测量组各执壹份。
(2) 场内土方倒运工程数量在开始施工前由土石方分包队负责人、测量组、工程部、合约部、现场负责人共同进行现场实测收方;实测收方后双方草签现场收方资料,双方现场收方人员均需签字确认;由成本合约部出具正式的工程量收方签认资料,并且由土石方分包队负责人、测量组、工程部、合约部、现场负责人、总工程师、成本副经理、项目经理签字后正式生效;正式的工程量签认单一式伍份,分包队伍负责人执壹份,合约部、工程部、资料室、测量组各执壹份。
计日工、零星机械台班管理办法为更好的控制施工现场计日工、零星机械台班的发生以及合理使用,特设置此管理办法。
一、项目经理部承包范围内可以开具计日工、零星机械台班的条件:1、该零星工程劳务费用或施工机械费用难以量化;2、该项工作内容未包含在劳务分包合同或专业分包合同所约定的承包内容内;二、使用计日工及零星机械台班的流程:1、当施工现场确实需要发生计日工或者零星机械台班时,需由现场使用人填写零星用工及零星机械台班用工申请表,申请单详见附件2;2、,用工申请表经用工申请人、现场负责人(土建由严文平负责、安装由刘光清负责)、生产副经理、成本副经理签字确认后,现场工区负责人方可使用计日工或机械;生产经理、成本副经理、工区负责人负责计日工、零星机械台班使用情况的监督,假如存在消极怠工的情况,三者均有权做出合理处罚;3、在发生计日工、零星机械后当天下班之前,现场工区负责人开具现场派工单(一式二联,详见附表1),在双方确认工作内容、发生数量无误后,劳务协作队伍领工员、用工负责人及成本合约部均需签字确认;4、现场派工单(二联)由劳务协作队伍负责人办理后面签字手续,在项目经理、项目成本副经理、生产经理签字确认后,劳务协作队伍应及时将现场派工单转交给项目成本合约部,成本合约部负责将派工单复印,交由现场负责人、劳务作业队伍、资料室、成本合约部各一联,现场派工单正式生效。
运输车辆/机械台班使用申请单
注:每天下午5:00以前申请第二天的机械,本表采用一机一单制,由工长申请,生产经理确认,商务部确认该费用收支情况是合同内或合同外的,执行经理、项目经理最后审批,机械管理员根据表单要求安排机械进场。
本表一式二份,申请人和商务部各留存一份。
申请人在每天使用完毕后填写实际使用时间及超出预计时间原因,将申请单及当日小票交由机电部汇总,汽吊小票上的签名实行谁申请使用,谁签字的原则。