船体构件和外板展开
- 格式:wps
- 大小:29.00 KB
- 文档页数:5
外板展开图的识读一、前言外板展开图是船上一张必备的重要图纸,是一张完整地表示全船外板结构的图样,目前,相当多的船舶驾驶员尤其是船长、大副对该图不太熟悉,一知半解,看不懂图中所表达的真实含义,以致在船舶监造、修理过程中因无法识读外板展开图而不能正常监造和影响修船质量。
本文以常见的中小型杂货船外板展开图为例简单介绍该图的用途、特点、表达形式及如何正确识读。
二、外板展开图的主要用途外板展开图主要用途如下:(1) 表示全船外板的排列、厚度及外板上开口的位置等,是修造船时确定船体钢板的规格和数量,作为订货或备料的主要依据。
(2) 与肋骨型线图配合,确定外板的边、端接缝和外板并板的位置,作为船体放样时的依据。
(3) 作为计算船体重量和重心位置的依据之一。
(4) 作为绘制分段结构图的参考。
三、外板展开图的展开方法为表示全船各张外板下料时的实际大小和形状,最理想的应该是把整个船体外壳完全“摊平”即展开,画出它的展开图形。
但是船体外壳通常是一个具有双重曲度的复杂曲面,在几何上属于不可展的表面,实际上是不可能将整个外板完全摊平的。
为了解决这一矛盾,船图中采用了一种独特的表达方法。
这就是只展开船体表面的横向曲度(即只把肋骨型线伸直),纵向曲度不予展开,仍维持原来在垂直面上的投影长度,肋距和首尾轮廓形状都不改变。
这样就得到了船体外板的近似展开图。
即外板展开图中钢板的宽度与其实际尺寸相同,而钢板的长度是投影长度,小于实际尺寸。
这个展开过程如下图这样得到的外板展开图,虽然不表示每张外板展开后的真实形状,但仍能直观地反映出全船外板的结构和板缝的分布情况。
由于船体形状和外板排列都对称于中线面,所以外板展开图只画全船展开图形的一半,习惯上只画右侧外板的展开图。
实际上它是一张从船外进行投影的右侧视展开图,外板上的构架在图中都是不可见的。
求取各张外板展开后的真实形状,作为下料的依据,则是在船体放样时解决。
四、外板展开图所表达的内容(1)根据船体的分段划分、外板的厚度、板材的规格以及工艺和结构方面的要求,和肋骨型线图相配合,排列全船外板的接缝线。
船体装配工理论试题船体装配工理论试题一、填空题1、放样的方法有手工放样和数学放样。
2、船体外板和船体结构展开的三要素求投影线实长、求肋骨弯度、作准线。
3、船体钢料预处理包括钢料的矫正和钢料的表面清理与防护。
4、船体构件的加工分为边缘加工和成型加工。
5、胎架基面的选取,一般按其位置和有无斜升,分为正切基面、正斜切基面、斜切基面、斜斜切基面四种。
6、铸铁及铜、铝等有色金属,由于其燃点比熔点高,所以不能气割。
7、定位焊一般长度为25mm左右,厚板及刚性大的构件,定位焊长度不大于50mm,定位焊段的间距为150-250mm。
8、根据矫正时作用外力的来源与性质,矫正分为手工矫正、机械矫正、火焰矫正。
9、按照造船业的特点,造船的生产误差有草率性、规律性、随机性三类。
10、水尺水线的标志是船舶在一定的装载情况下吃水标志,一般船舶有首、舯、尾三组吃水标记。
11、壳舾涂一体化造船法是以船壳为主体、以舾装为中心、以涂装为重点,按区域进行设计,物资配套,生产管理的一种先进造船法。
12、在船舶建造过程中,我国采用的标准是《中国造船质量标准》简称(CSQS)。
13、含主机座的分段,基座面板平面度的标准范围是≤5,允许极限是≤10,基座面板长度及宽度的标准范围是±6。
14、船体骨架的布置形式有纵骨架式、横骨架式、混合骨架式三种。
15、船舶试验分为系泊试验、倾斜试验、航行试验。
16、组成肋骨框架的零部件是横梁、肋骨、肋板、横梁肘板、舭肘板。
17、组装立体分段组装方法有正造法、反造法、散装法。
18、圆周、圆弧的周长展开常用的方法有围长法和计算法。
二、名词解释1、船长L:沿设计夏季载重线由首柱前缘量至舵柱后缘的长度;对无舵柱的船舶,由首柱前缘量至舵杆中心线的长度。
2、首尾垂线:首垂线为通过首柱前缘与夏季载重线交点的垂线,尾垂线为通过舵柱后缘与夏季载重线交点的垂线,对无舵柱船舶为舵杆中心线。
3、钢料预处理自动流水线:指由钢材运输、矫正、除锈、涂漆、烘干等工序形成以自动流水作业线是当前国内各船厂改进除锈和涂漆工艺的重点。
求肋骨弯度第二部分:课堂教学内容第二节:求空间某线线段实长的方法1、空间构件展开条件(5分钟)2、空间构件展开的三要素(60分钟)(1)投影线求实长作图法:以理论肋距(L)作为一个rt边,投影长(K)作为另一个rt边,斜边(L’)即为实长。
计算法:(1)纵向曲线在一个肋距内的空间几何关系(2)跨越数档肋距的曲线实长的求法在肋骨型线图上,用样条录下投影线与各肋骨线交点1′、2′、3′、4′;以肋距L作肋骨站线;将样条伸直,将上面的1′~4′各点转划到相应的肋骨线上得1、2、3、4点;将1~4点连成光顺曲线,即为空间曲线实长线。
(2)肋骨弯度1)定义:展开图上肋骨曲线与过其弦线的法面展开线(呈直线)间的最大拱度(s)。
2)条件:将船体表面近似视为可展曲面(圆柱面)3)S的确定4)确定S的注意点5)肋骨弯度的几何概念将船体外板近似地视作圆柱面。
平行中体部分:圆柱面的母线垂直于肋骨剖面,圆柱外板的法面与肋骨剖面平行(或重合),其展开图上肋骨线呈直线。
在首、尾部分:圆柱外板的母线与肋骨剖面不垂直,外板法面与肋骨剖面斜交,展开图上的肋骨呈曲线状。
(3)确定准线(1)做准线的原因:构件多为四边形,已知四边形边长不能作出位移四边形增加约束条件做准线确定四边形在平面上的相对位置保证四边形的唯一性(2)对准线的要求:做法便捷、贯穿整个构件、保证展开精度(3)常用准线:测地线、旋转线、垂直线第三部分:本节课引入素质教育(5分钟)船体构件展开是船舶建造工艺过程中比较核心的步骤,因此要确保展开构件(3)扭曲状舷线纵垳的展开这类构件的特点是其肋骨剖线是相互不平行的直线,实际上是一种不可展开的螺旋曲面。
因此,不可能有在肋骨型线图和展开图上均为直线的准线存在。
故通常采用分段作垂直准线并分段展开的方法近似地展开。
1、垂直准线法展开纵向构件习题练习(30分钟)6、十字线法展开船体外板(30分钟)(1)实质:垂直准线法。
准线在型线图上的投影为直线,展开也是直线,因此存在误差。
船体放样质量检验要点摘要:船体放样是根据船体设计图纸,按一定比例放大船体线型和结构,以获得光顺的线条和构件在船体上的准确位置、形状、尺寸,为后续工序提供施工依据的过程。
关键词:船体;放样;检验根据放样的内容,有两种类型:型线和结构。
根据型线图、型值表及舶尾柱图对船体放样。
结构放样是将船体构件、外板、甲板等展开成实际形状,并根据需要制作结构模板、样板或样箱。
结构放样按结构布置、外板焊缝布置、零件放样的顺序进行。
因为放样过程首先能发现设计图纸中的错误和不合理的工艺,并加以解决,放样过程不仅是设计意图的体现,更是对设计质量的检验、完整和提高。
由此可见,船体放样的质量将直接影响船体的施工质量,因此必须对其进行严格的检验。
一、船体放样放样船体检验员必须首先了解船体图样标记符号的含义。
也应该对生产设计公司了解零件编码在行业标准中的意义。
其次,要掌握放样应该知道的全部知识并了解不同操作方法的完成精度和优点,还需要了解处理设备的处理能力。
每个段的验证都基于分段的工作表。
检查员应准备计算器、钢带、尺、三角板、量角器、圆尺和粉红色线。
通常,使用激光经纬仪完成基线后和部署底板后,通过放样操作期间加强现场监测的方法一次性认可。
目前,有两种主要的船体放样方法:一种是传统方法是人工方法,通常为1:1;另一种是,它使用数学公式描述船体的直线或面,构建数学模型,并使用计算机辅助船体放样。
由于数学船型几何变换不变性(缩放、旋转、投影等),则不存在诸如手工放样低精度、周期长和劳动强度等缺陷,也不需要特殊的放样场地和设施(样条、板架等),复杂放样只能通过船舶类型的数学尺寸变换来实现。
因此,基于船体曲面数学模型的放样比手动放样更快、更方便、更精确。
近年来,人工神经网络(ANN)技术已成功应用于许多行业。
在航运业中,人工神经网络技术在船体构件建模中的应用取得了一定的效果。
采用BP算法和相应的优化方法描述了船舶概况,取得了较好的结果。
但是,传统的神经网络存在着不可克服的缺陷:培训费的价值不反映训练样本的信息,训练样本记忆不准确,神经网络拓扑结构在形成神经网络之前还没有确定,必然存在数值能否从根本上克服这些缺陷并利用更好的神经网络算法描述和平滑船体线是一个新的研究课题。
什么是外板展开图?一、前言外板展开图是船上一张必备的重要图纸,是一张完整地表示全船外板结构的图样,目前,相当多的船舶驾驶员尤其是船长、大副对该图不太熟悉,一知半解,看不懂图中所表达的真实含义,以致在船舶监造、修理过程中因无法识读外板展开图船体外板展开图一、前言外板展开图是船上一张必备的重要图纸,是一张完整地表示全船外板结构的图样,目前,相当多的船舶驾驶员尤其是船长、大副对该图不太熟悉,一知半解,看不懂图中所表达的真实含义,以致在船舶监造、修理过程中因无法识读外板展开图而不能正常监造和影响修船质量。
本文以常见的中小型杂货船外板展开图为例简单介绍该图的用途、特点、表达形式及如何正确识读。
二、外板展开图的主要用途外板展开图主要用途如下:(1) 表示全船外板的排列、厚度及外板上开口的位置等,是修造船时确定船体钢板的规格和数量,作为订货或备料的主要依据。
(2) 与肋骨型线图配合,确定外板的边、端接缝和外板并板的位置,作为船体放样时的依据。
(3) 作为计算船体重量和重心位置的依据之一。
(4) 作为绘制分段结构图的参考。
三、外板展开图的展开方法为表示全船各张外板下料时的实际大小和形状,最理想的应该是把整个船体外壳完全“摊平”即展开,画出它的展开图形。
但是船体外壳通常是一个具有双重曲度的复杂曲面,在几何上属于不可展的表面,实际上是不可能将整个外板完全摊平的。
为了解决这一矛盾,船图中采用了一种独特的表达方法。
这就是只展开船体表面的横向曲度(即只把肋骨型线伸直),纵向曲度不予展开,仍维持原来在垂直面上的投影长度,肋距和首尾轮廓形状都不改变。
这样就得到了船体外板的近似展开图。
即外板展开图中钢板的宽度与其实际尺寸相同,而钢板的长度是投影长度,小于实际尺寸。
这个展开过程如下图。
这样得到的外板展开图,虽然不表示每张外板展开后的真实形状,但仍能直观地反映出全船外板的结构和板缝的分布情况。
由于船体形状和外板排列都对称于中线面,所以外板展开图只画全船展开图形的一半,习惯上只画右侧外板的展开图。
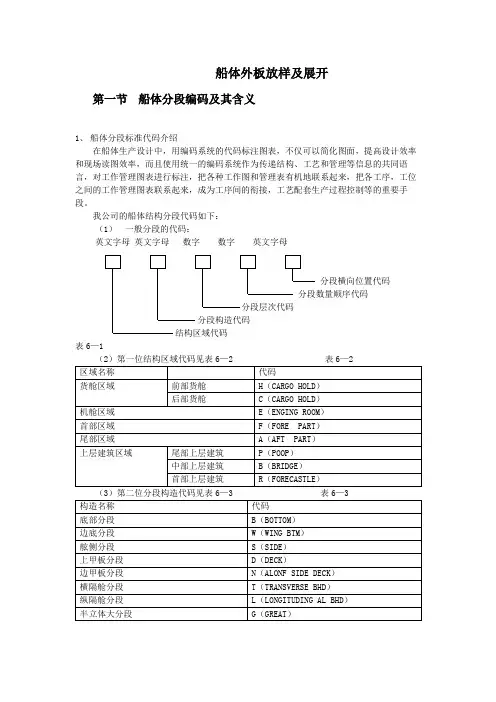
船体外板放样及展开第一节船体分段编码及其含义1、船体分段标准代码介绍在船体生产设计中,用编码系统的代码标注图表,不仅可以简化图面,提高设计效率和现场读图效率,而且使用统一的编码系统作为传递结构、工艺和管理等信息的共同语言,对工作管理图表进行标注,把各种工作图和管理表有机地联系起来,把各工序,工位之间的工作管理图表联系起来,成为工序间的衔接,工艺配套生产过程控制等的重要手段。
我公司的船体结构分段代码如下:(1)一般分段的代码:英文字母英文字母数字数字英文字母分段横向位置代码表6—1(2)第一位结构区域代码见表6—2 表6—2(4)第三位分段层次代码见表6—4a、b 表6—4a表6—4b(8)总组分段代码见表6—7顺序号总组代码为“Z”表6—7第二节船体零件编码及其含义一、实行新船体零件编码的目的为适应造船总量的快速增长,原有的船体零件编码在加工配套和分段配套中的弊端越来越来明显,为改变这种现状,更好地做到加工与分段的顺畅交接,新的船体零件编码势在必行。
二、新船体零件编码的形式新船体零件编码采用段式结构,零件编码的完整形式为:〈分段码〉/〈装配码〉〈位置码〉〈零件码〉装配码为字母,代表装配属性或组装件名位置码为先数字后字母,代表该零件所处位置位置码为先数字后字母,代表该零件所处位置该编码形式以字母/数字/字母/数字间隔方式来区分。
下面就详细说明各个字段所表达的意思:1、〈分段码〉〈分段码〉延用《HD船舶产品船体结构分段代码》标准。
2、〈装配码〉〈装配码〉为一个字母表达装配属性或组装件名,见表6—8当零件中不需要中组装或船台散装时,船体零件编码中不出现〈装配码〉。
3、〈位置码〉〈位置码〉由一个整数后继一或二个字母构成。
〈位置码〉体现部件(零件)的船体位置和图面位置。
如果该位置的各零件需部装,则〈位置码〉也就是部装后的部件名。
见表6—9:常用位置码表6—9说明:当同一位置的图面中只有一个部件时,<位置码>中只出现一个字母,当同一位置图面中有多个部件时,在上表的常用位置码后再附加一字母(如A、B、C、D、E……)以区分同一位置的不同部件。
船体建造工艺学一、培训目的及要求:通过本课程近44学时的讲解,使学员初步了解船体建造工程中的主要阶段、施工程序,掌握船体装配的基本技术理论。
初步具备一定的分析和解决船体技术方面的能力。
二、课时分配表第一章船体分段的划分(4学时)第二章船体分段的划分(4学时)培训要求:了解船体建造过程中,分段划分的原则和各种典型船舶产品的分段划分方法。
掌握我公司分段划分的具体方法。
培训内容:1、分段划分的原则2、分段划分的工艺性要求3、我公司分段划分的具体方法第三章胎架的制造(4学时)培训要求:掌握胎架的种类和胎架基准面的切取方法。
了解各种胎架的制造方法。
培训内容:1、胎架的作用和分类2、胎架基准面的切取方法3、各种典型分段胎架的制造4、我公司胎架利用的实际情况第四章部件装配及制造(8学时)培训要求:掌握船体部件的装配定位方法,了解部件装配的原理。
培训内容:1、部件装配的原理2、板架结构的装配方法3、T型梁的装配4、肋骨框架的装配5、带缆桩的装配6、部件装配变形及控制7、我公司的装配场地及实际装配情况第五章分段装配及制造(8学时)培训要求:掌握分段制造的装配方法。
培训内容:1、底部分段的装配2、底部水舱的装配3、舷侧分段的装配4、艏艉立体分段的装配5、总段的制造方法第六章船台装配(8学时)培训要求:了解船台装配的类型及工艺装备,掌握船台装配的几种方法培训内容:1、船台类型及其工艺设备2、船台装配方式和准备工作3、底部分段的船台安装4、舷侧分段的船台安装5、甲板分段的船台安装6、船台装配焊接变形及处理方法7、我公司船台装配的介绍第七章船舶下水(4学时)培训要求:了解船舶下水的方式,掌握不同下水方式的优缺点。
培训内容:1、船舶下水的方式2、滑道下水和牛油下水的对比3、我公司船舶下水的实际情况课程复习(4学时)培训要求:对本门课程进行系统复习,学员对船舶建造有一个整体印象,加深对船舶建造的了解,具备一定的船舶工程技术人员的基础知识。