煤矿岗位应急处置卡(2018年度)
- 格式:doc
- 大小:364.46 KB
- 文档页数:45
1、发生事故时现场人员应立即向矿调度报告,矿调度向矿领导及公司调度报告。
2、现场抢险:现场发生爆破事故时,班(组)长、安全员、必须组织抢救,迅速将伤者送至地面。
3、根据具体情况切断作业场所的供电电源。
4、工作人员必须进行自救和互救,
并立即向矿调度汇报。
并将事故的性质、地点向分别汇报清楚。
5、组织抢救、疏散周围所受影响范围内的所有人员按适用条件使用质量合格的炸药、雷管,在有煤尘爆炸危险的工作面,严禁使用非煤矿许用炸药和非 6、严格执行“一炮三检”制度和瓦检员、爆破工、班(组)长连锁放炮制度。
7、加强警戒。
煤矿各岗位应急处置卡一、企业主要负责人应急处置卡(1)接到现场报警后,如造成人员伤亡,在一小时将事故情况内上报所在地县级以上安监部门。
(2)当需要启动公司级应急预案后,第一时间下令启动预案,到达现场成立应急指挥部,担任总指挥,通过应急指挥部办公室通知应急指挥部各成员(电话见背面)和可能被波及到的周边单位。
(3)根据事故情况,结合各应急指挥部成员(如现场救援组和技术指导组等)意见,指挥应急救援工作。
(4)如判断企业无法独立完成救援工作,通过指挥部办公室向上级政府请求支援。
(5)在上级政府应急指挥部成立后,向其移交指挥权,介绍事故情况,做好后勤保障工作,配合开展救援。
(6)组织重伤以下事故调查处理,抚恤伤亡人员,总结应急工作经验,落实整改措施。
二、抢险救援负责人应急处置卡(1)接到指挥部办公室通知后,第一时间到达现场参加指挥部,接受总指挥指挥。
(2)电话通知抢险救灾组成员和企业应急队伍队员到达现场或做好应急准备(电话号码见背面)。
(3)会同技术指导组协助总指挥制定事故抢险方案。
(4)在总指挥的指挥下,组织抢险救灾组成员和企业应急队伍按照应急预案开展紧急停车停电、事故现场人员疏散、事故抢险救援工作。
(5)当判断企业层面无法进行救援时,向总指挥提议请求外界支援,并组织人员采取防止事故扩大的冷却、隔离、转移重要物资等先期处置工作。
(6)当外界支援力量到达后,组织人员协助其开展事故救援,并做好后勤保障工作。
(7)事故救援工作结束后,负责事故现场及有害物质扩散区域内的洗消工作,并保护现场,配合开展善后处理和事故调查工作。
三、火灾事故应急处置流程(1)发现者立即停止作业并大声呼喊传递事故信息,其他人员电话报告公司办公室(电话:xxxxxxx)。
(2)直接用灭火器对着火点进行灭火,附近其他人员闻讯提(推)灭火器前来支援,同时对其它未着火的地方进行防护,防止火势扩大。
(3)电气火灾必须切断电源后才能灭火,如果不能确保是否切断电源,严禁使用水灭火。
应急处置卡编制说明模板分为《抢险救援组织机构应急处置卡模板》、《岗位应急处置卡模板》《现场应急处置卡模板》,分别对应附件1-3。
一、抢险救援组织应急处置卡(附件1)由安环科根据煤矿应急预案内容负责编制,主要包括煤矿应急救援指挥部总指挥、副总指挥、成员应急处置卡,采用正反面打印。
二、岗位应急处置卡模板大致分两类(附件2-1.2-2),请结合地面或井下岗位实际情况,在进行风险辨识的基础上进行编制,反面统一为急救措施。
三、现场应急处置卡模板大致分三类(附件3-1.3-2.3-3),请各专业结合专项预案、处置方案内容和煤矿实际进行编制。
请各专业根据分管业务范围,在危险源辨识的基础上,组织承包运营单位或安排本科室专人负责具体编制工作。
华泰项目部负责本单位各岗位和采煤工作面预案卡片编制工作,安环科负责指导。
2016年4月1日前汇总至安环科贾江处,编制过程中存在问题请及时联系。
****煤矿 2016/3/23附件1:总指挥应急处置卡模板单 位 联系电话 (有手机填写手机)应急指挥部调度室 事故救援组 后勤保障组 事故警戒组 医疗卫生组 技术指导组 安监部门 消防部门 交通部门 医疗部门 上级主管部门事故应急处置流程图各应急小组负责人联系方式副总指挥、成员应急处置卡单 位联系电话 (有手机填写手机)应急指挥部办公室 事故救援组 后勤保障组 事故警戒组 医疗卫生组 技术指导组 应急队伍队长 应急队伍1小队队长 应急队伍2小队队长 应急队伍3小队队长事故应急处置流程图各应急小组负责人联系方式附件2-1 岗位应急处置卡模板:适用井上下各岗位人员,但不仅限于上述岗位,根据岗位特点选用。
地面电工岗位应急处置卡焊工岗位应急处置卡气焊工岗位应急处置卡各岗位应急处置卡反面均统一为现场急救措施附件2-2岗位应急处置卡模板:一般适用井上下各机房、操作间、库房等固定岗位、地面综合管理岗位,但不仅限于上述岗位,根据岗位特点选用。
所列模板适用本岗位可直接选用。
煤矿企业应急处置卡煤矿企业应急处置卡一、事故概述1. 事故时间:2. 事故地点:3. 事故类型:4. 事故后果:5. 事故原因:二、应急措施1. 紧急救援:1.1. 确认事故情况1.2. 迅速组织抢险队伍1.3. 设立现场指挥部1.4. 联系120急救车1.5. 固定伤员状况2. 疏散人员:2.1. 组织人员疏散2.2. 组织伤员转移2.3. 组织人员集结2.4. 进行清点人员人数3. 停电和切断电源:3.1. 将电源切断3.2. 停止设备运行3.3. 避免火灾和爆炸事故4. 冷却停电设备:4.1. 防止设备起火4.2. 减少二次事故4.3. 避免设备过热5. 停火:5.1. 防止火势蔓延5.2. 降低燃烧烟尘的浓度5.3. 减少火灾损失6. 防控扩散:6.1. 防止事故扩大6.2. 制止场内人员增多6.3. 实施隔离封锁三、进一步处理1. 病人转送:1.1. 将病人送往医院1.2. 详细记录病人情况1.3. 做好家属安抚工作2. 调查分析事故原因:2.1. 组织专门调查小组2.2. 仔细分析事故原因2.3. 总结教训,采取措施3. 处理事故现场:3.1. 将事故现场清理干净3.2. 做好设备维修和加固3.3. 对配套设施进行检测4. 恢复生产:4.1. 制定生产规划4.2. 做好培训员工的工作4.3. 严格执行安全管理制度以上应急处置卡仅是一个参考模板,针对不同的煤矿企业事故特点和应对策略,应根据现实情况进行调整和细化。
出现事故时要对应处置,尽快营救被困人员和伤员,保障人命与设备安全。
保持警觉,注重企业日常安全管理,防患于未然,提高应急处理能力和反应速度,加强配合,确保事故最小化。
地面值班矿领导应急处置卡
井下带班矿领导应急处置卡
调度员应急处置卡
值班队长岗位应急处置卡
跟班队长应急处置卡
井下班组长应急处置卡
探放水工应急处置卡
安全检查工应急处置卡
支架工应急处置卡
职业危害检测工应急处置卡
井下炸药库库管员应急处置卡
变电所变配电工应急处置卡
低压电工应急处置卡
高压电工应急处置卡
井下电气作业工应急处置卡
井下局部通风机司机应急处置卡
主通风机司机应急处置卡
主提升机司机应急处置卡
主排水泵泵工应急处置卡
水泵工应急处置卡
电机车充电工应急处置卡
电机车司机应急处置卡
固定胶带输送机司机应急处置卡
刮板输送机司机应急处置卡
绞车司机应急处置卡
信号把钩工应急处置卡
充灯工应急处置卡
司炉工应急处置卡
采煤机司机岗位应急处置卡
掘进机司机岗位应急处置卡
耙矸机司机应急处置卡
机司机应急处置卡
乳化泵司机应急处置卡
地面瓦斯抽放泵站司机应急处置卡
防突工应急处置卡
井下瓦斯抽放泵站司机应急处置卡
瓦斯检查工应急处置卡
注浆工应急处置卡
地面安全监测监控工应急处置卡
井下安全监测监控工应急处置卡
井下爆破工应急处置卡
背药工应急处置卡
瓦斯抽采工应急处置卡
熔化焊接预热切割作业工应急处置卡
锻工应急处置卡。
岗位名称危险工艺1.输送带跑偏、撕裂、接头卡子断裂。
2.输送带打滑或闷车。
3.电气、机械部件温升超限或运转声音不正常。
4?液力偶合器的易熔塞熔化或偶合器的工作介质喷出。
5.输送带上有大块煤(矸石)、铁器、超长材料等。
6.危及人身安全时。
7.信号不明或下一台输送机停机时。
1、上岗后应检查输送机机头范围的支护是否牢固可靠,有无障碍物或浮煤、杂物等不安全隐患。
2、将输送机的控制柜换到断电位置闭锁好,挂上停电牌,然后配合维修工对下列部位进行检查:①机头所用连接件和紧固件应齐全、牢靠,防护罩齐全完整,各滚筒、轴承应转动灵活。
②减速器和逆止器的工作介质液量适当,无漏油现象。
③盘型制动闸的闸瓦和闸盘接触严密,制动有效。
④托辊齐全、转动灵活,托架吊挂装置完整可靠,托梁平直。
⑤承载部梁架平直,全、转动灵载托辊齐脱胶。
转动灵活,轴承润滑良好⑥机头好机输送筒无撕裂、伤痕。
⑦输送带接头完⑧输送带无跑偏,松紧合适,挡煤板齐全完好,动力、信i号、讯电缆吊挂整齐,无挤压现象。
3、检查驱动滚筒、卸载滚段的改向滚筒及井回空带上有无浮煤和其内部主要负责人重点岗位应急处置输送机司机器械伤人他杂物,发现有必须处理后方可开车。
4、开机时,取下控制柜上的停电牌,合上控制开关,发出开机警示信号,让人员离开输送机转动部位,运行时应进行如下检查:①各部位运转声音是否正常,输送带有无跑偏、打滑、跳动或刮卡现象,输送带松紧是否合适。
② 控制按钮、信号、通讯等设施是否灵敏可靠。
③检查试验各种保护装置是否灵敏可靠。
应急联系方式部门负责人当班负责人。
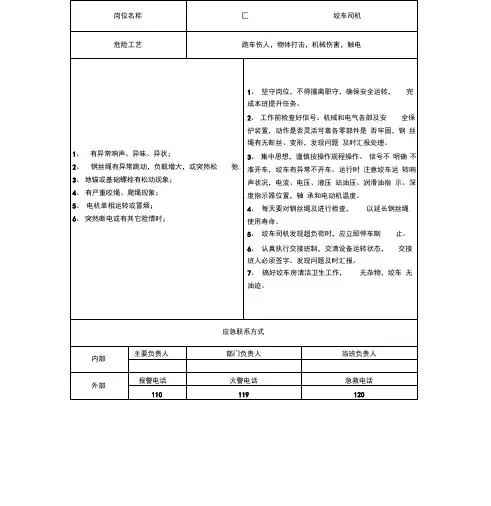
煤矿重点岗位信号工应急处置卡
一、应急处置程序
事故应急处置程序说明
1、险情发生,立即汇报矿调度,险情较小,确保安全的前提下,立即组织人员,采取有效措施现场处置;控制或消除险情后,向矿调度反馈信息。
2、险情严重,超出现场应急处置能力,险情无法控制时,立即采取自救互救措施,按避灾路线逃生;逃生无效,利用避险硐室、压风自救、自救器接力站等紧急避险设施,等待救援。
3、当矿调度接到或判断井下发生严重事故,立即启动应急预案,开展抢险救灾工作。
二、应急处置措施
1、火灾事故:立即切断电源,初期火势较小,利用现场灭火器材扑灭火源。
若火势超出现场应急处置能力,迅速佩用自救器逃生避险。
2、机电事故:如触电、电灼伤和机械伤人事故,立即撤至安全地点,切断电源,及时汇报矿调度,现场救治后送医。
3、设备机械及电气故障事故:立即停电,停止设备运行,通知领导及维修人员,查清原因,故障清除后方可运行。
4、较大设备、物料运输时未绑扎牢固:立即停止设备运行,将较大设备、物料绑扎牢固,否则严禁设备运行。
5、自救互救:营救伤员时,要牢记“三先三后”的原则,即对窒息或心跳骤停的伤员先复苏后搬运;对出血伤员先止血后搬运;对骨折伤员先固定后搬运。
判断伤情及时汇报矿调度,及时送医。
6、逃生避险:其它事故立即逃生避险,汇报矿调度。
三、应急联络
矿调度:XXXXXXXX、XXXXXXXX
安监科信息站:XXXXXXXX
四、避灾路线
当发生灾害事故时,根据灾害类型,按作业规程避灾路
线逃生避险。
一、综采队岗位应急处置卡 (1)队长岗位应急处置卡 (1)副队长岗位应急处置卡 (1)采煤机司机岗位应急处置卡 (1)班组长岗位应急处置卡 (2)乳化泵司机岗位应急处置卡 (2)液压支架工岗位应急处置卡 (2)端头、超前支护工岗位应急处置卡 (3)回柱绞车司机岗位应急处置卡 (3)三铁工岗位应急处置卡 (4)机修工岗位应急处置卡 (4)尾巷回收工岗位应急处置卡 (4)普工岗位应急处置卡 (5)打眼注水工岗位应急处置卡 (5)捡砰工岗位应急处置卡 (6)二、采煤队岗位应急处置卡 (7)队长岗位应急处置卡 (7)副队长岗位应急处置卡 (7)班组长岗位应急处置卡 (7)机修工岗位应急处置卡 (8)采煤工岗位应急处置卡 (8)三铁工岗位应急处置卡 (9)尾巷回收工岗位应急处置卡 (9)打眼注水工岗位应急处置卡 (9)回柱绞车岗位应急处置卡 (10)泵站司机岗位应急处置卡 (10)普工岗位应急处置卡 (10)三、掘进队岗位应急处置卡 (12)队长岗位应急处置卡 (12)副队长岗位应急处置卡 (12)班组长岗位应急处置卡 (12)锚杆(锚索)支护工岗位应急处置卡 (13)机修工岗位应急处置卡 (13)运料工岗位应急处置卡 (13)打眼注水工岗位应急处置卡 (14)巷道维修工岗位应急处置卡 (14)喷浆作业岗位应急处置卡 (15)四、巷修队岗位应急处置卡 (16)队长岗位应急处置卡 (16)副队长岗位应急处置卡 (16)班组长岗位应急处置卡 (16)组长岗位应急处置卡 (17)巷道维修工岗位应急处置卡 (17)运料工岗位应急处置卡 (18)机修工岗位应急处置卡 (18)五、机运队岗位应急处置卡 (19)队长岗位应急处置卡 (19)副队长岗位应急处置卡 (19)班组长岗位应急处置卡 (20)电工岗位应急处置卡 (20)配电工岗位风险流卡 (20)水泵工岗位应急处置卡 (21)机修工岗位应急处置卡 (21)轨道与信号作业岗位应急处置卡 (22)电机车司机岗位应急处置卡 (22)调度绞车司机岗位应急处置卡 (23)无极绳牵引车司机岗位应急处置卡 (23)架空乘人装置司机岗位应急处置卡 (24)副井信号把钩工岗位应急处置卡 (24)叉车司机岗位应急处置卡 (24)主井底作业人员岗位应急处置卡 (25)校直机操作人员岗位应急处置卡 (25)轨道运输工岗位应急处置卡 (26)六、机电车间岗位应急处置卡 (27)机电车间主任岗位应急处置卡 (27)机电车间副主任岗位应急处置卡 (27)班组长岗位应急处置卡 (27)提升机司机岗位应急处置卡 (28)提升机维护工岗位应急处置卡 (28)机修人员应急处置卡 (28)电(气)焊工岗位应急处置卡 (29)液压支柱修理工岗位应急处置卡 (29)起重机司机岗位应急处置卡 (29)锅炉工岗位应急处置卡 (30)污水处理工岗位应急处置卡 (30)高压配电工岗位风险流卡 (30)压风机司机岗位应急处置卡 (31)主通风机司机岗位应急处置卡 (31)箕斗维护工岗位应急处置卡 (31)给煤机司机岗位应急处置卡 (32)皮带机修工岗位应急处置卡 (32)澡堂卫生工岗位应急处置卡 (32)洗衣工岗位应急处置卡 (33)茶炉工岗位应急处置卡 (33)电话维修工岗位应急处置卡 (33)低压电工岗位风险流卡 (34)充灯工岗位应急处置卡 (34)集控工岗位应急处置卡 (34)井筒检修工岗位应急处置卡 (35)七、通风队岗位应急处置卡 (36)队长岗位应急处置卡 (36)副队长岗位应急处置卡 (36)班组长岗位应急处置卡 (36)瓦斯检查工岗位应急处置卡 (37)通风工岗位应急处置卡 (37)测风工、测尘工岗位应急处置卡 (38)仪器发放工岗位应急处置卡 (38)八、探放水队岗位应急处置卡 (39)探放水队长岗位应急处置卡 (39)探放水工岗位应急处置卡 (39)九、通用岗位应急处置卡 (40)刮板输送机司机岗位应急处置卡 (40)胶带运输机司机岗位应急处置卡 (40)爆破工岗位应急处置卡 (41)一、综采队岗位应急处置卡队长岗位应急处置卡副队长岗位应急处置卡采煤机司机岗位应急处置卡班组长岗位应急处置卡乳化泵司机岗位应急处置卡液压支架工岗位应急处置卡端头、超前支护工岗位应急处置卡回柱绞车司机岗位应急处置卡三铁工岗位应急处置卡机修工岗位应急处置卡尾巷回收工岗位应急处置卡普工岗位应急处置卡打眼注水工岗位应急处置卡捡奸工岗位应急处置卡二、采煤队岗位应急处置卡队长岗位应急处置卡副队长岗位应急处置卡班组长岗位应急处置卡机修工岗位应急处置卡采煤工岗位应急处置卡三铁工岗位应急处置卡尾巷回收工岗位应急处置卡打眼注水工岗位应急处置卡回柱绞车岗位应急处置卡泵站司机岗位应急处置卡普工岗位应急处置卡三、掘进队岗位应急处置卡队长岗位应急处置卡副队长岗位应急处置卡班组长岗位应急处置卡锚杆(锚索)支护工岗位应急处置卡机修工岗位应急处置卡运料工岗位应急处置卡打眼注水工岗位应急处置卡巷道维修工岗位应急处置卡喷浆作业岗位应急处置卡四、巷修队岗位应急处置卡队长岗位应急处置卡副队长岗位应急处置卡班组长岗位应急处置卡组长岗位应急处置卡巷道维修工岗位应急处置卡运料工岗位应急处置卡机修工岗位应急处置卡五、机运队岗位应急处置卡队长岗位应急处置卡副队长岗位应急处置卡班组长岗位应急处置卡电工岗位应急处置卡配电工岗位风险流卡水泵工岗位应急处置卡机修工岗位应急处置卡轨道与信号作业岗位应急处置卡电机车司机岗位应急处置卡调度绞车司机岗位应急处置卡无极绳牵引车司机岗位应急处置卡架空乘人装置司机岗位应急处置卡副井信号把钩工岗位应急处置卡叉车司机岗位应急处置卡主井底作业人员岗位应急处置卡校直机操作人员岗位应急处置卡轨道运输工岗位应急处置卡六、机电车间岗位应急处置卡机电车间主任岗位应急处置卡机电车间副主任岗位应急处置卡班组长岗位应急处置卡提升机司机岗位应急处置卡提升机维护工岗位应急处置卡机修人员应急处置卡电(气)焊工岗位应急处置卡液压支柱修理工岗位应急处置卡起重机司机岗位应急处置卡锅炉工岗位应急处置卡污水处理工岗位应急处置卡高压配电工岗位风险流卡压风机司机岗位应急处置卡主通风机司机岗位应急处置卡箕斗维护工岗位应急处置卡给煤机司机岗位应急处置卡皮带机修工岗位应急处置卡澡堂卫生工岗位应急处置卡洗衣工岗位应急处置卡茶炉工岗位应急处置卡电话维修工岗位应急处置卡低压电工岗位风险流卡充灯工岗位应急处置卡集控工岗位应急处置卡井筒检修工岗位应急处置卡七、通风队岗位应急处置卡队长岗位应急处置卡副队长岗位应急处置卡班组长岗位应急处置卡瓦斯检查工岗位应急处置卡通风工岗位应急处置卡测风工、测尘工岗位应急处置卡仪器发放工岗位应急处置卡八、探放水队岗位应急处置卡探放水队长岗位应急处置卡探放水工岗位应急处置卡九、通用岗位应急处置卡刮板输送机司机岗位应急处置卡胶带运输机司机岗位应急处置卡爆破工岗位应急处置卡。
煤矿各岗位应急处置卡,120条处置措施归纳,太详细了,建议收藏!1、综合维修岗位应急处置卡序号事件处置措施1 高处坠落1、迅速将伤者移至安全地带;2、若伤者发生窒息,立即解开衣领,清除口鼻异物;如伤者出血,包扎伤口,有效止血;若伤者骨折、关节伤等立即固定;3、向上级报告,并拨打“120”急救电话,送医院救治。
2 触电1、迅速切断电源,或者用绝缘物体挑开电线或带电物体,使伤者尽快脱离电源;2、将伤者移至安全地带;3、若触电者失去知觉,心脏、呼吸还在,应使其平卧,解开衣服,以利呼吸;若触电者呼吸、脉搏停止,必须实施人工呼吸或胸外心脏挤压法抢救;4、向上级报告,并拨打“120”急救电话,送医院救治。
3 中毒窒息1、施救人员穿戴好劳动防护用品(呼吸器、安全绳等),系好安全带,方可进入有限空间施救;2、用安全带系好被抢救者两腿根部及上体,妥善使患者脱离危险区域,施救人员与外面监护人保持联络;3、向上级报告,并拨打“120”急救电话,送医院救治。
4 机械伤害1、立即断电使机械停止运转;2、采取正确的方法使伤者的受伤部位与机器脱离;3、报告上级,根据情况,拨打“119”、“120”急救电话;4、简单包扎伤者,等待救援。
5 灼烫1、转移至安全地带;2、用清水冲洗烫伤部位;3、伤情严重需到医院作进一步治疗。
6物体打击碰伤、砸伤1、立即停止工作;2、伤者轻微流血时,进行现场简易包扎;3、伤情严重,报告上级,送至医院做进一步治疗。
2、变配电岗位应急处置卡序号事件处置措施1 触电1、迅速切断电源,或者用绝缘物体挑开电线或带电物体,使伤者尽快脱离电源;2、将伤者移至安全地带;3、若触电者失去知觉,心脏、呼吸还在,应使其平卧,解开衣服,以利呼吸;若触电者呼吸、脉搏停止,必须实施人工呼吸或胸外心脏挤压法抢救;4、向上级报告,并拨打“120”急救电话,送医院救治。
2 火灾1、发现火情,迅速切断电源;2、就近选取消防器材灭火;3、如果火势太大,拨打“119”;4、等待专业消防人员到来。
煤矿重点岗位现场处置卡目录无轨胶轮车司机应急处置卡错误!未定义书签。
信号把钩工应急处置卡- 1 -变配电工应急处置卡- 1 -电工应急处置卡- 2 -充灯工应急处置卡- 3 -水泵工应急处置卡- 3 -锅炉工应急处置卡- 4 -航车工应急处置卡- 4 -空压机司机应急处置卡- 4 -给煤机司机应急处置卡- 5 -绞车司机应急处置卡- 6 -主通风机司机应急处置卡- 7 -胶带输送机司机应急处置卡- 7 -刮板输送机司机应急处置卡- 8 -给煤机司机应急处置卡- 9 -破碎机司机应急处置卡- 9 -采煤机司机应急处置卡- 10 -液压支架工应急处置卡- 10 -乳化液泵工应急处置卡- 11 -机司机应急处置卡- 11 -掘进机司机应急处置卡- 12 -局部通风工应急处置卡- 13 -支护工岗位应急处置卡- 13 -库管员应急处置卡- 15 -电气焊岗位应急处置卡- 15 -污水处理岗位应急处置卡- 16 -炊事岗位应急处置卡- 17 -企业主要负责人应急处置卡- 18 -分管负责人应急处置卡- 18 -应急处置小组处置卡- 19 -火灾事故应急处置流程卡- 19 -机械伤害事故应急处置卡- 20 -透水事故应急处置卡- 20 -瓦斯<煤尘>爆炸事故应急处置卡- 21 -顶板事故应急处置卡- 21 -监测监控工应急处置卡- 22 -电气焊岗位应急处置卡污水处理岗位应急处置卡炊事岗位应急处置卡企业主要负责人应急处置卡分管负责人应急处置卡应急处置小组处置卡火灾事故应急处置流程卡机械伤害事故应急处置卡透水事故应急处置卡瓦斯<煤尘>爆炸事故应急处置卡顶板事故应急处置卡监测监控工应急处置卡调度员应急处置卡。
煤矿企业调度员岗位应急处置卡一、岗位背景分析煤矿企业调度员是指在煤矿生产过程中负责联络、指挥和监控各个作业面、巷道、井口等地的人员和设备的操作的工作人员。
他们的任务是根据生产计划和煤矿安全规程,合理安排煤矿生产,保证生产正常运行,同时负责应急处置。
一、突发情况:(1)事故类型:事故类型可包括煤与瓦斯突出、煤与瓦斯爆炸、煤与瓦斯突出同时引发顶板移动、井下火灾烟雾、高温、井下淹水等。
调度员需根据不同的事故类型,选择相应的应急措施。
(2)事故地点:详细说明事故发生的地点,包括作业面、巷道、井口等。
(3)事故要点:简要列出事故的要点,如事故发生时间、发生原因、伤亡人数等。
二、警示信号(1)事故发生后,调度员需向相关部门发出警示信号,包括警报、呼叫其他作业面、设备操作员等。
详细说明警示信号的发出方式和内容。
(2)紧急情况下,调度员应迅速向其他作业面发出警示,确保矿井其他区域的人员和设备能及时采取避险措施。
三、应急处置步骤根据不同的事故类型,调度员需要采取相应的处置措施。
以下是一些常见事故的应急处置步骤范例:(1)煤与瓦斯突出:1.立即发出警报信号,通知相关人员停止作业,撤离作业面;2.呼叫救援队伍赶往事故现场,展开应急救援工作;3.呼叫井下与事故无关的区域人员撤离到安全地带;4.封闭进风巷、出风巷,断开电源,切断瓦斯供应;5.根据矿井风流特点,通知其他作业面采取相应避险措施。
(2)火灾烟雾:1.发出警报信号,通知作业人员撤离作业面;2.呼叫井下救援队伍,组织救援工作;3.封闭火灾区域进风巷道,断开电源,切断瓦斯供应;4.救援人员配备足够的防护装备,进行逃生救援。
四、应急救援措施(1)煤与瓦斯突出:1.组织事故现场煤炭与瓦斯浓度监测,确保救援人员安全;2.打通通风井、排放瓦斯;3.制定救援方案,确保作业面能够安全回撤。
(2)火灾烟雾:1.迅速控制火源,封堵烟道,限制火势蔓延;2.组织救援人员进行灭火救援;3.封堵空气供应,防止空气灌注。
煤矿岗位应急处置卡一、救援基本准则1.不慌、不乱,保持冷静,迅速组织有序疏散。
2.确保安全,保护生命是第一要务。
3.救援应专人专责,明确任务,合理分工,协调配合。
4.综合运用各种救援手段,力求快速有效救援。
5.严格遵守救援操作程序,做到有条不紊。
6.加强现场指挥与指引,确保部署的执行及时完全。
7.注意救援人员安全,加强自我保护措施。
8.统一声音,及时发布救援信息。
二、突水救援2.居高点,迅速撤离或封堵突水源。
3.切断电源,关闭送水泵。
4.发布紧急撤离指令,指线路,确保疏散通畅。
5.设置应急指挥所,迅速调派救援队伍。
6.根据煤层情况,采用各种水位下降措施。
7.注意通风与引流,并同时开展水井和井筒的疏通工作。
8.若无法控制突破点,则寻找逃生通道,有序转移。
三、瓦斯事故救援1.立即切断电源,关闭瓦斯、电风扇等设备。
2.发布疏散指令,确保人员安全有序撤离。
3.通知监测仪,快速采集瓦斯检测数据。
4.设置应急救援指挥所,指派救援队伍。
5.指挥部门进行逐工作面排查,切断瓦斯源头。
6.清除积聚瓦斯,打开方法。
7.采用液态瓦斯或泡沫灭火器进行灭火。
8.根据煤矿情况,进行瓦斯抽放,加强通风。
四、火灾事故救援1.立即切断电源,关闭通风系统。
2.发布疏散指令,确保人员快速撤离。
3.确认火灾位置、范围,报告指挥部。
4.设置指挥所,组织应急救援队伍。
5.通知附近队伍及相关部门援助。
6.切断燃料供应,采取灭火措施。
7.注意通风与防烟处理,确保安全疏散。
8.灭火后,进行冷却降温处理。
五、塌陷事故救援1.发现异常情况,立即停止工作。
2.发出求救信号,通知相关部门。
3.快速撤离人员,确保生命安全。
4.设置指挥部,协调救援行动。
5.通知地质部门、搜救队伍支援。
6.制定营救方案,进行机械救援。
7.为营救人员提供物资、水源等必要支持。
8.关注被困人员及伤员情况,提供急救。
总结:煤矿岗位应急处置卡是在煤矿岗位应急处置中的一份重要文件,为煤矿岗位应急处理提供了明确而重要的指导和操作方法,这样可以提高岗位人员的应对突发情况的能力,为紧急情况的处理提供了有力的保障,保证了企业员工的安全。
煤矿岗位应急处置卡一、任务背景与目的煤矿作为一种特殊的工作环境,存在着一定的安全风险。
为了提高煤矿工作人员在应急情况下的处置能力,制定煤矿岗位应急处置卡是必要的。
该卡的目的在于提供详细的处置指导,确保在紧急情况下能够迅速、有效地采取相应的措施,保障人员的安全。
二、任务内容1. 卡片基本信息- 煤矿名称:XXX煤矿- 岗位名称:XXX岗位- 卡片编号:XXX- 有效期限:XXXX年-XXXX年- 卡片制定日期:XXXX年XX月XX日2. 应急处置流程1) 发现异常情况- 描述:详细描述异常情况的发现方式、时间、地点等信息。
- 应急响应:明确应急响应的步骤,例如立即报告上级、采取紧急避险措施等。
2) 通知相关人员- 描述:说明通知相关人员的方式和流程,例如电话通知、广播通知等。
- 相关人员:列举需要通知的相关人员,如安全主管、消防队员等。
3) 采取紧急措施- 描述:详细说明在紧急情况下需要采取的紧急措施,如疏散人员、关闭设备等。
- 注意事项:提醒执行紧急措施时需要注意的事项,如避免使用电器、避免使用明火等。
4) 报告上级领导- 描述:明确报告上级领导的方式和流程,例如书面报告、口头报告等。
- 报告内容:说明需要向上级领导报告的具体内容,如事故发生原因、紧急措施执行情况等。
5) 救援措施- 描述:详细说明在紧急情况下需要采取的救援措施,如急救、灭火等。
- 救援流程:根据具体情况,制定相应的救援流程,确保救援工作有序进行。
6) 事故调查与处理- 描述:说明事故调查与处理的步骤和流程,如成立调查组、收集证据等。
- 处理结果:描述事故调查与处理的结果,如责任认定、改进措施等。
三、数据示例1. 卡片基本信息- 煤矿名称:XXX煤矿- 岗位名称:巷道巡检员- 卡片编号:2021001- 有效期限:2021年-2023年- 卡片制定日期:2021年10月1日2. 应急处置流程1) 发现异常情况- 描述:在2021年10月5日晚上10点,巷道巡检员发现巷道内有明显的煤气味道。
1、爆破崩人事故。
2、熏人事故。
3、爆破崩倒支护。
4、爆破崩坏设备或设施。
5、爆破引起冒顶事故。
6、爆破诱发突出事故。
7、爆破引发瓦斯、煤尘爆炸事故。
1、发生事故时现场人员应立即向矿调度报告矿调度向矿领导及公司调度报告。
2、现场抢险:现场发生爆破事故时,班(组)长、安全员、瓦检员必须组织抢救迅速将伤者送至地面。
3、根据具体情况切断作业场所的供电电源。
4、工作人员必须进行自救和互救,并立即向矿调度汇报。
并将事故的性质、地点向分别汇报清楚。
5、组织抢救、疏散周围所受影响范围内的所有人员。
1、按适用条件使用质量合格的炸药、雷管,在有瓦斯、煤尘爆炸危险的工作面严禁使用非煤矿许用炸药和非
2、严格执行“一炮三检”制度和瓦检员、爆破工、班(组)长连锁放炮制度。
3、加强警戒。
4、加强通风管理。