【CN209651207U】一种惯性振动输送机【专利】
- 格式:pdf
- 大小:456.51 KB
- 文档页数:8
(19)中华人民共和国国家知识产权局(12)实用新型专利(10)授权公告号 (45)授权公告日 (21)申请号 201920212644.5(22)申请日 2019.02.19(73)专利权人 石家庄诚贺机械设备有限公司地址 050200 河北省石家庄市鹿泉区符家庄村村北(72)发明人 张俊虎 郑建平 张爱平 郄智聪 (51)Int.Cl.B65G 17/12(2006.01)B65G 21/08(2006.01)(54)实用新型名称一种链斗输送装置(57)摘要本实用新型涉及一种链斗输送装置,属于输送装置技术领域,解决了现有技术中物料容易飞溅而造成物料浪费的技术问题,包括支架、链条输送机构、多个料斗、两个分别设置在链条输送机构两侧且用于使料斗沿输送方向稳定移动的导向支撑机构、设置在支架上方的防护机构,防护机构包括可拆卸安装在支架上的防护密封罩、固设在防护密封罩进料端外顶壁的进料管,防护密封罩沿输送方向设置,且防护密封罩呈底端开口且中空设置。
该链斗输送装置,通过在支架上设置防护密封罩,物料通过进料管掉落到料斗内,降低了物料飞溅并掉落到料斗外侧的情况,提高了链斗输送装置使用的输送效率和稳定性,而且降低了物料对环境的影响。
权利要求书1页 说明书5页 附图5页CN 209601377 U 2019.11.08C N 209601377U权 利 要 求 书1/1页CN 209601377 U1.一种链斗输送装置,其特征在于:包括支架(1)、设置在支架(1)上的链条输送机构(2)、多个环绕链条输送机构(2)紧密排布成一圈的料斗(3)、分别设置在链条输送机构(2)两侧且用于使料斗(3)沿输送方向稳定移动的两个导向支撑机构(4)、设置在支架(1)上方且横跨链条输送机构(2)的防护机构(5),所述链条输送机构(2)沿其长度方向的一端设置为进料端、另一端设置为出料端,所述防护机构(5)包括可拆卸安装在支架(1)上且横跨链条输送机构(2)的防护密封罩(51)、固设在防护密封罩(51)进料端外顶壁且与其内部相连通的进料管(52),所述防护密封罩(51)沿输送方向设置,且所述防护密封罩(51)呈底端开口且中空设置,所述料斗(3)位于防护密封罩(51)内。
(19)中华人民共和国国家知识产权局(12)实用新型专利(10)授权公告号 (45)授权公告日 (21)申请号 201920204445.X(22)申请日 2019.02.15(73)专利权人 雷果科技无锡有限公司地址 214000 江苏省无锡市新吴区硕放新宅路31号1号标房(72)发明人 蒋益龙 (74)专利代理机构 无锡万里知识产权代理事务所(特殊普通合伙) 32263代理人 王传林(51)Int.Cl.B29C 45/17(2006.01)(54)实用新型名称一种模具输送装置(57)摘要本实用新型公开了一种模具输送装置,旨在提供一种可抓取输送模具的装置,其技术方案要点是:包括工作台,工作台左侧安装有固定架,固定架底部设有装载槽,装载槽两端分别设有第一气缸、第二气缸,第一气缸与第二气缸上分别设有第一活塞杆与第二活塞杆,第一活塞杆与第二活塞杆上分别安装有固定连接的磁铁块,第一气缸与第二气缸之间设有滑动块,滑动块两端安装有电磁铁,电磁铁一侧设有与两端电磁铁电连接的控制开关,滑动块底部还设有固定连接的夹持机构,夹持机构包括位于滑动块底部的支撑板、位于支撑板两侧的挡板、位于支撑板中心处的两个双向气缸、位于双向气缸上的两侧的夹紧板,夹紧板与顶部的支撑板滑动连接。
权利要求书1页 说明书3页 附图4页CN 209699723 U 2019.11.29C N 209699723U权 利 要 求 书1/1页CN 209699723 U1.一种模具输送装置,包括工作台(1),其特征在于:所述工作台(1)左侧安装有固定架(2),所述固定架(2)底部设有装载槽(3),所述装载槽(3)两端分别设有第一气缸(7)、第二气缸(8),所述第一气缸(7)与第二气缸(8)上分别设有第一活塞杆(9)与第二活塞杆(10),所述第一活塞杆(9)与第二活塞杆(10)上分别安装有固定连接的磁铁块(11),所述第一气缸(7)与第二气缸(8)之间设有滑动块(12),所述滑动块(12)两端安装有电磁铁(13),所述电磁铁(13)一侧设有与两端电磁铁(13)电连接的控制开关(14),所述滑动块(12)底部还设有固定连接的夹持机构(4),所述夹持机构(4)包括位于滑动块(12)底部的支撑板(41)位于支撑板(41)中心处的两个双向气缸(42)、位于双向气缸(42)上的两侧的夹紧板(43)及位于夹紧板(43)底部的保护挡板(44),所述夹紧板(43)与顶部的支撑板(41)滑动连接。
(19)中华人民共和国国家知识产权局(12)实用新型专利(10)授权公告号 (45)授权公告日 (21)申请号 201920234940.5(22)申请日 2019.02.25(73)专利权人 四川龙麟科创节能环保科技股份有限公司地址 610000 四川省成都市高新区天久北巷139号附20号1层(72)发明人 刘红霞 袁友俊 常玲英 康吉文 (74)专利代理机构 成都科奥专利事务所(普通合伙) 51101代理人 陈克贤(51)Int.Cl.B01D 45/04(2006.01)B01D 45/14(2006.01)(54)实用新型名称一种惯性烟气脱水器(57)摘要本实用新型公开了一种惯性烟气脱水器,包括外筒,所述外筒内部安装有内筒,且外筒与内筒的筒壁间设有间隙;所述内筒中心设有内管,内管上沿着切线设有导向叶片,烟气通过导向叶片完成脱水过程。
本实用新型具有脱水效率高,结构简洁等优点。
权利要求书1页 说明书3页 附图2页CN 209630781 U 2019.11.15C N 209630781U权 利 要 求 书1/1页CN 209630781 U1.一种惯性烟气脱水器,其特征在于,包括外筒(4),所述外筒(4)内部安装有内筒(3),筒壁之间设有间隙;所述内筒(3)中心设有芯管(6),所述芯管(6)上沿着圆周切向设有导向叶片,烟气通过导向叶片完成脱水。
2.根据权利要求1所述的一种惯性烟气脱水器,其特征在于,所述外筒(4)的顶部高于内筒(3)。
3.根据权利要求1所述的一种惯性烟气脱水器,其特征在于,所述导向叶片与竖直面之间设有倾角,增大烟气与导向叶片的迎风面。
4.根据权利要求3所述的一种惯性烟气脱水器,其特征在于,所述导向叶片与竖直面之间的倾角为10~15度。
5.根据权利要求1所述的一种惯性烟气脱水器,其特征在于,所述导向叶片靠近筒壁一端的高度低于靠近芯管(6)的一端,使导向叶片与水平面之间具有倾角。
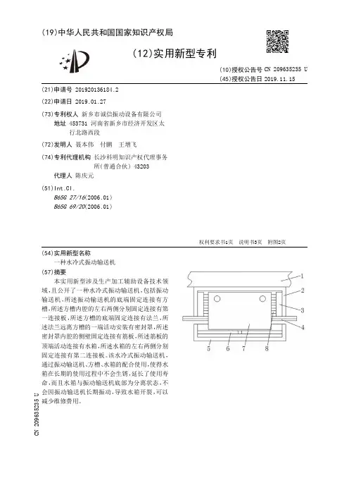
(19)中华人民共和国国家知识产权局(12)实用新型专利(10)授权公告号 (45)授权公告日 (21)申请号 201920201170.4(22)申请日 2019.02.13(73)专利权人 鑫鼎生物科技有限公司地址 443001 湖北省宜昌市伍家岗区桔乡路509号(72)发明人 何建刚 李世振 (74)专利代理机构 宜昌市三峡专利事务所42103代理人 李末黎(51)Int.Cl.B65G 27/04(2006.01)B65G 27/10(2006.01)(54)实用新型名称一种黑茶振动输送机(57)摘要一种黑茶振动输送机,包括支座,支座上设置有曲柄摇杆机构,曲柄摇杆机构与摇摆座连接;摇摆座通过平行四边形机构进行活动支撑;所述摇摆座上设置有送料网带。
本实用新型提供的一种黑茶振动输送机,通过设置曲柄摇杆机构和平行四边形机构,可提高黑茶上料的工作效率。
权利要求书1页 说明书3页 附图5页CN 209635234 U 2019.11.15C N 209635234U权 利 要 求 书1/1页CN 209635234 U1.一种黑茶振动输送机,其特征在于:包括支座(1),支座(1)上设置有曲柄摇杆机构(2),曲柄摇杆机构(2)与摇摆座(3)连接;摇摆座(3)通过平行四边形机构(4)进行活动支撑;所述摇摆座(3)上设置有送料网带(5)。
2.根据权利要求1所述的一种黑茶振动输送机,其特征在于:所述曲柄摇杆机构(2)包括电机(6),电机(6)与曲柄(7)或偏心凸轮(8)连接,曲柄(7)或偏心凸轮(8)另一端与摇杆(9)铰接,摇杆(9)另一端与摇摆座(3)铰接。
3.根据权利要求1所述的一种黑茶振动输送机,其特征在于:所述平行四边形机构(4)包括至少两组平行设置的第一连杆(10),第一连杆(10)一端与摇摆座(3)铰接、另一端与支座(1)铰接。
4.根据权利要求1所述的一种黑茶振动输送机,其特征在于:所述平行四边形机构(4)包括至少两组平行设置的第二连杆(11),第二连杆(11)中部与支座(1)铰接,第二连杆(11)上端与摇摆上座(12)铰接,第二连杆(11)下端与摇摆下座(13)铰接,送料网带(5)设置在摇摆上座(12)上。
(19)中华人民共和国国家知识产权局(12)实用新型专利(10)授权公告号 (45)授权公告日 (21)申请号 201920545953.4(22)申请日 2019.04.19(73)专利权人 云嘉集团有限公司地址 130103 吉林省长春市硅谷大街7999号(72)发明人 张兴军 (74)专利代理机构 北京集佳知识产权代理有限公司 11227代理人 罗满(51)Int.Cl.B21D 45/06(2006.01)(54)实用新型名称一种振动装置及废料排出装置(57)摘要本实用新型公开一种振动装置,在振动座上设置中空的振动腔,振动腔的外周为圆形,振动腔内滚动放置振动球;通过振动座上设置的进气通道和出气通道将振动腔与外界连通,由进气通道向振动腔输入驱动气体,通过驱动气体带动振动球在振动腔内运动,振动腔内的气体从出气通道向外排出;进气通道不断输入驱动气体,出气通道不断向外排出,不断带动振动球运动,振动球运动时对振动座产生作用力,使振动座产生振动,可使滑板产生振动,将滑板上的废料排出。
权利要求书1页 说明书4页 附图5页CN 209773295 U 2019.12.13C N 209773295U权 利 要 求 书1/1页CN 209773295 U1.一种振动装置,其特征在于,包括振动座(1),所述振动座(1)上设置中空的振动腔(2),所述振动腔(2)的外周为圆形,所述振动腔(2)内滚动放置振动球(3);所述振动座(1)上设置连通所述振动腔(2)的进气通道(4)和出气通道(5);所述进气通道(4)用于向所述振动腔(2)输入驱动气体,用于带动所述振动球(3)在所述振动腔(2)内运动,所述出气通道(5)用于向外排出气体。
2.根据权利要求1所述的振动装置,其特征在于,所述进气通道(4)和所述出气通道(5)相互平行设置,且进气通道(4)和所述出气通道(5)分别所述振动腔(2)的外周相切。
3.根据权利要求2所述的振动装置,其特征在于,所述振动座(1)一体设置,所述振动座(1)的中部贯通设置开孔;所述振动腔(2)由两块压板(6)和所述振动座(1)开设的开孔侧壁形成。
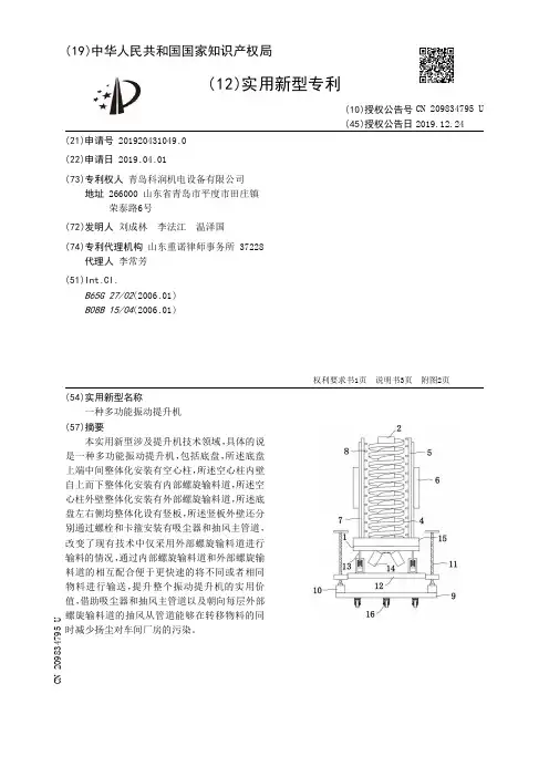
(19)中华人民共和国国家知识产权局(12)实用新型专利(10)授权公告号 (45)授权公告日 (21)申请号 201920431049.0(22)申请日 2019.04.01(73)专利权人 青岛科润机电设备有限公司地址 266000 山东省青岛市平度市田庄镇荣泰路6号(72)发明人 刘成林 李法江 温泽国 (74)专利代理机构 山东重诺律师事务所 37228代理人 李常芳(51)Int.Cl.B65G 27/02(2006.01)B08B 15/04(2006.01)(54)实用新型名称一种多功能振动提升机(57)摘要本实用新型涉及提升机技术领域,具体的说是一种多功能振动提升机,包括底盘,所述底盘上端中间整体化安装有空心柱,所述空心柱内壁自上而下整体化安装有内部螺旋输料道,所述空心柱外壁整体化安装有外部螺旋输料道,所述底盘左右侧均整体化设有竖板,所述竖板外壁还分别通过螺栓和卡箍安装有吸尘器和抽风主管道,改变了现有技术中仅采用外部螺旋输料道进行输料的情况,通过内部螺旋输料道和外部螺旋输料道的相互配合便于更快速的将不同或者相同物料进行输送,提升整个振动提升机的实用价值,借助吸尘器和抽风主管道以及朝向每层外部螺旋输料道的抽风从管道能够在转移物料的同时减少扬尘对车间厂房的污染。
权利要求书1页 说明书3页 附图2页CN 209834795 U 2019.12.24C N 209834795U权 利 要 求 书1/1页CN 209834795 U1.一种多功能振动提升机,包括底盘(1),其特征在于:所述底盘(1)上端中间整体化安装有空心柱(2),所述空心柱(2)内壁自上而下整体化安装有内部螺旋输料道(3),所述空心柱(2)外壁整体化安装有外部螺旋输料道(4),所述底盘(1)左右侧均整体化设有竖板(5),所述竖板(5)外壁还分别通过螺栓和卡箍安装有吸尘器(6)和抽风主管道(7),所述吸尘器(6)的抽风口通过快速接头与对应的抽风主管道(7)固定连通,所述抽风主管道(7)外壁还均等距连通有与竖板(5)且朝向每层外部螺旋输料道(4)的抽风从管道(8),所述底盘(1)底部设有基座(9),所述基座(9)上端左右两端均通过螺栓安装有同步运行的伺服电机(10),所述伺服电机(10)输出端通过联轴器安装有滚珠丝杠副(11),两个所述滚珠丝杠副(11)自带的滚珠丝杠螺母副间焊接有支撑盘(12),所述支撑盘(12)上部左右两侧均焊接有减震器(13),所述减震器(13)上端与底盘(1)底端面焊接,所述底盘(1)底端面左右两侧均安装有振动电机(14)。
专利名称:一种振动装置
专利类型:实用新型专利
发明人:鹿拥军,汪存益,李卫,王佩前申请号:CN201220047289.9
申请日:20120210
公开号:CN202624655U
公开日:
20121226
专利内容由知识产权出版社提供
摘要:本实用新型涉及包装机领域的一种振动装置,所述振动装置为双斗振动装置,主要包括料仓、振动器、振动盘A、振动盘B、气缸、气缸支架、气缸支架转轴、传感器、左料斗L及右料斗R,左料斗L和右料斗R安装在振动盘A、振动盘B下方,振动盘A、振动盘B固定在振动器上并安装在料仓下方,气缸支架上安装气缸并与气缸支架转轴连接。
本实用新型结构简单、设计巧妙、可以实现精确、稳定、可调的输送计量物料目的,广泛用于洗衣粉等粉体物料包装秤中。
申请人:合肥雄鹰自动化工程科技有限公司
地址:231202 安徽省合肥市肥西县桃花镇长安工业聚集区香蒲路10号
国籍:CN
更多信息请下载全文后查看。
专利名称:一种传送震动装置专利类型:实用新型专利
发明人:孙东海,孙立群,孙永帅申请号:CN201820203777.1申请日:20180206
公开号:CN207986050U
公开日:
20181019
专利内容由知识产权出版社提供
摘要:一种传送震动装置,属于传送设备领域。
支架的两个下端处安装着导向轮,两个导向轮之间通过钢带连接,钢带的上方设有料仓,所述的料仓的下端与料斗固定连接,料斗的下端与称量斗固定连接,所述的料斗的上下两端口处设置有气动挡板。
料斗下端的气动挡板通过控制柜与称量斗连接,震动装置通过滑道架安装在支架上并且位于称量斗与钢带之间。
结构小巧占地面积小,实用性强,操作方面,节省了大量的人力,提高了效率,并且添加的物料均匀的同时,还进行了筛选将不必要的杂志过滤掉。
减少了因为物料杂志过多造成的成品质量不符合规定的情况。
申请人:大连爱柏斯化工股份有限公司
地址:116000 辽宁省大连市金普新区松木岛化工园区松源街9号
国籍:CN
更多信息请下载全文后查看。
(19)中华人民共和国国家知识产权局(12)实用新型专利(10)授权公告号 (45)授权公告日 (21)申请号 201920247408.7(22)申请日 2019.02.27(73)专利权人 中国地质大学(武汉)地址 430000 湖北省武汉市洪山区鲁磨路388号(72)发明人 郑君 吴天予 张博 窦斌 田红 吴翔 (74)专利代理机构 武汉知产时代知识产权代理有限公司 42238代理人 孙妮(51)Int.Cl.E21B 41/00(2006.01)H02N 2/18(2006.01)(ESM)同样的发明创造已同日申请发明专利(54)实用新型名称一种随钻式的振动俘能器(57)摘要本实用新型提供一种随钻式的振动俘能器,包括上缸体、下缸体和俘能盘,上缸体包括上壳体,上壳体上端设有上钻杆接头,内部设有上部井管,下缸体包括下壳体,下壳体下端设有下钻杆接头,内部设有下部井管,俘能盘固定于下部井管上,下部井管上端连接上部井管下端,且上壳体连接下壳体形成壳体,俘能盘位于壳体内,俘能盘包括内环,内环表面设有电容器,环绕内环设有多个悬臂梁,每一悬臂梁上设有一压电片,且每一悬臂梁一端连接一质量块,另一端均连接电容器,上钻杆接头用于连接一钻杆下端,下钻杆接头用于连接另一钻杆上端,电容器收集所有压变片产生的电荷。
本实用新型的有益效果:高效产生电能,更适合于钻探领域。
权利要求书1页 说明书4页 附图5页CN 209799930 U 2019.12.17C N 209799930U权 利 要 求 书1/1页CN 209799930 U1.一种随钻式的振动俘能器,其特征在于:包括上缸体、下缸体和俘能盘,所述上缸体包括上壳体,所述上壳体上端设有上钻杆接头,内部设有上部井管,所述下缸体包括下壳体,所述下壳体下端设有下钻杆接头,内部设有下部井管,所述俘能盘固定于所述下部井管上,所述下部井管上端连接所述上部井管下端,且所述上壳体连接所述下壳体形成壳体,所述俘能盘位于所述壳体内,所述俘能盘包括内环,所述内环表面设有电容器,环绕所述内环设有多个悬臂梁,每一所述悬臂梁上设有一压电片,且每一所述悬臂梁一端连接一质量块,另一端均连接所述电容器,所述上钻杆接头用于连接一钻杆下端,所述下钻杆接头用于连接另一钻杆上端,两所述钻杆钻进时,所述上部井管和所述下部井管均振动,带动所有质量块振动,每一所述悬臂梁振动且该悬臂梁上的所述压电片发生形变产生电荷,所述电容器收集所有电荷。
(19)中华人民共和国国家知识产权局(12)实用新型专利(10)授权公告号 (45)授权公告日 (21)申请号 201920224637.7(22)申请日 2019.02.22(73)专利权人 安徽科昂纳米科技有限公司地址 233200 安徽省滁州市定远县经济开发区金山路西侧(72)发明人 张尚权 (74)专利代理机构 合肥市浩智运专利代理事务所(普通合伙) 34124代理人 苏园园(51)Int.Cl.F27B 7/00(2006.01)F27B 7/20(2006.01)(54)实用新型名称一种自传送料型回转炉装置(57)摘要本实用新型公开一种自传送料型回转炉装置,包括外炉壳体,外炉壳体内装配有炉管,炉管内部中空,炉管内设置有容纳物料的填料腔,炉管的端部位于外炉壳体外,炉管的端部连接有传动输送装置,传动输送装置用于控制炉管转动;炉管内设置有内螺纹转送带,内螺纹转送带的形状为螺旋形,螺旋送料带固定连接在炉管的内壁上,通过上述装置实现将物料加入至炉管内,炉管转动,物料顺着内螺纹转送带的螺旋形走向进行送料。
本实用新型公开的上述装置相对于传统的回转炉,解决了传统回转炉物料容易结块、下料的时间长、下料繁琐、危险的技术问题,本实用新型公开的上述装置,大大节省了劳动时间,提高了劳动效率,增加了劳动安全性。
权利要求书1页 说明书3页 附图2页CN 209689367 U 2019.11.26C N 209689367U权 利 要 求 书1/1页CN 209689367 U1.一种自传送料型回转炉装置,其特征在于,包括外炉壳体,所述外炉壳体内装配有炉管,所述炉管内部中空,炉管内设置有容纳物料的填料腔,所述炉管的端部位于外炉壳体外,所述炉管的端部连接有传动输送装置,所述传动输送装置用于控制炉管转动;所述炉管内设置有内螺纹转送带,所述内螺纹转送带的形状为螺旋形,所述螺旋送料带固定连接在炉管的内壁上。
2.根据权利要求1所述的自传送料型回转炉装置,其特征在于,所述传动输送装置包括设置在炉管右端端部的炉管套层齿轮,所述炉管套层齿轮啮合有主动齿轮,所述主动齿轮连接有电机。
(19)中华人民共和国国家知识产权局(12)实用新型专利(10)授权公告号 (45)授权公告日 (21)申请号 201920509076.5(22)申请日 2019.04.16(73)专利权人 江苏振强机械科技股份有限公司地址 226600 江苏省南通市海安高新区开元大道19号(72)发明人 王正华 (74)专利代理机构 北京驰纳智财知识产权代理事务所(普通合伙) 11367代理人 蒋路帆(51)Int.Cl.B65G 65/44(2006.01)B65G 27/18(2006.01)(54)实用新型名称一种可减缓下料冲击力的惯性振动给料机(57)摘要本实用新型公开了一种可减缓下料冲击力的惯性振动给料机,属于振动给料机技术领域,一种可减缓下料冲击力的惯性振动给料机,包括给料机本体,给料机本体前后两端均连接有惯性振动器,给料机本体上端连接有四个激振器,给料机本体右端设有缓冲板,给料机本体右底端开凿有T形滑槽,T形滑槽与缓冲板滑动连接,缓冲板包括上固定板和下滑板,上固定板位于下滑板的左侧,且上固定板与下滑板转动连接,下滑板前后两端均开凿有一对圆形齿槽,给料机本体上下两端均固定连接有L形杆,L形杆表面开凿有螺纹孔,螺纹孔内螺纹连接有外螺纹管,可以实现给料机本体给料时,减缓物料进入收集箱内时对收集箱的的冲击力,使收集箱不易损坏。
权利要求书1页 说明书4页 附图4页CN 210150334 U 2020.03.17C N 210150334U权 利 要 求 书1/1页CN 210150334 U1.一种可减缓下料冲击力的惯性振动给料机,包括给料机本体(1),所述给料机本体(1)前后两端均连接有惯性振动器(2),所述给料机本体(1)上端连接有四个激振器(3),其特征在于:所述给料机本体(1)右端设有缓冲板(4),所述给料机本体(1)右底端开凿有T形滑槽(5),所述T形滑槽(5)与缓冲板(4)滑动连接,所述缓冲板(4)包括上固定板(41)和下滑板(42),所述上固定板(41)位于下滑板(42)的左侧,且上固定板(41)与下滑板(42)转动连接,所述下滑板(42)前后两端均开凿有一对圆形齿槽(6),所述给料机本体(1)上下两端均固定连接有L形杆(7),所述L形杆(7)表面开凿有螺纹孔(10),所述螺纹孔(10)内螺纹连接有外螺纹管(9),所述外螺纹管(9)内壁螺纹连接有定位杆(12),所述定位杆(12)远离外螺纹管(9)的外端固定连接有多个齿板(13),所述齿板(13)与圆形齿槽(6)相匹配。
(19)中华人民共和国国家知识产权局
(12)实用新型专利
(10)授权公告号 (45)授权公告日 (21)申请号 201920204241.6
(22)申请日 2019.02.18
(73)专利权人 济南市平阴鑫森有限责任公司
地址 250000 山东省济南市平阴县榆山街
道办事处孙官庄村
(72)发明人 高建国
(51)Int.Cl.
B65G 27/08(2006.01)
B65G 27/04(2006.01)
B65G 27/00(2006.01)
(54)实用新型名称一种惯性振动输送机(57)摘要本实用新型公开了一种惯性振动输送机,包括缓冲底座,所述缓冲底座的顶部开设有缓冲槽,缓冲槽的两侧内壁上均开设有滑动凹槽,两个滑动凹槽内滑动安装有同一个缓冲板,所述缓冲板的顶部焊接有缓冲垫,缓冲垫的顶部焊接有输送机本体,所述缓冲板的顶部焊接有两个第一弹簧的一端,两个第一弹簧的另一端分别焊接在两个滑动凹槽的一侧内壁上,所述缓冲板的底部对称焊接有两个转动方座,四个转动方座上均转动安装有斜柱的一端,两个滑动凹槽的一侧内壁上对称开设有矩形槽,四个矩形槽滑动安装有矩形座,四个矩形座的顶部均焊接有转动座。
本实用新型便于输送机本体减震,延长使用寿命,结构简单,
使用方便。
权利要求书1页 说明书3页 附图3页CN 209651207 U 2019.11.19
C N 209651207
U
权 利 要 求 书1/1页CN 209651207 U
1.一种惯性振动输送机,包括缓冲底座(1),其特征在于,所述缓冲底座(1)的顶部开设有缓冲槽(2),缓冲槽(2)的两侧内壁上均开设有滑动凹槽(3),两个滑动凹槽(3)内滑动安装有同一个缓冲板(4),所述缓冲板(4)的顶部焊接有缓冲垫(5),缓冲垫(5)的顶部焊接有输送机本体(6),所述缓冲板(4)的顶部焊接有两个第一弹簧(7)的一端,两个第一弹簧(7)的另一端分别焊接在两个滑动凹槽(3)的一侧内壁上,所述缓冲板(4)的底部对称焊接有两个转动方座(8),四个转动方座(8)上均转动安装有斜柱(9)的一端,两个滑动凹槽(3)的一侧内壁上对称开设有矩形槽(10),四个矩形槽(10)滑动安装有矩形座(11),四个矩形座(11)的顶部均焊接有转动座(12),四个斜柱(9)的另一端分别转动安装在四个转动座(12)上,四个矩形座(11)的底部均焊接有滑柱(13),所述矩形座(11)的底侧内壁上对称开设有滑动槽(14),两个滑柱(13)分别滑动安装在两个滑动槽(14)内,两个滑动槽(14)均焊接有固定柱(15),两个固定柱(15)分别滑动安装在两个滑柱(13)上,两个滑柱(13)相互远离的一侧均焊接有套设在两个固定柱(15)上的第二弹簧(16)的一端,两个第二弹簧(16)的另一端分别焊接在两个滑动槽(14)相互远离的一侧内壁上。
2.根据权利要求1所述的一种惯性振动输送机,其特征在于,两个滑动凹槽(3)相互远离的一侧内壁上均焊接有第一导轨,缓冲板(4)的两侧均焊接有第一滑动导座,两个第一滑动导座分别滑动安装在两个第一导轨上。
3.根据权利要求1所述的一种惯性振动输送机,其特征在于,所述滑柱(13)上开设有滑柱孔,固定柱(15)滑动安装在滑柱孔内。
4.根据权利要求1所述的一种惯性振动输送机,其特征在于,所述滑动槽(14)的底侧内壁上焊接有第二导轨,滑柱(13)的底部焊接有第二滑动导座,第二滑动导座滑动安装在第二导轨上。
5.根据权利要求1所述的一种惯性振动输送机,其特征在于,所述转动方座(8)的底部开设有两侧均为开口的方形槽,方形槽内固定安装有第一转动轴,斜柱(9)的一端转动安装在第一转动轴上。
6.根据权利要求1所述的一种惯性振动输送机,其特征在于,所述转动座(12)的顶部开设有两侧均为开口的转动槽,转动槽内固定安装有第二转动轴,斜柱(9)的另一端转动安装在第二转动轴上。
2。