霍尔芯片TC276-277
- 格式:pdf
- 大小:1.17 MB
- 文档页数:6
数据手册概述SDC277是一款内置霍尔感应及输出驱动于一体的双极集成电路,广泛应用于各类大、小型双相无刷直流风扇和直流马达。
内含调整器、保护二极管、霍尔电压发生器、差分放大器、史密特触发器和集电极开路输出(DO,DOB)。
在应用中,如电源反接,内部的反向二极管会保护芯片但不会保护线圈,在此类情况下,如有必要可以加一个保护二极管来保护线圈。
特点⏹工作电压范围宽:3.5V~20V⏹输出能力强:可持续接纳250mA电流⏹内含保护二极管⏹工作温度:-20℃~85℃⏹封装形式:TO-94应用⏹无刷直流马达⏹无刷直流风扇⏹转速计⏹速度测量图1. 封装形式TO-94S D CCI DE NT IA LD OC UME NT数据手册管脚描述1.VDD2.DO3.DOB4.GND2341Package: TO-94图2. 管脚排布编号 名称功能 1 VCC电源 2 DO 输出脚 3 DOB 输出脚 4GND地表1. 管脚描述功能框图图3. 功能框图SD CN T I AL D OCUM EN T数据手册订购信息SDC277Circuit TypePackage TO-94: Z4E1: Pb-freeG1: Halogen-free X X -XMagnetic Characteristics: A/B/C/D封装 温度范围产品编号 标识编号包装形式 无铅无卤无铅 无卤 TO-94-20℃~85℃SDC277AZ4-E1 SDC277AZ4-G1277 277G 袋装 SDC277BZ4-E1 SDC277BZ4-G1 277 277G 袋装 SDC277CZ4-E1 SDC277CZ4-G1 277 277G 袋装 SDC277DZ4-E1 SDC277DZ4-G1277277G袋装SD CCO NFID E N T I AL D OCUM EN T数据手册极限参数(注意:应用不要超过最大值,以防止损坏。
长时间工作在最大值的情况下可能影响器件的可靠性)参数符号 参数值 单位电源电压 V CC 24 V输出电压 V OUT 24 V 反向电压 V RCC -20 V 磁场强度B无限制 GS 输出电流 持续I OUT250 mA 锁定 400 瞬间峰值700储存环境温度 T S -65~150 ℃ 耗散功率P D 550 mW ESD, HBM model per Mil-Std-883, Method 3015 HBM 4000 V ESD, MM model per JEDEC EIA/JESD22-A115 MM 400 V Latch-up test per JEDEC 78 - 200 mA 结温T J 150℃表2. 极限参数推荐工作条件参数符号 最小值 最大值 单位 工作电压 V CC 3.5 20 V 工作温度Ta-2085℃表3. 推荐工作条件电气特性(除特殊注明外:Ta=25℃,V CC =12V)参数符号 测试条件 最小值 典型值 最大值 单位 工作电源范围 V CC - 3.5 - 20 V 输出齐纳电压 V Z - - 46 - V 输出饱和压降 V SAT I O =300mA - 0.3 0.6 V 输出漏电流 I CEX V CC =V CE- 0.1 10 uA 电源电流I CC V CC =20V,输出开路 - 12 16 mA 输出上升沿时间 t r R L =820Ω,C L =20pF - 3.0 10 us 输出下降沿时间 t f R L =820Ω,C L =20pF - 0.3 1.5 us 开关时间差ΔtR L =820Ω,C L =20pF -3.010us表4. 电气特性SD CCO NFID E N T I AL D OCUM EN T数据手册磁场特性(除特殊注明外:Ta=25℃,V CC =12V)图3. 输出 vs. 磁场特性A 级品特性符号 下限上限单位工作点 B OP 20 50 GS 恢复点B RP-50-20GSB 级品特性符号 下限上限单位工作点 B OP 10 70 GS 恢复点B RP-70-10GSC 级品特性符号 下限上限单位工作点 B OP - 90 GS 恢复点B RP-90-GSD 级品特性符号 下限上限单位工作点 B OP - 125 GS 恢复点 B RP-125-GSSD CCO NFID E N T I AL D N T数据手册特性曲线S NB OPOPB RPB HYS图4. 磁场特性图电源电压(V)2468101214161820B OPB RP磁场开关点(GS)604020-20-40-60图5. 磁场电压特性曲线典型应用图图6. 典型应用图S DCC ON FI DE NT IA LD OE NT数据手册封装尺寸 TO-94N T数据手册绍兴光大芯业微电子有限公司/重要声明本文件仅提供公司有关产品信息。
TC2263(文件编号:S&CIC0882) 电流模式PWM 控制器一、 概述TC2263是一款高性能、高集成度、低功耗及低成本离线式电流模式PWM 控制器芯片,专门为低于30W 的应用进行了特别优化 。
TC2263采用了低启动电流和低工作电流设计。
在启动电路中使用了较大的启动电阻以得到较小的启动电流,有效减小了系统的静态功耗,缩短系统的启动时间。
低工作电流可有效降低系统的损耗,提高系统的效率。
在空载或者轻载时,IC 进入间歇模式降低开关频率,减少开关损耗,使得系统有较低的静态功耗和较高的转换效率。
内置频率抖动设计可以有效的改善系统EMI 特性。
TC2263 内置斜坡补偿提高了系统大占空比输出时的稳定性。
电流检测输入端内置前沿消隐电路,增加了系统的抗干扰能力,减少了外围器件数量并降低了系统成本。
二、 特点低功耗、无噪声 启动电流低至3uA 工作电流约1.4mA 较少的外围器件过载保护限流保护、欠压锁定 内置前沿消隐 内置频率抖动三、 应用范围充电器、适配器 开关电源TC2263(文件编号:S&CIC0882)电流模式PWM控制器七、 最大额定值参数额定值VDD DC电源电压30VVDD钳位电压34VVDD DC 钳位电流10mAV FB输入电压-0.3-7VV SENSE输入电压-0.3-7VV RI输入电压-0.3-7V工作结温 -20℃-150℃贮存温度 -55℃-160℃注:最大允许额定值是指超过这些值可能会损坏器件,在这些条件式之下是不利于的器件工作的。
器件连续工作在最大允许额定值下可能影响器件可靠性。
所有的电压均是相对于器件GND的电压差。
八、 电气特性(参数都是在TA= 25℃的工作条件下测得,有另有注明的除外)符号参数测试条件最小值典型值最大值单位电源电压(VDD)I_VDD_Startup VDD启动电流V DD=12.5V,R I=100K 3 20uA I_VDD_Ops 芯片工作电流V DD=16V,R I=100K,V FB=3V 1.4 mA UVLO(ON) 进入欠压保护7.8 8.8 9.8 V UVLO(OFF) 退出欠压保护13 14 15 V VDD_Clamp VDD 钳位电压I VDD=10mA 34 V 反馈输入 (FB Pin)A VCS PWM 输入增益△V FB/△V CS 2.0 V/V V FB_Open FB开路电压 4.8 V I FB_Short FB pin短路电流 0.8 mAV TH_0D PWM 0占空比时FB门限电压VDD=16V, RI=100Kohm0.75VV TH_PL 过载保护FB 门限电压3.7 V T D_PL 过载保护延时 35 mSecZ FB_IN FB输入阻抗 6KohmDC_MAX 最大占空比V DD=18V, R I=100Kohm,F B=3V, CS=075 % 电流检测输入 (Sense Pin)T_blanking 前沿消隐时间RI=100Kohm 300 ns Z SENSE_IN CS输入阻抗 40KohmT D_OC 过流检测延时VDD=16V, CS>VTH_OC,FB=3.3V75 nSecVTH_OC PWM零占空比时过流门限电压FB=3.3V, RI=100Kohm0.70 0.75 0.80 V振荡频率Fosc 正常振荡频率RI=100Kohm 60 65 70 KHz△f_Temp 频率温度稳定度VDD = 16V, RI=100Kohm,T A -20℃ to 100℃ 5 % Δf_VDD频率电压稳定VDD = 12-25V, RI=100Kohm 5 %TC2263(文件编号:S&CIC0882)电流模式PWM控制器RI_range RI电阻设置范围50 100 150KohmV_RI_open RI 开路电压 2 V F osc_BM 间歇模式频率VDD = 16V, RI = 100Kohm 22 KHz驱动开关管输出VOL GATE输出低电平VDD = 16V, Io = -20 mA0.8V VOH GATE输出高电平VDD = 16V, Io = 20 mA10 V V_Clamp GATE输出钳位电压18 VT_r GATE输出上升沿时间VDD = 16V, CL = 1nf220 nSecT_f GATE输出下降沿时间VDD = 16V, CL = 1nf70 nSec频率抖动Δf_OSC 频率调制范围/基频RI=100K-3 3 % f_shuffling 抖动频率RI=100K 64 Hz九、 特性(典型参数)(VDD = 16V, RI = 100 Kohm, T A = 25o C 除非另有注明。
276霍尔传感器工作原理霍尔传感器工作原理是基于霍尔效应。
霍尔效应是指当一个电流通过一块在磁场中的导体时,如果该导体两端之间存在正交于电流和磁场方向的电压,则被称为霍尔电压。
霍尔传感器利用霍尔效应来检测和测量磁场强度。
霍尔传感器主要由霍尔元件、输入电源和输出电路组成。
霍尔元件是将霍尔片固定在集成电路中,它通常是一片薄而小的半导体材料,上面镀有金属导线。
当电流通过霍尔元件时,磁场的存在将会产生电势差,这些电势差通过输出电路放大而变成可用的电压信号。
下面是霍尔传感器的工作原理:1.输入电流通入霍尔元件:霍尔传感器通过输入电流激活霍尔元件,通常使用直流电源供电。
输入电流流经霍尔元件,形成电流环。
2.磁场作用力:在霍尔元件中,磁场的作用力引起了电子的偏转。
磁场的方向决定了电子的偏转方向。
3.霍尔电势差产生:电子的偏转引起了霍尔电势差的形成。
根据磁场与电流的相对方向,霍尔电势差的极性也随之改变。
当磁场与电流方向垂直时,霍尔电势差达到最大值。
4.输出电压放大:霍尔电势差通过输出电路进行放大,以产生可观测和可测量的电压信号。
输出电路通常由运算放大器、滤波器和补偿电路组成。
5.电压测量和数据处理:输出电压经过转换和处理后,可以被使用者接收和解读。
测量电压可以与预设标准进行比较,以确定磁场的强度。
霍尔传感器可以测量静态和动态磁场的强度。
它们具有快速响应、高精度和可靠性等特点。
霍尔传感器广泛应用于各种领域,包括电子产品、汽车工业、医疗设备和工业自动化等。
总的来说,霍尔传感器的工作原理是利用霍尔效应测量磁场强度。
当电流通过霍尔元件时,磁场的存在引起电势差的形成。
通过放大和处理这些电势差,可以获得可观测和可测量的电压信号,从而实现对磁场的测量和检测。
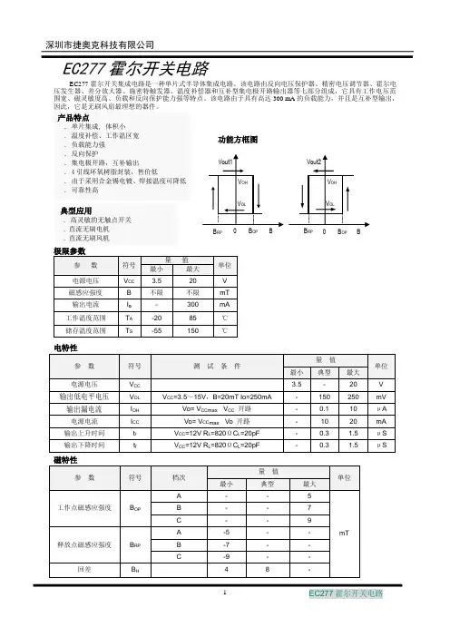
EC277霍尔开关电路
EC277霍尔开关集成电路是一种单片式半导体集成电路。
该电路由反向电压保护器、精密电压调节器、霍尔电
压发生器、差分放大器、施密特触发器、温度补偿器和互补型集电极开路输出器等七部分组成,它具有工作电压范围宽、磁灵敏度高、负载和反向保护能力强等特点。
该电路由于具有高达300 mA 的负载能力,并且是互补型输出,因此,它是无刷风扇最理想的器件。
电特性
产品特点
. 单片集成, 体积小
. 温度补偿、工作温区宽
. 负载能力强 . 反向保护
. 集电极开路,互补输出 . 4引线环氧树脂封装,售价低
. 由于采用合金锡电镀、焊接温度可降低 . 可靠性高
功能方框图。
ELECTRONIC GIANT EG276芯片用户手册二相无刷风扇霍尔驱动芯片版本变更记录目录1. 特点 (4)2. 描述 (4)3. 应用领域 (4)4. 引脚 (5)4.1. 引脚定义 (5)4.2. 引脚描述 (5)5. 结构框图 (6)6. 典型应用电路 (6)7. 电气特性 (7)7.1 极限参数 (7)7.2 典型参数 (7)7.3 测试电路 (8)7.4 磁电参数 (8)7.5 磁场方向工作参数 (10)8. 封装尺寸 (11)EG276芯片用户手册V1.01. 特点⏹单片集成,体积小,可靠性高⏹较宽的电压工作范围:3.5V至20V⏹内置霍尔传感器⏹400mA平均电流输出能力⏹集电极开路,互补输出⏹内置电压反转保护二极管⏹采用较小的TO-94封装2. 描述EG276集成了霍尔传感器和集电极开路互补输出驱动器,主要用于电子转换的二相无刷直流风扇。
芯片内部集成了霍尔感应器、基准电压、前置放大器、施密特比较器以及互补集电极开路输出(DO、DOB)。
在直流风扇应用中,有时会发生电源接反的情况,EG276内置了一个反接保护二极管,该反接保护二极管只能给芯片提供保护而不能给线圈提供保护。
如有必要,线圈可外接一个二极管,在电源反接的时候给线圈提供保护。
当磁通密度(B)大于工作电(Bop),DO开启输出低电平,同时DOB关闭输出高电平。
两个输出管脚的状态会一直保持到B低于释放点(Brp),这时DO、DOB改变各自的输出状态。
3. 应用领域⏹双线圈无刷直流风扇⏹回转计数器⏹双线圈无刷直流电机⏹速度测量4. 引脚4.1. 引脚定义图4-1. EG276管脚定义4.2. 引脚描述5. 结构框图DOGND图5-1. EG276结构框图6. 典型应用电路图6-1. EG276典型应用电路图7. 电气特性7.1 极限参数7.2 典型参数无另外说明,在A25℃,Vin=12V7.3 测试电路DO DOB图7-3. EG276测试线路图7.4 磁电参数(Magnetic flux density B)(O u t p u t V o l t a g e )(Magnetic flux density B)(O u t p u t V o l t a g e )图7-4a. EG276的2脚DO 输出磁电翻转特性 图7-4b. EG276的3脚DOB 输出磁电翻转特性当磁通量密度B 大于翻转点Bop 时,DO 开启为低电平如图7-4a 右半轴,DOB 关断为高电平如图7-4b 右半轴。
霍尔电流检测芯片霍尔电流检测芯片是一种广泛应用于电流检测领域的传感器,可以测量通过它的电流大小,并产生相应的电压输出。
它的工作原理基于霍尔效应,即当电流通过一条导线时,沿着导线的横向施加一定大小的磁场,导线上会产生一种电势差,称为霍尔电势差。
霍尔电流检测芯片利用这个原理,将电流转换成电压信号进行检测和测量。
霍尔电流检测芯片主要由霍尔元件、电源、运算放大器和输出级组成。
其中,霍尔元件是最核心的部分,其常见的结构包括平面霍尔元件和线型霍尔元件。
平面霍尔元件通常采用CMOS工艺制作,具有体积小、功耗低、灵敏度高等特点;线型霍尔元件则是采用二维通道的方式,可以实现更高的灵敏度和更低的噪声。
电源部分为芯片提供稳定的工作电压和电流。
通常情况下,霍尔电流检测芯片需要外接电源,并通过内部的稳压电路将电压调整到合适的范围。
一般采用直流电源供电,以确保稳定的工作。
运算放大器是为了放大霍尔电压信号而设计的,它具有高输入阻抗、低噪声、高增益等特点,可以将输入的微弱电压信号放大到合适的范围。
在霍尔电流检测芯片中,运算放大器通常被配置在一个负反馈放大电路中,以提高放大器的线性度和稳定性。
输出级是将放大后的电压信号转换为可读取的电流或电压输出。
根据实际需要,输出级可以是电压型、电流型或频率型,并通过模拟电路或数字电路进行相应的处理。
霍尔电流检测芯片具有多种应用领域。
在电动车、智能家居、工控领域中,可用于电流监测、电流保护和电流控制等;在电力管理、电源管理、电子设备中,可用于电流测量和电源监控等。
总而言之,霍尔电流检测芯片是一种基于霍尔效应原理的传感器,可将电流转换为电压信号进行检测和测量。
具有体积小、功耗低、灵敏度高等特点,广泛应用于各个领域。
Complementary Output Hall Effect Latch The MH276T is an integrated Latching Hall effect sensor with output drivers, mainly designed for electronic commutation of brushless DC fans. This IC includes an on chip voltage regulator, reverse battery Diode, Hall plate, amplifier, comparator, and a pair of complementary open-collector outputs (D O, D O B). It provides a one-chip solution for driving two-coil brushless DC cooling fans. A novel V CC recovery circuit allows the complete two-wire fan control circuit to fit in a small four pin PB free package.While the magnetic flux density (B) is larger than the operate point (B OP), DO will turn on (low), and meanwhile D O B will turn off (high). Each output is latched until B is lower than the release point (B RP), and then D O and D O B will change state.For a DC fan application, it is sometimes necessary to test the reversed power connection condition. The internal protection diode only protects the chip side and not the coil side. If it is necessary to protect the coil side then add one external diode to the application circuit to block the reverse current from the coil-side. See application circuit example on page 3.Features and Benefits●On-chip Hall sensor with two different sensitivity and hysteresis settings● 3.5V to 20V operating voltage●400mA (avg.) output sink current●Built-in protecting diode only for chip reverse power connecting●-20° to +85°C operating temperature●Thermal Shut-Down Function●Short Protection Function(For 3.5V to 14V)●Low cost and high sensitivity Hall SensorApplications●Position Sensing●Dual-coil Brush-less DC Motor●Dual-coil Brush-less DC Fan●Revolution Counting●Speed MeasurementFunctional DiagramComplementary Output Hall Effect LatchPart No. Temperature Suffix Package TypeMH276TEVK-A E (-20℃ to + 85℃)VK (4-pin TO-92S)MH276TEVK-B E (-20℃ to + 85℃)VK (4-pin TO-92S)MH276TEVK-C E (-20℃ to + 85℃)VK (4-pin TO-92S)Absolute Maximum Ratings At(Ta=25℃)Characteristics Values Unit Supply voltage,(Vcc) 20 V Reverse Vcc Polarity V oltage,(V cc) -20 V Magnetic flux density Unlimited GaussOutput “on” current,(I OUT) Continuous 400mA Hold 500Peak (Start Up) 700Operating temperature range, (Ta) -20 to +85 ℃Storage temperature range, (Ts) -55 to +150 ℃Maximum Junction Temp,(Tj) 150 ℃Thermal Resistance (θJA)227 ℃/W (θJC)49 ℃/WPackage Power Dissipation, (P D) 550 mWComplementary Output Hall Effect Latch C1:10/25uFC2、C3:1uF/25V D1:1N4001 R1:5K Ω R2、R3:50Ω Q1:MMBT4401Electrical SpecificationsDC Operating Parameters : Ta=+25℃, V CC =12VParametersTest ConditionsMinTypMaxUnitsSupply V oltage,(Vcc ) Operating3.5 20.0 V Supply Current,(Icc ) B<Brp 7 14 25.0mA Output Zener Breakdown,(V z ) Vz45 55 V Output Saturation Voltage,(V Sat ) Iout=400mA,Vce=14V 600.0 950.0 mV Output Leakage Current,(I off ) V out=12V , Vce=12V<0.1 10.0 μA Output Rise Time,(T R ) Vcc=14V ,L1=L2=820Ω,CL=20PF 3.0 10.0 μS Output Falling Time,(T F ) Vcc=14V ,L1=L2=820Ω,CL=20PF 0.3 1.5 μS Switch Time Differential,(T s ) Vcc=14V ,L1=L2=820Ω,CL=20PF 3.0 10 μS Thermal shut-down Temp 130 ℃ Thermal shut-down Hysteresis40 ℃ Operate Point,(B OP )“A” Grade 5 50 Gauss “B” Grade 5 70 Gauss “C” Grade 100 Gauss Release Point,(B RP ) “A” Grade-50 -5 Gauss “B” Grade -70 -5 Gauss “C” Grade -100 Gauss Hysteresis,(B HYS )‘A ’’B”C’ Grade70GaussTypical application circuitV CCMH276T SpecificationsComplementary Output Hall Effect LatchSensor Location with Pin out and Package dimensionVK Package (To-92 4 pins)For Halogen Free For PB free276TXXXNOTES:1).Controlling dimension: mm 2).Leads must be free of flash and plating voids 3).Do not bend leads within 1 mm of lead to package interface. 4).PINOUT: Pin 1 V CC Pin 2 Do Pin 3 DoB Pin 4 GND1 2 3 41.75Output Pin Assignment1 2 3 4Vcc Do DoB GND276TXXX276TXXX。
电流霍尔芯片
电流霍尔芯片是一种新型电子元件,它被称为“传感器芯片”。
这种芯片可以测量电流,而不会影响电路的类型和功能。
电流霍尔芯片的革命性发展,使传统的围绕电源的测量技术转变为新的以芯片为基础的测量技术。
电流霍尔芯片是一种使用磁力学原理,可以对大小范围内的电流进行测量的集成电路芯片。
它由霍尔效应传感器、磁元件、放大电路和处理电路组成,可以实现可编程功能。
霍尔传感器是电流霍尔芯片的核心元件,通过在磁环中产生的电流信号,来检测电流的大小。
它可以测量非常小的电流,甚至接近0A的电流,以及高达25A的电流。
电流霍尔芯片的使用在工业和汽车领域得到了快速发展,应用于汽车发动机控制和车载电子、仪表技术。
火花塞、气门等汽车控制系统和其他内部结构都使用电流霍尔芯片来检测和控制。
电流霍尔芯片还可以用于太阳能跟踪技术,可以对太阳能发电系统进行实时监控和控制。
它可以检测太阳能发电系统中电流的变化,来实现更高效的发电,增加太阳能发电系统的稳定性。
电流霍尔芯片的另一个重要的应用是医疗仪器。
在医疗仪器中,电流霍尔芯片可以用来检测人体的血管压力,心电图,脑电图等生理变化,可以帮助检测和诊断疾病的进展。
综上所述,电流霍尔芯片是一种重要的新型传感器元件,在工业、汽车和医疗领域有着广泛的应用。
它可以检测和控制电流,极大地改善了我们对电流的测量和控制。
电流霍尔芯片的应用不仅有助于改善
技术,而且还能提高人类的生活质量。
单芯片霍尔电流传感器是一种特殊的电子元件,主要用于测量电流。
它的工作原理是利用磁场感应来测量电流。
具体来说,它内部有一个磁芯和一个霍尔元件,当电流通过磁芯时,就会产生磁场,从而被霍尔元件感知并转换成电压信号,再经过处理电路的放大和滤波,就可以得到精确的电流值,从而实现对电流的测量。
这种传感器具有高线性度、高灵敏度、高阻抗、高过载能力等优点,而且体积小、功耗低、响应时间短、频率特性好等,因此在很多领域都有应用,例如电池组检测、逆变器保护、电机控制、医疗设备等。
同时,由于其单芯片设计,也使得它具有更高的集成度和可靠性。
然而,单芯片霍尔电流传感器也有一些限制和注意事项。
例如,它只能用于直流或交流(频率较低)的电流测量,对于高频变化的电流,可能会因为高频干扰而影响测量精度。
此外,它也不能用于高电压场合,以免产生电弧或短路。
因此,在应用时需要根据实际情况选择合适的传感器,并正确安装和使用。
TC2263(文件编号:S&CIC0882) 电流模式PWM 控制器一、 概述TC2263是一款高性能、高集成度、低功耗及低成本离线式电流模式PWM 控制器芯片,专门为低于30W 的应用进行了特别优化 。
TC2263采用了低启动电流和低工作电流设计。
在启动电路中使用了较大的启动电阻以得到较小的启动电流,有效减小了系统的静态功耗,缩短系统的启动时间。
低工作电流可有效降低系统的损耗,提高系统的效率。
在空载或者轻载时,IC 进入间歇模式降低开关频率,减少开关损耗,使得系统有较低的静态功耗和较高的转换效率。
内置频率抖动设计可以有效的改善系统EMI 特性。
TC2263 内置斜坡补偿提高了系统大占空比输出时的稳定性。
电流检测输入端内置前沿消隐电路,增加了系统的抗干扰能力,减少了外围器件数量并降低了系统成本。
二、 特点低功耗、无噪声 启动电流低至3uA 工作电流约1.4mA 较少的外围器件过载保护限流保护、欠压锁定 内置前沿消隐 内置频率抖动三、 应用范围充电器、适配器 开关电源TC2263(文件编号:S&CIC0882)电流模式PWM控制器七、 最大额定值参数额定值VDD DC电源电压30VVDD钳位电压34VVDD DC 钳位电流10mAV FB输入电压-0.3-7VV SENSE输入电压-0.3-7VV RI输入电压-0.3-7V工作结温 -20℃-150℃贮存温度 -55℃-160℃注:最大允许额定值是指超过这些值可能会损坏器件,在这些条件式之下是不利于的器件工作的。
器件连续工作在最大允许额定值下可能影响器件可靠性。
所有的电压均是相对于器件GND的电压差。
八、 电气特性(参数都是在TA= 25℃的工作条件下测得,有另有注明的除外)符号参数测试条件最小值典型值最大值单位电源电压(VDD)I_VDD_Startup VDD启动电流V DD=12.5V,R I=100K 3 20uA I_VDD_Ops 芯片工作电流V DD=16V,R I=100K,V FB=3V 1.4 mA UVLO(ON) 进入欠压保护7.8 8.8 9.8 V UVLO(OFF) 退出欠压保护13 14 15 V VDD_Clamp VDD 钳位电压I VDD=10mA 34 V 反馈输入 (FB Pin)A VCS PWM 输入增益△V FB/△V CS 2.0 V/V V FB_Open FB开路电压 4.8 V I FB_Short FB pin短路电流 0.8 mAV TH_0D PWM 0占空比时FB门限电压VDD=16V, RI=100Kohm0.75VV TH_PL 过载保护FB 门限电压3.7 V T D_PL 过载保护延时 35 mSecZ FB_IN FB输入阻抗 6KohmDC_MAX 最大占空比V DD=18V, R I=100Kohm,F B=3V, CS=075 % 电流检测输入 (Sense Pin)T_blanking 前沿消隐时间RI=100Kohm 300 ns Z SENSE_IN CS输入阻抗 40KohmT D_OC 过流检测延时VDD=16V, CS>VTH_OC,FB=3.3V75 nSecVTH_OC PWM零占空比时过流门限电压FB=3.3V, RI=100Kohm0.70 0.75 0.80 V振荡频率Fosc 正常振荡频率RI=100Kohm 60 65 70 KHz△f_Temp 频率温度稳定度VDD = 16V, RI=100Kohm,T A -20℃ to 100℃ 5 % Δf_VDD频率电压稳定VDD = 12-25V, RI=100Kohm 5 %TC2263(文件编号:S&CIC0882)电流模式PWM控制器RI_range RI电阻设置范围50 100 150KohmV_RI_open RI 开路电压 2 V F osc_BM 间歇模式频率VDD = 16V, RI = 100Kohm 22 KHz驱动开关管输出VOL GATE输出低电平VDD = 16V, Io = -20 mA0.8V VOH GATE输出高电平VDD = 16V, Io = 20 mA10 V V_Clamp GATE输出钳位电压18 VT_r GATE输出上升沿时间VDD = 16V, CL = 1nf220 nSecT_f GATE输出下降沿时间VDD = 16V, CL = 1nf70 nSec频率抖动Δf_OSC 频率调制范围/基频RI=100K-3 3 % f_shuffling 抖动频率RI=100K 64 Hz九、 特性(典型参数)(VDD = 16V, RI = 100 Kohm, T A = 25o C 除非另有注明。
霍尔传感器芯片霍尔传感器芯片霍尔传感器芯片是一种常用的非接触式传感器芯片,利用霍尔效应来检测电流、磁场以及位置等物理量。
它具有高精度、快速响应、高可靠性等特点,被广泛应用于汽车电子、工业自动化、医疗设备等领域。
霍尔效应是指当电流通过一条导线或导体时,如果在垂直于电流方向上施加一个磁场,就会产生一种正交于电流和磁场方向的电势差,这个现象称为霍尔效应。
霍尔传感器芯片利用这种效应进行测量。
传统的电流测量方法需要通过电阻来测量电压降,不仅精度低,而且对系统的负载产生一定的影响。
而利用霍尔传感器芯片进行电流测量可以避免这些问题,只需要将芯片直接连接到测量电流的导线上即可。
另外,霍尔传感器芯片还可以用于检测磁场。
它通过感应输入的磁场,将磁场转换为电压信号输出。
通过测量输出电压的大小,可以得知磁场的强度和方向。
这在工业自动化领域中非常有用,可以用于检测电机转子位置、铁轨磁场分布等。
除了电流和磁场的测量,霍尔传感器芯片还可以用于检测位置。
它可以通过感应附近的磁性物体来确定位置,从而实现非接触式的位置检测。
因此,霍尔传感器芯片在汽车电子领域得到了广泛的应用,用于检测车速、转向角度、离合器位置等。
另外,霍尔传感器芯片还具有高可靠性和长寿命的特点。
它不需要接触被测物体,不会因磨损而影响测量精度。
同时,霍尔传感器芯片也不受振动、温度等外界环境的干扰,能够稳定地工作。
总的来说,霍尔传感器芯片是一种非常重要的传感器元件,具有高精度、快速响应、高可靠性等特点。
它广泛应用于汽车电子、工业自动化、医疗设备等领域,为这些领域的设备和系统提供精准的测量和控制功能。
随着科技的不断进步和应用需求的不断增加,霍尔传感器芯片的发展也将更加迅猛。
霍尔感应芯片
霍尔感应芯片是一种基于霍尔效应而设计的电子元件。
霍尔效应是指当电流通过一均匀磁场时,在导体材料中的电子流被偏转,导致在横向方向上产生电势差。
这种电势差称为霍尔电压,是霍尔效应的显著特征。
霍尔感应芯片以霍尔效应为基础,利用微电子技术制作而成。
该芯片主要用于测量磁场、电流、转速等物理量,常常用于汽车、家电、科研仪器等领域。
在工业应用中,霍尔感应芯片主要有以下优点:
1. 不接触测量。
由于霍尔效应是一种非接触式的测量方法,因此该芯片可以在不接触测量物体的情况下实现测量操作,从而避免了传统测量方法中由于接触导致的误差和磨损。
2. 高精度和稳定性。
霍尔感应芯片采用微电子技术制造,结构简单、精度高,测量结果稳定可靠。
而且霍尔芯片的响应快,适用于高速运动测量。
3. 对环境的适应性强。
霍尔感应芯片受温度、压力等环境因素的影响相对较小,即使在极端环境下,其测量精度也能得到保证。
4. 体积小、重量轻。
霍尔感应芯片非常小巧,可以轻松集成在各种设备和系统中,方便实现自动化控制和检测。
5. 低功耗和高效率。
因为霍尔感应芯片采用非接触式测量方式,不需要消耗大量能源来实现测量,因此功耗相对较低,效率较高。
霍尔感应芯片的应用领域非常广泛。
在汽车行业中,它被广泛用于车速测量、转速检测等方面;在家电行业中,它可用于电机控制、测量电流大小等方面;在科研领域中,它可用于磁场测量、非接触式测量等方面。
霍尔传感器使用说明书简要说明:一、长尺寸:32mm X宽11mm X高20mm二、主要芯片:LM393、3144霍尔传感器三、工作电压:直流5伏四、特点:1、具有信号输出指示。
2、单路信号输出。
3、输出有效信号为低电平。
4、灵敏度可调(精调)。
5、有磁场切割就有信号输出6、电路板输出开关量!(可直接接单片机)7、可用于电机测速/位置检测等场合适用场合:单片机学习、电子竞赛、产品开发、毕业设计。
【图片展示】【与单片机连接测试程序】/********************************************************************汇诚科技实现功能:此版配套测试程序使用芯片:AT89S52晶振:11.0592MHZ波特率:9600编译环境:Keil作者:zhangxinchun淘宝店:汇诚科技【声明】此程序仅用于学习与参考,引用请注明版权和作者信息!*********************************************************************/ /******************************************************************** 说明:1、当测量浓度大于设定浓度时,单片机IO口输出低电平*********************************************************************/ #include<reg52.h> //库文件#define uchar unsigned char//宏定义无符号字符型#define uint unsigned int //宏定义无符号整型/********************************************************************I/O定义*********************************************************************/ sbit LED=P1^0; //定义单片机P1口的第1位(即P1.0)为指示端sbit DOUT=P2^0; //定义单片机P2口的第1位(即P2.0)为传感器的输入端/********************************************************************延时函数*********************************************************************/ void delay()//延时程序{uchar m,n,s;for(m=20;m>0;m--)for(n=20;n>0;n--)for(s=248;s>0;s--);}/********************************************************************主函数*********************************************************************/ void main(){while(1) //无限循环{LED=1; //熄灭P1.0口灯if(DOUT==0)//当浓度高于设定值时,执行条件函数{delay();//延时抗干扰if(DOUT==0)//确定浓度高于设定值时,执行条件函数{LED=0; //点亮P1.0口灯}}}}/********************************************************************结束*********************************************************************/【与单片机连接测速参考程序】/********************************************************************汇诚科技实现功能: 电机转速表设计使用芯片:AT89S52晶振:11.0592MHZ波特率:9600编译环境:Keil作者:zhangxinchun【声明】此程序仅用于学习与参考,引用请注明版权和作者信息!#include<reg52.h> //包含单片机寄存器的头文件#include<intrins.h> //包含_nop_()函数定义的头文件sbit RS=P2^0; //寄存器选择位,将RS位定义为P2.0引脚sbit RW=P2^1; //读写选择位,将RW位定义为P2.1引脚sbit E=P2^2; //使能信号位,将E位定义为P2.2引脚sbit BF=P0^7; //忙碌标志位,,将BF位定义为P0.7引脚unsigned char code digit[ ]={"0123456789"}; //定义字符数组显示数字unsigned int v; //储存电机转速unsigned char count; //储存定时器T0中断次数bit flag; //计满1秒钟标志位/*****************************************************函数功能:延时1ms(3j+2)*i=(3×33+2)×10=1010(微秒),可以认为是1毫秒***************************************************/void delay1ms(){unsigned char i,j;for(i=0;i<10;i++)for(j=0;j<33;j++);}/*****************************************************函数功能:延时若干毫秒入口参数:n***************************************************/void delay(unsigned char n){unsigned char i;for(i=0;i<n;i++)delay1ms();}/*****************************************************函数功能:判断液晶模块的忙碌状态返回值:result。
SA276带有霍尔感应器的无刷直流风扇驱动电路描述SA276 主要用于电子转换的无刷直流风扇,电路内置霍尔 感应器、基准电压、前置放大器、施密特比较器以及互补集电 极开路输出(DO、DOB)。
SA276 内置电压反转保护二极管,但是保护二极管只能保 护集成电路,不能对线圈提供保护。
如有必要,线圈可外接二 极管,以在电压反转时阻断电流通过。
TO - 94主要特点* 内置霍尔感应器 * 较宽的工作电压范围:3.5~20V * 300mA输出陷电流 * 采用较小的TO-94封装 * 内置电压反转保护二极管产品规格分类产 品 SA276 封装形式 TO-94应用* 各种无刷直流风扇、无刷直流电机 * 回转计数器 * 速度测量内部框图杭州士兰微电子股份有限公司Http: 版本号:1.3. 2010.03.24 共6页 第1页SA276极限参数 (Tamb=25°C)参 工作电压 反向电压 磁通量密度 输出 连续电流 电流 峰值电流 结温 贮存温度 工作温度 功率消耗 焊 接 温 度 (t≤10s , 离 壳 体 1mm) 数 符 号 VCC Vrcc B Iomax Tj Tstg Tamb Ptot Tsd 参 数 范 围 20 -25 无限制 300 500 170 -55~+150 -25~+85 550 260 单 位 V V G mA mA °C °C °C mW °C电气参数 (Tamb=25°C)参 工作电压 静态电流 输出最低工作电压 输出饱和压降 输出漏电流 输出上升时间 输出下降时间 交替时间 输出嵌位电压 数 符号 VCC ICC Vce Vsat Icex tr tf Δt Vz RL=∞ VCC=3.5V, IL=100mA VCC=12V, IL=300mA VCC=12V, Vce=12V VCC=12V, RL=820Ω, CL=20pF VCC=12V, RL=820Ω, CL=20pF VCC=12V, RL=820Ω, CL=20pF 测 试 条 件 最小值 3.5 -------16 0.4 0.3 <0.1 3 0.4 3 40 0.5 10 10 2 10 典型值 最大值 20 25 单位 V mA V V μA μs μs μs V杭州士兰微电子股份有限公司Http: 版本号:1.3. 2010.03.24 共6页 第2页SA276功率耗散曲线TA(°C) Pd(mW) 25 550 40 500 50 450 60 400 70 350 80 300 90 260 100 220 110 180 120 140磁电参数(Tamb=+25°C)参 翻转点 数 SA276-A SA276-B SA276-C SA276-A 释放点 滞后宽度 SA276-B SA276-C Bhys Brp Bop 符 号 最小值 0 0 --50 -70 -90 典型值 ------75 最大值 50 70 90 0 0 -G G G 单位当磁通量密度B大于翻转点Bop时,DO开启为低电位,DOB关断为高电位。
UNISONIC TECHNOLOGIES CO., LTDUH277LINEAR INTEGRATED CIRCUITCOMPLEMENTARY OUTPUTS HALL EFFECT LATCH ICDESCRIPTIONThe UTC UH277 is a Latch-Type Hall Effect sensor with built-in complementary output drivers. It’s designed with internal temperature compensation circuit and built-in protection diode prevent reverse power fault. The application is aimed for brush-less DC Fan The UH277 Outputs operate as the Hysteresis Characteristics. The Outputs alternately ON and OFF when either the magnetic flux density larger than threshold B OP or the magnetic flux density lower than B RP.FEATURES* Widen Power Supply range from 3V ~ 20V.* On-chip Hall sensor with excellent hysteresis.* Open Collector outputs had the sinking capability up to 300mA.* Output Clamping Diodes reduce the peak output voltages during switching.* Build-in reverse protection diode.Lead-free: UH277L Halogen-free: UH277GORDERING INFORMATIONOrdering NumberNormal Lead Free Plating Halogen FreePackage Packing UH277-G04-K UH277L-G04-K UH277G-G04-K SIP-4 BulkPIN DESCRIPTIONPIN NO. PIN NAME P/I/O DESCRIPTION1 V CC P Positive Power Supply2 DO OOutputPin3 DOB OOutputPin4 V SS PGroundBLOCK DIAGRAMSENSOR LOCATIONSABSOLUTE MAXIMUM RATINGS (Ta=25℃)PARAMETER SYMBOL RATINGS UNITSupply Voltage V CC 20 V Reverse V CC Polarity Voltage V RCC -25 V Output OFF Voltage V CE 32 V Magnetic flux density B UnlimitedContinuous 0.3Hold 0.4Output ON Current Peak (Start Up)I C 0.7A Power Dissipation P D 500 mW Junction Temperature T J +150 ℃ Operating Temperature T OPR -20 ~ +85 ℃ Storage Temperature T STG -65 ~ +150 ℃ Note 1: Output Zener protection voltageELECTRICAL CHARACTERISTICS (Ta =25℃, unless otherwise specified) PARAMETER SYMBOL TEST CONDITIONS MIN TYP MAX UNIT Low Supply Voltage V CE V CC =3.5V, I L =100mA 0.6V Supply Voltage V CC 3 20 V Output Saturation Voltage V CE(SAT)V CC =14V, I L =300mA 0.3 0.6V Output Leakage Current I CEX V CE =14V, V CC =14V <0.1 10 μA Supply Current I CC V CC =20V, Output Open 15 25 mA Output Rise Time t R V CC =14V, R L =820Ω, C L =20pF 0.3 3 μS Output Falling Time t F V CC =14V, R L =820Ω, C L =20pF 0.04 1 μS Switch Time Differential Δt V CC =14V, R L =820Ω, C L =20pF 0.3 3 μSMAGNETIC CHARACTERISTICSA gradePARAMETR SYMBOL MIN TYP MAX UNIT Operate Point B OP 5 50 G Release Point B RP -50 -5 G Hysteresis B HYS 20 100 GB gradePARAMETR SYMBOL MIN TYP MAX UNIT Operate Point B OP 5 70 G Release Point B RP -70 -5 G Hysteresis B HYS 20 140 GC gradePARAMETR SYMBOL MIN TYP MAX UNIT Operate Point B OP 100 G Release Point B RP -100 G Hysteresis B HYS 20 200 GCHYSTERESIS CHARACTERISTICSTYPICAL APPLICATION CIRCUITTEST CIRCUIT14VPERFORMANCE CHARACTERISTICSTa(℃) 25 50 60 70 80 85 90 95 100105110115120P D (mW) 550 525 515 505 485475465455445425 405 385 36575501220B RPSupply Voltage (V)Typical Magnetic Switch Point VS.Supply Voltage25-25524B OPB HYSF l u x D e n s i t y (G)161015Supply Voltage (V)Typical Supply Current versus Supply Voltage520S u p p l y C u r r e n t (m A )20181425UTC assumes no responsibility for equipment failures that result from using products at values that exceed, even momentarily, rated values (such as maximum ratings, operating condition ranges, or other parameters) listed in products specifications of any and all UTC products described or contained herein. UTC products are not designed for use in life support appliances, devices or systems where malfunction of these products can be reasonably expected to result in personal injury. Reproduction in presented in this document does not form part of any quotation or contract, is believed to be accurate。