变压器保护定值单(1)
- 格式:xls
- 大小:26.00 KB
- 文档页数:5
当发电机、变压器发生过激磁故障时,电压升高或频率降低均可导致铁芯工作磁密增大,当铁芯接近或到达饱和时,铁芯损耗增加,温度上升,同时漏磁场的增加导致涡流损耗相应增加,由这些损耗引起的温升可能导致设备绝缘损坏。
现代大型发电机、变压器的额定工作磁密接近饱和,过激磁故障将导致更加严重的后果,因此大型发电机和变压器均应装设过激磁保护。
过激磁保护包括定时限和反时限,本次重点讨论反时限过激磁保护实现方法。
在变压器过激磁保护中,采用一个重要的物理量——过激磁倍数。
以SG T756数字式变压器保护装置为例,设过激磁倍数为N,它等于铁芯中的实际磁密B与额定工作磁密Bn之比,即式中:N—过激磁倍数;B,Bn—变压器铁芯磁通密度的实际值和额定值;U,Un—加在变压器绕组的实际电压和额定电压;f,fn—实际频率和额定频率。
变压器保护装置设定时限告警和反时限跳闸,反时限动作特性为七段式折线易于过激磁动作特性曲线拟合。
以下举例说明变压器反时限过激磁保护调试方法。
1、某变压器保护定值单(部分):2、试验接线:继保之星-S60 手持式继电保护测试系统输出电压UA、UB、UC、UN接入变压器保护装置机端电压端子排,发电机保护装置端子排的跳闸出口接入继保之星-S60 开入量A和公共端。
△继保之星-S60 手持式继电保护测试系统△反时限过激磁接线图3、试验软件及参数设置:选择状态序列模块,设置状态1正常态,Ua、Ub、Uc三相额定电压幅值,三相正序角度,频率50Hz,触发条件按键触发。
设置状态2故障态,模拟I段故障,故障相A电压幅值设为:60.6V×1.35=81.81V。
三相正序角度,频率50Hz,触发条件时间大于定值0.5s,设置为0.6s。
4、试验方法与结果:开始试验后,进入正常状态1,保护装置告警信号复归后,按Tab键进入故障态2,待反时限过激磁保护动作,继保之星-S60 继电器发出跳闸蜂鸣声,变压器保护装置屏幕显示对应报文信息“反时限过激磁I段动作”,继保之星-S60 开入量A采集动作时间0.524s,说明试验完成并正确动作,保护功能正常。
一. 主变压器系统参数(一) 主变压器系统参数(二)主变压器比率制动差动保护1、主变压器差动:主变压器高压侧TA 变比600/1; 主变压器低压侧TA 变比6000/1。
(1) 主变压器各侧一次额定电流:高压侧: A U S I n b n n b 3.2862423120000311=⨯==式中: U b1n 为主变压器高压侧额定电压;S n 为主变压器额定容量。
低压侧: A U S I n b n n b 65985.103120000311=⨯==式中: U b1n 为主变压器低压侧额定电压;S n 为主变压器额定容量。
(2) 主变压器各侧二次额定电流:高压侧: A n I I blhn b n b 477.01600286.312=== (n blh 为主变压器高压侧TA 变比600/1)。
低压侧: A n I I b l h n b n b 1.110060659812===(n blh 为发电机机端TA 变比6000/1)。
(3)高压侧平衡系数计算3307.11/60001/060.10.5324231H 1=⨯=⋅=TAL TAH nL n phL n n U U K 其中,nH U 1为主变压器高压侧额定电压,nL U 1为主变压器低压侧额定电压,TAL n 为低压侧CT 变比,TAH n 为高压侧CT 变比。
(4) 差动各侧电流相位差与平衡补偿主变压器各侧电流互感器二次均采用星形接线。
(5) 纵差保护最小动作电流的整定。
最小动作电流应大于主变压器额定负载时的不平衡电流,即Iop. min=Krel(Ker+ △m)I N /na= 2(0.1+0.02)X1.1=0.264 Iop.min 一般取0.2~0.3I N式中:I N —主变压器额定电流; na —电流互感器的变比;Krel —可靠系数,取1. 5~2,取2; Ker —TA 综合误差取0.02(6)起始制动电流Ires.o 的整定。
1250和125的变压器的保护定值一、引言变压器作为电力系统中不可或缺的设备,承担着电压变换和功率传输的重要任务。
而在变压器运行过程中,为了保障其安全可靠地运行,必须对其进行全面的保护。
其中,保护定值的设定是至关重要的一环。
本文将就1250和125电压等级的变压器保护定值进行深入探讨,并提供一些个人观点和理解。
二、1250和125电压等级的变压器保护定值的设置1. 过流保护定值过流保护是保护变压器的一项重要措施。
对于1250和125电压等级的变压器,过流保护定值的设置需要考虑设备的额定容量、短路电流水平、系统负荷情况等多方面因素。
在1250kV等级的变压器中,应根据其额定容量和系统的短路电流水平,设置合适的过流保护定值,以确保在短路故障发生时,及时切除故障点,防止变压器二次设备过载损坏。
而对于125kV等级的变压器,过流保护定值的设置则需要考虑其容量相对较小的情况,需要综合考虑系统特性进行合理设置。
2. 残压保护定值残压保护是指当变压器运行过程中,由于外部原因造成的变压器突然失压,导致变压器在再次得电后的运行问题。
对于1250和125电压等级的变压器,残压保护定值的设置需要考虑其对系统的影响程度以及系统的复电能力,同时考虑变压器自身的特性。
在设置残压保护定值时,需要根据变压器的型号、设计参数以及实际运行情况,进行合理的设置,在保证变压器安全可靠运行的前提下,最大限度地降低对系统运行的影响。
3. 温度保护定值变压器在运行过程中,由于负荷变化、环境温度变化等因素,可能导致其温度升高。
为了保障变压器正常运行,需要设置合适的温度保护定值。
对于1250和125电压等级的变压器,温度保护定值的设置需要考虑其额定容量、运行条件、冷却方式和环境温度等因素,以确保变压器在工作过程中不会发生过热情况,从而保证其长期稳定运行。
三、对1250和125电压等级的变压器保护定值的个人观点和理解在对1250和125电压等级的变压器保护定值进行设置时,需要充分考虑变压器自身的特点和运行环境的变化情况。
RCS-985A发变组保护定值单1、发变组保护装置参数定值单
2、发变组保护系统参数定值单
(1)保护功能总控制字
表1 RCS-985A保护功能总控制字
表2 RCS-985A变压器系统参数定值
(3)发电机系统参数
(4)高厂变系统参数
表4 RCS-985A高厂变系统参数定值
(5)励磁变系统参数
(6)系统计算参数
表1 RCS-985A主变差动保护定值
注意:高压侧为双母线接线方式,电流取主变高压侧电流。
注意:阻抗元件电流量取发电机中性点侧相间电流
表9 RCS-985A发电机定子过负荷保护定值
表11 RCS-985A发电机失磁保护定值
表13 RCS-985A发电机定电压保护定值
道输入。
表17 RCS-985A发电机启停机保护定值
表18 RCS-985A发电机误上电保护定值
表20 RCS-985A励磁过负荷保护定值
励磁过负荷定值在控制字选择为“0:交流输入”时,电流定值单位为A,在控制字选择为“1:直流输入”时,电流定值单位对应位kA。
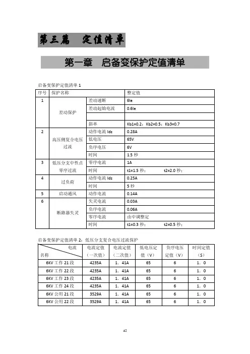
第三篇定值清单第一章启备变保护定值清单启备变保护定值清单1启备变保护定值清单2:低压分支复合电压过流保护启备变保护定值清单3:6KV工作/公用段分支限时速断第二章低厂变保护定值清单第一节电除尘备用变差动保护定值名称电除尘备用变容量2500KVA高压侧额定电流240.5A低压侧额定电流3788.0A阻抗电压0.00差动高压侧CT变比400/1差动低压侧CT变比5000/5需要的功能必须将软压板投入,不采用的功能将相应软压板退出即可。
3低压侧平衡系数的计算以高压侧为基准,计算变压器低压侧平衡系数 41310.46.3CT nL TAL phL CT nH TAH U n n K U n n =⋅=⋅其中,nH U 1为变压器高压侧额定电压(6.3KV ),nL U 1为变压器低压侧额定电压(0.4KV ),4CT n 为差动低压侧CT 变比,3CT n 为差动高压侧CT 变比。
第二节电除尘变综合保护定值名称电除尘变容量2500KVA高压侧额定电流240.5A低压侧额定电流3788.0A阻抗电压0.00测量用CT变比300/1综合保护用CT变比400/1低压侧CT变比5000/5高压零序CT变比50/1中性点零序CT变比2500/1高压侧二次额定电流0.60A低压侧二次额定电流 3.79A1 .第三节除灰变综合保护定值名称除灰变容量1600KVA高压侧额定电流154.0A低压侧额定电流2426.0A阻抗电压0.00测量用CT变比200/1综合保护用CT变比500/1低压侧CT变比3000/5高压零序CT变比50/1中性点零序CT变比1600/1高压侧二次额定电流0.31A低压侧二次额定电流 4.04A1 .第四节电除尘备用变综合保护定值名称电除尘备用变容量2500KVA高压侧额定电流240.5A低压侧额定电流3788.0A阻抗电压0.00测量用CT变比300/1综合保护用CT变比400/1低压侧CT变比5000/5高压零序CT变比50/1中性点零序CT变比2500/1高压侧二次额定电流0.60A低压侧二次额定电流 3.79A1 .2.定值清单及说明第五节公用变综合保护定值名称公用变容量2500KVA高压侧额定电流240.5A低压侧额定电流3788.0A 阻抗电压0.00测量用CT变比300/1综合保护用CT变比400/1低压侧CT变比4000/5 高压零序CT变比50/1中性点零序CT变比2000/1 高压侧二次额定电流0.60A低压侧二次额定电流 4.74A1 .第六节(A、B)工作变综合保护定值名称锅炉变容量1600KVA高压侧额定电流154.0A低压侧额定电流2426.0A阻抗电压0.00测量用CT变比200/1综合保护用CT变比500/1低压侧CT变比3000/5高压零序CT变比50/1中性点零序CT变比1600/1高压侧二次额定电流0.31A低压侧二次额定电流 4.04A1 .第七节(C、D)工作变综合保护定值名称汽机变容量2000KVA高压侧额定电流183.3A低压侧额定电流2886.0A阻抗电压0.00测量用CT变比300/1综合保护用CT变比400/1低压侧CT变比4000/5高压零序CT变比50/1中性点零序CT变比2000/1高压侧二次额定电流0.46A低压侧二次额定电流 3.61A1 .第八节输煤变综合保护定值名称输煤变容量1600KVA高压侧额定电流154.0A低压侧额定电流2426.0A阻抗电压0.00测量用CT变比200/1综合保护用CT变比500/1低压侧CT变比3000/5 高压零序CT变比50/1 中性点零序CT变比1600/1 高压侧二次额定电流0.31A 低压侧二次额定电流 4.04A 1 .第九节脱硫变综合保护定值名称脱硫变容量2000KVA高压侧额定电流183.3A低压侧额定电流2886.0A阻抗电压0.00测量用CT变比300/1综合保护用CT变比400/1低压侧CT变比4000/5高压零序CT变比50/1中性点零序CT变比2000/1高压侧二次额定电流0.46A低压侧二次额定电流 3.61A1 .第十节水工变综合保护定值名称水工变容量1250KVA高压侧额定电流120.3A阻抗电压0.00测量用CT变比n CT0150/1综合保护用CT变比n CT2150/1高压零序CT变比n CT050/1中性点零序CT变比n CT0′1200/1高压侧二次额定电流I e 0.80A1 .第十一节翻车机变变压器综合保护定值名称翻车机变容量1000KVA高压侧额定电流96.0A低压侧额定电流1512.0A阻抗电压0.00测量用CT变比150/1综合保护用CT变比150/1低压侧CT变比2000/5高压零序CT变比50/1中性点零序CT变比1000/1高压侧二次额定电流0.64A低压侧二次额定电流 3.78A1 .第十二节检修变综合保护定值名称检修变容量800KVA高压侧额定电流73.3A低压侧额定电流1154.0A阻抗电压0.00测量用CT变比100/1综合保护用CT变比100/1低压侧CT变比1500/5高压零序CT变比50/1中性点零序CT变比800/1高压侧二次额定电流0.73A低压侧二次额定电流 3.85A1 .第十三节斗轮机变综合保护定值名称斗轮机变容量1250KVA高压侧额定电流120.3A低压侧额定电流1894.7A阻抗电压0.00 测量用CT变比150/1 综合保护用CT变比150/1 低压侧CT变比2500/5 高压零序CT变比50/1 中性点零序CT变比1200/1 高压侧二次额定电流0.80A 低压侧二次额定电流 3.79A 1 .第十四节循环水变综合保护定值名称循环水变容量1000KVA高压侧额定电流96.0A低压侧额定电流1512.0A阻抗电压0.00测量用CT变比150/1综合保护用CT变比150/1低压侧CT变比2000/5高压零序CT变比50/1中性点零序CT变比1000/1高压侧二次额定电流0.64A低压侧二次额定电流 3.78A1 .第十五节照明变综合保护定值名称照明变容量800KVA高压侧额定电流73.3A低压侧额定电流1154.0A阻抗电压0.00测量用CT变比100/1综合保护用CT变比100/1低压侧CT变比1500/5高压零序CT变比50/1中性点零序CT变比1200/1高压侧二次额定电流0.73A低压侧二次额定电流 3.85A1 .。
变压器保护定值整定 Revised by Petrel at 2021变压器定值整定说明注:根据具体保护装置不同,可能产品与说明书有不符之处,以实际产品为主。
差动保护(1)、平衡系数的计算对上述表格的说明:1、Sn为计算平衡系数的基准容量。
对于两圈变压器Sn为变压器的容量;对于三圈变压器Sn一般取变压器高压侧的容量。
2、U h、U m、Ul分别为变压器高压侧、中压侧、低压侧的实际运行的电压。
3、n ha、n ma、n la分别为高压侧、中压侧、低压侧的TA变比。
4、TA的二次侧均接成“Y”型5、I b为计算平衡系数的基准电流,对于两圈变压器,I b取高压侧的二次电流;对于三圈变压器I b一般取低压侧的二次电流。
如果按上述的基准电流计算的平衡系数大于4,那么要更换基准电流I b,直到平衡系数满足0.1<K<4;如果无论怎么选取基准电流都不能满足0.1<K<4的要求,建议使用中间变流器(2)、最小动作电流I op。
0Iop。
0为差动保护的最小动作电流,应按躲过变压器额定负载运行时的最大不平衡电流整定,即:Iop.0=Nam)InUfi(n)*Krel(2∆+∆+式中:In为变压器的二次额定电流,K rel 为可靠系数,Krel=1.3—1.5;f i(n)为电流互感器在额定电流下的比值误差。
fi(n)=±0.03(10P),fi(n)=±0.01(5P)ΔU为变压器分接头调节引起的误差(相对额定电压);Δm为TA和TAA变比未完全匹配产生的误差,Δm一般取0.05。
一般情况下可取:I op.0=(0.2—0.5)In。
(3)最小制动电流的整定I res.0=Na1.0)In-(0.8。
(4)、比率制动系数K的整定最大不平衡电流的计算a、三圈变压器Iunb.max =KstKaperfiIs.max+ΔUHI+ΔUMI+Δm1I+Δm2I式中:K st 为TA 的同型系数,K st =1.0K aper 为TA 的非周期系数,Kaper=1.5—2.0(5P 或10P 型TA )或Kaper=1.0(TP 型TA ) f i 为TA 的比值误差,f i =0.1;I s.max 为流过靠近故障侧的TA 的最大外部短路周期分量电流; I 、I x 分别为在所计算的外部短路时,流过调压侧(H 、M )TA 的最大周期分量电流;I 、I 分别为在所计算的外部短路时,流过非靠近故障点的另两侧的最大周期分量电流;Δm 1、Δm 2为由于1侧和2侧的TA (包括TAA )变比不完全匹配而产生的误差,初选可取Δm 1=Δm 2=0.05;b 、两圈变压器I unb.max =(K st K aper f i +ΔU+Δm )I s.max 式中的符号与三圈变压器一样。
变压器定值整定说明注:根据具体保护装置不同,可能产品与说明书有不符之处,以实际产品为主。
差动保护(1)、平衡系数的计算对上述表格的说明:1、Sn为计算平衡系数的基准容量。
对于两圈变压器Sn为变压器的容量;对于三圈变压器Sn一般取变压器高压侧的容量。
2、U h、U m、Ul分别为变压器高压侧、中压侧、低压侧的实际运行的电压。
3、n ha、n ma、n la分别为高压侧、中压侧、低压侧的TA变比。
4、TA的二次侧均接成“Y”型5、I b为计算平衡系数的基准电流,对于两圈变压器,I b取高压侧的二次电流;对于三圈变压器I b一般取低压侧的二次电流。
如果按上述的基准电流计算的平衡系数大于4,那么要更换基准电流I b,直到平衡系数满足0。
1〈K〈4;如果无论怎么选取基准电流都不能满足0。
1〈K〈4的要求,建议使用中间变流器(2)、最小动作电流I op。
0I op.0为差动保护的最小动作电流,应按躲过变压器额定负载运行时的最大不平衡电流整定,即:I op.0=Nam)InU f i(n)*Krel(2∆+∆+式中:I n 为变压器的二次额定电流,K rel 为可靠系数,K rel =1。
3—1.5;f i (n)为电流互感器在额定电流下的比值误差.f i (n )=±0.03(10P ),f i (n )=±0.01(5P ) ΔU 为变压器分接头调节引起的误差(相对额定电压); Δm 为TA 和TAA 变比未完全匹配产生的误差,Δm 一般取0.05。
一般情况下可取:I op.0=(0。
2-0.5)I n 。
(3) 最小制动电流的整定I res 。
0 =Na1.0)In-(0.8.(4)、比率制动系数K 的整定 最大不平衡电流的计算 a 、三圈变压器I unb 。
max =K st K aper f i I s.max +ΔU H I s 。
H.max +ΔU M I s.M 。
max +Δm 1I s 。
电力变压器保护整定值计算表概述及解释说明1. 引言1.1 概述本文将讨论电力变压器保护整定值计算表的概念、作用和重要性。
变压器是电力系统中不可或缺的设备,在输电与配电中起到功率变换和保护电气设备的重要作用。
为了确保变压器能够在正常工作范围内稳定运行并及时应对故障,采取了各种保护措施。
而整定值计算表作为电力变压器保护参数设置的指南,对于实现准确可靠的保护策略至关重要。
1.2 文章结构本文共分为五个部分。
引言部分将简要介绍文章内容,明确研究目标和目的。
第二部分将详细探讨电力变压器保护整定值计算表的概述,包括其基本原理、作用和现有问题等方面内容。
第三部分将深入讨论整定值计算表的基本原理,包括相关概念、参数选择与确定方法以及构建流程等内容。
第四部分将通过具体案例分析不同类型变压器的保护整定值计算表,涵盖干式变压器、油浸式变压器以及聚合物绝缘内置组合式电力电流互感器(CT)全数字化终端装置等。
最后,在结论与展望部分对研究结果进行总结,并探讨存在的问题和未来的研究方向。
1.3 目的本文旨在系统性地介绍电力变压器保护整定值计算表的概念、原理和应用。
通过对整定值计算表的深入研究,能够帮助理解其在保护设备中起到的作用以及相关参数设置的规律。
同时,通过案例分析,可以进一步加深对不同类型变压器保护整定值计算表设计方法的了解和运用。
最终,通过文章内容的传达与分享,期望能够为电力变压器保护技术领域的研究者和工程师提供一定参考和指导,促进该领域技术的发展与创新。
2. 电力变压器保护整定值计算表概述2.1 电力变压器保护简介电力变压器作为电力系统的重要组成部分,承担着将电能从一电压等级传递到另一电压等级的任务。
在运行过程中,变压器会面临各种故障和异常情况,如过载、短路、接地故障等。
为了保证变压器的安全运行,需要对其进行有效的保护。
而电力变压器保护整定值计算表就是针对不同类型的变压器,根据其特性和工作条件,制定出的用于保护设备设定值的计算表。
-------继电保护定值本计算_____________________ 审核_____________________ 批准_____________________1. #1,#2发电机保护定值 (3)2. #1,#2主变压器保护装置定值通知单 (5)3. #1,#2低厂、#0低备保护定值通知单 (7)4. 备用电源进线保护〔95N,950〕定值通知单 (8)5. 外源线904开关保护定值通知单 (9)6. 380V备用电源开关〔402,403〕保护定值通知单 (10)7. #1,#2低厂变低压侧开关保护定值通知单 (10)8. 380V备自投装置定值通知单 (11)9. NFR 601 数字式发电机变压器组动态监视定值通知单 (12)10. 同期装置定值 (13)#1机组同期定值表 (13)#2机组同期定值表 (16)#1主变高压侧同期定值表 (20)#2主变同期定值表 (24)95O1开关同期定值表 (27)95N开关同期定值表 (31)110KV开关同期定值 (35)11. 给水泵电机保护定值 (39)12. 一次风机电机保护定值 (41)13. 引风机电机保护定值 (43)14. 380VⅠ、Ⅱ段厂用电动机定整流定值计算 (46)1、2#高压流化风机定值 (47)1、2、3#凝结水泵定值 (49)1、2#轴封风机定值 (50)1、2#射水泵定值 (51)高压启动油泵定值 (52)交流润滑油泵定值 (53)点火油泵保护定值 (54)疏水泵保护定值 (56)油箱排烟风机保护定值 (57)增压风机保护定值 (58)材料库电源 (59)消火栓加压水泵及稳压水泵控制柜电源甲、乙 (59)15. 净水站电动机保护定值 (60)化水反冲洗泵保护定值 (60)1、2#化水供水泵保护定值 (61)1、2#工业、杂用水加压泵保护定值 (62)1、2#净水加压泵保护定值 (63)#1,#2发电机保护定值厂站:编号:装置名称:DGT801D发放日期:2021年3 月03日CT变比: 1500/5一、差动保护二、复合电压过流三、定子绕组接地保护四、定子绕组对称过负荷六、转子两点接地保护三、失磁保护#1,#2主变压器保护装置定值通知单厂站:编号:装置名称:DGT801D发放日期:2021年1 月20日CT变比:150/5,1500/5 PT变比: 110/√√√第 1 页共 2页一、主变差动保护二、高压侧复压过流三、过负荷保护五、本体重瓦斯保护六、本体轻瓦斯保护八、主变温度保护九、零序过流#1,#2低厂、#0低备保护定值通知单厂站:编号:装置型号:SPL6412发放日期:2021年2月24日一、速断保护二、高压侧过流三、低压侧零序过流四、温度保护备用电源进线保护〔95N,950〕定值通知单厂站:编号:装置型号:SPL6412发放日期:2021年2月24日一、速断保护二、过流保护外源线904开关保护定值通知单厂站:编号:装置型号:发放日期:2021年2月24日一、速断保护二、过流保护380V备用电源开关〔402,403〕保护定值通知单#1,#2低厂变低压侧开关保护定值通知单380V备自投装置定值通知单厂站:编号:装置型号:WBT-820微机系列发放日期:2021年2月24日CT变比:150/5,1500/5 PT变比: 110/√√√第 1 页一、过流一段二、过流二段〔不用〕六、重合闸NFR 601 数字式发电机变压器组动态监视定值通知单三相电压与三相电流起动量参数表失磁保护不采用逆功率,因此不启动故障录波器同期装置定值七个同期点,七套定值表4-2同期主模件控制字定义表#1机组同期定值表同期主模件内部控制字定义表表4-3表4-4同期主模件内部控制1字定义表〔v1.20版以上〕#2机组同期定值表同期主模件系统定值表表4-3同期主模件内部控制字定义表表4-4同期主模件内部控制1字定义表〔v1.20版以上〕#1主变高压侧同期定值表同期主模件系统定值表表4-3同期主模件内部控制字定义表#2主变同期定值表同期主模件系统定值表表4-3同期主模件内部控制字定义表表4-4同期主模件内部控制1字定义表〔v1.20版以上〕95O1开关同期定值表表4-2同期主模件控制字定义表同期主模件系统定值表95N开关同期定值表同期主模件系统定值表表4-4同期主模件内部控制1字定义表〔v1.20版以上〕110KV开关同期定值同期主模件系统定值表表4-3同期主模件内部控制字定义表表4-4同期主模件内部控制1字定义表〔v1.20版以上〕给水泵电机保护定值容量:315KW IN=23。
脱硫变保护定值计算书批准:审核:初审:计算:脱硫73B 、74B 保护采用南京东大金智电气有限公司生产的WDZ-400系列综合保护。
一、脱硫变73B 保护定值计算书 1.脱硫变73B 基本参数 1.1额定容量:Se=2500KV A 1.2额定电压:Ue=6300/400V 1.3额定电流:Ie=229.1/3608.4A 1.4阻抗电压:Ud=6.17% 1.5连接组别:DYn11 1.6高压侧CT 变比:300/5 1.7低压侧CT 变比:5000/1 1.8低压侧零序CT 变比:5000/5 2、脱硫变73B 保护定值计算2.1、WDZ -440EX 低压变压器综合保护测控装置定值计算 1)高压侧速断保护定值:73B 折算至100MV A 的阻抗为:3X =5.210010017.6⨯=2.468 a :变压器低压母线三相短路电流max .)3(K I 计算: 由#2厂高变供电时短路电流最大,故:max .)3(K I =03334.0468.272527.029410.09160+++=0.033342.774669160+=3262Ab :变压器高压侧出口三相短路电流计算:max .)3(K I =0.0333472527.029410.09160++=34.09160=26941Ac :变压器低压母线单相接地短路电流计算:K I )(1=∑∑+⨯0123X X I bs =468.292.808291603⨯⨯⨯+=27.82827480=987A高压侧短路保护定值整定原则;a :按躲过低压母线三相短路电流计算:op I =rel K max .)3(K I =1.3×3262=4240.6Ab :按躲过励磁涌流计算:op I =K TN K =12×229.1=2749.2Ac :高压侧短路保护二次动作电流计算。
一次动作电流取4240.6A ,则二次动作电流为:op I =4240.6/60=70.67A ,取71A 。
保护定值通知单This model paper was revised by the Standardization Office on December 10, 2020-------继电保护定值本计算_____________________审核_____________________批准_____________________1.2.3.4.5.6.7.8.9.10.11.12.13.14.15.#1,#2发电机保护定值厂站:编号:装置名称:DGT801D发放日期:2009年3 月03日CT变比: 1500/5一、差动保护二、复合电压过流三、定子绕组接地保护四、定子绕组对称过负荷五、转子一点接地保护六、转子两点接地保护三、失磁保护#1,#2主变压器保护装置定值通知单厂站:编号:装置名称:DGT801D发放日期:2009年1 月20日CT变比:150/5,1500/5 PT变比: 110/√3/√3/√3/3 第 1 页共2页一、主变差动保护二、高压侧复压过流三、过负荷保护四、主变间隙零序电压电流保护五、本体重瓦斯保护六、本体轻瓦斯保护七、本体压力释放保护八、主变温度保护九、零序过流#1,#2低厂、#0低备保护定值通知单厂站: 编号: 装置型号:SPL6412 发放日期:2009年2月24日一、速断保护二、高压侧过流三、低压侧零序过流四、温度保护备用电源进线保护(95N,950)定值通知单厂站:编号:装置型号:SPL6412发放日期:2009年2月24日一、速断保护二、过流保护外源线904开关保护定值通知单厂站:编号:装置型号:发放日期:2009年2月24日一、速断保护二、过流保护三、过负荷保护380V备用电源开关(402,403)保护定值通知单低压过流保护#1,#2低厂变低压侧开关保护定值通知单低压过流保护380V备自投装置定值通知单厂站:编号:装置型号:WBT-820微机系列发放日期:2009年2月24日CT变比:150/5,1500/5 PT变比: 110/√3/√3/√3/3 第 1 页一、过流一段二、过流二段(不用)四、过流加速五、零序过流(不用)六、重合闸七、桥开关自投NFR 601 数字式发电机变压器组动态监视定值通知单三相电压与三相电流起动量参数表失磁保护不采用逆功率,因此不启动故障录波器同期装置定值七个同期点,七套定值表4-2同期主模件控制字定义表#1机组同期定值表同期主模件系统定值表表4-3同期主模件内部控制字定义表表4-4同期主模件内部控制1字定义表(版以上)#2机组同期定值表同期主模件系统定值表表4-3同期主模件内部控制字定义表表4-4同期主模件内部控制1字定义表(版以上)#1主变高压侧同期定值表同期主模件系统定值表表4-3同期主模件内部控制字定义表表4-4同期主模件内部控制1字定义表(版以上)#2主变同期定值表同期主模件系统定值表表4-3同期主模件内部控制字定义表。