建筑工程周进度计划表
- 格式:xls
- 大小:10.50 KB
- 文档页数:1
君台路建设工程
工
程
例
会
材
料
南京润来建筑工程有限责任公司
君台路建设工程周进度计划表
上周完成情况
本周进度计划表
说明:如遇到特殊情况未能及时解决,则施工进度将往后推迟;
南京润来建筑工程有限责任公司
君台路工程项目部
二0一二年三月二十六日
报告
致:南京鼓楼科技产业有限公司
理工大学工程兵工程学院南京工程建设监理部
中国市政工程西北设计研究院有限公司
由于科技二路与锦江路相交处实际高程比锦江路图纸设计高程低56cm,甲方于2012年3月25日通知后我单位停工,等待设计单位制定具体的施工方案,到今天我单位还没有接到具体的施工图纸,为确保如期完工和工程质量请建设单位、设计单位、监理单位尽快给出变更后的施工图纸,否则我单位不能保证按期完工。
以上存在问题,请建设单位、设计单位、监理单位尽快
解决,我单位以解为感!
南京润来建筑工程有限责任公司
君台路路项目部
二0一二年三月二十七日 .。
建筑施工周度进度表
介绍
本文档旨在记录建筑施工的周度进度,包括各项工作的计划和
实际完成情况,以及可能遇到的问题和解决方案。
周度进度
第一周
- 建筑设计确认:计划完成时间 5月3日,实际完成时间 5月5日,原因:设计方案需要修改,延误了2天。
- 土地平整:计划开始时间5月5日,实际开始时间5月6日,计划完成时间 5月9日,实际完成时间 5月10日,原因:需要更
换设备,耗时1天。
- 基础施工:计划开始时间 5月11日,实际开始时间 5月10日,计划完成时间 5月16日,实际完成时间 5月17日,原因:天
气不佳,耽误了一天。
第二周
- 主体施工:计划开始时间 5月18日,实际开始时间 5月17日,计划完成时间 5月30日,实际完成时间 5月31日,原因:设
备故障,停工了一天。
- 安装水电:计划开始时间 6月1日,实际开始时间 5月31日,计划完成时间6月6日,实际完成时间6月7日,原因:人手不足,延误了一天。
问题与解决方案
- 设备故障:及时联系供应商进行维修或更换设备。
- 天气不佳:提前制定应对方案,安排调整施工计划。
- 人手不足:合理安排施工进度,增加临时工等方案。
结论
本周度进度表记录了建筑施工的计划和实际完成情况,以及可
能出现的问题和解决方案。
对于下一周的施工进度有一定的参考价值,同时也提醒我们及时应对可能出现的问题,保证项目进度的顺
利推进。
施工周进度计划报审表背景为了保证工程项目的按时按质完成,需要编制施工周进度计划,并在每周对施工进度进行审核。
目的本文档的目的在于说明施工周进度计划报审表的内容和格式,以便审核人员对每周的施工进度进行评估。
报审表内容序号工序名称工期(天)施工进度(%)累计完成(%)班组备注1 打地基7 30% 30% 一班无2 浇筑地面5 70% 40% 二班因雨停工一天3 搭建框架10 40% 16% 三班部分材料不能及时到位4 安装管道5 60% 18% 一班工期较长,未完全完成5 整体装修15 20% 3% 二班需要增加工人数量报审表格式说明1.工序名称:填写当前施工阶段的工序名称。
2.工期(天):填写当前工序预计完成所需天数。
3.施工进度(%):填写当前工序完成的进度百分比。
4.累计完成(%):填写截止到本周累计完成的工程进度百分比。
5.班组:填写当前工序所属的班组名称。
6.备注:填写当前工序的特殊情况和问题说明。
编制施工周进度计划每个施工周期(通常为一周)结束前,施工方必须编制出下一个施工周期的进度计划,具体步骤如下:1.根据总工期和实际进度,确定下一个施工周期要完成的工程进度。
2.将工程进度分解为各个施工阶段的工序,并填写每个工序的预计工期和完成进度目标。
3.根据工期和班组数量计算出每个班组应完成的工程进度。
4.编制出施工周进度计划,并进行内部审核确认。
5.在下一个施工周期开始前,提前向相关监理部门提交本周的施工周进度计划报审表。
施工进度审核每周结束后,监理团队将对本周的施工进度进行审核。
具体步骤如下:1.将施工周进度计划报审表与施工现场实际进度对比,检查是否存在偏差。
2.对实际进度偏差较大的工序进行深入调查,了解原因并提出解决方案。
3.审核结果分为合格和不合格两种情况,合格即表示该周的施工进度达到预期目标,反之则为不合格。
4.对于不合格的情况,审核人员将提出整改意见,并催促施工方及时解决问题。
编制施工周进度计划报审表和进行施工进度审核是施工项目管理中非常重要的环节。
工程进度计划周报表致:宜昌市城市建设投资开发有限公司湖北清江工程管理咨询有限公司项目名称:平湖半岛沙河村拆迁安置房C区1#、2#楼及基坑支护工程承包商:中基建设有限公司一、本周施工完成计划情况日期:2016年5月31日~2016年6月6日二、下周施工计划情况四、现场安全文明施工:1、对现场道路进行清扫,将模板等材料分堆安放。
4、无安全事故发生。
5、对电线绝缘全面检查,对有问题电源开关、配电箱进行更换6、对进场工人进行安全教育五、安全施工方面:1、电路电机方面,电工班组对接零,防触电、漏电、开关、闸刀进行检查,对有问题设备进行更换。
六、质量方面1、严格控制模板标高。
2、模板支撑系统检查,对薄弱部位进行补充支撑。
3、对已拆模构件进行检查,尺寸偏差有问题部位要求班组查看并总结原因。
中基建设有限公司2014年3月21日工程进度计划周报表致:宜昌市城市建设投资开发有限公司湖北清江工程管理咨询有限公司项目名称:平湖半岛沙河村拆迁安置房C区1#、2#楼及基坑支护工程承包商:中基建设有限公司一、本周施工完成计划情况日期:2014年1月10日~2014年1月17日二、下周施工计划情况四、现场安全文明施工:1、对现场道路进行清扫,将模板等材料分堆安放。
2、对塔吊进行螺栓防锈。
3、工完场清,垃圾归堆,集中处理,做好安防值班工作。
4、无安全事故发生。
5、对电线绝缘全面检查,配电柜检查防雨措施。
对给水管道进行保温防冻处理.6、检查临边防护做好春节假期防范工作五、安全施工方面:1、电路电机方面,电工班组对接零,防触电、漏电、开关、闸刀进行检查,对有问题设备进行更换.2、对塔吊全面检查,对标准节螺栓涂油防锈处理。
六、质量方面1、严格控制板厚、标高。
2、浇筑后,对轻微麻面进行素浆粉刷。
3、对已拆模构件进行检查,尺寸偏差有问题部位要求班组查看并总结原因。
中基建设有限公司2014年1月17日工程进度计划周报致:宜昌市城市建设投资开发有限公司沙河项目部湖北清江工程管理咨询有限公司项目名称:平湖半岛沙河村拆迁安置房C区1#、2#楼及地下室承包商:中基建设有限公司一、本周施工完成计划情况对钢筋制作、安装、模板、混凝土、临时用电、塔吊进行了安全技术交底,本周无安全事故发生。
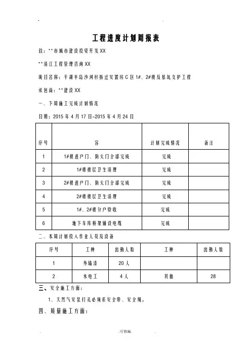
工程进度计划周报表致:**市城市建设投资开发XX**清江工程管理咨询XX项目名称:平湖半岛沙河村拆迁安置房C区1#、2#楼及基坑支护工程承包商:**建设XX一、下周施工完成计划情况日期:2015年4月17日~2015年4月24日二、本周计划投入作业人员及设备安全施工方面:1、天然气安装打孔必须系安全带、安全绳。
四、质量施工方面:1、天然气安装打孔。
真石漆墙面及墙涂料被污染,瓷砖破损,洞口封堵地面凹凸不平,由燃气公司负责。
2、楼层穿管洞口封堵及洞口防水由燃气公司负责。
3、燃气安装产生的垃圾由燃气公司负责清理。
4、消防安装楼层穿板、穿墙洞孔封堵、修补,由消防公司负责。
**建设XX2015年4月17日工程进度计划周报表致:**市城市建设投资开发XX**清江工程管理咨询XX项目名称:平湖半岛沙河村拆迁安置房C区1#、2#楼及基坑支护工程承包商:**建设XX一、下周施工完成计划情况日期:2015年3月27日~2015年4月3日二、本周计划投入作业人员及设备**建设XX2015年3月26日工程进度计划周报表致:**市城市建设投资开发XX**清江工程管理咨询XX项目名称:平湖半岛沙河村拆迁安置房C区1#、2#楼及基坑支护工程承包商:**建设XX一、下周施工完成计划情况日期:2015年3月21日~2015年3月27日二、本周计划投入作业人员及设备**建设XX2015年3月20日工程进度计划周报表致:**市城市建设投资开发XX**清江工程管理咨询XX项目名称:平湖半岛沙河村拆迁安置房C区1#、2#楼及基坑支护工程承包商:**建设XX一、本周施工完成计划情况日期:2015年1月30日~2015年2月6日二、下周施工计划情况日期:2015年2月6日~2015年2月13日 三、本周计划投入作业人员及设备四、安全施工方面:1、拆除电梯及塔吊时要加强防护,现场监督。
2、外涂工人必须佩带安全带及安全帽。
五、质量方面1、天然气安装打孔,真石漆污染了由燃气公司负责。
工程建设周进度计划表
1. 项目背景
本项目是一个工程建设项目,旨在完成某个具体目标或任务。
项目所涉及的工程建设包括但不限于建筑、交通、水利、能源等领域。
2. 进度计划
本项目的进度计划旨在安排和管理工程建设项目的各项任务和活动,以确保项目按时完成并达到预期目标。
以下是项目的周进度计划表,详细列出了每周的任务和活动。
3. 任务说明
在每周的进度计划中,每个任务都应有明确的名称、开始日期和结束日期。
这些任务可以根据实际情况进行调整和修改,以确保项目的顺利进行。
4. 进度监控
为了确保项目进度的控制和监测,必须进行定期的进度监控和评估。
相关人员应按照进度计划中的任务和活动进行工作,并及时报告进度情况。
5. 风险管理
在项目进行过程中,可能会遇到一些风险和问题。
为了降低风险对项目进度的影响,应制定相应的风险管理计划,并及时采取措施进行应对和解决。
6. 总结
本文档提供了工程建设项目的周进度计划表,帮助项目团队安排和管理任务和活动。
通过定期的进度监控和风险管理,可以确保项目按时完成并达到预期目标。
> 注意:本计划表仅供参考,具体的进度计划需要根据实际项目情况进行制定和调整。
可编辑修改精选全文完整版
xxxxxx(xx期)xxxx地块工程第xx期进度计划报审表
xxxxxxx(xx期)xxxx地块工程周进度计划报表
第期
xxxx年xx月xx日~xxxx年xx月xx日
生产负责人:技术负责人:
编制单位: xxxxxxxxxxxxxxxxxxxxx
报送时间: xxxx年xx月xx日
注明:
1、本表各分包单位于每周xx下午5:00前交总包单位,总包单位于每周xx上午10:00交监理、下午4:00交业主
2、进度计划以业主和监理审批意见为准
3、周进度计划必须保证月进度
周进度横道图
上周进度计划检查表
施工单位:
跟综检查人:
落实责任人:
1、上周未完成的必须在本周内完成,
2 若本周还不能完成上周的工作,则按照合同相关条款执行。
工程质量(实测实量)检查表
施工单位:
质量责任人:
安全文明检查表
施工单位:
安全责任人:
1、安全文明检查包括:生活区,办公区,施工区
2、消防、施工用电、安全防护、材料堆放作为检查工作的重点
需要业主和监理解决的问题
施工单位:
审查人:
注:具体回复意见以相关会议纪要或联系函为准。
施工单位周进度计划表一、工程概述本次施工项目为具体项目名称,位于项目地点,总建筑面积为建筑面积平方米。
该项目包括具体施工内容,如主体结构、装修、水电安装等,预计总工期为总工期时长。
二、本周进度计划(一)周一至周二1、基础工程完成基础土方开挖具体方量,并进行基底清理和验收。
开始基础钢筋绑扎,预计完成完成比例。
2、主体结构进行一层柱钢筋的焊接和绑扎,完成完成比例。
支设一层柱模板,完成完成比例。
3、水电安装配合土建施工,进行预留孔洞和预埋管线的施工。
(二)周三至周四1、基础工程完成基础钢筋绑扎,并进行隐蔽工程验收。
浇筑基础混凝土具体方量。
2、主体结构完成一层柱模板支设,并进行验收。
开始一层梁、板模板的支设,完成完成比例。
3、水电安装继续进行预留孔洞和预埋管线的施工,完成完成比例。
(三)周五至周六1、主体结构完成一层梁、板模板支设,并进行验收。
开始一层梁、板钢筋的绑扎,完成完成比例。
2、装修工程开始进行内外墙的基层处理,完成完成比例。
3、水电安装完成预留孔洞和预埋管线的施工,并进行验收。
(四)周日1、主体结构完成一层梁、板钢筋的绑扎,并进行隐蔽工程验收。
浇筑一层梁、板混凝土具体方量。
2、装修工程继续进行内外墙的基层处理,完成完成比例。
三、资源配置(一)人力本周计划投入施工人员具体人数,包括钢筋工人数、木工人数、混凝土工人数、水电工人数、架子工人数等。
(二)材料1、钢筋:预计本周需使用具体型号和数量的钢筋,已与供应商联系,确保按时供应。
2、混凝土:计划使用具体型号和方量的混凝土,已与搅拌站沟通好供应事宜。
3、模板:准备了足够的具体型号模板,满足本周施工需求。
(三)机械设备1、塔吊:塔吊型号塔吊正常运行,负责吊运材料和构件。
2、搅拌机:搅拌机型号搅拌机已调试完毕,保证混凝土的搅拌质量和供应。
3、电焊机、电锯等小型设备:数量充足,性能良好。
四、质量控制1、严格按照施工图纸和规范要求进行施工,每道工序完成后进行自检、互检和专检,确保质量符合标准。
建筑施工周进度计划表项目信息- 项目名称:[填写项目名称]- 项目地点:[填写项目地点]- 项目开始日期:[填写项目开始日期]- 项目结束日期:[填写项目结束日期]项目目标[填写项目目标]施工阶段准备阶段- 开始日期:[填写准备阶段开始日期]- 结束日期:[填写准备阶段结束日期]- 目标任务:1. [填写准备阶段目标任务1]2. [填写准备阶段目标任务2]3. [填写准备阶段目标任务3]基础建设阶段- 开始日期:[填写基础建设阶段开始日期] - 结束日期:[填写基础建设阶段结束日期] - 目标任务:1. [填写基础建设阶段目标任务1]2. [填写基础建设阶段目标任务2]3. [填写基础建设阶段目标任务3]主体施工阶段- 开始日期:[填写主体施工阶段开始日期] - 结束日期:[填写主体施工阶段结束日期] - 目标任务:1. [填写主体施工阶段目标任务1]2. [填写主体施工阶段目标任务2]3. [填写主体施工阶段目标任务3]室内装修阶段- 开始日期:[填写室内装修阶段开始日期] - 结束日期:[填写室内装修阶段结束日期] - 目标任务:1. [填写室内装修阶段目标任务1]2. [填写室内装修阶段目标任务2]3. [填写室内装修阶段目标任务3]竣工阶段- 开始日期:[填写竣工阶段开始日期] - 结束日期:[填写竣工阶段结束日期] - 目标任务:1. [填写竣工阶段目标任务1]2. [填写竣工阶段目标任务2]3. [填写竣工阶段目标任务3]项目进度计划第一周进度计划- 日期范围:[填写第一周日期范围] - 计划任务:1. [填写第一周计划任务1]2. [填写第一周计划任务2]3. [填写第一周计划任务3]第二周进度计划- 日期范围:[填写第二周日期范围] - 计划任务:1. [填写第二周计划任务1]2. [填写第二周计划任务2]3. [填写第二周计划任务3]第三周进度计划- 日期范围:[填写第三周日期范围] - 计划任务:1. [填写第三周计划任务1]2. [填写第三周计划任务2]3. [填写第三周计划任务3]第四周进度计划- 日期范围:[填写第四周日期范围] - 计划任务:1. [填写第四周计划任务1]2. [填写第四周计划任务2]3. [填写第四周计划任务3]风险预测[填写项目风险预测及应对措施]资源需求[填写项目所需资源及计划供应日期]预算[填写项目预算及相关费用安排]以上为建筑施工周进度计划表,供参考使用。