焊接强度试验基准
- 格式:ppt
- 大小:7.91 MB
- 文档页数:71
焊接工艺评定试验国内外标准对比解析刘杨【摘要】The welding procedure qualification test is performed to verify the correctness of the proposed weldment welding process and to evaluate the test process and results.At present,the commonly used welding procedure qualification standards and specifications at home and abroad are mainly GB 50661-2011,NB/T 47014-2011,EN ISO 15614-1:2004+A2:2012,ASME IX-2013,AWS D1.1/D1.1M-2015 and so on.The above standards and specifications were compared and analyzed from the aspects of welding procedure qualification procedure,specimen preparation,test procedure and evaluation basis.The sampling problems of butt joints for tensile,bend and impact test during the qualification were mainly discussed,and the similarities and differences of various standards and specifications were summarized.The results show that each standard or specification has its own requirements in terms of test content,sampling quantity and location,specimen size,etc.Special attentions should be paid during the actual qualification.%焊接工艺评定试验是为了验证所拟定的焊件焊接工艺的正确性而进行的试验过程及结果评价.目前国内外常用的焊接工艺评定标准和规范主要有GB 50661-2011,NB/T 47014-2011,EN ISO 15614-1:2004+A2:2012,ASME IX-2013,AWS D1.1/D1.1M-2015等.从焊接工艺评定程序、试样制备、试验过程、评定依据等方面对上述标准和规范进行了对比分析,重点探讨了对接接头焊接工艺评定中拉伸、弯曲、冲击的取样问题,并归纳了各标准和规范的异同点.结果表明:各标准和规范在检测内容、取样数量和位置、试样尺寸等方面都有各自的要求,在实际评定过程中要特别注意.【期刊名称】《理化检验-物理分册》【年(卷),期】2018(054)006【总页数】6页(P421-426)【关键词】焊接工艺评定;对接接头;拉伸;冲击;弯曲【作者】刘杨【作者单位】上海材料研究所检测中心,国家金属材料质量监督检验中心,上海200437【正文语种】中文【中图分类】TG406;T65焊接工艺评定的主要目的在于证明某一个焊接工艺是否能够获得符合要求的焊接接头,以判断该工艺的正确性、可行性,而不是评定焊接操作人员的技艺水平。
焊接条件设定基准目的和使用范围1-1 目的作为手工悬挂点焊机、机器人点焊机、固定点焊机、螺柱焊机、CO2焊机等焊接条件设定的依据,规范焊接条件的设定,保证焊接质量1-2 适用范围悬挂点焊机、机器人点焊机、固定点焊机(螺母、凸焊螺柱)、螺柱焊机2、相关文件3、悬挂点焊机、机器人点焊机焊接条件设定3-1 焊接条件主要组成3-1-1 焊接条件4大要素焊接条件4大要素包括焊接电流(H)、通电时间(W)、加压力(P)和电极形状3-1-2 焊接条件其他组成部分其它焊接条件包括匝数比(TURNER)、预压时间(SEQUANCE)、斜坡电流时间(SLOPE)冷却时间(COOL)、保持时间(HOLD)等。
3-2三段通电焊接条件三段通电焊接条件主要是针对焊接电流和焊接时间,即在整个一个焊接循环过程中,将焊接分为三段,第一段大电流短时间,第二段较大电流和长时间,第三段小电流短时间,通过三段焊接来完成一个焊点的焊接。
由于目前汽车生产厂家为了增加汽车板件的耐腐蚀性而大多采用镀锌钢板,而试验证明,三段通电焊接条件对镀锌钢板的焊接,有很大的优越性,因此被广泛采用。
日产所采用的针对不同板组焊接的三段焊接条件的经验值,详见附表1-1或附表1-2『15焊接条件表』。
3-3 焊接条件设定3-3-1 综述点焊焊接条件的设定主要是根据所要焊接金属板件的板组信息,在附表2-1或附表2-2『推荐焊接条件』記载的推荐条件中选出推荐焊接压力和焊接条件系列号,再按照焊接条件系列号在附表1-1或附表1-2『15条件焊接表』中查出通电焊接条件;3-3-2 焊接条件设定3-3-2-1 信息调查:调查以下①、②、③、④信息作为焊接条件设定依据①板組信息调查:调查要焊接焊点板组是2层板还是3层板②钢板材料种类调查:调查要焊接焊点板组材料是SP材还是GA材,是否有高强度板材③板厚(mm):调查要焊接焊点板组材料每层板材的厚度④电极头:调查要焊接焊点是否需要特殊形状的电极头(标准、特殊)3-3-2-2 标准电极头焊接条件设定过程Ø13&Ø163-3-2-2-1标准电极头定义标准电极头是指Ø13或Ø16电极帽,见右图所示;标准电极焊接条件查询适用附表1-1和附表2-1。
焊接检验标准1.1一般规定1.1.1焊接检验应按下列要求分为两类:1自检,是施工单位在制造、安装过程中,由本单位具有相应资质的检测人员或委托具有相应检验资质的检测机构进行的检验;2三检,是业主或其代表委托具有相应检验资质的独立第三方检测机构进行的检验。
1.1.2焊接检验的一般程序包括焊前检验、焊中检验和焊后检验,并应符合下列规定:1焊前检验应至少包括下列内容:1)按设计文件和相关标准的要求对工程中所用钢材、焊接材料的规格、型号(牌号)、材质、外观及质量证明文件进行确认;2)焊工合格证及认可操作范围确认;3)焊接工艺技术文件及操作规程审查;4)坡口形式、尺寸及表面质量检查;5)组对后构件的形状、位置、错边量、角变形、间隙等检查;6)焊接环境、焊接设备等条件确认;7)定位焊缝的尺寸及质量认可;8)焊接材料的烘干、保存及领用情况检查;9)引弧板、引出板和衬垫板的装配质量检查。
2焊中检验应至少包括下列内容:1)实际采用的焊接电流、焊接电压、焊接速度、预热温度、层间温度及后热温度和时间等焊接工艺参数与焊接工艺文件的符合性检查;2)多层多道焊焊道缺陷的处理情况确认;3)采用双面焊清根的焊缝,应在清根后进行外观检查及规定的无损检测;4)多层多道焊中焊层、焊道的布置及焊接顺序等检查。
3焊后检验应至少包括下列内容:1)焊缝的外观质量与外形尺寸检查;2)焊缝的无损检测;3)焊接工艺规程记录及检验报告审查。
1.1.3焊接检验前应根据结构所承受的荷载性质、施工详图及技术文件规定的焊缝质量等级要求编制检验和试验计划,由技术负责人批准并报监理工程师备案。
检验方案应包括检验批的划分、抽样检验的抽样方法、检验项目、检验方法、检验时机及相应的验收标准等内容。
1.1.4焊缝检验抽样方法应符合下列规定:1焊缝处数的计数方法:工厂制作焊缝长度不大于1000mm时,每条焊缝应为1处;长度大于1000mm时,以1000mm为基准,每增加300mm焊缝数量应增加1处;现场安装焊缝每条焊缝应为1处。
现场设备、工业管道焊接工程施工及验收规范GBJ236-82目录第一章总则第一节概述第二节一般规定第二章碳素钢及合金钢的焊接第一节材料第二节焊前准备第三节焊接工艺要求第四节焊前预热及焊后热处理第三章铝及铝合金的焊接第一节材料第二节焊前准备第三节焊接工艺要求第四章铜及铜合金的焊接第一节材料第二节焊前准备第三节焊接工艺要求第五章焊接工艺试验第一节试验原则第二节试验要求第三节试验评定第六章焊工考试第一节一般规定第二节焊工操作技能考试第三节附则第七章焊接检验第一节焊接前检查第二节焊接中间检查第三节焊接后检查第四节焊接工程交工验收附录附表1附表1-1附表1-2附表2附表3附表4附表5附表6附表7附表8附表9附表10附表11附表12附表13附表14附表15编制说明主编部门:化学工业部批准部门:国家基本建设委员会实行日期:1982年8月1日国家基本建设委员会文件(82)建发施字25号关于颁发《现场设备、工业管道焊接工程施工及验收规范》的通知国务院有关部、总局,各省、市、自治区建委,基建工程兵:由我委委托化学工业部负责组织有关单位编写的《现场设备、工业管道焊接工程施工及验收规范》,经有关部门会审,现批准为国家标准施工及验收规范,编号为GBJ236—82,自一九八二年八月一日起实行。
本规范由化学工业部基建局管理和解释。
一九八二年一月二十日第一章总则第一节概述第1.1.1条为指导设备和工业管道的焊接工程特制定本规范。
它适用于石油、化工、电力、冶金、机械和轻纺等行业工程建设的施工现场。
第1.1.2条本规范适用于碳素钢(含碳量小于或等于0.3%)、合金钢(普通低合金结构钢、低温用钢、耐热钢及奥氏体不锈钢)、铝及铝合金(工业纯铝及防锈铝合金)、铜及铜合金(紫铜及黄铜)的手工电弧焊、氩弧焊、埋弧焊、二氧化碳气体保护焊和氧-乙炔焊。
第 1.1.3条用于现场焊接作业的其他标准和设计文件中的技术要求和规定,不得低于本规范。
第1.1.4条焊接作业的安全技术、劳动保护等应按现行有关规定执行。
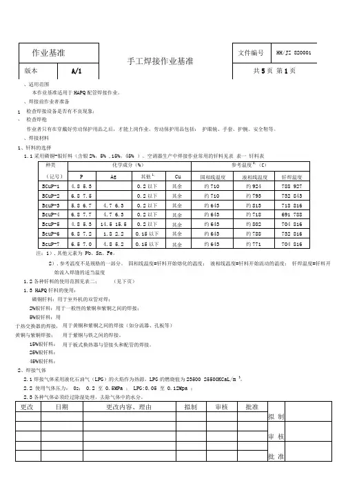
、适用范围本作业基准适用于HAPQ 配管焊接作业。
、焊接前作业者准备检查焊接设备是否有不良现象;检查焊枪作业者只有在穿戴好劳动保护用品之后,才能上岗作业。
劳动保护用品包括: 护眼镜、手套、护腕、安全鞋等。
、焊接材料1、钎料的选择1.1采用磷铜-银钎料(含银2%,5% ,15%,45% )。
空调器生产中焊接作业常用的钎料见表 表一 钎料表注:1).其他元素为 Pb 、Sn 、Fe 。
2).参考温度不是规格的一部分。
固相线温度=钎料开始熔化的温度; 液相线温度=钎料开始流动的温度; 钎焊温度=钎料开始流入焊缝的适当温度1.2各种钎料的使用范围见表二; (见下页)1.3 HAPQ 钎料的使用:磷铜钎料:用于室外机的双管对焊;2%银钎料:用于一般性的紫铜和紫铜之间的焊接; 5%银钎料:用于热交换器的焊接,黄铜与紫铜焊接; 15%银钎料: 25%银钎料: 45%银钎料: 2、焊接气体2.1焊接气体采用液化石油气(LPG )的火焰作为热源。
LPG 的燃烧值为23500 25500KCaL/m 3。
2.2 使用气体压力: 02: 0.2 至 0.5MPa ; LPG:0.05 至 0.12Mpa ; 2.3各种气体必须经过除湿处理,去除气体中的水分。
手工焊接作业基准1、 2用于黄铜和紫铜之间的焊接(如分流器、孔板等) 用于紫铜与铁之间的焊接。
用于板式换热器与管接头和配管的焊接。
3、助焊剂:3.1除热交换器配管焊接不使用助焊剂外,其他配管的焊接均要使用助焊剂保护(修补焊时可不使用助焊剂)。
3.2助焊剂使用含硼的蒸汽助焊剂(使用前为无色液体,使用时在助焊剂罐中气化)。
3.3助焊剂加注在助焊剂罐中使用,每次加入量至助焊剂罐玻璃液面窗1/2位置,当液面将至液面窗1/3下侧时,添加助焊剂(参见:六•助焊剂罐、助焊剂的操作管理)。
3.4助焊剂在助焊剂罐中气化为蒸气,与LPG在助焊剂罐中混合,经焊炬的焊嘴在燃烧时发挥作用。
焊接检验基准
一、焊接质量总则
焊缝成型饱满美观,焊道均匀光滑一致,不得有漏焊、虚焊、来熔透、咬边等明显焊接缺陷。
二、焊接前
1 .检验焊接件是否符合产品图纸要求或拼装检验基准要求。
2 .焊前儒对距焊健两侧一定范围内(手工电弧焊和气体保护焊不小于20mm)的焊件表面上的铁锈、油、油漆、尘土等污物除净,并须去除潮湿。
3 .防飞激液要求喷或者用毛刷涂,不得过量。
涂抹范围焊健两侧200mm,
4 .针对不同的结构件须采用反变形、刚性固定等措施来减少焊接变形。
三、焊接后
1.角焊缝:焊缝角度为45。
~55。
(最佳45'1)。
焊角尺寸以图纸或工艺要求为准,没标注的按:单破口焊接焊^最薄处应大于板的厚度,双破口焊接后两边焊缝厚度之和应大于板的厚度,
3 .焊缝整齐美观,焊道平直,接头平滑过渡,焊^宽度均匀.(备注:焊健宽度变化:50mm长度内应不大于3mm,大于50mm长度内的宽度变化最大应小于4mm”)
4 .饵缝,高度一致,表面凹凸在任意25mm焊缝长度内,焊健高度差不得大于2mm.
5 .库健及影响区要求焊渣、飞溅物及药皮等杂物清除干净。
6 .各个位置按要求进行焊接、不得有少焊、漏焊和虚焊。
焊接体焊后变形的,需采用火焰校正法校正:线性尺寸误差(含对角线)控制在±2mm:
构件直线度要求:总长不大于Im的,直线度为1.5,总长大于Im的,直线度不大于总长的千分之1.5。
9.没有特别说明的,钢架组合结构件按普通焊缝要求执行;其中飞溅、焊渣等在打磨工序完成。
四、检验频次I色检
拟定: 校对: 批准:。
目录1. 适用范围 (2)2. 点焊焊接质量基准 (2)3. 凸焊焊接质量基准 (8)4. 电弧焊焊接质量基准 (18)5. 电栓焊焊接质量基准 (22)6. 激光焊焊接质量基准 (24)7. 等离子焊接质量基准 (25)1. 适用范围本标准适用于在车体组装厂进行的焊接以及在产品内的全部焊接,同样也适用于对出厂零部件所进行的焊接。
2. 点焊焊接质量基准2.1 质量基准(1)熔敷不良及漏焊(忘记焊接)不得有不良和漏焊(忘记焊接)所谓熔敷不良,是指未满足表(规定的熔核直径和熔接高度的熔敷状态)。
表1表示熔核直径的种类和熔核直径。
备注1、板厚系指薄板侧的厚度。
2、对表1板厚的中间板的厚度,采用薄板侧的熔核直径。
例:板厚为1.8mm时,采用直径2.0mm的熔核直径。
3、3块板以上重叠时的熔核直径的采用,按图1。
图1单位mm采用板厚1.0的熔核直径采用板厚0.8的熔核直径4、熔核直径(D)的测定要领,按图2。
图25、板厚超过1.4mm时(含1.4mm)时,所生成的焊接金属最好为被焊接板厚W的25%以上,但是对材料符号SPFC,不适用于抗拉强度超过490N/mm2{50kgf/mm2}的。
h=焊接板厚W的25%以上(2)边缘挤出(a)边缘鼓出的允许焊接点数,按表2。
但是,对边缘部位除外。
(b )边缘挤出不得有连续2点以上,而且,在端部和拐角部(图3所示的R 所处的范围内),不得有边缘挤出。
图3备注所谓边缘挤出,系指下列两种情况。
(a)点焊焊接的压痕如图4所示,离开凸缘端。
(b )点焊焊接的压痕如图5所示,限于凸缘端的内侧,从外表美观看是需要修饰的部位,且从压痕修饰或边缘挤击。
图4图5下列情况不视为边缘挤出。
(a )从外表美观看不需要修饰的部位,压痕仅限于凸缘端面或中间板端面的内侧(图6)。
(b )压缩仅限于修饰线的内侧(图7)图6 图7中间板 修饰线(3)焊接焊点间距,按表3。
例1、P=30以下……焊点间距必须为30以下。
焊接机架基准面全文共四篇示例,供读者参考第一篇示例:焊接机架基准面是焊接过程中非常重要的一个概念,它直接影响到焊接件的质量和准确度。
在进行焊接时,如果机架基准面不稳定或不正确,会导致焊接件的偏差过大,从而影响到整个焊接过程。
正确设置和维护焊接机架基准面是非常重要的。
1. 焊接机架基准面的作用焊接机架基准面是指在焊接过程中,用来支撑和固定焊接件的平面或者曲面。
它的主要作用有以下几点:(1)定位:焊接机架基准面可以帮助确定焊接件的位置,保证焊接件在焊接过程中不会移动或者偏离位置。
(2)支撑:焊接机架基准面可以提供支撑力,确保焊接件在焊接过程中不会发生变形或者变形过大。
(3)稳定:焊接机架基准面可以提供稳定的工作平台,使焊工能够更加轻松地进行焊接工作,提高工作效率和焊接质量。
2. 焊接机架基准面的种类焊接机架基准面可以分为平面基准面和曲面基准面两种类型。
(1)平面基准面:平面基准面是指由平面构成的基准面,通常用于支撑扁平的焊接件。
平面基准面可以是水平的、垂直的或者倾斜的,根据不同的需要进行设置。
(2)曲面基准面:曲面基准面是指由曲面构成的基准面,通常用于支撑曲面的焊接件。
曲面基准面的曲率和倾斜角度需要根据焊接件的形状和需要进行设置。
4. 焊接机架基准面的维护方法为了保证焊接机架基准面的质量和稳定性,需要进行定期的维护和保养。
(1)清洁:定期清洁焊接机架基准面表面的灰尘和杂物,保持基准面的平整度和稳定性。
(2)检查:定期检查焊接机架基准面的平整度和稳定性,确保没有变形或者损坏,及时进行修复和更换。
(3)润滑:对于可调焊接机架基准面,需要定期进行润滑处理,以确保可调性和灵活性。
第二篇示例:焊接机架基准面是指在进行焊接过程中,用来确定焊接位置和保持焊接件正确位置的平面或线。
它是焊接过程中非常重要的一个概念,对焊接质量起着至关重要的作用。
本文将介绍焊接机架基准面的定义、作用、选择及设置方法等内容。
一、焊接机架基准面的定义1. 确保焊接位置准确:焊接机架基准面可以提供一个稳定的参考点,让焊工根据它来确定焊接位置和角度,保证焊接的准确性。
焊接检验规范1.目的和适用范围1.1本标准仅限铆焊制作的产品,即焊接结构件,机加工产品并不适合。
1.2明确焊接结构件的尺寸检验顺序、各类尺寸重要级别以及各级别尺寸允许误差。
(注意:未标注级别的尺寸并非意味着不需要检验,而是指按照最低级别标准检验)1.3作为评审不合格报告单签署让步、返工、报废的尺寸依据。
2.测量的精确性如果所要求的尺寸精度不合格,那么工程人员应考虑下列问题:——图纸所要求的产品尺寸精度确实是该产品使用时所必须的?——如果不是,什么样的公差可以为该产品使用所接受?——按本标准所要求的公差尺寸确实需要吗?——如果不是,何类公差可为该产品的使用所接受?2.1 各等级公差具体数据本标准要求的尺寸公差为一般焊接结构件的通用公差,数据来自GBT 19804-2005。
若工程师有其他特殊要求,必须在图纸上注明。
长度尺寸公差角度尺寸公差应采用角度的短边作为基准边,其长度可以延长至某特定的基准点。
在这种情况下,基准点应标准在图样上。
下图为角度公差两种表示方法直线度、平面度、平行度公差t直线度、平面度、平行度的测量方法:以标准的直线或平面与待测的直线或平面靠紧,两者之间的最大距离即直线度、平面度、平行度公差。
直线度测量图示(t 即为所要测量的直线度公差)2.2 公差等级的确定在未特别指出的情况下,请按下表确定各尺寸公差等级。
如表中未列出,则按作最低标准即D 级。
注:若工程师需要更高精度尺寸等级,请提前给工艺和检验人员发邮件通知,并给出具体理由。
A级:与其他重要产品刚性连接的定位尺寸且不可更改的。
如泵支座、发动机支座、罐支座与泵、发动机、罐相连的螺栓孔、罐支脚间距尺寸。
B级:与其他产品刚性连接的定位尺寸但可以更改的。
如橇座、拖车座上的各类支架位置尺寸,以钢管连接的罐、泵油箱各类孔距。
C级:关系到产品外形的尺寸——如罐、防碰架的长宽高;与其他产品柔性连接或有各种方法消除误差的定位尺寸——如以腰形孔定位的支架、以软管连接的各类孔距,使用卡箍的各种管汇法兰的尺寸。
现场设备、工业管道焊接工程施工及验收规GBJ236-82目录第一章总则第一节概述第二节一般规定第二章碳素钢及合金钢的焊接第一节材料第二节焊前准备第三节焊接工艺要求第四节焊前预热及焊后热处理第三章铝及铝合金的焊接第一节材料第二节焊前准备第三节焊接工艺要求第四章铜及铜合金的焊接第一节材料第二节焊前准备第三节焊接工艺要求第五章焊接工艺试验第一节试验原则第二节试验要求第三节试验评定第六章焊工考试第一节一般规定第二节焊工操作技能考试第三节附则第七章焊接检验第一节焊接前检查第二节焊接中间检查第三节焊接后检查第四节焊接工程交工验收附录附表1附表1-1附表1-2附表2附表3附表4附表5附表6附表7附表8附表9附表10附表11附表12附表13附表14附表15编制说明主编部门:化学工业部批准部门:国家基本建设委员会实行日期:1982年8月1日国家基本建设委员会文件(82)建发施字25号关于颁发《现场设备、工业管道焊接工程施工及验收规》的通知国务院有关部、总局,各省、市、自治区建委,基建工程兵:由我委委托化学工业部负责组织有关单位编写的《现场设备、工业管道焊接工程施工及验收规》,经有关部门会审,现批准为国家标准施工及验收规,编号为GBJ236—82,自一九八二年八月一日起实行。
本规由化学工业部基建局管理和解释。
一九八二年一月二十日第一章总则第一节概述第1.1.1条为指导设备和工业管道的焊接工程特制定本规。
它适用于石油、化工、电力、冶金、机械和轻纺等行业工程建设的施工现场。
第1.1.2条本规适用于碳素钢(含碳量小于或等于0.3%)、合金钢(普通低合金结构钢、低温用钢、耐热钢及奥氏体不锈钢)、铝及铝合金(工业纯铝及防锈铝合金)、铜及铜合金(紫铜及黄铜)的手工电弧焊、氩弧焊、埋弧焊、二氧化碳气体保护焊和氧-乙炔焊。
第1.1.3条用于现场焊接作业的其他标准和设计文件中的技术要求和规定,不得低于本规。
第1.1.4条焊接作业的安全技术、劳动保护等应按现行有关规定执行。
焊接质量检验标准焊接在电子产品装配过程中是一项很重要的技术,也是制造电子产品的重要环节之一。
它在电子产品实验、调试、生产中应用非常广泛,而且工作量相当大,焊接质量的好坏,将直接影响到产品的质量。
电子产品的故障除元器件的原因外,大多数是由于焊接质量不佳而造成的。
(一)焊点的质量要求:对焊点的质量要求,应该包括它包括良好的电气接触、足够的机械强度和光洁整齐的外观三个方面,保证焊点质量最关键的一点,就是必须避免虚焊。
(1) 插件元件焊接可接受性要求:1. 引脚凸出:单面板引脚伸出焊盘最大不超过2.3mm ;最小不低于0.5 mm 。
对于厚度超过2.3mm 的通孔板(双面板),引脚长度已确定的元件(如IC 、插座),引脚凸出是允许不可辨识的。
2. 通孔的垂直填充:焊锡的垂直填充须达孔深度的75%,即板厚的3/4;焊接面引脚和孔壁润湿至少270°。
3. 焊锡对通孔和非支撑孔焊盘的覆盖面积须≥75%。
4. 插件元件焊点的特点是:① 外形以焊接导线为中心,匀称、成裙形拉开。
② 焊料的连接呈半弓形凹面,焊料与焊件交界处平滑,接触角尽可能小。
③ 表面有光泽且平滑,无裂纹、针孔、夹渣。
(2) 贴片(矩形或方形)元件焊接可接受性要求:1.贴片元件位置的歪斜或偏移的允收标准是:不超过其元件或焊盘宽度(其中较小者)的1/2,且不可违反最小电气间隙。
2.末端焊点宽度最小为元件可焊端宽度的50%或焊盘宽度的50%,其中较小者。
3.最小焊点高度为焊锡厚度加可焊端高度的25%或0.5 mm ,其中较小者。
(3) 扁平焊片引脚焊接可接受性要求:1.扁平焊片引脚偏移的允收标准是:不超过其元件或焊盘宽度(其中较小者)的25%,且不违反最小电气间隙。
2.末端焊点宽度最小为元件引脚可焊端宽度的75%。
3.最小焊点高度为正常润湿。
(二)焊接质量的检验方法: ⑴目视检查目视检查就是从外观上检查焊接质量是否合格,也就是从外观上评价焊点有什么缺陷。