铁路道岔后曲线正矢计算步骤
- 格式:doc
- 大小:21.50 KB
- 文档页数:1
铁路工务业务常用公式一、道岔部分支距起、终点计算公式:Ai=u×(Lo+h)/Lo yn=S-(K/N)中间各支距计算公式:Bi=u/Lo×i Ci=h²/2R×i²u:尖轨跟距 h:横距 k:终端直线段长度 S:轨距 N:岔号i:序号理论弯折量=尖轨尖至基本轨接头长/尖轨长×(尖轨跟轨距+尖轨跟距-尖轨尖轨距)-(尖轨尖轨距-1435)实际弯折量=理论弯折量×1.6辙叉前开口量=辙叉前长/N 辙叉后开口量=辙叉后长/N警冲标到连接曲线中心距:Wa=40500/R﹢HL/1500岔后两股钢轨长度差:⊿l=S×L曲/R二、曲线部分超高计算公式:H=11.8v²/R检算公式:未被平衡欠超高Hc=11.8v²/R-H (不大于75mm;v²是最高客车速度)未被平衡欠超高Hg=H -11.8v²/R (不大于30mm;v²是货物列车速度)曲线正矢计算公式:f=50000/R(弦长20米) f=125000/R(弦长10米)f平=实量正矢合计/圆曲部分长分段数(缓曲长分段数一半+圆曲部分长分段数)缓和曲线正矢递增量=f/n缓和曲线始点附近点正矢=缓和曲线正矢递增量×该点纵距率缓和曲线终点附近点正矢=圆曲线正矢—缓和曲线正矢递增量×该点纵距率圆曲线始终点附近测点正矢=圆曲线计划正矢×测点纵距率曲线中央点=实量正矢倒累合计/实量正矢合计曲线长=实量正矢合计/f×10曲线长分段数=实量正矢合计/f曲线头=曲线中点—曲线长分段数/2曲线尾=曲线中点﹢曲线长分段数/2缓和曲线长=9×H×V缓和曲线长=H×1000缓和曲线长分段数=H/10直缓(ZH)=曲线头—缓和曲线长分段数/2缓圆(HY)=曲线头+缓和曲线长分段数/2圆缓(YH)=曲线尾—缓和曲线长分段数/2缓直(HZ)=曲线尾+缓和曲线长分段数/2拨后轨缝影响量=(平均拨道量×拨道地段长)/曲线半径任一点拨量=实量正矢+拨量—(前点拨量+后点拨量)/2圆曲线部分的缩短量=1500×圆曲线长/曲线半径一端缓和曲线的缩短量=1500×一端缓和曲线长/(2曲线半径长)缓和曲线里股任意点的缩短量=1500×(缓和曲线始点至计算点的长度)²/2×曲线半径×一端缓和曲线长整个曲线的缩短量=圆曲线缩短量+两端缓和曲线的缩短量缩短轨根数的计算=总缩短量/一根缩短轨的缩短量(根) Lo<L(1-S/R)圆曲线型竖曲线计算公式:竖曲线的切线长:Ⅰ、Ⅱ级线路Tv=5⊿i Ⅲ级铁路Tv=2.5⊿i竖曲线的曲线长:G≈2Tv⊿i:相邻坡段坡度的代数差竖曲线的纵距:y=x²/Rv x:竖曲线上任意点距竖曲线始(终)点的距离竖曲线标高:H=Hp±y Hp:计算点坡度标高抛物线型竖曲线计算公式:竖曲线的切线长:C=(⊿i/r)×20 r:每20米长度的变坡率竖曲线的曲线长:Tv=C/2 竖曲线的纵距:y=rx²/40000(什么意思不懂)两股钢轨长度差=SL/R内股钢轨长度=L-长度差/2外股钢轨长度=L=长度差/2三、无缝线路部分伸缩量⊿l=a×L×⊿t a:膨胀系数(0.0118)温度力Pt=250×F×⊿t F:轨钢断面积(50轨65.8,60轨77.45)轨缝公式:ao=a×L(tz—to)+1/2g tz=(T高+T低)/2 g:构造轨缝(18)四、其它部分两线间距加宽公式:WA=84500/R+(Hh×4000)/s轨枕间距公式:过渡间距a=(L-2C)/(n-2) c:接头间距其余间距b=[L-C-(n-3)a]/2速度计算:v=3.6×距离/时间。
第一讲:曲线正矢计算一、曲线的分类:目前我段主要曲线类型有:1、由两端缓和曲线和圆曲线组成的曲线,如正线曲线。
容许行车速度高。
2、由圆曲线构成的曲线。
如道岔导曲线、附带曲线。
二、圆曲线正矢的计算1、曲线头尾正好位于起终点桩上F C=L2/8RL=20M时,F C=50000/RF ZY=F YZ= F C/22、曲线头尾不在起终点桩上ZY前点:Fμ=(FC/2)*(δ/10)2ZY后点:Fη=FC-{(FC/2)*(τ/10)2}FC:圆曲线正矢δ:ZY点到后点的距离τ:ZY点到前点的距离三、缓和曲线上整点正矢的计算(起始点正好是测点)(1)缓和曲线头尾的计算:F0=F1/6(缓和曲线起点)F终= F C-F0(缓和曲线终点)(2)缓和曲线中间点正矢的计算:F1=F S= F C/N (N=L0/B:缓和曲线分段数)F2=2 F1 F3=3F1 F I=IF1(I为中间任意点)四、半点(5米桩)正矢的计算:a)ZH点后半点正矢的计算:F后=25/48*F1因为ZH点正矢f0=f1/6,很小一般为1~2MM,其前半点很小(小于1MM)因此不作计算。
b)HY(YH)点前半点计划正矢的计算F前=1/2{[L03+(L0-15)3]/6R L0+[5L0+25]/2R}-(L0-5)3/6R L0c)HY(YH)点后半点计划正矢的计算F后=1/2{[ (L0-5)3 -L03]/6R L0+[5L0+175]/2R}d)中间点(5米桩)正矢的计算F中=(F前+F后)/2五、测点不在曲线始终点时缓和曲线计划正矢的计算a)缓和曲线始点(ZH点)处相邻测点的计划正矢Fμ=αυF S(直缓点外点) αυ=1/6(δ/B)3Fη=αηF S(直缓点内点) αη=1/6[(1+δ/B)3-(δ/B)3](2) 缓圆点处相邻测点的计划正矢Fφ=F C-αυF S (缓圆点外点,缓和曲线之外)Fθ= F C-αηF S (缓圆点内点,缓和曲线之内)(αυ、αη查纵距率表《曲线设备与曲线整正》附表二)(3)缓和曲线中间点各点计划正矢的计算F I=(F C/L0)L I(I为中间任意点)说明:B:半弦长δ:缓和曲线内点到ZH、HY(YH)距离L0:缓和曲线长F C:圆曲线正矢第二讲:曲线拨道一、绳正法基本原理1、基本假定:(1)假定拨道前后两端切线方向不变,或起始点位置不变,即曲线终点拨量为零。
岔后附带曲线无资料的整治方法洛阳工务段——李永洪一、附带曲线养护维修规定(1)曲线半径不得小于连接道岔的导曲线半径,但也不得大于导曲线半径的1.5倍。
(2)连接曲线为圆曲线(不设缓和曲线),其长度不小于20米。
(3)站线道岔与曲线或道岔与其连接曲线之间的直线段长度不应小于7.5m,困难条件下不应小于6m。
(4)对连接曲线圆顺度的检验标准是:用10米弦量,连续正矢差作业验收标准不超过2mm,保养验收标准不超过4mm。
(5)线间距不大于5.2 m。
二、整治方法首先,要对曲线及曲线两端直线方向先进行拨直、拨顺。
1.通过目测假定曲线始、终点位置。
2.自假定始点起,用钢尺在曲线上股以5米弦定出各测点位置。
3.测量各测点现场正矢,填入下表中,并完成表中内容。
4.求曲线中央点位置中央点位置=现场实量正矢合计计现场实量正矢倒累计合5.求圆曲线平均正矢f c根据现场正矢分布情况,可在曲线中部选择大致相同的正矢数累加计算圆曲线平均正矢(f c)=N f=圆曲线测点数圆曲线实量正矢合计注意:求出的圆曲线平均正矢与现场实测正矢进行大致比较:若圆曲线平均正矢普遍大于现场实测正矢时,则下一步求出的曲线段数应将小数点后几位舍去,使段数减少。
反之,小数点进位,增加一段。
6.求算曲线段数、长度:曲线段数N =圆曲线平均正矢现场正矢合计(结果取整)注意:求出的段数为偶数时,曲中点(QZ)位置在正点上;求出的段数为奇数时,曲中点(QZ)位置在两点正中间。
7.重新确定、标记曲线各测点根据计算出的曲中点(QZ)位置和曲线段数,分布并标记出各测点、始点(ZY )终点(YZ )位置。
测量现场正矢,并计入下表中始点(ZY )位置 = 曲中点(QZ )位置 -2曲线段数终点(YZ )位置 = 曲中点(QZ )位置 +2曲线段数8.求出并检算连接曲线半径R ,是否满足连接曲线养护维修有关规定 曲线半径fR 12500(m ) 因该曲线半径R 导<R <1.5R 导,所以该连接曲线半径满足连接曲线养护维修有关规定 。
简易法计算岔后连接曲线正矢和定桩由于我段在更换P60轨道岔后没有进行过岔后连接曲线的重新定桩和正矢的重新计算,使目前我段岔后连接曲线普遍存在正矢超限、鹅头等病害。
为消除病害,确保行车安全,段决定对每月道岔机队所涉及的岔后连接曲线进行重新计算正矢,并重新定桩。
现将正矢计算和桩点确定方法介绍如下,以供参考。
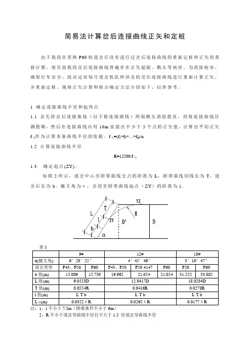
1 确定连接曲线半径和起终点1.1 首先将岔后连接曲线(以下称连接曲线)两端鹅头消除拨直,再将连接曲线目测拨顺,然后在连接曲线内用10m弦量出不少于5个点的正矢值,计算出平均正矢f均作为计算本条曲线半径的依据。
f均=(f1+f2+…+f n)/n1.2 计算连接曲线半径R=12500/f均1.3 确定起点(ZY)。
如图2所示,道岔中心至附带曲线交点的距离为L,附带曲线切线长为T,道岔后长为b,辙叉角为α,岔尾至附带曲线起点(ZY)的距离为l。
表1注:1、l不小于7.5m(困难条件不小于6m)2、R不小于道岔导曲线半径且不大于1.5 倍道岔导曲线半径2 附带曲线分段与分桩2.1 分段和确定桩点数量。
通常在测量道岔附带曲线时使用的弦长L弦为10m,桩点间距t为5m,则曲线分段数量n为:①当L圆为5的整倍数时:n为L圆/t,为便于测量曲线头尾两个桩号,需在曲线头尾向外各增设1个0号桩,故桩点数量为n+3个,分别为f0、f1、f2、……、f n+1、f0。
②当L圆不是5的整倍数时:n为(L圆/t)+1取整,则其桩点数量为n+3个,分别为f0、f1、f2、……、f n+1、f0。
2.2 分桩。
岔后附带曲线分桩与正线上相同,只是桩点间距为5m,分桩从曲线中点开始,依次向两边分桩。
①当曲线分段数n为单数时,从曲线中点向两边各量出2.5m,定为中间的两个桩点,然后分别从这两个桩点依次向两边进行分桩。
②当曲线分段数n为双数时,将曲线中点定为中间的桩点,然后从这个桩点依次向两边进行分桩。
3 起终点两侧的桩点计划正矢的计算图4圆曲线上各点正矢相等均为f c,但其始终点处因两侧曲率不同,测量弦一端在直线上,另一端在圆曲线上,因而相应的正矢与圆曲线中的各点不同。
曲线正矢的计算方法
曲线正矢的计算方法是用于测量和描述弯曲曲线的工程测量技术。
曲线正矢通
常用于公路、铁路、管道和其他基础设施项目的设计和建设中。
计算曲线正矢的方法基于以下关键参数:曲线半径、切线长度和曲线中线的弧长。
下面是一种常用的计算方法:
1. 首先,确定曲线中线的弧长。
这可以通过实地测量或使用地图和GPS等工
具来获得。
弧长通常以米为单位。
2. 确定曲线的半径。
曲线半径是曲线在任意一点的曲率半径。
它可以通过测量
曲线的两个切线和它们之间的距离,然后使用特定的公式进行计算得到。
3. 计算切线长度。
切线长度是曲线上两个相邻切线之间的距离。
它可以通过在
曲线上选择两个相邻点,然后使用距离测量仪器测量它们之间的实际距离来获得。
4. 使用以下公式计算曲线正矢:
正矢 = 切线长度^2 / (2 * 曲线半径)
曲线正矢的计算结果表示曲线的弯曲程度。
较大的正矢值表示曲线更加陡峭,
而较小的正矢值表示曲线较为平缓。
正矢的单位通常与切线长度的单位相同。
需要注意的是,在实际工程中,曲线正矢的计算还可能涉及其他因素,例如曲
线的超高和车速限制等。
因此,在设计和建设项目时,建议咨询专业工程师或使用相关软件来获得更准确的计算结果。
综上所述,曲线正矢的计算方法是基于曲线半径、切线长度和曲线中线的弧长。
通过这些参数,可以使用特定的公式计算曲线正矢。
这个数值可以帮助工程师评估曲线的弯曲程度,并在设计和建设中起到重要的指导作用。
第一讲:曲线正矢计算一、曲线得分类:目前我段主要曲线类型有:1、由两端缓与曲线与圆曲线组成得曲线,如正线曲线。
容许行车速度高。
2、由圆曲线构成得曲线。
如道岔导曲线、附带曲线。
二、圆曲线正矢得计算1、曲线头尾正好位于起终点桩上F C=L2/8RL=20M时,FC=50000/RF ZY=FYZ= F C/22、曲线头尾不在起终点桩上ZY前点:Fμ=(FC/2) *(δ/10)2ZY后点:Fη=FC-{(FC/2) *(τ/10)2}FC:圆曲线正矢δ:ZY点到后点得距离τ:ZY点到前点得距离三、缓与曲线上整点正矢得计算(起始点正好就是测点)(1)缓与曲线头尾得计算:F0=F1/6(缓与曲线起点) F终=F C-F0 (缓与曲线终点)(2)缓与曲线中间点正矢得计算:F1=F S= F C/N (N=L0/B:缓与曲线分段数)F2=2F1F3=3F1 FI=IF1(I为中间任意点)四、半点(5米桩)正矢得计算:a)ZH点后半点正矢得计算:F后=25/48*F1因为ZH点正矢f0=f1/6,很小一般为1~2MM,其前半点很小(小于1MM)因此不作计算。
b)HY(YH)点前半点计划正矢得计算F前=1/2{[L03+(L0-15)3]/6R L0+[5L0+25]/2R}-(L0-5)3/6R L0c)HY(YH)点后半点计划正矢得计算F后=1/2{[(L0-5)3-L03]/6R L0+[5L0+175]/2R}d)中间点(5米桩)正矢得计算F中=(F前+F后)/2五、测点不在曲线始终点时缓与曲线计划正矢得计算a)缓与曲线始点(ZH点)处相邻测点得计划正矢Fμ=αυF S(直缓点外点)αυ=1/6(δ/B)3Fη=αηFS(直缓点内点) αη=1/6[(1+δ/B)3-(δ/B)3](2)缓圆点处相邻测点得计划正矢Fφ=FC-αυFS (缓圆点外点,缓与曲线之外)Fθ=FC-αηF S (缓圆点内点,缓与曲线之内)(αυ、αη查纵距率表《曲线设备与曲线整正》附表二)(3)缓与曲线中间点各点计划正矢得计算F I=(F C/L0)L I(I为中间任意点)说明:B:半弦长δ:缓与曲线内点到ZH、HY(YH)距离L0:缓与曲线长F C:圆曲线正矢第二讲:曲线拨道一、绳正法基本原理1、基本假定:(1)假定拨道前后两端切线方向不变,或起始点位置不变,即曲线终点拨量为零。
铁路曲线正矢计算公式例题铁路曲线正矢计算公式例题在铁路设计中,曲线是一个重要的设计元素,目的是为了确保行车安全和行车速度。
曲线的设计参数包括半径、曲线长度和曲线正矢等。
本文将详细讨论曲线正矢的计算公式和应用例题。
1. 曲线正矢的定义曲线正矢是曲线的一个参数,是曲线下一条直线的长度,该直线与曲线的切线平行,在曲线上方。
曲线正矢是铁路曲线设计的重要指标之一,影响着铁路行车的安全和速度。
2. 曲线正矢的计算公式曲线正矢的计算公式可以根据铁路设计标准或手册给出,常用的计算公式有以下两种:(1)C=V²/127R式中,C为曲线正矢,单位为米(m);V为轨道线速度,单位为千米/小时(km/h);R为曲线半径,单位为米(m)。
该公式适用于直线轨道和大半径曲线,曲线半径大于1500米时,误差较小。
(2)C=137V²/(127R+9C)式中,C为曲线正矢,单位为米(m);V为轨道线速度,单位为千米/小时(km/h);R为曲线半径,单位为米(m)。
该公式适用于一般曲线和小半径曲线,曲线半径小于1500米时,误差较小。
3. 曲线正矢的应用例题下面举例说明曲线正矢的应用。
例题:一条半径为800米的曲线,设计速度为100km/h,求曲线正矢。
解:根据第一种计算公式,代入数据得:C=V²/127R=(100×100)/(127×800)=0.0982≈0.1(m)根据第二种计算公式,代入数据得:C=137V²/(127R+9C)=137×(100×100)/(127×800+9C)移项整理得:23C=127×800C=348.7≈350(m)因此,曲线正矢为0.1m和350m。
根据实际情况,如果曲线正矢过大,会影响行车速度;如果曲线正矢过小,则会影响行车安全。
因此,在设计曲线时,必须根据行车安全、行车速度和经济效益等因素进行合理的参数设计。
道岔附带曲线的整正一、前言(一)《铁路线路维修规则》规定:验收道岔时,同时检测两线间距小于5.2m 的附带曲线转向,用10m 弦量正矢,其连线正矢差:到发线不超过3mm ,其他站线不超过4mm ,附带曲线半径一般要求为50m 的整倍数,而曲线长往往不是5m 的整倍数。
目前附带曲线整正的方法有直股支距法和10m 弦绳正法、一弦法(长弦法),主要采用直股支距法和10m 弦绳正法两种,当曲线头尾不明或曲线状态不良时,可用支距法,当曲线状态良好,标志齐全时可用绳正法。
(二)本人在维修工队从事维修工作四年,其中维修道岔107组,后又调入新线工区(上联线茶亭工区)整治了5组新铺道岔。
在现场实际运用中采用了直股支距法和绳正法整正道岔附带曲线,均取得了不错成绩,优良率达100%。
二、确定附带曲线始、终点位置(一)确定曲线三要素附带曲线的整正要做好现场调查工作,首先在现场量得道岔号数N ,平均线间距D 及附带曲线半径R 。
1、道岔号数N :道岔号数一般为已知或用步量法测定。
2、线间距D :先拨直直股方向,然后用钢尺在附带曲线后两平行地段分别量取不少于三处,取平均值。
3、曲线半径R :在附带曲线内,用10m 弦,量正矢三处,取平均数f 平,反求该曲线的半径:R=12500f 平。
(二)确定附带曲线头、尾位置1图中 N ――道岔号码 D ――线间距(m ) T ――附带曲线切线长 b ――道岔后长 a ――辙叉角R ――附带曲线半径S ――标准轨距(1.435m ) ZY ――曲线头 YZ ――曲线尾R 为外轨曲线半径 R 外=R +s2 =R+0.7175m1)曲线头和曲线尾的横距X T =R.tan a2X=T(1+cosa)2)直内股辙叉距轴线中心至曲线头的横距f f=Dtana+T-X-b=DN+T-X-b 〔根据曲线头、尾在直股上的投影点,用方尺或支距尺在所标记的投影点影出方向(注意垂直于直股),在直内股定出一条直线,方到附带曲线侧外股定出ZY 、XZ 点〕根据f 确定ZY 点 根据X 确定YZ 点2、附带曲线头尾在曲股上的位置1)侧外股辙叉轨缝中心至曲线头的位置L 夹 L 夹=DSina-T-b 2)附带曲线头至尾的长度K K 上=Л180R 外a 。
铁路曲线正矢计算第36卷第1期2009年3月建厂科技交流EXCHANGEOF.HANCHANGSCIENCE&TECHNOLOGY ,,ol_36NO.1Mat.2009铁路曲线正矢计算路桥公司苏石曲线是铁路运输设备中的薄弱环节,它的质量直接影响到列车运行的安全和速度,因此提高曲线的施工质量和加强曲线的整正,是线路施工中的一项重要内容.1曲线整正的一般程序曲线整正工作一般按照以下的程序进行(1)先将曲线两头的直线拨顺,不使曲线头尾出现反弯或鹅头现象.否则,既使曲线拨圆了,而两头不顺,还是不合格,造成返工浪费.(2)量现场正矢:一般用20m的弦,自曲线头开始一绳一绳量过去,每测点间距为lOmo绳的两端放在上股钢轨内侧,轨面往下16mm处, 量绳的正中间与钢轨内侧的尺寸,即现场正矢. 同时,把数字按顺序记录下来.(3)计算计划正矢:根据曲线要素计算得到现场的计划正矢,作为曲线拨动的依据.(4)计算结果:按现场正矢,结合实际情况来分配计划正矢,最后算出个点拨动量.(5)拨道:在每个测点的钢轨J’bff,,~J订好木桩(不得侵入限界),在桩上固定一点,拨道时比照钢轨到木桩固定点的距离,按照计算拨动量的加减而将钢轨往外挑或往里压.(6)复核:由于钢轨具有刚性,一点的拨动会对相邻前后点产出影响.所以,拨完之后,再量一下实际的正矢是否符合调整后的计划正矢, 误差是否合格?如不合格,在个别进行调整.本文结合我单位在菏泽电厂铁路专用线轨道工程施工的实际情况,主要探讨第个程序一计算计划正矢工作,特别是对圆曲线终点前后正矢计算加以整理,得到的成果,提供给读者,以方便使用.2一般圆曲线正矢计算求圆曲线正矢的计算公式:fe:L2/8Rfc一圆曲线正矢(m);L_弦长(m);R一曲线半径(m)根据上式将常用的弦长公式简化如下:20m弦长时,fc=5OOOO/R(适用于长曲线) lOm弦长时,fc=12500/R(适用于附带曲线和短曲线)5m弦长时,fc=3125/R(适用于道岔导曲线)一圆曲线正矢(mm)R一曲线半径(m)3圆曲线始,终点正矢计算3.1圆曲线始点正矢计算一般情况测量正矢,都是从曲线头顺序开始的,所以,曲线始点均为正矢点.始点正矢=园曲线正矢,2,即:fz=fc/2.也就是说直圆点处的正矢等于圆曲线正矢的一半.3.2圆曲线终点正矢计算772009年第1期建厂科技交流由于铁路曲线长度一般不是10m的整数倍,因此,当量到曲线尾时,测点往往不正好在曲线尾上,因而发生前赶后错现象.在遇到这种情况, 以前由于有些现场技术人员不能掌握计算方法, 对曲线尾的正矢不知如何计划,因此造成或该处的正矢不能与整个曲线相衔接,使曲线尾出现反弯或鹅头等不顺,或曲线需反复多次整正,费工费力.为解决这一问题,在施J二过程中我们引入正矢系数概念,通过对曲线正矢乘以相应的系数, 得到曲线尾两侧测点的正矢.fy=n,fe.fz=mfcfy:圆曲线向上靠近曲线尾测点的正矢;(圆点) fZ:直线向上靠近曲线尾测点的正矢;(直点) n,:圆点正矢系数n::直点正矢系数在推导过程中,为了尽量使公式简单,方便记忆和使用,我们对自变量进行了选择,最终经整理得到以下正矢系数计算公式(推导过程略): n1:1-0.005x1n2_0.005x2X.:圆曲线上弦线伸入直线的长度(m)X:直线上弦线伸人圆曲线的长度(m)通过以上公式可以较容易的得到圆曲线终点两侧的计划正矢.表13-3算例菏泽电厂铁路专用线3道圆曲线JD4参数为R=600m,T=66.668m,L=132.79lm.采用20m弦长进行曲线整正(如图1).在曲线中,20m弦长与相对应的弧长相差不足lmm,故现场弦长测点按弧长计算,误差忽略不计.l计算过程如下:fe=50|R=50l600—83mm始点正矢:=fc/2:83.3/242mm圆点正矢系数:n.=1—0.005x2~=1—0.005x7.21=0.7401直点正矢系数:n2=0.005x22=0.005x2.79z=0.0389第l4点(圆点)正矢:fy=nfe=0.7401x83≈61mm第15点(直点)正矢:fz=n2fc=0.0389x83≈3ram得以下现场计划正矢表(见表1)经过以上公式很容易计算出了曲线头尾两端的正矢,据以拨出的曲线,经现场检验完全符合设计要求.为以后曲线的整正打下良好的基础. 3.4说明事项上面的正矢系数计算公式是根据20m弦长总结的,此后,我们又对10m弦长情况下的正矢进行推导.如用10m弦长量取正矢,则两侧点间距离为5m,在此情况下,应将实际量的的数值乘2 后,再应用以上系数公式.如实际量得Xl为1.2m, 则X2=5一1.2=3.8m,计算时应乘2,将2.4,7.6代78入前面的系数公式计算得到相应的正矢系数.4进一步曲线整正曲线整正时,常常会有这样情况:在测点处的正矢均合格,但往前后错几米再量就不合格了, 主要原因是在弦长范围内的圆弧不圆顺,特别是接头处的圆度不好,因为接头本身的毛病也容易造成曲线不圆.为消灭这种现象,可采用”八等分法”,即将弦长分成八等分.在20m弦内分成8个2.5m,算}H个点的矢距,拨好正矢后,再在两边各三点处(一F转第93页)建厂科技交流2009年第1期灰砂浆或粉刷石膏进行加气砼的内墙面抹灰,其主要技术指标应达到表l的要求.表1主要技术指标要求专用抹灰粉刷项目加气砼砂浆石膏密度,k{;,m400—7O0≤1(X)o≤600吸水率,%35-50≥20≥20保水率,%≥75≥75导热系数,W/(m?k)O.O8l—O.29≤0.40≤035(1.5—2.5)弹性模量,MPa≤5×103≤5×10×l线膨胀系数8×10≤5×10≤5×10-mm/(m?℃)线收缩,mm/m≤0.8≤1.O5≤O.8抗压强度MPa2.一8.O5.0—-8.O2.—.O(2)措施①施工前,先将基层墙体表面的尘土,松散的灰皮及污垢清除掉,同时对砌块的缺棱掉角, 灰缝不饱满等缺陷要进行填补,保持基层墙体洁净,再浇水充分润湿,控制加气砼的含水率在15% 左右,不应有挂水.②选专用界面剂作基层处理,认真做好加气砼表面的封闭气孑L处理,减小吸水率,并使抹灰层与加气砼有很好的粘结力.这种界面剂要有很强的柔韧性和粘结强度,而且憎水性好,用专用喷枪将界面剂均匀地喷射到墙面上,厚度2—3ram,24h后即可进行抹灰.当然,若未涂刷界面剂时,也可采取底灰中适当掺加乳胶或107胶水, 也能达到较高的粘结强度.③抹灰时可选用专用的抹灰砂浆,也可选用粉刷石膏进行抹灰.抹灰厚度控制在10mm左右即可.用粉刷石灰膏抹灰时,粉刷石膏水化后,主要生成呈网络结构排列的二水石膏晶体,与加气砼材料的多孑L结构配合协调,具有良好的整体强度,加强了抹灰层与加气砼墙表面的咬合能力, 同时粉刷石膏凝结时产生的微线膨胀,使抹灰层不易空鼓和收缩开裂.综上所述,针对抹灰层空鼓,开裂应采取的有效应对措施简单的可以归纳为:①依据抹灰材料主要技术指标,在合理成本范围内选择材料,科学地配比;②掌握此类问题产生的主要原因,严格按照规范要求施工.最后,还要强调一点,待抹灰层材料固化后,在做饰面处理时选材要注意,使外层材料的柔韧性大于内层材料的柔韧性, 外层材料的变形能力比内层材料的变形能力强, 从而才能保证在加气砼内墙面上抹灰后可长期不空鼓,开裂.^^^^^^^^^,如果超出了,就应该计算调整.有时候,某个曲线只有一段不合格, 而其它地方符合标准,我们也可以只计算调整这不合格的一段,不必通盘计算整个曲线,但计算这一段时,要注意不对其它段落产生影响.5结束语以上公式是基于铁路专用线站场内轨道铺设情况下总结成的,由于站场内轨道设计一般没有缓和曲线,因此,未对缓和曲线头尾曲线正矢进行推导,希望以后有机会弥补此缺憾,以飨读者.93。
岔后附带曲线无资料的整治方法洛阳工务段——李永洪一、附带曲线养护维修规定(1)曲线半径不得小于连接道岔的导曲线半径,但也不得大于导曲线半径的1.5倍。
(2)连接曲线为圆曲线(不设缓和曲线),其长度不小于20米。
(3)站线道岔与曲线或道岔与其连接曲线之间的直线段长度不应小于7.5m,困难条件下不应小于6m。
(4)对连接曲线圆顺度的检验标准是:用10米弦量,连续正矢差作业验收标准不超过2mm,保养验收标准不超过4mm。
(5)线间距不大于5.2 m。
二、整治方法首先,要对曲线及曲线两端直线方向先进行拨直、拨顺。
1.通过目测假定曲线始、终点位置。
2.自假定始点起,用钢尺在曲线上股以5米弦定出各测点位置。
3.测量各测点现场正矢,填入下表中,并完成表中内容。
4.求曲线中央点位置中央点位置=现场实量正矢合计计现场实量正矢倒累计合5.求圆曲线平均正矢f c根据现场正矢分布情况,可在曲线中部选择大致相同的正矢数累加计算圆曲线平均正矢(f c)=N f=圆曲线测点数圆曲线实量正矢合计注意:求出的圆曲线平均正矢与现场实测正矢进行大致比较:若圆曲线平均正矢普遍大于现场实测正矢时,则下一步求出的曲线段数应将小数点后几位舍去,使段数减少。
反之,小数点进位,增加一段。
6.求算曲线段数、长度:曲线段数N =圆曲线平均正矢现场正矢合计(结果取整)注意:求出的段数为偶数时,曲中点(QZ)位置在正点上;求出的段数为奇数时,曲中点(QZ)位置在两点正中间。
7.重新确定、标记曲线各测点根据计算出的曲中点(QZ)位置和曲线段数,分布并标记出各测点、始点(ZY )终点(YZ )位置。
测量现场正矢,并计入下表中始点(ZY )位置 = 曲中点(QZ )位置 -2曲线段数终点(YZ )位置 = 曲中点(QZ )位置 +2曲线段数8.求出并检算连接曲线半径R ,是否满足连接曲线养护维修有关规定 曲线半径fR 12500(m ) 因该曲线半径R 导<R <1.5R 导,所以该连接曲线半径满足连接曲线养护维修有关规定 。
曲线绳正法拨道及正失计算一、曲线绳正法概述曲线圆度通常是用半径来表达,如果一处曲线,其圆曲线部分各点半径完全相等,而缓和曲线部分从起点开始按照同一规律从无限大逐渐减少,到终点时和圆曲线半径相等,那就说明这处曲线是圆顺的。
但是铁路曲线半径都是很大的。
现场无法用实测半径的方法来检查曲线圆度,通常以曲线半径(R)、弦长(L)、正矢(f)的几何关系来检验,如图1一1。
图1-1以弦线测量正矢的方法,即用绳正法来检查曲线的圆度,用调整正矢的方法,使曲线达到圆顺。
测量现场正矢时,应用20m弦,在钢轨踏面下16mm处测量正矢,其偏差不得超过《修规》规定的限度。
曲线半径R(m) 缓和曲线的正矢与圆曲线正矢连续差(mm)圆曲线正矢最大R≤250 6 12 18 250<R≤350 5 10 15 350<R≤450 4 8 12 450<R≤800 3 6 9注:曲线正矢用20m 弦在钢轨踏面下16mm 处测量。
《修规》绳正法拨正曲线的基本要求一、曲线两端直线轨向不良,应事先拨正;两曲线间直线段较短时,可与两曲线同时拨正。
二、在外股钢轨上用钢尺丈量,每10m 设置1个测点(曲线头尾是否在测点上不限)。
三、在风力较小条件下,拉绳测量每个测点的正矢,测量3次,取其平均值。
四、按绳正法计算拨道量,计算时不宜为减少拨道量而大量调整计划正矢。
五、设置拨道桩,按桩拨道。
二、曲线整正的基本原理 (一)两条假定1、假定曲线两端切线方向不变,即曲线始终点拨量为零。
切线方向不变,也就是曲线的转角不变。
即∑f 现=∑f 计 式中:∑f 现——现场正矢总和 ∑f 计——计划正矢总和同时还要保证曲线两端直线不发生平行移动,即始终点拨量为零,即e 始=e 终=∑∑--=101002n n df式中:e 始——曲线始点处拨量 e 终——曲线终点处拨量df ——正矢差,等于现场正矢减计划正矢∑∑--10102n n df —-全拨量。
一、曲线(有缓)正矢、付矢、超高、加宽计算方法(例):例:已知某曲线R=310m,α=26°38′09″,l1=70m,l2=70m,H =125mm,S=5mm,V max=70km / h,求该曲线L全,L外,内距D,外距C,内距B,外距A,F Y及曲线各点F,f,H,S?解:L全=π×α×R/ 180+l1 / 2+l2 / 2 =214.114L外=π×α×R外/ 180+l1 / 2+l2 / 2=214.447内距D=(π×α×R外/ 180+l1 / 2-l2 / 2)-INT((π×α×R外/ 180+l1 / 2-l2 / 2)/10) ×10=4.447 外距C=10-D=5.553内距B=L外-INT(L外/ 10)×10 =4.447外距A=10-B=5.553外距系数a=A/10=0.5553,内距系数b=B/10=0.4447外距系数c=C/10=0.5553,内距系数d=D/10=0.4447F Y=λ2/2 R外=50000/(R+0.7175)=160.918,取161F d1=F Y /(l1/λ)=22.988F d2=F Y /(l2/λ)=22.988因 H d1=H /l1=1.786>H d=1/(9×V max)=1.587H d2=H /l2=1.786>H d=1/(9×V max)=1.587故始端、终端超高顺坡各向直线延伸9m,则 H d1=H /(l1+9)=1.582≤H dH d2=H /(l2+9)=1.582≤H dS d1=S /l1=0.071S d2=S /l2=0.071★始端正矢计算:(整桩)F ZH=F0=F d1/6=3.831,取4因 F n=n d×F d1=(D n / 10)×F d1故 F1=23、F2=46、F3=69、F4=92、F5=115、F6=138F HY=F7=F Y-F d1/6=157.086,取157★始端付矢计算:因 f n=0.75×F n+0.125×F d1故 f1=20、f2=37、f3=55、f4=72、f5=89、f6=106★始端超高、加宽计算:(略)H n=D n ×H d1S n=D n×S d1★终端正矢计算:(破桩)F D=F14=F Y-c3 /6×F d2=160.262,取160=F Y-C3/(12×R外×l2)F C=F15=F Y-(c+d3 /6)×F d2=147.816,取148=F Y-(600C+D3)/(12×R外×l2)因 F n=n d×F d2=(D n / 10)×F d2=(50×D n )/(R外×l2)故 F16=125、F17=102、F18=79、F19=56、F20=33F B=F21=(b+a3 /6)×F d2=10.879,取11=(600B+A3)/(12×R外×l2)F A=F22=b3 /6×F d2=0.337,取0=B2/(12×R外×l2)★终端付矢计算:因 C>5m,故 f YH=f15即 f15=(300×(l2+D)-(D3+2500))/(8×R外×l2)=113因 f n=0.75×F n+0.125×F d2故 f16=97、f17=80、f18=62、f19=45、f20=28f HZ=f21=(2500+600B+30B2-B3)/(24×R外×l2)=11★终端超高、轨距计算:(略)H n=D n ×H d2S n=D n ×S d2二、曲线(无缓)正矢计算方法:曲线全长 L全=π×α×R/ 180曲线外长 L外=π×α×R外/ 180内距 B=L外-INT(L外/ 10)×10外距 A=10-B圆曲线正矢 F Y=λ2/2 R外=50000/(R+0.7175)始端正矢:(整桩) F ZY=1/2×F Y终端正矢:(破桩) F A=1/2×B2/2 R外F B=1/2×(λ+B)2/2 R外-B2/2 R外=F Y-1/2×A 2/2 R外三、曲线(附带)正矢计算方法:曲线全长 L全=π×α×R/ 180(α为辙叉角)曲线外长 L外=π×α×R外/ 180内距 B=L外-INT(L外/ 5)×5外距 A=5-B圆曲线正矢 F Y=λ2/2 R外=12500/(R+0.7175)始端正矢:(整桩) F ZY=1/2×F Y终端正矢:(破桩) F A=1/2×B2/2 R外F B=1/2×(λ+B)2/2 R外-B2/2 R外=F Y-1/2×A 2/2 R外四、曲线(有缓)正矢、付矢、超高、加宽(自动)计算表:五、曲线(无缓)正矢(自动)计算表:六、常用附带曲线正矢(自动计算)表:。
第一讲:曲线正矢计算一、曲线的分类:目前我段主要曲线类型有:1、由两端缓和曲线和圆曲线组成的曲线,如正线曲线。
容许行车速度高。
2、由圆曲线构成的曲线。
如道岔导曲线、附带曲线。
二、圆曲线正矢的计算1、曲线头尾正好位于起终点桩上F C=L2/8RL=20M时,F C=50000/RF ZY=F YZ= F C/22、曲线头尾不在起终点桩上ZY前点:Fμ=(FC/2)*(δ/10)2ZY后点:Fη=FC-{(FC/2)*(τ/10)2}FC:圆曲线正矢δ:ZY点到后点的距离τ:ZY点到前点的距离三、缓和曲线上整点正矢的计算(起始点正好是测点)(1)缓和曲线头尾的计算:F0=F1/6(缓和曲线起点)F终= F C-F0(缓和曲线终点)(2)缓和曲线中间点正矢的计算:F1=F S= F C/N (N=L0/B:缓和曲线分段数)F2=2 F1 F3=3F1 F I=IF1(I为中间任意点)四、半点(5米桩)正矢的计算:a)ZH点后半点正矢的计算:F后=25/48*F1因为ZH点正矢f0=f1/6,很小一般为1~2MM,其前半点很小(小于1MM)因此不作计算。
b)H Y(YH)点前半点计划正矢的计算F前=1/2{[L03+(L0-15)3]/6R L0+[5L0+25]/2R}-(L0-5)3/6R L0c)HY(YH)点后半点计划正矢的计算F后=1/2{[ (L0-5)3 -L03]/6R L0+[5L0+175]/2R}d)中间点(5米桩)正矢的计算F中=(F前+F后)/2五、测点不在曲线始终点时缓和曲线计划正矢的计算a)缓和曲线始点(ZH点)处相邻测点的计划正矢Fμ=αυF S(直缓点外点) αυ=1/6(δ/B)3Fη=αηF S(直缓点内点) αη=1/6[(1+δ/B)3-(δ/B)3](2) 缓圆点处相邻测点的计划正矢Fφ=F C-αυF S (缓圆点外点,缓和曲线之外)Fθ= F C-αηF S (缓圆点内点,缓和曲线之内)(αυ、αη查纵距率表《曲线设备与曲线整正》附表二)(3)缓和曲线中间点各点计划正矢的计算F I=(F C/L0)L I(I为中间任意点)说明:B:半弦长δ:缓和曲线内点到ZH、HY(YH)距离L0:缓和曲线长F C:圆曲线正矢第二讲:曲线拨道一、绳正法基本原理1、基本假定:(1)假定拨道前后两端切线方向不变,或起始点位置不变,即曲线终点拨量为零。
一、曲线(有缓)正矢、付矢、超高、加宽计算方法(例):例:已知某曲线R=310m,α=26°38′09″,l1=70m,l2=70m,H =125mm,S=5mm,V max=70km / h,求该曲线L全,L外,内距D,外距C,内距B,外距A,F Y及曲线各点F,f,H,S?解:L全=π×α×R/ 180+l1 / 2+l2 / 2 =214.114L外=π×α×R外/ 180+l1 / 2+l2 / 2=214.447内距D=(π×α×R外/ 180+l1 / 2-l2 / 2)-INT((π×α×R外/ 180+l1 / 2-l2 / 2)/10) ×10=4.447 外距C=10-D=5.553内距B=L外-INT(L外/ 10)×10 =4.447外距A=10-B=5.553外距系数a=A/10=0.5553,内距系数b=B/10=0.4447外距系数c=C/10=0.5553,内距系数d=D/10=0.4447F Y=λ2/2 R外=50000/(R+0.7175)=160.918,取161F d1=F Y /(l1/λ)=22.988F d2=F Y /(l2/λ)=22.988因 H d1=H /l1=1.786>H d=1/(9×V max)=1.587H d2=H /l2=1.786>H d=1/(9×V max)=1.587故始端、终端超高顺坡各向直线延伸9m,则 H d1=H /(l1+9)=1.582≤H dH d2=H /(l2+9)=1.582≤H dS d1=S /l1=0.071S d2=S /l2=0.071★始端正矢计算:(整桩)F ZH=F0=F d1/6=3.831,取4因 F n=n d×F d1=(D n / 10)×F d1故 F1=23、F2=46、F3=69、F4=92、F5=115、F6=138F HY=F7=F Y-F d1/6=157.086,取157★始端付矢计算:因 f n=0.75×F n+0.125×F d1故 f1=20、f2=37、f3=55、f4=72、f5=89、f6=106★始端超高、加宽计算:(略)H n=D n ×H d1S n=D n×S d1★终端正矢计算:(破桩)F D=F14=F Y-c3 /6×F d2=160.262,取160=F Y-C3/(12×R外×l2)F C=F15=F Y-(c+d3 /6)×F d2=147.816,取148=F Y-(600C+D3)/(12×R外×l2)因 F n=n d×F d2=(D n / 10)×F d2=(50×D n )/(R外×l2)故 F16=125、F17=102、F18=79、F19=56、F20=33F B=F21=(b+a3 /6)×F d2=10.879,取11=(600B+A3)/(12×R外×l2)F A=F22=b3 /6×F d2=0.337,取0=B2/(12×R外×l2)★终端付矢计算:因 C>5m,故 f YH=f15即 f15=(300×(l2+D)-(D3+2500))/(8×R外×l2)=113因 f n=0.75×F n+0.125×F d2故 f16=97、f17=80、f18=62、f19=45、f20=28f HZ=f21=(2500+600B+30B2-B3)/(24×R外×l2)=11★终端超高、轨距计算:(略)H n=D n ×H d2S n=D n ×S d2二、曲线(无缓)正矢计算方法:曲线全长 L全=π×α×R/ 180曲线外长 L外=π×α×R外/ 180内距 B=L外-INT(L外/ 10)×10外距 A=10-B圆曲线正矢 F Y=λ2/2 R外=50000/(R+0.7175)始端正矢:(整桩) F ZY=1/2×F Y终端正矢:(破桩) F A=1/2×B2/2 R外F B=1/2×(λ+B)2/2 R外-B2/2 R外=F Y-1/2×A 2/2 R外三、曲线(附带)正矢计算方法:曲线全长 L全=π×α×R/ 180(α为辙叉角)曲线外长 L外=π×α×R外/ 180内距 B=L外-INT(L外/ 5)×5外距 A=5-B圆曲线正矢 F Y=λ2/2 R外=12500/(R+0.7175)始端正矢:(整桩) F ZY=1/2×F Y终端正矢:(破桩) F A=1/2×B2/2 R外F B=1/2×(λ+B)2/2 R外-B2/2 R外=F Y-1/2×A 2/2 R外四、曲线(有缓)正矢、付矢、超高、加宽(自动)计算表:五、曲线(无缓)正矢(自动)计算表:六、常用附带曲线正矢(自动计算)表:。
铁路工务业务常用公式一、道岔部分支距起、终点计算公式:Ai=u×(Lo+h)/Lo yn=S-(K/N)中间各支距计算公式:Bi=u/Lo×i Ci=h&sup2;/2R×i&sup2;u:尖轨跟距 h:横距 k:终端直线段长度 S:轨距 N:岔号i:序号理论弯折量=尖轨尖至基本轨接头长/尖轨长×(尖轨跟轨距+尖轨跟距-尖轨尖轨距)-(尖轨尖轨距-1435)实际弯折量=理论弯折量×1.6辙叉前开口量=辙叉前长/N 辙叉后开口量=辙叉后长/N警冲标到连接曲线中心距:Wa=40500/R﹢HL/1500岔后两股钢轨长度差:⊿l=S×L曲/R二、曲线部分超高计算公式:H=11.8v&sup2;/R检算公式:未被平衡欠超高Hc=11.8v&sup2;/R-H (不大于75mm;v&sup2;是最高客车速度)未被平衡欠超高Hg=H -11.8v&sup2;/R (不大于30mm;v&sup2;是货物列车速度)曲线正矢计算公式:f=50000/R(弦长20米) f=125000/R(弦长10米)f平=实量正矢合计/圆曲部分长分段数(缓曲长分段数一半+圆曲部分长分段数)圆曲线始终点附近测点正矢=圆曲线计划正矢×测点纵距率缓和曲线正矢递增量=f/n缓和曲线始点附近点正矢=缓和曲线正矢递增量×该点纵距率缓和曲线终点附近点正矢=圆曲线正矢—缓和曲线正矢递增量×该点纵距率曲线中央点=实量正矢倒累合计/实量正矢合计曲线长=实量正矢合计/f×10曲线长分段数=实量正矢合计/f曲线头=曲线中点—曲线长分段数/2曲线尾=曲线中点﹢曲线长分段数/2缓和曲线长=9×H×V缓和曲线长=H×1000缓和曲线长分段数=H/10直缓(ZH)=曲线头—缓和曲线长分段数/2缓圆(HY)=曲线头+缓和曲线长分段数/2圆缓(YH)=曲线尾—缓和曲线长分段数/2缓直(HZ)=曲线尾+缓和曲线长分段数/2拨后轨缝影响量=(平均拨道量×拨道地段长)/曲线半径任一点拨量=实量正矢+拨量—(前点拨量+后点拨量)/2圆曲线部分的缩短量=1500×圆曲线长/曲线半径一端缓和曲线的缩短量=1500×一端缓和曲线长/(2曲线半径长)缓和曲线里股任意点的缩短量=1500×(缓和曲线始点至计算点的长度)&sup2;/ 2×曲线半径×一端缓和曲线长整个曲线的缩短量=圆曲线缩短量+两端缓和曲线的缩短量缩短轨根数的计算=总缩短量/一根缩短轨的缩短量(根) Lo<L(1-S/R)圆曲线型竖曲线计算公式:竖曲线的切线长:Ⅰ、Ⅱ级线路Tv=5⊿i Ⅲ级铁路Tv=2.5⊿i竖曲线的曲线长:G≈2Tv⊿i:相邻坡段坡度的代数差竖曲线的纵距:y=x&sup2;/Rv x:竖曲线上任意点距竖曲线始(终)点的距离竖曲线标高:H=Hp±y Hp:计算点坡度标高抛物线型竖曲线计算公式:竖曲线的切线长:C=(⊿i/r)×20 r:每20米长度的变坡率竖曲线的曲线长:Tv=C/2 竖曲线的纵距:y=rx&sup2;/40000两股钢轨长度差=SL/R内股钢轨长度=L-长度差/2外股钢轨长度=L=长度差/2三、无缝线路部分伸缩量⊿l=a×L×⊿t a:膨胀系数(0.0118)温度力Pt=250×F×⊿t F:轨钢断面积(50轨65.8,60轨77.45)轨缝公式:ao=a×L(tz—to)+1/2g tz=(T高+T低)/2 g:构造轨缝(18)四、其它部分两线间距加宽公式:WA=84500/R+(Hh×4000)/s轨枕间距公式:过渡间距a=(L-2C)/(n-2) c:接头间距其余间距b=[L-C-(n-3)a]/2速度计算:v=3.6×距离/时间。
道岔后曲线正矢、超高设置方法
一、道岔后附带曲线曲中点位置确定方法(相邻两线平行时):
1、从尖轨尖端沿道岔直股往岔后丈量来确定QZ点在直股上的投影位置(丈量距离根据相邻股道线间距及道岔类型而定),距离为:道岔前长+道岔号数×线间距。
(P60-12号道岔前长为12.197m;P50-12号道岔前长为13.633m;P50-9号道岔前长为11.189m)
例如,线间距为5.0m,道岔为P60-12号,则丈量距离为12.197+12*5=72.197m。
2、从QZ点在直股上的投影位置用支距尺定出垂直方向,沿该方向用弦线延伸至岔后侧股线路,则交点为QZ点。
二、ZY、YZ点确定
从QZ点往两侧丈量L/2(圆曲线全长的一半),即可定出ZY、YZ点。
三、曲线正矢桩设置
从QZ点开始,向两侧按5m丈量,两侧对称设置(曲中点桩号、最大桩号,各桩号正矢见曲线正矢资料)。
四、曲线超高设置
岔后曲线超高按15mm设置,从ZY、YZ点起向直线段顺坡(ZY、YZ点处超高为15mm),超高顺坡率不得大于2‰(长度7.5m);一般情况下按顺坡长度1‰设置(长度15m),但曲线ZY、YZ点与道岔距离过短时,造成顺坡终点进入道岔或岔后长枕时,可根据现场情部缩短顺坡长度,但顺坡长度不得短于7.5m,曲线两端顺坡长度应相同。