非接触IC卡性能介绍
- 格式:doc
- 大小:41.50 KB
- 文档页数:3
非接触IC卡详细介绍非接触式IC卡又称射频卡,由IC芯片、感应天线组成,封装在一个标准的PVC卡片内,芯片及天线无任何外露部分,是最近几年发展起来的一项新技术,它成功的将射频识别技术和IC卡技术结合起来,结束了无源(卡中无电源)和免接触这一难题,是电子领域的一大突破,卡片在一定距离范围(通常为5—10mm)靠近读写器表面,通过无线电波的传递来完成数据的读写操作。
1.非接触性IC卡与读卡器之间通过无线电波来完成读写操作,二者之间的通讯频为13.56MHZ。
非接触性IC卡本身是无源卡,当读写器对卡进行读写操作是,读写器发出的信号由两部分叠加组成:一部分是电源信号,该信号由卡接收后,与本身的L/C产生一个瞬间能量来供给芯片工作。
另一部分则是指令和数据信号,指挥芯片完成数据的读取、修改、储存等,并返回信号给读写器,完成一次读写操作。
读写器则一般由单片机,专用智能模块和天线组成,并配有与PC 的通讯接口,打印口,I/O口等,以便应用于不同的领域。
2.非接触性智能卡内部分区。
非接触性智能卡内部分为两部分:系统区(CDF)用户区(ADF)。
系统区:由卡片制造商和系统开发商及发卡机构使用。
用户区:用于存放持卡人的有关数据信息。
3.与接触式IC卡相比较,非接触式卡具有以下优点:⑴可靠性高非接触式IC卡与读写器之间无机械接触,避免了由于接触读写而产生的各种故障.例如:由于粗暴插卡,非卡外物插入,灰尘或油污导致接触不良造成的故障. 此外,非接触式卡表面无裸露芯片,无须担心芯片脱落,静电击穿,弯曲损坏等问题,既便于卡片印刷,又提高了卡片的使用可靠性.⑵操作方便由于非接触通讯,读写器在10CM范围内就可以对卡片操作,所以不必插拨卡,非常方便用户使用. 非接触式卡使用时没有方向性,卡片可以在任意方向掠过读写器表面,既可完成操作,这大大提高了每次使用的速度。
⑶防冲突非接触式卡中有快速防冲突机制,能防止卡片之间出现数据干扰,因此,读写器可以"同时"处理多张非接触式IC卡.这提高了应用的并行性,无形中提高系统工作速度.⑷可以适合于多种应用非接触式卡的序列号是唯一的,制造厂家在产品出厂前已将此序列号固化,不可再更改。
非接触式智能IC卡技术的研究与应用随着科技的不断发展,智能卡技术得以得到了广泛的应用,非接触式智能IC卡技术作为智能卡技术的一种,其主要的特点就是可以在不与终端设备接触的情况下,实现数据的传输和交互,这一点与传统的智能卡有很大的区别。
一、非接触式智能IC卡技术的概述非接触式智能IC卡,也称为非接触IC卡,是一种使用射频技术进行通信的智能卡。
该技术可以在短距离内进行通讯,无需直接接触读写器,相比于传统接触式智能卡,更为便捷、快捷、安全。
该技术具有以下特点:1. 远距离无线通讯:非接触方式通讯的载体是无线电磁波,可以实现在2至3米的远距离无线通讯。
2. 操作简便:无需与读写器直接接触,只需将读卡器靠近卡片,就可进行读写。
3. 安全性高:在无线通讯过程中,数据传输是进行加密的,在这种情况下卡片的数据更为安全。
二、非接触式智能IC卡技术在生活中的应用1. 门禁管理:非接触式智能IC卡技术可以应用在智能门禁管理系统上,通过二维码或RFID感应的方式识别身份信息,可以安全快捷地进行门禁通行。
2. 支付结算:非接触式智能IC卡技术运用在支付宝、微信等移动支付或交通卡上,用户可以在不与设备接触的情况下,实现快捷付款以及地铁、公交等交通出行。
3. 考勤管理:非接触式智能IC卡技术可以用于考勤管理,在更方便的情况下,实现员工上下班的签到、签退、考勤等功能。
三、非接触式智能IC卡技术的未来发展趋势随着非接触式智能IC卡技术的不断发展,采用了射频识别(RFID)技术的非接触IC卡、近场通讯(NFC)技术的非接触式智能IC卡等,都广泛应用于物联网、智能城市等领域中。
未来,在智能城市建设中,非接触式智能IC卡技术可以运用的领域很广,可以跟随城市发展的节奏而不断的发展。
例如,可以利用该技术进行市内交通、电子门禁、消费支付等等,可以为我们的生活带来更多的便捷。
同时还有许多学者将非接触式智能IC卡技术与人脸识别、虹膜识别、指纹识别等技术相结合,开发了更加高效的安全系统。
非接触式IC卡又称射频卡,由IC芯片、感应天线组成,封装在一个标准的PVC卡片内,芯片及天线无任何外露部分。
是世界上最近几年发展起来的一项新技术,它成功的将射频识别技术和IC卡技术结合起来,结束了无源(卡中无电源)和免接触这一难题,是电子器件领域的一大突破.卡片在一定距离范围(通常为5—10mm)靠近读写器表面,通过无线电波的传递来完成数据的读写操作。
1. 非接触性IC卡与读卡器之间通过无线电波来完成读写操作。
二者之间的通讯频为13.56MHZ。
非接触性IC卡本身是无源卡,当读写器对卡进行读写操作是,读写器发出的信号由两部分叠加组成:一部分是电源信号,该信号由卡接收后,与本身的L/C产生一个瞬间能量来供给芯片工作。
另一部分则是指令和数据信号,指挥芯片完成数据的读取、修改、储存等,并返回信号给读写器,完成一次读写操作。
读写器则一般由单片机,专用智能模块和天线组成,并配有与PC的通讯接口,打印口,I/O口等,以便应用于不同的领域。
2. 非接触性智能卡内部分区非接触性智能卡内部分为两部分:系统区(CDF)用户区(ADF)系统区:由卡片制造商和系统开发商及发卡机构使用。
用户区:用于存放持卡人的有关数据信息。
3.与接触式IC卡相比较,非接触式卡具有以下优点:⑴可靠性高非接触式IC卡与读写器之间无机械接触,避免了由于接触读写而产生的各种故障.例如:由于粗暴插卡,非卡外物插入,灰尘或油污导致接触不良造成的故障. 此外,非接触式卡表面无裸露芯片,无须担心芯片脱落,静电击穿,弯曲损坏等问题,既便于卡片印刷,又提高了卡片的使用可靠性.⑵操作方便由于非接触通讯,读写器在10CM范围内就可以对卡片操作,所以不必插拨卡,非常方便用户使用. 非接触式卡使用时没有方向性,卡片可以在任意方向掠过读写器表面,既可完成操作,这大大提高了每次使用的速度.⑶防冲突非接触式卡中有快速防冲突机制,能防止卡片之间出现数据干扰,因此,读写器可以"同时"处理多张非接触式IC卡.这提高了应用的并行性,无形中提高系统工作速度.⑷可以适合于多种应用非接触式卡的序列号是唯一的,制造厂家在产品出厂前已将此序列号固化,不可再更改. 非接触式卡与读写器之间采用双向验证机制,即读写器验证IC卡的合法性,同时IC卡也验证读写器的合法性.非接触式卡在处理前要与读写器之间进行三次相互认证,而且在通讯过程中所有的数据都加密.此外,卡中各个扇区都有自己的操作密码和访问条件.接触式卡的存储器结构特点使它一卡多用,能运用于不同系统,用户可根据不同的应用设定不同的密码和访问条件.⑸加密性能好非接触式IC卡由IC芯片,感应天线组成,并完全密封在一个标准PVC卡片中,无外露部分。
Mifare1非接触IC卡技术说明1特性1.1MIFARE RF接口(ISO/IEC14443A)•非接触数据传输并提供能源(不需电池)•工作距离:可达100mm(取决于天线尺寸结构)•工作频率:13.56MHz•快速数据传输:106kbit/s•高度数据完整性保护:16Bit CRC,奇偶校验,位编码,位计数•真正的防冲突•典型票务交易:<100ms(包括备份管理)1.2EEPROM•1Kbyte,分为16个区,每区4个块,每块16字节。
•用户可定义内存块的读写条件•数据耐久性10年•写入耐久性100.000次1.3安全性•相互三轮认证(ISO/IEC DIS9798-2)•带重现攻击保护的射频通道数据加密•每区(每应用)两个密钥,支持密钥分级的多应用场合•每卡一个唯一序列号•在运输过程中以传输密钥保护对EEPROM的访问权2概述MIFARE MF1是符合ISO/IEC14443A的非接触智能卡。
其通讯层(MIFARE RF接口)符合ISO/IEC14443A标准的第2和第3部分。
其安全层支持域检验的CRYPTO1数据流加密。
2.1非接触能源和数据传递在MIFARE卡中,芯片连接到一个几匝的天线线圈上,并嵌入塑料中,形成了一个无源的非接触卡。
不需要电池。
当卡接近读写器天线时,高速的RF通讯接口将以106kBit/s的速率传输数据。
卡4匝线圈读卡器嵌入的芯片模块天线能量数据2.2防冲突智能的防冲突功能可以同时操作读写范围内的多张卡。
防冲突算法逐一选定每张卡,保证与选定的卡执行交易,不会导致与读写范围内其他卡的数据冲突。
2.3用户便捷性MIFARE 是针对用户便捷性优化的。
例如,高速数据传输使得完整的票务交易在不到100ms 内处理完毕。
因此用户不必在读写器天线处停留,形成高的通过率,减少了公共汽车的登车时间。
在交易时,MIFARE 卡可以留在钱包里,甚至钱包里有硬币也不受影响。
2.4安全安全的重点是防欺诈。
非接触式IC卡详解一、非接触式IC卡种类IC卡(按接口方式:接触式,非接触式,双界面卡);(根据内嵌IC:存储器卡,逻辑加密卡,CPU卡)1、逻辑加密卡非加密存储器卡:卡内的集成电路芯片主要是EEPROM,具有数据存储功能,不具有数据处理功能和硬件加密功能。
逻辑加密存储卡:在非加密存储卡的基础上增加了加密逻辑电路,加密逻辑电路通过效验密码方式来保护卡内的数据对于外部访问是否开放,但是是低层次的安全保护,无法防范恶意性的攻击。
2、CPU卡也称智能卡,卡内的集成电路中带有微处理器CPU、存储单元(包括随机存储器RAM、程序存储器ROM(FLASH)、用户数据存储器EEPROM)以及芯片操作系统COS。
装有COS 的CPU卡相当于一台微型计算机,不仅具有数据存储功能,同时具有命令处理和数据安全保护等功能。
3、双界面卡◆双界面卡定义双界面CPU卡(TimeCOS/DI)是基于单芯片的、集接触式与非接触式接口为一体的智能卡,这两种接口共享同一个微处理器、操作系统和EEPROM。
卡片包括一个微处理器芯片和一个与微处理器相连的天线线圈,由读写器产生的电磁场提供能量,通过射频方式实现能量供应和数据传输。
◆产品型号目前,TimeCOS/DI卡有两种:一种是基于飞利浦公司的Mifare PRO—MF2ICD80双接口芯片开发的,其接触部分符合ISO7816和《中国金融集成电路IC卡规范》的要求,非接触部分符合ISO14443规范中的TYPE A类标准。
另一种是即将推出的基于西门子公司的SLE66CLXX系列双接口芯片开发的,接触部分符合ISO7816和《中国金融集成电路IC卡规范》,非接触部分支持ISO14443—TYPE A或TYPE B的双界面卡。
卡片容量有8K BYTE 、16K BYTE可选。
◆产品参数芯片技术性能参数双界面卡的优势i) 一卡多用、一卡通用:卡片支持多应用:一张卡片可以集成多个不同应用多行业、多应用同时发卡。
非接触式IC卡又称射频卡、感应卡,是最近几年的新技术,在卡片靠近读写器表面时即可完成卡中的数据的读写操作, 成功地将射频识别技术和IC卡技术结合起来,解决了无源(卡中无电源)和免接触这一难题,是电子器件领域的一大突破。
非接触式IC卡与接触式IC卡比较:继承了接触式IC卡容量大、安全性高等优点,又克服了因触点外露导致的污染、磨损、静电以及插卡才能访问的缺点。
完全密封的形式及无接触的通信方式,免受外界不良因素的影响,使用寿命接近IC芯片的自然寿命。
优于接触式IC卡的以下几点:1.可靠性更高:与读写器之间无机械接触,避免了由于触点接触读写而产生的各种故障。
2.操作更方便:由于采用了射频电磁波通信,读写器可在10cm内(近耦合卡)对卡操作,无须插拨卡,方便使用。
3.防冲突:有快速防冲突机制,能防止卡片之间出现数据干扰。
4.加密性能好:由IC芯片、感应天线组成,并完全密封在一个标准PVC卡片中,无外露部分。
非接触式IC卡的分类:非接触式IC卡可按卡内集成电路、载波频段、作用距离、供电方式等分类。
1、按载波频段不同可分为:(1)低频卡:主要有125kHz和134.2kHz两种。
大多在短距离、低成本的系统中应用,如门禁控制、校园卡、动物监管、货物跟踪等。
(2)中频卡:主要为13.56MHz。
用于门禁控制和需传送大量数据的应用系统。
(3)高频卡:卡与读写器之间通信使用的频段为高频段,如433MHz、915MHz、2.45GHz、5.8GHz等。
应用于较远读写距离和高速度读写的场合,如火车监控、高速公路收费等。
其天线波束方向较窄且价格较高。
2.按作用距离的不同分为:(1)密耦合卡:有效作用距离为0~1cm。
(2)近耦合卡:有效作用距离为0~15cm。
(3)疏耦合卡:有效作用距离为0~1m。
(4)远距离卡:有效作用距离从1m~10m,或更远3.按卡内芯片供电方式的不同分为:(1)有源卡:有源是指IC卡内装有电池以提供电源,其作用距离较远,但寿命有限、体积较大、成本高,且不适宜在恶劣环境下工作。
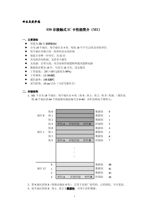
科技成就梦想 火眼科技S50非接触式IC卡性能简介(M1)一、 主要指标容量为8K位EEPROM分为16个扇区,每个扇区为4块,每块16个字节,以块为存取单位每个扇区有独立的一组密码及访问控制每张卡有唯一序列号,为32位具有防冲突机制,支持多卡操作无电源,自带天线,内含加密控制逻辑和通讯逻辑电路数据保存期为10年,可改写10万次,读无限次工作温度:-20℃~50℃(湿度为90%)工作频率:13.56MHZ通信速率:106 KBPS读写距离:10 cm以内(与读写器有关)二、 存储结构1、M1卡分为16个扇区,每个扇区由4块(块0、块1、块2、块3)组成,(我们也将16个扇区的64个块按绝对地址编号为0~63,存贮结构如下图所示:块0 数据块0扇区0 块1 数据块 1块2 数据块 2块3 密码A 存取控制密码B 控制块 3块0 数据块 4扇区1 块1 数据块 5块2 数据块 6块3 密码A 存取控制密码B 控制块7∶∶∶0 数据块60扇区15 1 数据块612 数据块623 密码A 存取控制密码B控制块632、第0扇区的块0(即绝对地址0块),它用于存放厂商代码,已经固化,不可更改。
3、每个扇区的块0、块1、块2为数据块,可用于存贮数据。
数据块可作两种应用:★ 用作一般的数据保存,可以进行读、写操作。
★ 用作数据值,可以进行初始化值、加值、减值、读值操作。
4、每个扇区的块3为控制块,包括了密码A、存取控制、密码B。
具体结构如下:密码A(6字节)存取控制(4字节)密码B(6字节)5、每个扇区的密码和存取控制都是独立的,可以根据实际需要设定各自的密码及存取控制。
存取控制为4个字节,共32位,扇区中的每个块(包括数据块和控制块)的存取条件是由密码和存取控制共同决定的,在存取控制中每个块都有相应的三个控制位,定义如下:块0: C10 C20 C30块1: C11 C21 C31块2: C12 C22 C32块3: C13 C23 C33三个控制位以正和反两种形式存在于存取控制字节中,决定了该块的访问权限(如进行减值操作必须验证KEY A,进行加值操作必须验证KEY B,等等)。
非接触式IC读卡器产品说明浙江万谷科技有限公司1.1 概述特点·可读写符合MIFARE标准(ISO14433-TYPE A)的非接触卡·支持MIFARE标准--工作频率13.56MHZ--通讯速率106kbit/s--数据加密和双向验证--具有防冲突机制,支持多卡操作--通信错误自动侦测·功能操作:读、写、初始化值、加值、减值、读值和装载密码等·通讯接口:RS232串口·波特率:9600~115200 bit/s·控制鸣响功能·提供多种接口函数库和应用范例1.2 设备接口1.3 程序安装安装步骤:a. 用串口线连接读写器和计算机的串行口或USB线连接读写器和计算机;b.接通读写器电源;(1). WG606MF-SU: 将电源线的USB插口头插入电脑USB取电,另外一头插入读写器(2). WG606MF-U: 将读写器的USB接口电脑USB即可.1.4 技术指标∙ 支持MIFARE 标准--频率:13.56MHz--波特率:106Kbit/s∙ 接口功能:RS232 串行接口∙ 波特率:9600~115200bit/s∙ 工作电源:DC 5-9V∙ 读写距离:20~50mm∙ 最大功耗:300mW∙ 工作温度:0℃~50℃∙ 相对湿度:30%~95%1.5 型号说明∙ WG606MF-SU/SL :波特率:57600bit/s,支持485/232∙ WG606MF-U:为USB通讯,波特率:不设1.6 函数调用流程说明(1)应用系统启动时,首先要联接读写器,使PC机与读写器建立正常通讯。
(2)如果对卡的某几个扇区进行读写,则必须先将要访问扇区的授权密码分别下载到射频模块中,以备验证使用。
(3)调用search_card()寻卡函数,成功可返回卡的序列号。
(4)调用load_key () 下载的扇区密码。
(5)对相同密码的扇区可以进行读/写操作。
非接触式IC 卡模块由非接触式IC 卡读卡器芯片FM1702及其外围电路组成。
一、FM1702 芯片介绍FM17XX 系列是复旦微电子股份有限公司设计的,基于ISO14443 标准的系列非接触卡读卡机专用芯片,采用0.6 微米CMOS EEPROM 工艺,可分别支持13.56MHz 频率下的typeA、typeB、15693 三种非接触通信协议,支持MIFARE和SH 标准的加密算法,可兼容Philips 的RC500、RC530、RC531、及RC632 等读卡机芯片。
芯片内部高度集成了模拟调制解调电路,只需最少量的外围电路就可以工作。
支持6 种微处理器接口,数字电路具有TTL、CMOS 两种电压工作模式,适用于各类计费系统的读卡器的应用。
1、产品特点●高集成度的模拟电路只需最少量的外围线路●操作距离可达10cm●支持ISO14443 typeA typeB 15693 协议●包含512byte 的EEPROM●支持MIFARE 和SH 标准的加密算法●支持六种接口模式●包含64byte 的FIFO●数字电路具有TTL/CMOS 两种电压工作模式●软件控制的power down 模式●一个可编程计时器●一个中断处理器●一个串行输出输入口●启动配置可编程●数字模拟和发射模块都有独立的电源供电●采用SOP32 封装●FM17XX L 的版本表示该芯片的三路电源都可适用于低电压2、各型号区别:二、FM1702 芯片功能框图及引脚图三、对非接触式IC 卡操作流程图如下:上电后首先用程序对读卡器芯片(以下简称PCD)进行寄存器初始化,完成后进入寻卡状态,通过天线发出寻卡信号。
当有IC 卡(以下简称PICC,实验程序所使用的卡为MF1 S50 卡)进入天线有效操作区,并且得到能量后,返回给PCD 卡类型值。
下一步PCD 对卡进行冲突操作,PICC 得到防冲突操作信号后,返回给PCD 卡序列号。
PCD接收到序列号后,程序对序列号有效性判定。
详细介绍非接触式IC卡技术本文从与磁卡、接触式IC卡比较的角度着力介绍了非接触式IC卡(又称射频卡)技术,这是世界上最近几年发展起来的一项新技术,它成功地将射频识别技术、磁电技术、计算机技术和IC卡技术结合起来,解决了无源(卡中无电源)、低功耗和免接触这一难题,克服了接触式IC卡由于存在机械接触,容易造成磨损以及由于接触而产生各种故障的问题。
而且非接触式IC卡表现出来的防监听、防解密性能也超出一般的IC卡,不论非接触式IC卡本身,还是非接触式IC卡读写设备(无卡座、全密封),均防水、防油、防污、防腐蚀、防扭曲、防静电(包括静电击穿、静电破坏卡中的数据),具有高安全、高可靠、高快捷、高适用等性能,是现代电子技术领域的一大突破。
IC(集成电路)卡于1974年诞生于法国,当时有位叫罗兰•莫雷诺(RolandMoreno)的工程师为了将一些个人信息存放在一个便于携带、保存的存贮媒体上,提出了将一个集成电路芯片嵌装于一块塑料基片上构成一张存贮卡的想法,并按此方法做了一张卡片,这就是世界上第一张IC卡。
但是由于当时集成电路技术水平有限,市场也没有形成迫切的需要,这种想法并没有立即付诸实施,后来随着集成电路技术的发展,芯片的集成度、容量、安全性都得到了很大的提高,尤其是EEPROM技术的成熟,使得IC卡的生产、应用成为现实。
目前,以欧洲为中心的IC卡市场已发展成为世界性的市场。
一、IC卡的类型IC卡是由一个或多个集成电路芯片组成,并封装*们携带的卡片。
IC卡按其内部封装的芯片种类和功能可分为存贮卡(Memorycard)和智能卡(smartcard),存贮卡和智能卡的区别就在于存贮卡芯片内不含微处理器(cpu),只具有存贮数据信息的功能。
存贮卡又分为非加密存贮卡(一般存贮卡)和加密存贮卡(简称逻辑加密卡)。
加密卡有内建互相认证安全模块,是银行金融应用中在安全和成本上得到完美结合的卡。
智能卡又名CPU卡、电脑卡、智慧卡、聪明卡,它不仅具有象存贮卡一样的数据存贮功能,也具有象微电脑一样的逻辑处理、逻辑判断、I/0控制、指令执行功能。
非接触式IC卡Mifare S50卡详细介绍一、何谓RFID与非接触式IC卡(Contactless Samrt Card)RFID (Radio Frequency Identification)常称为感应式电子晶片或近接卡、感应卡、非接触智能卡、非接触IC卡等等。
一套完整RFID系统由Reader 与Transponder两部分组成,其动作原理为由Re ader发射一特定频率之无线电波能量给Transponder,用以驱动Transponder 电路将内部之ID Code送出,此时Reader便接收此ID Code。
Transponder的特殊在于免用电池、免接触、免刷卡故不怕脏污,且晶片密码为世界唯一无法复制COPY,安全性高、长寿命。
RFID的产品有电容式(Capacatine)、微波式(Microwave)、无线电频率RF(R adioFrequency),因电容式在使用时须与CSC验票机几乎贴近才能感应,而微波式则须与CSC验票机直线对准,只有无线电频率式则无此限制,所以目前CSC 的主流卡片是飞利浦的MIFAER卡片,其材质采用无线电频率式;而以无线电频率不含电池之CSC,其动作原理是经由内部RF天线接收由读写器所发送出来之电波,感应出一微小电源电压来供应内部电路及读写器所需之电力,亦藉由此感应电压来读写、运算、储存卡片内记忆体资料或藉由读写器和外界接触,并进行卡片和读写器彼此间之资料之交换;其卡片特性概述如下:1、尺寸:信用卡尺寸86mm*54mm*0.76mm。
2、外型:坚固、防潮、不易弯曲变形。
3、电池:无内部电池。
4、读写距离:与读写单元间距离2-10CM内均可正确读写资料。
5、读写角度:与读写单元上方半球幅度内均可正确读写资料。
6、运输方式:无线电调频通信方式。
7、内部构造:固态电子装置(Solid-state Electric Device),有内藏记忆体、微处理器晶片两种形式。
非接触式IC卡性能简介(M1)一、主要指标●容量为8K位EEPROM●分为16个扇区,每个扇区为4块,每块16个字节,以块为存取单位●每个扇区有独立的一组密码及访问控制●每张卡有唯一序列号,为32位●具有防冲突机制,支持多卡操作●无电源,自带天线,内含加密控制逻辑和通讯逻辑电路●数据保存期为10年,可改写10万次,读无限次●工作温度:-20℃~50℃(温度为90%)●工作频率:13.56MHZ●通信速率:106KBPS●读写距离:10mm以内(与读写器有关)二、存储结构1、M1卡分为16个扇区,每个扇区由4块(块0、块1、块2、块3)组成,(我们也将16个扇区的64个块按绝对地址编号为0~63,存贮结构如下图所示:数据块0数据块 1数据块 2控制块 3数据块 4数据块 5数据块 6控制块7数据块60数据块61数据块62控制块632、第0扇区的块0(即绝对地址0块),它用于存放厂商代码,已经固化,不可更改。
3、每个扇区的块0、块1、块2为数据块,可用于存贮数据。
数据块可作两种应用:★ 用作一般的数据保存,可以进行读、写操作。
★ 用作数据值,可以进行初始化值、加值、减值、读值操作。
4、每个扇区的块3为控制块,包括了密码A 、存取控制、密码B 。
具体结构如下:密码A (6字节) 存取控制(4字节) 密码B (6字节)5、每个扇区的密码和存取控制都是独立的,可以根据实际需要设定各自的密码及存取控制。
存取控制为4个字节,共32位,扇区中的每个块(包括数据块和控制块)的存取条件是由密码和存取控制共同决定的,在存取控制中每个块都有相应的三个控制位,定义如下:块0: C10 C20 C30 块1: C11 C21 C31 块2: C12 C22 C32 块3: C13 C23 C33三个控制位以正和反两种形式存在于存取控制字节中,决定了该块的访问权限(如 进行减值操作必须验证KEY A ,进行加值操作必须验证KEY B ,等等)。
内置芯片非接触式卡内置芯片非接触式卡(embedded chip contactless card),也称为IC卡或智能卡,是一种通过内置芯片来存储和处理数据的卡片。
与传统的磁条卡和接触式芯片卡相比,内置芯片非接触式卡具有更高的安全性和便利性。
内置芯片非接触式卡的工作原理是通过无线射频识别(RFID)技术来进行通信与交互。
卡片内的芯片可以储存个人信息、财务数据、密码等敏感数据,并通过与读写器的无线通信进行数据的传输与处理。
内置芯片非接触式卡的主要特点有以下几点:1. 高安全性:内置芯片非接触式卡采用了先进的加密算法和防篡改措施,使得卡片内的数据更加安全。
与传统的磁条卡相比,芯片内的数据更加难以被窃取或复制。
2. 方便快捷:内置芯片非接触式卡只需靠近读写器,而无需插入或刷卡,即可进行交易或进行身份认证。
这种非接触式操作方式省去了传统卡片付款或验证过程中的插卡、刷卡等繁琐步骤,提高了用户的使用体验。
3. 多功能性:内置芯片非接触式卡可以储存多种类型的信息,如金融账号、健康档案、门禁权限等。
一个芯片上可以储存多个应用,实现一卡多用,减少了用户携带多张卡片的负担。
4. 可远程更新:内置芯片非接触式卡的芯片内可以存储应用程序,这些应用程序可以在卡片发行后远程更新,以跟随市场需求和安全标准的不断变化。
内置芯片非接触式卡目前在各个领域的应用日益广泛。
在金融领域,内置芯片非接触式卡已经取代了传统的磁条卡,成为新一代银行卡的标配。
在交通领域,内置芯片非接触式卡被广泛应用于公交、地铁和停车场等场所的闸机系统中,实现了快速便捷的乘车体验。
此外,内置芯片非接触式卡还可以用于门禁系统、学生卡、健康卡等领域。
然而,内置芯片非接触式卡也存在一些问题和挑战。
首先,安全性仍然是一个重要的考虑因素。
由于芯片内存储的数据是无线传输的,因此容易受到黑客攻击。
其次,不同的芯片卡之间存在互不兼容的问题,给用户的使用带来一些不便。
此外,内置芯片非接触式卡的发行和管理也需要建立起一套完善的标准和流程,以保证卡片的稳定运行和安全性。
非接触式IC卡知识概述一、概述:非接触式IC卡又称射频卡,是世界上最近几年发展起来的一项新技术,在卡片靠近读卡器表面时即可完成卡中的数据的读写操作,它成功地将射频识别技术和IC卡技术结合起来,解决了无源(IC卡中无电源)和免接触这一难题,是电子器件领域的一大突破。
非接触式IC卡内可封装各种类型的芯片。
可胶印、个性化处理图片、丝片、喷码、防尘、防水、抗震动等。
二、与接触式IC卡相比较,非接触式IC卡具有以下优点:1.可靠性高;非接触式IC卡与读写器之间无机械接触,避免了由于接触读写而产生的各种故障.,例如:由于粗暴插卡,非卡外物插入,灰尘或油污导致接触不良等原因造成的故障。
此外,非接触式IC卡表面无裸露的芯片,无须担心脱落,静电击穿弯曲,损坏等问题,既便于卡片的印刷,又提高了卡片使用的可靠性。
2.操作方便,快捷;由于使用IC卡射频通讯技术,读写器在10cm范围内就可以对IC 卡进行读写,没有插拔卡的动作.非接触式IC卡使用时没有方向性,IC卡可以任意方向掠过读写器表面,读写时间不大于0.1秒,大大提高了每次使用的速度。
3.安全防冲突;非接触式IC卡的序列号是唯一的,制造厂家在产品出厂前已将此序列号固化,不可更改.世界上没有任何两张卡的序列号会相同.非接触式IC卡与读写器之间采用双向验证机制,即读写器验证卡的合法性,同时IC卡也验证读写器的合法性.非接触式IC卡在操作前要与读写器进行三次相互认证,而且在通讯过程中所有数据被加密.IC卡中各个扇区都有自己的操作密码和访问条件。
三、应用范围由于非接触式IC卡具有更加方便,快捷的特点,可广泛应用于电子钱包,通道收费控制,公交自动售票,停车自动收费,食堂售饭,考勤和门禁等多种场合。
(全文完)。
非接触IC卡
一、非接触IC卡性能介绍
概述
非接触IC卡又称射频卡,是世界上最近几年发展起来的一项新技术,它成功地将射频识别技术与IC卡技术结合起来,解决了无源和免接触这一难题,是电子器件领域的一大突破。
与接触式IC卡和磁卡相比较,非接触式卡具有以下优点:
1.可靠性高
非接触式IC卡与读写器之间无机械接触,避免了由于接触读写而产生的各种故
障。
例如粗暴插卡,非卡外物插入、灰尘或油污导致接触不良等原因造成的故障。
此外,非接触式卡表面无裸露的芯片,无须担心芯片脱落,静电击穿、弯曲损坏等问题,既便于卡的印刷,又提高了卡片使用可靠性。
非接触IC卡的数据保存长达10年,可写100,000次,读无限次。
2.操作方便、快捷
由于非接触通讯,读写器在10cm范围内就可以对卡片操作,所以不必插拔卡,非常方便用户使用。
非接触卡使用时没有方向性,卡片可以任意方向掠过读写器表面,即可完成操作,这大大提高了每次使用速度。
据调查显示,相对接触IC卡而言,非接触卡在票据处理上的时间可缩短1/10至1/3。
这意味着高通过率,是公交运营不可缺的因素。
系统应用者得益处是读写器结构简单,可以减少维护并加强对破坏的抵抗力(如口香糖堵塞卡片插入口),可为收费系统提供更多的灵活性并减少了纸票的用量。
3.防冲突(自动分辨功能)
目前很多非接触式智能卡系统都无法解决此问题,一些公司产品出现的问题是:当超过一张卡同时出现在操作区时,就会出现误读现象,且可能每次出现的情况都不同。
另一些公司系统出现的问题是:当第一张卡没有离开操作区而另一张卡进入时,则再扣取第一张卡。
经过专门设计的MIFARE非接触式卡中有快速防冲突机制,能防止卡片之间出现数据干扰。
当多张卡同时进入操作区时,读写机会提示只能一张卡进入,当第一张卡完成操作未离开操作区而另一张卡进入时,则这张卡不会对之前的卡片有影响。
读写机也不会与后来的卡片交易,直至第一张卡离开读写区为止。
因此,读写器可以同时处理多张非接触IC卡,这提高应用的并行性,无形中提高了系统工作速度。
4.可适用于多种应用(一卡多用)
非接触卡的存储结构特点使它一卡多用,能应用于不同的系统。
用户可根据不同的应用决定不同的密码和访问条件。
非接触IC卡有8K位EEPROM,无电池。
分为16扇区,每个扇区包括4块,块是最小的读写单位,每块包含16个字节。
5.加密性能好、安全性高
非接触IC卡的序列号是世界唯一的,有32位。
制造厂家在产品出厂前已将此序列号固化,不可再更改,因此使复制成为不可能。
非接触IC卡与读写器之间采用双向验证机制,即读写器验证IC卡的合法性,同时IC卡也验证读写器的合法性。
非接触IC卡在处理前要与读写器进行三次相互认证,而且在通讯过程中所有的数据都加密以防止信号截取。
此外,卡中各个扇区都有自己的操作密码和访问条件。
由于非接触式IC卡具有以上无可比拟的优点,所以它很适宜应用于电子钱包,公路自动
收费系统和公共汽车自动售票系统等。
二、非接触IC卡系统参数
符合MIFARE 1 国际标准的非接触IC卡容量为8K位,数据保存期为10年,可改写10万次,读无限次。
M1卡不带电源,自带天线,内含加密控制逻辑电路和通讯逻辑电路,卡与读写器之间的通讯采用国际通用的DES和RES保密交叉算法,具有极高的保密性能。
●工作频率:13.56MHz
●通讯速率:106KB波特率
●读写距离:在100MM内(与天线形状有关)能方便、快速地传递数据
●半双工通讯方式
●在无线通讯过程中通过以下机制来保证数据完整性
1.防冲突机制
2.每块有16位CRC纠错
3.每字节有奇偶校验位
4.检查
●材料:PVC
●尺寸:符合ISO10536标准
●工作温度:-20℃至50℃(湿度为90%)
●无电池:无线方式传递数据和能量
●组成部分:一个芯片和一个简单的线圈
●典型处理时间:
识别一张卡8ms(包括复位应答和防冲突)
读一个块 2.5ms(不包括认证过程)
4.5ms(包括认证过程)
写一个块+读控制
12ms(不包括认证过程)
14ms(包括认证过程)
典型交易过程<100ms
三、非接触IC卡工作原理
卡片的电气部分只由一个天线和ASIC组成,没有其它外部器件。
ASIC:卡片的ASIC由一个高速(106KB波特率)的接口,一个控制单元和一个8K位EEPROM组成。
M1射频卡的工作原理是:读写器向M1卡发一组固定频率的电磁波,卡片内有一个LC 串联谐振电路,其频率与读写器发射的频率相同,在电磁波的激励下,LC谐振电路产生共振,从而使电容内有了电荷,在这个电容的另一端,接有一个单向导通的电子泵,将电容内的电荷送到另一个电容内储存,当所积累的电荷达到2V时,此电容可作为电源为其它电路提供工作电压,将卡内数据发射出去或接取读写器的的数据。
四、非接触卡与读写器的通讯
通讯顺序
无冲突
对于每一冲突
读/写:
读块:2.1ms
8.6ms
复位应答(Answer to Request):
M1卡的通讯协议和通讯波特率是定义好的,通过这两项内容,读写器和M1卡互相验证。
当某张卡进入读写器的操作范围时,读写器以特定的协议与它通讯,从而确定该卡是否为M1卡,即验证卡片的卡型。
防冲突闭和机制(Anticolision Loop)。