最新版高速公路路基土石方工程施工组织设计方案
- 格式:docx
- 大小:61.89 KB
- 文档页数:29
高速公路土石方爆破施工组织设计方案1 工程概况1.1 工程目的为建造高速公路,需进行土石方爆破开挖和边坡整治光面爆破。
1.2 工程地质岩体主要为石灰岩、灰岩、砾岩、土灰石和亚粘土。
1.3 爆破规模硬石爆破:584868m3;边坡光面爆破:8000m2。
1.4 工期要求按照附表7施工总体计划表与路基土石方施工同步。
1.5 工程要求⑴、确保工期满足业主所提出的施工要求,采取先进的爆破方法、合理的施工工艺及强有力的技术措施,保证爆破工作顺利完成;⑵、确保安全保证附近建筑设施以及周围人员的绝对安全;⑶、确保质量按照业主要求爆破到位,光面爆破半孔率达90%,平整度不大于10cm,工程质量达到优等标准。
2 设计依据、参考文献及设计原则2.1 设计依据与参考文献⑴、现场对工程场地的初步勘察⑵、国家标准局:爆破安全规程(GB6722—86)⑶、国务院:中华人民共和国爆炸物品管理条例,1984.1.6⑷、城乡建设环境保护部:土方与爆破工程施工及验收规范(GBJ201-83)⑸、林学圣:土石爆破,中国人民解放军工程兵工程学院,1985.6⑹、黄绍均:工程爆破设计,兵器工业出版社,1996.8⑺、[瑞典]Rune Gustafsson:Swedish Blasting,1973⑻、[芬兰]J.普基拉:Handbook of Surface Drilling and Blasting,1978⑼、[美]The Du Pont:Blasters’ handbook,1986.12.2 设计原则在确保人员、建筑、设施的绝对安全前提下,保证工程质量,尽量缩短工期,满足业主的工程要求,做到准爆、安全、合理、先进、高效、可行。
3 方案选择由于该工程的爆破环境较好,可采用深孔松动爆破技术进行大方量的爆破;采用浅孔爆破进行二次破碎;用光面爆破技术对边坡进行整治。
根据施工场地较大的特点以及工点的地形、地貌、水文地质及本工程的要求,为保证在有限的施工工艺,充分利用作业面,尽量多投入机械、设备和劳动力,创造条件,保证多处工点同时开工,确保在最短时间内完成此项开挖工程。
高速公路路基土石方工程施工方案高速公路路基土石方工程施工方案一、确定主题本文将详细阐述高速公路路基土石方工程的施工方案,包括施工流程、注意事项、安全措施以及质量保证等方面。
通过本文的介绍,读者可以全面了解高速公路路基土石方工程施工的关键环节和注意事项,为实际施工提供指导和借鉴。
二、整理资料在撰写文章之前,我们需要收集和整理与高速公路路基土石方工程施工相关的资料。
这些资料包括但不限于:施工图纸、地质勘察报告、施工规范、安全操作规程等。
通过对这些资料的分析和整理,我们可以更好地了解工程实际情况,制定出更为合理的施工方案。
三、制定计划在充分了解工程情况和相关规范的基础上,我们需要制定出详细的施工计划。
该计划应包括以下内容:1、施工时间安排:明确各阶段的施工时间,确保施工进度按计划进行。
2、人员组织:合理安排施工人员进行施工,确保人员配备充足且具备相应的技能。
3、机械设备选用:根据工程需要,选用合适的机械设备,确保设备性能良好且能够满足施工要求。
4、材料采购:根据施工需要,提前采购所需的材料,确保材料质量合格且能够按时到场。
四、实施方案在施工计划制定完成后,我们需要按照计划进行施工。
在施工过程中,应注重以下几点:1、严格按照施工图纸和规范进行施工,确保施工质量符合要求。
2、加强安全宣传和教育,提高施工人员的安全意识,确保施工现场安全有序。
3、做好施工现场的环保工作,减少对环境的影响。
4、及时调整施工计划,确保施工进度顺利进行。
五、总结经验在施工完成后,我们需要对施工方案进行总结和评估。
通过总结,我们可以找出施工过程中存在的问题和不足,为今后的施工提供借鉴和改进方向。
我们也可以总结出一些成功的经验和做法,为今后的施工提供指导和参考。
总之,高速公路路基土石方工程施工方案是确保工程施工质量和进度的关键。
在制定和实施施工方案时,我们必须充分考虑各种因素,做好充分的准备和规划。
我们还需不断总结经验,为今后的工程施工提供指导和借鉴。
路基土石方施工组织设计方案一、项目概况本工程是XX高速公路的一部分,从XX市到XX市,路段全长XX公里。
该路段涉及到多种路基土方工程,包括路基填筑、路基压实、路基排水工程等。
本设计方案旨在合理组织路基土石方施工,确保工程按照规定的质量要求、进度计划和安全要求进行。
二、施工工艺1、路基填筑(1)标高放线:按照设计要求,将路基填筑标高和轮廓线放在现场。
(2)开挖:根据设计要求,开挖路基填筑区域,保证路基施工标高和轮廓线的准确度。
(3)填筑土方:根据设计要求,对开挖区域进行填筑土方,根据填筑高度和填筑层数进行施工。
(4)铺设防渗膜:在填筑完成后,对路基进行防渗处理,铺设防渗膜。
2、路基压实(1)基层压实:将填筑的基层土方进行压实,以确保其密实。
(2)中间层压实:在基层完成压实后,按设计要求进行中间层压实。
(3)面层压实:中间层完成压实后,按设计要求进行路面层的压实。
3、路基排水工程(1)边沟和纵向排水沟:在路基填筑、压实后,按设计要求进行边沟和纵向排水沟的施工。
(2)横向排水设施:在路基填筑、压实后,按设计要求进行横向排水设施的施工,确保雨水排放通畅。
三、施工组织1、施工人员施工人员应由专业的土石方工程技术人员组成,包括施工经理、技术负责人、现场监理、现场工长和施工员等。
他们应熟悉该工程的设计要求和施工工艺,确保工艺的正确性和施工质量的稳定性。
2、施工设备本工程需要的施工设备包括挖掘机、推土机、压路机、水泥混凝土配料车、铲运车、电动站立式打夯机、墙护管、水槽等。
3、施工任务划分(1)路基填筑:施工任务可分为土方开挖、土方搬运、填筑土方、防渗膜铺设等。
(2)路基压实:施工任务可分为基层压实、中间层压实、面层压实等。
(3)路基排水工程:施工任务可分为边沟和纵向排水沟、横向排水设施等。
四、进度计划本工程的进度计划如下:1、路基填筑:填筑土方1.5万立方米,压实4100平方米,防渗膜铺设3000平方米。
工期20天。
高速公路路基土石方工程施工方案目录一、前言 (3)1.1 编制依据 (3)1.2 工程概况 (4)二、施工准备 (4)2.1 施工材料准备 (6)2.2 施工设备选择 (7)2.3 施工队伍组织 (8)三、路基土石方开挖 (9)3.1 开挖方法选择 (10)3.2 开挖顺序规划 (11)3.3 土石方调配计划 (12)3.4 开挖过程中的环境保护措施 (13)四、路基土石方填筑 (14)4.1 填筑材料选择 (16)4.2 填筑方法及工艺流程 (17)4.3 填筑施工质量控制 (18)4.4 填筑工程质量检测与验收标准 (19)五、排水设施施工 (20)5.1 排水沟设计 (21)5.2 排水设施安装 (23)5.3 排水系统维护与管理 (24)六、路面结构施工 (25)6.1 面层材料选择 (27)6.2 面层施工工艺 (28)6.3 路面压实度检测与评价标准 (29)七、交通安全设施施工 (30)7.1 标线施工 (31)7.2 标柱、标牌设置 (32)7.3 隔离栅、防护网安装 (33)八、施工安全管理与应急预案 (34)8.1 安全生产目标与措施 (36)8.2 应急预案制定与实施 (37)8.3 安全生产教育培训与考核 (38)九、施工进度计划与资源配置 (38)9.1 施工进度计划编排 (40)9.2 物资资源配置计划 (40)9.3 劳动力安排与调度 (42)十、施工质量控制与验收标准 (43)10.1 施工过程质量控制要点 (44)10.2 工程质量验收程序与标准 (45)10.3 工程质量评定与奖惩机制 (47)一、前言随着国家经济的快速发展,基础设施建设的需求日益增长,高速公路作为连接城市与城市的重要通道,其建设规模和质量要求也越来越高。
在此背景下,高速公路路基土石方工程施工方案的制定与实施显得尤为重要。
本施工方案旨在明确高速公路路基土石方工程的目标、范围、方法和技术,为施工过程中的质量控制、进度安排、安全管理等方面提供指导。
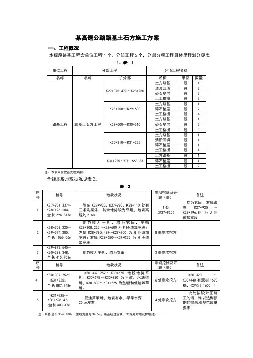
某高速公路路基土石方施工方案一、工程概况本标段路基工程含单位工程1个、分部工程5个,分部分项工程具体里程划分见表1。
表 1注:本表未含软基处理项目。
全线地形地貌状况见表2。
表 2注:路基全长3067.828m,主线宽度为34.5m;路基经过鱼塘、大沟处时增设护坡道。
本分部工程主要施工内容及工程量见表3-1和表3-2。
表 3-1表 3-2本工程特点如下:(1)全路段经过的村镇具体见表4,共计8个行政单位。
表 4(2)路基土方涉及3个行政单位,且各自土方只能在所属地段使用,严禁混淆;取土点多且土质有差异,使用时应加强土的检测。
(3)由于征地原因,20××年冬季备土不足,路基施工时只能边取土边填筑。
(4)××乡地段,地缘复杂,多数为鱼塘和低洼烂地。
二、编制依据(1)××高速公路××东段工程投标文件及甲乙双方合同(2)××高速公路××东段工程第十一合同段施工图(3)××市市政设计研究院施工图设计以及道路修编图(4)《公路路基施工技术规范》《JTG F10—2006》(5)《公路工程质量检验评定标准》(JTG F80/1—2004)。
三、施工部署(一)分部(分项)工程施工目标(1)质量目标1)各分项工程检查合格标准不少于85分,关键项目单点检测值不得超过极值范围。
2)分部工程和单位工程中主要工程质量必须确保不少于90分。
3)竣工验收质量等级达到优良。
(2)进度目标:20××年8月15日~20××年11月15日依次完成各施工任务。
(3)成本目标:盈利5%。
(4)安全目标:无重大人身伤亡事故,轻伤控制在10‰以内。
(5)文明施工目标:达到××市市政局文明施工的有关规定。
(6)环境、职业健康安全管理目标:环境、职业健康安全管理必须达到××市市政局的有关标准。
高速公路路基土石方施工方案及施工方法1.1路基挖方1.1.1土方开挖土方开挖采用挖掘机及自卸车配合进行,由边到中,自上而下,分层循序进行,开挖边坡采用1:1~1:1.25。
当开挖到接近路基设计顶面时,根据土质情况注意预留碾压沉落高度,严防超挖。
挖土过程中,基底工作面按设计保持一定的纵、横坡度。
1.1.2石方开挖(1)应根据地形、地质、开挖断面及施工机械配备等情况,采用能保证边坡稳定的方法施工。
(2)石方需要用爆破法开挖的路段,如空中有缆线,应查明其平面位置和高度;还应调查地下有无管线,如果有管线,应查明其位置和埋设深度,同时应调查开挖边界线外的建筑物结构类型、完好程度,距开挖界距离,然后制定爆破方案,报监理工程师批准后实施。
(3)进行爆破作业时,必须经过专业培训并取得爆破证书的专业人员施爆。
并将爆破专业人员名单报监理工程师审验。
(4)石方爆破一般采用预裂、光面、深孔爆破等技术,有效地控制开挖断面,严禁过量爆破。
通过试炮确定有关参数,在爆破开挖前至少14天向监理工程师提供爆破的操作计划(包括安全措施),得到有关部门的批准和颁发执照后,方可进行作业,施工时应严格按照技术规范的要求施工。
(5)未经监理工程师批准,不得采用大爆破施工。
当确需进行大爆破施工时,应严格按JTJ033-95《公路路基施工技术规范》6.3.14条规定编制技术设计文件,并于爆破施工前28d交监理工程师批准。
(6)项目体应就爆破器材的存放地点、数量、警卫、收发、安全措施及必要的工艺图纸编制报告,应在爆破器材进入工地前28d交监理工程师审批,同时将运入路线和时间报经有关管理部门批准,并发给通行证后方可将爆破器材运入工地保管。
(7)认真确定爆破的危险区,并采取有效的措施防止人、畜、建筑物和其它公共设施受到危害和损失。
在危险区的边界应设置明显的标志,建立警戒线,显示爆破时间的警戒信号;在危险区的入口或附近道路应设置标志,并派人看守,防止人员在爆破时进入危险区。
K9+360-K11+530路基土石方工程施工组织设计(工程概况)本段工程设计路基宽度12 m。
主要工程量有:挖方191807m3,其中挖土方172626 m3,挖石方19180 m3;利用土石填方105662 m3。
路基土石方工程施工前,应做好截水,排水等配套工程,并做好路基的防水和排水措施,以利排除施工现场的地表水和降雨积水,方便施工。
废方按业主指定地点废方,弃土场应认真做好防护与绿化工作,确保周边环境优美及防止水土流失。
**高速公路**段**连接线建设项目监表增6 施工技术方案报审表承包单位:**省第二公路工程公司合同号:B 监理单位:**公路工程监理咨询有限公司编号:施工方案一、路基开挖本段工程量较大,为了保证工程质量与施工进度,必须精心组织施工,派出以有丰富经验的路基工程师为主的施工人员组织施工,投入合理的施工机械设备。
1、施工准备:路基开挖前认真做好施工放样工作,施工便道的修筑,机械设备的保养;机械配合人工清除表面灌木林、杂草;提前进行临时排水及部分永久排水设施的施工;A、路基施工中各施工层表面不应有积水,挖方施工中路基各层顶面的纵、横坡,应根据路基横断面形状、路线纵坡的大小、路堑施工断面长度和施工方法等因素确定,确保在施工过程中,能及时使雨水排走。
B、雨季施工或因故中断施工时,必须将施工层表面及时修理平整并压实。
C、当地下水位较高而设计未做出具体方案时,应采取疏导、堵截、隔离等相应措施。
D、施工过程中,当路堑或边坡内发生地下水渗流时,应根据渗流水的位置及流量大小采取设置排水沟,集水井、渗沟等设施降低地下水位或将地下水排走。
E、路基施工前先做好截水沟等排水及防渗设施,特别是多雨地区和雨季施工更应加强这方面的工作。
排水沟的出口应通至桥涵进出口,排、截水沟挖出的废土应堆置在沟与路堑边坡顶一侧,并予以夯实。
F、土方开挖:路基土方的开挖应按图纸要求自上而下进行,不得乱挖或超挖,施工中要根据测设的边桩来控制边坡。
四车道高速公路路基土石方工程施工组织设计一、工程概况本项目四车道高速公路路基土石方工程的总长度为XX公里,包括土方开挖、填方、夯实等工作。
路基所用土石由土方开挖后的余土、边坡修整、土石方爆破等工作产生。
工期为XX个月。
二、施工方法及工艺1.土方开挖(1)施工方法采用机械开挖方法,主要设备包括挖掘机、推土机等。
根据不同地形和土质情况,选用适当的挖掘工艺,如台阶式开挖、连续开挖等。
(2)安全注意事项挖掘机和推土机等工作设备应检查操作是否正常,施工人员应经过专业培训并取得相应证书。
施工现场应设立安全警示标志,防止人员进入危险区域。
2.土石方运输(1)施工方法采用自卸车运输土石方,确保施工周期内土石方的运输效率。
在运输过程中,注意车辆载荷平衡、驾驶员安全等,确保运输过程安全顺利。
(2)安全注意事项运输车辆应定期检查、维护,保证安全运输。
驾驶员应持有相应的驾驶证,并参加相关培训。
在运输途中,应遵守交通规则,合理控制车速。
3.土石方填筑与夯实(1)施工方法施工人员根据设计要求,按照层压填筑的原则进行。
选用合适的振动压路机进行夯实作业,确保土石方填筑紧实度满足要求。
(2)安全注意事项振动压路机操作人员应经过培训,并持有相关证书。
施工现场应设立警示哨,提醒车辆绕道通行。
振动压路机操作时应注意稳定,防止侧翻等事故。
4.路基边坡修整与防护(1)施工方法采用挖土机等工具对路基边坡进行修整,并进行植被覆盖等防护措施。
边坡修整应按照设计要求进行,保证边坡的稳定性并防止滑坡。
(2)安全注意事项施工人员应佩戴安全帽等个人防护用品,注意施工现场的安全。
施工过程中要注意挖掘机操作的稳定性,防止坡体坍塌。
三、施工组织管理措施1.建立项目施工组织管理机构,明确各工作职责和权限,加强施工组织设计的实施程度。
2.制定详细的工程施工计划,包括工期计划、人员安排、设备调配等,确保施工进度和质量的控制。
3.建立健全的施工安全管理制度,包括安全员、交接班制度、特种作业人员培训等措施,确保施工过程中的安全。
路基土石方分项工程施工组织设计第一章工程概况一、编制依据杭州至瑞丽国家高速公路贵州境大兴(湘黔界)至思南段《两阶段施工图设计》杭州至瑞丽国家高速公路贵州境大兴(湘黔界)至思南段《招标文件》(项目专用本)《公路路基施工技术规范》(JTG F10-2006)《公路加筋土工程施工技术规范》(JTJ035—91)《公路土工合成材料应用技术规范》(JTJ/T019—98)《公路工程质量检验评定标准》(JTG F80/1-2004)《公路路基施工技术规范》(JTJ 033-95)《公路工程质量检验评定标准》(JTG F80/1-2004)《公路土工试验规范》(JTJ 051-93)二、编制原则1、遵循招标文件各项条款,确保实现业主要求的安全、质量、工期、环保等各方面的工程目标。
2、指导思想:积极推广新技术、新材料、施工技术先进、施工方案可行、施工组织科学、重信誉、守合同,保证安全、优质、按期完成本合同段的施工任务。
3、严格执行施工过程中涉及的相关法规、规程、技术标准和设计图的要求。
4、贯彻执行国家和地方政府的方针政策、遵守法律法规、尊重当地的民风民俗。
5、投入本项目的施工机械设备配备精良合理,人员配置合理。
6、施工进度安排、区段划分、工序作业循环设计等尽量达到安全、优质、经济、高效,做到施工设备配套,工艺与设计对应。
7、重视生态环境,确保工程范围内外的原地形、地貌不被破坏,以防水土流失。
8、施组编制做到施工总体部署和分项工程施工相结合、重点工程和一般工程相结合、特殊技术和普通技术相结合,总体上使施组具有重点突出,内容全面、思路清晰的特点。
三、工程概况本标段为大思高速公路土建第一合同段,路线起点位于湘黔两省交界的贵州省松桃县大兴镇洞脑壳湘黔省界处,桩号为:K0+000,终止于铜仁市川硐镇洋麻塘村,终点桩号:K14+800,路线全长14.868公里(按右幅长度计),设置时速80km/h,沥青混凝土路面25.38km(K0+000~K25+380)。
路基土石方专项施工方案(K59+497~K72+719.52)目录一、工程概况 (1)二、编制依据 (2)三、施工计划 (3)(一)施工进度计划 (3)(二)施工人员计划 (3)(三)材料计划 (4)(四)机械设备配置 (4)四、施工方法 (5)(一)基底处理 (5)(二)路基土石方机械开挖施工 (6)(三)路基石方爆破作业施工 (7)(四)一般路基填筑 (12)(五)高填方路基填筑 (14)(六)结构物回填施工 (26)(七)陡坡路堤及填挖交界处的施工 (27)(八)特殊路基处治 (32)五、质量控制措施 (35)六、进度保证措施 (36)七、安全保证措施 (37)八、文明施工和环境保护措施 (40)(一)文明施工管理的措施 (40)(二)环境保护的措施 (41)(三)防止噪声、粉尘、废气污染 (42)(四)严格控制噪声 (43)九、应急预案 (43)(一)应急准备 (43)(二)应急响应 (43)一、工程概况本项目是云南省规划“五纵五横一边两环二十联”中曲靖至呈贡至通海至建水至元阳的重要组成部分,是省高网“十三五”新开工重点项目。
同时也是红河州南部高速公路网中的重要组成部分,项目的建设对于贯彻落实国家和云南省发展战略,完善云南省高速公路网,优化区域路网结构,发展地方经济,加强国防交通建设,维护边疆稳定,发展旅游业,促进少数民族地区经济社会发展均具有重要意义。
本标段路线位于红河州建水县、元阳县境内。
本标里程范围右线K59+497~K72+719.52(左线K59+502~K72+703.225),正线长度13.22Km。
本段路基填方22.1万方,路基挖方200万方。
且挖方多为石方,需爆破后方能开挖,难度较大。
挖方较大路堑段主要有:K65+170-K65+290;K66+160-K66+460;K68+310-K68+550。
本高速公路设计为双向四车道,整体式路基宽度为25.5m;分离式路基宽度为12.75m;设计行车道宽度为2*(2*3.75m),中央带宽度为3m设计车速为80Km/小时。
路基土石方工程施工设计方案一、工程概况本工程是公路建设中的路基土石方工程,包括路堤填筑、路基开挖、挡土墙施工等工程内容。
工程总面积为XXX平方米。
二、施工组织设计1.组织架构本工程的施工组织按照以下结构进行组织:-总工程师:负责工程的总体订立和监督;-施工队长:负责具体的施工工作,包括指导工人、安排设备等;-技术员:负责测量、绘图和工程质量的监督;-工人:按照要求进行开挖、填筑和搭设挡土墙等工作。
2.施工流程本工程的施工流程如下:-预备工作:包括确定施工方案和组织架构,准备施工所需材料和设备;-路堤填筑:按照设计要求进行路堤的填筑,包括先进行压实,然后逐层填筑;-路基开挖:按照设计要求进行路基的开挖,包括坑底处理和边坡处理;-挡土墙施工:按照设计要求进行挡土墙的搭设,包括钢筋和混凝土的浇筑。
3.施工安全与质量控制本工程的施工过程中,要加强施工安全与质量的控制,包括:-制定相关安全管理制度,明确各个工种的责任;-进行必要的安全培训,提高工人的安全意识;-设置安全警示标志,保障施工现场的安全;-设置质量监测点,对施工过程进行监督和检测。
三、材料和设备1.材料根据工程的设计要求,本工程需要使用以下材料:-填土材料:包括黄土、砾石等;-混凝土:用于挡土墙的浇筑;-钢筋:用于挡土墙的加固。
2.设备本工程需要使用以下设备:-挖掘机:用于路基的开挖;-推土机:用于路堤填筑的压实;-混凝土搅拌机:用于混凝土的制备;-千斤顶:用于挡土墙的支撑。
四、施工技术措施1.路堤填筑技术措施-挖土填筑:先挖土,然后进行路堤的填筑,逐层进行压实;-压实措施:采用振动轮和振动板进行压实;-环境保护措施:对挖土和填筑过程进行封闭处理,减少粉尘和噪音。
2.路基开挖技术措施-开挖与边坡处理:根据设计要求进行坑底开挖和边坡处理,保证路基的稳定性;-排水措施:进行必要的排水处理,保证路基的排水畅通;-边坡保护:设置边坡防护措施,预防边坡坍塌。
路基土石方工程施工方案路基土石方工程施工方案一、工程概况及作业段划分本合同段路基土石方工程有:路基挖方769735m3,其中挖土方537154m3,挖石方248897m3;路基填筑734116m3。
本段设有三个工区(XX59+500~XX62+000,XX62+000~XX65+000,XX65+000~XX68+100),分为11个分部工程。
二、主要施工机械配置设备名称规格型号数量(台)新旧程度计划进场时间推土机TY220 4 93%2009年7月13日平地机PY180 1 92%2009年7月6日振动压路机YZ20 2 92% 2009年7月6日挖掘机PC220 9 92%2009年7月6日自卸车15T 40 90%2009年7月6日装载机ZL50 4 92%2009年7月6日拌合站60m3/h 1 90% 2009年8月6日吊车20T 3 89% 2009年7月26日小型夯实机HC70 2 89% 2009年7月6日三、施工组织机构项目经理部由项目经理、项目总工程师、生产副经理等项目主要领导和八大职能部室组成,下设三个工区,各工区负责各自范围内的土石方工程施工.各工区设总负责人1名,现场技术员和测量、试验技术人员若干名。
各工区的试验、测量主要由项目经理部负责实施,同时各工区配置的专职测量和试验技术员对本工区的试验和测量进行施工控制。
人员匹配表姓名职务负责项目备注项目经理总负责人项目总工技术总负责人生产副经理施工总负责人综合副经理征地拆迁总负责人测设部部长测量放洋另有测量人员3名试验室主任质量检测另有测量人员4名一工区负责人施工组织管理另有施工人员1名二工区负责人施工组织管理另有施工人员1名三工区负责人施工组织管理另有施工人员1名安全员安全监督另有基层工作人员120人四、路基土石方施工方法1、清场、地基处理1。
1、清表在施工前确定现场工作界线,路基用地范围内树木、灌木丛等均应在施工前,砍伐或移植。
版高速公路土石方爆破施工组织设计方案一、项目概况:本项目为一条高速公路的土石方爆破施工项目,施工区域总长度为100公里。
施工内容包括挖填方、开挖坑底、边坡修剪及边坡护坡等工作。
二、施工组织设计方案:1.爆破施工方案:根据土质情况和施工需求,采用岩石爆破施工法进行土石方开挖作业。
具体方案如下:(1)施工前,由专业爆破工程师进行现场勘察和土壤检测,确定岩土特性和施工方式。
(2)根据岩土特性,选择适当的炸药、雷管和导爆索装置,确保施工的安全和高效。
(3)进行爆破前,需要进行相应的安全防护措施,包括设置警告标志、安全隔离带等。
(4)爆破操作前,需通知附近居民和交通管理部门,确保施工期间的安全和通行的畅顺。
(5)爆破施工过程中,需针对不同的地质情况和施工需求进行合理的爆破参数调整,保证施工质量和安全。
(6)爆破施工结束后,要进行相应的清理工作,处理好炸药、雷管等爆破材料,确保施工现场的整洁和安全。
2.施工期间交通管理方案:(1)施工期间需要对交通进行合理的管控和调整,确保施工和通行的顺利进行。
(2)在施工区域设置临时交通标志,引导和警示驾驶员注意施工区域,减速行驶。
(3)施工期间,需有专人负责交通管理工作,维护施工区域和通行道路的顺畅。
(4)在施工期间,可以适当调整交通路径,选择绕行的路线,避免与施工区域发生交通拥堵。
3.安全保障方案:(1)施工现场应设置安全警示标志,明确施工区域和禁止入场区域,确保施工期间的安全。
(2)施工现场需配备专业的安全监控人员,监测施工过程中的安全风险,并及时采取措施进行处理。
(3)施工期间,应配备专业的救援队伍和安全抢险设备,以应对可能出现的突发情况。
(4)施工期间要加强对工人的安全培训,确保他们具备必要的安全意识和操作技能。
4.环境保护方案:(1)施工期间,要合理控制噪音和粉尘的产生,防止对周围居民和环境造成不良影响。
(2)施工期间,需设置围挡和防护网,防止土石方倾倒导致环境污染。
高速公路路基工程路基土石方填筑施工方案及方法1.地基处理填方路段进行路基填土前,进行清表工作,包括公路用地范围之内的植物、垃圾和有机杂物的清理、掘除、移运和处理及原地面顶部30cm范围内草皮和表土的移除,填方高度小于1m的将路基范围内的树根全部挖除并将坑穴填平夯实。
2.一般土方路堤填筑⑴土方路堤分层填筑、分层压实,最大松铺厚度不大于30cm。
以透水性较小的土填筑于路堤下层时,应做成4%的双向横坡。
凡不因潮湿或冻融影响而变更其体积的优良土应填在上层,强度较小的土应填在下层。
⑵用几种不同性质的土填筑路堤时,将不同填料分别填筑,不得混填。
每种填料层累计总厚不宜小于0.5m。
⑶路堤填土宽度每侧宽于设计宽度50cm,压实宽度大于设计宽度,最后削坡。
⑷土方填筑路堤采用水平分层填筑法施工。
按照横断面全宽分成水平层次逐层向上填筑。
由最低处分层填起,每填一层,经过压实符合规定要求之后,再填上一层。
⑸地面纵坡大于12%地段,采用纵向分层法施工,沿纵坡分层,逐层填压密实。
⑹山坡路堤,地面横坡陡于1∶5时,原地面挖成台阶(台阶宽度不小于2m),并用压路机压实。
填筑由最低一层台阶填起,并分层压实,然后逐台向上填筑,所有台阶填完后,即按一般填士进行。
⑺对于陡峻地段的半填半挖路基,在山坡上从填方坡脚向上按设计挖成向内倾斜的台阶(台阶宽度不小于2m)。
⑻在填方分几个作业段施工时,两段交接处,如果不在同一时间填筑,则先填筑地段,按1:1坡度分层留台阶。
若两个作业段同时填筑,则分层相互交叠衔接,其搭接长度,不得小于2m。
3.填石路堤施工⑴在充分利用挖方作为填料的前提下,将表层风化石、软石或土夹石等填在路基下部,强度较高的材料填在上部。
填石路堤的填料需符合设计要求。
⑵填石路堤的填料如其岩性相差较大,则应将不同岩性的填料分层或分段填筑。
如路堑或隧道基岩为不同岩种互层,允许使用挖出的混合料填筑路堤,但石料强度、粒径应符合规范规定。
⑶填石路堤的石料强度不应小于15Mpa(用于护坡的不应小于20Mpa)。
高速公路路基土石方工程施工组织设计方案一、编制说明(一)工程概况**高速公路**永久连接线工程A合同段位于**县**镇,起讫桩号K0+000~K3+800,从**高速公路匝道开始起点,沿子午河东岸而上,于k1+149处跨越子午河,经蒲家沟口、田坝梁,合同段全长3.8km;按2车道二级公路标准建设,设计速度:40公里/小时,设计荷载:公路—II 级,路基宽度:8.5米,合同段内有交点21个,平均5.53个/km,平曲线极限最小半径60米,小于70米半径共计7个,最大纵坡:5.497%,最短坡长125米。
(二)主要工程量路基工程主要包括路基挖土方82308.39m3,开炸石方509231.72m3;路基填方69302 m3。
(三)工程重难点分析本合同段土石方工程量大,工期紧,共有断面方达591540.11m3,其中开挖土方82308.39m3 ,开炸石方509231.72m3 ,填方69302 m3。
由于山势陡峭、沟壑纵横,整条公路在原有公路上方40—100m高度以上,和旧公路平行布线,施工便道很难修建,大型设备和施工原材料很难运至施工现场,土石方施工只能依据实际,划分区段作业。
按照工期9个月计算,其中施工准备和交验1个月,实际施工时间只有8个月,平均每月需完成断面土石方约8万m3以上,土石方施工任务艰巨。
1.高边坡、深路堑施工本工程为新修路基,主要为开挖路堑段,公路沿线多为半风化、全风化页岩,由于山势较陡,开挖时土石方很容易落入岩下的现有公路上,极不安全,做好安全防护工作是高边坡施工的重要工作,按照项目部要求施工期间车辆通行保畅通的规定,施工安全保卫工作,要走在前面,同时按照施工计划要做好边坡防护,确保边坡稳定。
2、陡坡路堤施工陡坡路堤填筑前应做好路肩挡土墙等路基加固工程和引排水工程。
清理地表植被、杂土和淤泥,人工开挖搭接台阶,其台阶宽度不得小于2m,台阶向内倾斜横坡为2%~4%。
逐层铺填碎石土,用汽油打夯机或蛙式打夯机夯实,分层厚度不得大于20cm,有水管、导水板等加固防护措施时,导水管必须顺坡引入挡墙泄水孔。
陡坡路堤施工应快挖快填,防止坡体坍滑。
填至底基层时,应结合底基层加固措施将渗水土、复合土工膜等基床加固工程一次性完成。
3、高路堤施工高路堤施工在基底换填等加固工程和涵洞排水系统完成以后进行,其施工除遵照一般路堤填筑和加固路堤填筑工艺和要求以外,还应注意以下事项:(1)要预留沉降加高量,为了补偿高填路堤的后续时效沉降和固结,高路堤施工时要预留沉降量,其预留值是当填高小于20m时,按平均填高的0~2.5%预留沉降加高量,当填高大于20m时,除按设计加高外,再按平均填高的0~1.5%预留沉降加高量,特殊土质填筑时,其预留沉降量应按相应土质的工艺试验观测值确定。
在站场中不适宜预留沉落高度的地段,采取加强压实措施,提高密实度。
(2)要设置沉降观测点和沉降管,为了保证预留沉降的作用和积累经验资料,高填路堤要在最高填筑点,变高填筑点等代表性位置设置沉降观测点定期进行沉降观测,并根据观测结果对预留沉降进行调整。
(3)要控制沉降的均匀性,为保证沉降均匀一致,其填料的土工性能应在分层上保持一致,不同填料不得混填。
(4)要有边坡预留宽度,为保证路基主体的充分压实,其两侧各加宽30~50cm填筑。
(5)要保证填料的含水量,防止含水量过大形成翻浆。
(6)要预置排水坡度,防止表层积水下渗。
(7)坡面要及时进行加固和防护,防止雨水冲刷。
二、施工安排部署(一)施工指导思想:1.以“精心组织,科学管理,安全文明施工”为指导思想,以“以人为本,科技创新,诚信守诺”为管理方针,以“干一项工程,树一方信誉”为战略目标。
2.工程采用系统工程理论进行总体规划,工期以项目管理软件进行计划控制,抓住关键工序,确保工期。
3.施工技术以解决难点工序为主要内容,实行骨干人员定岗定责,专家动态指导,组织有效攻关,确保工程质量全线创优。
(二)施工原则1.以便道施工为前提,以施工驻地建设等临时设施为基础,尽早完成施工准备。
2.合理规划施工场地,本着节约、科学的原则,保证施工设施正常运行。
3.以路基土石方施工为重点,合理安排工序进度和关键工序的作业循环,提高机械使用率。
4.难易并重,分段连线,完成一段,交付一段。
5.坚持文明施工和环境保护,杜绝野蛮施工,尽量减少扰民,避免资源浪费,不破坏生态环境,按规定保护好水土资源。
(三)施工方案1.分专业、分区段、分阶段施工路基土石方施工中,由于便道修建难度较大,只有利用蒲家沟仅有的一条村道作为施工便道,以此便道向两侧扩展施工,挖方时必须分区段进行,同时挖方与填方相互配合,根据土石方调配方案进行调配,同时防护班组紧跟土石方的施工,防止边坡长时间风化或受水侵蚀,使路堤、路堑受到破坏。
各工序施工相互独立,紧密配合。
2.采用先进方法、工艺和机械设备施工所有沿线的土、石方开挖及填筑采用机械化施工,开挖石方路堑爆破均采用光面爆破或预裂爆破设计,在靠近建筑物和道路附近按弱震和非扬弃爆破设计。
土方由人工配合挖掘机加自卸车分层剥挖,自卸车运输;石方由潜孔钻打眼,微差毫秒雷管起爆,推土机加装载机和自卸车组合装运。
合理匹配机具,最大发挥机械效能。
3.严格分层填筑,配足碾压机具根据不同填料试验段所取得的松铺厚度、最佳含水量、压实机具等参数,严格检验和监督检查,科学施工,合理匹配振动压路机、冲击式压路机等机具,保证压实密度。
(四)施工安排1.施工区段划分根据工程特点,为方便工程施工和管理,加快工程进度,全线拟安排四个道路施工队分四个工区进行施工,具体分段如下:(1) 第一施工段为K0+000~K1+149.5段,共1149.5m,由道路一队施工,完成挖方109475m3,填方58671.4m3;(2) 第二施工段为K1+344.1~K1+973.5段,共644.2m,由道路二队施工,完成挖方161801.7m3,填方2101.7m3;(3) 第三施工段为K2+040.5~K2+724.9段,共684.4m,由道路三队施工,完成挖方139042.2m3,填方1634.9m3;(4) 第四施工段为K2+853.1~K3+800段,共946.9m,由道路四队施工,完成挖方190322.9m3,填方289.9m3。
各道路施工队设置土石方开挖工班、运输碾压工班等专业工班和专职安全员。
2.上场队伍及设备本合同段拟上场队伍为两个机械化道路施工队,各自配置土石方机械和其它专业施工设备,独立完成其承担区段的工程任务。
由于工程地段地形复杂,山大沟深,施工便道很难修建,工程施工的难度较大,对施工队技术专业素质要求较高,各施工队人员配置和劳动力计划见后附劳动力配备及设备表。
3.土石方调配本标段路基工程中挖方为591540.11m3,填方69302 m3,除本桩利用土石方和借用土方填筑外,还有约522238m3废方需要运至弃土场,弃土场按照设计文件的规定4个,不能满足施工要求,我们计划在蒲家沟口和田坝梁桥附近再增加两个弃土场,这样可全线有6个弃土场可以利用。
4.取、弃土场环保措施在进行取弃土施工时,除了坚持合理均衡,少占耕地等原则外,应按环保要求及时做好取弃土场的排水防护工程,还应在弃土完成后在弃土场基坡上植草。
同时加强运输便道维护和除尘工作,减少对当地居民生产、生活的干扰。
(五)工程施工顺序本合同段路基工程划分为四个路段由两个专业施工队分段负责:1、第一施工段为K0+000~K1+149.5段,共1149.5m,由道路一队施工,完成挖方109475m3,填方58671.4m3。
施工顺序为K0+000→K1+149.5。
2、第二施工段为K1+344.1~K1+973.5段,共644.2m,由道路一队施工,完成挖方161801.7m3,填方2101.7m3,顺序为K1+973.5→K1+344.1。
3、第三施工段为K2+040.5~K2+724.9段,共684.4m,由道路二队施工,完成挖方139042.2m3,填方1634.9m3,顺序为K2+040.5→K2+724.9。
4、第四施工段为K2+853.1~K3+800段,共946.9m,由道路二队施工,完成挖方190322.9m3,填方289.9m3,顺序为K3+800→K2+853.1。
三、施工进度计划(一)安排原则1.根据结构物分布状况及本合同段土石方数量较大,施工难度大、施工场地狭窄的特点,以路基施工为重点,合理组织平行施工。
2.施工初期根据路基施工区段进展情况,突击进行路基土石方的开挖,必须挖好路基边沟,保证正常排水要求。
3.各分项工程工期安排充分考虑人员素质、机械性能及天气影响,在合理、科学匹配的前提下,工期留有余地,以便调整。
(二)进度安排:路基工程计划开工时间为2011年8月10日,到2012年5月30日结束,每月完成土石方8万m3,四、路基工程施工方案及方法本合同段路基工程主要数量:挖土方591540.11m3,其中开挖土方82308.39m3 ,开炸石方509231.72m3 ,填方69302 m3。
施工时按就地取料填筑、短距离运料填筑、远距离运料填筑及就地弃料及短距离弃料等原则予以配置。
路基施工前将地表腐植土、草皮、树根等不合格料清除干净,填方地段在清理完地表面后将其整平压实到规定的要求再进行填方作业,填筑采用水平分层填筑法施工,路基填筑采用推土机整平辅以人工配合、振动压路机压实。
(一)路基放样1、路基开工前我单位先进行路基复测工作,其内容包括导线、中线、水准点复测、横断面检查与补勘、增设水准点等,施工测量的精度按交通部颁布的《公路路线勘测规程》的要求进行。
2、路基施工前,根据恢复的路线中桩、设计图表、施工工艺和有关规定钉出路基用地界桩和路堤坡脚、路堑堑顶、边沟等具体位置桩,并在距路中心一定安全距离处设立控制桩,其间隔不宜大于50m。
桩上标明桩号与路中心填挖高。
用(+)表示填方,用(-)表示挖方。
3、在放完边桩后,进行边坡放样,测定其标高及宽度,以控制边坡的大小。
并在边桩处设立明显的填挖标志,在施工中发现桩被碰倒或丢失时及时对其补上。
(二)土方施工土方开挖采用挖掘机开挖作业,开挖时采用横挖法或纵挖法自上而下分台阶进行,开挖时每层台阶控制在3~4以内,并在台阶面设置2%纵横坡以避免雨季积水。
当运距在100m以内时,直接采用装载机挖运。
运距在100m以外时用铲运机或挖掘机和装载机配合自卸汽车施工。
对于零星土方可用推土机推土堆积再用装载机或挖掘机配合自卸汽车运土。
在施工中要根据边坡桩及时刷坡,避免超欠挖。
土质路基施工工艺图框4-1。
(三)石方路堑施工对于软石和强风化岩石,能用机械直接开挖的均采用挖掘机开挖,凡不能使用机械开挖的则采取爆破法开挖。