土颗粒分析曲线图-自动计算
- 格式:xls
- 大小:61.01 KB
- 文档页数:2
水利试验,颗粒分析自动计算表格.doc 水利试验,颗粒分析自动计算表格
引言
随着科技的发展,自动化技术在各个领域得到广泛的应用,水利试验也不例外。
本文介绍了一种基于颗粒分析的水利试验自动计算表格的设计和实现。
背景
水利试验是对水流、水压、水质等水力学参数进行测量和分析的重要手段。
其中,颗粒分析是一种用来研究水力学中颗粒物运动规律的方法。
传统的颗粒分析需要通过人工进行计算,工作量大且容易出错。
因此,开发一种自动计算表格,能够准确、快速地计算颗粒分析结果,对于提高试验效率和减少错误具有重要意义。
设计与实现
功能需求
自动计算表格需要具备以下功能:
1. 输入颗粒物直径和对应的浓度数据。
2. 自动计算颗粒物的密度和颗粒物的含量百分比。
3. 根据计算结果,自动生成颗粒分析报告。
技术实现
具体实现步骤如下:
2. 使用pandas库读取输入的数据,并进行计算。
5. 根据计算结果,自动生成颗粒分析报告。
结论
通过自动计算表格的设计和实现,水利试验中的颗粒分析工作可以快速、准确地完成。
这不仅提高了试验的效率,还能减少人为误差的产生。
同时,自动生成的颗粒分析报告可以方便地进行后续
的数据分析和展示。
自动计算表格的使用将为水利试验的研究和实践带来更多的便利和效益。
参考文献
无。
土的粒径累积曲线的概念
土的粒径累积曲线指的是在一定条件下,将不同粒径的颗粒按照大小进行排序,并计算累积百分比的曲线图。
该曲线图通常用于描述土壤颗粒大小的分布特征。
土壤由不同粒径的颗粒组成,包括细粒、中粒和粗粒等。
土的粒径累积曲线将这些颗粒按照大小进行排序,并进行百分比统计。
图上的纵坐标表示累积百分比,从0%到100%。
横坐标表示颗粒的直径或者粒径分级。
曲线的形状反映了土壤颗粒大小的分布情况。
通过土的粒径累积曲线,我们可以得到以下信息:
1. 颗粒分布特征:曲线的形状可以反映土壤的颗粒大小分布情况,如是否存在明显的颗粒聚集或偏离。
2. 颗粒组成比例:通过查看特定粒径处的累积百分比,可以了解土壤中不同粒径颗粒所占的比例。
3. 文层性质分析:不同粒径颗粒对土壤性质、水分保持和透气性等有不同的影响,通过分析粒径累积曲线,可以对土壤的文层性质进行初步分析。
粒径累积曲线常常用于土壤工程、土地利用规划和农业科研等领域,以帮助研究人员了解土壤颗粒组成和性质,在土壤改良、土地利用和农业管理等方面提供指导。
巧用Excel软件处理颗粒分析数据并绘制曲线图
罗小芳
【期刊名称】《西部探矿工程》
【年(卷),期】2006(018)010
【摘要】天然土的颗粒分析试验由于资料处理繁琐,很容易出错,这会影响颗粒组成的分类和工程性质.介绍用Excel软件处理颗粒分析资料,数据并绘制曲线图,为试验人员修正误差、补充数据提供方便,生成的图表既方便浏览又方便存档.
【总页数】2页(P319-320)
【作者】罗小芳
【作者单位】广东省地质勘查局七○三地质大队,广东,惠州,516001
【正文语种】中文
【中图分类】TU41
【相关文献】
1.巧用CASS软件绘制沉降观测曲线图
2.巧用Excel软件处理击实试验数据并绘制曲线效果图
3.巧用Excel2000绘制静力触探曲线图
4.精确绘制土颗粒级配曲线图方法的研究
5.巧用Excel绘制数学函数曲线图
因版权原因,仅展示原文概要,查看原文内容请购买。
实验二 颗粒分析试验学 时:2学时 实验性质:操作型实验一、目的要求:掌握土颗分和相对密度实验操作方法,实验数据分析与整理,利用试验数据判断土的组成,级配性质。
二、试验原理:(一)、筛析法颗粒分析试验原理:对应于粒径大于0.075mm 的粗粒土,一般用筛析法分析土颗粒大小。
筛析法是采用不同孔径的分析筛,由上至下孔径自大到小叠在一起。
通过筛析后,得到不同孔径筛上土质量,进而计算出粒组含量和累积含量。
(二)、比重计法颗粒分析试验原理:对应于粒径小于0.075mm 的细粒土,采用比重计法。
小球体在水中下沉时满足:①小球体在水中沉降的速度是恒定的;②小球体沉降速率与球体直径d 的平方成正比。
比重计法正是利用这一原理来进行颗粒分析的。
密度计是测定液体密度的仪器。
它的主体是个玻璃浮泡,浮泡下端有固定的重物,使密度计能直立地浮于液体中;浮泡上为细长的刻度杆,其上有刻度数和读数。
目前,使用的有甲种密度计和乙各密度计两种型号,本试验采用甲种密度计。
甲种密度计刻度杆上的刻度单位表示20℃时每1000cm 3悬液内所含土粒的质量。
由于受实验室多种因素的影响,若悬液温度不是20℃时悬液的密度(或土粒质量),必须将初读数经温度校正;此外,还需进行弯液面校正、刻度校正、分散剂校正。
本试验采用斯托可斯公式来求土粒在静水中沉降速度;密度计法是通过测定土粒直沉降速度后求相应的土粒直径,如下式所示:tLG G d wTg wT s ⨯-⋅⨯=ρη)(1018004。
各符号见操作步骤中说明。
已知密度的均匀悬液在静置过程中,由于不同粒径土粒的下沉速度不同,粗、细颗粒发生分异现象。
随粗颗粒不断沉至容器底部,悬液密度逐渐减小。
密度计在悬液中之沉浮决定于悬液之密度变化。
密度大时浮得高,读数大;密度小时浮得低,读数小。
若悬液静置一定时间t 后,将密度计放入盛有悬液的量筒中,可根据密度计刻度杆与液面指示的读数测得某深度H t (称有效深度)处的密度,并可按式上述公式求出下沉至H t 处的最大粒径d ;同时,通过计算即可求出H t 处单位体积悬液中直径小于d 的土粒含量,以及这种土粒在全部土样中所占的百分含量。
如何绘制级配颗粒曲线
1.先将土样的颗粒分析填入Excel表格中,如下图所示。
2.然后再点击插入---图表,就会弹出下面的窗口
点击XY散点图,选择图中选住的那一项
3.选择之后然后点击“下一步”,就会出现下面的窗口
4.然后点击数据区域的右边的拾取按钮,然后拾取你所需要的数据,如图中
虚线框就是选择的区域,如果是两个土样,就要点击“系列”,在系列里面添加,如图所示
5.选取完之后点击“下一步”,将会出现下图所示的窗口,然后就填写“标题”,
“x轴表示的名称”,“y轴表示的名称”,然后再点击网格线,把主要网格线和次要网格线全部勾选,如图
6.然后点击“下一步”再点击“完成”
7.然后用鼠标在X轴附近点击右键,点击坐标格式,然后点击刻度,框选对
数刻度,数值次序反转框和数值轴交于最大值,如图所示
8.同样的方法点击Y轴坐标格式,进行修改,纵轴不需要框选对数对数刻度
那一栏。
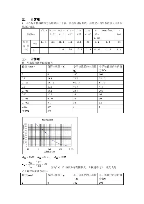
五、 计算题1. 甲乙两土样的颗粒分析结果列于下表,试绘制级配曲线,并确定不均匀系数以及评价级配均匀情况.粒径/mm 2~0。
5 0。
5~ 0。
25 0.25~ 0。
1 0。
1~ 0.05 0。
05~ 0.02 0。
02~ 0。
01 0。
01~0。
0050.005~0.002 ﹤0.002相 对 含量(%)甲土 24。
314.2 20。
2 14.8 10.5 6.0 4。
1 2。
9 3.0 乙土5。
05.017。
132。
918。
612。
49。
0五、 计算题,,,因为〉10 粒度分布范围较大,土粒越不均匀,级配良好。
孔径(mm ) 留筛土质量(g ) 小于该孔径的土质量(g) 小于该孔径的土的百分数% 2100100孔径(mm ) 留筛土质量(g ) 小于该孔径的土质量(g) 小于该孔径的土的百分数% 2 0 100 100 0.5 24.3 75.7 75。
7 0。
25 14。
2 61。
5 61。
5 0.1 20.2 41.3 41.3 0。
05 14.8 26.5 26.5 0.02 10.5 16 16 0。
01 6。
0 10 10 0。
005 4.1 5.9 5.9 0.002 2.9 3 3 <0.002 3.00。
5 0 100 1000。
25 05 100 1000.1 5 95 950.05 5 90 900.02 17.1 72.9 72.90.01 32。
9 40 400。
005 18.6 21。
4 21。
40.002 12。
4 9 9〈0。
002 9,因为大于5,在1-3之间所以为良好级配砂五、计算题1. 有一完全饱和的原状土样切满于容积为21。
7cm3的环刀内,称得总质量为72.49g, 经1 05℃烘干至恒重为61.28g,已知环刀质量为32。
54g,土粒相对密度(比重)为2。
74, 试求该土样的湿密度、含水量、干密度及孔隙比(要求按三项比例指标定义求解)。
2。
某原状土样的密度为1。
直接利用excel做地球化学微量、稀土配分图的方法
geokit,geoplot,都能做。
但是是如何做出来的呢。
原理如下:
准备好数据
对数据进行标准化,第一排:输入:=样品/球粒陨石,然后回车。
样品和球粒陨石的值用,鼠标去点击相应的格。
如第一个样品,=C2/C9,回车。
手动计算第一排的数,如上.然后拖动。
自动计算后面的数据。
如上。
现在开始画图。
如下,图表向导,系列
分类(X)轴标志:用鼠标在表中拖动从La-到Lu,然后确定。
如上。
完成
发现,Y轴是100,200.这样的。
用鼠标放在Y轴上,右击,坐标轴格式,刻度,最大值1000。
对数刻度。
在图中空白出右击,图表选项,填上X,Y轴,用geokit做的图对比
右图,是geokit做的。
与左图一样。
将第一排数据改为新的数据,发现下图中自动变化。
可将此作为模版,每次填上新的数据就会自动生成图。
$2
再来看个微量元素的蛛网图。
按照上面的做法生成蛛网图,
$2
下面将此作为模版。
做新图。
发现只要上面的数据改动,下面的图自动生成。
总结:此方法,方便,高效,一次成图,作为模版,多次利用。
颗粒级配曲线颗粒级配曲线是根据颗分试验成果绘制的曲线,采用对数坐标表示,横坐标为粒径,纵坐标为小于(或大于)某粒径的土重(累计百分)含量。
它反映了土中各个粒组的相对含量,是直观反映泥沙样品颗粒级配组成的几何图形,也是计算有关特征值和资料整编的重要依据,根据颗粒级配曲线的坡度可以大致判断土的均匀程度或级配是否良好。
1.1 土的生成土是岩石经风化、剥蚀、破碎、搬运、沉积等过程,在复杂的自然环境中所生成的各类松散沉积物。
在漫长的地质历史中,地壳岩石在相互交替的地质作用下风化、破碎为散碎体,在风、水和重力等作用下,被搬运到一个新的位置沉积下来形成“沉积土”。
风化作用与气温变化、雨雪、山洪、风、空气、生物活动等(也称为外力地质作用)密切相关,一般分为物理风化、化学风化和生物风化三种。
由于气温变化,岩石胀缩开裂、崩解为碎块的属于物理风化,这种风化作用只改变颗粒的大小与形状,不改变原来的矿物成分,形成的土颗粒较大,称为原生矿物;由于水溶液、大气等因素影响,使岩石的矿物成分不断溶解水化、氧化、碳酸盐化引起岩石破碎的属于化学风化,这种风化作用使岩石原来的矿物成分发生改变,土的颗粒变的很细,称为次生矿物;由于动、植物和人类的活动使岩石破碎的属于生物风化,这种风化作用具有物理风化和化学风化的双重作用。
土是自然、历史的产物。
土的自然性是指土是由固相(土粒)、液相(粒间孔隙中的水)和气相(粒间孔隙中的气态物质)组成的三相体系。
相对于弹性体、塑性体、流体等连续体,土体具有复杂的物理力学性质,易受温度、湿度、地下水等天然环境条件变动的影响。
土的历史性是指天然土层的物理特征与土的生成过程有关,土的生成所经历的地质历史过程以及成因对天然土层性状有重要的影响。
在地质学中,把地质年代划分为五大代(太古代、元古代、古生代、中生代和新生代),每代又分若干纪,每纪又分若干世。
上述“沉积土”基本是在离我们最近的新生代第四纪(Q)形成的,因此我们也把土称为“第四纪沉积物”。
巧用excel绘制颗粒级配曲线与自动计算粒组特征参数摘要:颗粒分析试验为基础土工试验之一,其成果对土样定名及物理力学性质的判断都有着重要意义。
由于试验原始数据繁多,处理步骤繁杂,而以往试验室对颗分数据多为人工处理,导致颗粒分析数据处理工作量大,且结果易出错。
利用excel的函数和图表功能,可实现颗粒分析试验从原始数据计算、颗粒级配曲线绘制到粒组特征参数计算的数据自动处理,减少人为影响,提高工作效率及计算准确度。
关键字:颗粒级配曲线;粒组特征参数;自动计算1.颗粒分析试验数据处理的基本流程颗粒分析是通过测定干土中各粒组所占该土总质量的百分数的方法,借以明了颗粒大小分布情况,供分类土性、判断土的工程性质及选料之用[1],其基本原理参见文献[1]、[2]。
本文仅讨论筛析法联合密度计法的颗粒分析自动化数据处理。
其数据处理分为五个基本步骤:①筛析法计算0.075mm以上颗粒大小及含量②密度计法计算0.075mm以下颗粒大小及含量③绘制颗粒级配曲线④从颗粒级配曲线上读取粒组特征参数和粒径含量的辅助数据(粒径0.05mm,0.005mm,0.002mm所对应的含量百分比)⑤计算粒径含量表。
试验成果包括颗粒级配曲线,粒组特征参数(d10,d30,d50,d60,不均匀系数Cu,曲率系数Cc)及粒径含量表。
2.目前颗粒分析电化处理数据的状况随着计算机的普及,目前很多试验室已经开始用软件来完成颗粒分析数据的电化处理,常见的主要是办公软件Excel[3][4]和绘图软件AutoCAD[5]。
据笔者了解,目前试验室用Excel处理颗粒分析数据的方式还主要局限于常规计算和绘制颗分曲线[3][4],而粒组特征参数及粒径含量的辅助数据仍采用人工读取,这样的做法导致数据精度因人而异,且结果易发生量级错误;用AutoCAD处理颗粒分析数据,虽已通过编制AtuoLISP程序自动计算出粒组特征参数,但由于AutoCAD的优势在于图形处理而非数据处理,因此还要利用Excel表格进行数据前期准备,然后用AtuoLISP在AutoCAD中进行绘图和简单计算[5]。
土的颗粒分析试验记录表(筛分、移液管法)
编号:S—008
试验单位合同号
试样名称试验规程
试样来源样品编号
样品描述试验日期
试验复核
(一)土的颗粒大小分析试验记录(筛分法)
筛前总土质量= g <2mm土质量= g <2mm 占总土质量%= % <2mm 取样质量= g 粗筛分析细筛分析
孔径(mm) 累积筛
余
土质量
(g)
小于该
孔
径的土
质量(g)
小于该孔
径的土质
量百分比%
占总土质
量百分比
(%)
孔径
(mm)
累积筛余
土质量(g)
小于该孔
径的土质
量(g)
小于该孔
径的土
质量
百分比
(%)
占总土质
量百分比
(%)
2
60 1
40 0.5
20 0.25
10 0.075
5 <0.075
2
(二)土的颗粒大小分析试验记录(移液管法)
土粒比重:烘干土质量(g):取样深度(cm):>0.075颗粒含量
(%)
<0.075颗粒含量
(%)
粒径
d
(mm)
烧杯号
烧杯加
土质量
(g)
杯质量
(g)
25mL吸
管内土
质量
(g)
1000mL
量筒内
土质量
(g)
小于某粒
径土质量
百分数
(%)
小于某粒
径土质量
占总土质
量百分数
(%)
结论:。