室外消火栓检验批
- 格式:xlsx
- 大小:15.92 KB
- 文档页数:1
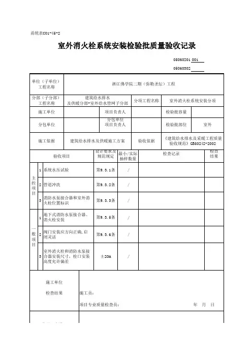
05060201室外消火栓系统安装检验批质量验收记录1.项目基本情况项目名称:项目地点:室外消火栓系统安装检验批编号:监理单位:施工单位:2.安装单位情况安装单位名称:3.安装材料验收情况3.1消火栓、消火栓箱、配件等材料的验收情况:验收结果:合格/不合格3.2消防接头、消防水枪、消防软管等配件的验收情况:验收结果:合格/不合格3.3其他相关安装材料的验收情况:验收结果:合格/不合格4.安装施工情况4.1消火栓箱、消火栓的安装情况:安装位置、角度是否符合设计要求:安装是否稳固可靠:安装材料是否使用正确:施工质量是否符合要求:4.2消防接头、消防水枪、消防软管等配件的安装情况:安装位置、角度是否符合设计要求:安装是否稳固可靠:安装材料是否使用正确:施工质量是否符合要求:4.3其他相关安装施工情况:施工过程中是否按照设计图纸进行操作:施工是否符合消防设施安装规范:施工质量是否符合要求:5.安装质量验收5.1安装单位提供的质量验收文件是否齐全:是否包括各项材料、设备的检验报告、合格证明等:5.2消火栓系统试验情况:消防设施是否存在渗漏、压力不足等问题:消防设施是否满足设计要求的开启时间:5.3消火栓系统运行情况:消防设施是否正常工作:消防设施是否存在故障、漏水等问题:6.安装质量评估6.1安装质量评估情况:安装质量是否达到规定标准:安装质量是否符合消防设施安装规范:6.2安装质量评估结论:合格/不合格7.建议与整改意见7.1对于不合格项的整改建议:7.2对于合格项的优化建议:8.验收人员验收单位:验收人员签字:验收日期:。
1. 背景室外消火栓系统是公共安全的重要保障设施,其安装质量是否符合相关标准、规范,对于预防火灾、保护人民生命和财产安全有着重要作用。
为保障消防设施的有效性,应建立健全的消火栓系统安装检验评估制度,使其质量得到保障。
2. 安装检验批质量验收的必要性安装检验批质量验收是保证消火栓系统设计、施工、安装、调试质量的重要环节。
其中,消火栓系统的安装质量验收是保证消火栓系统能够正常运行的关键环节,是消防设施验收的重要组成部分。
这一验收的主要目的在于检测消火栓系统的安装是否符合规定的技术标准,是否满足消防设计方案要求,以及消火栓系统是否具备它所应有的消防功能。
3. 安装检验批质量验收的方法在消火栓系统安装完成后,需要进行安装检验批质量验收。
针对消防领域的特殊性,安装检验批质量验收应按照技术标准和规范进行。
具体的方法包括:3.1 验收前准备在安装检验批质量验收之前,需要做好相应的前期准备工作,包括清洗、冲洗、插装等。
3.2 验收过程安装检验批质量验收主要包括现场检查、测试等环节。
3.2.1 现场检查现场检查是安装质量验收的第一步。
验收人员应在现场仔细检查安装是否符合消防设计方案,并且检查各设备的固定、连接等情况。
同时还需要检查管道及管件的质量是否合格,并进行试压等。
3.2.2 系统测试验收人员还需要对消火栓系统进行全面测试,包括启动试验、着装试验、通过量试验等。
在测试中,应记录相关数据,以便后续分析。
3.3 检验记录安装检验批质量验收过程中需要记录相关数据,包括每个设备的检测数据、试验结果、检查过程中发现的问题以及解决方案等。
4. 结论通过安装检验批质量验收,可以确保消火栓系统设备的符合消防设计方案,并且能够正常运行,保障了人民生命和财产安全。
消火栓系统的检验评估制度应得到进一步完善,以逐步提高消火栓系统安装质量。
消防水泵接合器及室外消火栓安装检验批质量验收记录一、项目概述本次安装检验批工程包括消防水泵接合器及室外消火栓的安装,其主要目的是确保工程质量符合相关规范和标准要求,保障人员及财产的安全。
二、验收前准备工作1.确保所有施工人员熟悉相关规范和安装要求。
2.检查施工所用材料的合格证明,包括消防水泵接合器和室外消火栓的型号、规格和批次等信息。
3.验收前对施工现场进行清理,确保没有杂物和障碍物。
三、验收内容1.消防水泵接合器安装验收(1)检查消防水泵接合器的型号、规格和型式试验合格证明。
(2)检查接合器的安装位置是否符合设计要求。
(3)检查接合器与管道的连接是否牢固,无渗漏现象。
(4)检查接合器安装后,闸门阀门的开关操作是否灵活。
(5)检查接合器所使用的密封材料是否符合要求,是否有老化、腐蚀等情况。
2.室外消火栓安装验收(1)检查室外消火栓的型号、规格和型式试验合格证明。
(2)检查消火栓的安装位置是否符合设计要求。
(3)检查消火栓与管道的连接是否牢固,无渗漏现象。
(4)检查消火栓安装后,消火栓把手、闸门阀门等部件的开关操作是否灵活。
(5)检查消火栓的喷头和排水管道是否畅通,无阻塞情况。
四、验收结果及处理方法1.若消防水泵接合器和室外消火栓的安装验收符合相关规范和标准要求,则可通过验收,并要求施工方进行维护保养并交付使用。
2.若消防水泵接合器和室外消火栓的安装验收存在不符合相关规范和标准要求的情况,需施工方整改,并重新进行安装检验批质量验收。
3.如有涉及安全隐患的问题,应立即停工,并通知相关监管部门进行处理。
五、验收记录验收记录应详细记录以下内容:1.安装验收的日期、地点和时间。
2.施工方提供的相关材料证明文件。
3.消防水泵接合器和室外消火栓的型号、规格和型式试验合格证明。
4.验收过程中发现的问题及整改情况。
5.验收人员的签名及相关监管部门的意见。
六、总结及建议本次消防水泵接合器及室外消火栓的安装检验批质量验收工作顺利进行,并最终符合了相关规范和标准要求。
室外消火栓系统安装检验批质量验
一、前言
室外消火栓系统是城市公共设施中的重要组成部分,其作用不容忽视。
在安装和验收过程中,质量检验是不可少的环节,能够确保消火栓系统的安全运行,保障群众生命财产的安全。
本文将对室外消火栓系统安装检验批质量验进行详细介绍。
二、安装前准备
1. 施工方案
在进行室外消火栓系统的安装前,施工方案必须制定并获得相关部门的批准。
施工方案应包括管道布置、消防栓设备配置、消防接管、止回阀安装位置和数量等内容。
2. 材料准备
室外消火栓系统的材料要求符合国家标准,包括管道、阀门、防护罩等。
材料应经过严格检查,没有损坏或缺陷。
3. 人员培训
安装室外消火栓系统的施工人员应获得相关证书和培训,熟悉施工规范,掌握安装程序。
4. 工具准备
安装室外消火栓系统所需的工具包括管道扳手、水泵、钢丝绳等,必须保持干净整洁,操作人员必须熟练使用。
1。
消防水泵接合器及室外消火栓安装工程检验批质量验收记录项目概述:本次项目旨在对消防水泵接合器及室外消火栓安装工程进行检验,确保其质量符合国家标准要求,提高消防设施的可靠性和安全性。
检验时间:2024年7月1日检验人员:1.项目质量检验组组长:XXX2.项目质量检验员:XXX一、检验内容:1.检验消防水泵接合器的安装位置、紧固件等是否符合设计要求。
2.检验室外消火栓的设置、标志标识等是否符合相关标准。
3.检验消防水泵接合器和室外消火栓的使用和操作情况。
二、检验结果:经过对消防水泵接合器及室外消火栓的检验,结果如下:1.检验消防水泵接合器的安装位置、紧固件等符合设计要求,未发现任何安全隐患,合格。
2.检验室外消火栓的设置、标志标识等符合相关标准,符合设计要求,合格。
3.检验消防水泵接合器和室外消火栓的使用和操作情况正常,合格。
三、存在问题及整改措施:1.一些消防水泵接合器的紧固件安装不牢固,存在一定的安全隐患。
整改措施:对紧固件进行重新检查和加固,确保其安装牢固可靠。
2.存在部分室外消火栓的标志标识模糊不清,不便于识别。
整改措施:重新绘制标志标识,确保其清晰可见。
四、质量验收结论:经过本次质量检验,消防水泵接合器及室外消火栓安装工程符合相关标准和要求,质量达到验收标准。
五、检验人员签名:项目质量检验组组长:XXX项目质量检验员:XXX六、备注:1.检验过程中未发现其他质量问题。
2.本次检验记录仅对特定时间段内的工程进行检验,不得代表项目的全部质量状况。
3.如有其他问题需要整改和验收,将另行安排。
室外消火栓系统安装检验批质量验室外消火栓系统是城市燃气设施中重要的一环,它与城市居民和社会生产密切相关。
为了保证城市居民和社会生产的安全,消火栓系统的安装质量至关重要。
本文将从安装、检验、批准三个方面介绍室外消火栓系统安装检验批的质量验收要求。
一、安装验收①消火栓的设备与安装位置应符合设计要求,并进行相应的调整。
②消火栓的管道应安装在土壤深度1000毫米以下,消火栓管道斜率应不小于0.005,管道倾斜方向应在逆水流方向。
③在消火栓位置部位应准确标注消火栓设置位置标志,并有明确的标牌,让相关人员了解消火栓位置,方便及时灭火。
④消火栓的水源、水压和流量应符合设计要求,及时进行试验,确保消火栓系统完好无损、密封牢固,能够运行正常。
⑤消火栓系统管道连接方式应符合设计要求,阀门、接头等连接紧密,接口不渗漏。
二、检验验收①消火栓系统的检验应由专业检测机构进行,对系统进行检测,检测项目应包括消火栓系统的水流、水压、消火栓管道的质量、阀门的灵活性、密封性和控制系统的可靠性等。
②检验应在符合测试条件的情况下进行,如系统已投入使用,应先排水,排除碳酸钙和死角的积水,保持管路清洁,保证消防水可靠、稳定。
③在检验过程中,应严格实施安全防护措施,并注意阀门、泵等部件的开关状态,避免发生意外伤害和造成水压损坏消火栓。
三、批准验收①良好的管道防腐蚀、管道倾斜、消防池坝、机房、设施配置、成品检测、阀门操作情况等成果基础。
②根据消火栓安装、检验、试验情况确认验收文件,完善验收原始记录并进行分类保存,快速、方便地追溯消火栓的建设历史和质量问题。
总之,消火栓系统安装检验批的质量验收是消防系统的一项重要工作,质量验收合格的消火栓系统能够正常运行,保障城市居民和社会生产的安全。
在验收过程中,应重视安装、检验、批准三个方面,确保消火栓系统的质量达到效果。
努力实现消火栓系统建设质量的长期稳定性,切实保障城市居民的生命安全和财产安全。