半桥变压器设计步骤(精)
- 格式:doc
- 大小:17.50 KB
- 文档页数:8
半桥LLC变压器的设计
引言:
设计目标:
设计步骤:
下面是半桥LLC变压器的设计步骤:
1.确定输入电压和输出电压:首先,我们需要确定输入电压和输出电
压的数值。
根据应用需求,我们可以通过电压变换比来计算输出电压。
同时,我们还需要考虑输入电压的范围,以确定输入电压的设定。
2.确定功率需求:根据设计需求,我们可以计算出所需的功率。
功率
是变压器设计中一个非常重要的参数,因为它决定了变压器的大小和能效。
3.制定电路拓扑:在半桥LLC变压器设计中,需要选择适当的电路拓扑。
常见的拓扑选择包括全桥、半桥、LLC,并根据设计需求选择合适的
拓扑。
4.计算变压器参数:根据电路拓扑和设计需求,我们可以计算出变压
器的参数,包括变比、电感值和损耗等。
这些参数对于变压器的设计和性
能至关重要。
5.选择材料:根据设计需求和参数计算结果,选择适当的材料。
材料
的选择包括铁芯材料、线圈绝缘材料和绕组材料等。
6.进行热设计:在高功率变压器的设计中,热管理是至关重要的。
通
过进行热设计,包括散热器、冷却风扇和热导管等,可以确保变压器的稳
定性和长寿命。
7.进行模拟和测试:在设计完成后,进行模拟和测试以验证设计的性能和可靠性。
这可以通过电路仿真软件和实际硬件测试来完成。
总结:
半桥LLC变压器的设计过程包括确定输入电压和输出电压、确定功率需求、制定电路拓扑、计算变压器参数、选择材料、进行热设计和进行模拟和测试等步骤。
通过合理的设计和参数选择,可以设计出高效能的半桥LLC变压器,满足各种电源设计需求。
引言:随着电力电子技术的广泛应用,越来越多的电子设备需要交流电压转换成为直流电压才能正常工作,因此交流电压到直流电压的变换器在各种电子设备中具有重要的地位。
半桥式变换器是直流电压变换的一种常见方案,它具有简单、可靠、成本低等优势,受到广泛关注。
本文通过对半桥式变换器的设计与仿真分析,系统介绍半桥式变换器的工作原理、设计流程、MATLAB 仿真和硬件实现,旨在对电力电子工程师和研究人员提供帮助和指导。
一、半桥式变换器的工作原理半桥式变换器从AC 电源输入处采集交流电压,并经过一个整流电路变成直流电压,再由MOSFET、IGBT 等器件控制,在变压器的作用下将直流电压变换为不同大小的交流电压。
同时变压器的二次侧根据用途转换为高频、低频、大电流、小电流、高电压等不同的输出信号。
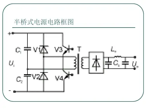
图1 展示了半桥式变换器的基本原理框图。
(图1 半桥式变换器原理框图)半桥式变换器的输出特点取决于所使用的变压器的结构,变压器一般采用软磁材料制成。
高频变压器选用磁性材料,沉底铁心,SOFT 模式,以减小漏感,减小输出电感大小,增加输出电容,提高输出电流能力;中频变形器选用铁氧体磁芯,HARD 模式,以减小头部漏感,保证小信号通路电感,输出电容一般不增加,输出电流能力较高。
二、半桥式变换器的设计流程1.电源首先需根据实际情况选择合适的电源电压和频率,比如常用的220V/50Hz 的交流电源。
2.输出参数根据实际需求,选择输出电压、电流、功率等参数。
3.变压器设计变压器的参数,包括输入电压、输出电压、输出电流等。
4.变频器选用合适的变频器,比如MOSFET、IGBT 等,需满足电源频率和输出电流的要求。
此外,变频器的驱动电路也需要进行设计。
5.控制电路半桥式变换器的控制电路包括PWM 控制电路、保护电路等,其中PWM 控制电路主要包括比例积分控制、PID 控制等。
6.反馈电路反馈电路用于实现反馈控制和保护,如过电流保护、短路保护等。
ahb非对称半桥变压器设计方法
非对称半桥变压器是一种常见的变压器拓扑结构,常用于直流-交流(DC-AC)逆变器和电源应用中。
设计非对称半桥变压器需要考虑以下几个方面:
1. 确定变压器的额定功率和输入/输出电压:根据应用需求确定变压器的额定功率和输入/输出电压,这将决定变压器的尺寸和参数。
2. 计算变压器的变比:根据输入/输出电压的比例,计算变压器的变比。
变比可以通过变压器的绕组比例来实现。
3. 计算变压器的绕组参数:根据变比和额定功率,计算变压器的绕组参数,包括绕组匝数、导线截面积和绕组电阻。
4. 选择磁芯材料和尺寸:根据变压器的功率和频率,选择合适的磁芯材料和尺寸。
常用的磁芯材料包括铁氧体和硅钢片。
5. 设计变压器的绕组结构:根据变压器的绕组参数和磁芯尺寸,设计变压器的绕组结构,包括绕组层数、绕组间隔和绕组连接方式。
6. 进行磁路设计和电磁仿真:使用磁路设计软件和电磁仿真工具,进行变压器的磁路设计和电磁性能仿真,以验证设计的合理性和性能。
7. 制造和测试:根据设计结果,制造变压器,并进行必要的测试和验证,确保其满足设计要求和性能指标。
需要注意的是,非对称半桥变压器的设计需要考虑到其特殊的工作方式和应用环境,例如逆变器的开关频率和电流波形等因素。
因此,在设计过程中需要综合考虑这些因素,并进行合适的优化和调整。
1.8.1 半桥LLC 变压器的设计第一步 计算输出电路的交流电阻。
对于谐振正弦电流,在全波桥式电路中,有效值电流为:o rms ac I I 22)(π=考虑到方波的基频分量,有效电压值:o rms ac V E 22)(π=因此,输出交流电阻表示为:L O O RMS ac RMS ac ac R I V I E R 22)()(88ππ=== 第二步 计算半桥LLC 变压器的匝比。
)(*2*)2/()*2/()()2/(d o in d o in V V D V D V V V n +=+= 由于半桥LLC 谐振变换的占空比D 为固定值近似50%,则)(2*2*)2/(d O in d o in V V V V V D V n +=+= 第三步,计算变压器副边阻抗等效到原边的阻抗。
ηπ228n R Z L pri =第四步,LLC 谐振电路的Q 值(品质因素)和k(初级电感量和谐振电感的关系)。
副边二极管导通时,谐振电路的Q 值(品质因数):pri priOZ Cr Lr Z Z Q == r pL L k = (k 选4,3~7之间可以接受),k 值选大,会增大频率范围,较小的k 值可以减小频率范围,但是轻载效率较低。
)第五步, 计算半桥LLC 谐振参数Lr,Cr,Lp 。
正常工作时,据经验选择k=4,Q=1。
1===pri priOZ Cr Lr Z Z Q , 即 22228(ηπn R Z C L L pri r r == (1-142) 设谐振频率为100k ,则 k C L r r 10021=π (1-143)由1-142,1-143联立,即可算出Lr,Cr 的值。
根据4==k L L r p,即可求出Lp 的值。
第六步,计算变压器匝数,原边匝数Np ,副边匝数Ns 。
Ae B T D V Ae B t V N in in P ***)2/(**)2/(∆=∆∆=对于半桥谐振LLC 变换,占空比D 为0.5,则上式可以变成:AeB T V N in P **4*∆= 其中,B ∆为半个周期内磁芯的磁感应强度变化量(B ∆的变化与励磁电流ilm 的变化趋势一致,在半周期内磁感应强度会从-Bmax 变化到+Bmax ,因此max 2B B=∆),Ae 为磁芯的截面积。
变压器的设计过程包括五个步骤:①确定原副边匝数比;②确定原副边匝数;③确定绕组的导线线径;④确定绕组的导线股数;⑤核算窗口面积。
(1)原副边变比为了提高高频变压器的利用率,减小开关管的电流,降低输出整流二极管的反向电压,减小损耗和降低成本,高频变压器的原副边变比应尽量大一些。
为了在任意输入电压时能够得到所要求的电压,变压器的变比应按最低输入电压选择。
选择副边的最大占空比为,则可计算出副边电压最小值为:,式中,为输出电压最大值,为输出整流二极管的通态压降,为滤波电感上的直流压降。
原副边的变比为:。
(2)确定原边和副边的匝数首先选择磁芯。
为了减小铁损,根据开关频率,参考磁芯材料手册,可确定最高工作磁密、磁芯的有效导磁截面积、窗口面积。
则变压器副边匝数为:。
根据副边匝数和变比,可计算原边匝数为:。
(3)确定绕组的导线线径在选用导线线径时,要考虑导线的集肤效应。
所谓集肤效应,是指当导线中流过交流电流时,导线横截面上的电流分布不均匀,中间部分电流密度小,边缘部分电流密度大,使导线的有效导电面积减小,电阻增加。
在工频条件下,集肤效应影响较小,而在高频时影响较大。
导线有效导电面积的减小一般采用穿透深度来表示。
所谓穿透深度,是指电流密度下降到导线表面电流密度的0.368(即:)时的径向深度。
,式中,,为导线的磁导率,铜的相对磁导率为,即:铜的磁导率为真空中的磁导率,为导线的电导率,铜的电导率为。
为了有效地利用导线,减小集肤效应的影响,一般要求导线的线径小于两倍的穿透深度,即。
如果要求绕组的线径大于由穿透深度所决定的最大线径时,可采用小线径的导线多股并绕或采用扁而宽的铜皮来绕制,铜皮的厚度要小于两倍的穿透深度。
(4)确定绕组的导线股数绕组的导线股数决定于绕组中流过的最大有效值电流和导线线径。
在考虑集肤效应确定导线的线径后,我们来计算绕组中流过的最大有效值电流。
原边绕组的导线股数:变压器原边电流有效值最大值,那么原边绕组的导线股数(式中,J为导线的电流密度,一般取J=3~5 , 为每根导线的导电面积。
1 目的希望以简短的篇幅,将公司目前设计的流程做介绍,若有介绍不当之处,请不吝指教.2 设计步骤:2.1 绘线路图、PCB Layout.2.2 变压器计算.2.3 零件选用.2.4 设计验证.3 设计流程介绍(以DA-14B33为例):3.1 线路图、PCB Layout 请参考资识库中说明.3.2 变压器计算:变压器是整个电源供应器的重要核心,所以变压器的计算及验証是很重要的,以下即就DA-14B33变压器做介绍.3.2.1 决定变压器的材质及尺寸:依据变压器计算公式Gauss x NpxAeLpxIp B 100(max ) ➢ B(max) = 铁心饱合的磁通密度(Gauss)➢ Lp = 一次侧电感值(uH)➢ Ip = 一次侧峰值电流(A)➢ Np = 一次侧(主线圈)圈数➢ Ae = 铁心截面积(cm 2)➢B(max) 依铁心的材质及本身的温度来决定,以TDK FerriteCore PC40为例,100℃时的B(max)为3900 Gauss ,设计时应考虑零件误差,所以一般取3000~3500 Gauss 之间,若所设计的power 为Adapter(有外壳)则应取3000 Gauss 左右,以避免铁心因高温而饱合,一般而言铁心的尺寸越大,Ae 越高,所以可以做较大瓦数的Power 。
3.2.2 决定一次侧滤波电容:滤波电容的决定,可以决定电容器上的Vin(min),滤波电容越大,Vin(win)越高,可以做较大瓦数的Power ,但相对价格亦较高。
3.2.3 决定变压器线径及线数:当变压器决定后,变压器的Bobbin 即可决定,依据Bobbin 的槽宽,可决定变压器的线径及线数,亦可计算出线径的电流密度,电流密度一般以6A/mm 2为参考,电流密度对变压器的设计而言,只能当做参考值,最终应以温升记录为准。
3.2.4 决定Duty cycle (工作周期):由以下公式可决定Duty cycle ,Duty cycle 的设计一般以50%为基准,Duty cycle 若超过50%易导致振荡的发生。
信平电子变压器:半桥电路与运放电路设计详解在PWM和电子镇流器傍边,半桥电路发挥着重要的效果。
半桥电路由两个功率开关器材组成,它们以图腾柱的方式衔接在一起,并进行输出,供给方波信号。
本篇文章将为咱们介绍半桥电路的作业原理,以及半桥电路傍边应该留意的一些问题,期望可以协助电源新手们更快的了解半桥电路。
在PWM和电子镇流器傍边,半桥电路发挥着重要的效果。
半桥电路由两个功率开关器材组成,它们以图腾柱的方式衔接在一起,并进行输出,供给方波信号。
本篇文章将为咱们介绍半桥电路的作业原理,以及半桥电路傍边应该留意的一些问题,期望可以协助电源新手们更快的了解半桥电路。
首先咱们先来了解一下半桥电路的根本拓扑:半桥电路的根本拓扑电路图电容器C1和C2与开关管Q1、Q2组成桥,桥的对角线接变压器T1的原边绕组,故称半桥变换器。
假如此刻C1=C2,那么当某一开关管导通时,绕组上的电压只要电源电压的一半。
半桥电路概念的引进及其作业原理电路的作业进程大致如下:参照半桥电路的根本拓扑电路图,其间Q1注册,Q2关断,此刻变压器两头所加的电压为母线电压的一半,一起能量由原边向副边传递。
Q1关断,Q2关断,此刻变压器副边两个绕组因为整流二极管两个管子一起续流而处于短路状况,原边绕组也相当于短路状况。
Q1关断,Q2注册。
此刻变压器两头所加的电压也根本上是母线电压的一半,一起能量由原边向副边传递。
副边两个二极管完成换流。
半桥电路中应该留意问题汇总偏磁问题原因:因为两个电容衔接点A的电位是随Q1、Q2导通状况而起浮的,所以可以主动的平衡每个晶体管开关的伏秒值,当起浮不满足要求时,假设Q1、Q2具有不同的开关特性,即在相同的基极脉冲宽度t=t1下,Q1关断较慢,Q2关断较快,则对B点的电压就会有影响,就会有有灰色面积中A1、A2的不平衡伏秒值,原因就是Q1关断推迟。
假如要这种不平衡的波形驱动变压器,将会发作偏磁现象,致使铁心饱满并发作过大的晶体管集电极电流,然后降低了变换器的功率,使晶体管失控,乃至焚毁。
变压器的设计步骤和计算公式变压器是用来改变交流电压的设备,它是电力系统中重要的组成部分。
变压器的设计步骤和计算公式包括以下几个方面:1.确定变压器的额定容量:变压器的额定容量是指它所能传递的最大功率。
根据电源的类型和负载的需求,确定所需的变压器容量。
2.确定变比和绕组类型:根据输入电压和输出电压的关系确定变压器的变比。
可以选择或设计合适的绕组类型,包括单相或三相绕组。
3.确定变压器的谐振频率:根据变压器的铁芯材料和绕组参数,计算变压器的谐振频率。
谐振频率是指变压器在特定频率下的最佳工作效率。
4.计算变压器的型号和数量:根据负载需求和变压器容量,计算所需的变压器型号和数量。
5.设计变压器的铁芯:根据变压器容量和谐振频率,确定变压器铁芯的尺寸和材料。
根据铁芯尺寸计算所需的绕组参数。
6.设计变压器的绕组:根据变压器铁芯的尺寸和绕组参数,计算绕组的匝数、线径和绕组类型。
根据绕组参数和电源电压,计算绕组匝数和绕组线径。
7.计算变压器的损耗和效率:根据变压器的绕组参数和电源电压,计算变压器的铜损和铁损。
根据损耗计算变压器的效率。
8.检查并优化设计:检查设计和计算结果,确保变压器能够满足负载需求,并根据需要进行优化。
变压器的一些计算公式如下:1.变比计算公式:变比=输入电压/输出电压2.铜损计算公式:铜损=输入电流²×绕组电阻3.铁损计算公式:铁损=变压器容量×铁损系数4.效率计算公式:效率=(变压器容量-铁损)/输入功率×100%以上是变压器设计的一般步骤和一些常用的计算公式。
实际设计中可能还需要考虑其他因素,如绝缘、温度等。
设计变压器需要综合考虑各种因素,确保变压器在使用过程中能够稳定高效地运行。