抗浮桩计算
- 格式:docx
- 大小:35.54 KB
- 文档页数:27
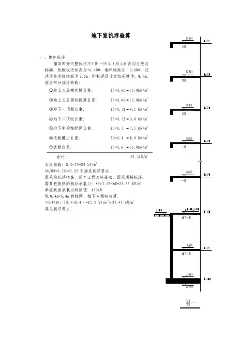
地下室抗浮验算一、整体抗浮裙房部分的整体抗浮(图一所示)图示标高均为绝对标高。
底板板底标高为-6.400,地坪标高为:3.600,抗浮设防水位标高为2.5m,即抗浮设计水位高度为:8.9m。
裙房部分抗浮荷载:①地上五层裙房板自重: 25×0.60=15.0kN/m2②地上五层梁柱折算自重: 25×0.60=15.0kN/m2③地下一顶板自重: 25×0.18=4.5 kN/m2④地下二顶板自重: 25×0.12=3.0 kN/m2⑤地下室梁柱折算自重: 25×0.3 =7.5 kN/m2⑥底板覆土自重: 20×0.4 =8.0 kN/m2⑦底板自重: 25×0.6 =15.0kN/m2合计: 68.0kN/m2水浮荷载:8.9×10=89 kN/m268/89=0.764<1.05不满足抗浮要求。
需采取抗浮措施,因本工程为桩基础,固采用桩抗浮。
需要桩提供的抗拉承载力:89×1.05-68=25.45 kN/m2单桩抗拔承载力特征值:450kN取8.4m×8.4m的柱网,柱下4根桩验算:(4×450)/(8.4×8.4)=25.5 kN/m2>25.45 kN/m2满足抗浮要求。
二、局部抗浮无裙房处地下室的局部抗浮(图二所示)图示标高均为绝对标高。
覆土厚度为:0.6m。
底板板底标高为-6.400,地坪标高为:3.600,抗浮设防水位标高为2.5m,即抗浮设计水位高度为:8.9m。
地下室部分抗浮荷载:①顶板覆土自重 : 20×0.60=12.0kN/m2②地下一顶板自重: 25×0.25=6.25kN/m2③地下二顶板自重: 25×0.12=3.0kN/m2④梁柱折算自重: 25×0.3 =7.5kN/m2⑤底板覆土自重: 20×0.4 =8.0kN/m2⑥底板自重: 25×0.6 =15.0kN/m2合计: 51.8kN/m2水浮荷载:8.9×10=89kN/m251.8/89=0.58<1.05 不满足抗浮要求。
西安某工程抗浮桩设计要点摘要:本文首先介绍了西安群光广场项目概况、地质概况,阐明了选择预应力高强混凝土管桩的原因,讲解了抗浮桩设计的过程及其细部要求。
关键词:抗浮桩;单桩竖向承载力特征值;单桩竖向极限承载力标准值一、工程简介西安群光广场位于西安市东大街与南新街十字东北角,东临炭市街,总建筑面积约为214083.58m2,其中地上约109773.85m2,地下约104309.73m2。
地上1~7层及地下1层为商业用房,地下2~5层为停车库(地下5层局部为常6核6人防物资库),建筑高度36m,结构形式为框架-剪力墙结构,其中地上1~7层及地下1层楼盖为梁板体系,地下2~5层采用无梁楼盖、局部采用梁板体系。
本工程地基基础设计等级为甲级,建筑桩基设计等级为乙级。
因地下水浮力大于结构自重,故应做抗浮设计,本工程采用预应力高强混凝土管桩抗浮。
二、地质概况本工程场地地面下50m深度范围内,地基土主要由填土、黄土、古土壤、砂层及粉质粘土组成。
根据钻探结果将地基土分为9层,现由上至下分层描述如下:①填土:场地北部以素填土为主,场地中南部主要为杂填土;②黄土:黄褐~褐黄色,饱和,软塑,针状孔隙发育,含铁锰质斑点及个别钙质结核,可见蜗牛壳碎片;③古土壤:红褐色~棕红色,可塑,局部软塑;④粉质粘土:黄褐色~褐黄色,可塑,含铁锰质斑点及个别钙质结核,偶见蜗牛壳碎片;⑤粉质粘土:灰黄色~黄褐色,上部局部灰黄色,硬塑~可塑,含铁锰质斑点及个别钙质结核,偶见蜗牛壳碎片;⑥中细砂:灰黄色,密实,饱和,颗粒纯净,矿物成分以长石、石英为主;⑦粉质粘土:黄褐色~褐黄色,硬塑,局部可塑,含铁锰质斑点及个别钙质结核,偶见蜗牛壳碎片;⑧中细砂:灰黄色,密实,饱和,颗粒纯净,矿物成分以长石、石英为主;⑨粉质粘土:黄褐~灰黄色,硬塑,局部可塑,含铁锰质斑点和钙质结核。
勘察期间(2010年4月及2011年12月),实测场地地下水稳定水位埋深约在现地面下5.90~7.80m之间,相应标高397.81~399.57m,属潜水类型。
宝安公路2号地块地下车库计算原则1.计算水位:抗浮水位:4.8米,抗压水位3.8米。
2.排桩计算:2.1抗浮桩计算:顶板覆土厚1.5米,容重16kN/m3, 底板、顶板和柱按自重实取,混凝土容重取25kN/m3,活荷载均不计,水位按抗浮水位。
抗浮桩数n浮=(1.05F浮-1.0G自重)/R拔R拔为桩抗拔承载力设计值F浮为抗浮水位水浮力标准值G自重为底板、顶板和柱自重2.2抗压桩计算:顶板覆土厚1.5米,容重18kN/m3,底板、顶板和柱按实际尺寸布置,混凝土容重取26kN/m3,顶板活荷载10kN/m2,底板活荷载按车库布置实取(2.5kN/m3),水位按抗压水位。
抗压桩数n压=(1.0G k+1.0F活-1.0F压)/R 压R压为桩抗压承载力设计值F压为抗压水位水浮力标准值G k为恒载标准值F活为活载标准值3.地下室底板(含承台):底板厚400mm,柱下设反帽式承台,承台大小及厚度按柱冲切、桩冲切及底板有限元计算结果定。
3.1强度计算:抗浮水位:工况一内力按1.0*F浮- 1.0G k1 的值按恒荷载输入计算底板内力(F浮为抗浮水位水浮力标准值,G k1为底板自重+底板面层一半自重之和标准值)工况二内力按承台处桩实际作用力计算承台内力设计值承台内力按工况一和工况二的叠加结果定低水位时:(仅用于设备用房处底板强度计算)工况一内力按1.35F恒1+1.4F活1-1.0*F浮1(F恒1为底板恒荷载荷载标准值,F活1为底板活荷载标准值,F浮1为低水位水浮力标准值)工况二内力按承台处桩实际作用力计算承台内力设计值底板内力按工况一和工况二的叠加结果定3.2裂缝验算(底板迎水面裂缝不大于0.2mm,按标准值,底板迎水面保护层厚度50mm,底板内侧裂缝不大于0.3mm,底板内侧保护层厚20mm,计算裂缝时,计算迎水面裂缝时,计算保护层厚度按30mm考虑,算法同地下室外墙)仅考虑底板跨中及底板与承台相交处的底板裂缝控制工况一按1.0F浮(抗浮水位水浮力)-1.0G K1(F浮为抗浮水位水浮力标准值,G k1 为底板自重+底板面层一半自重之和的标准值)工况二按承台处桩实际作用力计算承台内力标准值底板内力按工况一和工况二的叠加结果定,验算各位置(跨中及承台边)裂缝。
大型排水构筑物的抗浮设计张健摘要:大型排水构筑物一般均有较深的埋深,当地下水位较高时,抗浮设计往往是很突出的问题,能否合理地解决这个问题,对工程的安全稳定性及土建造价有很大的影响。
关键词:大型排水构筑物抗浮设计配重抗浮锚固抗浮降水抗浮观察井抗浮目前,在抗浮设计上,主要采用抗与放的方法。
所谓抗,即是配重抗浮、锚固抗浮;所谓放,即是降水抗浮和设观察井抗浮。
具体采用哪一种方法,尚应根据工程的具体情况而定,同时还应着重考虑对工程造价的影响。
下面就各种抗浮方式进行探讨并做经济分析比较。
一、抗浮方式的探讨:(一)配重抗浮:小型水池一般不需要配重抗浮,因其池壁相距较近, 再加上底板向外突出部分上部的土重和壁板与土的摩擦力,抗浮安全系数很容易满足规范要求。
砼的缺点之一是自重大,但事物均有两面性,抗浮时自重越大越有利。
配重抗浮一般有三种方法,一是在底板上部设低等级砼压重;二是设较厚的钢筋砼底板;三是在底板下部设低等级砼挂重。
一、二种方法的优点是简单可靠,当构筑物的自身重度与浮力相差不大时,应尽量采用配重抗浮,对工程造价的影响小,投产后亦没有管理成本。
但构筑物的自身重度与浮力相差较大时,本方法将会增加工程量使土建造价提高,原因是配重部分要扣除浮力,导致配重部分的厚度增大;较大的埋深也将增加挖方量和排水费用,同时也会增大基底压力,引起较大的地基变形。
如采用底板上设低等级砼压重的方法,将会使壁板的计算长度H加大,而壁板根部的弯矩值与H是平方关系,这样会使壁板根部的弯矩值增长较快,弯矩值较大时,板厚和配筋也会相应增大;如采用较厚的钢筋砼底板的方法,其工程量与设低等级砼压重相差不多,壁板的弯矩值虽小,但底板的钢筋用量会有些许增加;如采用底板下设砼挂重的方法,壁板的弯矩值小,底板的钢筋用量也不会增加,但底板和挂重部分砼须用钢筋连接,施工比较麻烦,当地下水对钢筋和砼具有侵蚀性时,设砼挂重的方法须谨慎。
(二)锚固抗浮:锚固抗浮一般有两种方法:1、锚杆:锚杆是在底板和其下土层之间的拉杆,当底板下有坚硬土层且深度不大时,设锚杆不失为一种即简便又经济的方法;近年来,在饱和软粘土地基中,也有采用土锚技术的,也有采用短锚加扩大头技术的。
清江三桥主桥双壁钢围堰墩围堰抗浮计算1.计算条件设计水位标高H1=24.000m河床面标高H2=11.000m设计承台底标高H3=-0.435m预估封底底标高H4=-5.435m围堰底标高H5=-5.435m桩底标高H6=-29.435m桩径D= 2.200m护筒直径d= 2.500m桩基础根数N=12围堰平面长a=24.600m围堰平面宽b=17.600m2.荷载计算2. 1.水的浮力计算水的重度γw=9.810kN/m3结构排水体积Vw=(a*b)*(H1-H4)=12744.178m3水的浮力Fw=γw*Vw=125020.382kN 2. 2.封底混凝土自重计算封底混凝土重度γc23.544kN/m3封底混凝土体积Vc=(a*b-π*d^2/4*N)*(H3-H4)=1870.276m3封底混凝土自重Gc=γc*Vc=44033.771kN 2. 3.桩基础自重计算桩基础重度γz=24.525kN/m3桩基础体积Vz=π*D^2/4*N*(H3-H6)=1322.862m3桩基础自重Gz=γz*Vz=32443.186kN 2. 4.护筒与封底混凝土粘结力计算钢板与混凝土粘结强度τ1=150.000kpa钢板与混凝土接触面积S1=π*d*(H3-H4)*N=471.239m2护筒与封底混凝土粘结力τ1*S1=70685.835kN 2. 5.钢围堰自重计算(估算)围堰排水体积V=(H1-H5)*(a*b)=12744.178m3单位排水体积围堰重量60.000kg/m3钢板桩自重Gg=7646.507kN 2. 6.钢围堰与土层摩阻力土层摩阻力τ3=120.000kpa 钢围堰与土接触面积S3=(a+b)*2*(H4-H5)*1.5=0.000m2护筒与封底混凝土粘结力τ1*S1=0.000kN 2.7.封底混凝土粘结力钢板与混凝土粘结强度τ2=150.000kpa 钢围堰与混凝土土接触面积S2=(a+b)*2*(H3-H4)*1.5=633.000m2护筒与封底混凝土粘结力τ2*S2=94950.000kN3.抗浮稳定性计算F1=min(Gz,τ1*S1)=32443.186kNF2=min(Gg+τ3*S3,τ2*S2)=7646.507kN 抗浮安全系数Kf=(Gc+F1+F2)/Fw=0.673< 1.150经验算,封底混凝土厚度5m,抗浮稳定性不满足规范要求。
0.000的绝对高程
53.95m 抗浮水位的高程
53m 室内外高差
-0.45m 底板底标高
-6.2m 底板厚度
0.3m 填料厚度
0.9m 填料重度
12kN/m3底板面积3010.21m2
长宽高数量单位重量单位
1桩承台 1.6 1.6 1.0820.48kN 2桩承台 1.6 4.4 1.246388.608kN 3桩承台 4.0 4.0 1.3993.6
kN 4桩承台 4.4 4.4 1.35125.84
kN 5桩承台 5.6 5.6 1.3281.536kN 6桩承台 4.47.2 1.35205.92kN 桩0.80.820.01901909.12
kN 70627.6
kN 室内标高0.000m
室外高程53.50m
水位的标高(0.95)m
距离室外的高度0.50m
5.25m
52.50kPa
平面恒载标准值结构自重134960.16kN
基础自重70627.6kN
填料自重10.8kN/m2
79.1kN/m2
1.51满足
平面恒载标准值结构自重71302.74kN
基础自重70627.6kN
填料自重10.8kN/m2
57.9kN/m2
1.10满足抗浮力抗浮稳定系数全楼主体结构封顶
附加重量抗浮力抗浮稳定系数地下室封顶(基坑未回填)
附加重量抗浮水位为室外地表下0.5
输入参数承台自重合计室内外标高抗浮水位计算水头。
抗拔桩抗浮计算书一、工程概况:本工程±0.00相对标高为100.55m,依据地质勘查报告,抗浮设计水位为98.00m,即±0.00以下2.55m。
本工程主楼为地上16层,地下两层,抗浮满足要求,不需要进行抗浮计算;本工程副楼为地上三层,地下两层,对于纯地下两层地下室,由于上部无建筑物,无覆土,现进行抗浮计算如下:二、浮力计算基础底板顶标高为:-(4.5+5.4+0.4)=-10.30m基础底板垫层底标高为:-(4.5+5.4+0.4+0.6+0.15)=-11.05m浮力为F浮=rh=10x(11.05-2.55)=85KN/m²1.主楼地上16层,能满足抗浮要求,不做计算;2.副楼抗浮计算:(副楼立面示意如下图)副楼地上3层部分,面积为401m²故上部三层q1=(486+550+550)x9.8/401=38.76KN/ m²地下一层面荷载为:q2=16 KN/ m²地下二层面荷载为:q3=14 KN/ m²基础回填土垫层:q4=15x0.4=6 KN/ m²基础底板:q5=25x0.6=15 KN/ m²则F抗= q=38.76+16+14+6+15=89.76KN/ m²F抗/F浮=89.76/85=1.056>1.05故副楼有地上3层部分不需要设置抗拔桩副楼立面示意3.对地上无上部结构的纯地下车库(下图阴影所示):F抗=16+14+6+15=51 KN/ m²F1=F浮-F抗=85-51=34 KN/ m²既不满足抗浮要求,需要设计抗拔桩进行抗浮三、抗拔桩计算依据《建筑桩基技术规范》第5.4.5条N k≤2T uk+Gp抗拔桩桩型采用钻孔灌注桩,桩经采用d=600mm桩顶标高为筏板底标高:89.50m,桩长L=15m。
依据《建筑桩基技术规范》,地质报告,抗拔系数λ=0.51) 群桩呈非整体破坏时,基桩的抗拔极限承载力标准值Tuk=∑λi q siku il i=0.5x70x1.884x15 =989.1 KNG p=AL γ=(25-10)x 41x ∏x 6.02x15=63.6 KN 则2T uk +G p =21.989+63.6=558.15 KN 综上考虑,Nk=500KN则抗拔桩数n=NF k1xAA1区域需要桩数n 1=500341353x =92.01 取≥93根 A2区域需要桩数n 1=50034112x =7.616 取≥8根A3区域需要桩数n 1=50034343x =23.32 取≥24根平面桩布置示意图如下平面桩布置示意图四、 桩对筏板冲切计算框架柱对于基础筏板h=600mm 时,冲切不满足的情况下,加设刚性上柱墩,经复核,满足冲切要求,详见基础计算书 对于桩冲切筏板,计算如下:抗拔桩承载力特征值R a=500KN即F L=500KN依据《混凝土结构设计规范》6.5.1条F L≤0.7βhηf t u m h0βh =1.0 ft=1.71N/mm²u m=4x1200=4800mm h0=600-50=550mmη1=0.4+βs2.1=0.4+22.1=1.0η2=0.5+uhms40α=0.5+4800455020xx=0.5+0.573=1.073η= min[η1η2]=1.0则0.7βhηf t u m h0=0.7x1.0x1.71x1.0x4800x550=3160KN >F L即桩冲切筏板满足要求五、桩间筏板局部抗浮计算对于桩间支座处筏板,按纯浮力进行配筋复核按无梁楼盖进行计算,桩为支座,l x=3.6m,l y=3.6m采用经验系数法:X、Y向M0=81q lx l y²=85x3.6x3.6²/8=495.72KN·m最大支座截面弯矩M=0.5M0=248 KN·m(柱上板带)A s=M/(0.9fy h0)=248x106/(0.9x360x550)=1392mm²(3.6m宽范围内)每延米:387 mm²<基础筏板构造配筋=0.15xh=900 mm²即筏板配筋满足要求六、桩身配筋1)按正截面配筋率0.65%xA =1838mm²2)按轴心受拉,抗拔桩所需配筋百分比N=500x1000/360=1389mm²A s=fy综合取A s=8∅18=2036 mm²满足要求。
一.抗浮计算(顶板覆土1500):[ 地下室抗浮荷载 ] 自然地面整平下500。
柱网:8.1x6.35=51.435m2地下室自重为:1、土重 1.5X18=27KN/m22、板重 (0.3+0.40)x25=17.5 KN/m23、梁+柱重: X向截面500X1000,Y向截面450X800 梁自重:(0.5X0.8X8.1+0.45X0.5X6.35)X25/8.1X6.35=2.27 KN/m2柱自重:0.5X0.6X4.0X25/8.1X6.35=0.58 KN/m2面层:0.05x23=1.15 KN/m2总计: Q w= (27+17.5+2.27+0.58+1.15)=48.5KN/m2 [ 地下室水浮力荷载 ]Q f=(4.3+1.5+0.45-0.5)x10=57.5KN/m2[ 抗浮验算 ]Qw=48.5KN/ m2< Qf=57.5KN/ m2自重抗浮不满足!抗拔力为1.05X(57.5-48.5)x51.435=486KN二.边跨抗浮计算:边跨跨度:8.1x3.25地下室自重为:1、土重 1.5X18=27KN/m22、板重 (0.3+0.40)x25=17.5 KN/m23.墙:0.3x8.1x4.3x25/8.1x3.25=9.9 KN/m24.挑边土:0.5x(8x5.3+18x0.5)x8.1/8.1x3.25=7.9 KN/m25.面层: 0.05x23=1.15 KN/m2总计: Q w=63.45KN/m2>57.5x1.05 KN/m2边跨抗浮满足。
三.四层框架部分地下室自重为:1、土重 1.8X18=32.4KN/m22、板重 (0.3+0.40)x25=17.5 KN/m23.四层框架梁板:0.15x4x25=15 KN/m24.面层: 0.05x23=1.15 KN/m2总计: Q w=66.05KN/m2>57.5x1.05 KN/m2抗浮满足。
地下室抗浮中抗拔桩如何验算与设计抗浮设计中常用的抗浮措施有结构配重、抗拔桩、抗浮锚杆等。
结构配重包括地下室顶板配重和地下室底板配重,原则上于抗浮荷载不太大的情况;当浮力较大时一般采用抗拔桩和抗浮锚杆等较小构件抗浮。
不同的抗浮措施有其各自的优缺点,适合不同的水文地质、工程地质条件。
当地质条件较差较佳或基础埋深不能增加时,极大结构工程师采用的抗浮措施是抗拔桩或抗浮锚杆。
此外不同的抗浮措施上部对上部结构中也会产生一定的影响,例如对高、低层间的沉降和结构底板内力的分布等,从而影响工程造价和建筑物用到的使用功能。
抗拔桩有等截面抗拔桩,扩底抗拔桩。
(1)等截面抗拔桩破坏模式归纳起来有沿桩土界面的剪切破坏、桩侧受热的倒锥形破坏和复合破坏3种(见下图)。
桩土界面的剪切破坏是界面既定工程中最常见的破坏模式,桩侧土体的倒锥形破坏往往发生在软岩中的短粗灌注桩,复合破坏发生在硬质粘土中的灌注桩,且桩侧面较为粗糙,桩与土体界面的粘结力较大,倒锥形部分的土体自重不至于破坏桩土界面的粘结力。
对等曲面抗拔桩抗拔力计算通常采用缆线沿桩、土界面的剪切破坏模式。
(2)扩底抗浮桩扩底抗浮桩相对于等曲率抗浮桩最小值而言,其受力机理更复杂,由于目前形成的基本共识包括:①扩底抗浮桩上浮时,桩应力摩阻力与扩大头挤压上部土体消除的侧的发展并不同步,在扩大头上部侧摩阻力以后发展到极限时,扩大头端部对土体的挤压应力只发展一小部分,同时,该部分应力还将随着桩体变形的增加而不断增大。
②扩底抗浮桩极限抗浮力随深度变化有一临界值h,当桩长>h时,桩长的增加并不能导致极限抗浮力的显著增加,当桩长<h时,极限抗浮力随桩长的增加而快速增大。
③扩底抗浮桩破坏时,其破裂面较等截面抗浮桩复杂,其破裂面不仅与土体性质、埋深和施工方法有关,还与扩大叶紫珠形式有关,主要用途其主要破裂面类型包括圆柱形破裂面、喇叭形破裂面及圆柱形冲剪式破裂面等。
因此对扩底抗浮桩抗拔力计算方法有圆柱面剪切法、圆柱形破裂面法和裂痕喇叭形破裂面法(见下图)。
金都大厦地下室抗浮验算一、中柱局部抗浮取底板含一根柱的8.4X8.1单元格计算,板顶覆土1m,抗浮水位标高6m(绝对高程,室外地面标高6.8m(绝对高程(±0.000相当于黄海高程7.400,基础底标高-3.0m(绝对高程。
地下一层顶板厚400,梁板式楼盖,主梁800X900。
地下二层顶板350厚,面层50厚,梁板式楼盖,主梁800X700。
底板筏板厚400,覆土及其地面做法共400。
抗浮计算如下:柱重:=0.6*0.6*25*(4.3+3.7-0.4-0.35=65KN上部覆土+地面做法:=18*0.8+8*0.2=16KN/M2地下一层顶板:=25*0.4=10 KN/M2地下一层顶梁:=25*0.8*(0.9-0.4*(8.4+8.1-1.2 =153KN地下二层板+50厚面层:=25*0.4+0.05*20=11KN/M2地下二层梁:=25*0.8*(0.7-0.35*(8.4+8.1-1.2 =107.1KN室内覆土400厚:=20*0.2+18*0.2=7.6 KN/M2底板:=25*0.4=10 KN/M2总重量:=(16+10+11+7.6+10*8.1*8.4+65+153+107.1=4040KN总浮力:=90*8.1*8.4=6124KN取安全系数1.05,则=1.05*6124-4040=2390KN取每柱下3根抗拔桩,桩径600,间距2250,则单桩抗拔=2390/3=797KN。
采用扩底桩,底端直径1.4m,桩长暂取15m,由《建筑桩基技术规范》表5.4.6-1,自桩底起算长度按5d=3m.由非整体破坏控制,《建筑桩基技术规范》式5.4.5-1,取地堪17号孔,后压浆:Tuk=(3.14*0.6*(36*4.1+48*2.9+46*5*1.4+3.14*1.4*(46*0.9+52*2.1*0.75=1518KNG p=3.14*0.3*0.3*12*15+3.14*0.7*0.7*3 *10=97KNT uk /2+ G p=1518/2+97=856KN〉797KN满足抗浮要求。
抗浮桩抗拔桩的抗压承载力计算抗浮桩和抗拔桩是土木工程领域中重要的抗压承载力计算问题。
本文将详细介绍这两种桩的概念、计算方法以及相关指导意义,旨在帮助工程师和学生更好地理解和应用这些知识。
抗浮桩是指在水下工程中,为了抵抗水流或地下水的浮力作用而设计和施工的桩基础。
水的浮力对桩基础产生的压力可以是极大的,如果不采取适当的措施,可能会导致桩基础浮起,损害工程的稳定性。
因此,正确计算抗浮桩的抗压承载力非常重要。
对于抗浮桩的抗压承载力计算,一般采用经验公式或理论公式进行。
其中,经验公式主要根据历史工程经验总结得出,适用于一定范围的工程。
而理论公式则基于力学原理和土力学理论,通过对土体和水的力学特性进行分析和计算,得出更为精确的结果。
抗浮桩的抗压承载力计算主要涉及以下几个因素。
首先是桩的净侧阻力,即土体对桩身产生的抵抗力。
其次是桩的端阻力,即桩端与土体之间的摩擦力。
此外,还需要考虑桩体的自重和水流对桩身的冲刷力。
对于抗拔桩的抗压承载力计算,主要考虑桩的净侧阻力和桩的端阻力。
净侧阻力是土体对桩身产生的阻力,其大小取决于土壤类型和桩身的变形。
端阻力则是桩端与土体之间的摩擦力,也受土壤类型和桩身变形的影响。
因此,对于抗拔桩的抗压承载力计算,需要准确评估土壤的性质和桩身变形情况。
在进行抗浮桩和抗拔桩的抗压承载力计算时,工程师需要掌握土力学和结构力学等方面的知识,能够准确评估土体的力学特性,并使用适当的公式和方法进行计算。
此外,还需要合理选择桩的尺寸和布置方式,以及采取合理的加固措施,确保桩基础的稳定性和安全性。
总之,抗浮桩和抗拔桩的抗压承载力计算是土木工程领域中非常重要的问题。
正确计算和评估桩基础的抗压承载力,能够为工程的设计和施工提供指导,确保工程的稳定性和安全性。
因此,工程师和学生需要深入研究和理解相关知识,并灵活应用于实际工程中。
通过不断探索和实践,我们将能够更好地应对和解决相关问题,为社会发展做出贡献。
抗浮桩计算+有实列-- 难得啊!般抗浮计算:局部抗浮)1. "05F 浮力-0."9G 自重<0 即可整体抗浮)1. "2F 浮力-0."9G 自重<0 即可如果抗浮计算不满足的话,地下室底板外挑比较经济同意以上朋友的观点,一般增大底版自重及底板外挑比抗拔桩要经济很多】抗浮锚杆设计总结抗浮锚杆设计总结1 适用的规范抗浮锚杆的设计并无相应的规范条文,《建筑地基基础设计规范GB50007---2002》中岩石锚杆基础”部分以及《建筑边坡工程技术规范GB50330-2002〉有关锚杆的部分可以参考使用,不过最好只用于估算,锚杆抗拔承载力特征值应通过现场试验确定,有一些锚杆构造做法可以参考。
对于锚杆估算,推荐使用《建筑边坡工程技术规范GB50330-2002〉,对于岩土的分类较细,能查到一些必要的参数。
2 锚杆需要验算的内容1)锚杆钢筋截面面积;2)锚杆锚固体与土层的锚固长度;3)锚杆钢筋与锚固砂浆间的锚固长度;4)土体或者岩体的强度验算;3 锚杆的布置方式与优缺点1)集中点状布置,一般布置在柱下;优点:可以充分利用上部结构传来的竖向力来平衡掉一部分水浮力;由于锚杆布置集中,对于地下室底板下的外防水施工也比较方便;对于个别锚杆承载力不足的情况,由于有较多的锚杆分担,有很强的抵抗力。
缺点:要求锚固于坚硬岩体中,不适用于软岩与土体,破坏往往是锚固岩体的破坏;由于局部锚杆较密,锚杆施工不方便;地下室底板梁板配筋较大。
2)集中线状布置,一般布置于地下室底板梁下;优点:由于锚杆布置相对集中,对于地下室底板下的外防水施工也比较方便;对于个别锚杆承载力不足的情况,由于有较多的锚杆分担,有较强的抵抗力。
缺点:八、、•不能充分利用上部结构传来的竖向力来平衡掉一部分水浮力(个人认为考虑的话偏于不安全,对于跨高比小于6 的底板梁,可以适当考虑上部结构传来的竖向力来平衡掉一部分水浮力),要求锚固于较硬岩体中,不适用于软岩与土体;地下室底板板配筋较大。
抗拔桩抗浮计算书一、工程概况:本工程±0.00相对标高为100.55m,依据地质勘查报告,抗浮设计水位为98.00m,即±0.00以下2.55m。
本工程主楼为地上16层,地下两层,抗浮满足要求,不需要进行抗浮计算;本工程副楼为地上三层,地下两层,对于纯地下两层地下室,由于上部无建筑物,无覆土,现进行抗浮计算如下:二、浮力计算基础底板顶标高为:-(4.5+5.4+0.4)=-10.30m基础底板垫层底标高为:-(4.5+5.4+0.4+0.6+0.15)=-11.05m浮力为F浮=rh=10x(11.05-2.55)=85KN/m²1.主楼地上16层,能满足抗浮要求,不做计算;2.副楼抗浮计算:(副楼立面示意如下图)副楼地上3层部分,面积为401m²故上部三层q1=(486+550+550)x9.8/401=38.76KN/ m²地下一层面荷载为:q2=16 KN/ m²地下二层面荷载为:q3=14 KN/ m²基础回填土垫层:q4=15x0.4=6 KN/ m²基础底板:q5=25x0.6=15 KN/ m²则F抗= q=38.76+16+14+6+15=89.76KN/ m²F抗/F浮=89.76/85=1.056>1.05故副楼有地上3层部分不需要设置抗拔桩副楼立面示意3.对地上无上部结构的纯地下车库(下图阴影所示):F抗=16+14+6+15=51 KN/ m²F1=F浮-F抗=85-51=34 KN/ m²既不满足抗浮要求,需要设计抗拔桩进行抗浮三、抗拔桩计算依据《建筑桩基技术规范》第5.4.5条N k≤2T uk+Gp抗拔桩桩型采用钻孔灌注桩,桩经采用d=600mm桩顶标高为筏板底标高:89.50m,桩长L=15m。
依据《建筑桩基技术规范》,地质报告,抗拔系数λ=0.5 1)群桩呈非整体破坏时,基桩的抗拔极限承载力标准值- 1 -- 2 -Tuk=∑λi q siku il i=0.5x70x1.884x15 =989.1 KNG p=AL γ=(25-10)x 41x ∏x 6.02x15=63.6 KN 则2T uk +G p =21.989+63.6=558.15 KN 综上考虑,Nk=500KN则抗拔桩数n=NF k1xAA1区域需要桩数n 1=500341353x =92.01 取≥93根 A2区域需要桩数n 1=50034112x =7.616 取≥8根A3区域需要桩数n 1=50034343x =23.32 取≥24根平面桩布置示意图如下平面桩布置示意图四、 桩对筏板冲切计算框架柱对于基础筏板h=600mm 时,冲切不满足的情况下,加设刚性上柱墩,经复核,满足冲切要求,详见基础计算书对于桩冲切筏板,计算如下:抗拔桩承载力特征值R a =500KN 即F L =500KN依据《混凝土结构设计规范》6.5.1条FL≤0.7βh ηf tu m h 0βh=1.0ft=1.71N/mm ²um=4x1200=4800mmh 0=600-50=550mmη1=0.4+βs2.1=0.4+22.1=1.0- 3 -η2=0.5+uh ms 40α=0.5+4800455020x x =0.5+0.573=1.073 η= min [η1 η2]=1.0则0.7βh ηf tu m h 0=0.7x1.0x1.71x1.0x4800x550=3160KN >F L 即桩冲切筏板满足要求 五、 桩间筏板局部抗浮计算对于桩间支座处筏板,按纯浮力进行配筋复核按无梁楼盖进行计算,桩为支座,l x =3.6m ,l y =3.6m采用经验系数法:X 、Y 向M 0=81q l x l y ²=85x3.6x3.6 ²/8=495.72KN ·m 最大支座截面弯矩M=0.5M 0=248 KN ·m (柱上板带)A s =M/(0.9fy h 0)=248x 106/(0.9x360x550)=1392mm ²(3.6m 宽范围内)每延米:387 mm ²<基础筏板构造配筋=0.15xh=900 mm ² 即筏板配筋满足要求六、 桩身配筋1) 按正截面配筋率0.65%xA =1838mm ² 2) 按轴心受拉,抗拔桩所需配筋百分比A s=fyN=500x1000/360=1389mm ²综合取A s =8∅18=2036 mm ² 满足要求。
建筑物抗浮设计7.1一般规定7.1.1抗浮工程设计应具备下列资料:1场地岩土工程勘察报告或抗浮工程专项勘察报告;2经确认的抗浮设防水位;3结构荷载分布、地基或处理地基、地下结构底板、基础等设计文件;4场地、地下设施等环境条件资料;5所在地区工程抗浮经验及施工技术资料;6工程竣工资料,既有工程安全性鉴定报告,施工条件及既有管线等环境条件资料。
7.1.2抗浮工程设计应包括下列内容:1工程抗浮设计等级确定和抗浮设防水位选择,施工期和使用期抗浮稳定性验算及分析;2抗浮治理方案及抗浮措施的综合分析和比较;3抗浮结构及构件布置、承载力和变形计算及其控制标准;4抗浮体系、锚固构件及其群锚效应的稳定性验算;5低水位工况上部结构荷载下的抗浮构件受力和变形验算;6构件、压重、基坑回填等材料选用及其技术指标、质量控制要求;7检验、监测及维护要求。
7.1.3采取排水限压法等与其他措施联合抗浮治理方案时,抗浮设计等级为乙级及以上工程应进行监测系统和维护设计。
7.1.4抗浮设计等级为乙级及以上、设计有明确要求或缺乏工程经验时,抗浮锚杆、抗浮桩设计前应按本标准附录E进行性能试验。
7.1.5抗浮锚杆、抗浮桩的抗浮承载力确定应符合下列规定:1抗浮设计等级为甲级、水文地质条件比较复杂的乙级工程应由抗拔静载荷试验确定,同一地层试验数量不应少于3根;2水文地质条件简单、抗浮设计等级为乙级的工程,宜根据地质条件相近场地的试验资料并结合地区经验综合分析确定;3抗浮设计等级为丙级的工程,可按地区经验确定;4当存在群锚或群桩效应时,宜由群锚、群桩的抗拔静载荷试验确定。
7.1.6抗浮锚杆、抗浮桩进行性能试验和确定极限承载力静载荷试验时,宜在桩身、杆体中埋设测试元件获取承载力分布特征及其与变形的相互关系。
7.1.7抗浮锚杆、抗浮桩的长度、直径和位置等应结合地下结构底板的结构设计,采用不同布置方式经比较后确定。
7.1.8抗浮结构及构件结构设计时,重要性系数(γ0)应按抗浮设计等级为甲级、乙级和丙级相应取1.10、1.05和1.00。
抗浮桩计算+有实列----难得啊!一般抗浮计算:(局部抗浮)1."05F浮力-0."9G自重<0即可(整体抗浮)1."2F浮力-0."9G自重<0即可如果抗浮计算不满足的话,地下室底板外挑比较经济同意以上朋友的观点,一般增大底版自重及底板外挑比抗拔桩要经济很多【】抗浮锚杆设计总结抗浮锚杆设计总结1适用的规范抗浮锚杆的设计并无相应的规范条文,《建筑地基基础设计规范GB50007---2002》中“岩石锚杆基础”部分以及《建筑边坡工程技术规范GB50330-2002》有关锚杆的部分可以参考使用,不过最好只用于估算,锚杆抗拔承载力特征值应通过现场试验确定,有一些锚杆构造做法可以参考。
对于锚杆估算,推荐使用《建筑边坡工程技术规范GB50330-2002》,对于岩土的分类较细,能查到一些必要的参数。
2锚杆需要验算的内容1)锚杆钢筋截面面积;2)锚杆锚固体与土层的锚固长度;3)锚杆钢筋与锚固砂浆间的锚固长度;4)土体或者岩体的强度验算;3锚杆的布置方式与优缺点1)集中点状布置,一般布置在柱下;优点:可以充分利用上部结构传来的竖向力来平衡掉一部分水浮力;由于锚杆布置集中,对于地下室底板下的外防水施工也比较方便;对于个别锚杆承载力不足的情况,由于有较多的锚杆分担,有很强的抵抗力。
缺点:要求锚固于坚硬岩体中,不适用于软岩与土体,破坏往往是锚固岩体的破坏;由于局部锚杆较密,锚杆施工不方便;地下室底板梁板配筋较大。
2)集中线状布置,一般布置于地下室底板梁下;优点:由于锚杆布置相对集中,对于地下室底板下的外防水施工也比较方便;对于个别锚杆承载力不足的情况,由于有较多的锚杆分担,有较强的抵抗力。
缺点:不能充分利用上部结构传来的竖向力来平衡掉一部分水浮力(个人认为考虑的话偏于不安全,对于跨高比小于6的底板梁,可以适当考虑上部结构传来的竖向力来平衡掉一部分水浮力),要求锚固于较硬岩体中,不适用于软岩与土体;地下室底板板配筋较大。
3)面状均匀布置,在地下室底板下均匀布置;优点:适用于所有土体和岩体;地下室底板梁板配筋较小。
缺点:不能充分利用上部结构传来的竖向力来平衡掉一部分水浮力(个人认为考虑的话偏于不安全);对于个别锚杆承载力不足的情况,由于能分担的锚杆较少,此情况抵抗力差;由于锚杆布置相对分散,对于地下室底板下的外防水施工比较麻烦。
4)集中点状布置推荐用于坚硬岩;集中线状布置推荐用于坚硬岩与较硬岩;面状均匀布置推荐用于所有情况;4注意事项1)集中点状布置,抗浮锚杆与岩石锚杆基础结合为优,需注意柱底弯矩对锚杆拉力的影响,特别是柱底弯矩较大的时候;2)参考《建筑边坡工程技术规范GB50330-2002》,应选用永久性锚杆部分内容;3)岩石情况(坚硬岩、较硬岩、较软岩、软岩、极软岩)应准确区分,可参考《建筑边坡工程技术规范GB50330-2002》表7."2.3-1注4;4)锚杆抗拔承载力特征值应通过现场试验确定,可参考《建筑边坡工程技术规范GB50330-2002》附录C;5)抗浮设计水位的确定应合理可靠,一般应由地质勘测单位提供,比较可靠和有说服力,应设置水位观测井,对于超出抗浮设计水位的情况应有应对措施;6)锚杆抗拔承载力特征值现场试验时由于一般为单根锚杆加载,未考虑锚杆间距影响(附图一填充部分),特别是锚杆间距较为密集时的情况;当单根锚杆影响范围内的土体自重(附图二填充部分)大于锚杆拉力时,可以不考虑锚杆间距影响;7)由于锚杆钢筋会穿过底板外防水,锚杆钢筋应有防水措施;8)锚杆锚固体与(岩)土层的锚固长度应取有效锚固长度,由于基坑开挖会对底板下土体有一定扰动,特别是采用爆破开挖的基坑,一般要加300-500MM;谢谢bai_pp给了我们这样精彩的总结,我也来凑合两句.准确的确定场地的地下水位是抗浮设计是否成功的前提,一般做法是,按施工期间的进度来考虑,如果在一年内上部结构能做起来,荷载>浮力,这时仅考虑近5年来,一个水文年的最高水位;若荷载<浮力,是一个永久作用,按1/50年一遇水位设计,特殊的建筑物按1/100一遇水位;2002年我院做的一个大剧院就是按1/100考虑的.另外,抗浮锚杆的有效长度的取值可按《建筑边坡工程技术规范》表7."2.3."1和表7."2.3."2取值,另外,也可参照《建筑基坑支护技术规程》JGJ120-99表6."1.4取值,前者在土体与锚固体的粘结强度值要小一些,工程实践中我认为后者要更加合理,受爆破的岩体,只要灌浆质量能保证后,抗拨力不会小,有时反而有提高.抗浮锚杆还是要锚入坚硬岩土层为好,即便按面状布置最好也能锚入岩石内,不然抗拨力太小,比如说淤泥或一些饱和土体能提供的抗拨力实在太小,经济上不合理,防水更是一个大问题,需要强调的是灌浆强度最好与地下室砼强度在一个等级上,否则会在结合部分出现裂缝,成为地下水的通道,给防水带来一定难度.锚筋用二级螺纹钢能得到较大的握裹力但砂浆收缩后与钢筋的裂隙也是地下水的一个上升通道,这个问题我们一直没解决,谁有好的建议一定要提哈.以前做过一个抗浮设计,在独立基础里面打岩石锚杆,思路按阿基米德定律(荷载-浮力)×抗浮稳定安全系数(一般取1."3)÷单根锚杆的抗拨承载力=n(锚杆根数),现在《高层建筑岩土工程勘察规程》JGJ71-20048."6节有较明确规定,如果抗浮锚杆间距不满足《建筑桩基技术规范》JGJ94-94的规定,要考虑群锚作用的影响,一般按0."8折减.个人感觉抗浮锚杆的设计计算偏保守,其中浮力的计算是个难点,比如说粘土中的以结合水形式存在,岩石中的水多以基岩裂隙水存在,通通都按阿基米德定律计算所受浮力是乎不妥.这方面还要听各位同仁的建议.岩土工程勘察规范》确实规定应由地勘部门提供抗浮水位,但是有地勘部门提供的仅仅为勘查期间的实测水位,而非历史最高水位,水位还有枯水期之分,所以作为设计一般考虑选取地面下0."5的统一做法,这点有经验的甲方一般会认可1.地下水的设防水位是取建筑物在设计使用年限内可能产生的最高水位;2.地质报告中没有提设计水位时,一般取室外地坪的标高,审图时一般没问题。
3.一般采用土水分算,所以“小婿”兄所说的虽不是完全水,但也应按设计水位进行设计。
关于地下室抗浮的计算:我有一工程,上部五层框架,地下一层(局部人防)。
地质报告中地下水位在地面下0."8~1."1m,地下室高3."9m。
基础采用预应力薄壁管桩。
请问地下室抗浮计算时所考虑的结构的自重是不是为(地下室底板自重+侧墙自重+内墙自重+顶板、梁自重),而不考虑上部结构的自重(比如说上部一层梁、板自重等等);还有就是考虑抗浮计算时假如结构的自重小于水浮力,是不是应该由桩来承受(计算其抗拔力)。
在施工中交代了注意采取有效的降水措施,或采取其他有效的抗浮措施时,我们也应计算地下室的抗浮吗?望Morgain兄给予指点,本人万分感激!!1)地下室抗浮计算时所考虑的结构的自重:底板+侧墙自重+内墙自重+顶板、梁自重;(2)考虑不考虑上部结构的自重(比如说上部一层梁、板自重等等)看你降水做到什么时候,如果降水一直做到上部都盖好,那要当然考虑上部自重了。
(3)考虑抗浮计算时假如结构的自重小于水浮力,当然应该由桩来承受(计算其抗拔力),不够再设抗拔桩。
(4)在施工中交代了注意采取有效的降水措施,或采取其他有效的抗浮措施时,我们也应计算地下室的抗浮吗?-抗浮验算是强规,一切以计算书为准。
除楼上所说的外.地下部分要考虑的还有:底板建筑垫层;顶板覆土;桩、承台自重。
地上部分应该考虑,设计时必须指定施工完第N层时方可停止降水。
抗拔桩要考虑抗拔力(盈水期)及正常承载力(枯水期)计算书要分几版:上部恒载作用下的内力(如果施工完主体后停止降水的)、水浮力内力,经过相减后的轴力用于抗拔桩设计。
地下室设计中常见问题及对策措施(转贴)目前城市建设中建造了大量的地下室及地下车库,由于涉及到工期和投入的建设费用,设计中与地下室相关的不少问题也逐渐变得突出起来。
地下室按其使用功能可分为普通、人防和平战三类,这里仅对普通地下室设计中遇到的常见问题进行分析,并给出对策措施,以供工程设计参考。
关键词:地下室结构设计一、抗震要求地下室如果设计不当,对整体抗震性能会产生较大影响,根据南京市施工图审查要点,对于半地下室的埋深要求应大于地下室外地面以上的高度,才能不计其层数,总高度才能从室外地面算起。
地下室的墙柱与上部结构的墙柱要协调统一。
"地下室顶板室内外板面标高变化处,当标高变化超过梁高范围时则形成错层,未采取措施不应作为上部结构的嵌固部位,规范明确规定作为上部结构嵌固部位的地下室楼层的顶楼盖应采用梁板结构,地下室顶板为无梁楼盖时不应作为上部结构嵌固部位。
结构计算应往下算至满足嵌固端要求的地下室楼层或底板,但剪力墙底部加强区层数应从地面往上算,并应包括地下层。
存在的常见问题如:半地下室埋深不够,房屋层数包括半地下室层已达8层,层数和总高度超过要求,违反《建筑抗震设计规范》,(GB50011-2001)第7."1.2条。
地下室抗震等级为三级,而上部结构为二级,按《建筑抗震设计规范》(GB50011-2001)第6."1.3条地下室也应为二级等问题。
二、荷载取值与组合地下室外墙受弯及受剪计算时,土压力引起的组合时,其荷载分项系数取1."35。
"对于地面活荷载,同样应乘侧压力系数,许多设计中计算不对。
地下室底板的强度计算时,根据《建筑结构荷载规范》(GB50009-2001)第3."2.5条板、覆土的自重的荷载分项系数取1."0。
抗浮计算时,板、覆土的自重的荷载分项系数应取为0."9。
地下室外墙的土压力应为静止土压力,根据土性的不同分别采用不同的计算方法,粘性土采用水土合算,砂性土采用水土分算。
如果地下室顶部没有房屋,是空旷场地,其荷载是否要考虑平时消防车荷载或大于消防车的可能荷载,实际中比较取起控制作用的荷载作为设计依据。
另如某工程设计在-1."55m标高处一层平面是地下室顶板,活载只考虑4."5KN/m2,未计覆土荷载,消防车荷载。
地下车库活载取值6."0KN/m2,不满足《建筑结构荷载规范》(GB50009-2001)第4."1.1条,未考虑消防车荷载,或者施工过程中和使用过程中可能出现的载重车荷载,与消防车荷载比较取大值。
的效应为永久荷载效应,可变荷载效应控制的组合时,土压力的荷载分项系数取1."2;永久荷载效应控制。