01020311混凝土设备基础外观及尺寸偏差检验批质量验收记录
- 格式:xlsx
- 大小:17.01 KB
- 文档页数:1
混凝土结构外观及尺寸偏差检验批质量验收记录一、项目概述根据合同要求,进行混凝土结构外观及尺寸偏差检验批质量验收。
本次验收记录共涵盖以下内容:混凝土结构的外观检验、尺寸偏差检验及相关的质量验收情况。
二、验收准备工作1.质量检验设备与工具准备为确保本次验收工作的准确性和客观性,准备了以下检验设备与工具:-线锤、尺子、测量仪器等尺寸检测工具;-手电钻、平头螺丝刀和文火枪等工具;-灯具、特定颜色灯泡和测光仪等外观检测工具。
2.质检人员组织与安排-质检人员:李明、王芳、刘强;-分工:李明负责尺寸检验;王芳负责外观检验;刘强负责记录与统计。
三、验收过程1.检验对象:混凝土结构外观及尺寸3.检验内容及方法:-外观检验:主要检查混凝土结构的表面平整度、混凝土表面的裂缝情况、麻面情况等;-尺寸检验:主要检测混凝土结构的尺寸偏差,包括长度、宽度、高度等。
4.检测结果:-外观检验:a.表面平整度:经测量,表面平整度达到国家标准要求;b.混凝土表面裂缝:共检测到3处裂缝,其中两处属于微小级别,1处属于轻度级别;c.麻面情况:经目测,麻面吻合度达到要求。
-尺寸检验:a.结构长度:地上长度:实测为50.8m,偏差在合格范围内;地下长度:实测为38.5m,偏差在合格范围内;b.结构宽度:实测为12.7m,偏差在合格范围内;c.结构高度:实测为6.5m,偏差在合格范围内。
四、质量验收结论及建议1.质量验收结论:经过以上的检验与评估,混凝土结构的外观及尺寸偏差检验批质量通过验收。
2.建议:由于检测中发现3处混凝土表面裂缝,建议在后续维护工作中加以修复,以确保工程的长期稳定性和安全性。
五、其他注意事项1.验收过程中,所有检验工具和设备使用前进行了校准,并保持在最佳状态下;2.验收过程中,所有人员按照验收标准和方法进行工作,保证了验收结果的准确性和可靠性;3.验收记录将被保留,作为相关工程质量的依据。
六、验收人员-质检人员:李明、王芳、刘强-验收日期:XXXX年XX月XX日七、附件以上为混凝土结构外观及尺寸偏差检验批质量验收记录,共计1200字。
混凝土设备基础尺寸偏差检验批质量验收记录
一、检验单位:(填写具体单位名称)
二、工程名称:(填写具体工程名称)
三、设备名称:
四、施工单位:(填写具体施工单位名称)
五、检验项目及方法:
1.检验项目:混凝土设备基础尺寸偏差
2.检验方法:测量法、对比法等
六、检验依据:(填写具体的工程技术规范或相关标准)
七、检验设备和工具:
1.测量尺、卷尺等
2.其他辅助设备和工具:(根据具体情况填写)
八、检验环境及日期:
1.检验环境:(室内、室外等具体环境)
2.检验日期:(具体检验日期)
九、检验结果:
1.检验项目一:
(1)检验内容:(如检验混凝土设备基础的长度、宽度、高度等基本尺寸)
(2)检验标准:(填写具体的技术标准或规定)
(3)检验结果:(填写实际检验结果)
(4)结论:(填写合格或不合格结论)
2.检验项目二:
(1)检验内容:
(2)检验标准:
(3)检验结果:
(4)结论:
...
(根据具体检验项目数量和内容继续填写)
十、质量问题处理及预防措施:
(根据检验结果填写具体质量问题处理和预防措施)
十一、质量验收结论:
1.质量验收结果:(填写质量验收结果,如合格、不合格等)
2.验收日期:(填写具体的质量验收日期)
3.验收人员:(填写具体的质量验收人员姓名)
十二、备注:(如需要填写其他需要说明的内容,请在此处填写)十三、附件:(如有需要附上的相关文件或图纸,请在此处列明)以上记录经我单位检验合格,质量验收合格。
混凝土设备基础外观及尺寸偏差检验批质量验收记录表亲爱的朋友,上文已完,为感谢你的阅读,特赠送另一篇《住建局清理吃空饷工作总结》范文,如果下文你不需要,下载后可以编辑删除,谢谢!某乡镇先进集体申报材料××乡位于××县城西南3公里处,下辖12个行政村,总人口23682人,由于历史的原因和受水资源的制约,长期以来主要以种植为主,结构单一,导致农民增收步伐缓慢。
近年来,我乡在州、县两级党委、政府的正确领导下,认真贯彻党的路线方针政策,努力实践“三个代表”重要思想,全面落实科学发展观,牢牢把握改革、发展、稳定大局,紧紧围绕经济建设这个中心,深入开展创建先进集体活动,大力实施“项目立乡、特色农业兴乡”战略,自加压力、振奋精神、与时俱进、扎实工作,团结和带领广大干部群众顽强拼搏,战胜了各种困难和自然灾害,取得了创建先进集体与经济设同步发展的好成绩。
截止到2005年底,全乡完成国民生产总值4930.52万元,同比2004年增长了0.17%;农民人均纯收入达到1254.1元,同比2004年增长了6%。
2003年和2005年度,两次荣获自治州先进集体先进单位,2004年被评为自治州“六个好优秀乡镇”并通过克孜勒苏柯尔克孜自治州委员会验收。
一、抓教育,严管理,强化队伍素质农村干部的素质高低,直接决定着农村经济社会的发展。
该乡充分认识到拥有一支高素质的干部队伍,才能促进农村改革的深入,才能带领广大人民群众共同致富达小康,所以该乡始终把加强干部队伍素质作为加快发展的基础,想办法提高干部队伍的综合素质。
一是抓好理论学习。
坚持党员干部学习日制度,每周的星期五下午为规定的学习日,全体党员干部都要进行集中学习,通过学习十六大精神、党章和农村政策法规等,加强党员干部和政治理论水平和法制意识,通过观看电教片及学习先进人物事迹,教育党员干部树立正确的人生观、世界观和价值观。
二是抓实用技术培训。
该乡经常聘请自治区、自治州、县三级农业、科技部门专家到乡里为党员干部和农民群众进行实用技术培训,鼓励和引导党员干部参加农函大、农广校、电大的学历教育培训,积极组织党员带头利用电教设备,学习外地增收致富经验。
混凝土设备基础外尺寸偏差检验批质量验收记录项目名称:混凝土设备基础外尺寸偏差检验批项目编号:XXXXX验收记录编号:XXXXX施工单位:XXXXX施工日期:XXXXX验收日期:XXXXX一、验收目的:对混凝土设备基础外尺寸偏差进行检验批验收,确保基础施工符合设计要求和相关标准,保证设备基础的稳定性、安全性和可靠性。
二、验收内容:1.检查施工图纸及设计要求,了解基础形式、尺寸要求和标高要求。
2.检查基础施工过程中的现场巡视记录、施工记录、质量检验报告等相关资料。
3.对基础外尺寸进行测量,计算尺寸偏差。
4.检查基础外尺寸偏差是否符合相关标准要求。
三、验收依据:1.《混凝土基础施工及验收规范》2.《建筑施工质量验收规范》3.《混凝土结构工程施工质量检验及验收标准》四、验收方法:1.检查施工图纸及设计要求,核实基础尺寸、形式和标高要求。
2.检查现场巡视记录、施工记录、质量检验报告等相关资料,核实施工过程是否符合要求。
3.使用测量工具(如测量尺、测量仪器等),对基础外尺寸进行测量。
4.根据设计要求和相关标准,计算基础尺寸的偏差。
5.将测量结果与设计要求进行对比,判断基础外尺寸偏差是否符合要求。
五、验收结果:根据对基础外尺寸的测量和计算,以下为本次验收的结果:1.基础外尺寸偏差:a. 长度偏差:Xmmb. 宽度偏差:Xmmc. 高度偏差:Xmm2.基础外尺寸偏差判断:a.长度偏差:符合要求/不符合要求b.宽度偏差:符合要求/不符合要求c.高度偏差:符合要求/不符合要求3.验收结论:基础外尺寸偏差符合要求/不符合要求六、验收意见:1.如果基础外尺寸偏差符合要求,认为混凝土设备基础施工合格,可以进行下一步施工工序。
2.如果基础外尺寸偏差不符合要求,认为混凝土设备基础施工不合格,需进行整改或修正。
七、验收结论:本次混凝土设备基础外尺寸偏差检验批质量验收的结果为“符合要求”/“不符合要求”。
如不符合要求,应立即整改。
混凝土设备底子尺寸偏差查验批质量验收记载(II)(GB50204-2002)表8.3-1(1) 编号:010603(6)□□□
010603(6)□□□说明
主控项目
混凝土设备底子不应有影响结构性能和设备安装的尺寸偏差。
对凌驾尺寸允许偏差且影响结构性能和安装、使用功效的部位,应由施工单元提出技能提出处置惩罚
方案,并经监理(建立)单元认可后进行处置惩罚。
对经处置惩罚的部位,应重新查抄验收。
查抄数量:全数查抄。
查验要领:量测,查抄技能处置惩罚方案。
一般项目
混凝土设备底子拆摸后的尺寸偏差应切合表的划定。
查抄数量:设备底子全数查抄。
混凝土设备底子尺寸允许偏差和查验要领
表2
注:1、查抄坐标、中心线位置时,应沿纵、横两个偏向量测,并取其中的较大值。
2、本表由施工项目专业质量查抄员填写,专业监理工程师(建立单元项目专业技能卖力人)组织
项目专业质量(技能)卖力人等进行验收。
混凝土设备基础外观质量及尺寸偏差检验批质量验收记
录
1.项目名称:
2.项目概述:
该项目的目标是检验混凝土设备基础的外观质量以及尺寸偏差,并进行质量验收,以保证基础的安全性和可靠性。
3.项目执行单位:
(填写具体单位名称)
4.项目执行人员:
(列出所有执行人员的姓名及职务)
5.项目执行时间:
(填写具体执行时间)
6.检验批数量:
(填写具体检验批数量)
7.检验设备及仪器:
(列出使用的设备及仪器名称)
8.检验标准:
(填写具体的检验标准)
9.检验内容:
(列出具体的检验内容,包括外观质量、尺寸偏差等方面)
10.检验方法:
(填写具体的检验方法,包括目视检查、测量等)
11.检验结果:
(填写具体的检验结果,包括每个检验批的合格数、不合格数等) 12.质量验收结论:
(根据检验结果,给出质量验收结论,包括合格、不合格等)
13.不合格处理措施:
(如有不合格项,填写具体的不合格处理措施,包括修复、拆除重做等)
14.质量验收责任人:
(填写具体的质量验收责任人的姓名及职务)
15.质量验收时间:
(填写具体的质量验收时间)
16.备注:
(填写其他需要补充说明的事项)
以上是混凝土设备基础外观质量及尺寸偏差检验批质量验收记录的基本内容,具体细节可以根据实际情况进行补充。
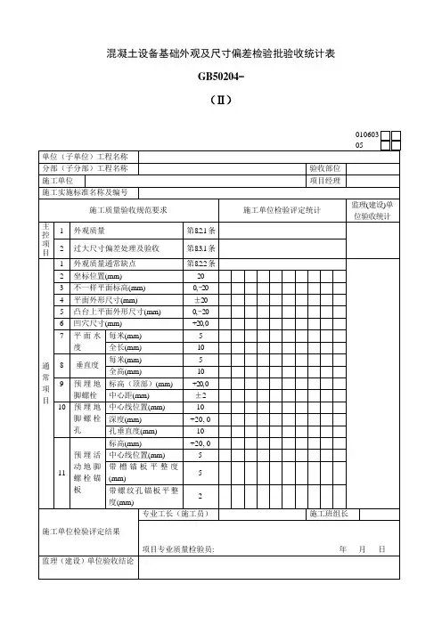
混凝土设备基础尺寸偏差检验批质量验收记录(II)(GB50204-2002)表8.3-1(1) 编号:010603(6)□□□
010603(6)□□□说明
主控项目
8.3.1 混凝土设备基础不应有影响结构性能和设备安装的尺寸偏差。
对超过尺寸允许偏差且影响结构性能和安装、使用功能的部位,应由施工单位提出技术提出处理
方案,并经监理(建设)单位认可后进行处理。
对经处理的部位,应重新检查验收。
检查数量:全数检查。
检验方法:量测,检查技术处理方案。
一般项目
8.3.2混凝土设备基础拆摸后的尺寸偏差应符合表8.3.2-2的规定。
检查数量:设备基础全数检查。
混凝土设备基础尺寸允许偏差和检验方法
表
注:1、检查坐标、中心线位置时,应沿纵、横两个方向量测,并取其中的较大值。
2、本表由施工项目专业质量检查员填写,专业监理工程师(建设单位项目专业技术负责人)组织
项目专业质量(技术)负责人等进行验收。
混凝土设备基础外观及尺寸偏差检验批质量验收记录验收项目:混凝土设备基础外观及尺寸偏差检验批质量验收工程名称:XXX项目工程地点:XXX建设单位:XXX总包单位:XXX监理单位:XXX施工单位:XXX检验批划分:检验批号:XXX一、检验依据二、检验设备1.测量工具:钢尺、卷尺、平行尺、衡器等;2.图纸资料:混凝土设备基础施工图纸、验收图纸等。
三、检验内容及方法1.外观检验:(1)检查基础表面光洁度要求,观察是否有破损、开裂等缺陷;(2)检查基础表面是否保持干燥,无明显水迹;(3)检查基础表面是否有沉降、变形等现象。
2.尺寸偏差检验:(1)根据图纸要求,测量基础的长度、宽度、高度等尺寸;(2)测量检验基准点位置的水平度、垂直度等;(3)测量基础顶面水平度、平整度等。
四、检验结果记录检验批号:XXX工程名称:XXX日期:XXXX年XX月XX日外观检验结果:基础表面光洁度良好,无破损、开裂等缺陷;基础表面干燥,无明显水迹;基础表面无沉降、变形等现象。
尺寸偏差检验结果:基础长度:XXXmm (设计要求:XXXmm,允许偏差:±XXmm)基础宽度:XXXmm (设计要求:XXXmm,允许偏差:±XXmm)基础高度:XXXmm (设计要求:XXXmm,允许偏差:±XXmm)基准点水平度:XXXmm (设计要求:XXXmm基准点垂直度:XXXmm (设计要求:XXXmm,允许偏差:±XXmm)基础顶面水平度:XXXmm (设计要求:XXXmm,允许偏差:±XXmm)基础顶面平整度:XXXmm (设计要求:XXXmm,允许偏差:±XXmm)五、结论根据对混凝土设备基础外观及尺寸偏差检验的结果,结论如下:外观检验合格;尺寸偏差检验合格。
六、不合格处理措施如发现外观检验和尺寸偏差检验不合格情况,应及时通知施工单位进行整改,整改后重新进行检验。
七、检验员及监理签字检验员:XXX监理签字:XXX日期:XXXX年XX月XX日以上为混凝土设备基础外观及尺寸偏差检验批质量验收记录,共计1200字。
基础混凝土结构外观及尺寸偏差检验批质量验收记录项目名称:基础混凝土结构施工施工单位:XXX公司验收日期:XXXX年XX月XX日一、验收目的本次验收主要是对基础混凝土结构的外观及尺寸偏差进行检验,确保其质量符合相关标准和规范要求,为后续施工提供可靠的基础。
二、检验要求1.外观检验:检查基础混凝土结构的表面是否平整、光滑,有无起鼓、开裂、空洞等缺陷。
2.尺寸检验:检查基础混凝土结构的尺寸是否符合设计施工图纸要求。
三、检验方法及结果1.检查方式:现场实地检查与对比设计施工图纸。
2.检查内容:a)外观检验:-表面平整度:施工单位采用水平仪对基础混凝土结构的表面进行测量,测量结果如下:测量点1:平整度符合要求测量点2:平整度符合要求...-表面缺陷:施工单位对基础混凝土结构的表面进行全面检查,未发现起鼓、开裂、空洞等缺陷。
b)尺寸检验:-长度:设计要求长度为X米,经测量,长度为X米,符合要求。
-宽度:设计要求宽度为X米,经测量,宽度为X米,符合要求。
-高度:设计要求高度为X米,经测量,高度为X米,符合要求。
四、结论与建议1.结论:基础混凝土结构的外观及尺寸偏差检验结果符合设计施工图纸的要求,质量合格。
2.建议:鉴于本次验收结果良好,施工单位应继续保持施工质量,做好基础混凝土结构后续工作,确保整个工程的顺利进行。
五、附件1.验收图纸副本:包括设计施工图纸和实际基础混凝土结构的对比照片。
2.检测数据表格:包括表面平整度、尺寸测量等数据。
六、总结本次基础混凝土结构外观及尺寸偏差检验批质量验收记录对基础混凝土结构的质量进行了全面的检查和评估。
通过符合要求的外观及尺寸偏差检验,可以保证基础混凝土结构的质量达到设计要求,为接下来的施工提供可靠的基础。
同时,施工单位应继续保持高标准的施工质量,确保整个工程的顺利进行。