混凝土设备基础外观及尺寸偏差检验批质量验收记录(最新版)
- 格式:xlsx
- 大小:16.70 KB
- 文档页数:1
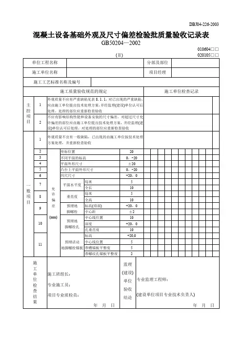
DBJ04-226-2003
混凝土设备基础外观及尺寸偏差检验批质量验收记录表
GB50204—2002
010604□□
DBJ04-226-2003
说明
010604
(Ⅱ) 020105 主控项目:
表8
1 1 现浇结构外观质量缺陷
1.检查数量:全数检查
检验方法:按表8.1.1观察检查和检查技术处理方案。
2.检查数量:全数检查。
检验方法:观察和尺量检查,检查技术处理方案。
一般项目:
1.检查数量:全数检查。
检验方法:按表8.1.1观察检查,检查技术处理方案。
2~11.设备基础允许偏差。
检查数量:全数检查。
检验方法:经纬仪、水准仪、靠尺、线坠、塞尺、水平尺、钢尺、拉线、吊线量测检查。
注:检查坐标、中心线位置时,应沿纵、横两个方向量测,并取其中的较大值。
混凝土设备基础尺寸偏差检验批质量验收记录
一、检验单位:(填写具体单位名称)
二、工程名称:(填写具体工程名称)
三、设备名称:
四、施工单位:(填写具体施工单位名称)
五、检验项目及方法:
1.检验项目:混凝土设备基础尺寸偏差
2.检验方法:测量法、对比法等
六、检验依据:(填写具体的工程技术规范或相关标准)
七、检验设备和工具:
1.测量尺、卷尺等
2.其他辅助设备和工具:(根据具体情况填写)
八、检验环境及日期:
1.检验环境:(室内、室外等具体环境)
2.检验日期:(具体检验日期)
九、检验结果:
1.检验项目一:
(1)检验内容:(如检验混凝土设备基础的长度、宽度、高度等基本尺寸)
(2)检验标准:(填写具体的技术标准或规定)
(3)检验结果:(填写实际检验结果)
(4)结论:(填写合格或不合格结论)
2.检验项目二:
(1)检验内容:
(2)检验标准:
(3)检验结果:
(4)结论:
...
(根据具体检验项目数量和内容继续填写)
十、质量问题处理及预防措施:
(根据检验结果填写具体质量问题处理和预防措施)
十一、质量验收结论:
1.质量验收结果:(填写质量验收结果,如合格、不合格等)
2.验收日期:(填写具体的质量验收日期)
3.验收人员:(填写具体的质量验收人员姓名)
十二、备注:(如需要填写其他需要说明的内容,请在此处填写)十三、附件:(如有需要附上的相关文件或图纸,请在此处列明)以上记录经我单位检验合格,质量验收合格。
混凝土设备基础外尺寸偏差检验批质量验收记录项目名称:混凝土设备基础外尺寸偏差检验批项目编号:XXXXX验收记录编号:XXXXX施工单位:XXXXX施工日期:XXXXX验收日期:XXXXX一、验收目的:对混凝土设备基础外尺寸偏差进行检验批验收,确保基础施工符合设计要求和相关标准,保证设备基础的稳定性、安全性和可靠性。
二、验收内容:1.检查施工图纸及设计要求,了解基础形式、尺寸要求和标高要求。
2.检查基础施工过程中的现场巡视记录、施工记录、质量检验报告等相关资料。
3.对基础外尺寸进行测量,计算尺寸偏差。
4.检查基础外尺寸偏差是否符合相关标准要求。
三、验收依据:1.《混凝土基础施工及验收规范》2.《建筑施工质量验收规范》3.《混凝土结构工程施工质量检验及验收标准》四、验收方法:1.检查施工图纸及设计要求,核实基础尺寸、形式和标高要求。
2.检查现场巡视记录、施工记录、质量检验报告等相关资料,核实施工过程是否符合要求。
3.使用测量工具(如测量尺、测量仪器等),对基础外尺寸进行测量。
4.根据设计要求和相关标准,计算基础尺寸的偏差。
5.将测量结果与设计要求进行对比,判断基础外尺寸偏差是否符合要求。
五、验收结果:根据对基础外尺寸的测量和计算,以下为本次验收的结果:1.基础外尺寸偏差:a. 长度偏差:Xmmb. 宽度偏差:Xmmc. 高度偏差:Xmm2.基础外尺寸偏差判断:a.长度偏差:符合要求/不符合要求b.宽度偏差:符合要求/不符合要求c.高度偏差:符合要求/不符合要求3.验收结论:基础外尺寸偏差符合要求/不符合要求六、验收意见:1.如果基础外尺寸偏差符合要求,认为混凝土设备基础施工合格,可以进行下一步施工工序。
2.如果基础外尺寸偏差不符合要求,认为混凝土设备基础施工不合格,需进行整改或修正。
七、验收结论:本次混凝土设备基础外尺寸偏差检验批质量验收的结果为“符合要求”/“不符合要求”。
如不符合要求,应立即整改。
混凝土设备底子尺寸偏差查验批质量验收记载(II)(GB50204-2002)表8.3-1(1) 编号:010603(6)□□□
010603(6)□□□说明
主控项目
混凝土设备底子不应有影响结构性能和设备安装的尺寸偏差。
对凌驾尺寸允许偏差且影响结构性能和安装、使用功效的部位,应由施工单元提出技能提出处置惩罚
方案,并经监理(建立)单元认可后进行处置惩罚。
对经处置惩罚的部位,应重新查抄验收。
查抄数量:全数查抄。
查验要领:量测,查抄技能处置惩罚方案。
一般项目
混凝土设备底子拆摸后的尺寸偏差应切合表的划定。
查抄数量:设备底子全数查抄。
混凝土设备底子尺寸允许偏差和查验要领
表2
注:1、查抄坐标、中心线位置时,应沿纵、横两个偏向量测,并取其中的较大值。
2、本表由施工项目专业质量查抄员填写,专业监理工程师(建立单元项目专业技能卖力人)组织
项目专业质量(技能)卖力人等进行验收。
混凝土设备基础外观质量及尺寸偏差检验批质量验收记
录
1.项目名称:
2.项目概述:
该项目的目标是检验混凝土设备基础的外观质量以及尺寸偏差,并进行质量验收,以保证基础的安全性和可靠性。
3.项目执行单位:
(填写具体单位名称)
4.项目执行人员:
(列出所有执行人员的姓名及职务)
5.项目执行时间:
(填写具体执行时间)
6.检验批数量:
(填写具体检验批数量)
7.检验设备及仪器:
(列出使用的设备及仪器名称)
8.检验标准:
(填写具体的检验标准)
9.检验内容:
(列出具体的检验内容,包括外观质量、尺寸偏差等方面)
10.检验方法:
(填写具体的检验方法,包括目视检查、测量等)
11.检验结果:
(填写具体的检验结果,包括每个检验批的合格数、不合格数等) 12.质量验收结论:
(根据检验结果,给出质量验收结论,包括合格、不合格等)
13.不合格处理措施:
(如有不合格项,填写具体的不合格处理措施,包括修复、拆除重做等)
14.质量验收责任人:
(填写具体的质量验收责任人的姓名及职务)
15.质量验收时间:
(填写具体的质量验收时间)
16.备注:
(填写其他需要补充说明的事项)
以上是混凝土设备基础外观质量及尺寸偏差检验批质量验收记录的基本内容,具体细节可以根据实际情况进行补充。
混凝土设备基础外观及尺寸偏差检验批质量验收记录验收项目:混凝土设备基础外观及尺寸偏差检验批质量验收工程名称:XXX项目工程地点:XXX建设单位:XXX总包单位:XXX监理单位:XXX施工单位:XXX检验批划分:检验批号:XXX一、检验依据二、检验设备1.测量工具:钢尺、卷尺、平行尺、衡器等;2.图纸资料:混凝土设备基础施工图纸、验收图纸等。
三、检验内容及方法1.外观检验:(1)检查基础表面光洁度要求,观察是否有破损、开裂等缺陷;(2)检查基础表面是否保持干燥,无明显水迹;(3)检查基础表面是否有沉降、变形等现象。
2.尺寸偏差检验:(1)根据图纸要求,测量基础的长度、宽度、高度等尺寸;(2)测量检验基准点位置的水平度、垂直度等;(3)测量基础顶面水平度、平整度等。
四、检验结果记录检验批号:XXX工程名称:XXX日期:XXXX年XX月XX日外观检验结果:基础表面光洁度良好,无破损、开裂等缺陷;基础表面干燥,无明显水迹;基础表面无沉降、变形等现象。
尺寸偏差检验结果:基础长度:XXXmm (设计要求:XXXmm,允许偏差:±XXmm)基础宽度:XXXmm (设计要求:XXXmm,允许偏差:±XXmm)基础高度:XXXmm (设计要求:XXXmm,允许偏差:±XXmm)基准点水平度:XXXmm (设计要求:XXXmm基准点垂直度:XXXmm (设计要求:XXXmm,允许偏差:±XXmm)基础顶面水平度:XXXmm (设计要求:XXXmm,允许偏差:±XXmm)基础顶面平整度:XXXmm (设计要求:XXXmm,允许偏差:±XXmm)五、结论根据对混凝土设备基础外观及尺寸偏差检验的结果,结论如下:外观检验合格;尺寸偏差检验合格。
六、不合格处理措施如发现外观检验和尺寸偏差检验不合格情况,应及时通知施工单位进行整改,整改后重新进行检验。
七、检验员及监理签字检验员:XXX监理签字:XXX日期:XXXX年XX月XX日以上为混凝土设备基础外观及尺寸偏差检验批质量验收记录,共计1200字。
基础混凝土结构外观及尺寸偏差检验批质量验收记录项目名称:基础混凝土结构施工施工单位:XXX公司验收日期:XXXX年XX月XX日一、验收目的本次验收主要是对基础混凝土结构的外观及尺寸偏差进行检验,确保其质量符合相关标准和规范要求,为后续施工提供可靠的基础。
二、检验要求1.外观检验:检查基础混凝土结构的表面是否平整、光滑,有无起鼓、开裂、空洞等缺陷。
2.尺寸检验:检查基础混凝土结构的尺寸是否符合设计施工图纸要求。
三、检验方法及结果1.检查方式:现场实地检查与对比设计施工图纸。
2.检查内容:a)外观检验:-表面平整度:施工单位采用水平仪对基础混凝土结构的表面进行测量,测量结果如下:测量点1:平整度符合要求测量点2:平整度符合要求...-表面缺陷:施工单位对基础混凝土结构的表面进行全面检查,未发现起鼓、开裂、空洞等缺陷。
b)尺寸检验:-长度:设计要求长度为X米,经测量,长度为X米,符合要求。
-宽度:设计要求宽度为X米,经测量,宽度为X米,符合要求。
-高度:设计要求高度为X米,经测量,高度为X米,符合要求。
四、结论与建议1.结论:基础混凝土结构的外观及尺寸偏差检验结果符合设计施工图纸的要求,质量合格。
2.建议:鉴于本次验收结果良好,施工单位应继续保持施工质量,做好基础混凝土结构后续工作,确保整个工程的顺利进行。
五、附件1.验收图纸副本:包括设计施工图纸和实际基础混凝土结构的对比照片。
2.检测数据表格:包括表面平整度、尺寸测量等数据。
六、总结本次基础混凝土结构外观及尺寸偏差检验批质量验收记录对基础混凝土结构的质量进行了全面的检查和评估。
通过符合要求的外观及尺寸偏差检验,可以保证基础混凝土结构的质量达到设计要求,为接下来的施工提供可靠的基础。
同时,施工单位应继续保持高标准的施工质量,确保整个工程的顺利进行。
混凝土设备基础外观及尺寸偏差检验批范本一:混凝土设备基础外观及尺寸偏差检验批1. 引言1.1 目的本检验批旨在检验混凝土设备基础的外观及尺寸偏差是否符合设计要求,确保设备基础的质量达到标准。
1.2 适用范围本检验批适用于所有混凝土设备基础。
2. 检验对象2.1 设备基础的外观检验2.1.1 检验项目1:基础表面平整度2.1.1.1 测量标准:平整度不大于10mm2.1.1.2 检验方法:使用平板尺或测量仪器进行检测,并记录结果。
2.1.2 检验项目2:基础表面裂缝2.1.2.1 检验标准:裂缝宽度不大于0.2mm2.1.2.2 检验方法:使用目测或放大镜进行检测,记录裂缝的位置、长度、宽度等信息。
2.2 设备基础的尺寸偏差检验2.2.1 检验项目1:基础尺寸偏差2.2.1.1 检验标准:长度偏差不大于±5mm,宽度偏差不大于±3mm2.2.1.2 检验方法:使用测量仪器进行检测,并记录结果。
2.2.2 检验项目2:基础水平度偏差2.2.2.1 检验标准:水平度偏差不大于5‰2.2.2.2 检验方法:使用水平仪进行检测,并记录结果。
3. 检验依据3.1 设备基础设计图纸3.2 设备基础施工规范4. 附件本检验批涉及附件如下:- 设备基础设计图纸- 设备基础施工规范5. 法律名词及注释5.1 混凝土:指以水泥或水泥与石灰、石膏等为胶凝材料,掺入石、沙、骨料等为骨料,加入水和掺合剂混合而成的人工石材。
5.2 设备基础:指支撑设备的基础部分,通常为混凝土结构。
范本二:混凝土设备基础外观及尺寸偏差检验批1. 引言1.1 目的本检验批的目的是对混凝土设备基础的外观及尺寸偏差进行检验,确保设备基础符合设计要求,并达到质量标准。
1.2 适用范围本检验批适用于所有类型的混凝土设备基础。
2. 检验对象2.1 设备基础外观检验2.1.1 检验项目1:外观平整度2.1.1.1 检验标准:平整度偏差不得超过10毫米2.1.1.2 检验方法:使用平板尺、测量仪器等工具进行测量,并记录测量结果。
混凝土设备基础外观及尺寸偏差检验批验收记录年月日年月日土方回填分项工程质量验收记录表E.0.1编号:010802灰土地基分项工程质量验收记录表E.0.1编号:010803石砌体分项工程质量验收记录表E.0.1编号:010104砖砌体分项工程质量验收记录表E.0.1编号:010808钢筋工程分项工程质量验收记录表E.0.1编号:010804模板工程分项工程质量验收记录表E.0.1编号:010805年月日混凝土工程分项工程质量验收记录表E.0.1编号:010806年月日现浇结构分项工程质量验收记录表E.0.1编号:010807年月日砖砌体分项工程质量验收记录表E.0.1编号:010901年月日(建设单位项目专业技术负责人)年月日钢筋工程分项工程质量验收记录表E.0.1编号:010902论项目专业技术负责人:论年月日(建设单位项目专业技术负责人)年月日模板工程分项工程质量验收记录表E.0.1编号:010903表 E .0.1编号:010904结论 项目专业技术负责人:年 月 日结 监理工程师: 论(建设单位项目专业技术负责人)年 月 日混凝土工程 分项工程质量验收记录表 E .0.1 编号:010905结 论项目专业技术负责人:年 月 日结 监理工程师: 论(建设单位项目专业技术负责人)年 月 日现浇结构 分项工程质量验收记录表 E .0.1 编号:011001结 论项目专业技术负责人:年 月 日结 监理工程师: 论(建设单位项目专业技术负责人)年 月 日屋面填充层 分项工程质量验收记录表 E .0.1编号:011002检 查 结 论 检查合格项目专业技术负责人:年 月 日验收 结论监理工程师: (建设单位项目专业技术负责人)年 月 日屋面保温层 分项工程质量验收记录屋面找平层分项工程质量验收记录表E.0.1编号:011003地面混凝土垫层分项工程质量验收记录表E.0.1编号:011101地面混凝土面层分项工程质量验收记录表E.0.1编号:011102一般抹灰分项工程质量验收记录表E.0.1编号:011103涂料分项工程质量验收记录表E.0.1编号:011104饰面砖粘贴分项工程质量验收记录表E.0.1编号:011105土方开挖分项工程质量验收记录表E.0.1编号:012601量验收记录表E.0.1编号:012602灰土地基分项工程质量验收记录表E.0.1编号:012603钢筋工程分项工程质量验收记录表E.0.1编号:012604模板工程分项工程质量验收记录表E.0.1编号:012605混凝土工程分项工程质量验收记录表E.0.1编号:012606现浇结构分项工程质量验收记录表E.0.1编号:012607钢筋工程分项工程质量验收记录表E.0.1编号:012701模板工程分项工程质量验收记录表E.0.1编号:012702混凝土工程分项工程质量验收记录表E.0.1编号:012703现浇结构分项工程质量验收记录表E.0.1编号:012704土方开挖分项工程质量验收记录表E.0.1编号:013201表E.0.1编号:013202灰土地基分项工程质量验收记录表E.0.1编号:013103钢筋工程分项工程质量验收记录表E.0.1编号:013204模板工程分项工程质量验收记录表E.0.1编号:013205混凝土工程分项工程质量验收记录表E.0.1编号:013206现浇结构分项工程质量验收记录表E.0.1编号:013207土方开挖分项工程质量验收记录表E.0.1编号:010401土方回填分项工程质量验收记录表E.0.1编号:010402工程名称霍州市许村LNG加气站工程结构类型砖混检验批数1灰土地基分项工程质量验收记录表E.0.1编号:013103钢筋工程分项工程质量验收记录表E.0.1编号:010403工程名称霍州市许村LNG加气站工程结构类型砖混检验批数6模板工程分项工程质量验收记录表E.0.1编号:010404混凝土工程分项工程质量验收记录表E.0.1编号:010405现浇结构分项工程质量验收记录表E.0.1编号:010406地面灰土垫层分项工程质量验收记录表E.0.1编号:010407地面混凝土垫层分项工程质量验收记录表E.0.1编号:010408地面面层分项工程质量验收记录表E.0.1编号:010408。
混凝土设备基础工程检验批质量验收记录一、项目概况本文档是对混凝土设备基础工程进行检验批质量验收的记录。
混凝土设备基础工程是建筑施工的重要环节之一,保证其质量对保障整个建筑物的安全和稳定起着至关重要的作用。
二、验收内容1. 混凝土设备基础工程施工前的准备工作:包括工程图纸审核、工程技术条件的了解、施工方案的编制等。
2. 施工材料验收:对混凝土、钢筋、砂石等材料进行验收,确保其质量符合设计要求。
3. 基坑开挖与处理:基坑的开挖和对土方的处理必须符合相关规范和技术要求。
4. 基础基底处理与回填:对基础基底进行处理和回填,确保其平整、结实。
5. 混凝土浇筑与养护:对混凝土的浇筑、振捣、养护等工序进行检验,确保混凝土质量达到相应标准。
6. 地下水位控制:对地下水位进行控制,确保基础工程施工期间不受地下水的影响。
7. 基础工程验收:对混凝土设备基础工程进行全面验收,检查其质量是否符合相关规范和要求。
三、验收记录1. 检验批编号:2022-0012. 工程名称:混凝土设备基础工程3. 工程地点:xxx地区4. 施工单位:xxx建筑有限公司5. 监理单位:xxx监理有限公司6. 验收日期:2022年xx月xx日详细验收记录如下:1. 施工前准备工作验收记录:a) 工程图纸审核:经核对,工程图纸符合设计要求,未发现错误和疏漏。
b) 工程技术条件了解:施工单位了解工程技术条件,掌握相关施工要求。
c) 施工方案编制:施工方案按照规范编制,合理可行。
2. 施工材料验收记录:a) 混凝土:批号xxx,强度等级xxx,按照工程要求送检,符合设计要求。
b) 钢筋:规格xxx,材质符合要求,外观无明显损伤。
c) 砂石:规格xxx,无杂质,符合施工要求。
3. 基坑开挖与处理验收记录:a) 基坑开挖:开挖深度和宽度符合设计要求,无明显变形和裂缝。
b) 土方处理:按照设计要求对土方进行处理,确保基坑的稳定性。
4. 基础基底处理与回填验收记录:a) 基础基底处理:对基础基底进行了施工处理,达到规范要求。