2019年整理公路路面基层施工技术规范
- 格式:doc
- 大小:60.50 KB
- 文档页数:22
2.2 土方路基2.2.1基本要求2.2.1.1在路基用地和取土坑范围内,认真清除地表植被、杂物、积水、淤泥和表土,处理坑塘,并对基底进行认真压实和处理,满足规范和设计要求。
2.2.1.2 不得采用设计或规范规定的不适用土料作为路基填料。
路基填料强度(CBR)应符合规范和设计规定。
2.2.1.3路基必须分层填筑压实,每层表面平整,路拱合适,排水良好。
2.2.1.4施工临时排水系统应与设计排水系统结合,勿使路基附近积水,避免冲刷过坡。
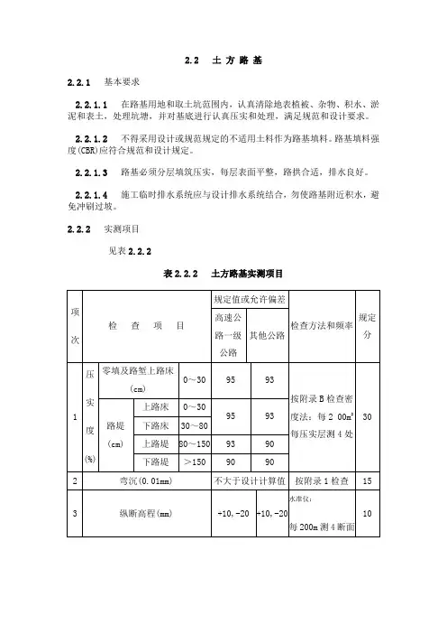
2.2.2实测项目见表2.2.2表2.2.2 土方路基实测项目注:①压实度检查深度从路床顶面算起。
桥台、涵洞、锥坡、挡土墙等背后填土及其他关键部位应增加压实度的检查频率。
②采用核子仪检验压实度时应进行标定试验,确认其可靠性。
③表列压实度以重型击实试验法为准,评定路段内的压实度下置信界限不得小地规定标准,单个测定值不得小于极值(表列规定值减5个百分点)。
小于表列规定值2~5个百分点的测点,按其数量占总检查点的百分率计算扣分值。
④特殊干旱、特殊潮湿地区或过湿土,以及铺筑中、低级路面的三、四级公路路基,可按交通部颁发的路基设计、施工规范所规定的压实度标准进行评定。
2.2.3 外观鉴定2.2.3.1路基表面平整,边线直顺。
不符合要求时,单向累计长度每50m减1~2分。
2.2.3.2 路基边坡坡面平顺稳定、不得亏坡,曲线圆滑。
不符合要求时,单向累计长度每50m减1~2分。
2.2.3.3 取土坑、弃土堆、护坡道、碎落台的位置适当,外形整齐、美观,防止水土流失。
不符合要求时,每处减1~2分。
2.2.3.4 设计植草的路段,发现明显缺陷时,单向累计长度每50m1~2分。
2.3 石方路基2.3.1基本要求2.3.1.1开炸石方的施工方法应能保证边坡稳定,清理险石,避免过量爆破损害自然环境。
2.3.1.2修筑填石路堤应认真进行地表清理,逐层水平填筑石块,摆放平稳。
填筑层厚度及石块尺寸应符合设计和施工规范规定,填石空隙用石碴、石屑嵌压稳定。
目录1 总则2 术语、符号2.1 术语2.2 符号3 施工前的准备3.1 施工准备3.2 施工测量3.3 施工前的复查和试验3.4 场地清理3.5 试验路段。
4 路基施工的一般规定4.1 基本要求4.2 路基施工排水4.3 路基施工取土和弃土4.4 土方机械化施工5 填方路堤的施工5.1 一般规定5.2 土方路堤的填筑5.3 桥涵及其他构造物处的填筑 5.4 填石路堤5.5 土石路堤5.6 高填方路堤6 挖方路堑的施工6.1 一般规定6.2 土方路堑的开挖6.3 石方的开挖6.4 深挖路堑的施工7 路基压实7.1 一般规定7.2 填方地段基底的压实7.3 压实机械的要求与选择7.4 填方路堤的压实7.5 路堑路基的压实7.6 桥涵及其他构造物处填土的压实 7.7 填石路堤的压实7.8 土石路堤的压实7.9 高填方路堤的压实8 路基排水8.1 一般规定8.2 地面水的排除8.3 地下水的排除8.4 高速公路、一级公路的路基排水9 特殊地区的路基施工9.1 水稻田地区路基施工9.2 河、塘、湖、海地区路基施工 9.3 软土、沼泽地区路基施工9.4 盐渍土地区路基施工9.5 风沙地区路基施工9.6 黄土地区路基施工9.7 多雨潮湿地区路基施工9.8 季节性冻融翻浆地区路基施工9.9 多年冻土地区路基施工9.10 岩溶地区路基施工9.11 滑坡地段路基施工9.12 崩坍岩堆地段路基施工9.13 膨胀土地区路基施工10 季节性路基施工10.1 路基的冬季施工10.2 路基的雨季施工11 路基防护与加固11.1 一般规定11.2 坡面防护11.3 路基冲刷防护11.4 其他加固工程12 公路绿化工程与环境保护12.1 公路绿化工程12.2 空气污染的防治12.3 防止水、土污染和流失13 路基整修、检查验收及维修13.1 路基整修13.2 检查及验收13.3 路基维修13.4 质量标准附录A 本规范用词说明附加说明1 总则1.0.1 为适应我国公路交通发展的需要,确保公路路基的施工质量,特制定本规范。
公路路基施工技术规范2019一般规定施工单位应建立健全安全生产管理体系,设置安全管理机构,配备专职安全管理人员,制定安全生产规章制度,落实依全生产责住制、对施工安全管理、施工安全技术和施工安全作业进行全过程全方位管理与控制。
从业人员应悉关安全生产法律法规和技术規范,经培训合格方可上岗从事特殊作业人员,经过专业培训、并取得相应资格后持证上岗。
施工作业人员必须遵守本工种的各项安全技术操作规程。
条文说明:国家现行涉及有关全生产的主要法律、法規等标准的相关规定。
施工单位在工程开工前,应进行现场调查,根据施工地段的地形、地质、水文、气象以及环境条件,結合设计文件和施工方案,制定安全保障描施。
在施工中、应及时掌气温、雨雪、风暴、汛情和地质灾害等相关信息,并根据周围环境条件的变化,做好防范和应急工作。
施工单位在工程开工前,应掌握施工影响范围内的既有道路、结构物、设施地下和空中的各种管线情况,制定安全保障措施,保证既有结构物和设施的安全。
在建公路与既有道路、航道、电力、电信、输油及输气管道等设施发生交叉或并行时,在施工组织设计中应针对既有线工程的结构特点及功能要求制定相应的保通措施以及拆迁、保护或加固方案。
施工期间,施工单位应对影响范围内的既有结构物或设备进行监测,发现异常应及时采取措施。
同一工点有多个单位同时施工或者不同专业交叉作业时,应共同拟定现场安全技术措施,签订安全生产管理协议。
在路基施工之前,应根据工程特点和施工环境进行危险源辨识。
对重大危险源,应编制应急预案。
成立应急组织,配备应急物质、并规定组织培训和演练。
条文说明:危险源是指可能成员伤害、疾病、财产损失、作业环境坏杯或其他损失的因素,危险源辨识是指发现、识别危险源的存在,并确认其替在性的过程。
公路路基施工技术规范2019版(JTG/T3310-2019)9路基施工安全9.1一般规定9.1.1施工单位应建立健全安全生产管理体系,设置安全管理机构,配备专职安全管理人员,制定安全生产规章制度,落实依全生产责住制、对施工安全管理、施工安全技术和施工安全作业进行全过程全方位管理与控制。
9.1.2从业人员应悉关安全生产法律法规和技术规范,经培训合格方可上岗从事特殊作业人员,经过专业培训、并取得相应资格后持证上岗。
施工作业人员必须遵守本工种的各项安全技术操作规程。
条文说明:国家现行涉及有关全生产的主要法律、法规等标准的相关规定。
9.1.3施工单位在工程开工前,应进行现场调查,根据施工地段的地形、地质、水文、气象以及环境条件,结合设计文件和施工方案,制定安全保障描施。
在施工中、应及时掌气温、雨雪、风暴、汛情和地质灾害等相关信息,并根据周围环境条件的变化,做好防范和应急工作。
9.1.4施工单位在工程开工前,应掌握施工影响范围内的既有道路、结构物、设施地下和空中的各种管线情况,制定安全保障措施,保证既有结构物和设施的安全。
在建公路与既有道路、航道、电力、电信、输油及输气管道等设施发生交叉或并行时,在施工组织设计中应针对既有线工程的结构特点及功能要求制定相应的保通措施以及拆迁、保护或加固方案。
施工期间,施工单位应对影响范围内的既有结构物或设备进行监测,发现异常应及时采取措施。
9.1.5同一工点有多个单位同时施工或者不同专业交叉作业时,应共同拟定现场安全技术措施,签订安全生产管理协议。
9.1.6在路基施工之前,应根据工程特点和施工环境进行危险源辨识。
对重大危险源,应编制应急预案。
成立应急组织,配备应急物质、并规定组织培训和演练。
条文说明:危险源是指可能成员伤害、疾病、财产损失、作业环境坏杯或其他损失的因素,危险源辨识是指发现、识别危险源的存在,并确认其替在性的过程。
应急预完是指针对可能发生的事故,为迅速、有序地开展急行动而预先制订的行动方案。
1 总则1.0.2适用各等级新建或改建公路的路基施工。
1.0.3应满足设计要求的强度、稳定性和耐久性。
2 术语和符号2.1术语2.1.1路基按路线位置和一定的技术要求修筑的带状构造物,是路面的基础,承受由路面伟来的行车荷载。
2.1.2路床路面结构层以下0.8或1.2m范围的路基部分,分上下路床,上路床厚度0.3m,下路床轻、中、重交通的0.5m,特重、极重交通的0.9m(与06年版本根据交通量等级增加了下路床厚度,特重极重由0.5→0.9m)。
2.1.3路堤高于原地面的填方路基。
分上下路堤,上路堤是路床以下0.7m 厚度范围的填方部分,下路堤是上路堤以下的部分(原规范路面底基层底面0.8~1.5m范围也属于上路堤)。
2.1.4路堑低于原地面的挖方路基。
2.1.5高路堤路基填土最大边坡高度大于20m的路堤。
2.1.6陡坡路堤地面斜坡陡于1:2.5的路堤。
2.1.7填石路堤用粒径大于40mm且含量超过总质量70%的石料填筑的路堤(又回到了圆孔筛)。
2.1.8土石路堤用石料含量30~70%的土石混合材料填筑的路堤。
2.1.9深挖路堑边坡高度超过20m的土质路堑或超过30m的岩石路堑。
2.1.10特殊路基位于特殊土地段、不良地质地段,受水、气候等自然因素影响强烈的路基。
2.2符号CBR-加州承载比CBRmax-最大加州承载比E0-路基回弹模量L0-路基顶面实测代表弯沉值3 施工准备3.1一般规定3.2施工测量3.3试验3.3.1路基施工前,应建立具备相应试验检测能力的工地试验。
3.3.2路基填前碾压前,对基底原状土进行取样试验,每公里不少于2点,并应根据土质变化增加取样点数。
3.3.3应对路堤填料进行取样试验,土的试验项目包括天然含水率、液限、塑限、颗粒分析、击实、CBR等,必要时还应做相对密度、有机质含量、易溶盐含量、冻胀和彭胀量等试验。
3.3.4使用特殊材料作为填料时,应按相关标准进行相应试验检验,经批准后方可使用。
根据交通运输部办公厅关于印发《交通部办公厅关于印发2013年公路工程行业标准修订项目计划的通知》(交工办字[2013] 23号)的要求,修订《公路路基施工技术规范》(JTG F10- -2006)。
修订本规范的指导思想:突出安全性,耐久性和环境保护的要求,注意路基的稳定性和路基的强度,执行资源节约型和环境友好型公路建设的指导原则,合理利用各种路基填料,全面总结过去十年的公路路基施工技术,积极吸收成熟可靠的新技术,新工艺,新材料,新设备,力争技术先进,指标合理,可操作性强。
反映了中国路基建设的技术进步,以及本规范的主要技术内容涵盖从施工准备到验收的全过程,共分为11章:1个通用原则,2个术语和符号,3个施工准备,4个通用路基,5个路基排水工程,6个路基防护和支持工程,7个特殊路基,8个冬雨路基施工,9个路基施工安全,10个路基施工环境保护,11个路基改造和验收。
该修订的主要内容如下:(1)将原来关于路基安全建设和环境保护的第9章分为关于路基施工安全的第9章和关于路基建设环境保护的第10章,并将原来的第10章改为第11章;有关路基保护和保持的原始第8章更改为第6章,相应的原始第6和第7章更改为第7和第8章。
(2)第四章完善了填石路堤的填筑要求,补充了高路堤路基的地质条件检查,地基处理,防水排水,沉降观测和自然稳定时间,并对路基填筑做了单独的部分。
补充和改善了陡坡路基,泡沫轻质土路堤,煤石路堤,工业废渣路堤,路基加宽改造工程以及路基稳定性观测与评价的稳定性和沉降控制。
(3)在第五章中,增加了侧沟盖板的质量要求,地下沟中使用钢波纹管,防渗隔离层,排水垫层和排水隧道。
提高渗水沟的纵向坡度比,提高渗水管的材料要求和加工工艺;补充中位数的排水含量。
(4)第6章补充并完善了拱,金刚石斜裙和石榫连接的技术和强度要求;改善了挡土墙,边坡锚固和抗滑桩的施工技术要求,质量检验方法和标准。
(5)第7章补充了改善石灰土浅层路基建设的有关要求;在红黏土和高液体极限土壤面积的路基施工中,补充了最大CBR强度,最大强度水分含量和其他指标要求;补充了膨胀土路基填料的CBR和压实试验方法,膨胀土等级的确认,膨胀土的适用范围,压实标准,碾压控制的含水量,膨胀土坡度的柔性支撑,膨胀土路基的施工等。
JTG中华人民共和国行业推荐性标准JTG/T F20-2019公路路面基层施工技术细则Technical Guidelines for Construction of Highway Roadbases 2019- 05-19 发布2019-08-01 实施中华人民共和国交通运输部发布中华人民共和国行业推荐性标准公路路面基层施工技术细则Technical Guidelines for Construction of Highway Roadbases JTG/T F20-2019主编单位:交通运输部公路科学研究院批准部门:中华人民共和国交通运输部实施日期: 2019 年08 月01 日ι9飞交通去版社肤彷有限芯'司标准类型:标准名称:标准编号:主编单位:责任编辑:出版发行:地址:网址:销售电话:总经销:经销:印刷:图书在版编目(CIP) 数据公路路面基层施工技术细则: JTG/T F20-2019 /交通运输部公路科学研究院主编. 北京: 人民交通出版社股份有限公司,2019. 7ISBN 978-7-114-12367-21 . ①公…II. ①交…皿①路面基层一道路工程工程施工技术规范N.( U416.2-65中国版本图书馆CIP 数据核字(2019 )第134419 号中华人民共和国行业推荐性标准公路路面基层施工技术细则JTG/T F20-2019交通运输部公路科学研究院吴有铭李农人民交通出版社股份有限公司(100011 )北京市朝阳区安定门外外馆斜街3 号http://ccpress.cOffi(010)59757973人民交通出版社股份有限公司发行部各地新华书店北京市密东印刷有限公司开本: 880 x 1230 1116印张: 5.5于.....数: 124 千版次: 2019 年7 月第l 版j;p 次: 2019 年7 月第l 次印刷书号: ISBN 978-7-114-12367-2:ii二『价: 45.00 元(有印刷、装订质量问题的图书,由本公司负责调换)中华人民共和国交通运输部公第21 号主七口交通运输部关于发布〈公路路面基层施工技术细则〉的公告现发布《公路路面基层施工技术细则~ (JTG/T F20- 20 15) ,作为公路工程行业推荐性标准,自2019 年8 月1 日起施行,原《公路路面基层施工技术规范~ (JTJ 034 -2000) 同时废止。
公路路基施工技术规范2019随着社会经济的不断发展,公路建设已成为国家基础设施建设的重要组成部分。
而公路路基作为公路工程中的重要组成部分,其施工技术规范的制定和实施对于公路工程的质量和安全具有至关重要的意义。
因此,为了规范和提高公路路基施工的质量,国家相继出台了一系列的技术规范,其中最新的一部规范便是《公路路基施工技术规范2019》。
一、规范的背景和意义。
公路路基施工技术规范的制定是为了规范公路路基施工的操作流程,保障施工质量,确保公路工程的安全和可靠性。
规范的制定不仅是对施工单位的要求,也是对监理单位和设计单位的要求,同时也是对相关管理部门的要求。
规范的实施能够提高公路路基施工的效率,降低施工风险,保障公路工程的质量和安全。
二、规范的主要内容。
1. 施工前的准备工作。
规范对施工前的准备工作提出了明确的要求,包括场地准备、施工方案的制定、施工人员的培训等。
在施工前,必须对施工现场进行认真的勘察和测量,制定详细的施工方案,并对施工人员进行必要的培训,确保施工过程中的安全和顺利进行。
2. 施工材料和设备的选择和使用。
规范对公路路基施工所需的各种材料和设备的选择和使用提出了具体的要求。
施工材料必须符合国家标准,并经过质量检验合格方可使用;施工设备必须符合安全标准,经过检测合格方可使用。
同时,规范还对施工材料和设备的储存和保管提出了具体的要求,确保施工过程中材料和设备的质量和安全。
3. 施工工艺和操作规范。
规范对公路路基施工的各个环节提出了详细的工艺要求和操作规范,包括路基的开挖、填筑、压实等工艺要求,以及施工过程中的安全操作规范。
施工单位必须严格按照规范的要求进行施工,确保施工质量和安全。
4. 施工质量和安全控制。
规范对公路路基施工的质量和安全控制提出了具体的要求,包括施工过程中的质量检验和安全监测,以及施工结束后的验收和评定。
施工单位必须建立健全的质量和安全管理体系,确保施工质量和安全。
5. 环境保护和文明施工。
JTG中华人民共和国行业推荐性标准JTG/T F20-2019公路路面基层施工技术细则Technical Guidelines for Construction of Highway Roadbases 2019- 05-19 发布2019-08-01 实施中华人民共和国交通运输部发布中华人民共和国行业推荐性标准公路路面基层施工技术细则Technical Guidelines for Construction of Highway Roadbases JTG/T F20-2019主编单位:交通运输部公路科学研究院批准部门:中华人民共和国交通运输部实施日期: 2019 年08 月01 日ι9飞交通去版社肤彷有限芯'司标准类型:标准名称:标准编号:主编单位:责任编辑:出版发行:地址:网址:销售电话:总经销:经销:印刷:图书在版编目(CIP) 数据公路路面基层施工技术细则: JTG/T F20-2019 /交通运输部公路科学研究院主编. 北京: 人民交通出版社股份有限公司,2019. 7ISBN 978-7-114-12367-21 . ①公…II. ①交…皿①路面基层一道路工程工程施工技术规范N.( U416.2-65中国版本图书馆CIP 数据核字(2019 )第134419 号中华人民共和国行业推荐性标准公路路面基层施工技术细则JTG/T F20-2019交通运输部公路科学研究院吴有铭李农人民交通出版社股份有限公司(100011 )北京市朝阳区安定门外外馆斜街3 号http://ccpress.cOffi(010)59757973人民交通出版社股份有限公司发行部各地新华书店北京市密东印刷有限公司开本: 880 x 1230 1116印张: 5.5于.....数: 124 千版次: 2019 年7 月第l 版j;p 次: 2019 年7 月第l 次印刷书号: ISBN 978-7-114-12367-2:ii二『价: 45.00 元(有印刷、装订质量问题的图书,由本公司负责调换)中华人民共和国交通运输部公第21 号主七口交通运输部关于发布〈公路路面基层施工技术细则〉的公告现发布《公路路面基层施工技术细则~ (JTG/T F20- 20 15) ,作为公路工程行业推荐性标准,自2019 年8 月1 日起施行,原《公路路面基层施工技术规范~ (JTJ 034 -2000) 同时废止。
WORD格式公路路面基层施工技术规范JTJ034-93条文说明目录1.总则2.水泥稳定土2.1一般规定2.2材料2.3混合料组成设计2.4路拌法施工2.5中心站集中拌和(厂拌)法施工2.6养生及交通管制2.8其它3.石灰稳定土3.1一般规定3.2材料WORD格式2.7混合料组成设计2.8路拌法施工2.9中心站集中拌和(厂拌)法施工2.9养生及交通管制2.10其它4.石灰工业废渣稳定土3.3l一般规定4.2材料4.3混合料组成设计4.4路拌法施工4.5中心站集中拌和(厂拌)法施工4.7养生及交通管制4.8其它5.级配碎石5.1一般规定5.2材料5.3路拌法施工6.级配砾石6.1一般规定6.2材料2.10施工2.11填隙碎石3.4一般规定3.5材料3.6施工8.质量管理及检查验收4.6质量管理4.7检查验收附录A修订说明原中华人民共和国交通部部标准《公路路面基层施工技术规范》(以下简称原规范)是1986年10月1日由交通部批准实行的,编号JTJ034-85,实行6年多以来,对指导我国公路路面基层施工,保证路面质量起到了很大作用。
1991年交通部决定对原规范进行修订。
由交通部公路科学研究所负责修订工作。
对原规范的主要修订如下:1.为了适应我国高速公路和一级公路建设迅速发展的需要,本规范对原规范作了某些必要的补充和修改,如下:对于高速公路和一级公路,为了保证半刚性材料层与其下半刚性材料层之间不会留下素土夹层,除直接铺在土基上的半刚性材料层可以采用路拌法施工外,其上各个半刚性材料层都必须采用集中厂拌法施工。
这不是说对于二级公路不需要这样做,而是因为我国当前的机械水平还达不到二级公路的基层都用集中厂拌法施工,但在可能的情况下,也应采用厂拌法施工。
为了保证面层顶面的标高和面层的厚度,以及为了在开放交通后沥青面层的平整度不会较快变坏,高速公路和一级公路的基层混合科应使用摊铺机摊铺。
为了减少基层混合料在拌和、运输和摊铺过程中的粗细集料离析现象,减少拌和机和摊铺机的磨损,以及为使基层具有较高的平整度,将用作高速公路和二级公路的基层集料的最大粒径缩小到方孔筛30mm。
JTG_F10-2019_公路路基施⼯技术规范-80页word资料1 总则1.0.1为提⾼公路路基⼯程施⼯技术⽔平,保证施⼯质量,制定本规范。
1.0.2本规范适⽤于各级公路的新建和改(扩)建路基⼯程施⼯。
1.0.3公路路基应达到设计要求的强度、稳定性和耐久性。
1.0.4 公路路基施⼯,必须遵守国家安全⽣产法律法规,制定安全技术措施,加强安全管理,严格执⾏安全操作规程,确保安全施⼯。
1.0.5公路路基施⼯,必须遵守国家职业健康安全法律法规,健全职⼯健康安全保障体系,改善职业健康安全条件。
1.0.6公路路基施⼯必须遵守国家⽣态、环境保护、⼟地管理的有关法律法规,尽量保护原有植被地貌,防⽌噪⾳和粉尘污染,对于施⼯废弃物必须妥善处理。
1.0.7公路路基施⼯,必须遵守国家⽂物保护的法律法规,遇有⽂物时,应⽴即停⽌施⼯,并保护好现场,会同有关单位妥善处理。
1.0.8公路路基施⼯前,应进⾏施⼯组织设计。
1.0.9公路路基施⼯,在满⾜质量标准的前提下,⿎励采⽤新技术、新⼯艺、新材料和新设备。
1.0.10 特殊路段路基,宜进⾏动态施⼯。
1.0.11公路路基施⼯,除应符合本规范外,还应符合国家现⾏的有关标准和规范。
2 术语、符号2.1 术语2.1.1路床 Roadbed路⾯结构层底⾯以下0.80m范围内的路基部分,在结构上分为上路床(0~0.30m)和下路床(0.30~0.80m)。
2.1.2路堤 Embankment⾼于原地⾯的填⽅路基。
路堤在结构上分为上路堤和下路堤,上路堤是指路⾯底⾯以下0.80~1.50m范围内的填⽅部分;下路堤是指上路堤以下的填⽅部分。
2.1.3 路堑 Cutting低于原地⾯的挖⽅路基。
2.1.4填⽯路堤 Rock-fill embankment⽤粒径⼤于40mm且含量超过总质量70%的⽯料填筑的路堤。
2.1.5 ⼟⽯路堤 Earth-rock embankment⽯料含量占总质量30%~70%的⼟⽯混合材料修筑的路堤称为⼟⽯路堤。
公路路基施工技术规范2019路基是轨道或者路面的基础,是经过开挖或填筑而形成的土工构筑物。
路基的主要作用是为轨道或者路面铺设及列车或行车运营提供必要条件,并承受轨道及机车车辆或者路面及交通荷载的静荷载和动荷载,同时将荷载向地基深处传递与扩散。
在纵断面上,路基必须保证线路需要的高程;在平面上,路基与桥梁、隧道连接组成完整贯通的线路。
在土木工程中,路基在施工数量、占地面积及投资方面都占有重要地位。
本体路基本体包括用天然土、石所填筑的路堤和在天然地层中挖出的路堑,其轮廓及各部分名称如图1所示。
它直接支撑轨道,承受通过轨道的列车荷载,是路基的主体。
路基本体根据地质条件和填筑材料的不同,又可分为路堤、路堑、半路堤、半路堑、半堤半堑、不填不挖路基六种基本形式。
排水地面排水设备:用来将有可能停滞在路基范围以内的地面水迅速排除到路基以外,并防止路基以外的地面水流入路基范围,以免下渗浸湿路基土体或形成漫流冲刷路基边坡,如侧沟、排水沟、天沟等。
地下排水设备:根据水文和地质条件修筑于地面以下一定深度,用来截断、疏干、引出地下水或降低地下水位,以使路基及边坡保持干燥状态,提高土的稳固能力,如排水槽、渗水暗沟、渗井等。
防护坡面防护设备:用来防护易受自然作用破坏而出现坡面变形的土质边坡,如铺草皮、喷浆、抹面、护墙、护坡以及为防护崩塌落实而修建的拦截和遮挡建筑物,如明洞、棚洞。
冲刷防护设备:用来防护水流或波浪对路基的冲刷和淘刷,如铺草皮、抛石、石笼、圬工护坡、挡土墙、顺坝、挑水坝等。
支撑加固设备:用来支撑加固路基本体,以保证其稳固性,如挡土墙、支挡墙、支柱等。
防沙、防雪设施:用来防止风沙、风雪流掩埋路基,如各种栅栏、防护林等。
[2]。
1 总则1.0.2适用各等级新建或改建公路的路基施工。
1.0.3应满足设计要求的强度、稳定性和耐久性。
2 术语和符号2.1术语2.1.1路基按路线位置和一定的技术要求修筑的带状构造物,是路面的基础,承受由路面伟来的行车荷载。
2.1.2路床路面结构层以下0.8或1.2m范围的路基部分,分上下路床,上路床厚度0.3m,下路床轻、中、重交通的0.5m,特重、极重交通的0.9m(与06年版本根据交通量等级增加了下路床厚度,特重极重由0.5→0.9m)。
2.1.3路堤高于原地面的填方路基。
分上下路堤,上路堤是路床以下0.7m厚度范围的填方部分,下路堤是上路堤以下的部分(原规范路面底基层底面0.8~1.5m范围也属于上路堤)。
2.1.4路堑低于原地面的挖方路基。
2.1.5高路堤路基填土最大边坡高度大于20m的路堤。
2.1.6陡坡路堤地面斜坡陡于1:2.5的路堤。
2.1.7填石路堤用粒径大于40mm且含量超过总质量70%的石料填筑的路堤(又回到了圆孔筛)。
2.1.8土石路堤用石料含量30~70%的土石混合材料填筑的路堤。
2.1.9深挖路堑边坡高度超过20m的土质路堑或超过30m的岩石路堑。
2.1.10特殊路基位于特殊土地段、不良地质地段,受水、气候等自然因素影响强烈的路基。
2.2符号CBR-加州承载比CBRmax-最大加州承载比E0-路基回弹模量L0-路基顶面实测代表弯沉值3 施工准备3.1一般规定3.2施工测量3.3试验3.3.1路基施工前,应建立具备相应试验检测能力的工地试验。
3.3.2路基填前碾压前,对基底原状土进行取样试验,每公里不少于2点,并应根据土质变化增加取样点数。
3.3.3应对路堤填料进行取样试验,土的试验项目包括天然含水率、液限、塑限、颗粒分析、击实、CBR等,必要时还应做相对密度、有机质含量、易溶盐含量、冻胀和彭胀量等试验。
3.3.4使用特殊材料作为填料时,应按相关标准进行相应试验检验,经批准后方可使用。
公路⼯程标准体系结构2019年09月02日发布的公路路基施工技术规范(JTGT 3610 2019),作为公路工程行业标准,自2019年12月01日起施行。
属于公路工程标准体系的“建设”板块“施工”模块。
公路工程标准体系由总体、通用、公路建设、公路管理、公路养护、公路运营六个板块构成,包含255个标准。
一、总体板块总体板块是公路工程标准体系、标准管理及标准编制的总体要求,明确公路工程标准的定位,是公路工程标准管理及编写应执行的规定和要求。
包含6个标准。
二、通用板块通用板块是公路建设、管理、养护、运营所遵循的基本要求,明确公路建设、公路管理、公路养护和公路运营四个板块的共性功能、指标及相互关系, 共40个标准,包含基础模块(12个标准)、安全模块(15个标准)、绿色模块(6个标准)、智慧模块(7个标准)。
三、公路建设板块公路建设板块是实施公路新建和改扩建工程所遵循的技术和管理要求,共135个标准,项目管理模块(1个标准)、勘测模块(10个标准)、设计模块(78个标准)、通用图模块(3个标准)、试验模块(9个标准)、检测模块(4个标准)、施工模块(20个标准)、监理模块(1个标准)、造价模块(9个标准)。
四、公路管理板块公路管理板块是公路管理和运政执法所遵循的技术和管理要求,共4个标准,站所模块(1个标准)、信息系统模块(2个标准)、执法模块(2个标准)。
五、公路养护板块公路养护板块是公路既有基础设施维护所遵循的技术和管理要求,共47个标准,综合模块(16个标准)、检测评价模块(12个标准)、养护决策模块(1个标准)、养护设计模块(4个标准)、养护施工模块(8个标准)、养护施工模块(6个标准)。
六、公路运营板块公路运营板块是公路运营、出行服务和智能化所遵循的技术、管理和服务要求,共17个标准,运营监测模块(6个标准)、出行服务模块(3个标准)、收费服务模块(4个标准)、应急处置模块(2个标准)、车路协同模块(1个标准)、造价模块(1个标准)。
公路路面基层施工技术规范JTJ 034-93 条文说明目录1.总则2.水泥稳定土一般规定材料混合料组成设计路拌法施工中心站集中拌和(厂拌)法施工养生及交通管制其它3.石灰稳定土一般规定混合料组成设计路拌法施工中心站集中拌和(厂拌)法施工养生及交通管制其它4.石灰工业废渣稳定土一般规定材料混合料组成设计路拌法施工中心站集中拌和(厂拌)法施工养生及交通管制其它5.级配碎石一般规定材料路拌法施工6. 级配砾石一般规定施工7. 填隙碎石一般规定材料施工8.质量管理及检查验收质量管理检查验收附录A修订说明原中华人民共和国交通部部标准《公路路面基层施工技术规范》(以下简称原规范)是1986年10月1日由交通部批准实行的,编号JTJ034-85,实行6年多以来,对指导我国公路路面基层施工,保证路面质量起到了很大作用。
1991年交通部决定对原规范进行修订。
由交通部公路科学研究所负责修订工作。
对原规范的主要修订如下:1.为了适应我国高速公路和一级公路建设迅速发展的需要,本规范对原规范作了某些必要的补充和修改,如下:对于高速公路和一级公路,为了保证半刚性材料层与其下半刚性材料层之间不会留下素土夹层,除直接铺在土基上的半刚性材料层可以采用路拌法施工外,其上各个半刚性材料层都必须采用集中厂拌法施工。
这不是说对于二级公路不需要这样做,而是因为我国当前的机械水平还达不到二级公路的基层都用集中厂拌法施工,但在可能的情况下,也应采用厂拌法施工。
为了保证面层顶面的标高和面层的厚度,以及为了在开放交通后沥青面层的平整度不会较快变坏,高速公路和一级公路的基层混合科应使用摊铺机摊铺。
为了减少基层混合料在拌和、运输和摊铺过程中的粗细集料离析现象,减少拌和机和摊铺机的磨损,以及为使基层具有较高的平整度,将用作高速公路和二级公路的基层集料的最大粒径缩小到方孔筛30mm。
为了减轻水泥稳定级配集料的收缩性和增强其抗冲刷能力,当将其用作高速公路和一级公路的基层时,对原集料的颗粒组成范围提出了较严格的要求。
2.原规范中三类半刚性材料的强度标准是针对高速公路、一级公路、二级公路和三、四级公路分别提出的,即分为四个等级。
本规范将高速公路和一级公路归成一个等级,将二级和二级以下的公路归成另一个等级,并分别针对这两个不同等级规定了强度标准。
3.根据最新实践经验,对石灰粉煤灰集料混合料的7天龄期抗压强度作了适当调整。
为使各单位在使用《公路路面基层施工技术规范》时,正确理解和执行条文规定,按本规范的条款顺序对某些条款作了必要的条文说明。
1 总则1.0.l 实践证明,无论是对于沥青路面还是水泥混凝土路面,影响其使用性能和使用寿命的最关键因素是基层的材料和质量。
新建高速公路和其他公路产生的一些早期破坏都与基层质量不好有关。
1. 0. 3 在沥青路面结构层中有一层强度满足规定要求的无机结合料稳定材料层,且其厚度大于或等于15cm时,称半刚性路面。
其特性明显不同于全是柔性材料层的沥青路面。
1.0.4 有中央分隔带的高速公路称双幅高速公路,无中央分隔带的高速公路(先建了一半)称单幅高速公路。
1.0.6 用沥青碎石混合料和沥青贯入式碎石做基层时,其技术要求、施工方法和质量管理均与《沥青路面施工验收规范》GBJ92-93中的热拌沥青混合料和上拌下贯式路面中的下贯部分相同。
所以在本规范中不再列出。
国内以往习用的手摸片石、拳石和干压碎石等基层或底基层的技术性能不好,容易引起沥青面层出现不规则裂缝和形变以及平整度不好,影响路面使用质量和使用寿命。
因此,在等级公路上不应使用,本规范也不列出。
1.0.7 贫混凝土为以往的习惯名称。
在1986年的英国《公路工程技术规范》中称做湿贫混凝土,并分成4个等级,其相应的立方体试件(150×150×150mm)的7天龄期无侧限抗压强度等如下:标号7天抗压强度(Mpa)水灰比C10C15 12C20 15湿贫混凝土的施工与混凝土相同,其技术要求、施工方法和质量管理应符合国家标准GB97-94《水泥混凝土路面施工及验收规范》。
强度与上述湿贫混凝土相似的水泥稳定级配集料,有的国家称其为干贫混凝土,在上述英国规范中称水泥结材料,其施工方法和质量管理与本规范相同,英国水泥结材料也分成下列4个等级:标号立方体试件7天挤压强度(Mpa)拌和方法平均值单个值CBM1 >就地拌和或厂拌CBM2 7 >同上CBM3 10 >厂拌BM4 15 >10 厂拌在英国运输部1987年的部标准HD14/87《新路面结构设计》中,CBM1与湿贫混凝土可以互换用作底基层,CBM3与湿贫混凝土C15可以互换用作水混混凝土面板的基层。
1.0.8 考虑到当前正规设计的中级路面,过若干年后可能改建成沥青路面或水泥混凝土路面。
为使当前施工的中级路面的主要承重层在今后改建路面时可以直接用作基层或底基层,避免将整个路面翻起重新处治,所以中级路面的主要承重层应按本规范的规定实施。
对这种中级路面进行改建时,仅需将表面磨耗层铲除。
1.0.11 集料压碎值是一种较简单、方便和易于操作的试验。
集料压碎值的标准试验只需要一台能量400kN的压力机。
在不具备400kN压力机的工地,也可以用非标准试验,它只需要100kN的压力。
集料压碎值的试验精度高,通常只需要做两次试验,并取其平均值。
应采用检验沥青面层用碎石的压碎值的试验方法。
即在10min内将总荷载均匀地增加到400kN。
2 水泥稳定土2. 1 一般规定2.1.5 水泥稳定土有良好的板体性,它的水稳性和抗冻性都较石灰稳定土好。
水泥稳定土的初期强度高并且强度随龄期增长,它的力学强度还可视需要而调整。
它的7天龄期抗压强度小可小到1MPa以下,大可大到20MPa以上(如水泥混凝土)。
暴露的水泥稳定土易干缩和冷缩而产生裂缝。
因此,水泥稳定土可以在各种等级的公路上用作基层或底基层(参看附件)。
由于水泥土(含水泥石灰综合稳定土)有下述三个不利的特征,因此禁止用作高级沥青路面的基层,实际上,在水泥混凝土面板下也不宜应用,而只能用作底基层。
1.水泥土的干缩系数和干缩应变以及温缩系数都明显大于水泥砂砾和水泥碎石,水泥土容易产生严重的收缩裂缝,并影响沥青面层,使沥青路面增加不少裂缝。
试验表明,各自在最佳含水量下制成试件后,在空气中风干所达到的最大干缩应变,水泥土为2780~3950με,而水泥砂砾只有110~200με。
2.水泥土的强度没有充分形成时,如表面水由沥青面层渗入,水泥土基层的表层会发生软化。
即使是几毫米厚的软化层也会导致沥青面层龟裂破坏。
3.水泥土的抗冲刷能力明显小于水泥级配集料(简称水泥粒料)。
一旦表面水由沥青面层的裂缝或由水泥混凝土面板的接缝透入,容易产生冲刷现象,在沥青面层较薄的情况下,冲刷成的浆被唧出到表面,冲刷唧浆的结果是裂缝下陷和路面变形,裂缝两侧产生新的裂缝,见图。
等于设计强度R d。
2.3.3.8 表2.3.3-3中的最小剂量是根据拌和均匀性规定的。
意指,如材料组成设计所得水泥剂量少于表中的最小剂量, 则应按表采用最小剂量;但如材料组成设计所得水泥剂量大于表中的最小剂量,则应采用材料组成设计的结果。
路拌法施工2.4.2 所述准备工作是针对已破坏的土基、底基层或老路面的。
新路施工时,如路基、底基层、基层及面层的施工,采用大流水作业法,一个工种跟一个工种顺序推进,则准备工作可以大为缩减。
2.4.6 洒水闷料的目的是使水分在集料层内分布均匀并透入颗粒和大小土团的内部。
洒水闷料还可以减少拌和过程中的洒水次数和数量,从而缩短延迟时间。
这对稳定细粒土特别重要。
在采用高效率的路拌机械(如宝马拌和机)时,由于通常只需拌和两遍,为缩短延迟时间,闷料时可一次将水洒够。
但在采用普通路拌机械特别是农业机械拌和时,由于拌匀需要的时间长,闷料时所洒的水量宜较最佳含水量少2%~3%(主要对细粒土和含细土较多的粒料土)。
因为,水泥与潮湿土相接触,就要发生水化作用。
2.4.7 水泥摊铺均匀是水泥在混合料中分布均匀的前提。
只有在平整和具有一定密度的集料层上,人工摊铺水泥才能均匀。
因此,集料必须先摊平并用两轮压路机碾压1~2遍,这一条对稳定细粒土和人工摊铺粒料时尤为重要。
2. 4. 9 路拌法施工稳定土时,很关键的一点是拌和层底部不能留有素土夹层,特别在两层稳定土之间不能有素土夹层。
素土夹层不单使上下层间没有粘结,减少上层稳定土的厚度,明显减弱路面整体抵抗行车荷载的能力,在稳定细粒土的情况下,素土夹层还会由于含水量增大而变成软夹层,导致其上沥青面层过早破坏。
实践证明,即使使用进口的宝马拌和机,也难于避免在拌和层底部出现素土夹层,为消除素土夹层,某些工地在宝马拌和机后面跟着用多铧犁犁翻一遍,然后再用宝马拌和机拌和一遍。
用农用机械拌和时,既需要有拌和的机械,又需要有从底部将料翻起的机械。
由于农用机械的转速低和拌和深度浅,需特别注意拌和的均匀性。
用农用机械时,通常需要较多拌和遍数,因此还需特别注意延迟时间。
实践证明,用农用机械的拌和效果远不如用专用拌和机的拌和效果好。
2. 4. 10 应严格掌握混合料的含水量,碾压时混合料的含水量可以略大于(%~%)最佳含水量,是为了弥补碾压过程中水分的损失。
含水量过大,既会影响混合料可能达到的密度和强度,又会明显增大混合料的干缩性,使结构层容易产生干缩裂缝,含水量过小,也会影响混合料可能达到的密度和强度。
2.4.11 平地机整型易将粗骨料刮到表面,造成离析和粗细集料窝(或带),而且平地机来回刮平的次数愈多,离析现象可能愈严重。
形成的粗骨料窝或带,不能粘结成一整体,通车后容易引起沥青面层产生局部破坏,其危害较细集料窝更严重。
应设一小组负责平地机整型后的消除粗细集料窝或带的现象,例如:将粗集料铲除,换以新鲜的拌和均匀的混合料。
在整型过程中,严禁形成薄层贴补现象。
薄层贴补容易脱落和被推移,导致其上面层破坏。
因此,不能在表面光滑的低洼处填补新料。
2.4.13 稳定土施工中很重要的一环是处理好接缝。
接缝一定要垂直对接,不能斜接。
如果不按照规定做成垂直相接,接缝处就会成为一条薄弱带。
该薄弱带上沥青面层会很快龟裂破坏。
这种现象常见之于分两幅施工的半刚性路面沥青面层的纵向接缝处和某些横向接缝处。
2.5 中心站集中拌和(厂拌)法施工2. 5. 2 用连续式拌和机拌和水泥混合料时,所得混合料的颗粒组成取决于喂料斗中原集料的最大粒径和颗粒组成。
如原集料的最大粒径和颗粒组成不符合要求,则混合料的颗粒组成不可能符合要求。
2.5.4 如果细集料遭雨而含水量过大,细集料就不能顺利地从喂料斗中流出,直接影响配料的准确性。
2.5.8 同本条文说明2.4.11。
2.6 养生及交通管制2.6.1 水泥稳定土碾压结束后,通常应养生7天,待其达到一定强度后再施做下一道工序。