无线电调试工国家职业标准
- 格式:doc
- 大小:151.50 KB
- 文档页数:13
无线电设备机械装校工国家职业标准无线电设备机械装校工国家职业标准是指对于从事无线电设备机械装校工岗位工作的人员,所应具备的技能、知识和职业素养。
其中,包括无线电设备机械装配的基本知识、常规操作、安全管理和职业素养等方面。
本文将从职业标准所覆盖的类别、标准内容和实践应用等方面对该职业标准进行讨论。
一、职业标准所覆盖的类别针对无线电设备机械装校工这一特定职业,国家职业标准主要涉及以下方面:无线电设备机械装配的基本知识、常规操作、安全管理和职业素养等方面。
对应地,无线电设备机械装校工也需要具备无线电设备的相关知识和技能,并遵守有关于安全方面的规定。
二、标准内容1. 岗位要求:包括了该职业岗位所需的基本要求和职业发展方向,以及所需要达到的能力、知识和技能等方面。
2. 工作任务:包括了无线电设备机械装配的流程和操作,以及常见的设备故障排除和维修等方面。
3. 工作条件:包括了工作设备的要求、职业规划和职业发展空间等方面。
4. 职责与权利:包括了岗位职责说明、工作职责范围和工作责任规定等方面。
5. 评价要求:包括了考核标准和评价规定,综合评定无线电设备机械装校工的职业素养和技能水平。
三、实践应用无线电设备机械装校工国家职业标准的实践应用是指将该职业标准应用于无线电设备机械装校工的培训、考核和管理等方面,以提高无线电设备机械装校工的技能和素质。
在日常的工作中,无线电设备机械装校工需要根据职业标准的要求,进行常规运行、维护、维修和检修等工作,并充分保证工作安全性和稳定性。
综上,无线电设备机械装校工国家职业标准是规范该职业的标准,它不仅包括了无线电设备机械装配的基本知识、常规操作、安全管理和职业素养等方面的要求,同时也是无线电设备机械装校工实践应用的指导性文件。
通过对职业标准的普及和实践,能够提高无线电设备机械装校工的工作素质和职业素养,保障无线电设备和通讯系统的正常运行和维护。
浙江省2015年中等职业学校教师技能大赛无线电调试工(电子电路安装与测试方向)技术文件根据《浙江省教育厅关于开展2015年全省中等职业学校教师技能大赛的通知》精神,现制定2015年全省中职学校专业课教师无线电调试工(电子电路安装与测试方向)职业技能竞赛技术文件。
一、竞赛内容和方式本次竞赛为个人项目,即由1名选手完成竞赛任务。
竞赛内容包括理论知识和电子电路安装与测试操作两部分,其中理论知识成绩占30%,电子电路安装与测试操作成绩占70%。
电子电路安装与测试操作内容和要求以人力社保部制定的《国家职业标准》无线电调试工高级(国家职业资格三级)及以上为要求。
竞赛试题的评定项目均为满分100分。
(一)理论知识理论知识竞赛采用闭卷笔答方式进行,时间为60分钟。
理论知识竞赛命题范围以电工电子专业知识为主,相关基础知识为辅,包括部分“新知识、新技术、新工艺、新方法”内容。
题型为是非题、单项选择题、简答与计算题。
答题携带铅笔、黑色水笔、橡皮、简单绘图仪器等文具。
(二)电子电路安装与测试操作电子电路安装与测试操作在竞赛现场完成。
本次竞赛任务与电工电子专业实践教学内容、新技术应用和无线电调试工职业标准相结合,重点考查参赛选手在专业教学中教师的操作技能和职业素养,以及专业创新所应掌握的新技术、技能应用等方面的能力和水平。
(1)本次竞赛设备操作由1人按竞赛任务书要求完成竞赛任务。
(2)本次竞赛的设备操作时间为2小时。
(3)参赛选手在规定时间内,根据竞赛任务书的具体要求进行操作。
(4)参赛要求:①各参赛选手在赛前抽签决定竞赛场次和工位。
②参赛选手可选择自行携带工具(以下工具如果选手没有自带,则默认为愿意接受主办方提供的相应工具):热风枪、电烙铁、尖嘴钳、斜口钳、镊子、一字螺丝刀、十字螺丝刀等。
2.设备操作技术要点参赛选手在规定时间内,以现场操作的方式,根据赛场提供的工作任务书和相关资料,完成以下工作任务:(1)电子产品装配与检测根据赛场提供的电子产品套件和选手任务书要求,编制装配工艺卡片;在电路板(PCB板)上安装和焊接电子元器件及功能部件,完成电子产品装配(其中部分元器件的封装采用贴片焊接形式);使用提供的仪器设备进行元器件的测试和选择、完成电路检测、故障排除、参数调试和性能测试,记录测试结果。
中等职业教育无线电调试工(中级)课程标准一、适用对象中等职业教育层次学生。
二、课程性质本课程是中职电子专业的考工项目之一。
通过本课程的学习,使学生强化对电子测量调试仪器的操作技能,培养学生细心操作,认真分析的好习惯,以提高他们在就业时的竞争力。
三、参考学时三周共90课时。
四、课程目标✧按照无线电调试工大纲要求,掌握相应的电工基础知识和无线电专业基础知识。
✧能看懂稳压电源、收音机、黑白电视机等的电路原理图、装接图。
✧能按装接工艺要求组装。
并能检修排除常见故障。
✧熟练使用万用电表、毫伏表、数字频率计、双踪示波器、高低频信号发生器等常用电子仪器进行各种生产调试。
✧能进行电子产品调试、记录表格。
五、设计思路电子专业技能易学难精,故学生要进行多层次的练习,才能使技能得以巩固。
本课程中有关内容与无线电装接工相同,但着重点不同。
要求学生对学过练过的要有所提高。
本课程选取的练习项目还是遵循从易入手,逐步加深原则。
考虑要练习各种测量调试仪器操作,让学生在所选项目练习中由了解到熟练掌握。
六、内容纲要项目一、组装调试单级低频小信号放大电路1、参考学时✧7课时2、学习目标✧复习巩固电路装接技能。
✧初步掌握示波器的操作。
3、工作任务✧独立完成该电路元件的检测组装。
✧学习用稳压电源、万用表测试调整三极管的静态工作点。
✧学习用低频信号源、双踪示波器观察接入信号后电路的信号放大情况并记录。
4、相关实践知识✧识图、识元件、焊接✧掌握示波器、信号源等仪器的相关功能及操作注意事项。
项目二、组装调试直流稳压电源电路1、参考学时✧7学时2、学习目标✧进一步巩固电路组装技能。
✧巩固对示波器的常见功能的操作✧学习电路条件变化在测试中的影响。
3、工作任务✧对元器件进行检测并熟练完成电路的组装。
通电测量输出稳压值。
✧用毫伏表测量前后电路中的纹波电压,并用示波器进行观察并记录波形。
4、相关实践知识✧纹波电压的原理与测量项目三、OTL功放电路组装调试1、参考学时✧18学时2、学习目标✧巩固元器件的检测技能,强化识图读图的能力。
无线电调试工国家职业标准1.职业概况1.1 职业名称无线电调试工。
1.2 职业定义使用测试仪器调试无线电通信、传输设备、广播视听设备和电子仪器、仪表的人员。
1.3 职业等级本职业共设四个等级,分别为:中级(国家职业资格四级)、高级(国家职业资格三级)、技师(国家职业资格二级)、高级技师(国家职业资格一级)。
1.4 职业环境室内、外,常温。
1.5 职业能力特征具有较强的计算、分析、推理和判断能力;形体感、空间想象力强;手指、手臂灵活、动作协调性好。
1.6 基本文化程度高中毕业(或同等学历)。
1.7 培训要求1.7.1 培训期限全日制职业学校教育,根据其培训目标和教学计划确定。
晋级培训期限:中级不少于360标准学时;高级不少于280标准学时;技师不少于240标准学时;高级技师不少于200标准学时。
1.7.2 培训教师培训中级的教师应具有本职业高级以上职业资格证书或相关中级以上专业职务任职资格;培训高级的教师应具有本职业技师以上职业资格证书或相关专业高级专业技术职务任职资格;培训技师的教师应具有本职业高级技师职业资格证书或相关专业高级专业技术职务任职资格;培训高级技师的教师应具有本职业高级技师职业资格证书4年以上或相关专业高级专业职务任职资格。
1.7.3 培训场地设备理论知识培训在标准教室;技能操作培训在具有必备的教学设备、仪器、仪表、工具的技能训练场地。
1.8 鉴定要求1.8.1 适用对象从事或准备从事本职业的人员。
1.8.2 申报条件───中级(具备以下条件之一者)(1)连续从事或见习本职业工作5年以上(含5年),经本职业中级正规培训达规定标准学时数,并取得结业证书。
(2)连续从事本职业工作7年以上。
(3)取得经劳动保障行政部门审核认定的、以中级技能为培养目标的中等以上职业学校本职业(专业)毕业证书。
───高级(具备以下条件之一者)(1)取得本职业中级职业资格证书后,连续从事本职业工作4年以上,经本职业高级正规培训达规定标准学时数,并取得结业证书。
电子技术类国家职业标准目录家用电子产品维修工国家职业标准 (4)一、职业概况 (4)二、基本要求 (7)三、工作要求 (9)四、比重表 (15)无线电调试工国家职业标准 (17)一、职业概况 (17)二、基本要求 (21)三、工作要求 (22)四、鉴定比重 (27)电子设备装接工国家职业标准 (28)一、职业概况 (28)二、基本要求 (32)三、工作要求 (34)四、比重表 (38)维修电工国家职业标准 (40)一、职业概况 (40)二、基本要求 (45)三、工作要求 (47)四、比重表 (52)电子元器件检验员国家职业标准 (55)一、职业概况 (55)二、基本要求 (59)三、工作要求 (61)四、比重表 (64)通信设备检验员国家职业标准 (65)一、职业概况 (65)二、基本要求 (68)三、工作要求 (69)四、比重表 (71)液晶显示器件制造工国家职业标准 (71)一、职业概况 (71)二、基本要求 (76)三、工作要求 (77)四、比重表 (87)家用电子产品维修工国家职业标准一、职业概况1.1 职业名称家用电子产品维修工1.2 职业定义从事家用音频、视频、智能电子产品及相关配套设备调试及维修的人员。
1.3 职业等级国家职业资格五级:家用电子产品初级维修工国家职业资格四级:家用电子产品中级维修工国家职业资格三级:家用电子产品高级维修工国家职业资格二级:家用电子产品维修技师国家职业资格一级:家用电子产品维修高级技师1.4 职业环境条件室内,控制温度、湿度、噪声和背景亮度。
1.5 职业能力特征注意力、观察力、想象力、表达能力、逻辑判断能力、辨色能力、听力、计算能力、手指灵活性和动作协调性较强。
1.6 基本文化程度高中、中职毕业1.7 培训要求1.7.1 培训期限五级、四级均不少于280标准课时,三级、二级、一级均不少于300标准课时。
1.7.2 培训教师具有本职业三级以上职业资格(不少于一年)且至少高于培训目标一个等级,或具有相关专业中级以上专业技术职称;一级培训教师应具有本职业一级职业资格(不少于三年)或具有相关专业高级专业技术职称。
国家工种职业标准(1)无线电调试工初级无线电调试工中级无线电调试工(2)计算机辅助设计绘图员(电子)电子类中级鉴定标准及鉴定内容知识要求:1、掌握微机系统的基本组成及操作系统的一般使用知识;2、掌握基本电子电路及印刷电路板的基本知识。
3、掌握基本原理图、PCB图的生成及绘制的基本方法和知识;4、掌握复杂原理图、PCB图(如层次电路、单面板)的生成及绘制的方法和知识;5、掌握图形的输出及相关设备的使用方法和知识。
技能要求:1、具有基本的操作系统使用能力;2、具有基本原理图、PCB图的生成及绘制的能力;3、具有复杂原理图、PCB图(如层次电路、单面板)的生成及绘制的能力;4、具有图形的输出及相关设备的使用能力。
实际能力要求达到:能够使用电路的计算机辅助设计与绘图软件(Protel99)及相关设备以交互方式独立、熟练地绘制电路原理图,并用原理图生成PCB图。
鉴定内容:(一)文件操作调用已存在图形文件;将当前图形存盘;用绘图仪或打印机输出图形。
(二)、原理图、PCB图的生成及绘制1、电路原理图设计及绘制a、原理图的生成装载元件库、放置元器件、编辑元件、位置调整、放置电源与接地元件、线路连接、生成网络表b、绘图工具及元件库编辑器的使用编辑线、圆弧、圆、矩形、毕兹曲线等,会使用删除、恢复、剪切、复制、粘贴、阵列式粘贴等,对元件库进行管理、元件绘图工具的使用及创建新的原理图元件。
2、PCB图的设计与绘制a、制作印刷电路板设置电路板工作层面、设置PCB电路参数、规划电路板、元件自动布局、元件手动布局、自动布线、手工调整PCB绘图工具及元件封装编辑器的使用导线、焊盘、过孔、字符串、坐标、尺寸标注、圆弧和圆、填充、多边形等,元件封装管理、创建新的元件封装(5)电子仪器仪表装调工电子仪器仪表装调工一、工作要求2.1 “职业功能”、“工作内容”一览表2.2 各等级工作要求2.2.1 电子仪器仪表装调工(五级)2.2.2 电子仪器仪表装调工(四级)2.2.4 电子仪器仪表装调工(二级)(4)家用电子产品维修工基本要求2.1职业道德2.1.1职业道德基本知识2.1.2职业守则(1)遵守国家法律法规和有关规章制度。
无线电调试工国家职业标准2012-03-22 14:01无线电调试工国家职业标准1.职业概况1.1职业名称:无线电调试工1.2职业定义:使用测试仪器调试无线通信、传输设备,广播视听设备和电子仪器、仪表的人员。
1.3职业等级:本职业共设四个等级,分别为:中级(国家职业资格四级)、高级(国家职业资格三级)、技级(国家职业资格二级)、高级技师(国家职业资格一级)。
1.4职业环境:室内、外,常温。
1.5基本文化程度:高中毕业(或同等学历)。
1.6职业能力特征:具有较强的计算、分析、推理和判断能力;形体感、空间想像力强;手指、手臂灵活、动作协调性好。
1.7培训要求:1.7.1培训期限:全日制职业学校教育,根据其培养目标和教学计划确定。
晋级培训期限:中级不少于360标准学时;高级不少于280标准学时;技师不少于240标准学时;高级技师不少于200标准学时。
1.7.2培训教师:培训中级的教师应具有本职业高级以上职业资格证书或相关中级以上专业职务任职资格;培训高级的教师应具有本职业技师以上职业资格证书或相关专业高级专业技术职务任职资格;培训高级技师的教师应具有本职业高级技师职业资格证书4年以上或相关专业高级专业职务任职资格。
1.7.3培训场地设备:理论知识培训在标准教室;技能操作培训在具有必备的教学设备、仪器、仪表、工具的技能训练场地。
1.8鉴定要求:1.8.1适用对象:从事或准备从事本职业的人员。
1.8.2申报条件:——中级(具备以下条件之一者)(1)连续从事或见习本职业工作5年以上(含5年),经本职业中级正规培训达规定标准学时数,并取得结业证书。
.(2)连续从事本职业工作7年以上。
(3)取得经劳动保障行政部门审核认定的、以中级技能为培养目标的中级以上职业学校本职业(主那业)毕业证书。
——高级(1)取得本职业资格证书后,连续从事本职业工作4年以上,经本职业中级正规培训达到规定标准学时数,并取得结业证书。
(2)取得本职业中级职业资格证书后,连续从事本职业工作7年以上。
深圳职业技能鉴定无线电调试工考试大纲-深圳人力资源和社会1深圳市职业技能鉴定无线电调试工考核大纲1.职业概况1.1 职业名称:无线电调试工。
1.2 职业定义:使用测试仪器调试无线电通信、传输设备、广播视听设备和电子仪器、仪表的人员。
1.3 职业等级:本大纲设有三个等级,分别为:初级(国家职业资格五级)、中级(国家职业资格四级)、高级(国家职业资格三级)。
1.4基本文化程度:高中毕业(或同等学历)。
1.5培训期限要求:(全日制职业学校(或学院)教育,根据其培养目标和教学计划确定。
晋级培训期限:初级不少于300标准学时;中级不少于240标准学时;高级不少于200标准学时。
1.6报考条件参照《关于印发职业技能鉴定各职业报考条件的补充通知》(深职鉴办〔2013〕15号)执行1.7鉴定方式、鉴定时间鉴定方式分为理论知识考试和技能操作考核。
理论知识考试采用闭卷笔试方式,各等级理论知识考试时间均为120min;技能操作考核采用现场实际操作方式,各等级技能操作考核时间均为120min。
理论知识考试和技能操作考核均实现百分制,成绩皆达到60分以上者为合格。
技师和高级技师还须进行综合评审。
1.8考评人员与考生配比理论知识考试考评人员与考生配比为1:20,每个标准教室不少于2名考评人员;技能操作考核考评员与考生配比为1:5,且不少于3名考评员。
2.基本要求2.1职业道德基本知识、职业守则要求、相关法律与法规知识2.2.1 职业道德基本知识、职业守则(1)忠于职守,爱岗敬业(2)精心操作,爱护设备(3)团结协作,尊师爱徒(4)努力学习,钻研创新(5)遵纪守法,热心服务2.2.2相关法律与法规知识(1)劳动法的相关知识(2)标准化法的相关知识(3)环境保护法的相关知识(4)计量法的相关知识(5)产品质量法的相关知识2.2基础理论知识2.2.1 常用电子元器件基本知识(1)电阻、电感、电容、变压器等的基本性能与检测方法(2)二极管、三极管、场效应管和集成电路的基本特性、主要参数与检测方法(3)常用接插件、开关的种类与特点2.2.2 电工基本知识(1)电流、电位、电动势、电压、电功率的基本概念(2)直流电路电流、电压的计算方法(3)正弦交流电的概念及表示法(4)电路的分析与计算方法(5)串联、并联谐振电路的概念及基本特性2.2.3 电子技术基本知识(1)放大电路的组成及工作原理(2)功率放大器的类型及特点(3)集成运算放大器的特点及应用(4)直流稳压电源电路的组成及工作原理(5)脉冲与数字电路基本知识(6)组合逻辑电路及原理(7)时序逻辑电路及原理2.2.4 机械、电气识图基本知识(1)机械识图知识(2)电气识图知识2.2.5 电工、无线电测量基础知识(1)电工测量仪表知识(2)测量及误差基本知识2.2.6 单片机应用基础知识(1)单片机基本结构(2)单片机应用技术2.3专业知识2.3.1 音响系统组成与工作原理2.3.2 彩色电视机组成与工作原理2.3.3 激光视听设备组成与工作原理2.3.4数字录像机组成与工作原理2.4专业相关知识2.4.1 调试工艺基本知识(1)调试工艺文件(2)调试工艺环境设置(3)电子产品一般调试方法2.4.2 调试仪器仪表的使用(1)万用表的功能和使用方法(2)示波器的功能和使用方法(3)扫频仪的功能和使用方法(4)信号发生器的功能和使用方法2.4.3电子产品装接质量(1)电磁兼容、电磁干扰基本知识(2)电子元器件的拆装和焊接方法(3)安装连接结构要求2.5质量管理知识:质量方针、岗位质量要求、岗位的质量保证措施与责任。
计算机通信网络设备调试员国家职业标准计算机通信网络设备调试员是一个十分重要的职业,其主要职责是使用专业的技能和知识,进行计算机通信网络设备的故障调试、维修和管理。
其职业标准的制定是为了确保职业者具备标准化的素质和技能,为其职业发展提供基础。
计算机通信网络设备调试员国家职业标准是一个由国家职业资格鉴定中心制定的标准,其可以用于教育培训、职业鉴定和用人单位的招聘等。
该标准覆盖了计算机通信网络设备调试员的职业特点、职业能力要求、职业素质和职业技能等方面。
首先,该标准对计算机通信网络设备调试员的职业特点进行了详细的描述。
在职业特点方面,该标准强调了计算机通信网络设备调试员需要熟悉计算机和网络等相关知识,具备工程师思维和良好的沟通协调能力等。
这些特点可以为从事计算机通信网络设备调试员的职业者提供指导,培养其特点优势,从而更好地完成职业任务。
其次,该标准对计算机通信网络设备调试员的职业能力要求进行了明确的规定。
在职业能力方面,该标准包括专业能力、实践能力和管理能力等方面的规范要求,这些能力可以帮助职业者更好地完成与职位相关的工作任务,提高自身素质和竞争力。
另外,该标准还对计算机通信网络设备调试员的职业素质进行了明确的规定。
在职业素质方面,该标准涵盖了职业道德和行为规范、人际交往能力、团队合作精神和自我管理等方面。
这些素质的要求可以培养出素质高、能力强、品质优的计算机通信网络设备调试员。
最后,该标准还规范了计算机通信网络设备调试员所需的职业技能。
在职业技能方面,该标准要求职业者掌握计算机组成原理和计算机操作系统、网络协议与服务、网络安全技术与应用和网络设备维护与管理等技能。
这些技能的掌握可以帮助职业者更加高效地完成职业任务,推动职业发展。
总体来看,计算机通信网络设备调试员国家职业标准是非常重要的,其通过规范职业者的职业素质、职业特点、职业能力和职业技能,为职业者提供了更具体、更科学的指导。
在今后的职业发展过程中,职业者可以通过遵守标准的规定,不断提高自身的素质和能力,更好地适应职业发展的需要。
第四届山东省技工院校技能大赛无线电调试工职业竞赛技术文件学生高级组第四届山东省技工院校技能大赛组委会二〇一二年六月目录一、竞赛技术文件制定标准 (3)二、竞赛内容、形式和成绩计算 (3)三、命题原则 (3)四、竞赛范围、比重、类型及其它 (3)五、竞赛规则 (13)注:1.本竞赛技术文件如有更新,将在大赛网站()上及时公布,请注意上网查询。
2.本竞赛技术文件最终解释权归第四届山东省技工院校技能大赛组委会。
一、竞赛技术文件制定标准无线电调试工职业以《无线电调试工国家职业技能标准》(高级)、《维修电工国家职业技能标准》(高级)为基础,结合技工院校教学大纲制定。
二、竞赛内容、形式和成绩计算(一)竞赛内容本次竞赛内容包括理论知识和实际操作两部分。
(二)竞赛形式无线电调试工职业由每位参赛学生独立完成规定的工作任务。
(三)成绩计算理论知识竞赛试卷满分为100分,按照30%折算计入竞赛总成绩;实际操作竞赛满分为100分,按照70%折算计入竞赛总成绩;理论知识竞赛成绩与实际操作竞赛成绩经折算后相加得出竞赛总成绩。
三、命题原则依据国家职业技能标准,注重基本技能,体现现代技术,结合生产实际,考核职业综合能力,并对技能人才培养起到示范指导作用。
四、竞赛范围、比重、类型及其它(一)理论知识竞赛1.竞赛范围(1)基础知识电路基础知识:电路的基本概念和基本定律、交直流电路分析、谐振与互感电路、周期性非正弦波电路、变压器、交直流电动机、磁场与电磁感应、动态电路时域分析。
计算机基础知识:计算机基础、Protel DXP。
(2)专业知识①电子电路知识:模拟电子电路:基本放大电路、负反馈放大电路、集成运算放大电路、稳压电源电路、晶闸管及整流电路、信号的产生与整形电路、功率放大电路。
数字逻辑电路:集成门电路、触发器、组合逻辑电路、时序逻辑电路、脉冲信号的产生与整形电路、A/D与D/A转换器、数字显示电路。
②电子测量知识:电压、电流、频率、功率等电量的测量、常用传感器的使用、误差分析。
【最新资料,Word版,可自由编辑!】1.职业概况1.l 职业名称:电源调试工。
1.2 职业定义:使用调试设备和仪器、仪表等,调试用于电子设备的电源产品的人员。
1.3 职业等级:本职业共设五个等级,分别为:初级(国家职业资格五级)、中级(国家职业资格四级)、高级(国家职业资格三级)、技师(国家职业资格二级)、高级技师(国家职业资格一级)。
1.4 职业环境:室内、常温。
1.5 职业能力特征:有一定的分析、判断和推理能力,有一定的形体知觉能力,手指、手臂灵活,动作协调。
1.6 基本文化程度:高中毕业(或同等学历)。
1.7 培训要求:1.7.l 培训期限:全日制职业学校教育,根据其培养目标和教学计划确定。
晋级培训期限:初级不少于300标准学时;中级不少于300标准学时;高级不少于150标准学时;技师不少于150标准学时;高级技师不少于150标准学时。
1.7.2 培训教师:培训初、中、高级的教师应具有本职业技师及以上职业资格证书或相关专业中级及以上专业技术职务任职资格;培训技师的教师应具有本职业高级技师职业资格证书或相关专业高级专业技术职务任职资格;培训高级技师的教师应具有本职业高级技师职业资格证书3年以上或相关专业高级专业技术职务任职资格。
1.7.3 培训场地要求:理论培训场地应具有可容纳20名以上学员的标准教室,并配备示教设备。
实际操作培训场所应是具备必要教学设备、测试仪器仪表及工具的实践场所。
1.8 签定要求1.8.1 适用对象:从事或准备从事本职业的人员。
1.8.2 申报条件——初级(具备下列条件之一者)(1)经本职业初级正规培训达规定标准学时数,并取得结业证书。
(2)在本职业连续见习工作2年以上。
——中级(具备以下条件之一者)(1)取得本职业初级职业资格证书后,连续从事本职业工作3年以上,经本职业中级正规培训达规定标准学时数,并取得结业证书。
(2)取得本职业初级职业资格证书后,连续从事本职业工作5年以上。
无线电装接工国家职业标准1.职业概况1.1 职业名称电子设备装接工。
1.2 职业定义使用设备和工具装配\焊接电子设备的人员。
1.3 职业等级本职业共设五个等级,分别为:初级(国家职业资格五级)、中级(国家职业资格四级)、高级(国家职业资格三级)、技师(国家职业资格二级)、高级技师(国家职业资格一级)。
1.4 职业环境室内、外,常温。
1.5 职业能力特征具有较强的计算机能力和空间感、形体知觉。
手臂、手指灵活,动作协调。
色觉、嗅觉、听觉正常。
1.6 基本文化程度初中毕业(或同等学历)。
1.7 培训要求1.7.1 培训期限全日制职业学校教育,根据其培养目标和教学计划确定晋级培训期限为:初级不少于480标准学时;中级不少于360标准学时;高级不少于280标准学时;技师不少于240标准学时、高级技师不少于200标准学时。
1.7.2 培训教师培训初、中、高级的教师应具有本职业技师职业资格证书或相关专业中级以上专业技术职务资格;培训技师的教师应具有本职业高级技师职业资格证书或相关专业高级专业技术职务任职资格;培训高级技师的教师应具有本职业高级职业高级技师职业资格证书三年以上或相关专业高级专业技术职务任职资格。
1.7.3 培训场地设备理论培训场地应具有可容纳20名以上学员的标准教室,并配备合适的示教设备。
实际操作培训场所应具有标准、安全工作台及各种检验仪器、仪表等。
1.8 鉴定要求1.8.1 适用对象从事或准备从事本职业的人员。
1.8.2 申报条件——初级(具备以下条件之一者)(1)本职业初级正规培训达规定标准学时数,并取得结业证书;(2)在本职业连续从事或见习工作2年以上。
——中级(具备以下条件之一者)(1)取得本职业初级职业资格证书后,连续从事本职业工作3年以上,经本职业中级正规培训达到规定标准学时数,并取得结业证书。
(2)取得本职业初级职业资格证书后,连续从事本职业工作5年以上。
(3)连续从事本职业工作7年以上。
有线电视网络设备调试员国家职业标准1.职业概况1.1职业名称:有线电视网络设备调试员1.2 职业定义:使用工具和设备对有线广播电视网络和设备进行安装、调试的人员。
1.3 职业等级:本职业共设4个等级,分别为:初级(国家职业资格五级)、中级(国家职业资格四级)、高级(国家职业资格三级)、技师(国家职业资格二级)。
1.4 职业环境:室内,外1.5 基本文化程度:初中毕业1.6 职业能力特征:具有一定的表达能力,色觉、听觉正常,手指、手臂灵活,动作协调。
1.7 培训要求1.7.1 培训期限:全日制职业学校教育,根据其培养目标和教学计划确定。
晋级培训期限:初级不少于120标准学时;中级不少于120标准学时;高级不少于160标准学时;技师不少于160标准学时。
1.7.2 培训教师:培训初、中级人员的教师应具有高级职业资格证书或具有本专业(或相关专业)中级以上专业技术职务任职资格;培训高级人员、技师的教师应具有技师职业资格证书2年以上或具有本专业(或相关专业)高级专业技术职务任职资格。
1.7.3 培训场地设备:理论培训场地应具有可容纳20名以上学员的标准教室,并配备示教设备。
实际操作培训场所应为具有网络设备和仪器实践场所。
1.8 鉴定要求1.8.1 适用对象:从事或准备从事本职业的人员。
1.8.2 申报条件——初级(具备以下条件之一者)(1)经本职业初级正规培训达规定标准学时数,并取得结业证书。
(2)在本职业连续见习工作2年以上。
(3)本职业学徒期满——中级(具备以下条件之一者)(1)取得本职业初级职业资格证书后,连续从事本职业工作3年以上,经本职业中级正规培训达到规定标准学时数,并取得毕结业证书。
(2)取得本职业初级职业资格证书后,连续从事本职业工作5年以上。
(3)连续从事本职业工作7年以上。
(4)取得经劳动保障行政部门审核认定的、以中级技能为培养目标的中等以上职业学校本职业(专业)毕业证书。
——高级(具备以下条件之一者)(1)取得本职业中级职业资格证书后,连续从事本职业工作4年以上,经本职业高级正规培训达规定标准学时数,并取得毕结业证书。
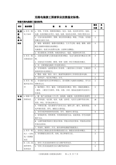
无线电装接工国家职业标准
1.8.5鉴定时间
理论知识考试时间不少于90分钟。
技能操作考核;初级不少于180分钟;中级、高级、技师及高级技师不少于240分钟。
综合评审时间不少于30分钟。
1.8.6 鉴定场所设备
理论知识考试在标准教师进行。
技能操作考核在配备有必要的工具和仪器、仪表设备及设施,通风条件良好,光线充足,可安全用电的工作场所进行。
2.基本要求
2.1 职业道德
2.1.1 职业道德基本知识
2.1.2 职业守则
(1)遵守国家法律、法规和有关规定;
(2)爱岗敬业、具有高度责任心;
(3)严格执行工作程序、工作规范、工艺文件、设备维护和安全操作规程,保质保量和确保设备、人身安全;
(4)按户设备及各种仪器、仪表、工具和设备;
(5)努力学习,钻研业务,不断天高理论水平和操作能力;
(6)谦虚谨慎,团结协作,主动分配;
(7)听从领导,服从分配。
2.2 基础知识
2.2.1 基本理论知识
(1)机械、电气识图知识;
(2)常用电工、电子元器件基础知识;
(3)常用电路基础知识;
(4)计算机应用基本知识;
(5)电气、电子测量基础知识;
(6)电子设备基础知识;
(7)电气操作安全规程知识;
(8)安全用电知识。
3.1
4. 比重表4.1
4.2 技能操作。
电子行业特有工种国家职业标准无线电调试工
信息产业部电子行业第十四职业技能鉴定站
内容提要
本《标准》是根据信息产业部电子行业职业技能鉴定指导中心最新汇编的“电子行业特有工种国家职业标准”的一种。
本《标准》涵盖了中级(国家职业资格二级)、高级(国家职业资格三级)、技师(国家职业资格二级)和高级技师(国家职业资格一级)四个等级,对本工种的职业概况、基本要求作了具体的描述,并对各等级的工作要求、理论知识与操作技能的比重都作了严格的标准限制。
本《标准》适用于各级考核鉴定机构的培训教师和具有参加相应等级资格的考生,对于各类职业技术院校师生、相关专业技术人员有重要的参考价值。
出版说明
根据《中华人民共和国劳动法》的有关规定, 为了进一步完善国家职业标准体系, 为职业教育培训提供科学、规范的依据, 劳动和社会保障部组织有关专家, 制定了《无线电调试工国家职业标准》(以下简称《标准》)。
一、本《标准》以《中华人民共和国职业分类大典》为依据, 以客观反映现阶段本职业的水平和对从业人员的要求为目标, 在充分考虑经济发展、科学进步和产业结构变化对本职业影响的基础上, 对职业的活动范围、工作内容、技能要求和知识水平都作了明确规定。
二、本《标准》的制定遵循了有关技术规程的要求, 既保证了《标准》体例的规范, 又体现了以职业活动为导向、以职业技能为核心的特点, 同时也使其有根据科技发展进行调整的灵活性和实用性, 符合、鉴定和就业工作的需要。
三、本《标准》依据有关规定将本职业分为四个等级, 包括职业概况、基本要求、工作要求和比重表四个方面的内容。
四、本《标准》是在各有关专家和实际工作者的共同努力下完成的。
参加编写的主要人员有:李士宽、黄珀、任炳礼、雷正生、徐卫人、陈衍洪、王伍顺、沈百谓。
本《标准》在制定过程中, 得到劳动和社会保障部培训就业司、职业技能鉴定指导中心、信息产业部电子行业职业技能鉴定指导中心、信息产业部电子行业第一职业技能鉴定站、信息产业部电子行业第十四职业技能鉴定站及北广电子集团等有关单位的大力支持, 并提出了宝贵意见,在此一并致谢。
五、本《标准》业经劳动和社会保障部批准, 自2005年2月22日起施行。
无线电调试工国家职业标准
1. 职业概况
1.1职业名称
无线电调试工
1.2 职业定义
使用测试仪器调试无线电通信、传输设备、广播视听设备和电子仪器、仪表的人员。
1.3 职业等级
本职业共设五个等级,分别为:初级(国家职业资格五级)、中级(国家职业资格四级)、高级(国家职业资格三级)、技师(国家职业资格二级)、高级技师(国家职业资格一级).
1.4职业环境
室内、外,常温。
1.5职业能力特征
具有较强的计算、分析、推理和判断能力;形体感、空间想象力强;手指、手臂灵活、动作协调性好。
1.6 基本文化程度
高中毕业(或同等学历)。
1.7 培训要求
1.7.1培训期限
全日制职业学校教育,根据其培养目标和教学计划确定。
晋级培训期限:中级不少于360标准学时;高级不少于280标准学时;技师不少于240标准学时;高级技师不少于200标准学时。
1.7.2 培训教师
培训中级的教师应具有本职业高级以上职业资格证书或相关中级以上专业职务任职资格;培训高级的教师应具有本职业技师以上职业资格证书或相关专业高级专业技术职务任职资格;培训技师的教师应具有本职业高级技师职业资格证书或相关专业高级专业技术职务任职资格;培训高级技师的教师应具有本职业高级技师职业资格证书4年以上或相关专业高级专业技术职务任职资格。
1.7.3 培训场地设备
理论知识培训在标准教室;技能操作培训在具有必备的教学设备、仪器、仪表、工具的技能训练场地。
1.8 鉴定要求
1.8.1 适用对象
从事或准备从事本职业的人员。
1.8.2 申报条件
——初级(具备以下条件之一者)
(1)本职业初级培训达到标准学时数,并取得相应毕(结)业证书;
(2)本职业试用见习期满的员工
——中级(具备以下条件之一者)
(1)连续从事或见习本职业工作5年以上(含5年),经本职业中级正规培训达规定标准学时数,并取得结业证书。
(2)连续从事本职业工作7年以上。
(3)取得经劳动保障行政部门审核认定的、以中级技能为培养目标的中等以上职业学校本职业(专业)毕业证书。
——高级(具备以下条件之一者)
(1)取得本职业中级职业资格证书后,连续从事本职业工作4年以上,经本职业高级正规培训达规定标准学时数,并取得结业证书。
(2)取得本职业中级职业资格证书后,连续从事本职业工作7年以上。
(3)取得经劳动保障行政部门审核认定的、以高级技能为培养目标的高等职业学校本职业(专业)毕业证书。
(4)取得本职业中级职业资格证书的大专以上本专业或相关专业毕业生,连续从事本职业工作2以上。
——技师(具备以下条件之一者)
(1)取得本职业高级职业资格证书后,连续从事本职业工作5年以上,经本职业技师正规培训达规定标准学时数,并取得结业证书。
(2)取得本职业高级职业资格证书后,连续从事本职业工作8年以上。
(3)取得本职业高级职业资格证书的高级技工学校本职业(专业)毕业生,连续从事本职业满3年。
(4)取得本职业高级职业资格证书的相关专业高等职业学校毕业生,连续从事本职业(专业)工作2年以上
——高级技师(具备以下条件之一者)
(1)取得本职业技师职业资格证书后,连续从事本职业工作3年以上,经本职业高级技师正规培训达规定标准学时数,并取得结业证书。
(2)取得本职业技师职业资格证书后,连续从事本职业工作5年以上。
1.8.3 鉴定方式
分为理论知识考试和技能操作考核。
理论知识考试采用闭卷笔试方式,技能操作考核采用现场实际操作方式。
理论知识考试和技能考核均实行百分制,成绩达到60分以上者为合格。
技师、高级技师还须进行综合评审。
1.8.4 考评人员与考生配比
理论知识考试考评人员与考生配比为1:20,每个标准教室不少于2名考评人员;技能操作考核考评员与考生配比为1:5,且不少于3名考评员;综合评审委员不少于5人。
1.8.5 鉴定时间
各等级理论知识考试时间不少于90分钟;各等级技能操作考核按实际需要规定,考核时间不少于120分钟,综合评审时间不少于30分钟。
1.8.6 鉴定场所设备
理论知识考试在标准教室进行;技能操作考核在具有调试仪器、仪表和调试样机的现场进行。
2.基本要求
2.1 职业道德;
2.1.1 职业道德基本知识。
2.1.2 职业守则:
(1)遵守国家法律、法规和有关规章制度。
(2)热爱本职工作,刻苦钻研技术。
(3)遵守劳动纪律,爱护仪器、仪表与工具设备,安全文明生产。
(4)谦虚谨慎,团结协作,主动配合。
(5)服从领导、听从分配。
2.2 基础知识
2.2.1 专业基础知识
(1)机械、电气识图知识。
(2)常用电工、电子元器件基础知识。
(3)电工基础知识。
(4)模拟电路基础知识。
(5)脉冲数字电路基础知识。
(6)电子技术基础知识。
(7)电工、无线电测量基础知识。
(8)计算机应用基本知识。
(9)电子设备基础知识。
(10)安全用电知识。
2.2.2 相关法律、法规知识
(1)《中华人民共和国质量法》的相关知识。
(2)《中华人民共和国标准化法》的相关知识。
(3)《中华人民共和国环境保护法》的相关知识。
(4)《中华人民共和国计量法》的相关知识。
(5)《中华人民共和国劳动法》的相关知识。
工作要求
本标准对中级、高级、技师和高级技师的技能要求依次递进,高级别涵盖低级别的要求
3.5高级技师
4、比重表。