工程质量检查记录(评分表)
- 格式:doc
- 大小:224.00 KB
- 文档页数:5
市公路管理局中心试验室工程质量鉴定检查外观质量检查记录评分表工程质量鉴定业资料审查记录评分表四、业资料审查业资料主要审查以下质量保证资料:1.所用原材料、半成品和成品质量检验结果。
2.材料配比、拌和加工控制检验和试验数据。
3.地基处理、隐蔽工程施工记录和大桥、隧道施工监控资料。
4.各项质量控制指标的试验记录和质量检验汇总图表。
5.施工过程中遇到的非正常情况记录及其对工程质量影响分析。
6.施工过程中如发生质量事故,经处理补救后,达到设计要求的认可证明文件。
7.中间交工验收资料。
8.施工过程各方指出较大质量问题、交工验收遗留问题及试运营期出现的质量问题处理情况资料。
分部工程、单位工程、合同段工程和建设项目质量鉴定表分别见表1-1至表1-4。
业资料要求及扣分标准如下:1.质量保证资料及最基本的数据、资料齐全后方可组织鉴定。
2.资料应真实、可靠,应有施工过程中的原始记录、原始资料(原件),不应有涂改现象,有欠缺时扣2-4分。
3.资料应齐全、完整,有欠缺时扣1-3分。
4.资料应系统、客观,反映出检查项目、频率、质量指标满足有关标准、规要求,有欠缺时扣1-3分。
5.资料记录应字迹清晰、容详细、计算准确,整理应分类编排、装订整齐,有欠缺时扣1-2分。
6.基本数据(原材料、标准试验、工艺试验等)、检验评定数据有严重不真实或伪造现象的,在合同段扣5分。
五、工程质量检测意见、项目检测报告、质量鉴定报告容质量监督机构的检测意见、项目检测报告、质量鉴定报告应在对检测结果分析的基础上提出。
工程质量检测意见主要包括:检测工作是否完成,指出工程质量存在的缺陷,交工验收前需完善的问题,主要意见。
项目检测报告主要包括:检测结果及工程质量的基本评价,工程质量存在的主要问题和缺陷,工程质量是否具备试运营条件。
质量鉴定报告主要包括:鉴定工作依据,抽查项目检测数据、外观检查、业资料审查及复测部分指标情况,交工验收提出的质量问题、质量监督机构指出的问题及试运营期间出现的质量缺陷等的处理情况,鉴定评分及质量等级。
中建四局第五建筑工程有限公司ZHONGJIANSIJUDIWUJIANZHUGONGCHENGYOUXIANGONGSI地基及桩基工程质量检查评分表工程名称施工阶段层数检查日期施工单位检查部位建筑面积检查单位序号检查项目应得分实得分1资料材料合格证及进场验收记录有完善的材料、半成品进场检验签收制度(对钢筋、水泥、砼等主材应包括验收内容)。
10每批进场的材料、半成品应严格按进场检验签收制度进行验收,材料、半成品进场时必须附有齐全、有效的产品合格证、出厂检验报告等各项质量保证资料,复试或复检报告完整,并有验收记录。
10 施工记录技术交底10周质量检查记录15验槽、钎探施工记录15灌注桩成孔记录、钢筋笼、砼灌注施工记录10机械成孔记录、钢筋笼、砼灌注施工记录(10)检验批工程质量验收记录10 施工试验钢筋连接试验报告10砼试件强度试验报告10打(压)桩试桩记录及施工记录(10)合计1002 实测实量桩成孔垂直度﹤0.5% 50 孔桩位置50mm 50合计1003 观感很好好较好中一般差应得分实得分复合地基、标高、表面平整度50桩头、桩顶、标高、场地平整50合计100检查结果资料:评分= ×35=100实测实量:评分= ×35=100观感:评分= ×30=100评定结果:评定人:检查组负责人:项目经理:。
附录C建筑施工质量检查评分汇总表表C 建筑施工质量检查评分汇总表单位:第公司项目名称:检查日期:年月日附录D 建筑工程施工质量月检评分与罚款表试行表D1 质量管理单位:第公司项目名称:检查日期:年月日检查人:被检查人:审核人:批准人:表D2 土方回填单位:第公司项目名称:检查日期:年月日表D3 砌筑工程单位:第公司项目名称:检查日期:年月日检查人:被检查人:审核人:批准人:表D4 钢筋工程单位:第公司项目名称:检查日期:年月日表D5 模板工程单位:第公司项目名称:检查日期:年月日检查人:被检查人:审核人:批准人:表D6 混凝土工程单位:第公司项目名称:检查日期:年月日检查人:被检查人:审核人:批准人:表D7 外墙保温工程单位:第公司项目名称:检查日期:年月日检查人:被检查人:审核人:批准人:表D8 门窗与幕墙工程单位:第公司项目名称:检查日期:年月日检查人:被检查人:审核人:批准人:表D9 装饰工程单位:第公司项目名称:检查日期:年月日检查人:被检查人:审核人:批准人:表D10 楼梯栏杆和扶手单位:第公司项目名称:检查日期:年月日检查人:被检查人:审核人:批准人:表D11 屋面与防水工程单位:第公司项目名称:检查日期:年月日表D12 给水安装工程检查人:被检查人:审核人:批准人:表D13 排水安装工程检查人:被检查人:审核人:批准人:表D14 电气工程单位:第公司项目名称:检查日期:年月日检查人:被检查人:审核人:批准人:表D15 标准员配备与管理仅限于青岛市辖区内的工程检查人:被检查人:审核人:批准人:。
建筑工程质量检查评分表建筑工程质量检查评分表本评分表用于对建筑工程的结构实体质量进行评价。
评分采用得分率表示,先计算每大项的应得分和实得分,再计算本次检查的应得分和实得分,最后计算得分率。
结构实体检查项目包括施工技术资料、观感、结构构件实测实量、混凝土强度和钢筋的混凝土保护层厚度检验,作业面和后浇带钢筋工程,模板和支撑六大项。
每大项中包含若干子项。
第二次检查时,不再检查前次检查的资料和工程部位。
在结构检查时,针对每个子项进行扣分,子项实得分最高为应得分(满分),最低可以为负数。
根据每个子项实得分统计每大项的实得分,每大项的实得分若出现负数,按零分考虑。
大项或子项若没有检查,该大项或子项的应得分和实得分皆为零。
每个子项的扣分标准一般情况下应按表中规定执行,特殊情况下经检查组全体人员研究后可进行局部调整。
对于表中未列出的质量缺陷,可视严重程度参照表中其它缺陷的权重予以扣分。
一个项目的检查人员为4~5人,检查时间为半天~一天,检查数量一般为:钢筋分项,1个检验批;现浇结构分项,2~4个检验批;模板和支撑,1个检验批;实测实量,每项10~30点;混凝土强度回弹2层,每层8个构件,每个构件2个测区;钢筋保护层厚度量测,5~10个构件;后浇带和预留洞,5~10个;楼板厚度检验,5~10处。
检查所用的工具、仪器为:卷尺、卡尺、钢尺、吊线、2m靠尺、塞尺、小锤、回弹仪、钢筋探测仪等。
结构实体质量评价是在质量合格的基础上进行的。
在检查中发现结构实体质量不合格时,本标准的评价系统失效,该项工程须按照国家有关规范的要求进行处理,处理后可参照本标准进行评价。
表一施工现场质量保证体系检查表(50分)工程名称:序号123检查项目现场质量管理制度主要专业工种操作上岗证书分包方资质与对分包单位的管理制度施工组织设计、施工方案及审批施工现场技术规范工程质量检验制度扣分标准a.一般,扣2分;b.差,扣5分。
a.过期或不齐全,扣3分;b.无,扣5分。
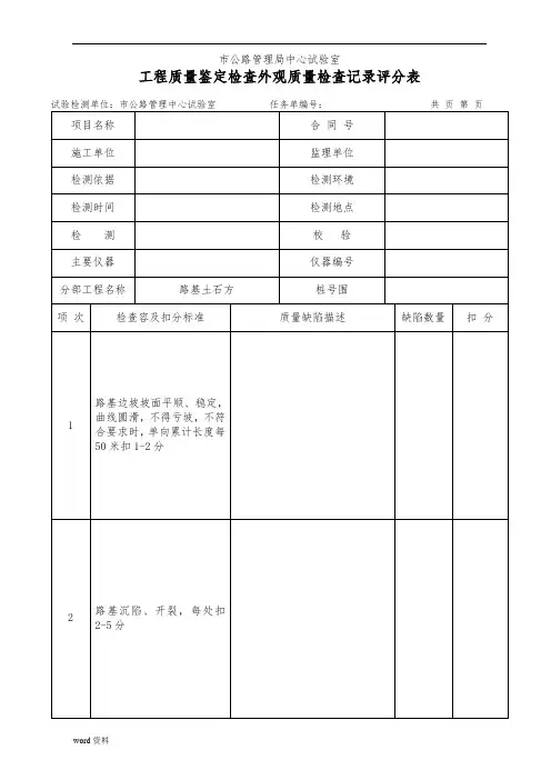
六安市公路管理局中心试验室工程质量鉴定检查外观质量检查记录评分表试验检测单位:六安市公路管理中心试验室任务单编号:共页第页工程质量鉴定检查外观质量检查记录评分表试验检测单位:六安市公路管理局中心试验室任务单编号:共页第页工程质量鉴定检查外观质量检查记录评分表试验检测单位:六安市公路管理局中心试验室任务单编号:共页第页工程质量鉴定检查外观质量检查记录评分表试验检测单位:六安市公路管理局中心试验室任务单编号:共页第页工程质量鉴定检查外观质量检查记录评分表试验检测单位:六安市公路管理局中心试验室任务单编号:共页第页工程质量鉴定检查外观质量检查记录评分表试验检测单位:六安市公路管理局中心试验室任务单编号:共页第页工程质量鉴定检查外观质量检查记录评分表试验检测单位:六安市公路管理中心试验室任务单编号:共页第页工程质量鉴定检查外观质量检查记录评分表试验检测单位:六安市公路管理局中心试验室任务单编号:共页第页六安市公路管理局中心试验室工程质量鉴定检查外观质量检查记录评分表试验检测单位:六安市公路局中心试验室任务单编号:共页第页工程质量鉴定检查外观质量检查记录评分表试验检测单位:六安市公路管理局中心试验室任务单编号:共页第页六安市公路管理局中心试验室工程质量鉴定检查外观质量检查记录评分表试验检测单位:六安市公路管理局中心试验室任务单编号:共页第页六安市公路管理局中心试验室工程质量鉴定检查外观质量检查记录评分表试验检测单位:六安市公路管理局中心试验室任务单编号:共页第页工程质量鉴定检查外观质量检查记录评分表试验检测单位:六安市公路管理局中心试验室任务单编号:共页第页工程质量鉴定检查外观质量检查记录评分表试验检测单位:六安市公路管理局中心试验室任务单编号:共页第页工程质量鉴定内业资料审查记录评分表试验检测单位:六安市公路管理局中心试验室任务单编号:共页第页。
12. 饰面工程质量检查0.5分
钢结构工程10分1.钢结构下料组装质量检查1.0分
2.钢结构焊接质量检查2.0分
3.钢结构除锈质量检查1.0分
4.钢结构涂装工程质量检查1.0分
5.结构螺栓连接工程质量检查2.0分
6.钢结构安装工程质量检查1.0分
7.压型板制作、安装质量检查1.0分
8.钢结构外观质量检查1.0分
电气设备安装5分1.电缆敷设工程质量检查0.4分
2.配管及管内穿线工程质量检查0.4分
3.变压器安装工程质量检查1分
4.高压、低压开关安装质量检查1.0分
5.成套配电柜(盘)及动力开关柜安装工程质量检查1.0分
6. 电气照明器具及配电箱(盘)安装工程质量检查0.6分
7. 避雷针(网)及接地装置安装工程质量检查0.6分
管道、设备安装工程5
分1. 介质管道制作工程质量检查1分
2. 介质管道安装工程质量检查1分
3. 介质管道焊接工程质量检查1分
4.管道设备防腐、保温质量检查1分
5. 一般设备安装工程质量检查1分
特种设备安装15分1.压力管道安装工程质量检查4分
2.起重机械安装工程质量检查4分
3.压力管道焊接工程质量检查4分
4.管道防腐、保温工程质量检查3分
5.锅炉安装工程质量检查15分
总分。