标准报文参考
- 格式:xls
- 大小:133.00 KB
- 文档页数:4
iata标准报文
IATA (International Air Transport Association)标准报文主要用于航空运输业务中的数据交换和通信。
以下是IATA标准报文的一些常见类型:
1. 航班信息报文(Flight Information Message,FIM):用于传输飞行计划、航班时间、航班状态等相关信息。
2. 航班载荷报文(Flight Load Message,FLM):用于传输航班的货物和邮件负载信息,包括重量、体积、配载方案等。
3. 预定报文(Reservation Message,RES):用于传输乘客的预定信息,包括姓名、座位选择、服务需求等。
4. 值机报文(Check-in Message,CUSS):用于传输乘客的值机信息,包括登机牌、行李标签、安全检查等。
5. 机票销售报文(Ticketing Sales Message,TKT):用于传输机票销售信息,包括票价、舱位、支付方式等。
6. 结算报文(Settlement Message,SET):用于传输各类费用结算信息,包括代理商费用、航空公司结算等。
7. 报文核对报文(Message Audit Message,MAD):用于传输报文的审计信息,进行报文交换质量的监控。
这些标准报文按照IATA的规定进行统一的数据格式和通信方式,为整个航空运输行业提供了高效、准确的信息交换。
我国外汇市场常见的报文标准
我国外汇市场的交易币种和交易品种主要有:
银行间外汇市场主要包括即期、远期、外汇掉期和货币掉期四类人民币外汇产品,共有人民币对美元、欧元、日元、港币和英镑5个本外币交易货币对。
此外,银行间外汇市场还包括欧元/美元、澳元/美元、英镑/美元、美元/日元、美元/加元、美元/瑞士法郎、美元/港币和欧元/日元8个外币对外币的即期交易。
汇市场的交易品种:
1.人民币外汇即期交易(FXSpot)
2.人民币外汇远期交易(FXForward)
3.人民币外汇掉期交易(FXSwap)
4.人民币外汇货币掉期交易(CurrencySwap)
5.外币对外币交易(tradingofforeigncurrenciesagainstforeigncurrencies)。
标准报文83标准报文是一种在国际贸易中非常常见的文书形式,用于传达商业信息并确保双方的合作顺利进行。
以下是对标准报文83的详细解释,介绍了报文的定义、结构和重要内容。
一、报文的定义标准报文是指在国际商业往来中,用于传递商业信息、确认交易细节、协商合作事项等的正式书面文书。
它是商业沟通的重要工具,有效地促进了贸易合作的进行。
二、报文的结构标准报文83的结构一般包括报文头部、主体内容和报文尾部。
下面将详细介绍这些部分。
1.报文头部报文头部是报文的起始部分,包括发送者和接收者的名称、地址、联系人和联系方式等核心信息。
这部分的目的是确保报文能够准确地传达给指定的接收方,避免信息的误送或丢失。
2.主体内容主体内容是报文的核心部分,主要包括以下几个要点:(1)报文类型:标明这是一份标准报文83,以及报文的具体目的和内容,例如订单、提货通知或支付要求等。
(2)合同细节:详细说明合同的双方、产品或服务的规格、数量、价格和付款方式等。
(3)交货细节:说明产品或服务的交付时间、地点、方式以及装运和保险等相关事项。
(4)质检要求:要求对产品进行质量检测,以确保符合合同要求。
(5)付款要求:规定付款的方式、时间和金额等。
(6)保证金或信用证:如果有需要,说明是否需要缴纳保证金或开立信用证。
(7)其他相关条款:如违约责任、争议解决、知识产权等。
3.报文尾部报文尾部主要包括发件人的签名、日期和公司印章等标识,以及相关附件的说明。
这些标识和附件的存在可以增加报文的真实性和完整性,确保双方在未来的商业往来中能够正确执行合同。
三、报文的重要性标准报文83在国际贸易中扮演着重要的角色,具有以下几个重要的作用:1.确立合同的准确性和合法性。
报文中明确了合同细节、交货和付款要求等重要信息,从而确保双方能够共同遵守合同的约定。
2.确保双方的权益。
报文中规定了双方的责任和义务,以及质检、审核和支付的程序,保护了双方的利益。
3.提供证据和解决争议的依据。
CIPS系统报文标准采用了ISO 20022国际标准,实现了跨境人民币业务的标准化和规范化。
CIPS跨境人民币报文主要包括以下内容:
1.报文类型:包括付款指令、付款确认、查询指令等。
2.报文格式:包括头文件、数据单元、尾文件等。
3.报文内容:包括付款人信息、收款人信息、付款金额、付款理由等。
此外,CIPS系统无需开设代理行账户,并且采用ISO20022报文标准,优化了SWIFT 不接受中文传输的报文信息,相比于以往清算行模式,清算时间大大减少;金融安全方面,CIPS进行的是跨境和离岸人民币业务,与CNAPS关系紧密却又相互独立,与境内人民币业务分离,系统运行更稳定,降低了系统运行风险。
以上信息仅供参考,如有需要,建议查阅相关网站。
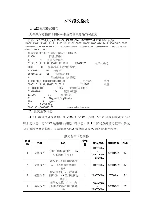
AIS报文格式1、AIS标准格式报文此类数据是指符合国际标准规范的最原始的裸报文。
例如:!AIVDM,1,1,,A,177?s>001V8eBRhF=:l7CUI20D0T,0*40解码后为:1100011101111101111111111100111111101100001100001100010101101110001001010000 1001001010100000011011110111101010110011011100001101010100100111001011000000 0100110000010100具体位置报告报文内容的解释见下面表格。
110001-------1 信息识别码11-----------3 重复次数指示011111011111111111001111111011------ 528479227 用户识别码0000---------0 航行状态(动力航行中)11000011------- -61 转身率0001010110------86 对地航速8.61---------------1 船位精确度(高精度)1100010010100001001001010100---------------- -103.7575 经度000011011110111101010110011----------------- 12.1765 纬度011100001101---------------1805 对地航向180.5010100100---------------164 航首真航向111001--------------57 时间标记01---------------2 Regional Application100------------4 spare0------------RAIM Flag0000100110000010100---------------communication state2、报文基本信息AIS广播信息分为两种,即VDM和VDO。
swift报文标准Swift报文标准。
在进行软件开发和系统集成的过程中,报文的标准化是非常重要的。
特别是在金融、电商等领域,报文的标准化更是至关重要。
本文将介绍Swift报文标准,包括其定义、结构和使用方法。
Swift报文是指在国际金融交易中使用的一种标准化的报文格式。
它是由国际金融电信协会(SWIFT)制定并推广的,用于在金融机构之间进行安全、可靠、高效的通信。
Swift报文标准的主要目的是为了规范金融交易报文的格式,以便不同金融机构之间能够进行顺畅的交易和信息交流。
Swift报文标准通常包括头部(Header)、主体(Body)和尾部(Trailer)三个部分。
头部包括报文类型、发送方和接收方的信息等;主体包括具体的交易信息,如汇款、转账等;尾部包括报文的结束标志等。
这种结构化的报文格式使得不同金融机构之间能够快速准确地理解和处理报文内容,从而提高了金融交易的效率和安全性。
在实际应用中,Swift报文标准被广泛应用于国际汇款、外汇交易、证券交易等金融领域。
金融机构可以通过Swift报文标准来进行跨境支付、账户管理、证券结算等业务。
与此同时,Swift报文标准也为金融监管机构提供了标准化的数据格式,便于监管和风险控制。
除了金融领域,Swift报文标准也逐渐被其他行业所采用。
例如,一些大型企业在进行全球供应链管理时,也会采用Swift报文标准来进行跨国物流、贸易融资等业务。
这些应用场景进一步体现了Swift报文标准的通用性和实用性。
总的来说,Swift报文标准作为一种国际通用的报文格式,为金融交易和信息交流提供了标准化的解决方案。
它的引入有效地提高了金融交易的效率和安全性,促进了全球金融市场的发展和互联互通。
随着全球化进程的不断推进,Swift报文标准将会在更多领域得到应用,并为不同行业的信息交流和数据处理提供可靠的支持。
在实际应用中,开发人员和系统集成工程师需要深入理解Swift报文标准的定义、结构和使用方法,以确保系统能够与其他金融机构无缝对接。
输入:
标题:邮件正文编写技巧
姓名:[XXXXX]
时间:XXXX年XX月XX日
地点:[XXXXX]
公司:[XXXXX]
邮件正文:
在编写邮件正文时,需要特别注意以下几点:
1. 明确目的:在撰写邮件之前,先明确邮件的目的。
这样可以使你的邮件更有条理,更加吸引人。
2. 简明扼要:尽量精简邮件内容,避免冗长和复杂的句子。
重点突出,让收件人能够快速理解你的意思。
3. 礼貌用语:使用礼貌、得体的语言,展现你的专业素养和人格魅力。
同时,注意避免使用过于随意的言辞。
4. 避免拼写和语法错误:拼写和语法错误会严重影响邮件的专业性。
务必仔细检查,确保邮件的文字表达准确无误。
5. 格式规范:根据邮件内容选择合适的格式。
例如,对于正式的邮件,可以选择使用宋体、黑体等规整的字体,并控制适当的行间距。
6. 提供有价值的信息:在邮件中提供有价值的信息,可以帮助收件人更好地了解你的想法或目的。
同时,也可以增加收件人对你的好感度。
7. 避免过度推销:在邮件中过度推销自己或产品,可能会让收件人感到反感。
适度展示自己的优势和特点即可。
8. 结尾礼貌用语:在邮件结尾处使用礼貌用语,可以增加收件人对你的好感度。
同时,也可以让你的邮件更加专业。
ethernet v2标准报文格式
Ethernet V2标准报文格式包括以下部分:
1. 帧头:由6字节的源地址+6字节的目标地址+2字节的协议类型字段+数据组成。
其中,前7个字节称为前同步码(Preamble),内容是16进制数0xAA,最后1字节为帧起始标志符0xAB,它标识着以太网帧的开始。
2. 数据字段:长度在46~1500字节,这是最小的长度是因为它等于最小长度64字节减去18字节的首部和尾部。
当数据字段的长度小于46字节时,MAC子层就会在数据字段的后面加入一个整数字节的填充字段,以保证以太网的MAC帧长不小于64字节。
如需了解更多信息,可以阅读计算机通信和网络等相关领域的论文。
标准报文3范文
标准报文3范文
尊敬的先生/女士:
首先,我代表公司向您致以最诚挚的问候和祝福。
感谢您一直以来对
我们公司的信任和支持。
近日,我们收到了您关于我们正在进行的项目的一些反馈和建议。
我
们非常重视您的意见,并且对给予我们宝贵的建议表示由衷的感谢。
在收到您的反馈后,我们立即进行了全面的调查和评估,以了解目前
项目存在的问题,并采取相应的措施解决这些问题。
我们成立了一个专业
的团队,负责解决您所提出的问题,并确保项目能够按时、高质量地完成。
经过我们团队的努力,我们已经制定了相应的改进计划,并将在接下
来的几周内实施。
我们将采取以下措施来解决您提出的问题:
1.快速响应:我们将加强与您的沟通,确保及时回复您的问题和需求。
2.质量控制:我们将加强对项目的质量控制,确保每个环节都符合标准,避免出现质量问题。
3.人员培训:我们将组织相关人员进行培训,提高他们的专业能力和
工作效率,以确保项目的顺利进行。
4.进度跟踪:我们将建立一个完善的进度跟踪系统,及时了解项目的
进展情况,确保项目按时完成。
5.反馈机制:我们将建立一个反馈机制,定期邀请您提出意见和建议,以帮助我们改进和优化项目。
我们深刻地意识到,您对我们的期望和要求是合理的,并且我们对此负有责任。
作为一家具有多年经验的公司,我们将全力以赴,解决项目中存在的问题,并确保能够超过您的期望。
祝您工作顺利,生活愉快!
衷心的。
codeco报文标准
CODECO报文标准符合EDIFACT国际报文标准,全称为Container Gate-in/Gate-out Message,即集装箱入场/出场报文。
这种报文主要用于物流和港口行业,特别是在集装箱租赁业中,用于通知集装箱租赁状态的变化,如开启或关闭租赁,或直接交换报告。
CODECO报文旨在提供业务报告,可用于更新设备跟踪系统。
然而,它不作为业务信息的主要来源,因为业务信息最好在商业信息中提供,如IFTM 类报文如IFTSTA运输状态报告、IFTMBF运输预定请求等,这些信息在与商业(货物相关)交易直接相关的各方之间交换。
以上信息仅供参考,建议查阅CODECO报文标准相关书籍获取更全面和准确的信息。
iso20022报文标准
ISO 20022报文标准是国际金融供应链标准(International financial supply chain standards)的一个定义。
它被广泛用于银行,私人财务公司,保险公司,公司,投资组合等金融机构之间的数
据交流和集成。
ISO 20022报文标准的目的是提供一种全球统一的报文
格式,用以支持从行业标准到企业内部系统之间的应用程序集成。
结
合相应的软件技术,可以实现快速的数据交换和集成,为金融机构和
其客户提供更佳的服务。
ISO 20022报文标准由统一贸易和运输账单(UN/CEFACT)所制定,并在ISO(国际标准化组织)宣布正式发布。
该标准使用XML作为其基
本格式,以支持不同类型的数据交换。
它还设计了一个称为消息中心
的中央软件部件,用于扩展和改进报文的传输和集成。
ISO 20022报文标准支持从金融供应,结算,风险管理和报价等多
个方面的报文格式。
它使得不同机构之间的交易更加可操作,简化了
账户信息变更,金融交易和其他银行业务的处理。
该标准有助于大规
模数据交换,跨机构实现统一平台,减少报表报文处理时间和让数据
更容易更新和维护。
此外,ISO 20022报文标准还有助于用户实现监控,优化工作流程,提高数据可靠性和精确性,实现自动化和让用户充分发挥现代IT系统
的功能。
它还支持跨境和多种货币交易,简化了历史数据处理和管理,简化了审计工作,能够更有效地提供服务,实现精细化管理和优化多
语言支持,以及实现更有效的账户管理等功能。
ANSI X12是由美国国家标准委员会在1979年创立的认可标准委员会(ASC-Accredited Standards Committee)X12-制定的EDI报文标准,是为了满足企业之间的商业数据的电子数据交换。
每次发布包括一系列的信息类型,比如invoice、purchase order等。
每一个信息类型都有特定的数字代替它的名称。
比如,电子发票invoice对应的信息类型为X12 810,订单purchase order为X12 850,发货通知Advanced Delivery Note是X12 856。
以下以苹果APPLE X12 850为样例,提供具体解析:ISA*00* *00* *14*TESTXXXXXX*ZZ*TEST01XXXXXXXXX*140928*2141*U*00401*000000001*1*T*>~GS*PO*TEST03XXXX*TEST04XXXXXX*20140928*2141*1*X*004010~ST*850*0001~BEG*00*DS*0592608583**20140928~REF*SB*ZZ11~REF*6P*ZZ~REF*8M*0056~REF*CR*XXXXXXX123~PER*CN*ZHIXING~CSH*BK~SAC*C*ZZZZ**********06~TD5*Z*2*XUPSC02~N9*ZZ*XXXX~MSG*http:XXXXXXXXXXXXXX.pdf~N1*BY*ZHIXING*92*5601~N1*ST*XIAN*92*0000858638~N2*XIAN*ZHIXING~N3*RSSBUS*XIAN KAIFAQU~N4*SHANXI, XIAN PROVINCE**710000*CN*SP*100~PO1*00010*5000*EA*2.33*PE*BP*XXXXXX~PID*F****A001,C001,L01,X147****EN~REF*CO*7282973909~REF*LI*000010~SCH*5000*EA***002*20140928~CTT*1*5000~SE*24*0001~GE*1*1~IEA*1*000000001~其中,X12 850报文由段落(Segment)和字段(Element)组成,“~”为段落间分隔符,“*”为字段间分隔符。
swift iso20022 报文标准一、概述SwiftISO20022报文标准是国际银行间通信和交易的重要标准之一,用于规范银行间交易的报文格式和内容。
该标准旨在确保不同金融机构之间的交易信息能够准确、一致地传输和交换。
二、报文结构ISO20022报文主要由报文头、报文体和报文尾三部分组成。
1.报文头:包括报文的标识信息、发送方和接收方的信息、报文的版本号、时间戳等信息。
2.报文体:是实际交易信息的部分,包括交易类型、交易金额、交易币种、交易对手方信息、结算方式等信息。
3.报文尾:包括校验码等信息,用于确保报文的正确性和完整性。
报文结构遵循一定的编码规则和数据类型,以确保不同金融机构之间的互操作性。
三、应用场景ISO20022报文标准广泛应用于国际银行间市场,包括债券、外汇、商品、衍生品等市场的交易。
金融机构之间通过交换ISO20022报文,可以实现快速、高效、准确的交易结算和清算。
四、优势与不足ISO20022报文标准具有以下优势:1.标准化:规范了报文格式和内容,确保不同金融机构之间的互操作性。
2.高效性:简化了交易信息的传输和处理,提高了交易效率。
3.安全性:通过加密和签名等技术,确保交易信息的机密性和完整性。
然而,ISO20022报文标准也存在一些不足:1.复杂性:相对于其他通信标准,ISO20022报文标准的实现较为复杂,需要专业的技术人员进行开发和维护。
2.成本:实施ISO20022报文标准需要投入一定的成本,包括开发成本、测试成本和培训成本等。
五、未来发展随着金融市场的不断发展,ISO20022报文标准仍有很大的发展空间:1.扩展性:未来可以考虑增加更多的交易类型和业务场景,以满足市场的不断变化和需求。
2.标准化接口:可以制定统一的接口规范,方便不同系统之间的集成和互操作。
3.简化开发过程:可以通过引入新的技术和工具,降低ISO20022报文标准的开发难度,提高开发效率。
总之,SwiftISO20022报文标准作为国际银行间通信的重要标准,在未来的发展中仍有很大的潜力和价值。
:用户名称:XXXX燃气阜新新纪元计算机网络有限责任公司密级:保密XXXX收费系统接口规范二〇一六年十月~文档信息】目录1任务概述 (3). 目标 (3). 系统概述 (3)2.设计规范 (3). 系统设计原则 (3)*系统设计方案 (4)统一接口物理环境 (4)系统功能 (5)3接口设计 (6). 外部接口 (6)通讯模式和数据加密方式 (6)数据包帧格式和超时时间 (6)消息头格式定义 (6)^交易代码表 (7)业务模块 (7). 欠费查询 (7). 电信缴费 (8). 电信冲正 (9)电信对帐 (10)4附录: (11)附录1:错误码定义 (11){—1任务概述1.1.目标利用现代化通讯技术,建立燃气收费系统与电信之间的信息传输通道;遵循行业规范,提供通用的中间业务平台;采用先进的数据库操作技术实现信息安全可靠的存取;达到电信收取、查询燃气费的目的。
为燃气运营商拓展营销活动空间、开发服务用户市场、加强行业竞争优势、挖掘新的经济增长点提供多种先进可行的手段。
1.2.系统概述电信接口提供了燃气收费系统和电信系统之间的数据通讯,并提供双方进行数据交互的相关的数据包格式、业务数据检查等功能。
:电信接口提供对于外部系统的业务封装,对于外部系统只明确业务的功能及数据,不需要关心业务的具体处理。
接口通过调用燃气收费系统封装的业务服务完成对于接口的请求处理。
2.设计规范2.1.系统设计原则1、数据实时共享电信端不驻留任何数据,而由电信端发出请求,燃气公司和电信实时交换数据2、安全性必须保证用气系统数据服务的安全,避免任何可疑的直接访问用气数据服务的操作,原则上不允许用营业收费系统的数据服务器与外网有直接的物理连接。
必须设有防火墙机制过滤任何恶意攻击:必须对接受的数据包进行有效性的验证,杜绝非法请求。
3、稳定性数据请求采用专用传输通道。
必须满足全天不间断的业务处理要求,系统运行稳定必须设有备用的通道、前置机。
1. modbus tcp 标准报文概述在工业自动化领域,modbus tcp 标准报文是一种常见的通讯协议,它基于 TCP/IP 网络,用于实现设备之间的数据交换和控制。
它由一系列的报文组成,包括读取数据、写入数据、读取设备状态等功能,同时也包括错误检测和报文确认等机制。
通过 modbus tcp 标准报文,各种设备可以方便地实现通讯和控制,从而实现工业自动化系统的高效运行。
2. modbus tcp 标准报文的结构modbus tcp 标准报文的结构主要包括报文头、功能码、数据域和校验位等内容。
报文头包括了设备位置区域和功能码等信息,用于确定报文的类型和目标设备。
功能码表示了报文的具体功能,如读取数据、写入数据或是设备诊断等。
数据域则包含了具体的数据内容,比如要读取或写入的寄存器位置区域和数值等信息。
校验位用于确保报文传输的准确性和完整性。
通过对modbus tcp 标准报文的结构进行分析,可以更好地理解其工作原理和实际应用。
3. modbus tcp 标准报文的应用场景modbus tcp 标准报文被广泛应用于各种工业自动化设备之间的通讯和控制。
在工厂的生产线上,各种传感器、执行器和控制器之间需要及时地传递数据和指令,以实现自动化生产。
而 modbus tcp 标准报文正是实现这一目标的关键,通过它可以方便地实现设备之间的数据交换和控制命令。
modbus tcp 标准报文还被广泛应用于楼宇自动化、能源管理系统、制造业控制系统等领域,为工业自动化带来了便利和高效性。
4. 对 modbus tcp 标准报文的个人观点作为一种常见的工业通讯协议,modbus tcp 标准报文在工业自动化领域发挥着重要作用。
它简单、开放、易于实现,同时也非常灵活和可靠。
通过对 modbus tcp 标准报文的深入了解和应用,可以为工业自动化系统的设计和运行提供更多的可能性和效益。
我认为,继续深入研究和应用 modbus tcp 标准报文,将有助于提升工业自动化系统的稳定性、可靠性和灵活性,从而推动工业自动化领域的持续发展。
附件四:境内外币支付系统报文格式标准外币支付系统接口报文格式标准V 1.4中国人民银行科技司二〇〇八年四月目录1报文标准概述 (9)1.1概述 (9)1.1.1 属性符号 (9)1.1.2 X字符集 (9)1.1.3 英文简称命名规范 (10)1.1.4 报文结构 (10)1.2报文块格式 (10)1.2.1 基本头块 (10)1.2.2 应用头块 (11)1.2.3 用户头块 (13)1.2.4 正文块 (14)1.2.5 附加正文块 (17)1.2.6 签名块 (18)1.2.7 报尾块 (19)2主要数据定义 (19)2.1约定和检查规则 (19)2.2特定变量定义 (19)2.2.1 DATE变量定义 (19)2.2.2 TIME变量定义 (20)2.2.3 行号BIC码变量定义 (20)2.2.4 金额AMOUNT变量定义 (20)2.2.5 借贷标识变量定义<DC> (20)2.2.6 货币符号<CUR> (21)2.2.7 业务种类<BUSITYPE> (21)2.2.8 汇款人账户性质<ACCTYPE> (21)2.2.9 业务参考号<MSGREFNO> (21)2.2.10 回车换行符<CRLF> (21)2.2.11 77E填写规则: (21)2.3支付业务处理状态定义 (21)2.4支付交易序号 (22)2.5客户账号 (22)3报文格式定义 (23)3.1报文清单 (23)3.2外币支付业务类 (25)3.2.1 MT103(FMT100):境内跨行贷记业务报文(境内业务) (25)3.2.2 MT103(FMT101):境内跨行贷记业务报文(汇出业务) (26)3.2.3 MT103(FMT102):境内跨行贷记业务报文(汇入业务) (28)3.2.4 MT103(FMT103):境内跨行贷记业务报文(退汇业务) (28)3.2.5 MT103(FMT104):境内跨行贷记业务报文(转汇信息) (28)3.2.6 MT202(FMT200):银行间资金调拨业务报文(境内业务) (28)3.2.7 MT202(FMT201):银行间资金调拨业务报文(汇出业务) (29)3.2.8 MT202(FMT202):银行间资金调拨业务报文(汇入业务) (30)3.2.9 MT202(FMT204): 银行间资金调拨业务报文(退汇业务) (30)3.2.10 MT203(FMT203):轧差净额业务报文 (30)3.3清算与结算类 (31)3.3.1 MT198(FMT010):贷记业务确认通知报文 (31)3.3.2 MT198(FMT011):清算净额结算报文 (32)3.3.3 MT198(FMT012):清算净额结算回执报文 (34)3.3.4 MT198(FMT013):净额结算通知报文 (35)3.3.5 MT198(FMT014):轧差净额业务被记账行清算通知报文 (35)3.3.6 MT198(FMT015):轧差净额业务被借记行排队通知报文 (36)3.3.7 MT198(FMT016):轧差净额业务确认通知报文 (37)3.4业务信息类 (38)3.4.1 MT195(FMT195):查询报文 (38)3.4.2 MT196(FMT196):查复报文 (39)3.4.3 MT199(FMT199):自由格式报文 (39)3.4.4 MT192(FMT191):撤销申请报文 (40)3.4.5 MT196(FMT192):撤销应答报文 (40)3.4.6 MT192(FMT193):退汇申请报文 (41)3.4.7 MT196(FMT194):退汇应答报文 (41)3.4.8 MT198(FMT020):通用确认报文 (42)3.4.9 MT198(FMT021):计费通知信息报文 (42)3.4.10 MT198(FMT023):数字签名查询报文 (44)3.4.11 MT198(FMT024):数字签名查复报文 (45)3.4.12 MT198(FMT025):转汇信息确认报文 (46)3.4.13 MT198(FMT026):日初资金圈存授信确认报文 (46)3.4.14 MT198(FMT027):清算净额结算回执确认报文 (47)3.5查询管理类 (48)3.5.1 MT920(FMT920):结算账户余额查询请求报文 (48)3.5.2 MT941(FMT941):结算账户余额查询回应报文 (48)3.5.3 MT985(FMT985):支付业务状态查询报文 (49)3.5.4 MT986(FMT986):支付业务状态查询应答报文 (49)3.5.5 MT198(FMT031):支付业务排队管理报文 (50)3.5.6 MT198(FMT032):支付业务排队管理应答报文 (51)3.5.7 MT198(FMT033):额度信息查询报文 (52)3.5.8 MT198(FMT034):额度信息应答报文 (53)3.6流动性管理类 (54)3.6.1 MT198(FMT041):日初资金圈存授信报文 (54)3.6.2 MT198(FMT042):可用额度预警通知报文 (54)3.6.3 MT198(FMT043):可用额度预警管理报文 (55)3.6.4 MT198(FMT044):可用额度预警管理应答报文 (55)3.6.5 MT198(FMT045):圈存资金调整报文 (56)3.6.6 MT198(FMT046):圈存资金调整应答报文 (57)3.6.7 MT198(FMT040):圈存资金调整通知报文 (57)3.6.8 MT198(FMT047):授信额度调整报文 (58)3.6.9 MT198(FMT048):授信额度调整应答报文 (58)3.6.10 MT198(FMT049):授信额度调整通知报文 (59)3.7系统管理类 (60)3.7.1 MT198(FMT060):系统状态变更通知报文 (60)3.7.2 MT198(FMT061):业务权限控制报文 (61)3.7.3 MT198(FMT062):公共数据变更报文 (61)3.7.4 MT198(FMT063):登录申请报文 (62)3.7.5 MT198(FMT064):登录应答报文 (63)3.7.6 MT198(FMT065):退出申请报文 (63)3.7.7 MT198(FMT066):退出应答报文 (64)3.7.8 MT198(FMT067):强制退出登录通知报文 (64)3.7.9 MT198(FMT068):业务截止警告通知报文 (64)3.8对账类 (65)3.8.1 MT198(FMT070):清算净额汇总核对报文 (65)3.8.2 MT198(FMT071):清算净额明细核对申请报文 (65)3.8.3 MT198(FMT072):支付业务汇总核对报文 (66)3.8.4 MT198(FMT073):支付业务明细申请报文 (67)3.8.5 MT198(FMT074):轧差净额业务核对报文(暂不开发) (69)3.9行号类 (70)3.9.1 MT198(FMT080):参与者行号变更通知报文 (70)3.9.2 MT198(FMT081):直接参与者币种变更通知报文 (71)3.9.3 MT198(FMT082):直接参与者币种变更确认报文 (72)3.9.4 MT198(FMT083):间接参与者行号变更申请报文 (73)3.9.5 MT198(FMT084):间接参与者行号变更确认报文 (74)3.9.6 MT198(FMT085):结算账户销户申请报文 (75)3.9.7 MT198(FMT086):结算账户销户应答报文 (75)3.9.8 MT198(FMT087):币种变更通知报文 (76)3.9.9 MT198(FMT088):数字证书行号绑定关系变更申请报文 (77)3.9.10 MT198(FMT089):数字证书行号绑定关系变更通知报文 (77)4附录 TAG与域名一览表 (79)版本修改记录:说明:[C]-创建;[M]-修改报文;[A]-增加报文;[D]-删除报文;1报文标准概述1.1概述1.1.1属性符号说明1:对于特定的域,如账号,在数字与字母混合使用时,不得大小写混用,不得使用字母O和o,I和i,以避免与数字0和1混淆。
tcp报文标准格式
TCP报文标准格式
TCP报文由标头和数据组成,其中标头是用来描述连接的属性,数据是报文实际要传输的网络信息内容。
标头总共20字节,报文数据长度不定。
TCP报文的标头格式如下:
源端口号(16位)目标端口号(16位)标识号(32位)标志位(8位)窗口大小(16位)校验和(16位)紧急指针(16位)
源端口号:也称为本地端口,指的是发送端的端口,本地主机的端口与外部主机的端口之间通过端口号来识别。
目标端口号:也称为远程端口,指的是接收端的端口,本地主机的端口与外部主机的端口之间通过端口号来识别。
标识号:它用来唯一标识某个报文,以确保报文在网络中的唯一性。
标志位:它指报文状态位,用于描述报文的状态。
例如 SYN、RST、ACK的状态位。
窗口大小:它用于指明主机接收缓存区的大小,主机会根据收到的窗口大小域信息来控制发送数据报文的速率。
校验和:校验和主要是用来检验报文中有无差错,有效保证数据传输准确性。
紧急指针:它用来指明紧急数据这一块的长度,紧急数据是TCP
报文中的一个特殊部分,用来优先处理紧急数据内容。
->201请求链路状态<-201响应链路状态->201复位远方链路<-201肯定确认<-201请求链路状态->201响应链路状态<-201复位远方链路->201肯定确认<-201初始化结束(初始化)->201肯定确认->201召唤命令(激活)<-201肯定确认<-201召唤命令(激活确认) 68 0B 0B 68 53 01 00 64 01 07 01 00 00 00 14 D5 16->201肯定确认 10 80 01 00 81 16<-201单点信息(响应站总召唤)->201肯定确认 10 80 01 00 81 16<-201测量值,归一化值(响应站总召唤)->201肯定确认<-201召唤命令(激活终止)->201肯定确认 10 80 01 00 81 16->201延时获得命令(激活) 68 0C 0C 68 D3 01 00 6A 01 06 01 00 00 00 E2 DC 04 16<-201肯定确认 10 00 01 00 01 16<-201延时获得命令(激活确认) 68 0C 0C 68 53 01 00 6A 01 07 01 00 00 00 46 DD EA 16->201肯定确认 10 80 01 00 81 16->201延时获得命令(突发) 68 0C 0C 68 F3 01 00 6A 01 03 01 00 00 00 B1 00 14 16<-201肯定确认 10 00 01 00 01 16->201时钟同步命令(激活)<-201肯定确认 10 00 01 00 01 16<-201时钟同步命令(激活确认)->201肯定确认10 80 01 00 81 16->201召唤命令(激活) 68 0B 0B 68 D3 01 00 64 01 06 01 00 00 00 15 55 16<-201肯定确认 10 00 01 00 01 16<-201单点信息(突发) 68 0B 0B 68 73 01 00 01 01 03 01 00 26 00 01 A1 16->201肯定确认 10 80 01 00 81 16<-201带长时标的单点信息(突发)->201肯定确认 10 80 01 00 81 16<-201召唤命令(激活确认) 68 0B 0B 68 73 01 00 64 01 07 01 00 00 00 15 F6 16->201肯定确认 10 80 01 00 81 16<-201单点信息(响应第1组召唤)->201肯定确认 10 80 01 00 81 16<-201召唤命令(激活终止)68 0B 0B 68 73 01 00 64 01 0A 01 00 00 00 15 F9 16->201肯定确认 10 80 01 00 81 16->201心跳测试报文 10 F2 01 00 F3 16<-201肯定确认 10 00 01 00 01 16->201心跳测试报文 10 D2 01 00 D3 16<-201肯定确认 10 00 01 00 01 16->201复位进程命令(激活) 68 0B 0B 68 F3 01 00 69 01 06 01 00 00 00 01 66 16<-201肯定确认 10 00 01 00 01 16<-201复位进程命令(激活确认) 68 0B 0B 68 73 01 00 69 01 07 01 00 00 00 01 E7 16->201肯定确认 10 80 01 00 81 16->201心跳测试报文 10 D2 01 00 D3 1668 0B 0B 68 F3 01 00 64 01 06 01 00 00 00 14 74 16 10 00 01 00 01 16 68 0B 0B 68 73 01 00 46 01 04 01 00 00 00 01 C1 16 10 C9 01 00 CA 16 10 0B 01 00 0C 16 10 C0 01 00 C1 16 10 00 01 00 01 16 10 49 01 00 4A 16 10 8B 01 00 8C 16 10 40 01 00 41 16 10 80 01 00 81 16 68 1A 1A 68 53 01 00 01 90 15 01 00 21 00 80 80 80 80 80 80 8080 80 80 80 80 80 80 80 80 1C 16101平衡68 11 11 68 D3 01 00 67 01 06 01 00 00 00 13 E2 07 0C 5E 08 0BBC 1668 11 11 68 73 01 00 67 01 07 01 00 00 00 B6 E4 07 0C 5E 08 0B02 1668 12 12 68 53 01 00 1E 01 03 01 00 26 00 01 DB 6C 12 0B 1E 080B 33 16 68 2A 2A 68 73 01 00 01 A0 14 01 00 21 00 80 80 80 80 80 80 8080 80 80 80 80 80 80 80 80 80 80 80 80 80 80 80 80 80 80 80 80 8080 80 80 4B 16测试数据1.主站初始化+总召唤(注意S/Q是否等于1,地址是否连续)+时钟同步(注意加测对时时间的正确性+通道延时的合理 10 80 01 00 81 1668 0B 0B 68 73 01 00 64 01 0A 01 00 00 00 14 F8 1610 80 01 00 81 162.分组召唤(地址是否连续)+事件过程3.终端远方初始化+总召唤(注意S/Q是否等于1,地址是否连续)+时钟同步(注意加测对时时间的正确性+通道延时的68 82 82 68 53 01 00 09 A8 14 01 00 01 40 01 00 00 01 00 00 0100 00 01 00 00 01 00 00 01 00 00 00 00 00 00 00 00 0B 35 00 00 0000 9C FD 00 00 00 00 00 00 00 00 00 00 00 00 00 00 00 00 88 13 00AA 00 80 90 00 80 9D 00 80 F2 01 80 55 00 80 48 00 80 48 00 80 2D01 80 4E 00 80 4E 00 80 41 00 80 00 00 80 00 00 80 00 00 80 00 0080 00 00 80 00 00 80 00 00 80 00 00 80 00 00 80 00 00 80 00 00 8000 00 80 0F 16->201心跳测试报文 10 D2 01 00 D3 16->201心跳测试报文 10 D2 01 00 D3 16->201心跳测试报文 10 D2 01 00 D3 16->201请求链路状态 10 C9 01 00 CA 16<-201响应链路状态 10 0B 01 00 0C 16->201复位远方链路 10 C0 01 00 C1 16<-201肯定确认 10 00 01 00 01 16<-201请求链路状态 10 49 01 00 4A 16->201响应链路状态 10 8B 01 00 8C 16<-201复位远方链路 10 40 01 00 41 16->201肯定确认 10 80 01 00 81 16<-201初始化结束(初始化) 68 0B 0B 68 73 01 00 46 01 04 01 00 00 00 01 C1 16->201召唤命令(激活) 68 0B 0B 68 F3 01 00 64 01 06 01 00 00 00 14 74 16<-201肯定确认 10 00 01 00 01 16<-201召唤命令(激活确认) 68 0B 0B 68 53 01 00 64 01 07 01 00 00 00 14 D5 16->201肯定确认 10 80 01 00 81 16<-201单点信息(响应站总召唤)->201肯定确认 10 80 01 00 81 16<-201测量值,归一化值(响应站总召唤)->201肯定确认 10 80 01 00 81 16<-201召唤命令(激活终止) 68 0B 0B 68 73 01 00 64 01 0A 01 00 00 00 14 F8 16->201肯定确认 10 80 01 00 81 16->201延时获得命令(激活) 68 0C 0C 68 D3 01 00 6A 01 06 01 00 00 00 CF E7 FC 16<-201肯定确认 10 00 01 00 01 16<-201延时获得命令(激活确认) 68 0C 0C 68 53 01 00 6A 01 07 01 00 00 00 33 E8 E2 16->201肯定确认 10 80 01 00 81 16->201延时获得命令(突发) 68 0C 0C 68 F3 01 00 6A 01 03 01 00 00 00 C0 00 23 16<-201肯定确认 10 00 01 00 01 16->201时钟同步命令(激活)<-201肯定确认 10 00 01 00 01 16<-201时钟同步命令(激活确认)->201肯定确认10 80 01 00 81 16->201测试命令(激活) 68 0C 0C 68 F3 01 00 68 01 06 01 00 00 00 AA 55 63 16<-201肯定确认 10 00 01 00 01 16<-201测试命令(激活确认) 68 0C 0C 68 53 01 00 68 01 07 01 00 00 00 AA 55 C4 16->201肯定确认10 80 01 00 81 16->201心跳测试报文 10 F2 01 00 F3 16<-201肯定确认 10 00 01 00 01 16->201心跳测试报文 10 D2 01 00 D3 16<-201肯定确认10 00 01 00 01 165. 心跳测试(测试链路)68 2A 2A 68 73 01 00 01 A0 14 01 00 21 00 80 80 80 80 80 80 8080 80 80 80 80 80 80 80 80 80 80 80 80 80 80 80 80 80 80 80 80 8080 80 80 4B 16 68 11 11 68 D3 01 00 67 01 06 01 00 00 00 DE 02 0A 0C 5E 08 0BAA 1668 11 11 68 73 01 00 67 01 07 01 00 00 00 86 05 0A 0C 5E 08 0BF6 164. 测试命令68 82 82 68 53 01 00 09 A8 14 01 00 01 40 01 00 00 01 00 00 0100 00 01 00 00 01 00 00 01 00 00 00 00 00 00 00 00 09 35 00 00 0000 9C FD 00 00 00 00 00 00 00 00 00 00 00 00 00 00 00 00 88 13 0090 00 80 9D 00 80 83 00 80 CA 01 80 41 00 80 4E 00 80 41 00 80 1301 80 55 00 80 4E 00 80 62 00 80 00 00 80 00 00 80 00 00 80 00 0080 00 00 80 00 00 80 00 00 80 00 00 80 00 00 80 00 00 80 00 00 8000 00 80 B7 16<-201肯定确认 10 00 01 00 01 16->201心跳测试报文 10 D2 01 00 D3 16<-201肯定确认 10 00 01 00 01 166.遥控选择合+撤销(遥控过程)->201单点命令(激活) 68 0B 0B 68 F3 01 00 2D 01 06 01 00 01 60 81 0B 16 <-201肯定确认 10 00 01 00 01 16<-201单点命令(激活确认) 68 0B 0B 68 73 01 00 2D 01 07 01 00 01 60 81 8C 16 ->201肯定确认 10 80 01 00 81 16->201单点命令(停止激活) 68 0B 0B 68 D3 01 00 2D 01 08 01 00 01 60 01 6D 16 <-201肯定确认 10 00 01 00 01 16<-201单点命令(停止激活确认) 68 0B 0B 68 53 01 00 2D 01 09 01 00 01 60 01 EE 16 ->201肯定确认 10 80 01 00 81 16<-201单点命令(激活终止) 68 0B 0B 68 73 01 00 2D 01 0A 01 00 01 60 01 0F 16 ->201肯定确认 10 80 01 00 81 167.遥控选择合+执行合(遥控过程)->201单点命令(激活) 68 0B 0B 68 D3 01 00 2D 01 06 01 00 01 60 81 EB 16 <-201肯定确认 10 00 01 00 01 16<-201单点命令(激活确认) 68 0B 0B 68 53 01 00 2D 01 07 01 00 01 60 81 6C 16 ->201肯定确认 10 80 01 00 81 16->201单点命令(激活) 68 0B 0B 68 F3 01 00 2D 01 06 01 00 01 60 01 8B 16 <-201肯定确认 10 00 01 00 01 16<-201单点命令(激活确认) 68 0B 0B 68 73 01 00 2D 01 07 01 00 01 60 01 0C 16 ->201肯定确认 10 80 01 00 81 16<-201单点命令(激活终止) 68 0B 0B 68 53 01 00 2D 01 0A 01 00 01 60 01 EF 16 ->201肯定确认 10 80 01 00 81 168.选择分+撤销分(遥控过程)->201单点命令(激活) 68 0B 0B 68 F3 01 00 2D 01 06 01 00 01 60 80 0A 16 <-201肯定确认 10 00 01 00 01 16<-201单点命令(激活确认) 68 0B 0B 68 73 01 00 2D 01 07 01 00 01 60 80 8B 16 ->201肯定确认 10 80 01 00 81 16->201单点命令(停止激活) 68 0B 0B 68 D3 01 00 2D 01 08 01 00 01 60 00 6C 16 <-201肯定确认 10 00 01 00 01 16<-201单点命令(停止激活确认) 68 0B 0B 68 53 01 00 2D 01 09 01 00 01 60 00 ED 16 ->201肯定确认 10 80 01 00 81 16<-201单点命令(激活终止) 68 0B 0B 68 73 01 00 2D 01 0A 01 00 01 60 00 0E 16 ->201肯定确认 10 80 01 00 81 169.遥控选择分+执行分(遥控过程)->201单点命令(激活) 68 0B 0B 68 D3 01 00 2D 01 06 01 00 01 60 80 EA 16 <-201肯定确认 10 00 01 00 01 16<-201单点命令(激活确认) 68 0B 0B 68 53 01 00 2D 01 07 01 00 01 60 80 6B 16 ->201肯定确认 10 80 01 00 81 16->201单点命令(激活) 68 0B 0B 68 F3 01 00 2D 01 06 01 00 01 60 00 8A 16 <-201肯定确认 10 00 01 00 01 16<-201单点命令(激活确认) 68 0B 0B 68 73 01 00 2D 01 07 01 00 01 60 00 0B 16 ->201肯定确认 10 80 01 00 81 16<-201单点命令(激活终止) 68 0B 0B 68 53 01 00 2D 01 0A 01 00 01 60 00 EE 16 ->201肯定确认 10 80 01 00 81 16->201单点命令(激活) 68 0B 0B 68 D3 01 00 2D 01 06 01 00 01 60 81 EB 16<-201肯定确认 10 00 01 00 01 16<-201单点命令(激活确认) 68 0B 0B 68 73 01 00 2D 01 07 01 00 01 60 81 8C 16->201肯定确认 10 80 01 00 81 16->201单点命令(激活) 68 0B 0B 68 F3 01 00 2D 01 06 01 00 01 60 00 8A 16<-201肯定确认 10 00 01 00 01 16<-201单点命令(激活确认否定确认) 68 0B 0B 68 53 01 00 2D 01 47 01 00 01 60 00 2B 16->201肯定确认 10 80 01 00 81 16<-201单点命令(激活终止) 68 0B 0B 68 73 01 00 2D 01 0A 01 00 01 60 00 0E 16->201肯定确认 10 80 01 00 81 16->201单点命令(激活) 68 0B 0B 68 F3 01 00 2D 01 06 01 00 01 60 80 0A 16<-201肯定确认 10 00 01 00 01 16<-201单点命令(激活确认) 68 0B 0B 68 73 01 00 2D 01 07 01 00 01 60 80 8B 16->201肯定确认 10 80 01 00 81 16->201单点命令(激活) 68 0B 0B 68 D3 01 00 2D 01 06 01 00 01 60 01 6B 16<-201肯定确认 10 00 01 00 01 16<-201单点命令(激活确认否定确认) 68 0B 0B 68 53 01 00 2D 01 47 01 00 01 60 01 2C 16->201肯定确认 10 80 01 00 81 16<-201单点命令(激活终止) 68 0B 0B 68 73 01 00 2D 01 0A 01 00 01 60 01 0F 16->201肯定确认 10 80 01 00 81 16->201单点命令(激活) 68 0B 0B 68 D3 01 00 2D 01 06 01 00 02 60 81 EC 16<-201肯定确认 10 00 01 00 01 16<-201单点命令(未知的信息对象地址否定确认) 68 0B 0B 68 53 01 00 2D 01 6F 01 00 02 60 81 D5 16->201肯定确认 10 80 01 00 81 16->201单点命令(激活) 68 0B 0B 68 F3 01 00 2D 01 06 01 00 02 60 01 8C 16<-201肯定确认 10 00 01 00 01 16<-201单点命令(未知的信息对象地址否定确认) 68 0B 0B 68 73 01 00 2D 01 6F 01 00 02 60 01 75 16->201肯定确认 10 80 01 00 81 16<-201单点命令(激活终止) 68 0B 0B 68 53 01 00 2D 01 0A 01 00 02 60 01 F0 16->201肯定确认10 80 01 00 81 16->201心跳测试报文 10 F2 01 00 F3 16<-201肯定确认 10 00 01 00 01 16->201心跳测试报文 10 D2 02 00 D4 16->201心跳测试报文 10 D2 02 00 D4 16->201心跳测试报文 10 D2 02 00 D4 16->201心跳测试报文 10 D2 02 00 D4 1613. 链路地址错误(容错测试)(地址由1改为了2,终端是否回复?不回复正确)14. 终端重发机制测试(在总召唤或组召唤命令进行)12. 遥控非正常点位(容错测试)10.遥控选择合+执行分(容错测试)11. 遥控选择分+执行合(容错测试)。