估算电感在开关电源中的损耗
- 格式:doc
- 大小:29.50 KB
- 文档页数:2
开关电源电路各种损耗的分析01输入部分损耗1、脉冲电流造成的共模电感T的内阻损耗加大适当设计共模电感,包括线径和匝数2、放电电阻上的损耗在符合安规的前提下加大放电电阻的组织3、热敏电阻上的损耗在符合其他指标的前提下减小热敏电阻的阻值02启动损耗普通的启动方法,开关电源启动后启动电阻回路未切断,此损耗持续存在。
改善方法:恒流启动方式启动,启动完成后关闭启动电路降低损耗。
03与开关电源工作相关的损耗04钳位电路损耗有放电电阻存在,mos开关管每次开关都会产生放电损耗改善方法:用TVS钳位如下图,可免除电阻放电损耗(注意:此处只能降低电阻放电损耗,漏感能量引起的尖峰损耗是不能避免的)当然最根本的改善办法是,降低变压器漏感。
05供电绕组的损耗电源芯片是需要一定的电流和电压进行工作的,如果Vcc供电电压越高损耗越大。
改善方法:由于IC内部消耗的电流是不变的,在保证芯片能在安全工作电压区间的前提下尽量降低Vcc供电电压!06变压器的损耗由于待机时有效工作频率很低,并且一般限流点很小,磁通变化小,磁芯损耗很小,对待机影响不大,但绕组损耗是不可忽略的。
07变压器绕组引起的损耗绕组的层与层之间的分布电容的充放电损耗(分布电容在开关MOS管关断时充电,在开关MOS管开通时放电引起的损耗。
)当测试mos管电流波形时,刚开启的时候有个电流尖峰主要由变压器分布电容引起。
改善方法:在绕组层与层之间加绝缘胶带,来减少层间分布电容。
08开关管MOSFET上的损耗mos损耗包括:导通损耗,开关损耗,驱动损耗。
其中在待机状态下最大的损耗就是开关损耗。
改善办法:降低开关频率、使用变频芯片甚至跳频芯片(在空载或很轻负载的情况下芯片进入间歇式振荡)09整流管上的吸收损耗输出整流管上的结电容与整流管的吸收电容在开关状态下引起的尖峰电流反射到原边回路上,引起的开关损耗。
另外还有吸收电路上的电阻充放电引起的损耗。
改善方法:在其他指标允许的前提下尽量降低吸收电容的容值,降低吸收电阻的阻值。
开关电源电感计算总结公司标准化编码 [QQX96QT-XQQB89Q8-NQQJ6Q8-MQM9N]
开关电源电感选择
1.开关电源选择主要控制两个参数:
一个是电感peak current,即电感的峰值电流不能超过电感的饱和电流。
峰值电流可通过调节电感量等来控制,可以通过电感平均电流加上(电感纹波电流/2)来衡量。
一个是inductor peak to peak ripple 即电感纹波电流,即△I,根据公式:
△I=VS*D/(FS*L) **(此公式为近似公式,如手册有公式可按手册上计算)
可以根据纹波电流要求计算出电感量。
一般△I按电感DC current即电感平均电流来计算,具体取的百分比手册会给出一般10%-40%。
电感的DC current计算公式:
I DC =VOUT*IOUT/(VIN*η),η为转换效率
电感的纹波电流越大,电感上耗散的功率就越大,增加EMI同时也会造成输出的纹波越大,又由于△I与电感成反比,从这个角度看,电感越大越好。
但是,电感越大,会造成开关电源反馈回路增益降低,降低系统的工作带宽,可能导致系统工作不稳定,而且还存在电感越大,尺寸越大的问题。
电感过小会降低输出电流,效率,产生较大的输入纹波。
因此,在选择电感式,要从功耗和电感尺寸、电感量上折中选择。
2.电感计算流程
先列出已知参数VOUT ,VIN, IOUT,FS, η
计算I DC ,根据需要定△I
计算电感量L
3.其他
电感的选择还存在一个参数的选择:电感的直流阻抗,这个参数影响开关电源的转换效率。
电感的直流阻抗与封装形式有关,与尺寸成反比。
开关器件开关过程损耗计算公式开关器件是电子电路中常见的一种元件,用于控制电流的通断。
在开关器件的开关过程中,会产生一定的损耗。
本文将介绍开关过程损耗的计算公式及其背后的原理。
开关器件的损耗主要包括导通损耗和关断损耗。
导通损耗是指开关器件在导通状态下的功率损耗,关断损耗是指开关器件在关断状态下的功率损耗。
我们来看导通损耗的计算公式。
导通损耗与开关器件的导通电阻和电流有关。
一般来说,导通损耗可以通过以下公式计算:导通损耗 = 导通电阻 × (导通电流)^2其中,导通电流是指开关器件在导通状态下通过的电流,导通电阻是指开关器件在导通状态下的电阻。
接下来,我们来看关断损耗的计算公式。
关断损耗与开关器件的关断电流和关断时间有关。
一般来说,关断损耗可以通过以下公式计算:关断损耗 = 关断电流 × 关断时间其中,关断电流是指开关器件在关断状态下的电流,关断时间是指开关器件从导通状态到关断状态所需的时间。
需要注意的是,开关器件的开关过程中还会有其他损耗,如开关过程中的动态损耗和开关过程中的电压损耗。
这些损耗通常可以通过实验测量或仿真计算得到。
开关过程损耗的计算公式可以帮助工程师评估开关器件的性能,并优化电路设计。
通过减小导通损耗和关断损耗,可以提高开关器件的效率,减少能量损耗。
除了通过计算公式来评估开关过程损耗,工程师还可以通过选择合适的开关器件和优化电路设计来降低损耗。
例如,选择导通电阻较小的开关器件,可以减小导通损耗;合理设计电路,减小关断时间,可以降低关断损耗。
总结起来,开关过程损耗的计算公式为导通损耗 = 导通电阻 × (导通电流)^2,关断损耗 = 关断电流 × 关断时间。
通过计算和优化,可以降低开关器件的损耗,提高电路的效率。
在实际应用中,工程师需要根据具体情况选择合适的开关器件和优化电路设计,以达到最佳的性能和能量效率。
开关电源8大损耗,讲的太详细了能量转换系统必定存在能耗,虽然实际应用中无法获得100%的转换效率,但是,一个高质量的电源效率可以达到非常高的水平,效率接近95%。
绝大多数电源IC 的工作效率可以在特定的工作条件下测得,数据资料中给出了这些参数。
一般厂商会给出实际测量的结果,但我们只能对我们自己的数据担保。
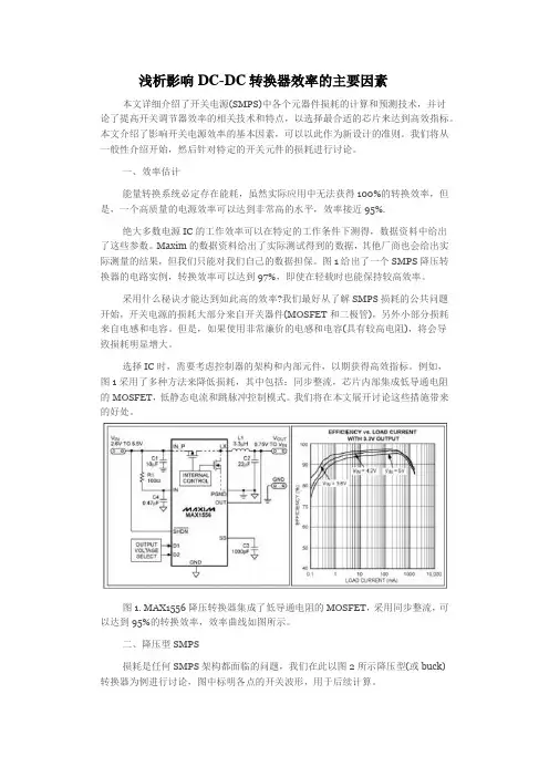
图1 给出了一个SMPS 降压转换器的电路实例,转换效率可以达到97%,即使在轻载时也能保持较高效率。
采用什么秘诀才能达到如此高的效率?我们最好从了解SMPS 损耗的公共问题开始,开关电源的损耗大部分来自开关器件(MOSFET 和二极管),另外小部分损耗来自电感和电容。
但是,如果使用非常廉价的电感和电容(具有较高电阻),将会导致损耗明显增大。
选择IC 时,需要考虑控制器的架构和内部元件,以期获得高效指标。
例如,图1 采用了多种方法来降低损耗,其中包括:同步整流,芯片内部集成低导通电阻的MOSFET,低静态电流和跳脉冲控制模式。
我们将在本文展开讨论这些措施带来的好处。
图1. 降压转换器集成了低导通电阻的MOSFET,采用同步整流,效率曲线如图所示。
降压型SMPS损耗是任何SMPS 架构都面临的问题,我们在此以图2 所示降压型(或buck)转换器为例进行讨论,图中标明各点的开关波形,用于后续计算。
降压转换器的主要功能是把一个较高的直流输入电压转换成较低的直流输出电压。
为了达到这个要求,MOSFET 以固定频率(f S),在脉宽调制信号(PWM)的控制下进行开、关操作。
当MOSFET 导通时,输入电压给电感和电容(L 和C OUT)充电,通过它们把能量传递给负载。
在此期间,电感电流线性上升,电流回路如图2 中的回路1 所示。
当MOSFET 断开时,输入电压断开与电感的连接,电感和输出电容为负载供电。
电感电流线性下降,电流流过二极管,电流回路如图中的环路2 所示。
MOSFET 的导通时间定义为PWM 信号的占空比(D)。
浅析影响DC-DC转换器效率的主要因素本文详细介绍了开关电源(SMPS)中各个元器件损耗的计算和预测技术,并讨论了提高开关调节器效率的相关技术和特点,以选择最合适的芯片来达到高效指标。
本文介绍了影响开关电源效率的基本因素,可以以此作为新设计的准则。
我们将从一般性介绍开始,然后针对特定的开关元件的损耗进行讨论。
一、效率估计能量转换系统必定存在能耗,虽然实际应用中无法获得100%的转换效率,但是,一个高质量的电源效率可以达到非常高的水平,效率接近95%.绝大多数电源IC的工作效率可以在特定的工作条件下测得,数据资料中给出了这些参数。
Maxim的数据资料给出了实际测试得到的数据,其他厂商也会给出实际测量的结果,但我们只能对我们自己的数据担保。
图1给出了一个SMPS降压转换器的电路实例,转换效率可以达到97%,即使在轻载时也能保持较高效率。
采用什么秘诀才能达到如此高的效率?我们最好从了解SMPS损耗的公共问题开始,开关电源的损耗大部分来自开关器件(MOSFET和二极管),另外小部分损耗来自电感和电容。
但是,如果使用非常廉价的电感和电容(具有较高电阻),将会导致损耗明显增大。
选择IC时,需要考虑控制器的架构和内部元件,以期获得高效指标。
例如,图1采用了多种方法来降低损耗,其中包括:同步整流,芯片内部集成低导通电阻的MOSFET,低静态电流和跳脉冲控制模式。
我们将在本文展开讨论这些措施带来的好处。
图1. MAX1556降压转换器集成了低导通电阻的MOSFET,采用同步整流,可以达到95%的转换效率,效率曲线如图所示。
二、降压型SMPS损耗是任何SMPS架构都面临的问题,我们在此以图2所示降压型(或buck)转换器为例进行讨论,图中标明各点的开关波形,用于后续计算。
图2.通用降压型SMPS电路和相关波形,对于理解SMPS架构提供了一个很好的参考实例。
降压转换器的主要功能是把一个较高的直流输入电压转换成较低的直流输出电压。
估算电感在开关电源中的功耗开关电源的功耗是多方面的,包括功率MOSFET损耗、输入/输出电容损耗、控制器静态功耗以及电感损耗。
本文主要讨论电感损耗。
众所周知,电感损耗包括两方面:其一是与磁芯相关的损耗,即传统的铁损;其二是与电感绕组相关的损耗,即通常所谓的铜损。
功率电感在开关电源中作为一种储能元件,开关导通期间存储磁能,开关断开期间把存储的能量传送给负载。
磁滞特性是磁芯材料的典型特性,正是它产生电感磁芯的损耗。
导磁率越大,磁滞曲线越窄,磁芯功耗越小。
图1电感功耗的等效模型电感磁芯中的功耗电感在一个开关周期内由于磁场强度改变产生的能量损耗是在开关导通期间输入电感的磁能与开关断开期间输出磁能之间的差值。
如果用ET代表一个开关周期电感的能量,则:。
根据安培定律:和xx定律:,上述等式中的ET为:。
随着电感电流减小,磁场强度减弱,而磁感应强度从另一回路返回并变小。
在此期间,大部分能量传送给负载,而存储能量和传送能量之间的差值即为损失的能量。
而磁芯由于磁滞特性引起的功耗是上述能量损耗乘以开关频率。
该损耗大小与艬n有关,对于大多数铁氧体材质磁芯而言,n介于2.5~3之间。
到目前为止,上述磁芯储能和损耗的推导与结论都基于下列条件:磁芯工作在非饱和区;开关频率在磁芯正常工作范围内。
电感磁芯除了上述的磁滞损耗外,第二种主要损耗是涡流损耗。
感应涡流在磁芯中流动将产生I2×R(或V2/R)的功耗。
如果把磁芯想象为一个高阻值元件RC,那么,在RC将产生感应电压,根据法拉第定律,,其中AC为磁芯的有效截面积,因此功耗为:,由此可见,磁芯由于涡流导致的功耗与磁芯中单位时间内磁通变化量的平方成正比。
另外,由于磁通变化量直接与所加电压成正比,所以,磁芯的涡流功耗与电感电压和占空比成正比,即:,其中VL为电感电压,tAPPLIED为一个开关周期(TP)中开关的导通(ON)或截止(OFF)时间。
由于磁芯材料的高阻特性,通常涡流损耗比磁滞损耗小得多,通常数据手册中给出的磁芯损耗包括涡流损耗和磁滞损耗。
开关电源的开关损耗作者:Roger Kenyon 美信公司应用工程部总监Switching loss in switch-mode power supplies基于电感的开关电源(SM-PS)包含一个功率开关,用于控制输入电源流经电感的电流。
大多数开关电源设计选择MOSFET作开关(图1a中Q1),其主要优点是MOSFET在导通状态具有相对较低的功耗。
MOSFET完全打开时的导通电阻(RDS(ON))是一个关键指标,因为MOSFET的功耗随导通电阻变化很大。
开关完全打开时,MOSFET的功耗为ID2与RDS(ON)的乘积。
如果RDS(ON)为0.02W,ID为1A,则MOSFET功耗为0.02*12=0.02W。
功率MOSFET的另一功耗源是栅极电容的充放电。
这种损耗在高开关频率下非常明显,而在稳态(MOSFET连续导通)情况下,MOSFET 栅极阻抗极高,典型的栅极电流在纳安级,因此,这时栅极电容引起的功耗则微不足道。
转换效率是SMPS的重要指标,须选择尽可能低的RDS(ON)。
MOSFET制造商也在坚持不懈地开发低导通电阻的MOSFET,以满足这一需求。
随着蜂窝电话、PDA及其他电子设备的体积要求越来越小,对电子器件,包括电感、电容、MOSFET 等的尺寸要求也更加苛刻。
减小SMPS体积的通用方法是提高它的开关频率,开关频率高容许使用更小的电感、电容,使外部元件尺寸最小。
不幸的是,提高SMPS的开关频率会降低转换效率,即使MOSFET的导通电阻非常小。
工作在高开关频率时,MOSFET的动态特性,如栅极充放电和开关时间变得更重要。
可以看到在较高的开关频率时,高导通电阻的MOSFET反而可以提高SMPS的效率。
为了理解这个现象就不能只看MOSFET的导通电阻。
下面讨论了N沟道增强型MOSFET的情况,其它类型的MOSFET具有相同结果。
图1. 一个典型的升压转换器(a)利用MOSFET控制流经电感至地。
开关损耗计算公式1.开关损耗的概念开关电源作为一种常见的电源类型,其在使用过程中会伴随着损耗。
而其中重要的一种就是开关损耗,这种损耗是由于开关管在反复进行开关过程中,会产生电感、电容、二极管等等的反向电流,从而产生能量损耗,这些损耗就是开关损耗。
2.开关损耗的分类开关损耗可分为导通损耗和开关损耗两种。
导通损耗是指开关管导通时的损耗,其大小取决于开关管的导通电阻及电源电压;而开关损耗是指开关管有明显的反向阻抗及电子载流子的迁移,从而在反向断路时产生的损耗,其大小取决于开关管的开关频率及负载电容。
3.开关损耗的计算公式开关损耗的计算公式为:Psw=0.5fvho*(Eon+Eoff)*Iload其中,Psw代表开关损耗功率,f为开关频率,vho为开关管输出电压幅值,Eon为开管损失,Eoff为关管损失,Iload为负载电流。
4.各项参数的解释开关损耗公式中的各项参数解释如下:(1)fvho:开关管输出电压幅值,由于开关管导通时,肯定有较小的电压掉电,因此这里要用输出电压的幅值来计算。
(2)Eon:开关管开启损耗,是指开关管在导通时产生的损耗,由于导通阻抗的存在,电流只能通过少量的电阻降,因此产生一定的损耗。
(3)Eoff:开关管关闭损耗,是指开关管在关断时产生的损耗,因为关断过程中会出现电容放电、电感储能等现象,所以会产生相应的能量损耗。
(4)Iload:负载电流,开关管所控制的负载电流,与电路中电阻和电容等元器件有关。
5.开关损耗的影响因素(1)开关频率:开关频率越高,开关管的损耗就越大,这是由于开关管在高频率下会出现更多的反向电流。
(2)开关管特性:开关管的导通阻抗、关断速度等特性,都会对开关损耗产生影响。
(3)电源电压:电源电压高,开关损耗也会随之增大。
6.如何降低开关损耗为了降低开关损耗,可以从以下几个方面入手:(1)选择适合的开关管型号,如IGBT、MOS、SBD等,根据具体场合,选用性价比高的产品。
最全开关电源相关计算开关电源是一种将不稳定的电压转换成稳定的输出电压的电源装置。
它采用了开关管(通常是MOS管)的开关动作,通过时序控制产生一个高速的开关电压,然后通过电感和电容进行滤波以得到稳定的输出电压。
开关电源的效率高、体积小、重量轻且可靠性强,因此在现代电子设备中得到广泛应用。
在设计和计算开关电源时,一般需要考虑以下几个方面:1.输入功率计算:输入功率(Pin)是指从交流电源输入到开关电源的实际功率,可以通过以下公式计算:Pin = Vac × Iac × Power Factor其中,Vac是交流电源的电压值,Iac是交流电源的电流值,Power Factor是功率因素。
2.输出功率计算:输出功率(Pout)是指开关电源输出的电功率,可以通过以下公式计算:Pout = Vout × Iout其中,Vout是开关电源的输出电压值,Iout是开关电源的输出电流值。
3.开关电源的效率计算:效率(η)是指开关电源输出功率与输入功率之间的比率,可以通过以下公式计算:η = Pout / Pin × 100%4.输出电压波动计算:输出电压波动(Vripple)是指开关电源输出电压的纹波(波动),可以通过以下公式计算:Vripple = (ΔI × DT) / (2 × C)其中,ΔI是输出电流的波动值,DT是开关频率下通导时间的百分比,C是输出电容值。
5.电感电流峰值计算:电感电流峰值(Ipeak)是指开关电源输出电感上的最大电流值,可以通过以下公式计算:Ipeak = Iout + (ΔI / 2)其中,Iout是开关电源的输出电流值,ΔI是输出电流的波动值。
6.输出电容计算:输出电容(Cout)是为了减小输出电压波动而加入的电容,可以通过以下公式计算:Co ut = (ΔI × DT) / (2 × Vripple)其中,ΔI是输出电流的波动值,DT是开关频率下通导时间的百分比,Vripple是允许的输出电压波动值。
在BUCK型开关电源中,如果没有损耗,那效率就是100%,但这是不可能的,BUCK型开关电源中主要的损耗是导通损耗和交流开关损耗,导通损耗主要是指MOS管导通后的损耗和肖特基二极管导通的损耗(是指完全导通后的损耗,因为导通不是瞬间导通,有个从线性区到非线性区的过程),在MOS管导通时,由于存在导通电阻,那么流过电流就必然存在导通损耗,而肖特基导通损耗是指在MOS 管关闭期间,由于电感的电流不能突变加上电感反冲现象,会产生与MOS管导通时的相反电压方向,从而使肖特基导通,流过的电流会在肖特基上产生损耗。
由于MOS管在导通的时候,流过其的电流不是瞬间达到最大,此时电流有个从零逐渐上升到最大的过程,此时MOS管漏源(DS)之间的电压也是从Vdc逐渐下降到零,MOS管关闭的时候也存在此情况,只是与打开的时候过程相反,那么在这逐渐的过程中就会产生损耗,这就是交流开关损耗,交流开关损耗包括MOS管打开和关闭损耗,交流开关损耗与开关的频率成正比,因为一开一关的次数越多,损耗自然就大了。
在忽略交流开关损耗的情况下,假设输入电压Vdc,输出电压为V o,MOS管导通时间为Ton,关闭时间为T off,整个周期为T,即T=Ton+Toff。
在MOS管导通期间流过的平均电流为Io,由于电感电流不能突变,那么在MOS管关闭期间流过肖特基的平均电流也为Io,在MOS管和肖特基导通期间产生的压差基本为1V,那么导通损耗=P(mos管)+P(肖特基)=1*Io*Ton/T+1*Io*Toff/T=1*Io。
那么此时的效率E=Po/(Po+Plosse)=(Vo*Io)/(Vo*Io)+(1*Io)=Vo/Vo+1。
在考虑交流开关损耗的时候,基本交流开关损耗可以分两种情况来考虑,第一种情况是MOS管导通期间,电流开始上升的时候电压同时开始下降,MOS管关闭期间电流开始下降的时候电压同时上升,此种情况也是最理想的情况(一般实际情况很难达到),那么在此情况下,交流开关损耗=整个开关周期的导通损耗+整个开关周期的关断损耗=(时间从0到T on,流过电流和电压剩积的积分)*(Ton/T)+(时间从0到T off,流过电流和电压剩积的积分)*(Toff/T)=Io*Vdc/6*(Ton/T)+Io*Vdc/6*(Toff/T)。
Buck变换器输出滤波电感计算案例:输入电压:15V;(为简单,假定输入电压不变化)输出电压:5V,电流:2A;工作频率:250kHz电感量:35μH,电流0到2A允许磁芯磁通变化部超过20%,即电感量变化不超过20%;绝对损耗:300mW自然冷却,温升ΔT:40℃根据以上要求可以得到D=5/15=0.33; 纹波电流峰峰值d I=U d t/L=(15-5)(33%×4μs)/35μH=0.377A(约为直流分量的20%);电感绝对损耗为300mW,磁芯损耗和线圈损耗各占50%,所以最大损耗电阻为R=P/I2=150mW/22 =37.5mΩ。
电感变化量小于20%,这就意味着,临界连续时需要的电感是44μH(44μ×80%=35μH)。
1、磁芯选择方法:因为工作频率高,采用MPP材料的磁粉芯,因而必须有Magnetics公司的产品手册。
步骤如下:计算要求的电感存储的能量→查阅磁芯选择指南→获得磁芯型号和μ→查找磁芯尺寸→查得AL→根据要求的电感量试算所需匝数→计算磁场强度→查阅磁导率下降百分比→达到要求的电感增加还是减少匝数→改选磁芯→重复以上步骤,直到达到要求的电感量→计算导线尺寸→计算铜损耗→计算脉动磁通密度分量→计算磁芯损耗→计算总损耗→计算磁芯温升,保证在合理范围内2、初算:这里采用MPP磁粉芯设计我们的电感,首先查阅Magnetics公司的手册。
从手册中找到选择指南图5-7,这里是设计是开始点。
如果没有磁芯选择指南,也可以根据以前设计凭经验确定。
虽然第一次试选不是十分重要,但它可以减少你的工作量。
从电感所要存储的能量(是实际值的两倍)开始。
在2A时电感量35μH(0.035mH),两倍的能量为(2A)2×0.035=0.14mJ。
在图5.6上由0.14mJ纵向画一直线,与300μ磁芯(磁芯初始磁导率为300)相交,交点向右找到纵坐标上的代号55035和55045磁芯之间,暂选择55045磁芯。
在BUCK型开关电源中,如果没有损耗,那效率就是100%,但这是不可能的,BUCK型开关电源中主要的损耗是导通损耗和交流开关损耗,导通损耗主要是指MOS管导通后的损耗和肖特基二极管导通的损耗(是指完全导通后的损耗,因为导通不是瞬间导通,有个从线性区到非线性区的过程),在MOS管导通时,由于存在导通电阻,那么流过电流就必然存在导通损耗,而肖特基导通损耗是指在MOS 管关闭期间,由于电感的电流不能突变加上电感反冲现象,会产生与MOS管导通时的相反电压方向,从而使肖特基导通,流过的电流会在肖特基上产生损耗。
由于MOS管在导通的时候,流过其的电流不是瞬间达到最大,此时电流有个从零逐渐上升到最大的过程,此时MOS管漏源(DS)之间的电压也是从Vdc逐渐下降到零,MOS管关闭的时候也存在此情况,只是与打开的时候过程相反,那么在这逐渐的过程中就会产生损耗,这就是交流开关损耗,交流开关损耗包括MOS管打开和关闭损耗,交流开关损耗与开关的频率成正比,因为一开一关的次数越多,损耗自然就大了。
在忽略交流开关损耗的情况下,假设输入电压Vdc,输出电压为Vo,MOS管导通时间为Ton,关闭时间为Toff,整个周期为T,即T=Ton+Toff。
在MOS管导通期间流过的平均电流为Io,由于电感电流不能突变,那么在MOS管关闭期间流过肖特基的平均电流也为Io,在MOS管和肖特基导通期间产生的压差基本为1V,那么导通损耗=P(mos管)+P(肖特基)=1*Io*Ton/T+1*Io*Toff/T=1*Io。
那么此时的效率E=Po/(Po+Plosse)=(Vo*Io)/(Vo*Io)+(1*Io)=Vo/Vo+1。
在考虑交流开关损耗的时候,基本交流开关损耗可以分两种情况来考虑,第一种情况是MOS管导通期间,电流开始上升的时候电压同时开始下降,MOS管关闭期间电流开始下降的时候电压同时上升,此种情况也是最理想的情况(一般实际情况很难达到),那么在此情况下,交流开关损耗=整个开关周期的导通损耗+整个开关周期的关断损耗=(时间从0到Ton,流过电流和电压剩积的积分)*(Ton/T)+(时间从0到Toff,流过电流和电压剩积的积分)*(Toff/T)=Io*Vdc/6*(Ton/T)+Io*Vdc/6*(Toff/T)。
开关损耗计算公式开关损耗是指在电子开关工作过程中,由于开关元件的导通和截止引起的能量损耗。
准确计算开关损耗对于电子设备的设计和性能评估非常重要。
下面将介绍开关损耗的计算公式及其相关内容。
一、开关损耗的定义和意义开关损耗是指在开关元件(如晶体管、功率MOSFET等)导通和截止的过程中产生的能量损耗。
这些能量损耗会以热量的形式释放出来,使得开关元件温度升高,同时也影响整个电子系统的性能和稳定性。
准确计算开关损耗可以帮助工程师评估开关元件的工作状态、热管理需求以及系统的效率。
同时,合理降低开关损耗可以提高设备的工作效率,延长元件的寿命,降低能源消耗。
二、开关损耗的计算公式开关损耗的计算公式可以根据开关元件的导通和截止过程来推导。
以下是常用的两个公式。
1. 开关元件导通损耗的计算公式:P_con = V_CE × I_C × t_on其中,P_con代表开关元件导通损耗,V_CE代表开关元件导通时的电压降,I_C代表开关元件导通时的电流,t_on代表开关元件导通的时间。
2. 开关元件截止损耗的计算公式:P_off = V_CE × I_C × t_off其中,P_off代表开关元件截止损耗,V_CE代表开关元件截止时的电压降,I_C代表开关元件截止时的电流,t_off代表开关元件截止的时间。
三、开关损耗的影响因素开关损耗的大小受到多个因素的影响,主要包括以下几个方面:1. 开关频率:开关频率越高,开关损耗越大。
因为开关元件在每个开关周期内需要进行多次导通和截止,从而产生更多的能量损耗。
2. 开关电压和电流:开关元件导通时的电压和电流越大,开关损耗越大。
3. 开关时间:开关元件导通和截止的时间越长,开关损耗越大。
4. 开关元件的材料和结构:不同材料和结构的开关元件具有不同的导通和截止特性,从而影响开关损耗的大小。
四、减小开关损耗的方法为了减小开关损耗,可以采取以下几种方法:1. 选择合适的开关元件:根据具体应用需求选择合适的开关元件,包括导通电压和电流的要求,以及开关频率等参数。
开关电源计算公式开关电源是一种常见的电源类型,它通过控制开关管的导通和截断来实现电压转换调节的功能,广泛应用于电子设备和电力系统中。
开关电源的计算公式涉及到多个参数和电路特性,下面将详细介绍。
一、基本参数:1.输入电压(Vi):即电源供电的电压大小,用V表示,比如220V、110V等。
2.输出电压(Vo):即开关电源输出的电压大小,用V表示,比如+12V、+24V等。
3.输出电流(Io):即开关电源输出的电流大小,用A表示,比如2A、5A等。
二、功率计算:功率是电流和电压的乘积,开关电源的功率计算公式为:P=Vo×Io三、效率计算:效率是输出功率与输入功率的比值,开关电源的效率计算公式为:η=(Po/Pi)×100%四、输入功率计算:输入功率是电源输入电流(Ii)与输入电压(Vi)的乘积,开关电源的输入功率计算公式为:Pi=Vi×Ii五、开关管损耗计算:开关管的损耗通过开关管导通和截断的交替工作来产生,损耗可以分为导通损耗和截断损耗两部分:1.导通损耗:开关管导通时,通过管的电流会引起导通损耗,计算公式为:Pd=Vf×If2.截断损耗:开关管截断时,截断电流流过管的电压会引起截断损耗,计算公式为:Prr = Vrr × Irr六、开关频率计算:开关频率是指开关管进行导通和截断操作的次数,一般以kHz为单位,计算公式为:f = 1 / (Ton + Toff)其中,Ton为导通时间,Toff为截断时间,可以通过控制电路来调节。
七、电感器选取:开关电源中的电感器用于存储和释放能量,通常根据输入电压、输出电压和输出电流来选择,具体选取的公式和设计方法较为复杂,需要参考开关电源设计手册或相关资料。
八、输出电容器选取:开关电源中的输出电容器用于平滑输出电压,一般需要根据输出电压的波动范围和负载变化情况来选取。
具体选取的公式和设计方法也较为复杂,需要参考开关电源设计手册或相关资料。
coss损耗计算
标题:理解与计算Coss损耗
一、引言
在电子电路设计中,尤其是在开关电源的设计中,了解并准确计算各种损耗是非常重要的。
其中,Coss(电容杂散电感)损耗是一个不可忽视的部分。
本文将详细介绍Coss损耗的原理以及如何进行计算。
二、Coss损耗的原理
Coss损耗是由于开关过程中电容器两端电压变化导致的功率损耗。
当开关器件导通或关断时,电容器两端的电压会瞬间改变,这会导致电容器通过开关器件的电流发生变化,从而产生功率损耗。
这种损耗通常被称为Coss损耗。
三、Coss损耗的计算
Coss损耗的计算公式为:
Pcoss = 0.5 * Coss * V^2 * f
其中,Pcoss是Coss损耗,Coss是电容器的等效串联电阻,V是电容器两端的电压变化量,f是开关频率。
四、降低Coss损耗的方法
1. 选择低Coss的电容器:通过选择低Coss的电容器,可以有效降低Coss损耗。
2. 提高开关频率:虽然提高开关频率会增加Coss损耗,但是可以通过其他方式(如使用同步整流器)来抵消这部分损耗。
3. 使用软开关技术:软开关技术可以在开关过程中减小电压和电流的变化率,从而降低Coss损耗。
五、结论
总的来说,理解并正确计算Coss损耗对于优化电子电路设计,尤其是开关电源设计,具有重要的意义。
通过选择合适的电容器和优化开关过程,可以有效地降低Coss损耗,提高电路效率。
BUCK型开关电源中的损耗与效率的计算BUCK(降压)型开关电源是一种常见的电源系统,广泛应用于各种电子设备中。
计算BUCK型开关电源的损耗与效率是非常重要的,可以帮助我们了解电源系统的性能和优化设计。
本文将详细介绍如何计算BUCK型开关电源的损耗与效率。
1.BUCK型开关电源的工作原理工作原理如下:-当输入电压大于输出电压时,开关管关闭,电感储存能量;-当输入电压小于输出电压时,开关管打开,电感释放能量,使输出电流继续供电。
2.BUCK型开关电源的损耗2.1静态损耗静态损耗主要包括开关管的导通损耗和电感元件的电流损耗。
- 开关管的导通损耗可以通过导通电流和开关管的导通电阻来计算,即 P1 = I(on) * R(on)。
- 电感元件的电流损耗可以通过电感电流和电感的电阻来计算,即P2 = I(lm)² * R(lm)。
2.2动态损耗动态损耗主要包括开关管的开关损耗和反馈电路的功耗。
- 开关管的开关损耗可以通过开关频率、开关管的导通电阻和电容负载来计算,即 P3 = f * V(in) * I(C) * (t(on) + t(off)),其中 f为开关频率,V(in)为输入电压,I(C)为电容负载电流,t(on)和t(off)为开关管的导通时间和关断时间。
- 反馈电路的功耗主要来自反馈控制电路,可以通过电压和电流来计算,即 P4 = V(fbk) * I(fbk)。
总的损耗为 P(total) = P1 + P2 + P3 + P43.BUCK型开关电源的效率输出功率可以通过输出电压和输出电流来计算,即 P(out) = V(out) * I(out)。
输入功率可以通过输入电压和输入电流来计算,即 P(in) = V(in) * I(in)。
4.优化BUCK型开关电源的设计为了提高BUCK型开关电源的效率,可以采取以下措施:-选择低导通电阻的开关管,减少导通损耗。
-选择低电阻的电感元件,减少电流损耗。
估算电感在开关电源中的功耗
开关电源的功耗是多方面的,包括功率MOSFET损耗、输入/输出电容损耗、控制器静态功耗以及电感损耗。
本文主要讨论电感损耗。
众所周知,电感损耗包括两方面:其一是与磁芯相关的损耗,即传统的铁损;其二是与电感绕组相关的损耗,即通常所谓的铜损。
功率电感在开关电源中作为一种储能元件,开关导通期间存储磁能,开关断开期间把存储的能量传送给负载。
磁滞特性是磁芯材料的典型特性,正是它产生电感磁芯的损耗。
导磁率越大,磁滞曲线越窄,磁芯功耗越小。
图1 电感功耗的等效模型
电感磁芯中的功耗
电感在一个开关周期内由于磁场强度改变产生的能量损耗是在开关导通期间输入电感的磁能与开关断开期间输出磁能之间的差值。
如果用ET代表一个开关周期电感的能量,则:。
根据安培定律:和法拉第定律:,上述等式中的ET为:。
随着电感电流减小,磁场强度减弱,而磁感应强度从另一回路返回并变小。
在此期间,大部分能量传送给负载,而存储能量和传送能量之间的差值即为损失的能量。
而磁芯由于磁滞特性引起的功耗是上述能量损耗乘以开关频率。
该损耗大小与艬n有关,对于大多数铁氧体材质磁芯而言,n介于2.5~3之间。
到目前为止,上述磁芯储能和损耗的推导与结论都基于下列条件:磁芯工作在非饱和区;开关频率在磁芯正常工作范围内。
电感磁芯除了上述的磁滞损耗外,第二种主要损耗是涡流损耗。
感应涡流在磁芯中流动将产生I2×R(或V2/R)的功耗。
如果把磁芯想象为一个高阻值元件RC,那么,在RC将产生感应电压,根据法拉第定律,,其中AC为磁芯的有效截面积,因此功耗为:,由此可见,磁芯由于涡流导致的功耗与磁芯中单位时间内磁通变化量的平方成正比。
另外,由于磁通变化量直接与所加电压成正比,所以,磁芯的涡流功耗与电感电压和占空比成正比,即:,其中VL为电感电压,tAPPLIED为一个开关周期(TP)中开关的导通(ON)或截止(OFF)时间。
由于磁芯材料的高阻特性,通常涡流损耗比磁滞损耗小得多,通常数据手册中给出的磁芯损耗包括涡流损耗和磁滞损耗。
测量磁芯的损耗是很困难的事情,因为它包括繁琐的磁感应强度测量和磁滞回路面积估算,多数电感厂家并未提供这些参数。
虽然如此,仍可利用这些曲线对磁芯损耗进行估算。
这些曲线可从磁芯材料厂商获得,通常以磁感应强度和工作频率为变量给出功率损耗,单位为W/kg或W/cm3。
磁芯材料公司Magnetics提供了上述数据,其中给出了磁芯损耗与磁感应强度在各种频率下的关系曲线。
如果已知电感采用了某种铁氧体材料磁芯并知道其体积,则可以根据这些关系曲线对其磁芯损耗做出很好的估算。
这类曲线是利用双极性变化的磁通,对
电感施加变化的正弦电压信号得到的。
由于DC/DC变换器电感上的开关电压波形是方波信号,其中包含高次谐波分量,且磁通变化仅为单极性,因此可利用开关波形的基波分量和磁感应强度变化量的1/2估算磁芯损耗的近似值。
而电感磁芯的体积或重量可以通过测量或估计得到。
电感线圈中的功耗
为电流渗透率( 为导体的电阻率, 是绕组材料的电阻系数(通常为铜材,其),Area为绕阻导线有效截面积。
由于体积较小的电感通常采用线径较细的导线,因此有效截面积较小,直流电阻较大。
再者,电感量较大的电感需要绕制的匝数较多,因此线圈导线较长,电阻也会增大。
对于直流电压,线圈损耗是由于绕组的直流电阻(RDC)产生的,电感的数据手册都会给出该参数。
随着频率的提高,将出现众所周知的电流趋肤现象,因此对于交流电,绕阻的实际电阻会随频率的升高而增大,大于RDC,绕阻的铜损增加。
电感线圈交流电阻的大小由特定频率下电流在导体中的渗透深度决定。
渗透深度界定点为:该点的电流密度减小到导体表面电流密度的1/e(或直流电时),计算公式为:,其中 实际电感的功耗还包括线圈中的功耗,即铜损(或线损)。
直流供电时,线圈中的功耗是因为线圈导线并非理想导体,有直流电阻存在,有电流流过时,将消耗功率,即IRMS2×RDC。
线圈的电阻定义为:,其中
r 0× = (铜材的渗透率为1))。
当导体为扁平或导体的线材半径远大于渗透深度时,上述公式的计算结果很准确。
需要说明的是,交流电阻(RAC)产生功耗仅针对交变电流。
要确定RAC,首先需要计算铜线在特定频率下的有效截面积。
当导体半径远大于渗透深度时,其有效导电区域是导体截面的一个圆环,外径为导线的半径,外环与内环的差值正好等于渗透深度。
由于导体的电阻率不变,因此RAC 与RDC 的比值就是它们有效导电截面积之比,即:,该比值乘以RDC,其结果等于给定频率下,自由空间中导线的交流电阻RAC。
然而,电感线圈中的涡流还受其附近导体的影响,而电感线圈是由多匝导线通过重叠、并行绕制而成,因此,产生的涡流和由此导致的电阻值增加比单纯的因趋肤效应产生的影响严重得多。
由于线圈结构复杂度及线圈的绕制方式、线与线之间距离的影响,RAC的变化和具体计算方法十分复杂,本文篇幅有限,不在此赘述。
功耗估算
利用图1所示的简单电路可以阐明电感中的功耗情况,其中RC为磁芯损耗,RAC和 H电感FP3-4R7,电感的电流纹波(艻(t))为621mA。
磁感应强度的峰值差(艬)是需要关注的指标,确定艬可根据电感数据手册的计算公式,,其中K为常量,对于本例,K=105。
因此,=613高斯。
估算艬的另一种方法是,绕组上电压与时间的乘积与电感匝数和有效截面积乘积之比,即:。
根据电感FP3数据手册,在艬为613高斯时,其磁芯损耗大约为470mW。
图1中RC 是等效该磁芯功耗的并联电阻,其阻值大小根据电感两端电压的均方根值(RMS)及其磁芯损耗计算得出:,因此,RC=。
RDC分别代表与绕组相关的线圈的交流和直流损耗。
RC根据磁芯损耗计算或估算而定,而RDC和RAC分别为线圈的直流电阻或受趋肤效应、邻近感应影响的交流电阻。
下面以双输出降压型开关电源MAX5073为例说明如何建立该等效模型。
输入电压为12V,输出5V、2A,采用Coiltronics公司的4.7。
开关频率为1MHz时,电感纹波电流的基波渗透深度在TA=+20℃时是 根据电感的数据手册,室温下,RDC为40m 0.065mm,而绕组的线径大约为0.165mm,因此,RAC=。
只有电感上交流电流的均方根电流才在该电阻消耗功率,均方根电流为:。
综上所述,电感总损耗的估算结果为:
PRDC+PRAC+PCORE=IDC2×RDC+IACRMS2×RAC+470mW=632mW。