工程测量(四级)实际操作考核要求及评分标准(四等水准)
- 格式:doc
- 大小:14.50 KB
- 文档页数:1
四等及等外水准测量水准测量国家水准测量依精度不同分为一、二、三、四等。
一、二等水准测量是国家高程控制的全面基础,三、四等水准测量直接为地形测图和各种工程建设提供所必须的高程控制。
精度低于四等的水准测量称为等外水准测量。
本节阐述四等及等外水准测量的布设形式、技术要求、选点埋石、外业施测和内业计算等有关内容。
一、水准路线的布设形式由水准原点或任一已知高程点出发进行水准测量所经过的路线称为水准路线。
水准路线每隔一定的距离需要埋设一个固定点,称为水准点。
水准测量的目的就是以已知高程点为起算点,沿选定的水准路线逐站测定各水准点的高程。
根据已知水准点的情况和测量工作的实际需要,水准路线可以布设成以下三种形式。
(1) 附合水准路线:从一已知高程的水准点出发,进行水准测量,最后附合到另一已知高程的水准点上。
(2) 闭合水准路线:从一已知高程的水准点出发,沿一条环形路线进行水准测量,测定沿线上水准点的高程,最后又回到该水准点。
(3) 支水准路线:从一已知高程的水准点出发,沿一条水准路线测定沿线上其他水准点的高程,最后不与任一已知高程点连测。
为了提高成果的精度及其可靠性,规范规定支水准路线必须进行往返观测或单程双转点观测,且应限制支水准路线的长度。
(4)水准网二、四等及等外水准测量的主要技术要求各等水准测量对所使用的仪器类型、水准路线长度、不符值或闭合差的限差等都有相应的规定,其中四等及等外水准测量的主要技术要求如表4-27所列。
三、水准路线选线和水准标石埋设(1)收集资料在确定水准路线布设形式之前,首先要收集已有的水准测量资料,包括水准路线图、水准点“点之记”、成果表、技术总结等。
而且还应到实地调查,确定已知成果可否利用。
(2)图上初步选线在测区已有的地形图上设计拟定的水准路线。
水准路线应尽量选设在地势平坦、土质坚实、施测方便的道路附近,尽量避免通过水滩、沙土、易塌陷易受雨水冲刷的地区。
选线的同时还应考虑水准点的埋设位置。
国家⼀、⼆、三、四等⽔准测量及要求国家⼀、⼆、三、四等⽔准测量及要求测站观测顺序和⽅法⼀等、⼆等要求:光学⽔准仪:往测时奇数站顺序为:后—前—前—后;往测时偶数站顺序为:前—后—后—前;返测时,奇、偶测站顺序分别与往测偶、奇测站相同;数字⽔准仪:往、返测奇数站顺序为:后—前—前—后;往、返测偶数站顺序为:前—后—后—前三等要求:后—前—前—后四等要求:后—后—前—前每千⽶⽔准测量的偶然中误差和每千⽶⽔准测量的全中误差不应超过下表规定:⽔准仪i⾓检验:⾃动安平光学⽔准仪每天检校⼀次i⾓,⽓泡式⽔准仪每天上、下午各检校⼀次i⾓,作业开始后的7个⼯作⽇内,若i⾓较为稳定,以后每隔15天检校⼀次。
数字⽔准仪,整个作业期间应每天开测前进⾏i⾓测定。
若开测为未结束测段,则在新测段开始前进⾏测定。
观测⽅式:⼀、⼆等⽔准测量采⽤单路线往返观测。
同⼀区段的往返测,应使⽤同⼀类型的仪器和转点尺承沿同⼀道路进⾏。
在每⼀区段内,先连续进⾏所有测段的往测(或返测),随后再连续进⾏该区段的返测(或往测)。
若区段较长,也可将区段分成20km—30km的⼏个分段,在分段内连续进⾏所有测段的往返观测。
同⼀测段的往测(或返测)与返测〔或往测)应分别在上午与下午进⾏.在⽇间⽓温变化不⼤的阴天和观测条件较好时,若⼲⾥程的往返测可同在上午或下午进⾏。
但这种⾥程的总站数,⼀等不应超过该区段总站数的20%,⼆等不应超过该区段总站数的30%。
三等⽔准测量采⽤中丝读数法进⾏往返测。
当使⽤有光学测微器的⽔准仪和线条式因⽡⽔准标尺观测时,也可进⾏单程双转点观测。
四等⽔准测量采⽤中丝读数法进⾏单程观测。
⽀线应往返测或单程双转点观测。
测站视线长度、视距差等要求单位:⽶测站观测限差对于数字⽔准仪,同⼀标尺两次读数差不设限差,两次读数所测⾼差的差执⾏基辅分划所测⾼差之差的限差。
测站观测误差超限,在本站发现后可⽴即重测,若迁站后才检查发现,则应从⽔准点或间歇点(应经检测符合限差)起始,重新观测。
中级工程测量实操考核评分标准第一篇:中级工程测量实操考核评分标准中级工程测量工实操考核评分标准一、本标准执行规范:1、国家标准:国家三、四等水准测量规范GB1289-912、行业标准:城市测量规范 CJJ8-99二、考核内容:1、水平角度测量用J6光学经纬仪,采用测回法,按三级导线测量规范要求,观测2个目标,测1个测回。
2。
水准测量用光学S3水准仪,按四等水准测量规范要求,观测一测站高差。
三、评分标准实操考核总分为100分。
角度测量与水准测量各占50%,取两项成绩之和作为最终分数。
个人独立完成。
(一)水平角度测量(100分)1、仪器操作规范程度;(10分)2、记录、计算;(10分)3、完成时间,成果精度;(80分)采用倒扣分制a、完成时间:在8分钟以内不扣分,每超1分钟扣5分;b、成果精度:与标准值相差在±40″以内不扣分,每超20″扣5分。
(二)水准测量(100分)1、仪器操作规范程度;(10分)2、记录、计算;(10分)3、完成时间,成果精度;(80分)采用倒扣分制a、完成时间:在5分钟以内不扣分,每超1分钟扣5分;b、成果精度:与标准值相差在±5mm以内不扣分,每超1mm扣5分。
第二篇:中式烹调实操中级称名位线单此过名超姓准不号题证考准答生考区地中式烹调师中级操作技能考核试卷注意事项一、请根据试题考核要求,完成考试内容。
二、请服从考评人员指挥,保证考核安全顺利进行。
试题1、简述油发加工的概念、适用范围及原料性状的变化(1)本题分值:20分(2)考核时间:20分钟(3)考核形式:笔试(4)具体考核要求:a)根据给定的题目,在规定的时间内完成一道干货原料涨发的笔试题。
b)可按理论知识考试的方式组织考试。
(5)否定项说明:若考生在笔试过程中有作弊行为的,则应及时终止其考试,考生该试题成绩记为零分。
答题区:试题2、干烧鱼(1)本题分值:20分(2)考核时间:30分钟(3)考核形式:实操(4)具体考核要求:a)色泽棕红 b)味咸鲜干香 C)鱼肉软嫩试题3、溜猪肝(1)本题分值:20分(2)考核时间:30分钟(3)考核形式:实操(4)具体考核要求:a)色泽金黄 b)口感滑嫩 C)芡汁适当 D)刀功要均匀试题4、拔丝土豆(1)本题分值:20分(2)考核时间:30分钟(3)考核形式:实操(4)具体考核要求:a)出品金黄外焦内软 b)有丝试题5、什锦的拼摆(1)本题分值:20分(2)考核时间:30分钟(3)考核形式:实操(4)具体考核要求:根据什锦拼摆的要求,制作一款拼摆。
四等水准测量控制测量除了要完成平面控制测量外,还要进行高程控制测量。
小区域地形测图或施工测量中,多采用三、四等水准测量作为高程控制测量的首级控制。
一、三、四等水准测量(leveling)的技术要求1、高程系统:三、四等水准测量起算点的高程一般引自国家一、二等水准点,若测区附近没有国家水准点,也可建立独立的水准网,这样起算点的高程应采用假定高程。
2、布设形式:如果是作为测区的首级控制,一般布设成闭合环线;如果进行加密,则多采用附合水准路线或支水准路线。
三、四等水准路线一般沿公路、铁路或管线等坡度较小、便于施测的路线布设。
3、点位的埋设:其点位应选在地基稳固,能长久保存标志和便于观测的地点,水准点的间距一般为1—1.5km,山岭重丘区可根据需要适当加密,一个测区一般至少埋设三个以上的水准点。
4、三、四等及五等水准测量的精度要求和技术要求列于表中。
二、三、四等水准测量的观测方法三、四等水准测量观测应在通视良好、望远镜成像清晰及稳定的情况下进行。
一般采用一对双面尺。
1、三等水准一个测站的观测步骤:(后-前-前-后;黑-黑- 红-红)(1 )照准后视尺黑面,精平,分别读取上、下、中三丝读数,并记为(1)、(2)、(3)。
(2 )照准前视尺黑面,精平,分别读取上、下、中三丝读数,并记为(4)、(5)、(6)。
3)照准前视尺红面,精平,读取中丝读数,记为(7)4) 照准后视尺红面,精平,读取中丝读数,记为( 8)这四步观测, 简称为“后一前一前一后 ( 黑一黑一红一红 ) ”,这样的观测步骤可消除或 减 弱仪器或尺垫下沉误差的影响。
对于四等水准测量, 规范允许采用 “后一后一前一前 (黑一 红 一黑一红 ) ”的观测步骤。
2 、 一个测站的计算与检核:观测记录参看书本表 7-11 。
① 视距的计算与检核后视距 (9)=[(1) — (2)]X100m前视距 (10)=[(4) — (5)]Xl00m 前、后视距差 (11)=(9) — (10)前、后视距差累积 (12)= 本站 (11)+ 上站 (12)② 水准尺读数的检核同一根水准尺黑面与红面中丝读数之差: 前尺黑面与红面中丝读数之差 13)=(6) 十K — (7)后尺黑面与红面中丝读数之差 (14)=(3) 十 K — (8) 三等≯ 2mm ,四等≯ 3mm( 上式中的 K 为红面尺的起点数,为 4. 687m 或 4. 787m)③ 高差的计算与检核黑面测得的高差 (15)=(3) — (6)或 (17)=(14) — (13)三三等≯ 75m ,四等≯l00m三等≯ 3m ,四等≯ 5m三等≯ 6m ,四等≯ l0rn红面测得的高差 16)=(8) — (7)校核:黑、红面高差之差(17)=(15) —[(16) ±0.100]等≯ 3mm,四等≯ 5mm高差的平均值(18)= [ ( 15)+(16) ±0.100]/2在测站上,当后尺红面起点为4.687m,前尺红面起点为4.787m时,取十0.100 ,反之,取—0.100。
三四等水准测量操作技能工程测量控制测量除了要完成平面控制测量外,还要进行高程控制测量。
小区域地形测图或施工测量中,多采用三、四等水准测量作为高程控制测量的首级控制。
一、三、四等水准测量(leveling)的技术要求1、高程系统:三、四等水准测量起算点的高程一般引自国家一、二等水准点,若测区附近没有国家水准点,也可建立独立的水准网,这样起算点的高程应采用假定高程。
2、布设形式:如果是作为测区的首级控制,一般布设成闭合环线;如果进行加密,则多采用附合水准路线或支水准路线。
三、四等水准路线一般沿公路、铁路或管线等坡度较小、便于施测的路线布设。
3、点位的埋设:其点位应选在地基稳固,能长久保存标志和便于观测的地点,水准点的间距一般为1—1.5km,山岭重丘区可根据需要适当加密,一个测区一般至少埋设三个以上的水准点。
4、三、四等及五等水准测量的精度要求和技术要求列于表中。
二、三、四等水准测量的观测方法三、四等水准测量观测应在通视良好、望远镜成像清晰及稳定的情况下进行。
一般采用一对双面尺。
1、三等水准一个测站的观测步骤:(后-前-前-后;黑-黑-红-红)(1)照准后视尺黑面,精平,分别读取上、下、中三丝读数,并记为(1)、(2)、(3)。
(2)照准前视尺黑面,精平,分别读取上、下、中三丝读数,并记为(4)、(5)、(6)。
(3)照准前视尺红面,精平,读取中丝读数,记为(7)(4)照准后视尺红面,精平,读取中丝读数,记为(8)这四步观测,简称为―后一前一前一后(黑一黑一红一红)‖,这样的观测步骤可消除或减弱仪器或尺垫下沉误差的影响。
对于四等水准测量,规范允许采用―后一后一前一前(黑一红一黑一红)‖的观测步骤。
2、一个测站的计算与检核:观测记录参看书本表7-11。
①视距的计算与检核后视距(9)=[(1)—(2)]X100m前视距(10)=[(4)—(5)]Xl00m 三等≯75m,四等≯l00m前、后视距差(11)=(9)—(10) 三等≯3m,四等≯5m前、后视距差累积(12)=本站(11)+上站(12) 三等≯6m,四等≯l0rn②水准尺读数的检核同一根水准尺黑面与红面中丝读数之差:前尺黑面与红面中丝读数之差13)=(6)十K—(7)后尺黑面与红面中丝读数之差(14)=(3)十K—(8) 三等≯2mm,四等≯3mm(上式中的K为红面尺的起点数,为4.687m或4.787m)③高差的计算与检核黑面测得的高差(15)=(3)—(6)红面测得的高差(16)=(8)—(7)校核:黑、红面高差之差(17)=(15)—[(16)±0.100]或(17)=(14)—(13) 三等≯3mm,四等≯5mm 高差的平均值(18)= [(15)+(16)±0.100]/2在测站上,当后尺红面起点为4.687m,前尺红面起点为4.787m 时,取十0.100,反之,取—0.100。
1.四等水准测量1).四等水准测量观测的技术要求:一个测站上的观测程序和记录等级水准测量一般采用双面水准尺进行观测。
四等水准测量一个测站上的观测程序采用“后—前—前—后”或“后—后—前—前” 。
注意:水准尺应交换使用。
2)测站上的计算与检核(1)视距要求视距等于上丝读数与下丝读数之差乘以100。
D≤100 m(2)后视距离-前视距离≤±5m(3)前、后视距累积差≤±10m(4)水准尺读数检核同一水准尺的红、黑面中丝读数之差要求:黑面中丝读数+尺常数K-红面中丝读≤±3mm(5)高差计算与校核:根据黑面、红面读数分别计算黑面、红面高差。
⒂、⒃,计算平均高差⒅。
要求:黑面高差-红面高差±0.1m≤±5mm满足以上条件取平均高差:⒅={⒂+[⒃±0.100]}/2当K后=4.687m时,式中取+0.100 m;当K后=4.787m时,式中取-0.100 m。
3)每页计算的校核(1)视距部分:后视距离总和-前视距离总和=末站视距累积差。
总视距(该段水准路线长度)=后视距离总和+前视距离总和(2)高差部分:后视红、黑面读数总和-前视红、黑面读数总和应=黑、红面高差总和应=平均高差总和的两倍。
测站数为偶数时∑[⑶+⑻]-∑[⑹+⑺]=∑[⒂+⒃]=2∑⒅测站数为奇数时∑[⑶+⑻]-∑[⑹+⑺]=∑[⒂+⒃]=2∑⒅±0.100外业观测填表计算例:(1)填入第一测站后视尺观测读数及计算:(2)填入第一测站前视尺上下丝观测读数计算前、后视距及后视距-前视距差满足要求,再观测黑、红面中丝读数及计算(3)计算测站红、黑面高差及平均高差:(4)依次计算以下各测站:(5)本段(页)校核:。
工程测量(四级)实际操作考核要求及评分标准(四等水准)第一篇:工程测量(四级)实际操作考核要求及评分标准(四等水准) 工程测量(四级)实际操作考核要求及评分标准一、考核内容:使用水准仪进行观测并计算高差(等级:四等;共1个测段,含2个测站)。
二、考核要求:1、按规范要求,在规定时间内(15分钟),使用指定的仪器,准确观测、正确计算。
2、第一测站观测完毕后,前、后标尺及尺垫均不得动,重新架设仪器,置平,开始进行第二测站观测(即:第一测站观测时的前标尺为第二测站的后标尺,第一测站观测时的后标尺为第二测站的前标尺)。
三、实际操作评分标准:(总分100分)1、正确开启仪器箱,仪器拿放正确,观测前检查仪器外观和各部件的情况。
(5分)2、观测中能够正确架设仪器,置平,执行仪器安全操作规程,注意仪器及人身安全。
(10分)a、脚架架设高度适中,观测者站位适中。
(1分)b、三角架是否踩实。
(2分)c、目镜调焦消除视差。
(2分)d、观测前整平仪器。
(2分)e、水准仪至前、后视水准尺的距离应尽量相等。
(1分)f、制动后没有强行转动仪器。
(1分)g、观测中爱护仪器。
(1分)3、观测中能够正确观测(气泡、中丝、上下丝)并正确记录,严格执行观测规范。
(40分)a、在毎测站观测时圆水准气泡只能调一次(5分)b、中丝读数时符合水准器气泡是否严格居中。
(5分)c、观测顺序正确。
(20分)d、观测读数时仔细、果断、迅速、准确。
(4分)e、记录者在记录时须复诵一遍观测读数。
(3分,该分值计为观测者分值)f、表头记录是否完整;记录文字和数字端正、整洁、清晰。
(3分,该分值计为观测者分值)4、计算正确。
(40分,一处计算错误扣5分,最多扣40分)5、仪器正确装箱及检查仪器箱内附件完整情况。
(5分)第二篇:四等水准及闭合导线测量实习报告《实习报告》前言一.实习目的:1.练习水准仪的安置、整平、瞄准与读数和怎样测定地面两点间的高程;2.掌握经纬仪对中,整平,瞄准与读数等基本操作要领;3.掌握导线的内业计算;4.培养学生综合应用测量理论知识分析解决测量作业一般问题的能力。
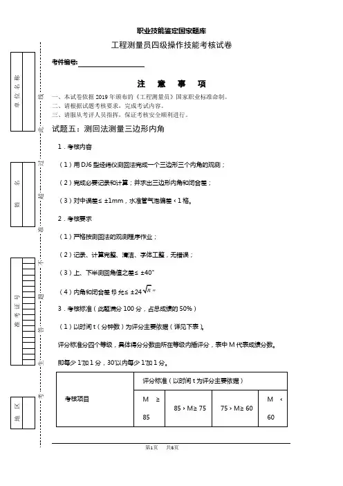
考件编号:注 意 事 项一、本试卷依据2019年颁布的《工程测量员》国家职业标准命制。
二、请根据试题考核要求,完成考试内容。
三、请服从考评人员指挥,保证考核安全顺利进行。
试题五:测回法测量三边形内角1.考核内容(1)用DJ6型经纬仪测回法完成一个三边形三个内角的观测; (2)完成必要记录和计算;并求出三边形内角和闭合差; (3)对中误差≤±1mm ,水准管气泡偏差﹤1格。
2.考核要求(1)严格按测回法的观测程序作业;(2)记录、计算完整、清洁、字体工整,无错误; (3)上、下半测回角值之差≤±40" (4)内角和闭合差f β允≤±″3.考核标准(此题满分100分,占总成绩的50%) (1)以时间t (分钟数)为评分主要依据(详见下表)。
评分标准分四个等级,具体得分分数由所在等级内插评分,表中M 代表成绩分数。
即每少1′加1分,30′以内每少1′加1分。
考 生 答 题 不 准超过此 线考件编号:(2)根据点位对中误差情况,扣1~3分。
(3)根据水准管气泡偏差情况,扣1~2分。
(4)根据角度及闭合差计算情况,扣20~30分。
(5)根据卷面整洁情况,扣1~5分。
(记录划去1处,扣1分,合计不超过5分。
)4.考核说明(1)考核过程中任何人不得提示,各人独立完成仪器操作、记录、计算及校核工作;(2)主考人有权随时检查是否符合操作规程及技术要求,但应相应折减所影响的时间;(3)若有作弊行为,一经发现一律按零分处理;(4)考核前考生应准备好中性笔或HB铅笔、计算器,并应提前自行找好前后视人;(5)考核时间自架立仪器开始,至递交记录表并拆卸仪器放进仪器箱为终止;(6)数据记录、计算及校核均填写在相应记录表中,记录表不可用橡皮檫修改,记录表以外的数据不作为考核结果;(7)主考人应在考核结束前检查并填写经纬仪对中误差及水准管气泡偏差情况,在考核结束后填写考核所用时间并签名。
四等水准测量1.水准路线形式一个已知点和三个未知点组成的闭合水准路线(见图1),水准路线总长约为×××米。
2.竞赛内容参赛队在规定时间内按四等精度要求独立完成指定路线的水准测量外业观测和内业计算。
3.竞赛规则⑴各参赛队按比赛报名表中的顺序将选手分别编号为1、2、3、4号(比赛过程中不得变更),按规则要求独立完成指定闭合水准路线的测量任务。
⑵水准路线的起始点及待定点由承办学校事先确定,赛前抽签确定各参赛队所观测的路线。
⑶每位选手完成一个测段(即两个固定点之间的路线)的观测和记录计算,具体方案如下:1测段(已知点1A到2A号未知点)由本队1号选手独立进行仪器安置、观测,2号选手进行记录、计算,3、4号选手负责水准尺安置;2测段(2A号未知点到3A号未知点)由本队2号选手独立进行仪器安置、观测,3号选手进行记录、计算,1、4号选手负责水准尺安置;3测段(3A号未知点到4A号未知点)由本队3号选手独立进行仪器安置、观测,4号选手进行记录、计算,1、2号选手负责水准尺安置;4测段(4A号未知点到已知点1A)由本组4号选手独立进行仪器安置、观测,1号选手进行记录、计算,2、3号选手负责水准尺安置。
⑷数据记录必须用承办学校提供的记录手簿,由负责记录的选手用签字笔当场准确无误地填写到相应栏内,并及时计算和填写表中其它数据,要求记录规范完整、符合记录规定、计算准确;观测数据不得改动厘米和毫米,分米、米以上数据不得连环涂改,如有违反均需扣分;观测数据必须原始真实,严禁弄虚作假,否则取消参赛资格。
⑸各参赛队由3号和4号参赛选手分别独立进行四等水准测量成果计算。
计算所用的水准测量成果计算表由承办学校提供,计算表的辅助计算栏中必须填入水准线路闭合差。
⑹外业观测和内业计算总的规定时间为60分钟,超出规定时间将终止比赛,整个水准测量比赛成绩按零分计。
⑺仪器操作应符合要求,迁站时仪器搬动必须正确,仪器在迁站过程中不必装箱和带箱,仪器箱关闭放在起始测站旁。
考件编号:第1页 共6页 注 意 事 项一、本试卷依据2019年颁布的《工程测量员》国家职业标准命制。
二、请根据试题考核要求,完成考试内容。
三、请服从考评人员指挥,保证考核安全顺利进行。
试题三:测设建筑物四周角点一、考试素材1、矩形建筑物四周角点测设。
2、现场给一个建筑基准点A (为测站)、B (为后视)3、根据现场情况,对其中一个点进行坐标计算。
二、考试技术要求 主要过程:1、 测站置好全站仪后,调用放样功能,并输入测站定向信息2、 对未知点进行放样3、 用钢卷尺对测设相邻点位之间的水平距离进行实测检核,与所给的的水平距离比较,其相对误差不大于考 生 答 题 不 准 超 过 此 线地 区 姓 名单 位 名 称准 考 证 号考件编号:4、提交考试成果三、考试时间放样考试时间90分钟,超出时间成绩无效。
四、考试需要的设备仪器和物品1、每组都按照下面表格领取仪器2、木桩若干,铅笔若干、记录纸若干,钢卷尺,花杆和测钎各一根等已知数据和点坐标五、工程测量员技能操作评分标准考件编号:考评员:核分员:年月日考件编号:试题四:测设圆曲线起点、中点、终点1、准备要求(1)材料准备(2)设备准备(3)工、用、量具准备2、操作考核规定及说明(1)操作程序:1)准备工作;2)安置仪器;3)定向;4)放样起点和终点;5)放样中点。
考件编号:(2)考核规定及说明:1)如操作违章,将停止考核;2)考核采用百分制,考核项目得分按鉴定比重进行折算。
(3)考核方式说明:该项目为实际操作,考核过程按评分标准及操作过程进行评分。
(4)测量技能说明:该项目主要考核考生对圆曲线起点、中点、终点的测设的掌握熟练程度。
3、考核时限:(1)准备时间:1 min(不计入考核时间)。
(2)正式操作时间:25 min。
(3)提前完成不加分,超时操作按规定标准评分。
4、评分记录表考件编号:考评员:核分员:年月日。
三四等水准测量操作技能工程测量控制测量除了要完成平面控制测量外,还要进行高程控制测量。
小区域地形测图或施工测量中,多采用三、四等水准测量作为高程控制测量的首级控制。
一、三、四等水准测量(leveling)的技术要求1、高程系统:三、四等水准测量起算点的高程一般引自国家一、二等水准点,若测区附近没有国家水准点,也可建立独立的水准网,这样起算点的高程应采用假定高程。
2、布设形式:如果是作为测区的首级控制,一般布设成闭合环线;如果进行加密,则多采用附合水准路线或支水准路线。
三、四等水准路线一般沿公路、铁路或管线等坡度较小、便于施测的路线布设。
3、点位的埋设:其点位应选在地基稳固,能长久保存标志和便于观测的地点,水准点的间距一般为1—1.5km,山岭重丘区可根据需要适当加密,一个测区一般至少埋设三个以上的水准点。
4、三、四等及五等水准测量的精度要求和技术要求列于表中。
二、三、四等水准测量的观测方法三、四等水准测量观测应在通视良好、望远镜成像清晰及稳定的情况下进行。
一般采用一对双面尺。
1、三等水准一个测站的观测步骤:(后-前-前-后;黑-黑-红-红)(1)照准后视尺黑面,精平,分别读取上、下、中三丝读数,并记为(1)、(2)、(3)。
(2)照准前视尺黑面,精平,分别读取上、下、中三丝读数,并记为(4)、(5)、(6)。
(3)照准前视尺红面,精平,读取中丝读数,记为(7)(4)照准后视尺红面,精平,读取中丝读数,记为(8)这四步观测,简称为―后一前一前一后(黑一黑一红一红)‖,这样的观测步骤可消除或减弱仪器或尺垫下沉误差的影响。
对于四等水准测量,规范允许采用―后一后一前一前(黑一红一黑一红)‖的观测步骤。
2、一个测站的计算与检核:观测记录参看书本表7-11。
①视距的计算与检核后视距(9)=[(1)—(2)]X100m前视距(10)=[(4)—(5)]Xl00m 三等≯75m,四等≯l00m前、后视距差(11)=(9)—(10) 三等≯3m,四等≯5m前、后视距差累积(12)=本站(11)+上站(12) 三等≯6m,四等≯l0rn②水准尺读数的检核同一根水准尺黑面与红面中丝读数之差:前尺黑面与红面中丝读数之差13)=(6)十K—(7)后尺黑面与红面中丝读数之差(14)=(3)十K—(8) 三等≯2mm,四等≯3mm(上式中的K为红面尺的起点数,为4.687m或4.787m)③高差的计算与检核黑面测得的高差(15)=(3)—(6)红面测得的高差(16)=(8)—(7)校核:黑、红面高差之差(17)=(15)—[(16)±0.100]或(17)=(14)—(13) 三等≯3mm,四等≯5mm 高差的平均值(18)= [(15)+(16)±0.100]/2在测站上,当后尺红面起点为4.687m,前尺红面起点为4.787m 时,取十0.100,反之,取—0.100。
4等水准测量方法四等水准测量是一种传统的测量方法,用于确定地面的高程差。
以下是一个1200字以上的解释:四等水准测量方法是一种传统的测量技术,用于确定地面的高程差。
它是通过在地表测量和测量引线之间的高差来进行的。
四等水准测量是一种简单、经济且广泛应用的方法,对于一些常规的建筑测量项目是非常有效的。
四等水准测量主要包括以下步骤:1.建立四等水准控制点:在需要确定高程差的地点,建立一个基准点和若干个控制点,用以确保测量结果的准确性和精度。
2.定位观测点:确定控制点后,需要在需要测量的地点设置观测点。
这些观测点通常位于地面上的固定物体上,如灌木丛、围墙或建筑物等。
3.调整仪器:在进行四等水准测量之前,需要仔细调整测量仪器,包括水准仪、测量杆和测量标志等,以确保测量的准确性和可靠性。
4.进行观测:在进行观测之前,需要确保测量杆和测量标志垂直于地面,并且与水准仪安装牢固。
观测者将水准仪对准标志并读取水准仪的高度值,然后记录下来。
5.数据处理和分析:完成观测之后,需要对测量数据进行处理和分析。
这包括计算各观测点的高度差和误差,并绘制高程差图。
四等水准测量方法有几个特点:1.精度相对较低:相比于其他高程测量方法,四等水准测量的精度相对较低。
这是因为在测量过程中会受到各种误差的影响,包括仪器误差、人为误差和环境因素等。
2.测量范围较短:四等水准测量适用于测量范围较短的地面高程差。
它通常用于建筑工程中,如道路建设、桥梁建设和房屋建设等。
3.成本较低:相比于其他高程测量方法,四等水准测量的成本较低。
它不需要昂贵的设备和复杂的技术,普通的水准仪和测量杆就可以完成测量任务。
四等水准测量方法虽然精度相对较低,但对于许多常规的建筑测量项目仍然是非常有效的。
它提供了一种快速、简单和经济的方式来确定地面的高程差,为工程项目的设计和施工提供了重要的参考依据。
杨凌职业技术学院四等水准测量技能竞赛规程一、参赛对象水利工程学院、建筑工程学院、交通与测绘工程学院所有专业(工程测量技术专业除外)、生物工程系园艺技术专业、生态环境工程系园林工程技术专业在籍学生二、组织机构主办单位:教务处承办单位:交通与测绘工程学院协办单位:水利工程学院、建筑工程学院技术总指导:鲁有柱初赛项目负责人:孙茂存决赛项目负责人:杨旭江、孙茂存三、竞赛内容与要求四等水准测量竞赛过程包括理论考核和实践技能考核两个环节。
竞赛以组为参赛单位,要求参赛选手在理论考核时独立完成竞赛规定的理论考核环节内容,在实践技能考核时以组为单位团结协作完成竞赛规定的实践技能考核环节内容。
(一)理论知识(占总分的30%)考查学生对测量基本知识、小区域控制测量、地形图测绘、施工测量的基本理论和基本知识的掌握程度。
理论知识考核,所有参赛选手随机抽签,根据抽签号码,确定选手座次,不得随意调整。
1、理论考核知识点具体如下:(1)测量的基本知识(7分)①测量工作的基准线、基准面;②铅垂线、水准面、大地水准面、水平面的定义;③独立平面直角坐标系的建立、象限编号;④我国的高程系统、绝对高程、相对高程、高差;⑤高程与高差的换算;⑥地球曲率对水平距离、高程的影响;⑦测量的三项基本工作、测量工作的原则;⑧测设和测定的区别。
(2)水准测量(15分)①水准测量的原理;②前、后尺读数与高差的关系;③视线高及其立尺点高程和水准尺读数的关系;④转点及其作用;⑤高差总和与前视读数总和及后视读数总和的关系;⑥水准管轴、视准轴、十字丝视差的概念、十字丝视差消除方法及水准仪应满足的几何条件、水准管轴与视准轴不平行的检验与校正;⑦单一水准路线的布设形式;⑧一测站普通水准测量的观测程序;⑨普通水准测量的记录、计算和检核;⑩高差闭合差的计算与调整、高程计算。
(3)角度测量(10分)①水平角、竖直角的概念;水平角与竖直角的测角原理;②全站仪或经纬仪的安置步骤;③测回法测角的步骤、记录和计算;④竖直角计算公式;⑤竖直度盘注记形式的判断;⑥竖直度盘指标差的概念、计算公式;⑦竖直角的观测步骤、记录、计算方法;⑧经纬仪轴线应满足的几何条件;⑨竖直度盘指标差的检验、改正。
“2015年广东工程职业技术学院”技能节工程测量技术规范本次竞赛以中华人民共和国建设部2008年5月1日批准施行的国家标准《工程测量规范》(GB50026-2007),结合建筑行业职业技能要求,制定本技术文件。
一、四等水准测量1.水准路线形式一个已知点和三个未知点组成的闭合水准路线(见图1),水准路线总长约为400米。
2.竞赛内容参赛队在规定时间内按四等精度要求独立完成指定路线的水准测量外业观测和内业计算。
3.竞赛规则⑴各参赛队按比赛报名表中的顺序将选手分别编号为1、2、3、4号(比赛过程中不得变更),按规则要求独立完成指定闭合水准路线的测量任务。
⑵水准路线的起始点及待定点由赛项执委会事先确定,赛前抽签确定各参赛队所观测的路线。
⑶每位选手完成一个测段(即两个固定点之间的路线)的观测和记录计算,具体方案如下:1测段(已知点1A到2A号未知点)由本队1号选手独立进行仪器安置、观测,2号选手进行记录、计算,3、4号选手负责水准尺安置;2测段(2A号未知点到3A号未知点)由本队2号选手独立进行仪器安置、观测,3号选手进行记录、计算,1、4号选手负责水准尺安置;3测段(3A号未知点到4A号未知点)由本队3号选手独立进行仪器安置、观测,4号选手进行记录、计算,1、2号选手负责水准尺安置;4测段(4A号未知点到已知点1A)由本组4号选手独立进行仪器安置、观测,1号选手进行记录、计算,2、3号选手负责水准尺安置。
⑷数据记录必须用赛项执委会盖章的记录手簿(见附件表1),由负责记录的选手用签字笔当场准确无误地填写到相应栏内,并及时计算和填写表中其它数据,要求记录规范完整、符合记录规定、计算准确;观测数据不得改动厘米和毫米,分米、米以上数据不得连环涂改,如有违反均需扣分;观测数据必须原始真实,严禁弄虚作假,否则取消参赛资格。
⑸各参赛队合作进行四等水准测量成果计算。
计算所用的水准测量成果计算表由赛项执委会提供(见附件表2),计算表的辅助计算栏中必须填入水准线路闭合差。
工程测量(四级)实际操作考核要求及评分标准
一、考核内容:
使用水准仪进行观测并计算高差(等级:四等;共1个测段,含2个测站)。
二、考核要求:
1、按规范要求,在规定时间内(15分钟),使用指定的仪器,准确观测、正确计算。
2、第一测站观测完毕后,前、后标尺及尺垫均不得动,重新架设仪器,置平,开始进行第二测站观测(即:第一测站观测时的前标尺为第二测站的后标尺,第一测站观测时的后标尺为第二测站的前标尺)。
三、实际操作评分标准:(总分100分)
1、正确开启仪器箱,仪器拿放正确,观测前检查仪器外观和各部件的情况。
(5分)
2、观测中能够正确架设仪器,置平,执行仪器安全操作规程,注意仪器及人身安全。
(10分)
a、脚架架设高度适中,观测者站位适中。
(1分)
b、三角架是否踩实。
(2分)
c、目镜调焦消除视差。
(2分)
d、观测前整平仪器。
(2分)
e、水准仪至前、后视水准尺的距离应尽量相等。
(1分)
f、制动后没有强行转动仪器。
(1分)
g、观测中爱护仪器。
(1分)
3、观测中能够正确观测(气泡、中丝、上下丝)并正确记录,严格执行观测规范。
(40分)
a、在毎测站观测时圆水准气泡只能调一次(5分)
b、中丝读数时符合水准器气泡是否严格居中。
(5分)
c、观测顺序正确。
(20分)
d、观测读数时仔细、果断、迅速、准确。
(4分)
e、记录者在记录时须复诵一遍观测读数。
(3分,该分值计为观测者分值)
f、表头记录是否完整;记录文字和数字端正、整洁、清晰。
(3分,该分值计为观测者分值)
4、计算正确。
(40分,一处计算错误扣5分,最多扣40分)
5、仪器正确装箱及检查仪器箱内附件完整情况。
(5分)。