高压旋喷桩监理抽检记录表
- 格式:doc
- 大小:56.50 KB
- 文档页数:1
旋喷桩检验批质量验收记录及检验规定和说明编号:单位工程名称分部工程分项工程名称验收部位施工总承包单位项目经理专业工长专业承包单位项目经理施工班长施工执行标准名称及编号施工质量验收规范的规定施工单位检查评定记录监理(建设)单位验收记录主控项目1水泥及外掺剂质量符合出厂要求2 水泥用量设计要求3 桩体强度或完整设计性检验要求4 桩体止水性能设计要求一般项目1 钻孔位置≤502 钻孔垂直度%≤1.53 孔深(mm) 2004 注浆压力按设计参数5 桩体搭接(mm)>2006 桩体直径(mm)≤50 7桩体中心允许偏差(mm)≤0.2D施工单位检查评定结果:质量检查员:年月日监理或建设单位验收结论:监理工程师或建设单位项目专业技负责人:年月日检验规定和说明适用范围:本表适用于高压旋喷桩工程的施工质量验收。
检验批的划分:工程桩每根;围护桩或地基加固20根划分为一个检验批。
检查数量:承载力检验,数量为总数的0.5-1%,但不应少于3处。
有单桩强度检验要求时,数量为总数的0.5-1%,但不应少于3根,桩体强度或桩体完整性抽检数量不应少于桩总数的20%,且不少于10根。
其它主控项目全数检查,一般项目抽检20%。
主控项目:必须符合验收标准规定,发现问题立即处理直至符合要求。
1.水泥及外加剂质量:水泥品种、强度等级、水灰比和外加剂的品种、掺量必须符合设计要求。
检查方法:检查水泥、外加剂出厂合格证及试验报告。
2.水泥用量:水泥用量必须通过试验配制确定,检查浆液配合比通知单。
3.桩体强度及完整性检验:施工结束后必须检验桩体强度或桩体完整性,并在施工结束后28d进行。
桩体强度或桩身完整性必须符合设计要求,无严重质量缺陷。
检测方法必须符合国家现行标准《建筑桩基检测技术规范》JGJ106-2003的有关规定。
检查方法:检查基桩检测报告。
4.桩体止水性能:必须满足设计要求。
检查方法:钻钻芯取样试验,观察。
一般项目:抽检数量应有80%合格。
旋喷桩检验批质量验收记录及检验规定和说明编号:检验规定和说明适用范围:本表适用于高压旋喷桩工程的施工质量验收。
检验批的划分:工程桩每根;围护桩或地基加固20根划分为一个检验批。
检查数量:承载力检验,数量为总数的0.5-1%,但不应少于3处。
有单桩强度检验要求时,数量为总数的0.5-1%,但不应少于3根,桩体强度或桩体完整性抽检数量不应少于桩总数的20%,且不少于10根。
其它主控项目全数检查,一般项目抽检20%。
主控项目:必须符合验收标准规定,发现问题立即处理直至符合要求。
.1.水泥及外加剂质量:水泥品种、强度等级、水灰比和外加剂的品种、掺量必须符合设计要求。
检查方法:检查水泥、外加剂出厂合格证及试验报告。
2.水泥用量:水泥用量必须通过试验配制确定,检查浆液配合比通知单。
3.桩体强度及完整性检验:施工结束后必须检验桩体强度或桩体完整性,并在施工结束后28d进行。
桩体强度或桩身完整性必须符合设计要求,无严重质量缺陷。
检测方法必须符合国家现行标准《建筑桩基检测技术规范》JGJ106-2003的有关规定。
检查方法:检查基桩检测报告。
4.桩体止水性能:必须满足设计要求。
检查方法:钻钻芯取样试验,观察。
一般项目:抽检数量应有80%合格。
检查方法及检查点数量按下列规定:1.钻孔位置:用尺量测。
2.钻孔垂直度:用经纬仪测量。
3.孔深:用尺量测。
4.注浆压力:注浆压力应符合设计要求。
观察检查,查看压力表。
5.桩体搭接:观察检查,检查施工记录。
桩体直径:浅层开挖用钢尺量测。
6.7.桩身中心允许偏差:拉线钢尺量测。
检查点数量:抽检数量不少于桩总数量的20%,每桩为1处,序号1~7项每处检1点。
常州轨道交通工程
承包单位:中铁十二局集团有限公司合同号:GD-GC-15006 监理单位:江苏盛华工程监理咨询有限公司编号:
工程质量报验表B3.52
常州轨道交通工程
承包单位:中铁十二局集团有限公司合同号:G D-GC-15006
监理单位:江苏盛华工程监理咨询有限公司序号:001高压喷射注浆支护工程检验批质量验收记录E0101-01020801
常州轨道交通工程
承包单位:中铁十二局集团有限公司合同号:GD-GC-15006 监理单位:江苏盛华工程监理咨询有限公司编号:
高压旋喷桩施工记录表F4.4.5
质检员:技术负责人:监理工程师:年月日
常州轨道交通工程
承包单位:中铁十二局集团有限公司合同号:GD-GC-15006 监理单位:江苏盛华工程监理咨询有限公司编号:
高压旋喷桩施工记录表F4.4.5
质检员:技术负责人:监理工程师:年月日
常州轨道交通工程
承包单位:中铁十二局集团有限公司合同号:GD-GC-15006 监理单位:江苏盛华工程监理咨询有限公司编号:
高压旋喷桩施工记录表F4.4.5
质检员:技术负责人:监理工程师:年月日
(注:专业文档是经验性极强的领域,无法思考和涵盖全面,素材和资料部分来自网络,供参考。
可复制、编制,期待你的好评与关注)。
常州轨道交通工程承包单位:中铁十二局集团有限公司合同号:GD-GC-15006 监理单位:江苏盛华工程监理咨询有限公司编号:工程质量报验表B3.52致:江苏盛华工程监理咨询有限公司(项目监理机构)我方已完成常州市轨道交通2号线一期工程TJ08标文化宫站土建工程()高压旋喷桩工作,经自检合格,请予以验收。
附件:高压旋喷桩施工记录表高压喷射注浆支护工程检验批质量验收记录施工项目经理部(章):项目经理或项目技术负责人(签字): 年月日项目监理机构签收人姓名及时间施工单位签收人姓名及时间监理验收及平行检验情况:1、收到施工单位自检资料和验收记录表共页,该项报验内容系第次报验。
检查人(签字):年月日监理验收意见: □ 验收合格,可进行后续施工。
□ 验收不合格,不得进入下道工序施工,应于月日前整改完毕自检合格后重新报验。
项目监理机构(章): 专业监理工程师(签字): 年月日注:1、本报验表分为隐蔽工程质量报验(B3.51)、检验批质量报验(B3.52)、分项工程质量报验(3.53)、测量放线报验(B3.54)及其他报验(3.55)。
2、未经项目监理机构验收通过,施工单位不得进入下道工序施工;施工单位项目经理部应提前提出本报验单,并给予配合。
3、由施工单位呈报二份,批准后项目监理机构留一份,退施工单位一份。
常州轨道交通工程承包单位: 中铁十二局集团有限公司 合同号: GD-GC-15006 监理单位:江苏盛华工程监理咨询有限公司序号:001高压喷射注浆支护工程检验批质量验收记录单位(子单位) 常州市轨道交通2号线一期工分部(子分部)支护工程分项工程高压喷射注浆支护工程名称程TJ08标文化宫站围护结构工程名称名称施工单位中铁十二局集团有限公司项目负责人王鹏程检验批容量3根分包单位/分包单位/ 检验批部位项目负责人施工依据《建筑地基基础工程施工质量验收规范》验收依据《建筑地基基础工程施工质量验收规范》GB50202-2002 GB50202-2002设计要求及规范最小/实际抽验收项目检查记录检查结果规定样数量主 1 水泥及外掺剂质量设计要求全水泥标号为普通硅酸盐42.5,质量证明文件份,编号,试验报告份,编号:,质量合格,符合设计要求。
旁站监理记录表
工程名称:温州市景德路下穿杭深铁路工程编号:
日期及天气:工程地址:
旁站监理的部位:
旁站监理开始时间旁站监理结束时间
施工状况:
1、施工公司现场质检人员到岗:是□否□;
2、特别工种上岗证能否齐备:是□否□;
3、施工机械到位:是□否□;
4、混凝土原资料能否查验:是□否□;
监理状况:
工程量(根)设计桩径 (cm)水泥品种、强度等级施工机号设计水灰比设计水泥掺量 (kg/m)
工作时间
实质水泥水泥沙浆序设计桩施工桩长开始时终止时合计累计水泥用设计喷浆
掺量的泵压是号长( m)(m)间间(min量 (kg)量 (kg/m)
(kg/m)否稳固
(min)(min))
发现问题:
办理建议:
备注:
承包单位:项目监理机构:
质检员(署名):旁站监理人员(署名):
年月日年月
累计(天)
日
工作时间
实质水泥
水泥沙浆 累计 序 设计桩 施工桩长
设计喷浆 开始 时 终 止 时 合 计 累计水泥用
的泵压是 (天 号
长( m )
(m)
掺量 量 (kg/m)
间 间 (min 量 (kg)
否稳固
)
(kg/m)
(min)
(min)
)
序 设计桩 施工桩长 工作时间 累计水泥用 实质水泥 设计喷浆 水泥沙浆
累计
号长( m)(m)开始时终止时合计量 (kg)掺量量 (kg/m)的泵压是(天间间(min(kg/m)否稳固)
(min)(min))。
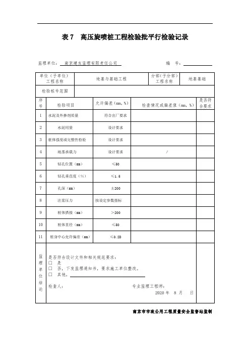
旋喷桩检验批质量验收记录及检验规定和说明编号:单位工程名分部称工程分项工程名验收称部位施工总承包项目经专业单位理工长专业承包单项目经施工位理班长施工执行标准名称及编号监理(建施工单位检查评定记设)单位施工质量验收规范的规定录验收记录主1水泥及外掺剂质符合出量厂要求控设计项2水泥用量要求目3桩体强度或完整设计性检验要求设计4桩体止水性能要求1钻孔位置≤ 502钻孔垂直度 %≤ 1.53孔深( mm)200一按设计般 4注浆压力参数项5桩体搭接( mm) >200目6桩体直径( mm)≤ 50桩体中心允许偏≤ 0.2D7差( mm)施工单位检查评定结果:质量检查员:年月日监理或建设单位验收结论:监理工程师或建设单位项目专业技负责人:年月日检验规定和说明适用范围:本表适用于高压旋喷桩工程的施工质量验收。
检验批的划分:工程桩每根;围护桩或地基加固20 根划分为一个检验批。
检查数量:承载力检验,数量为总数的0.5-1%,但不应少于 3 处。
有单桩强度检验要求时,数量为总数的0.5-1%,但不应少于 3 根,桩体强度或桩体完整性抽检数量不应少于桩总数的 20%,且不少于 10 根。
其它主控项目全数检查,一般项目抽检 20%。
主控项目:必须符合验收标准规定,发现问题立即处理直至符合要求。
1.水泥及外加剂质量:水泥品种、强度等级、水灰比和外加剂的品种、掺量必须符合设计要求。
检查方法:检查水泥、外加剂出厂合格证及试验报告。
2.水泥用量:水泥用量必须通过试验配制确定,检查浆液配合比通知单。
3.桩体强度及完整性检验:施工结束后必须检验桩体强度或桩体完整性,并在施工结束后28d 进行。
桩体强度或桩身完整性必须符合设计要求,无严重质量缺陷。
检测方法必须符合国家现行标准《建筑桩基检测技术规范》JGJ106-2003 的有关规定。
检查方法:检查基桩检测报告。
4.桩体止水性能:必须满足设计要求。
检查方法:钻钻芯取样试验,观察。
高压旋喷桩报验单及检验批(总6页) -本页仅作为预览文档封面,使用时请删除本页-
常州轨道交通工程
承包单位:中铁十二局集团有限公司合同号:GD-GC-15006 监理单位:江苏盛华工程监理咨询有限公司编号:
工程质量报验表
常州轨道交通工程
承包单
位:中铁十二局集团有限公司合同
号:GD-GC-15006
监理单
位:江苏盛华工程监理咨询有限公司序号:001
常州轨道交通工程
承包单位:中铁十二局集团有限公司合同号:GD-GC-15006 监理单位:江苏盛华工程监理咨询有限公司编号:
高压旋喷桩施工记录表
质检员:技术负责人:监理工程师:年月日常州
轨道交通工程
承包单位:中铁十二局集团有限公司合同号:GD-GC-15006
监理单位:江苏盛华工程监理咨询有限公司编号:
高压旋喷桩施工记录表
常州轨道交通工程
承包单位:中铁十二局集团有限公司合同号:GD-GC-15006 监理单位:江苏盛华工程监理咨询有限公司编号:
高压旋喷桩施工记录表。
高压旋喷桩旁站监理记录表
旁站监理记录表
项目名称:温州景德路跨杭深铁路项目编号:日期、气候:现场监理地点:现场监理
开始时间、现场监理结束时间施工情况:1。
施工企业现场质检人员:是□ 不□; 2.特殊
工种的上岗证是否齐全:是□ 不□; 3.施工机械到位:是□ 不□; 4.混凝土原材料是否
经过检验:是□ 不□; 监理:数量(件)施工机械编号顺序设计桩施工桩长(m)编号长
度(m)设计桩径(CM)工程位置:水泥品种强度等级设计水泥含量(kg/m)水泥砂浆泵
压是否稳定累计(天)设计水灰比累计工作时间联合测量开始和结束时使用水泥的时间(kg)(min)(min)实际水泥设计喷射混凝土含量(kg/M)(kg/M)问题:处理意见:
备注:承包商:项目监理机构:现场监理(签名):质检员年月日(签名):年月日序设计桩施工桩长(m)号长(m)
工作时间开始和结束时,水泥砂浆泵压是否稳定(天)
序设计桩施工桩长(m)号长(m)工作时间开始时终止时合计间(min)间(min)(min)累
计水泥用量(kg)实际水泥设计喷浆掺量(kg/m)量(kg/m)水泥砂浆的泵压是否稳定累计(天)。
旁站监理记录表
《关雎》教案
詹维民
教学目标:
1.了解《诗经》有关常识,了解作品中反复和赋、比、兴等创作手法。
2.理解《关雎》所体现的青年男子对美丽善良女子的热烈追求和青年男女真挚美好的爱情生活。
教学重点:
1、在诵读中体会本诗的内涵。
2、了解兴的表现手法。
教学难点:
1、双声叠韵连绵词的运用
2、正确理解诗中所表现的男女青年纯真美好的爱情。
教学过程:
一・导入:
诗人歌德说:“哪个青年男子不善钟情,哪个妙龄少女不善怀春?这是人类至真至纯的感情。
俗话说:爱美之心人皆有之。
面对美好的人或物,都会产生爱慕之心。
中国古人对此就有生动的描述。
《关雎》这首诗便惟妙惟肖淋漓尽致地展现了一场对"梦中情人”的浪漫的追求。
那么追求的过程是如何的?追求的结果乂是怎样的?让我们一起走进《诗经》,走进《诗经》开篇的笫一首《关
雎》。
查看比赛结果。
二.授新:
(-)说一说《诗经》
1、《诗经》在我国文学史上是个什么位置?《诗经》是我国第一部诗歌总集。
2、它收录了哪个时代的作品?距今有多少年了?西周年到春秋时期,约3000 年的历史
3、它一共收录了多少篇诗歌?(305篇。
)[注,所以又叫《诗三百》,相传孔子曾整理过
这些诗并用来传授弟子,所以后来被尊为儒家五经(《诗》《书》《礼》《易》《春秋》)之一。
称
为《诗经》]
4.这些诗歌是怎么分类的?(分“风” “雅” “颂”三部分)(风;国风,是各地的民谣;雅:宫廷乐歌;颂:祭祀乐歌。
)。