最新高压旋喷桩检验批质量验收记录表
- 格式:doc
- 大小:36.00 KB
- 文档页数:2
高压喷射注浆地基工程检验批质量验收记录表
灰比及查看流量表。
③桩体强度或完整性检验。
按设计要求进行检验。
④地基承载力,由设计提出要求,在施工结束一定时间后进行灰土地基的卫载力检验。
其检验方法也因各地设计单位的习惯、经验等不同,选用标贯、静力触探及十字板剪切强度或承载力检验等方法。
按设计指定方法检验。
其结果必须达到设计要求的标准。
每个单位工程不少于3点,1000㎡以上,每100㎡抽查1点;3000㎡以上,每300㎡抽查1点;独立柱每柱1点,基槽每20延米1点。
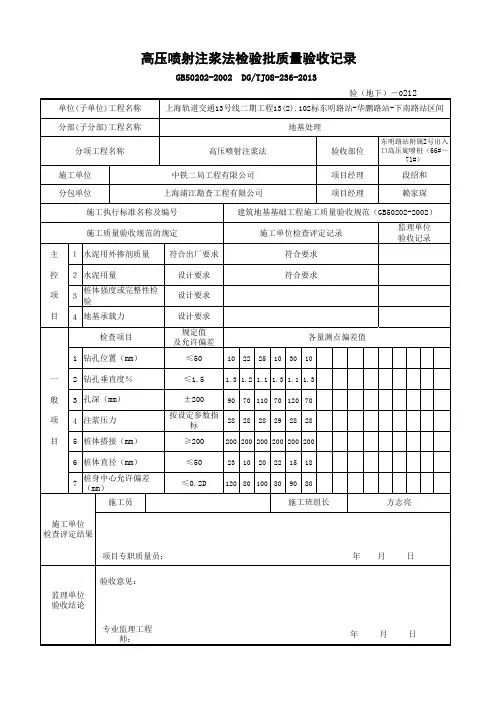
2、一般项目:①钻孔位置。
≤50㎜。
按设计放线进行检查。
尺量检查。
②钻孔垂直度。
≤1。
5%。
用经纬仪测钻杆垂直度。
③孔深。
±200㎜,尺量检查。
④注浆压力。
按设计设定的参数指标,查看压力表。
⑤桩体搭接。
>200㎜。
尺量检查。
⑥桩体直径≤50㎜。
尺量检查。
⑦桩身中心允许偏差。
≤0。
2D。
开挖后桩顶下500㎜处,用尺量检查桩的直径。
3、施工前检查水泥、外掺剂的质量、桩位、压力表、流量表的精度、高压喷射设备的性能。
施工中检查施工压力、水泥浆量、提升速度、旋转速度及施工程序等。
施工结束后,检验桩体强度、平均直径、桩身中心位置,28d后检验桩体质量及承载力等。
检查后形成施工记录或检验报告。
检查施工记录和检验报告。
72。
高压旋喷注浆地基检验批质量验收记录
注:本表内容的填写需依据《现场验收检验批检查原始记录》。
本检验批质量验收的规范依据见本页背面。
填写说明
一、填写依据
1 《建筑地基基础工程施工质量验收规范》GB50202-2002。
2 《建筑工程施工质量验收统一标准》GB50300-2013。
二、检验批划分
根据施工现场情况,地基子分部可以按照基础类型划分为一个检验批,如果工程量很大或者施工组织设计与专项施工方案中要求分段施工的,可以按照施工段划分为若干个检验批。
三、GB50202-2002规范摘要
表4.10.4 高压喷射注浆地基质量检验标准。
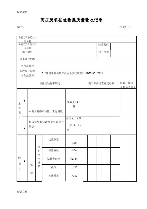
高压旋喷桩检验批质量验收记录表
单位工程名称
龙岗区坂田街道肉联厂西侧排水箱涵工程(万科第五园九期段)
分部分项工程名称
地基处理高压旋喷桩
施工桩号K0+290~K0+364 验收部位第五园九期
四~五号楼旁
施工单位深圳市裕灿建筑工程有限公司
项目负责人刘敏华
施工质量验收标准名称及编号
《建筑地基处理技术规范》(JGJ79-2012)
施工质量检查项目检验标准施工单位检查评定记录监理单位验收记录
主控项目1
水泥及外加剂的品种、
规格、质量
符合出厂、
设计要求
P.O42.5普通硅酸盐水泥,符合设计要
求
符合要求
2 布置形式设计要求符合设计要求符合要求
3 布置数量设计要求符合设计要求符合要求
4 有效桩长设计要求符合设计要求符合要求
5 桩体强度或完整性检验设计要求符合设计要求符合要求
一般项目1
允
许
偏
差
桩体直径±50 mm 20 -5 10 5 5
符
合
要
求
2 桩体间距±100 mm -10 5 15 -10 0
3 垂直度±1.0% 0.2% 0.1% 0.5% 0.4% 0.2%
4 孔深±200 mm 20 50 10 30 20
5 注浆压力设计要求符合要求
6 气压设计要求符合要求
施工单位检查
评定结果符合要求
质检员:
工程技术负责人:
工程负责人:
年月日
监理工程师:
监理单位验收结论符合要求
年月日。