危化品企业事故隐患排查治理实施导则最终版
- 格式:docx
- 大小:171.21 KB
- 文档页数:33
危险化学品企业事故隐患排查治理实施导则国家安全生产监督管理总局2012年7月目录1总则 (2)3 隐患排查方式及频次 (4)3.1 隐患排查方式 (4)3.2 隐患排查频次确定 (6)4 隐患排查内容 (7)4.1 安全基础管理 (8)4.2 区域位置和总图布置 (9)4.3 工艺管理 (9)4.4 设备管理 (10)4.5 电气系统 (11)4.6 仪表系统 (12)4.7 危险化学品管理 (13)4.8 储运系统 (13)4.9 消防系统 (14)4.10 公用工程系统 (14)5 隐患治理与上报 (15)5.1 隐患级别 (15)5.2 隐患治理 (15)5.3 隐患上报 (16)附录A (18)重大事故隐患风险评估方法 (18)附件 (20)各专业隐患排查表 (20)1 安全基础管理隐患排查表 (20)2 区域位置及总图布置隐患排查表 (28)3 工艺隐患排查表 (33)4 设备隐患排查表 (37)5 电气系统隐患排查表 (42)6 仪表隐患排查表 (47)7 危险化学品管理隐患排查表 (50)8 储运系统隐患排查表 (53)9公用工程隐患排查表 (62)10消防系统隐患排查表 (64)11总则1.1为了切实落实企业安全生产主体责任,促进危险化学品企业建立事故隐患排查治理的长效机制,及时排查、消除事故隐患,有效防范和减少事故,根据国家相关法律、法规、规章及标准,制定本实施导则。
1.2本导则适用于生产、使用和储存危险化学品企业(以下简称企业)的事故隐患排查治理工作。
1.3本导则所称事故隐患(以下简称隐患),是指不符合安全生产法律、法规、规章、标准、规程和安全生产管理制度的规定,或者因其他因素在生产经营活动中存在可能导致事故发生或导致事故后果扩大的物的危险状态、人的不安全行为和管理上的缺陷,包括:(1)作业场所、设备设施、人的行为及安全管理等方面存在的不符合国家安全生产法律法规、标准规范和相关规章制度规定的情况。
危险化学品企业事故隐患排查治理实施导则1. 前言危险化学品企业在生产、储存、运输、使用等过程中,由于自身特性可能导致火灾、爆炸、中毒、泄漏等事故,对人民群众的生命财产安全构成严重威胁。
为了加强危险化学品企业事故隐患的排查治理,提高安全生产水平,制定本实施导则。
2. 事故隐患排查2.1 隐患排查目标隐患排查的目标是发现危险化学品企业在生产、储存、运输、使用等过程中的安全隐患,以便及时采取措施消除或减轻事故风险。
2.2 隐患排查内容隐患排查的内容包括:•生产设施:包括生产设备、工艺管道、储罐、容器等;•储存设施:包括仓库、储罐、堆场等;•运输设施:包括运输车辆、船舶、管道等;•使用设施:包括实验室、车间、使用设备等;•安全管理制度:包括安全生产责任制、操作规程、应急预案等;•周边环境:包括防护距离、周边居民区、交通状况等。
2.3 隐患排查方法隐患排查方法包括:•查阅相关资料:包括设计文件、施工记录、检验报告等;•现场查看:包括生产现场、储存现场、运输现场等;•访谈:与从业人员、管理人员、安全管理人员等进行交谈;•检测检验:对设施、设备进行检测、检验,如泄漏检测、强度检测等;•安全风险评估:对生产、储存、运输、使用等环节进行安全风险评估。
3. 事故隐患治理3.1 治理原则事故隐患治理应遵循以下原则:•及时性:发现隐患立即治理,避免事故发生;•针对性:针对不同隐患,采取相应治理措施;•有效性:治理措施应确保隐患消除或风险可控;•经济性:在确保安全的前提下,合理考虑治理成本。
3.2 治理措施治理措施包括:•整改消除:对能立即整改的隐患进行整改;•监控措施:对暂时无法整改的隐患,采取监控措施,如设置报警装置、加强巡检等;•改造升级:对存在严重安全隐患的设施、设备进行改造升级;•停用淘汰:对无法整改、改造的隐患设施、设备,应停用或淘汰;•安全培训:加强对从业人员的安全生产培训,提高安全意识;•应急预案:完善事故应急预案,提高应对突发事故的能力。
危险化学品企业事故隐患排查治理实施导则国家安全生产监督管理总局2012 年 7 月目录目录 (1)1总则 (2)2基本要求 (2)3隐患排查方式及频次 (4)隐患排查方式 (4)隐患排查频次确定 (6)4隐患排查内容 (7)安全基础管理 (8)区域位置和总图布置 (9)工艺管理 (9)设备管理 (10)电气系统 (11)仪表系统 (12)危险化学品管理 (13)储运系统 (13)消防系统 (14)公用工程系统 (14)5隐患治理与上报 (15)隐患级别 (15)隐患治理 (15)隐患上报 (16)附录A 重大事故隐患风险评估方法 (18)附件各专业隐患排查表 (20)1安全基础管理隐患排查表 (20)2区域位置及总图布置隐患排查表 (28)3工艺隐患排查表 (33)4设备隐患排查表 (37)5电气系统隐患排查表 (42)6仪表隐患排查表 (47)7危险化学品管理隐患排查表 (50)8储运系统隐患排查表 (53)9公用工程隐患排查表 (64)10消防系统隐患排查表 (62)11总则为了切实落实企业安全生产主体责任,促进危险化学品企业建立事故隐患排查治理的长效机制,及时排查、消除事故隐患,有效防范和减少事故,根据国家相关法律、法规、规章及标准,制定本实施导则。
本导则适用于生产、使用和储存危险化学品企业(以下简称企业)的事故隐患排查治理工作。
本导则所称事故隐患(以下简称隐患),是指不符合安全生产法律、法规、规章、标准、规程和安全生产管理制度的规定,或者因其他因素在生产经营活动中存在可能导致事故发生或导致事故后果扩大的物的危险状态、人的不安全行为和管理上的缺陷,包括:(1)作业场所、设备设施、人的行为及安全管理等方面存在的不符合国家安全生产法律法规、标准规范和相关规章制度规定的情况。
(2)法律法规、标准规范及相关制度未作明确规定,但企业危害识别过程中识别出作业场所、设备设施、人的行为及安全管理等方面存在的缺陷。
危险化学品企业事故隐患排查治理实施导则国家安全生产监督管理总局2012年7月目录1 总则2 基本要求3 隐患排查方式及频次3.1 隐患排查方式3.2 隐患排查频次确定4 隐患排查内容4.1 安全基础管理4.2 区域位置和总图布置4.3 工艺管理4.4 设备管理4.5 电气系统4.6 仪表系统4.7 危险化学品管理4.8 储运系统4.9 消防系统4.10 公用工程系统5 隐患治理与上报5.1 隐患级别5.2 隐患治理5.3 隐患上报附录A重大事故隐患风险评估方法附件各专业隐患排查表1安全基础管理隐患排查表2 区域位置及总图布置隐患排查表3 工艺隐患排查表4 设备隐患排查表5 电气系统隐患排查表6 仪表隐患排查表7 危险化学品管理隐患排查表8 储运系统隐患排查表9 公用工程隐患排查表10 消防系统隐患排查表1 总则1.1 为了切实落实企业安全生产主体责任,促进危险化学品企业建立事故隐患排查治理的长效机制,及时排查、消除事故隐患,有效防范和减少事故,根据国家相关法律、法规、规章及标准,制定本实施导则。
1.2 本导则适用于生产、使用和储存危险化学品企业(以下简称企业)的事故隐患排查治理工作。
1.3 本导则所称事故隐患(以下简称隐患),是指不符合安全生产法律、法规、规章、标准、规程和安全生产管理制度的规定,或者因其他因素在生产经营活动中存在可能导致事故发生或导致事故后果扩大的物的危险状态、人的不安全行为和管理上的缺陷,包括:(1)作业场所、设备设施、人的行为及安全管理等方面存在的不符合国家安全生产法律法规、标准规范和相关规章制度规定的情况。
(2)法律法规、标准规范及相关制度未作明确规定,但企业危害识别过程中识别出作业场所、设备设施、人的行为及安全管理等方面存在的缺陷。
2 基本要求2.1 隐患排查治理是企业安全管理的基础工作,是企业安全生产标准化风险管理要素的重点内容,应按照“谁主管、谁负责”和“全员、全过程、全方位、全天候”的原则,明确职责,建立健全企业隐患排查治理制度和保证制度有效执行的管理体系,努力做到及时发现、及时消除各类安全生产隐患,保证企业安全生产。
危险化学品企业事故隐患排查治理实施导则WORD版国家安全生产监督治理总局2021年7月目录1 总那么2 差不多要求3 隐患排查方式及频次3.1 隐患排查方式3.2 隐患排查频次确定4 隐患排查内容4.1 安全基础治理4.2 区域位置和总图布置4.3 工艺治理4.4 设备治理4.5 电气系统4.6 外表系统4.7 危险化学品治理4.8 储运系统4.9 消防系统4.10 公用工程系统5 隐患治理与上报5.1 隐患级别5.2 隐患治理5.3 隐患上报附录A重大事故隐患风险评估方法附件各专业隐患排查表1安全基础治理隐患排查表2 区域位置及总图布置隐患排查表3 工艺隐患排查表4 设备隐患排查表5 电气系统隐患排查表6 外表隐患排查表7 危险化学品治理隐患排查表8 储运系统隐患排查表9 公用工程隐患排查表10 消防系统隐患排查表1 总那么1.1 为了切实落实企业安全生产主体责任,促进危险化学品企业建立事故隐患排查治理的长效机制,及时排查、排除事故隐患,有效防范和减少事故,依照国家相关法律、法规、规章及标准,制定本实施导那么。
1.2 本导那么适用于生产、使用和储存危险化学品企业〔以下简称企业〕的事故隐患排查治理工作。
1.3 本导那么所称事故隐患〔以下简称隐患〕,是指不符合安全生产法律、法规、规章、标准、规程和安全生产治理制度的规定,或者因其他因素在生产经营活动中存在可能导致事故发生或导致事故后果扩大的物的危险状态、人的不安全行为和治理上的缺陷,包括:〔1〕作业场所、设备设施、人的行为及安全治理等方面存在的不符合国家安全生产法律法规、标准规范和相关规章制度规定的情形。
〔2〕法律法规、标准规范及相关制度未作明确规定,但企业危害识别过程中识别出作业场所、设备设施、人的行为及安全治理等方面存在的缺陷。
2 差不多要求2.1 隐患排查治理是企业安全治理的基础工作,是企业安全生产标准化风险治理要素的重点内容,应按照〝谁主管、谁负责〞和〝全员、全过程、全方位、全天候〞的原那么,明确职责,建立健全企业隐患排查治理制度和保证制度有效执行的治理体系,努力做到及时发觉、及时排除各类安全生产隐患,保证企业安全生产。
危险化学品企业隐患排查治理实施导则国家安全生产监督管理总局2012.07目录1总则 (1)2 基本要求 (1)3 隐患排查方式及频率 (2)3。
1 隐患排查方式 (2)3.2 隐患排查频次确定 (3)4 隐患排查重点内容 (3)4。
1 安全基础管理隐患排查重点 (4)4.2 区域位置和总图布置隐患排查重点 (5)4。
3 工艺隐患排查重点 (5)4。
4 设备隐患排查重点 (6)4。
5 电气系统隐患排查重点 (7)4。
6 仪表系统隐患排查重点 (7)4。
7 危险化学品管理隐患排查重点 (8)4.8 储运系统隐患排查重点 (8)4.9 消防系统隐患排查重点 (9)4。
10 公用工程隐患排查重点 (9)5 隐患评估、治理与上报 (9)5.1 隐患级别 (9)5.2 隐患评估与治理 (10)5。
3 隐患上报 (11)6 附件—-各专业隐患排查表 (12)6。
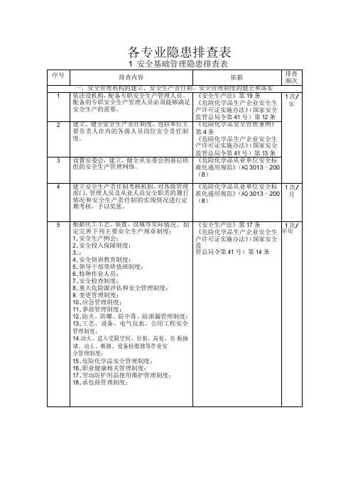
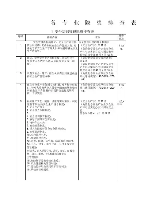
1 安全基础管理隐患排查表 (12)6。
2 区域位置及总图布置隐患排查表 (19)6。
3 工艺隐患排查排查表 (23)6。
4 设备隐患排查表 (25)6。
5 电气系统隐患排查表 (33)6.6 仪表隐患排查表 (37)6.7 危险化学品管理隐患排查表 (40)6.8 储运系统隐患排查表 (42)6.9 消防系统隐患排查表 (48)6.10 公用工程隐患排查表 (51)1总则1.1为了促进危险化学品企业建立隐患排查治理的长效机制,强化企业的主体责任,及时排查、消除事故隐患,有效防范和减少事故,根据国家相关法律、法规、规章及标准,特制定本实施导则。
1.2本导则主要适用于危险化学品企业(包括:危险化学品生产、带储存的经营、使用等单位)的隐患排查治理工作。
1.3隐患是指违反安全生产法律、法规、规章、标准、规程和安全生产管理制度的规定,或者因其他因素在生产经营活动中存在可能导致事故发生的物的危险状态、人的不安全行为和管理上的缺陷.主要包括:(1)作业场所、设备设施、人的行为及安全管理等方面存在的不符合国家安全生产法律法规、标准规范、规章制度规定的情况。
危险化学品企业事故隐患排查治理实施导则危险化学品企业事故隐患排查治理实施导则随着化学工业的发展,危险化学品企业已成为社会经济发展的重要支柱,但同时也带来了严重的安全隐患。
为了确保危险化学品企业的安全生产,减少事故的发生,保护人民生命财产安全,制定危险化学品企业事故隐患排查治理实施导则是非常必要和重要的。
一、危险化学品企业事故隐患排查在危险化学品企业的事故隐患排查中,首先要制定详细的排查方案,明确具体的排查内容和检查标准。
排查人员要具备相关的专业知识和技能,必要时,应邀请专家进行技术支持。
1. 生产设施方面生产设施包括输送系统、储存设施、生产设备等。
排查时应仔细检查它们的完好程度,如管道是否漏水、变形、磨损、储罐是否损坏、变形等,以及设备的使用寿命是否到期等。
2. 环保设施方面环保设施包括废气处理、废水处理、废固体处理等。
在排查时要检查它们的环保设施是否达标,是否存在漏洞,是否存在未接受控制排放废气、废水、废固体的内容。
排查时还要特别注意储存污染物的设施和装置是否符合规范要求。
3. 安全措施方面安全措施包括消防设施、安全设施等。
在排查时要细心检查它们的合理性和有效性,如接地是否可靠、消防器材是否完好,是否存在不合格的产品或设备、是否存在越权改动的内容。
4. 人员安全方面人员安全包括培训、安全保障、岗前体检等。
在排查时要检查人员是否有相关职业资格证书和学历证书,是否有相关培训相关证明和记录,是否有岗位特别规定和岗位分级,是否有岗前、年度体检的记录。
二、危险化学品企业事故隐患治理在危险化学品企业的事故隐患治理中,必须采取科学的依法治理措施,实现从源头上控制危险化学品企业事故隐患。
1. 加强环保设施建设危险化学品企业必须依法依规建设环保设施,规范污染源头的相关设备和储存设施,防止危险化学品的泄漏和事故发生。
如果危险化学品企业环保设施不达标,违反法律法规,应当大力惩治,责令整改,保障人民的生命健康和生态环境。
国家安全监管总局关于印发危险化学品企业事故隐患排查治理实施导则的通知安监总管三〔2012〕103号各省、自治区、直辖市及新疆生产建设兵团安全生产监督管理局,有关中央企业:隐患排查治理是安全生产的重要工作,是企业安全生产标准化风险管理要素的重点内容,是预防和减少事故的有效手段。
为了推动和规范危险化学品企业隐患排查治理工作,国家安全监管总局制定了《危险化学品企业事故隐患排查治理实施导则》(以下简称《导则》,请从国家安全监管总局网站下载),现印发给你们,请认真贯彻执行。
危险化学品企业要高度重视并持之以恒做好隐患排查治理工作。
要按照《导则》要求,建立隐患排查治理工作责任制,完善隐患排查治理制度,规范各项工作程序,实时监控重大隐患,逐步建立隐患排查治理的常态化机制。
强化《导则》的宣传培训,确保企业员工了解《导则》的内容,积极参与隐患排查治理工作。
各级安全监管部门要督促指导危险化学品企业规范开展隐患排查治理工作。
要采取培训、专家讲座等多种形式,大力开展《导则》宣贯,增强危险化学品企业开展隐患排查治理的主动性,指导企业掌握隐患排查治理的基本方法和工作要求;及时搜集和研究辖区内企业隐患排查治理情况,建立隐患排查治理信息管理系统,建立安全生产工作预警预报机制,提升危险化学品安全监管水平。
国家安全监管总局2012年8月7日危险化学品企业事故隐患排查治理实施导则1总则1.1为了切实落实企业安全生产主体责任,促进危险化学品企业建立事故隐患排查治理的长效机制,及时排查、消除事故隐患,有效防范和减少事故,根据国家相关法律、法规、规章及标准,制定本实施导则。
1.2 本导则适用于生产、使用和储存危险化学品企业(以下简称企业)的事故隐患排查治理工作。
1.3 本导则所称事故隐患(以下简称隐患),是指不符合安全生产法律、法规、规章、标准、规程和安全生产管理制度的规定,或者因其他因素在生产经营活动中存在可能导致事故发生或导致事故后果扩大的物的危险状态、人的不安全行为和管理上的缺陷,包括:(1)作业场所、设备设施、人的行为及安全管理等方面存在的不符合国家安全生产法律法规、标准规范和相关规章制度规定的情况。
危险化学品企业事故隐患排查治理实施导则国家安全生产监督管理总局2012年7月目录1 总则2 基本要求3 隐患排查方式及频次3.1 隐患排查方式3.2 隐患排查频次确定4 隐患排查内容4.1 安全基础管理4.2 区域位置和总图布置4.3 工艺管理4.4 设备管理4.5 电气系统4.6 仪表系统4.7 危险化学品管理4.8 储运系统4.9 消防系统4.10 公用工程系统5 隐患治理与上报5.1 隐患级别5.2 隐患治理5.3 隐患上报附录A重大事故隐患风险评估方法附件各专业隐患排查表1安全基础管理隐患排查表2 区域位置及总图布置隐患排查表3 工艺隐患排查表4 设备隐患排查表5 电气系统隐患排查表6 仪表隐患排查表7 危险化学品管理隐患排查表8 储运系统隐患排查表9 公用工程隐患排查表10 消防系统隐患排查表1 总则1.1 为了切实落实企业安全生产主体责任,促进危险化学品企业建立事故隐患排查治理的长效机制,及时排查、消除事故隐患,有效防范和减少事故,根据国家相关法律、法规、规章及标准,制定本实施导则。
1.2 本导则适用于生产、使用和储存危险化学品企业(以下简称企业)的事故隐患排查治理工作。
1.3 本导则所称事故隐患(以下简称隐患),是指不符合安全生产法律、法规、规章、标准、规程和安全生产管理制度的规定,或者因其他因素在生产经营活动中存在可能导致事故发生或导致事故后果扩大的物的危险状态、人的不安全行为和管理上的缺陷,包括:(1)作业场所、设备设施、人的行为及安全管理等方面存在的不符合国家安全生产法律法规、标准规范和相关规章制度规定的情况。
(2)法律法规、标准规范及相关制度未作明确规定,但企业危害识别过程中识别出作业场所、设备设施、人的行为及安全管理等方面存在的缺陷。
2 基本要求2.1 隐患排查治理是企业安全管理的基础工作,是企业安全生产标准化风险管理要素的重点内容,应按照“谁主管、谁负责”和“全员、全过程、全方位、全天候”的原则,明确职责,建立健全企业隐患排查治理制度和保证制度有效执行的管理体系,努力做到及时发现、及时消除各类安全生产隐患,保证企业安全生产。
危险化学品企业事故隐患排查治理实施导则1总则1.1为了切实落实企业安全生产主体责任,促进危险化学品企业建立事故隐患排查治理的长效机制,及时排查、消除事故隐患,有效防范和减少事故,根据国家相关法律、法规、规章及标准,制定本实施导则。
1.2 本导则适用于生产、使用和储存危险化学品企业(以下简称企业) 的事故隐患排查治理工作。
1.3 本导则所称事故隐患(以下简称隐患), 是指不符合安全生产法律、法规、规章、标准、规程和安全生产管理制度的规定,或者因其他因素在生产经营活动中存在可能导致事故发生或导致事故后果扩大的物的危险状态、人的不安全行为和管理上的缺陷, 包括:(1)作业场所、设备设施、人的行为及安全管理等方面存在的不符合国家安全生产法律法规、标准规范和相关规章制度规定的情况。
(2)法律法规、标准规范及相关制度未作明确规定,但企业危害识别过程中识别出作业场所、设备设施、人的行为及安全管理等方面存在的缺陷。
2基本要求2.1隐患排查治理是企业安全管理的基础工作,是企业安全生产标准化风险管理要素的重点内容,应按照“谁主管、谁负责”和“全员、全过程、全方位、全天候”的原则,明确职责,建立健全企业隐患排查治理制度和保证制度有效执行的管理体系,努力做到及时发现、及时消除各类安全生产隐患,保证企业安全生产。
2.2 企业应建立和不断完善隐患排查体制机制,主要包括:2.2.1企业主要负责人对本单位事故隐患排查治理工作全面负责,应保证隐患治理的资金投入,及时掌握重大隐患治理情况,治理重大隐患前要督促有关部门制定有效的防范措施,并明确分管负责人。
分管负责隐患排查治理的负责人,负责组织检查隐患排查治理制度落实情况,定期召开会议研究解决隐患排查治理工作中出现的问题,及时向主要负责人报告重大情况,对所分管部门和单位的隐患排查治理工作负责。
其他负责人对所分管部门和单位的隐患排查治理工作负责。
2.2.2隐患排查要做到全面覆盖、责任到人, 定期排查与日常管理相结合,专业排查与综合排查相结合,一般排查与重点排查相结合,确保横向到边、纵向到底、及时发现、不留死角。
危险化学品企业事故隐患排查治理实施导则国家安全生产监督管理总局2012年7月目录1 总则2 基本要求3 隐患排查方式及频次3.1 隐患排查方式3.2 隐患排查频次确定4 隐患排查内容4.1 安全基础管理4.2 区域位置和总图布置4.3 工艺管理4.4 设备管理4.5 电气系统4.6 仪表系统4.7 危险化学品管理4.8 储运系统4.9 消防系统4.10 公用工程系统5 隐患治理与上报5.1 隐患级别5.2 隐患治理5.3 隐患上报附录A重大事故隐患风险评估方法附件各专业隐患排查表1安全基础管理隐患排查表2 区域位置及总图布置隐患排查表3 工艺隐患排查表4 设备隐患排查表5 电气系统隐患排查表6 仪表隐患排查表7 危险化学品管理隐患排查表8 储运系统隐患排查表9 公用工程隐患排查表10 消防系统隐患排查表1 总则1.1 为了切实落实企业安全生产主体责任,促进危险化学品企业建立事故隐患排查治理的长效机制,及时排查、消除事故隐患,有效防范和减少事故,根据国家相关法律、法规、规章及标准,制定本实施导则。
1.2 本导则适用于生产、使用和储存危险化学品企业(以下简称企业)的事故隐患排查治理工作。
1.3 本导则所称事故隐患(以下简称隐患),是指不符合安全生产法律、法规、规章、标准、规程和安全生产管理制度的规定,或者因其他因素在生产经营活动中存在可能导致事故发生或导致事故后果扩大的物的危险状态、人的不安全行为和管理上的缺陷,包括:(1)作业场所、设备设施、人的行为及安全管理等方面存在的不符合国家安全生产法律法规、标准规范和相关规章制度规定的情况。
(2)法律法规、标准规范及相关制度未作明确规定,但企业危害识别过程中识别出作业场所、设备设施、人的行为及安全管理等方面存在的缺陷。
2 基本要求2.1 隐患排查治理是企业安全管理的基础工作,是企业安全生产标准化风险管理要素的重点内容,应按照“谁主管、谁负责”和“全员、全过程、全方位、全天候”的原则,明确职责,建立健全企业隐患排查治理制度和保证制度有效执行的管理体系,努力做到及时发现、及时消除各类安全生产隐患,保证企业安全生产。