柴油发电机并机控制问题
- 格式:doc
- 大小:27.50 KB
- 文档页数:4
柴油发电机如何实现并机发电机————————————————————————————————作者:————————————————————————————————日期:ﻩ多台柴油发电机组并机供电是一种节约成本,提高供电容量的措施。
并机使用的条件是两台机瞬间的电压、频率、相位相同。
俗称“三同时”。
用专用并机装置来完成并机工作(柴油发电机组并机柜)。
发电机并网运行指的是发电机并联到无限大电网(电网容量是发电机容量的10倍以上),其运行方式与多台发电机并联运行不同,其主要区别在于:多台发电机并车时,其中一台发电机电压的变化能够引起电网电压的变化,从而引起多台发电机间无功功率的再分配;而发电机并网运行,电网电压不受发电机电压的变化而波动。
发电机怎样并机发电一、把每台发电机上安装的电压互感器二次侧电压引到整步表上,能过转换开关实现对并机条件的监视,就能并上了。
二、并机条件:1、电压相等;2、频率相同;3、相位相同;满足以上三个条件就能实现并机。
三、发电机(英文名称:Generators)是将其他形式的能源转换成电能的机械设备,它由水轮机、汽轮机、柴油机或其他动力机械驱动,将水流,气流,燃料燃烧或原子核裂变产生的能量转化为机械能传给发电机,再由发电机转换为电能。
发电机在工农业生产、国防、科技及日常生活中有广泛的用途。
发电机并车必备四个条件是什么准同期条件:(1) 电压相等。
(2) 电压相位一致。
(3) 频率相等。
(4)相序相同。
电压不等:其后果是并列后,发电机和系统间有无功性质的环流出现。
电压相位不一致:其后果是可能产生很大的冲击电流,使发电机烧毁,或使端部受到巨大的电动力的作用而损坏。
频率不等:其后果是将产生拍振电压和拍振电流,这个拍振电流的有功成分在发电机机轴上产生的力矩,将使发电机产生机械振动。
当频率相差较大时,甚至使发电机并入后不能同步。
两台发电机组并联发电发电机并列运行:1.待并发电机的电压有效值Uf与电网的电压有效值U相等或接近相等,允许相差±5%的额定电压值。
柴油发电机组并机常见的问题柴油发电机组两台并机越来越普遍,经常由于需求功率的增加而出现要求柴油发电机组并机的服务,随着现代化建设的发展,发电机组越来越多地应用于国防工程、武器系统、野外作业等工程中。
为了满足大负荷或不间断供电要求,往往需要将两台或多台机组并联运行。
机组并联运行中,常出现功率分配不均匀现象,过度功率分配不均匀将会严重影响电站系统运行的安全性和可靠性,且会对发电机组产生严重危害。
这种危害性根源于系统的环流问题,也是并联电站调试中最常见、也是最难以解决的问题。
我公司技术人员根据调试并联机组的一些经验,提出了环流产生的原因、影响功率平均分配的一些因素及解决方法。
环流产生的静态分析(发电机出租)以模块化并联控制系统为例,发电机组的并联调试一般先把并联机组空载并联时的环流调平衡、足够小且稳定运行,再通过负荷分配器把有功功率调平衡,其中关键是解决空载并联时的环流问题。
以两台机组并联为例,空载并联常出现的问题:(1)环流过大,远远超过并联机组额定电流的10%;(2)并联后,环流随运行时间逐渐变大,直至逆功率报警;(3)环流不稳定,随机性忽大忽小。
如何解决这些问题?我们以两台等功率机组并联为例,先分析一下环流产生的原因。
环流U1:1#机组端电压,U2:2#机组端电压,R3:(发电机出租)两台机组并联运行所带负荷,I0:环流,I1:1#机组的输出电流,I2:2#机组的输出电流.海锋柴油发电机组提供技术支持。
若使两台机组并联运行,在任何负荷下环流I0都为0,则必须U1=(发电机出租)U2,即两台机组在任何负荷(发电机出租)下运行其端电压都相等。
空载并联相当于负荷无穷大,其空载端电压U01、U02也应相等。
即U01=U02(1-2)我们知道,有功功率的平均分配取决于柴油机及其调速系统的特性,而无功功率的分配则取决于发电机及其励磁系统的特性,也就是发电机组本身的调压特性。
调压特性是一条U=f(I)曲线,U为发电机组端电压,I为电流。
柴油发电机常见故障及维修柴油发电机是一种常见的发电设备,被广泛应用于工业、农业和家庭领域。
然而,由于使用时间的延长以及日常维护不到位等原因,柴油发电机也会出现一些常见故障。
本文将针对柴油发电机的常见故障及维修进行详细介绍,帮助读者更好地了解和处理这些问题。
一、发动机无法启动柴油发电机无法启动是常见的故障之一。
可能的原因有:燃油供应不足、电池电量不足、点火系统故障等。
针对这些问题,可以采取以下措施进行维修:1. 检查燃油供应系统,确保燃油清洁无杂质,并检查燃油泵是否正常工作。
2. 检查电池电量,如有需要,及时更换电池或充电。
3. 检查点火系统,包括火花塞、点火线圈等,确保其正常工作。
二、发动机运行不稳定柴油发电机在运行过程中可能出现运行不稳定的情况,如抖动、失速等。
造成这种故障的原因可能是燃油供应不稳定、点火系统问题等。
针对这些问题,可以采取以下措施进行维修:1. 检查燃油供应系统,清洗或更换燃油滤清器,确保燃油流畅。
2. 检查点火系统,确保火花塞清洁、点火线圈正常工作。
3. 如果以上措施无效,可能需要检查喷油嘴是否堵塞或燃油泵是否损坏。
三、发动机冷却系统故障柴油发电机的冷却系统故障可能导致发动机过热,严重时可能会损坏发动机。
常见的冷却系统故障包括散热器堵塞、水泵故障等。
针对这些问题,可以采取以下措施进行维修:1. 检查散热器,清洗或更换堵塞的散热器。
2. 检查水泵,确保水泵正常工作,如有需要及时更换。
四、发电机输出功率不稳定柴油发电机的输出功率不稳定可能是由于电压调节器故障、电池电量不足等原因造成的。
针对这些问题,可以采取以下措施进行维修:1. 检查电压调节器,确保其正常工作。
2. 检查电池电量,如有需要,及时更换电池或充电。
五、发电机燃油消耗过多柴油发电机燃油消耗过多可能是由于燃油供应不足、燃油泵调整不当等原因造成的。
针对这些问题,可以采取以下措施进行维修:1. 检查燃油供应系统,确保燃油流畅,清洗或更换燃油滤清器。
柴发并机原理柴油机并机原理一、引言柴油机并机是指将多台柴油发电机组同时连接在一个电力系统中,共同供电。
柴油机并机的主要目的是提高电力系统的可靠性和供电能力。
本文将介绍柴油机并机的工作原理和相关技术。
二、柴油机并机的工作原理柴油机并机的工作原理可以简单概括为以下几个步骤:1. 同步检测与调节:在并机系统中,每台柴油发电机组都需要具备同步检测与调节功能。
当柴油机组与电力系统同步后,电流和电压会发生变化,这就需要对发电机组的电流和电压进行检测和调节,以确保其与电力系统保持同步。
2. 负荷分配:在柴油机并机系统中,各个柴油发电机组需要根据电力系统的负荷情况进行合理的负荷分配。
负荷分配的目标是使每台发电机组的负荷尽量均衡,避免出现负荷过大或过小的情况。
3. 频率和电压控制:柴油机并机系统中,频率和电压是两个重要的控制参数。
为了保持电力系统的稳定运行,需要对频率和电压进行精确的控制。
当电力系统的负荷发生变化时,柴油机组需要根据系统的需求来调整输出频率和电压。
4. 并机控制:柴油机并机系统中的并机控制是整个系统的关键。
通过并机控制系统,可以实现柴油发电机组的自动启动、同步和停机。
并机控制系统还可以监测电力系统的状态,当某台柴油发电机出现故障时,可以及时切换到备用柴油发电机组,保证系统的连续供电。
三、柴油机并机的技术要点柴油机并机的实现需要注意以下几个技术要点:1. 同步检测与调节技术:同步检测与调节技术是柴油机并机系统的核心。
通过准确检测和调节各个柴油发电机组的电流和电压,可以保证并机系统的运行稳定。
2. 负荷分配技术:负荷分配技术是保证发电机组负荷均衡的关键。
通过合理的负荷分配,可以避免某个发电机组负荷过大而导致故障,同时也可以提高整个系统的供电能力。
3. 频率和电压控制技术:频率和电压控制技术是保证电力系统稳定运行的重要手段。
通过精确控制频率和电压,可以避免电力系统的过载或欠载。
4. 并机控制技术:并机控制技术是柴油机并机系统的关键技术。
柴发机组与逆变器并联运行暂稳态功率均分控制方法摘要:随着可再生能源发电技术、储能技术、微网技术等的不断发展,风光柴储多能源发电微网系统在偏远地区或孤立海岛地区应用越来越广泛。
除了传统大电网中的同步电机型电源,逆变型分布式电源也是多能源微网的重要组成部分。
其中传统的柴发机组具备独立供电、机动性强等特点,可保证系统的供电可靠性和运行稳定性。
而风电、光伏等可再生能源通过逆变器接入微网与柴发机组并联,能够利用地区资源实现多能互补、节能减排与经济运行,提高能源利用率。
但由于异构电源间固有的控制和物理结构以及馈线阻抗等差异,使得异构电源动态特性差异大,并联供电系统安全稳定运行面临挑战。
关键词:柴发机组与逆变器;并联运行;率均分控制引言随着中国的安全带和道路政策的出台,越来越多的中国企业走出国门,矿产企业不仅是其中的重要组成部分,而且面临着更多的困难,其中最困难的是电力供应。
由于大多数采矿企业位于电网难以复盖或经济欠发达的无电地区,电力负荷很大,因此它们使用与若干柴油发电机组(以下简称柴油发电机组)毗邻运行的孤立电网。
尽管隔离电网驱动的薪材生产单元解决了供电问题,但其发电成本高、运行工作量高、环境污染等问题一直困扰着企业。
如何提高薪材生产单位的发电效率,减轻运输工作量,降低发电成本已成为一个紧迫问题。
1系统结构柴发机组和逆变器典型并联供电系统结构如图1所示,同步发电机输出和逆变器经LC滤波后输出通过线路阻抗向母线上负载供电。
该系统常用的控制策略为柴发机组维持母线电压频率的恒定,逆变器以电流源模式运行注入功率。
图1柴发机组与逆变器并联供电系统同步发电机具体控制框图如图2所示,其中调速系统主要由转速调节器、油门执行器和柴油发动机组成,其中:Psg为发电机有功功率;kp_sg为发电机有功下垂系数;Tm为机械转矩;wref和wsg分别为参考转速和发电机实际转速。
转速调节器通过转差信号调节油门开度指令,油门执行器在给定油量信号下驱动控制油门动作,而实际油门开度有一定范围,且执行器动作发生到油门开度变化需要经过一段时延,因此引入限幅和时延环节模拟实际动态过程。
柴油发电机组的并网运行技术说明随着能源需求的不断增加,柴油发电机组已经成为了现代社会不可或缺的一种发电设备。
在柴油发电机组的使用过程中,如何保证其正常的并网运行,成为了一项重要的挑战。
本文就柴油发电机组的并网运行技术进行详细的说明。
一、柴油发电机组的基本原理柴油发电机组是利用柴油机的燃烧功率,通过发电机将机械能转化为电能的一种设备。
其基本构成部分为柴油机、发电机和控制系统。
在柴油机的燃烧室中,柴油与空气混合后点火燃烧,燃烧产生高温高压气体推动活塞运动,从而驱动发电机旋转,最终产生电能输出。
二、柴油发电机组并网运行的意义柴油发电机组并网运行,指的是将发电机组输出的电能平稳地接入电网并实现稳定运行。
其意义在于,能够充分利用电能资源,实现发电系统的灵活运行,为电网稳定运行保驾护航。
同时,柴油发电机组并网运行还可以实现负荷均衡,避免因电网负荷需求波动而导致的电力中断问题。
三、柴油发电机组并网运行的技术要求1. 并网电压、频率一致性要求高。
当柴油发电机组接入电网后,其输出的电能必须符合电网的要求,电压和频率一致性是关键。
这就要求柴油发电机组的控制系统具备精准的调节能力,以保证发电机输出电压和频率与电网保持一致。
2. 并网切换需具备很高的可靠性。
在柴油发电机组并网运行过程中,可能会发生电网突然中断的情况,这时候可以通过柴油发电机组快速切换为自备电源,以保证电网系统的连续供电。
因此柴油发电机组并网切换的可靠性是非常重要的。
3. 接地保护应到位。
为了保证柴油发电机组并网运行的安全,必须对接地保护进行到位设置。
在柴油发电机组的电源线路上应设置接地保护开关,当出现过电压或接地故障时能够及时断电,从而避免对设备和人员的伤害。
四、柴油发电机组并网运行的注意事项1. 控制系统稳定性。
柴油发电机组的并网运行最关键的就是控制系统的稳定性。
因此在使用过程中,应定时对控制系统进行维护和检查,确保各项参数调节正常,发电机组能够正常进行输出电能。
柴油发电机并联运行调试技术分析1.工作原理柴油发电机并联运行的工作原理是将多台发电机通过并联电源柜相连,共同供电给负载设备。
当负载电流变化时,各台发电机会根据负载大小自动进行负载调整,实现电力供应的均衡分配。
并联运行还可以实现柴油发电机的备份功能,一台发电机出现故障时,其他发电机可以自动接管负载。
2.调试准备在进行柴油发电机并联运行调试之前,需要进行一些准备工作。
首先,检查各台发电机的运行状态,包括机械部分、电气部分和控制系统。
其次,检查并联电源柜及其配电系统的连接情况,确保各台发电机的输出能够正确接入负载设备。
最后,检查控制系统配置,确保各发电机的参数设置一致。
3.节电运行柴油发电机运行时的燃料消耗是一个重要的问题。
在进行并联运行调试时,节电运行是一个关键的技术。
首先,可以通过合理地配置负载设备,使得各台发电机的负载均衡分配,避免出现负载不均衡的情况。
其次,可以根据负载需求动态调整发电机的数量,使得系统始终处于高效工作状态。
此外,还可以通过调整发电机的转速和负载调整速率,降低燃料消耗。
4.并联运行控制柴油发电机并联运行的关键是控制系统的设计和调试。
在并联运行时,需要实现负载均衡控制、发电机的切换和故障自动切换等功能。
负载均衡控制可以通过采用主从式调度控制策略来实现,即由一个主发电机控制其他发电机的输出。
发电机的切换可以通过电控系统实现,当一台发电机故障或停机时,其他发电机可以自动接管负载。
此外,还需要设置故障保护装置和报警系统,及时发现并处理故障。
5.调试步骤a.检查发电机和并联电源柜的连接情况;b.检查控制系统配置,确保参数设置一致;c.启动各台发电机,检查运行状态;d.设置并联控制模式,检查负载均衡情况;e.进行负载调整测试,检查发电机的负载调节性能;f.模拟故障,测试备份功能;g.检查故障保护装置和报警系统的工作情况;h.进行长时间的并联运行测试。
6.调试注意事项在进行柴油发电机并联运行调试时,需要注意以下事项:a.确保发电机的机械、电气和控制系统处于良好状态;b.注意负载均衡,并及时调整发电机的数量和负载调整速率;c.注意节电运行,降低燃料消耗;d.设置合适的故障保护装置和报警系统,确保安全可靠;e.进行充分的测试和验证,确保并联运行的稳定性和可靠性。
柴油发电机组的电网并联操作说明随着我国电力需求的不断增长以及电网的逐步完善,柴油发电机组的电网并联越来越受到人们的关注。
电网并联操作可以帮助发电机组更好地适应负荷需求,提高发电效率,但是如果操作不当,也会带来一些不利影响。
因此,本文将针对柴油发电机组的电网并联操作进行详细说明。
一、电网并联前的准备工作在电网并联之前,需要对柴油发电机组进行全面检查,确保各项指标符合要求。
具体包括以下几个方面:1.柴油发电机组的机械性能应良好,负载能力符合要求;2.电池电压达到额定值,并保证电池正、负极接线正确,接触良好;3.柴油发电机的油量、水温、机油压力等各项指标应在正常范围内;4.柴油发电机组的控制系统应处于正常工作状态,各传感器和保护装置应正常可靠。
二、柴油发电机组与电网的并联操作在电网并联操作之前,需要确认运行柴油发电机组的功率和电压是否符合要求。
一般而言,发电机组的额定功率和电压应与供电公司要求的电网功率和电压匹配。
一旦确认符合条件,就可以操作电网并联了。
1.柴油发电机组的并联前自动调压操作柴油发电机并网前需要先进行自动调压操作。
具体方法如下:(1) 启动柴油发电机组,并让其稳定运行。
(2) 打开柴油发电机组控制柜上的调压开关,此时电压计表针应开始震动。
(3) 慢慢地调节电压调节旋钮,使电压计表针指示读数趋于稳定,此时调压开关上的指示灯应亮起。
(4) 等待5分钟后,再次确认电压计表针读数是否稳定,如果稳定,则表示自动调压成功,可以进行后续操作。
2.并联操作柴油发电机并联操作分为手动并联和自动并联两种方法。
(1) 手动并联手动并联需要先将柴油发电机组输出电压调节至与电网电压相等,然后操作手动并联开关进行并联。
并联后,可以适度调节柴油发电机的输出电压,以满足电网的容量需求。
(2) 自动并联自动并联需要在柴油发电机组控制柜上设置自动并联参数,包括电源、延迟时间等,然后启动自动并联功能。
当配电网络电压低于设定值时,自动并联装置就会将柴油发电机组自动并联到电网中进行供电,而在电网电压回升到正常值时,自动并联装置就会自动切断柴油发电机组的供电。
柴油发电机控制系统检修方案一、项目背景和目标柴油发电机控制系统是保证发电机正常运行的关键装置,对提高发电效率、保障用电安全至关重要。
然而随着系统使用时间的延长,设备老化、磨损等问题逐渐浮现,为确保系统的正常稳定运行,有必要进行定期检修和维护。
本检修方案的目标是保障柴油发电机控制系统的可靠性和稳定性,延长其使用寿命,并提高系统的工作效率。
二、检修方案1.基础检查-检查发电机控制系统的外部环境,确保工作场所干燥、无尘、通风良好。
-检查系统的电源线路,确保电源供应稳定可靠。
-检查系统的控制线路,包括开关、传感器、继电器等元件。
2.检修电气元件-拆卸并清洁控制器、开关和继电器,检查是否有损坏或腐蚀的情况,并进行必要的维修或更换。
-检查发电机定子线圈和励磁线圈的接线情况,确保接触可靠,无松动。
3.检修燃油系统-清洗燃油箱、滤清器和燃油泵,清理积存的杂质和污垢。
-检查燃油喷射器和燃油喷雾系统,确保喷油均匀和正常。
-检查燃油管道和接头,确保密封良好,无泄漏。
4.检修冷却系统-清洗冷却水箱和冷却塔,清理管道内的水垢和污垢。
-检查冷却系统的泵、阀门和管道,确保正常工作。
-检查冷却液的质量和水位,根据需要添加冷却液或更换。
5.检修机械部件-检查发电机轴承和保护装置,确保工作正常。
-检查发电机风扇和冷却通道,清理杂物和灰尘。
-检查发电机传动系统的皮带和齿轮,确保紧固无松动。
6.检修软件系统-检查发电机控制系统的软件功能,确保各项功能正常。
-更新软件版本,修复可能存在的漏洞和问题。
7.总结和记录-对检修过程进行总结,记录所有维修过程和结果。
-形成检修报告,包括问题、原因、解决方法和建议。
三、安全措施1.在检修过程中,必须切断电源,以避免触电和其他安全事故的发生。
2.在检修过程中,严禁烟火,以防止发生火灾。
3.检修过程中必须戴上相应的个人防护装备,如手套、护目镜和防护服等。
4.对于需要拆解的部件,应使用正确的工具和方法进行拆装,防止损坏。
柴油发电机组自动并机并网系统方案摘要:柴油发电机组自动并机并网所具备的条件是相序与电网相序相同、频率与电网频率相同、电压与电网电压相同,到发电机启动运行时,打开同期指示灯或同期表调校电压和频率与电网及相近,当在变暗的瞬间,可迅速合闸从而安全的成功变电。
柴油发电机并网之后,有效的提供了供电可靠性,多台发电机组可以基本免除单击发生故障或定期检修时所引起的停电事故,提高供电的经济性和有效性,就此作出探讨是有必要的。
关键词:柴油发电机组;自动并机并网;系统方案引言:发电变机组投入并列运行的整个过程叫做并列。
将一台发电机组先运行起来,把电压送至母线上,而另一台发电机组启动后,与前一台发电机组并列,应在合闸瞬间,发电机组不应出现有害的冲击电流,转轴不受到突然的冲击。
合闸后,转子应能很快的被拉入同步。
(即转子转速等于额定转速)。
一、柴油发电机组自动并机并网的环境条件与系统参数(一)极限最高及最低温度柴油发电机组自动并机并网的极限最高及最低温度分别为70℃和-25℃,其依据代码分别为IEC60060-2-1、IEC60068-2-2。
1.基本环境参数柴油发电机组自动并机并网相对湿度为25摄氏度时小于等于95%湿度,这一湿度比例是为了能够在更加合适的温度环境下,使柴油发电机组的使用更加稳定。
柴油发电机组自动并机并网的海拔高度一般为2千米内,本身的使用在此参数之内并不会产生大的波动,其抗震能力为地震烈度8度以内。
(三)基本工作参数柴油发电机组整体输入电压为40VAC-600VAC,同步的输入电流小于5A,倍额定电流长期20倍额定电流10秒,编程继电器参数为8A250V,工作电源参数为8-36VDC25W。
柴油发电机组的测量精确度为1.0IEC60688,同步的防护等级为面板IP52,整体IP20IEC/ene60529。
1.柴油发电机组自动并机并网的必要性1.柴油发电机组自动并机并网的必要性三项同步发电机是比较常用的交流发电机柴油发电机组的使用也是比较广泛的,单一的发电机对电网供应有一定的缺点,由于单一发动机没有办法保证供电质量及电压和频率的稳定性差,而发生故障可能就需要立刻停机,导致可靠性差,无法实现供电灵活性和经济性。
1日常维护在柴油发电机的维护工作中,主要是通过以下六种方法来进行:①观察法。
通过观察发电机的外部情况可以判断发电机管路部分是否存在漏油现象,观察管壁清洁程度,能够判断是否有机油渗出来,进而得知设备管路部分是否密封良好。
如果发现存在漏油或者渗油等问题,要及时采取相应的措施将故障解决。
②听觉法。
通过听柴油机工作时内部的声音状态,便能够得到相当多的信息。
③闻气味。
在发电机运行时通过闻气味判断是否有烧焦或胶皮等异味,能够判断发电机组内部是否发生机械故障产生剧烈摩擦,导致部分材料烧焦。
④触摸。
有时发电机组各部分可能会有渗油以及漏油的情况出现,单靠眼睛观察有时无法准确判断,需要进一步用手触摸进而确定设备的实际情况。
⑤测量。
对柴油发电机进行日常维护,测电笔及万用表等工具必不可少,通过不同测量设备结合使用,能够确定发电机的电流以及电压,从而进一步判断设备运行情况是否正常。
⑥记录。
对于发电机组的巡检工作要进行及时记录,包括发现的问题与故障,以及采用何种方式解决,对于后续的维护检修能够有所借鉴。
2柴油发电机常见故障以及解决措施通过对工作中遇到的柴油发电机问题进行分析总结,可以将故障大致分为以下6种:2.1柴油发电机不能正常启动柴油发电机不同于汽油发电机,由于柴油燃点高,因此柴油发电机想要正常工作必须满足两个条件。
第一,柴油需要进行良好的雾化并同时按照设定要求及时精准的喷入燃烧室内;第二,燃烧室内的压缩空气温度必须足够,从而保证喷入的雾化柴油能够着火、爆发。
而为了达到这两个条件,柴油机在启动时必须具备相当高的转速,同时气缸内还需要保持较高的温度。
如果柴油机不能够正常启动,造成的原因是多种的,通过对发电机的日常维护以及检修,总结出导致柴油发电机不能正常启动的原因主要为以下四种:2.1.1燃油系统故障造成燃油系统故障主要表现为:启动机带动柴油发电机机后柴油机的燃烧室不会着火;回油管中没有燃油回流。
出现上述两种问题的原因主要有:空气进入到了柴油机的燃油系统中;柴油机的燃油管路或者燃油过滤器由于杂质过多而被堵住,从而使得供油不畅;柴油机的输油泵出现问题,不能够持续供油或者直接就不供油。
柴油发电机常见故障与排除柴油机保养维修技巧柴油发电机常见故障与排除柴油机保养维修技巧柴油发电机常见故障与排除1 启动困难1.1 故障现象柴油发电机在起动机带动下,转速达到启动转速,但不能启动,通常表现为:(1)启动时⽆爆发声,排⽓⼝⽆烟排出,不能启动.(2)启动时可听到连续的爆发声,有⽩烟或少量⿊烟,但不能启动.1.2 故障原因(1)低压油路的故障1)油箱内⽆油或油⾯太低,吸管吸不上油.2)油管破裂,油管接头松动漏油.3)供油系统有空⽓或管路不通,造成发动机不着⽕.4)柴油中有⽔,冬季结冰,造成管路不通;冬季使⽤的柴油标号不符,造成柴油析蜡,堵塞滤清器及油管.5)长期不清洗,不更换柴油滤清器滤芯,造成堵塞.6)喷油泵溢流阀弹簧折断或被异物垫起,使柴油从低压油路流回柴油箱,从⽽使低压油路不能保持⼀定油压,发动机不着⽕.(2)输油泵故障1)⽌回阀装配不当,或者使⽤时间过长,使阀座⾯磨损过甚.2)滤⽹堵塞.3)输油泵的柱塞发咬,或弹簧折断,或磨损严重,输油泵不能正常供油.4)输油泵推杆咬住.5)⼿油泵活塞密封不严.(3)供油传动系的故障1)调速器传动杆件磨损过甚,使供油齿条拉杆不能达到启动油量和额定供油量的位置.2)停油汽缸卡死在最低油位,不能使发动机着⽕,或停油汽缸的连接部分脱落.3)操纵杆连接销轴磨损严重,不起控制作⽤.(4)喷油泵的故障1)调正齿杆咬死,或柱塞因弹簧折断⽽卡住,使供油齿杆始终停留在停车位置.2)柱塞磨损过甚,或柱塞在套筒中卡住.3)齿轮磨损严重,使柱塞和挺杆的间隙过⼤,造成泵油量下降,导致发动机不着⽕.4)供油调整齿圈的锁紧螺栓松动或脱落,使泵的供油量改变.5)出油阀有污物垫起,或出油阀弹簧折断⽽漏油或者⼀阀发卡.6)喷油泵联轴器接合盘损坏,或者联轴器螺栓松动,使供油时间变化,导致发动机不着⽕.7)喷油泵传动轴和传动齿轮连接松脱,造成喷油泵不⼯作.8)中间正时齿轮或喷油泵传动齿轮打坏.(5)喷油器的故障1)⾼压油泵接头松动或⾼压油管破裂.2)喷油嘴堵塞或喷油嘴针阀由于过热⽽卡死.3)喷油嘴偶件磨损严重,漏油,雾化不好.4)喷油嘴喷雾压⼒变化,压⼒过低,不能燃烧.5)喷油嘴损坏.6)密封垫不密封,漏⽓.1.3 故障的判断和排除(1)⾸先检查油箱的油位,如果⽆油或油位太低,应加注.油位加⾜后,⽤⼿油泵供油,并打开柴油滤清器上的放⽓螺塞,检查油路中是否有空⽓, 如有应排净.如果空⽓排不净,应检查油管接头是否松动和油管有⽆破裂.检查时可⽤⼲净的⽑⼱将接头和怀疑管线破裂的地⽅擦净,再⽤⼿油泵泵油观察,如果⼜出现柴油,说明该处松动或破裂.(2)⽤⼿油泵泵油,如果来油不畅,说明低压油路中有堵塞现象,应检查油⽔分离器(粗滤器)、柴油滤清器及管路.特别强调的是应检查油⽔分离器中的⾦属滤芯是否堵塞.(3)⽤⼿油泵泵油,并打开柴油滤清器上的旋紧螺塞,检查柴油中是否有⽔珠,如果有⽔珠,应放出油箱中的油⽔,重新加⼊合格的柴油.(4)⽤⼿油泵泵油时,感到没有抽⼒,泵油多次不出油,即是⼿油泵活塞磨损过甚,或者阀被污染垫起,或磨损严重⽽密封不严.应检修或更换⼿油泵,如果在泵油时感到有弹⼒和阻⼒,在⼿柄下压时很痛快,⽽放开⼿柄能⾃动回位,说明油泵的进油管⾄油箱有阻塞之处.在这⼀点上将油箱⾄油⽔分离器,⾄输油泵管线全部换成透明的耐压塑料管,对油流和阻塞看得⼗分清楚.另外,⼿油泵盖密封不好也会引起输油泵泵油不良.(5)通过上述检查,如⼀切正常,应检查喷油泵的⼯作情况,检查传动齿轮是否松脱打坏,喷油提前⾓是否变化,联轴器固定螺栓是否松动.如果发动机喷油泵轴转动,应拆卸油泵⾼压油管接头,⽤起动机带动发动机,并将油门加⼤,如果喷油泵油管接头松脱处没有油流出,应检查和校验喷油泵.检验喷油泵应在油泵试验台上进⾏,按标准调正.如果喷油泵校验后,喷油提前⾓⼀切正常,仍发动不起来,应拆卸喷油器,检验喷油压⼒,喷嘴雾化情况,如果雾化不良,也会造成发动机的启动困难.⼀定要按季节更换符合标准的柴油,防⽌柴油析蜡.2 ⼯作粗暴2.1 故障现象发动机运转不稳,伴随着排⽓管冒⿊烟⽽产⽣类似⾦属的敲击声.加速时敲击声加剧,⾼速时敲击声减弱或消失,怠速时⼜再现敲击声.2.2 故障原因(1)由于喷油泵联轴器固定螺栓松动,造成提前⾓过⼤.(2)燃油质量差或各缸供油量不均匀,个别缸供油量过⼤.(3)长期的⾼速运⾏,发动机温度过⾼或产⽣爆燃.(4)燃烧室积炭严重也会产⽣爆燃.2.3 故障排除及时调整供油提前⾓,并使⽤正确的燃油.柴油机保养维修技巧发动机是⼀部机器的核⼼部件,因此发动机的保养与维修⾄关重要。
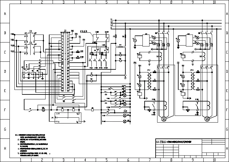
柴油发电机并机并网的条件和工作原理控制柴油发电机组并机控制问题一.发电机组并列运行的条件是什么?发电机组投入并列运行的整个过程叫做并列。
将一台发电机组先运行起来,把电压送至母线上,而另一台发电机组启动后,与前一台发电机组并列,应在合闸瞬间,发电机组不应出现有害的冲击电流,转轴不受到突然的冲击。
合闸后,转子应能很快的被拉入同步。
(即转子转速等于额定转速)因此发电机组并列必须具备以下条件1.发电机组电压的有效值与波形必须相同. 2.两台发电机电压的相位相同. 3.两台发电机组的频率相同. 4.两台发电机组的相序一致.二.什么叫发电机组的准同期并列法?怎样进行同期并列?准同期就是准确周期。
用准同期法进行并列操作,发电机组电压必须相同,频率相同以及相位一致,这可通过装在同期盘上的两块电压表、两块频率表以及同期表和非同期指示灯来监视,并列操作步骤如下:将其中一台发电机组的负荷开关合上,将电压送至母线上,而另一台机组处在待并状态。
合上同期开头,调节待并发电机组的转速,使它等于或接近同步转速(与另一台机组的频率相差在半个周波以内),调节待并发电机组的电压,使其与另一台发电机组电压接近,在频率与电压均相近时,同期表的旋转速度是越来越慢的,同期指示灯也时亮时暗;当待并机组与另一台机组相位相同时,同期表指针指示向上方正中间位置,同期灯最暗,当待并机组与另一台机组相位差最大时,同期表指向下方正中位置,此时同期灯最亮,当同期表指针按顺时针方向旋转时,这说明待并发电机的频率比另一台机组的频率高,应降低待并发电机组的转速,反之当同期表指针按逆时针方向旋转时,应增加待并发电机组的转速。
当同期表指针顺时针方向缓慢旋转,指针接近同期点时,立即将待并机组的断路器合闸,使两台发电机组并列。
并列后切除同期表开关和相关的同期开关。
三.在进行发电机组的准同期并列时,应注意什么?准同期并列是手动操作,操作是否顺利与运行人员的经验有很大的关系,为防止不同期并列,下列三种情况不准合闸。
柴油发电机组并机控制问题
一.发电机组并列运行的条件是什么?
发电机组投入并列运行的整个过程叫做并列。
将一台发电机组先运行起来,把电压送至母线上,而另一台发电机组启动后,与前一台发电机组并列,应在合闸瞬间,发电机组不应出现有害的冲击电流,转轴不受到突然的冲击。
合闸后,转子应能很快的被拉入同步。
(即转子转速等于额定转速)因此发电机组并列必须具备以下条件:
1.发电机组电压的有效值与波形必须相同.
2.两台发电机电压的相位相同.
3.两台发电机组的频率相同.
4.两台发电机组的相序一致.
5.必须有假负载加载中调试.
二、什么叫发电机组的准同期并列法?怎样进行同期并列?
准同期就是准确周期。
用准同期法进行并列操作,发电机组电压必须相同,频率相同以及相位一致,这可通过装在同期盘上的两块电压表、两块频率表以及同期表和非同期指示灯来监视,并列操作步骤如下:
将其中一台发电机组的负荷开关合上,将电压送至母线上,而另一台机组处在待并状态。
合上同期开头,调节待并发电机组的转速,使它等于或接近同步转速(与另一台机组的频率相差在半个周波以内),调节待并发电机组的电压,使其与另一台发电机组电压接近,在频率与电压均相近时,同期表的旋转速度是越来越慢的,同期指示灯也时亮时暗;当待并机组与另一台机组相位相同时,同期表指针指示向上方正中间位置,同期灯最暗,当待并机组与另一台机组相位差最大时,同期表指向下方正中位置,此时同期灯最亮,当同期表指针按顺时针方向旋转时,这说明待并发电机的频率比另一台机组的频率高,应降低待并发电机组的转速,反之当同期表指针按逆时针方向旋转时,应增加待并发电机组的转速。
当同期表指针顺时针方向缓慢旋转,指针接近同期点时,立即将待并机组的断路器合闸,使两台发电机组并列。
并列后切除同期表开关和相关的同期开关。
三、在进行发电机组的准同期并列时,应注意什么?
准同期并列是手动操作,操作是否顺利与运行人员的经验有很大的关系,为防止不同期并列,下列三种情况不准合闸。
1.当同期表指针出现跳动现象时,不准合闸,因为同期表内部可能有卡带现象,反映不出正确的并列条件。
2.当同期表旋转过快时,说明待并发电机组与另一台发电机组的频率相差
太大,由于断路器的合闸时间难以掌握,往往使断路器不在同期点合闸,所以此时不准合闸。
3.如果同期表指针停在同期点上不动,止时不准合闸。
这是因为断路器在合闸过程中如果其中一台发电机组的频率突然变动,就有可能使断路器正好合在非同期点上。
四、怎样调整并列机组的逆功现象?
当两台发电机组空载并列后,会在两台机组之间,产生一个频率差与电压差的问题。
并且在两台机组的监视仪表上(电流表、功率表、功率因数表),反应出实际的逆功情况,一种是转速(频率)不一致造成的逆功,另一种是电压不等造成的逆功,其调整如下:
1.频率造成逆功现象的调整:
如果两台机组的频率不等,相差较大时,在仪表上(电流表、功率表)显示出,转速高的机组电流显示正值,功率表指示为正功率,反之,电流指示负值,功率指示负值。
这时调整其中一台机组的转速(频率),视功率表的指示进行调整,把功率表的指示调整为零即可。
使两台机组的功率指示均为零,这样两台机的转速(频率)基本上一致。
但是,这时电流表仍有指示时,这就是电压差造成的逆功现象了。
2.电压差造成逆功现象的调整:
当两台机组的功率表指示均为零时,而电流表仍然有电流指示(即一反一正指示)时,可调整其中一台发电机组的电压调整旋钮,调整时,视电流表与功率因数的指示进行。
将电流表的指示消除(即调整为零),电流表无指示后,这时视功率因数表的指示,把功率因数调至滞后0.5以上即可.一般可调整至0.8左右,为最佳状态。
五、发电机保护回路
1.逆功
逆功现象是由发电机组转速(频率)及电压不同而造成的,即一台发电机组带正功,而另一台机组带负功率。
也就是说带负功率的机组,这时变成了一个负载(此机组频率低,转速不一致的现象)。
电压不相同时,电压高的机组,向电压低的机组,提供一个无功电流与无功电压(此机组的电流表正向指示),相当于在本供电系统内,加了一个调相机组。
电压低的机组,这时成为一个大的负载,接受一个很大的无功电流,来维持两台机组的电压平衡(此机组的电流表反向指示)。
监测时把某一台机组的电压调高,或将另一台机组电压高低,造成一台机组有逆功电流,其动作电流为额定电流20%左右。
逆动继电器动作、跳闸、报警,但不停机。
2.过电流:
现在的发电机组额定功率一定的,它的超载能力很低,基本上在额定功率的5%左右,允许带载时间15~30分钟,最多不超60分钟,超过这个时间,发电机组会发热,导线绝缘会降低,也就降低了使用寿命。
所以在设定过电流保护时无特殊要求的,过电流保护设定在额定电流的110%即可。
带载测试时,将电流带至额定流的110%,过流继电器动作。
跳闸、报警、不停机。
3.过电压:
在并列使用发电机组时最怕供电系统发生振荡,一但发生振荡系统电压升高,易造成用电设备及供电设备的绝缘击穿,使供电设备与用电设备一起瘫痪。
为此并列使用的发电机组均装有过电压保护,其设定值为额定电压的105%为最佳。
短接过电压继电器,跳闸停机、报警动作。
(六)分合闸回路分、合闸回路均接入手机并列,自动并列的控制回路。
1.手动分合闸:每台机组均可做为首机或待并分、合闸使用,在手动并车或供电时,使用手动分合闸。
2.自动分合闸:每台机组均可选择为待并机组,或首台机组;首机机组自启动后,合闸回路自动合闸,自动投入及退出同期。
同期后把待并机组自动合闸并列运行。
3.无论是手动合闸,还是自动合闸,一旦机组出现逆功,过了低油压、高水温、高水温、高油温、过电压,全部自动分闸解列与负载脱离。
六、同期回路
1.当首机合闸后把电源送至母线,这时母线检测同期回路,与待并机的同期回路,接到信号后,自动合上同期检测继电器。
将母线电压与待并机电压送至同期控制模块,模块自动检测,并列机组的电压与转速。
如果转速有差别时,同期模块自动调整待并机转速,使其达到并列条件。
找到同期点后同期模块发出合闸指令,待并机组接到指令后执行合闸,即两台机组并列运行。
2.机组并列后,同期回路自动退出工作状态,但必须人为的把自动同期的转换开关退出,防止来电后在解列时,待并机组又接到并列信号,将同期装置自动投入,使机组再次并列。
七、负载分配
1.单机运行时,负载分配器不投入工作。
2.机组并列后每台机组的负载分配器,同时投入工作,各自调整自已的转速,使其两台机组的功率平均分配,其工作原理,就是根据本机组的输出功率的大小(即电流的大小),自动调整丁机组的转速,使其负载平衡。
八、电压调整回路
1.机组并列前,必须把两台机组的电压调整在同一数值上。
2.空载并列后,调整电压旋钮,把逆功现象消除,使其功率因数在滞后0.8
左右即可。
3.并列机组带载后,可根据负载情况,手动调节电压调整旋钮,使其功率因数在最佳位置,以后可不用再调整。
九、速度调整回路
1.并列前必须把两机组的速度(频率)调整一致。
2.并列时,可根据同期表的转动速度,调节首机或待并机组的转速,使同期表转动方向,按顺时针或逆时针方向转动,速度越慢越好,但同期表的指针必须转动才能并列。
3.并列后,观察两台机组的电流、功率是否平衡,如差别太大,可调整速度旋钮,将两台机组的功率调整到一致。
十、仪表检测回路
1.操作前,必须把各种相关的仪表调改至零,但功率因数表与频率表不在零处。
2.操作时,观察各种仪表的运行状态,是否符合规定(有无仪表接线接反的现象)。
3.电流、电压、要使用有关仪表与之检验一下,看指示数值是否正常。
十一、启动回路
1.操作前必须首先检查启动回路是否正常。
2.启动后相关元件是否能够正常工作。
3.启动机与主机的结合是否正常,能否退出。
十二、停机回路
1.停机电磁铁与电磁阀动作是否可靠。
2.在机组发生故障时,是否自动停机。
3.手动停机回路是否完善。
4.只需跳闸时,是否停机等现象。
文章转自:鑫思科技有限公司。