护坡检验批质量验收记录表
- 格式:doc
- 大小:73.00 KB
- 文档页数:1
护坡检验批质量验收记录【范本一:正式风格】护坡检验批质量验收记录检验批编号:xxxx工程项目名称:xxxx工程地点:xxxx施工单位:xxxx监理单位:xxxx完工日期:xxxx一、工程概况1.1 工程介绍详细描述工程的基本情况、范围、施工工序、工期等信息。
1.2 工程方案及设计依据对工程方案及设计依据进行详细说明,包括施工图纸等相关资料。
1.3 施工人员和设备施工人员及其资质、设备及其配置,确保符合相关要求。
二、施工过程及质量验收2.1 施工过程记录分阶段记录施工过程,包括起始时间、施工人员、施工方法、使用的材料等。
2.2 施工质量验收对每个施工过程进行详细验收,包括外观、尺寸、强度等方面的检测。
2.3 整体质量验收对已完成的工程进行整体质量验收,包括外观、结构、使用功能等要求。
三、问题整改和复验3.1 发现问题及整改措施在施工过程中发现的问题,并提出相应的整改措施和时间节点。
3.2 复验记录记录整改完成后的复验情况,确保问题得到有效解决并符合规定要求。
四、安全生产及环境保护4.1 安全生产措施详细描述施工过程中所采取的安全措施,包括防护设施、救援预案等方面。
4.2 环境保护措施记录施工过程中的环境保护措施,包括对土壤、水源的保护等。
五、附件1. 《工程方案及设计依据》2. 《施工图纸》3. 《施工许可证》4. 《施工人员资质证书》六、法律名词及注释1. 施工图纸:工程施工设计的图纸文件,用于指导施工过程。
2. 施工许可证:经相关部门审批,施工单位获得的合法施工执照,符合规定方可开展工程建设。
3. 施工人员资质证书:施工人员的职业资质证书,证明其具备相关技术能力和专业知识。
【范本二:简洁演示风格】护坡检验批质量验收记录检验批编号:xxxx工程项目名称:xxxx工程地点:xxxx施工单位:xxxx监理单位:xxxx完工日期:xxxx一、工程概况1. 工程介绍工程基本情况、范围、施工工序、工期等。
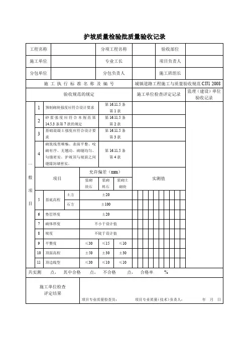
G2-47 护坡施工检验批质量检验记录表
CJJ 1—2008
续上页
验批主控项目计数检验记录表”(G1-1-1),然后将计数检验结果填写在本表相应的检查结果栏内;检验批一般项目计数检验数据较多、本表空格不够填写的项,可填写“检验批一般项目计数检验记录表”(G1-1—2),将该表作为本表的附页。
护坡质量检验标准(CJJ1—2008)
16.11.5 护坡质量检验应符合下列规定:
一般项目
1 预制砌块强度应符合设计要求。
检查数量:每种、每检验批1组(3块)。
检验方法:查出厂检验报告.
2 砂浆强度应符合本规范第14.5。
3条第7款的规定。
3 基础混凝土强度应符合设计要求。
检查数量:每100m³1组(3块).
检验方法:查试验报告.
4砌筑线型顺畅、表面平整、咬砌有序、无翘动.砌缝均匀、勾缝密实。
护坡顶与坡面之间缝隙封堵密实。
检查数量:全数检查。
检验方法:观察.
5 护坡允许值偏差应符合表16。
11。
5的规定.
表16.11。
5 护坡允许偏差
注:H为墙高.。
生态护坡超强联锁块检验批质量验收记录表1. 引言生态护坡超强联锁块的质量验收是保障工程质量、确保工程安全的重要环节。
生态护坡工程不仅仅是为了美化环境,更是为了防止坡地冲刷和坡体滑坡,因此超强联锁块的选择和验收尤为重要。
本文将对生态护坡超强联锁块检验批质量验收记录表进行全面评估,并探讨其在工程实践中的应用。
2. 检验批记录表的内容生态护坡超强联锁块检验批质量验收记录表是用于记录验收过程中的各项数据和结果的重要文书。
其内容一般要包括以下几个方面:1) 产品信息:包括超强联锁块的品名、规格型号、生产厂家等信息;2) 检验依据:明确了验收过程中所遵循的国家标准或行业标准;3) 检验项目:对超强联锁块的外观质量、尺寸偏差、抗压性能等项目进行检测;4) 检验结果:对每一项检验项目的具体结果进行记录,包括合格、不合格等;5) 备注:针对检验中出现的特殊情况或问题进行记录。
3. 检验批记录表的应用生态护坡工程中,超强联锁块的质量直接关系到工程的稳定性和安全性。
在实际施工中,检验批记录表的应用显得格外重要。
通过对验收记录表的填写和整理,可以更加全面地了解超强联锁块的质量状况,及时发现质量问题并进行整改。
检验批记录表的建立还有利于工程验收和日后的维护管理,为工程的可持续发展提供保障。
4. 个人观点和理解在实际的工程实践中,我深刻体会到了生态护坡超强联锁块检验批质量验收记录表的重要性。
只有严格按照规范进行验收,及时记录和处理质量问题,才能确保工程的质量和安全。
我也认为在实际的操作中,需要结合现场实际情况,灵活运用检验批记录表,使之更好地服务于工程建设。
5. 总结生态护坡超强联锁块检验批质量验收记录表是保障工程质量和安全的重要手段,其内容应包括产品信息、检验依据、检验项目、检验结果和备注等方面。
在工程实践中的应用可以帮助及时发现和解决超强联锁块质量问题,确保工程的可持续发展和安全性。
在实际操作中,需要灵活运用检验批记录表,结合现场情况,为工程建设提供有力支持。
G2—47 护坡施工检验批质量检验记录表
CJJ 1—2008
“检验批主控项目计数检验记录表”(G1-1-1),然后将计数检验结果填写在本表相应的检查结果栏内;检验批一般项目计数检验数据较多、本表空格不够填写的项,可填写“检验批一般项目计数检验记录表”(G1-1-2),将该表作为本表的附页。
护坡质量检验标准(CJJ1-2008)
16.11.5 护坡质量检验应符合下列规定:
一般项目
1 预制砌块强度应符合设计要求。
检查数量:每种、每检验批1组(3块)。
检验方法:查出厂检验报告。
2 砂浆强度应符合本规范第14.5.3条第7款的规定。
3 基础混凝土强度应符合设计要求。
检查数量:每100m³1组(3块)。
检验方法:查试验报告。
4砌筑线型顺畅、表面平整、咬砌有序、无翘动。
砌缝均匀、勾缝密实。
护坡顶与坡面之间缝隙封堵密实。
检查数量:全数检查。
检验方法:观察。
5 护坡允许值偏差应符合表16.11.5的规定。
表16.11.5 护坡允许偏差
注:H为墙高。