返工返修作业指导及操作规范图
- 格式:docx
- 大小:6.62 MB
- 文档页数:2
产品返工返修作业指导书标准化管理处编码[BBX968T-XBB8968-NNJ668-MM9N]产品返工、返修作业指导书1.目的为有效控制不合格品的返工返修作业,使返工返修作业过程更加顺畅,以期达到对返工返修产品质量控制的目的。
2.范围公司内部所有不合格的返工返修作业。
3.定义返工:是对产品或产品批中的个体不合格所采取的措施,使其满足规定的需要,是处置不合格品的一种典型,返工后的产品经检验合格后是合格品。
返修:对不合格品所采取的措施,虽然不符合原规定的要求,但能满足预期的使用要求,是处置不合格品的一种典型。
返修后的产品可以满足预期用途,但不一定是合格品。
4.职责质检部负责不合格的处置方式的判定,返工返修过程品质跟踪,结果确认。
技术部依据产品不合格现状,制订返工返修方案,必要时下发临时工艺图纸、工艺文件。
生产部根据方案进行返工返修作业。
技术部统计返修原因及成本,并保存相关记录。
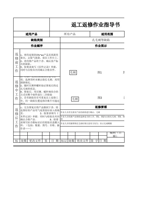
5.作业步骤返工返修品的来源采购不合格品采购退货或拒收生产过程发现的不合格品,质检依据不良现状实施判定,可做返工返修作业的,需在《返工返修单》上予以说明。
检验过程中发现的不合格品,质检依据检测结果判定,可做返工返修作业的,需在《返工返修单》上予以注明。
库存或盘点发现的不合格品,经质检确认后,需做返工返修作业的,需在《返工返修单》上予以注明。
顾客退货品经质检判定是否需要返工返修,需要返工返修应在《返工返修单》上予以注明。
第三方抽样或现场审核发现的不合格品,经技术部和质检评审后,如需返工返修的,应在《返工返修单》上予以注明。
顾客返回公司维修产品,不属此范围,按售后服务要求执行。
返工返修的不合格品,均需单独隔离管制,并在产品上注明“待返工/待返修”。
返工返修方案的拟定对于已判定待返工返修的不合格品,如是轻微的、简单的不合格品,质检部直接在《返工返修单》上注明,生产部按工艺文件直接执行,如是严重的或复杂的不合格,技术部制定返工方案,按技术部质检签字确认后方可实施。
1.0目的确保不合格品的返工、返修的过程得到有效的控制。
2.0适用范围不合格品返工、返修的处理过程。
3.0定义及术语3.1返工:对不合格品采取措施,使其任符合规定的要求。
3.2返修:对不合格品采取措施,使其满足预期用途的要求。
4.职责4.1质量部:对返修(工)品的确认,返工返修后的验证以及对策跟踪。
4.2生产部:负责返修(工)品的处理。
4.3相关责任部门:负责返修(工)品的纠正处理,以及预防措施的制定、执行。
5.工作程序5.1制造过程中产生之返修(工)品5.1.1工序作业人员按照标准判为不合格后,将其与合格品分开放置,并作不合格标识。
5.1.2质量部过程检验员及生产部,必要时技术部人员会同判定不合格品,填写《不合格处理单》;若判为返修(工)品时,由检验员注明返修(工)标识并放置至指定区域,必要时,开据《纠正与预防措施表》。
5.1.3生产部根据生产情况自行制定返修(工)计划,由生产部维修人员具体执行返修(工)任务,填写《返工返修记录》。
5.1.4返修(工)人员必须对返修(工)后的产品进行重新报检,检验员根据顾客图纸、技术规范及制程检验规范,抽样计划进行复检,复检合格后方可续流或经合格标识后放入指定的合格区域。
5.1.5返修(工)品作为让步接收时,由生产部、物流部、品质部、技术部等相关部门共同研究,向顾客提出申情,经顾客批准。
5.2退货返修(工)品5.2.1质量部检验员根据顾客出具的退货单进行确认,若判定为返修(工)品时,按5.1.1至5.1.5实施。
5.3防止再发生对策质量部主导,生产部、工程技术部协助调查返修(工)发生之原因,提出《纠正与预防措施表》,由责任部门过程负责人分析原因,制定相应的预防对策,确认对策实施状况。
5.4 返工返修措施指导6.相关文件《不合格品控制程序》QP8.3.17.相关记录7.1《不合格品处理单》 QR8.3-037.2《纠正与预防措施表》 QR8.5-027.3《返工返修作业记录》 QR8.3-07苏州苏宁标准件有限公司返工返修作业记录QR8.3-07。
有效的控制不合格品的返工、返修作业,使返工、返修作业更加顺畅,以确保不合格品的非预期使用;
2.0适用范围
因不符合品质要求的在制品、半成品、成品及客户退货需返工返修的产品、生产过程的可疑产品;
3.0定义
返工:为使不合格产品符合要求而对其采取的措施,返工后的产品一定是合格品; 返修:为使不合格产品满足预期用途而对其所采取的措施,返修后的产品可以满足预期用途,但不一定是合格品;
职责:
品检部负责对需返工、返修的产品开出不合格品处理单,知会生产车间并做好改善措施;
生产车间负责收到不合格品处理单后在规定时间内给予返工、返修;
作业流程:
在制品返工返修作业:
在过程检验中,发现未达到品质要求的产品进行挑选并标识隔离、交由相关负责人确认;批量性或严重品质事故时需开出不合格品处理单;
相关负责人确认经返工、返修能达到质量要求的产品进行返工返修安排;
经返工、返修的产品需按照相关工艺要求进行作业,并如实记录在不合格品处理单上;
确认要返工、返修的产品在已返工、返修后要重新入QC检验;
经重检合格的产品方可流入下工序;
经重检不合格产品不允许流入下工序;
客户退货返工返修作业:
客户退货的产品,经商务部、品检部、生产部及相关部门确认,通过返工返修后能达到客户质量要求的产品,由商务部填写顾客投诉单并附退货原因移交品检部和相关部门进行返工、返修处理及结果追踪;
生产部根据客户投诉原因和相关部门给出的返工、返修建议进行返工、返修作业;
对已返工、返修的产品必须入品检部进行复检;
品检部重检合格后产品方可出货;
品检部重检不合格的产品不允许出货;
返工流程图:。
引言概述返工返修是在生产过程中发现产品出现问题后进行的再加工或修复工作。
对于制造企业而言,返工返修是一项重要的工作,旨在确保产品质量和客户满意度。
本文将提供一个返工返修作业指导书,以帮助企业高效地进行返工返修操作。
正文内容1.返工返修作业前的准备工作了解问题的性质和原因:在进行任何返工返修之前,必须先了解产品存在的问题以及造成这些问题的原因。
只有找到了问题的根源,才能够有针对性地进行返工返修操作。
设定目标和指标:根据问题的性质和重要程度,确定返工返修的目标和指标。
这些目标和指标可以包括修复时间、修复成本、返工率等方面。
确定返工返修的优先级:对于同时存在多个问题的情况,必须根据优先级进行返工返修。
优先级可以根据产品的重要性、客户要求、工艺要求等进行排序。
2.返工返修操作的步骤制定返工返修计划:根据问题的性质和返工返修的优先级,制定详细的返工返修计划。
计划应包括返工返修的时间安排、责任人和资源分配等内容。
准备返工返修所需的工具和材料:根据返工返修计划,准备好所需的工具和材料,确保能够顺利进行返工返修操作。
进行产品的拆解与检查:根据问题的性质,将产品进行拆解并进行详细的检查,确定问题的具体位置和范围。
修复或更换受损部件:根据问题的性质,采取相应的修复措施或更换受损部件。
修复过程中要注意操作规范和工艺要求,确保修复的质量和可靠性。
进行产品的组装和测试:在完成修复或更换部件后,进行产品的组装和测试。
测试结果应与产品的质量标准进行比较,确保产品达到要求。
3.返工返修操作中的质量控制建立返工返修的质量标准:根据产品的质量要求,建立相应的返工返修质量标准。
质量标准可以包括产品的尺寸、外观、性能等方面。
进行过程控制:在进行返工返修操作的过程中,要进行过程控制,确保操作符合质量标准和工艺要求。
可采用抽样检验、工艺控制等方法进行质量控制。
进行最终检验和验证:在返工返修操作完成后,进行最终检验和验证,确保修复的产品符合质量标准和客户要求。
返工、返修作业指导书返工、返修作业指导书1、引言本文档旨在提供返工、返修作业的指导方针,帮助员工正确处理返工、返修任务,保证产品质量和客户满意度。
2、术语和定义返工:指对产品的不合格部分进行修复或改进的操作。
返修:指将不合格产品退回生产线或工作站进行修复或改进的操作。
3、返工、返修流程3.1 返工、返修申请3.1.1 员工在发现产品存在不合格问题时,应立即向上级报告,并填写返工、返修申请表。
3.1.2 返工、返修申请表应包括以下内容:- 产品名称和型号- 不合格问题的描述和定位- 相关质检报告或记录- 返工、返修的具体要求3.2 返工、返修评估3.2.1 审核返工、返修申请表,并进行初步评估。
3.2.2 判断是否需要进行返工、返修,并确定所需资源和时间。
3.2.3 制定返工、返修计划,并通知相关部门和人员。
3.3 返工、返修执行3.3.1 根据返工、返修计划,将产品送至指定工作站或生产线。
3.3.2 按照返工、返修要求,进行修复或改进操作。
3.3.3 检查修复后的产品是否符合要求,并记录相关数据。
3.3.4 完成修复后,进行再次质检,并填写相应报告。
3.4 待定产品处理3.4.1 对于无法修复的产品,应按照相应流程进行报废或退货处理。
3.4.2 记录有关待定产品的详细信息,并报告给质量管理部门。
4、相关附件本文档涉及以下附件:- 返工、返修申请表格5、法律名词及注释5.1 不合格产品:指在生产过程中或出厂前经过验收检查,未达到规定的技术要求的产品。
5.2 退货处理:指将不合格产品退回供应商或生产厂家进行处理或退款。
5.3 报废处理:指对不合格产品进行销毁、处理或回收利用,以防止对环境和人体健康造成损害。
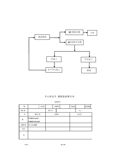
成品检验生产中心返工入库QC检验不合格QC检验合格报废不可返工可返工5 作业步骤5.1 不合格产品类型5.1.1 来料不合格。
5.1.2 生产过程中发现的不合格品。
5.1.3 检验员抽验发现的不合格品。
5.1.4 客户退货不合格品。
5.1.5 超期库存品复检时发现的不合格品。
5.2 返工返修要求5.2.1 来料不合格品、客户退货不合格品、超期库存品复检时发现的不合格品需返工处理5.2.1.1 针对来料不合格品、客户退货不合格品、超期库存产品复检发现的不合格品,经质检部确认需生产部进行返工时,由品管部相关人员开出<返工通知单>交仓库和生产部,仓库按《返工通知单》发料,生产部按《返工通知单》安排返工。
5.2.1.2 该制程QC负责返工过程中的品质确认。
5.2.1.3 返工、返修完毕后,该制程QC和生产部将返工结果填于《返工通知单》,需详细注明返工后良品数、不良品数、不良率和返工返修工时。
5.2.1.4 对于毛坯件或加工后的产品经检验后不合格的,如可以通过返工达到预期要求,则由品管部开具《返工通知单》交相关车间安排返工。
5.2.2 生产过程中发现不合格品的返工处理。
5.2.2.1 当生产过程中发现不合格品,生产部对不合格品进行相应的标识、隔离,并通知品管部给出处理方案。
5.2.2.2 当QA抽验发现不合格品需生产部返工时,QA应填写《返工通知单》通知生产部进行返工。
5.2.2.3 若返工产品数量较少时(30pcs以下),需安排专人在返工区进行返工;若返工产品数量较大时(30pcs以上),且工序较复杂时,按正常组装工序重新组装。
5.2.2.4 返工、返修时依据相应的《工序卡片》、《作业指导书》和样件等其他相关文件进行返工处理。
5.2.2.5 对返工好后的产品,品管部检验员依相应的《产品检验作业指导书》进行检验确认。
5.3 返工后产品的记录。
5.3.1 返工后产品确保能够有效区分和追溯。
5.3.2 返工后不良品,作为废品处理,并由品质部记录在《生茶过程不良品统计表》中。
返工返修程序(IATF16949/ISO9001-2015)一、目的规范现场返工返修作业标准,有效推进现场的管理。
二、适用范围:公司生产现场所有的生产件返工。
三、术语定义A、返工:为使不合格产品符合要求而对其所采取的措施。
B、返修:为使不合格产品满足预期用途而对其所采取的措施。
备注:返工与返修不同,返修可影响或改变不合格产品的某些部分。
四、返工返修要求1、人员要求:1)人员技能:通过专项的返工返修技能认证才可以上岗。
2)人员标识:返工返修人员均需要佩戴返工返修上岗标识。
2、线别要求1)硬件要求:返工返修生产线必须独立于其它生产线,有特定和特殊的量具和工装,一律不接受在线返工返修。
2)标识要求:返工返修生产线工序工位各必须标识清楚。
3、物料要求1)标识要求:所有返工返修的物料需要进行标识,原则上要求标识至最小单元总体。
2)隔离要求:返工返修的物料需要进行隔离。
4、作业要求:1)工艺要求:作业严格依据技术部门出具的返工返修作业指导书执行,需要明确包含所有必要的细节,包括过程和产品过控制参数,产品图纸发布等级参考以及要求的特定/特殊的量具和工装等。
2)接收准则:返工返修后的接收准则需要明确指定要求(另需明确要求产品不应因同一原因进行二次返修)。
五、有关文件的信息返工返修记录归档至质量管理部。
7、参考文件7.1《文件管理程序文件》7.2《图纸技术资料管理程序》8、使用表单8.1《不合格品标识卡》不合格品标示卡.xls8.2《不合格品处置单》不合格品处置单.xls8.3《检验记录》检验结果记录.xls。
返工返修作业指导书一、引言返工返修是指在产品制造过程中,对于出现不合格或者存在缺陷的产品进行重新加工或修复的工作。
本指导书旨在提供返工返修作业的具体指导,以确保返工返修工作的高效、准确和质量可控。
二、作业准备1. 确认返工返修的产品和数量:根据质量检测报告或客户反馈,明确需要进行返工返修的产品类型和数量。
2. 准备返工返修所需工具和设备:根据产品的具体要求,准备相应的工具、设备和材料,如焊接设备、电动工具、螺丝刀等。
3. 制定返工返修计划:根据产品的返工返修要求,制定详细的返工返修计划,包括返工返修的流程、时间安排和责任人。
三、返工返修流程1. 检查不合格产品:将需要返工返修的产品进行全面检查,确认产品存在的问题和不合格项。
2. 制定修复方案:根据产品的具体问题,制定详细的修复方案,包括修复的方法、步骤和所需材料。
3. 进行返工返修:按照修复方案进行返工返修作业,确保每一步都符合修复要求,并注意安全操作。
4. 检验修复效果:在完成返工返修后,进行修复效果的检验,确保产品符合质量要求。
5. 记录返工返修过程:对于每一次返工返修作业,及时记录返工返修的时间、人员、问题和修复措施等关键信息。
四、返工返修质量控制1. 返工返修前的质量检查:在进行返工返修前,对产品进行全面的质量检查,确保修复的问题准确、全面。
2. 返工返修过程中的质量控制:在返工返修过程中,严格按照修复方案和作业指导进行作业,确保每一步都符合质量要求。
3. 返工返修后的质量检验:在完成返工返修后,进行修复效果的质量检验,确保修复后的产品符合质量要求。
4. 返工返修记录的管理和分析:对于每一次返工返修作业的记录,进行管理和分析,及时发现问题,并采取相应的改进措施。
五、安全注意事项1. 使用个人防护装备:在进行返工返修作业时,必须佩戴个人防护装备,如安全帽、防护眼镜、手套等。
2. 注意操作规程:严格按照操作规程进行作业,避免操作不当导致安全事故的发生。
焊线返工返修作业指导书一、引言焊线返工返修是在焊接过程中出现问题时进行修复的一个重要环节。
本作业指导书将介绍焊线返工返修的基本流程和注意事项,以确保修复工作的质量和效率。
二、焊线返工返修流程1. 定位问题首先,需要仔细观察焊接部位,确定出现问题的具体位置。
可能的问题包括焊点开裂、焊点过高或过低、焊接接头不牢固等。
2. 清理工作在进行焊线返工返修之前,必须将焊接部位彻底清理干净。
使用合适的清洁剂和工具将焊渣、油污等杂质清除,以确保后续的修复工作能够顺利进行。
3. 焊线拆解根据需要修复的具体问题,需要将焊线进行拆解。
使用合适的工具,小心地将焊线剪断,并将焊点与焊线分离,以便进行下一步的修复工作。
4. 修复焊接部位根据具体问题的不同,采取相应的修复方法。
可能的方法包括重新焊接、修剪焊点、重新连接焊线等。
在进行修复时,要确保焊接部位干净,使用合适的焊接材料和设备,并按照焊接规范和标准进行操作。
5. 检测工作修复完成后,需要对焊接部位进行检测。
可以使用目视检测、放大镜检测或探伤等方法,确保修复工作质量达到要求。
如果发现修复后仍存在问题,需要重新进行修复工作,直至问题完全解决。
6. 清理和整理修复工作完成后,需要将工作区域彻底清理干净。
清理焊渣、焊接材料残留物等,确保安全和整洁。
将使用过的工具进行清理和整理,以便下次使用。
三、注意事项1. 安全第一:在进行焊线返工返修时,必须戴上相应的个人防护装备,包括焊接面罩、防护手套等。
特别要注意防止火花飞溅导致火灾。
2. 专业技能:焊线返工返修要求操作人员具备一定的焊接技能和经验。
如果没有必要的技能和经验,应请相关专业人员进行修复工作。
3. 配置合适的工具:根据具体问题的需要,使用适当的工具进行修复。
确保工具的质量和功能正常,以便顺利进行工作。
4. 遵守安全操作规范:在进行焊线返工返修时,要严格按照焊接规范和操作手册的要求进行操作。
避免操作不当导致问题加重或出现其他安全隐患。
返工返修作业指导书一、背景介绍返工返修是指在产品生产或加工过程中,由于质量问题或客户要求,需要对已经生产或加工的产品进行修复、调整或改进的工作。
返工返修的目的是确保产品的质量符合标准要求,提高客户满意度,并降低不良品率。
二、返工返修的原因1. 质量问题:产品存在缺陷、不良或不符合规格要求的情况;2. 客户要求:客户对产品的要求有变更或调整,需要对已交付的产品进行修改或改进;3. 内部调整:企业内部对产品设计、工艺或材料的调整,需要对已生产的产品进行修改。
三、返工返修的步骤1. 问题确认与分析a. 定位问题:通过对产品进行检查,确定具体的质量问题;b. 问题分类:将问题按照性质、原因等分类,便于后续处理;c. 问题分析:对问题进行深入分析,找出产生问题的原因。
2. 制定返工返修方案a. 确定修复方法:根据问题的性质和原因,确定合适的修复方法;b. 制定修复流程:按照修复方法,制定详细的修复流程,包括所需材料、工具、操作步骤等;c. 确定责任人:指定负责执行返工返修的责任人,并明确其职责和权限。
3. 返工返修执行a. 准备工作:准备所需材料、工具和设备,并对工作区域进行清洁和整理;b. 操作流程:按照修复方案中的操作步骤进行返工返修工作;c. 质量控制:在返工返修过程中,进行质量控制,确保修复后的产品符合要求。
4. 返工返修记录与评估a. 记录工作:对返工返修过程中的关键信息进行记录,包括问题描述、修复方法、操作记录等;b. 评估结果:对修复后的产品进行评估,判断是否符合质量要求;c. 分析改进:根据返工返修记录和评估结果,分析问题产生的原因,并提出改进措施。
四、返工返修的注意事项1. 安全第一:在返工返修过程中,要注意个人安全和工作环境的安全,确保操作人员不受伤害;2. 严格按照流程操作:按照制定的返工返修方案和操作流程进行工作,确保修复的准确性和一致性;3. 质量控制:在返工返修过程中,要进行严格的质量控制,确保修复后的产品质量符合要求;4. 记录与评估:对返工返修过程中的关键信息进行记录和评估,为后续的质量改进提供依据;5. 持续改进:根据返工返修记录和评估结果,分析问题产生的原因,并提出改进措施,以减少返工返修的发生。
返工返修流程及作业指导书下载温馨提示:该文档是我店铺精心编制而成,希望大家下载以后,能够帮助大家解决实际的问题。
文档下载后可定制随意修改,请根据实际需要进行相应的调整和使用,谢谢!并且,本店铺为大家提供各种各样类型的实用资料,如教育随笔、日记赏析、句子摘抄、古诗大全、经典美文、话题作文、工作总结、词语解析、文案摘录、其他资料等等,如想了解不同资料格式和写法,敬请关注!Download tips: This document is carefully compiled by theeditor. I hope that after you download them,they can help yousolve practical problems. The document can be customized andmodified after downloading,please adjust and use it according toactual needs, thank you!In addition, our shop provides you with various types ofpractical materials,such as educational essays, diaryappreciation,sentence excerpts,ancient poems,classic articles,topic composition,work summary,word parsing,copy excerpts,other materials and so on,want to know different data formats andwriting methods,please pay attention!一、返工定义返工是指在生产过程中,由于各种原因导致产品质量不符合规定标准,需要重新进行加工或修复的过程。
线路板产品返修操作导书
1.0目的
规定柔性印制线路板返工、返修的产品作业,确保返工、返修的产品在受控状态下进行。
2.0范围:
本规范适用于柔性印制线路板所有需返工、返修的产品。
4.0流程图:
5.0 工作程序:
5.1 IQC(包括IPQC和FQC)及生产部门;负责发现和判断来料、在制品和成品中的不合
格品,对认为报废的不合格品申请MRB评审。
5.2 经评审需要返工、返修的不合格产品,由QA或IPQC填写《产品返工、返修单》交
工艺部制定返工、返修措施批准后,由责任部门进行返工或返修,并知会企划部。
5.3 企划部根据工艺部制订返工、返修措施知会相关部门工具准备及生产返工、返修准
备。
5.4 所有返工、返修生产工具均需按正常流程,投产前应有IPQC确认。
5.5 所有返工、返修产品的首件均需有IPQC确认。
5.6 所有返工、返修产品均需与《产品返工、返修单》相随,需返工、返修工站在没有
收到《产品返工、返修单》时有权拒绝返工或返修。
5.7 所有返工、返修板均需经IPQC全检,合格后转入下道工站。
不合格品及等待确认产
品按如下3点内容操作:
①经检验后确认不能使用的按报废品转报废仓库。
②经检验合格须等待客户确认处理产品进行转入半成品仓库并标识“需确认后出货”。
③后续出现客户确认及等待处理品不得在出货成品仓库存放。
5.8 MRB责任人对不良品进行调查分析确定责任工站,并发放制程异常分析报告,由责任
工站进行原因分析并制定出有效改善措施。
6.0相关文件:
《工序操作指引》
7.0相关记录:
7.1《产品返工、返修单》。
返工返修作业指导及
操作规范图
Revised on November 25, 2020
有效的控制不合格品的返工、返修作业,使返工、返修作业更加顺畅,以确保不合格品的非预期使用。
2.0适用范围
因不符合品质要求的在制品、半成品、成品及客户退货需返工返修的产品、生产过程的可疑产品。
3.0定义
返工:为使不合格产品符合要求而对其采取的措施,返工后的产品一定是合格品。
返修:为使不合格产品满足预期用途而对其所采取的措施,返修后的产品可以满足预期用途,但不一定是合格品。
职责:
品检部负责对需返工、返修的产品开出不合格品处理单,知会生产车间并做好改善措施。
生产车间负责收到不合格品处理单后在规定时间内给予返工、返修。
作业流程:
在制品返工返修作业:
在过程检验中,发现未达到品质要求的产品进行挑选并标识隔离、交由相关负责人确认。
批量性或严重品质事故时需开出《不合格品处理单》。
相关负责人确认经返工、返修能达到质量要求的产品进行返工返修安排。
经返工、返修的产品需按照相关工艺要求进行作业,并如实记录在《不合格品处理单》上。
确认要返工、返修的产品在已返工、返修后要重新入QC检验。
经重检合格的产品方可流入下工序。
经重检不合格产品不允许流入下工序。
客户退货返工返修作业:
客户退货的产品,经商务部、品检部、生产部及相关部门确认,通过返工返修后能达到客户质量要求的产品,由商务部填写《顾客投诉单》并附退货原因移交品检部和相关部门进行返工、返修处理及结果追踪。
生产部根据客户投诉原因和相关部门给出的返工、返修建议进行返工、返修作业。
对已返工、返修的产品必须入品检部进行复检。
品检部重检合格后产品方可出货。
品检部重检不合格的产品不允许出货。
返工流程图:。