水幕喷头
- 格式:doc
- 大小:141.01 KB
- 文档页数:7
消防水幕喷头原理
消防水幕喷头是一种重要的消防设备,广泛应用于建筑物、舞台、水幕电影和其他公共场所。
它的主要功能是通过将水变成幕帘状,消除火焰产生的热量和阻止火势的蔓延。
消防水幕喷头的原理是利用了液体的微粒化原理。
水从水管中流入喷头的空腔中,在喷头的内部有许多特殊设计的小孔,水通过这些小孔喷出来,形成一道水帘。
由于喷头孔的设计,水流形成密集的小液滴,落到空气中形成水幕。
水幕的形成可以吸收大量的热量并将水蒸汽排出,从而有效地扑灭火灾。
同时,水幕可以阻隔空气的流动,防止火灾的蔓延。
在使用消防水幕喷头时,一般需要使用高压水泵将水压力提高,以保证喷头输出的水流量和压力足够。
总之,消防水幕喷头是一种非常实用的消防设备,它的使用可以有效地控制火势,保证人们的生命安全和财产安全。
1、说明
ZSTM型水幕喷头是消防系统中的一个重要部件之一。
它通常与雨淋报警阀,供水管网和探测报警装置等组成水幕消防系统。
适用于需要用水幕来保护的建筑物。
主要用于窗口,门洞及防火卷帘门、剧院幕布等冷却保护,也可以起到防火阻隔作用。
产品标准:GB5135.13-2006《I自动喷水灭火系统第13部分:水幕喷头》
2、工作原理:
当火灾发生时,探测报警装置进行报警,并且开启雨淋报警阀向管网系统供水,水流经过喷头的喷咀时,从半圆形开口处按预定方向喷射出密集粒状水滴而形成一个水幕用来冷却保护防火卷帘门,剧院幕布等。
也可以起到阻火隔离作用。
3、结构形状
4、ZSTM A-T下垂式水幕喷头
4.1 、喷头型号规格:
4.2、喷头性能特性曲线图:
A、水幕喷头的流量特性曲线图:
B、下垂式水幕喷头喷射曲线图:
5、ZSTM B-G窗口式水幕喷头:5.1、喷头型号规格:
5.2、喷头性能特性曲线图:
A、水幕喷头的流量特性曲线图:
B、窗口式水幕喷头喷射曲线图:
6、ZSTM B-L檐口式水幕喷头:6.1、喷头型号规格:
6.2、喷头性能特性曲线图:
A、水幕喷头的流量特性曲线图:
B、檐口式水幕喷头喷射曲线图:。
共安实业发展有限公司
水幕喷头工作原理是什么
水幕喷头是消防系统中的一个总要部件之一。
它通常与雨淋报警阀,供水管网和探测报警装置等组成水幕消防系统。
适用于需要用水幕来保护的建筑物。
主要用于窗口,门洞以及防火卷帘门、剧院幕布等冷却保护,也可以起到防火阻隔作用。
水幕喷头工作原理:当火灾发生时,探测报警装置进行报警,并且开启雨淋报警阀向管网系统供水,水流经过喷头的喷嘴时,从半圆形开口处按预定方向喷射出密集颗粒水滴而形成一个水幕用来冷却保护防火卷帘门,剧院幕布等。
也可以起到阻火隔离作用。
水幕系统适用范围
①超过1500个座位的剧院和超过2000个座位的会堂、礼堂的舞台口,以及与舞台相连的侧台、后台的门窗洞口。
②防火卷帘和防火幕的上部。
共安实业发展有限公司
③应设防火墙、防火门等隔断物,而又无法设置的开口部位。
相邻建筑之间的防火间距不能满足要求时,面向相邻建筑物的门、窗、孔洞处以及可燃的屋檐下。
以上是深圳市共安实业发展有限公司的简单介绍,如果你还想了解更多内容可以拨打我们的热线电话,或者点击官网咨询我们,或者点击在线咨询我们。
深圳市共安实业发展有限公司是一家专业从事阀门设计、开发、生产销售、服务为一体,专门研究和生产利用水力自动控制和流量调控方面的高科技节能阀门,主要产品有:弹性座封闸阀,蝶阀,低阻力倒流防止器,水力控制阀,止回阀,多功能水泵控制阀等系列产品,同时还生产不同材质、压力、规格、驱动方式的减压阀、蝶阀、调节阀、闸阀等系列。
我们的产品广泛应用于水力供、排水、水处理、消防、建筑、电力、冶金、造纸、机械、农业等各个领域,行程了全国性的销售服务网络,是阀门行业中家喻户晓的品牌。
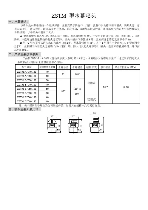
ZSTM 型水幕喷头一、产品概述:该喷头是水幕系统的一个组成部件。
主要安装于舞台口、门窗、孔洞口以及檐口用来阻火、隔断火源,也可与防火门、防火卷帘、防火幕布配合使用,通过冷却,以增加其耐火性能,还可单独作为防火分区代替防火分隔设施。
水幕喷头不能用于灭火。
A型水幕喷头的入水口与出水口成一直线,即水幕倾角为0º。
主要用于防火分隔(如:舞台台口、自动扶梯、中庭周边处及建筑物的防火分区等),喷头一般向下布置成3排,且应保证水幕的宽度不小于6m。
B型、C型水幕喷头的入水口与出水口成90º,即水幕倾角为90º,其中B型只有一个出水口,C型有两个出水口。
主要用于冷却防火分隔物(如:门窗、墙、防火门及防火卷帘等),喷头一般直立布置成单排,开口面向冷却对象。
二、产品主要技术参数:产品按GB5135.13-2006《自动喷水灭火系统第13部分:水幕喷头》标准组织生产,通过国家固定灭火系统和耐火构件质量监督检验中心检验。
ESFR 早期抑制快速响应喷头一、产品用途:ESFR喷头即早期抑制快速响应喷头,是响应时间指数RTI≤28±8(m²s)0.5,用于保护高堆垛与高货架仓库的大流量特种洒水喷头。
是一种快速响应火灾、高工作水压及大动量喷水等现代自动洒水喷头技术完美组合的新型喷头,是专门为了对付高架仓库火灾而设计的。
通常用于保护储藏I~Ⅳ类物品、塑料物品和混杂物品的仓库。
ZSTWB型离心式水雾喷头一、产品概述:该喷头是水雾系统的一个重要组成部件。
其喷射的雾状水滴是不连续的、间断水滴,因而具有良好的高压绝缘性能,主要特点为:对油类火灾效果良好,对电气火灾能带电灭火,对火灾扑灭后,复燃性极小。
通常用于扑灭固体火灾、闪点高于60℃的液体火灾以及电气火灾。
如:电厂的发电设备、电缆、发电机组、油浸式电力变压器、油开关及集油坑等。
该喷头工作压力不应低于0.35MPa,可根据灭火要求任意布置。
水幕喷头安装图标准水幕喷头是一种常见的景观喷泉设备,它通过高压喷水形成一个透明的水幕,可以在夜晚通过灯光的照射呈现出绚丽多彩的效果。
水幕喷头的安装对于喷泉的效果和稳定性有着至关重要的影响,因此需要按照一定的标准进行安装。
下面将详细介绍水幕喷头的安装图标准。
1. 安装位置选择。
水幕喷头的安装位置选择是非常重要的,一般来说,应该选择在水池的中央位置,这样可以确保水幕的效果最佳。
另外,还需要考虑周围的环境因素,如风向、光线等,以确保水幕效果不受外部环境的影响。
2. 固定基础的选择。
水幕喷头的固定基础选择也是至关重要的,通常情况下,可以选择混凝土基础或者钢结构基础,以确保水幕喷头的稳定性和安全性。
在选择固定基础时,需要考虑到喷头的尺寸和重量,以及周围环境的承载能力。
3. 喷头连接管道的布置。
喷头连接管道的布置也是安装过程中需要注意的关键环节,一般来说,应该选择耐压、耐腐蚀的管材,并且要保证连接管道的布置合理、通畅,以确保水幕喷头正常工作。
4. 喷头安装高度的确定。
喷头安装高度的确定是水幕喷头安装过程中的关键环节之一,一般来说,应该根据实际情况确定喷头的安装高度,以确保水幕的效果最佳。
在确定喷头安装高度时,需要考虑到喷头的喷水范围和水幕的效果要求。
5. 喷头安装角度的调整。
喷头安装角度的调整也是水幕喷头安装过程中需要注意的关键环节之一,一般来说,应该根据实际情况调整喷头的安装角度,以确保水幕的效果最佳。
在调整喷头安装角度时,需要考虑到喷头的喷水范围和水幕的效果要求。
6. 喷头灯光的安装。
水幕喷头通常需要配备灯光,以增强水幕的视觉效果。
因此,在安装喷头的同时,还需要安装相应的灯光设备,并确保灯光的布置合理、通畅,以确保水幕喷头的效果最佳。
通过以上介绍,我们可以看到水幕喷头的安装图标准是非常重要的,它直接关系到水幕喷头的效果和稳定性。
因此,在安装水幕喷头时,需要严格按照上述标准进行操作,以确保水幕喷头的效果最佳、稳定性和安全性。
消防水幕喷头施工方案详解消防水幕喷头是建筑物消防设施中重要的一环,它能够在火灾发生时迅速形成水幕,阻挡火势的蔓延,保障人员的生命财产安全。
为了确保消防水幕喷头的正常运行,施工方案的制定和实施非常关键。
本文将对消防水幕喷头施工方案进行详解。
一、施工前准备工作在进行消防水幕喷头的施工前,首先需要进行一系列的准备工作,确保施工的顺利进行。
以下是施工前的准备工作:1.现场勘测:施工前需对场地进行勘测,确认安装位置,并评估消防水幕喷头的喷水范围档次。
2.材料准备:检查所需使用的消防水幕喷头和相关材料的质量和数量是否符合要求。
3.施工人员培训:对施工人员进行相应的培训,确保他们了解消防水幕喷头的安装要求和操作流程。
二、消防水幕喷头的施工步骤1.准确定位和标记:根据现场勘测结果,确定消防水幕喷头的安装位置,并进行标记。
2.管道铺设:首先在消防幕喷头的安装位置处开凿管道,然后进行管道的铺设。
要保证管道的质量和密封性,确保喷头与管道之间没有漏水的情况发生。
3.电气连接:将消防水幕喷头与消防报警系统进行电气连接,确保喷头能够及时接收到火灾信号并启动。
4.喷头安装:根据现场情况,选择合适的安装方式将消防水幕喷头固定在指定的位置上。
5.测试和调试:完成喷头的安装后,进行测试和调试,确保喷头的喷水效果和喷水范围符合设计要求。
6.消防水幕喷头的维护保养:施工完成后,应定期对消防水幕喷头进行维护保养,确保其正常运行。
三、施工中的注意事项1.安全措施:在施工过程中,必须遵守相关的安全操作规程,严格使用个人防护装备,确保施工人员的安全。
2.施工质量控制:施工过程中应严格按照施工方案要求进行施工,确保施工质量符合设计要求。
3.施工时间控制:在施工过程中,需要合理安排施工的时间,确保不会影响建筑物的正常使用。
四、消防水幕喷头施工方案的效果通过正确的施工方案和相关的施工操作,能够确保消防水幕喷头的正常运行和使用效果。
消防水幕喷头可以迅速形成水幕,有效阻挡火势的蔓延,为人员的疏散争取宝贵的时间,减少火灾带来的损失。
中心直上喷头这种喷头是在同一个配水室上安装许多万向直射喷嘴,这些喷嘴规格相同时,喷出的水姿雄壮笔直、粗壮美观;这些喷嘴规格不完全相同时,大小喷嘴布置得当,喷出的水姿粗壮有力、层次分明、主题突出,是大型喷泉必备的主要喷头。
该喷头也叫中心喷头。
可调节射流的方向。
材质:铸铜、不锈钢主要性能连接管安装尺寸(mm)水压(kpa)流量(m3/h)喷高(m)喷洒直径DN(mm)直径DN(mm)连接形式 A B100-150 200-250 19-2325-283-56-111.0-1.31.4-1.650 内螺纹220 +120150-250 250-450 29-3852-607-1011-161.6-1.82.0-2.565 内螺纹280 +120雪松(树冰)喷头雪松喷头能喷出雄伟壮观的巨大水柱,外观效果庞大丰满,抗风力较强,给人以无穷力量磅礴气势。
该喷头底部有可调机构,可适用于不同角度喷射的要求。
此喷头广泛用于广场和公共场所的喷水池中。
加气玉柱喷头玉柱喷头喷嘴口外高速水流形成的负压吸入空气,产生白玉色的水柱,形状清新明快,其抗风力强,造型壮观,格调高雅。
配以绚烂美丽的灯光效果更佳。
外形尺寸(mm)喷高(m)水压(m)流量(m3/h)喷洒直径(m)接管高度G3/4" 115 1 3 5 6.5 11 15 2.45 2.9 3.45 0.2 0.3 0.4 G1" 165 1 5 8 6 14 18 3.12 3.8 4.4 0.3 0.4 0.5 G1 1/2" 160 1 5 10 5 12 20 3.8 5.6 7.6 0.3 0.4 0.5 G2" 234 1 5 10 4 11.5 19 4.5 8.2 10.5 0.3 0.4 0.6涌泉喷头(鼓泡喷头)涌泉喷头喷水时将空气吸入而形成丰满的水丘,水声较大,气氛强烈,带有白色膨胀的泡沫,呈白色不透明状有很好的吸光性能。
消防水幕喷头参数
(最新版)
目录
1.消防水幕喷头的分类和性能参数
2.消防水幕喷头的使用要求
3.消防水幕喷头的品牌推荐
正文
一、消防水幕喷头的分类和性能参数
消防水幕喷头是一种消防设备,主要用于防火分隔和冷却保护。
根据喷头的安装方式和喷水形状,可以分为下垂型喷头、吊顶型喷头、直立型喷头、水幕喷头等类型。
其中,下垂型喷头和吊顶型喷头适用于有吊顶的房间,直立型喷头适用于移动物较多、易发生撞击的场所,如水库、桥梁等。
水幕喷头则用于防火分隔和保护建筑物门窗洞口等部位。
消防水幕喷头的参数主要包括喷头口径、流量系数、工作压力等。
喷头口径有 6mm、8mm、10mm、12.7mm、16mm 和 19mm 等不同规格,前三种为小型喷头,后三种为大型喷头。
流量系数则决定了喷头的喷水量,工作压力则决定了喷头的喷水距离和喷水效果。
二、消防水幕喷头的使用要求
消防水幕喷头的使用要求主要包括喷头的布置、安装和保护等方面。
喷头的布置应根据系统的喷水强度、喷头的流量系数和工作压力确定,同一根配水支管上喷头的间距及相邻配水支管的间距应符合规定。
喷头的公称动作温度宜为 68 度,以保证在火灾发生时能及时启动喷水灭火系统。
喷头的安装应牢固可靠,喷头与供水支管的连接应紧密,喷头安装高度和喷水方向应符合设计要求。
同时,喷头的保护应定期进行检查和维护,以保证喷头在火灾发生时能正常工作。
三、消防水幕喷头的品牌推荐
目前市场上有很多消防水幕喷头品牌,其中较为知名的品牌有海湾、西门子、ABB 等。
这些品牌的消防水幕喷头在产品质量、性能参数和售后服务等方面都较为可靠,值得推荐。
消防水幕喷头参数1. 引言消防水幕喷头是一种常见的消防设备,可用于灭火、隔离火灾区域以及保护人员和财产的安全。
本文将详细介绍消防水幕喷头的参数,包括工作原理、设计要求、安装位置、喷水性能等方面。
2. 工作原理消防水幕喷头通过将水分散成细小的水滴,形成水幕来隔离火灾区域。
它主要由喷嘴、喷孔、喷头、喷雾板等组成。
当火灾发生时,喷头会自动感应到温度升高,并启动喷水装置。
水从喷孔中喷出,经过喷头的导流作用,形成一个水幕,将火源和周围区域隔离开来。
3. 设计要求3.1 喷水性能消防水幕喷头的设计要求主要包括喷雾角度、喷雾半径、喷雾密度等参数。
喷雾角度应根据实际情况确定,一般为30度至60度。
喷雾半径应满足灭火要求,一般为3米至6米。
喷雾密度应足够高,以形成均匀的水幕。
3.2 材料选择消防水幕喷头的主要材料应具有耐腐蚀、耐高温、耐压等特性。
常见的材料包括不锈钢、铜合金等。
3.3 自动感应装置消防水幕喷头应配备自动感应装置,能够及时感应到火灾发生并启动喷水装置。
常见的感应装置包括温度感应器、光感应器等。
3.4 防结冰措施消防水幕喷头在寒冷的环境中容易结冰,影响正常工作。
因此,喷头应采取防结冰措施,如加热装置、防冻液等。
4. 安装位置消防水幕喷头的安装位置应根据实际情况确定,一般应选择在火灾易发区域的上方。
同时,应注意避免喷头受到遮挡,保证喷水的有效性。
5. 喷水性能测试为确保消防水幕喷头的正常工作,需要进行喷水性能测试。
测试内容包括喷雾角度、喷雾半径、喷雾密度等参数的测量。
测试结果应符合设计要求,并记录在消防设备检测报告中。
6. 维护与检修消防水幕喷头的维护与检修是确保其正常工作的关键。
定期检查喷头是否正常,喷孔是否堵塞,喷水性能是否达标。
如发现异常情况,应及时清洗或更换喷头。
7. 总结消防水幕喷头是一种重要的消防设备,能够有效隔离火灾区域,保护人员和财产的安全。
本文详细介绍了消防水幕喷头的参数,包括工作原理、设计要求、安装位置、喷水性能等方面。
喷泉喷头的种类和选用注意事项-回复喷泉喷头是喷泉的核心组件之一,它决定了喷泉的水流形状和效果。
不同类型的喷泉喷头能够产生不同的水花形态,如水柱、水幕、水雾等。
本文将介绍一些常见的喷泉喷头种类和选用注意事项,帮助读者理解如何选择适合自己场景的喷泉喷头。
一、喷泉喷头的种类1. 水柱喷头:水柱喷头是最常见的喷泉喷头类型之一,它通过将水流射向空中形成直立的水柱。
根据不同的需求,水柱喷头可以调整水柱高度和直径,常见的水柱形状有单水柱、多水柱、旋转水柱等。
2. 水幕喷头:水幕喷头是近年来越来越受欢迎的一种喷泉喷头。
它通过在高压水流中增加特殊的喷嘴和喷孔,形成一个薄薄的喷水幕墙。
水幕喷头可以制造出透明的水幕,可以用来投影视频或者图案,有着独特的艺术效果。
3. 水雾喷头:水雾喷头通过将水流喷出微小的水滴,形成一个水雾。
水雾喷头通常与LED灯光结合使用,可以创造出迷人的光影效果。
水雾喷头通常用于室内和室外的景观设计,能够提供丰富的视觉和听觉体验。
4. 喷泉节拍器:喷泉节拍器是一种可以控制水柱的上下起伏、大小和节奏的喷泉设备。
它通过调节喷泉泵的电流频率和强度,可以使水柱达到不同的高度,从而形成有节奏的喷水效果。
5. 喷雾喷头:喷雾喷头是一种喷泉喷头,通过将水流转化为细小的水滴,形成一个类似于薄雾的效果。
喷雾喷头通常用于室内和室外的装饰景观,可以提供一种令人放松的环境氛围。
同时,喷雾喷头还可以在干燥的环境中增加湿度。
以上只是一些常见的喷泉喷头种类,实际市场上还有很多不同形状和功能的喷泉喷头可供选择。
下面将介绍一些选择喷泉喷头的注意事项。
二、选用喷泉喷头的注意事项1. 场所和用途:首先要考虑的是喷泉喷头需要安装在哪个场所以及其用途是什么。
例如,若是室内装饰,可以选择水雾喷头或喷雾喷头;而若是室外公共空间,水柱喷头和水幕喷头可能更适合。
2. 喷泉效果:根据自己的需求和喜好选择对应的喷泉效果。
例如,若是喜欢高大的喷水柱,可以选择带有节拍器功能的水柱喷头;而若是追求艺术感和创意,可以选择水幕喷头。
园林水景中常见的各种喷头介绍树冰(雪松)喷头能喷出雄伟壮观的巨大水柱,外观效果庞大丰满,抗风力较强,给人以无穷力量磅礴气势。
该喷头底部有可调机构,可适用于不同角度喷射的要求。
此喷头广泛用于广场和公共场所的喷水池中。
玉柱喷头喷嘴口外高速水流形成的负压吸入空气,产生白玉色的水柱,形状清新明快,其抗风力强,造型壮观,格调高雅。
配以绚烂美丽的灯光效果更佳。
蒲公英喷头是由许多细小支管的小喷头连接在中心球体上而组成一个放射状球体形,形似绽放的蒲公英,洁白无暇;多规格组合喷水时配以绚烂的灯光,其效果相当富丽豪华,喷水花样的雾状程度可通过调节每个小喷盖而达到要求。
该喷头对水质要求较高,水源处应采取过滤措施。
此水型抗风力强,主要适用于室外喷水池中。
环隙喷头喷嘴断面为一环状缝隙。
当压力水从喷嘴中直射喷出时,其水柱呈环状空心水膜,形似水晶圆柱。
其水势宏伟壮观,抗风性能良好,为喷泉水景中又一重要水景盘龙玉柱喷头的旋转力由喷水时水流的离心作用和反作用推动产生,喷射时水柱交替飞舞,呈360°旋转式摆动,如蛟龙盘玉柱,妙不可言。
盘龙玉柱喷头在旋转过程中喷水射流始终呈螺旋状曲线,好似轻盈的少女,扭动青春妙体,情趣昂然,极富浪漫与温馨。
雾喷头体内受高压使水体在空中散发成极细小的晶莹水珠,呈雾状密集四周,使得空气纯净而湿润。
其型如天然晨雾,浮游飘荡,产生虚无缥缈的梦幻感,朦胧之美与神秘之感由然而生。
配以灯光与周围环境相协调可达到极佳效果。
超高直流喷头旋转蟹爪兰喷头又称风车,喷头利用水流的喷射往里做推动,使喷头与水面夹45度旋,形状类似蟹爪。
喷头安装与水面倾斜45度。
三层水花喷头是由许多万向直射喷嘴组合而成,这些喷嘴规格型号相同时,喷出的水型雄壮顺直、壮观美丽;这些喷嘴规格型号不完全相同时,大小喷嘴协调布置,喷出的水型粗壮有力、层次分明、主题突出,是喷泉的主要水景。
指状喷头是在扇形喷头体上安排一排或两排可调小喷嘴,喷水造形如凤尾舒展,流彩动人。
水幕喷头工作原理
水幕喷头是通过高速旋转的轴产生的离心力将水分散成极细的水滴,同时通过高压水、空气和离心力的联合作用将水滴喷射成水幕的装置。
其工作原理如下:
1. 水源供给:水幕喷头需要通过管道供水,通常是从城市自来水管道或者水泵提供水源。
2. 高压水喷射:水幕喷头会产生高压水流,通过喷嘴被喷射出来。
高压水流使得水分子的动能增加,形成高速运动的水流。
3. 空气供给:除了高压水流,水幕喷头还需要空气来助推水滴的飞散。
空气通常通过风机或者压缩空气装置提供。
4. 离心力的作用:水幕喷头内部有一个旋转轴,当水流经过喷嘴时,喷嘴周围的离心力会使得流水沿着轴旋转并扩散。
同时,高速旋转的轴会将水分散成非常细小的水滴。
5. 水滴喷射:水被分散成极细的水滴后,通过高速旋转的轴带动水滴进一步加速,水滴经夹杂着空气的喷射而形成水幕。
通过以上的工作原理,水幕喷头可以形成均匀且较为稳定的水幕,用于消防灭火、景观造景以及涂装等领域。
消防水幕喷头参数
摘要:
一、消防水幕喷头的类型
二、消防水幕喷头的参数性能
三、消防水幕喷头的使用要求
四、消防水幕喷头的优质品牌
五、结语
正文:
一、消防水幕喷头的类型
消防水幕喷头主要有以下几种类型:
1.下垂型喷头:适用于保护有吊顶的房间,喷头下垂安装在吊顶下方。
2.直立型喷头:直立安装在供水支管上,洒水形状为抛物体型,适用于易发生撞击的场所,如仓库。
3.水幕喷头:用于防火水幕带,可以起防火墙的作用。
其中,喷雾型喷头和雨淋式水幕喷头较为常见。
4.檐口式水幕喷头:用于防止邻近建筑火灾对屋檐的威胁或增加屋檐的耐火能力。
二、消防水幕喷头的参数性能
消防水幕喷头的参数性能主要包括喷头口径、流量系数、工作压力等。
口径有6、8、10、12.7、16mm 和19mm 等,前三种为小型喷头,后三种为大型喷头。
流量系数和喷头口径有关,决定了喷头的喷水量。
工作压力一般为
0.6-1.2MPa。
三、消防水幕喷头的使用要求
1.消防水幕喷头应均匀布置,符合设计要求。
2.喷头成单排布置时,应喷向被保护对象。
3.在舞台口和面积大于3 平方米的洞口部位,宜布置双排水幕喷头。
4.同一配水支管上应布置相同口径的水幕喷头。
四、消防水幕喷头的优质品牌
在我国,一些优质的消防水幕喷头品牌包括:zstm 型水幕喷头等。
这些品牌喷头质量可靠,性能稳定,能够有效地阻断热辐射,防止火势蔓延。
五、结语
总之,消防水幕喷头作为消防设备的重要组成部分,在火灾防控中起着关键作用。
消防喷头的类型消防喷头是一种重要的消防设备,根据其不同的类型和功能,可以分为各种不同的类别。
在建筑物中,消防喷头扮演着关键的角色,能够在火灾发生时及时喷洒水雾或灭火剂,有效地控制火势,保护人们的生命财产安全。
下面将介绍几种常见的消防喷头类型。
1. 干式喷头干式喷头是一种常见的消防喷头类型,通常用于易燃易爆场所或低温环境。
与水相比,干式喷头使用干粉或气体作为灭火剂,能够快速有效地扑灭火灾。
干式喷头的设计独特,能够在火灾发生时自动启动,喷射出干粉或气体,形成灭火雾气,将火势控制在最小范围内。
2. 水幕喷头水幕喷头是一种常用于大型厂房或仓库的消防喷头类型,其主要作用是形成一道水幕,将火灾区域与周围区域隔离开来,防止火势蔓延。
水幕喷头通常安装在高处,通过高压水流喷洒形成水幕,有效地降低火灾的扩散速度,为人员疏散和救援提供了宝贵的时间。
3. 喷雾喷头喷雾喷头是一种使用微小水滴喷射的消防喷头,能够快速将水雾喷洒到火灾现场,有效降低火灾温度,增加灭火效果。
喷雾喷头的喷头孔径较小,能够将水分散成微小水滴,增大水雾表面积,使水雾更容易蒸发,吸收更多热量,从而达到灭火的效果。
4. 泡沫喷头泡沫喷头是一种专门用于灭油火的消防喷头类型,能够将泡沫液喷洒到火灾现场,形成覆盖物,隔绝氧气,有效扑灭火灾。
泡沫喷头通常使用泡沫液混合气体或水喷射,形成稳定的泡沫,具有很强的灭火效果。
在工业厂房或油库等易发生油类火灾的场所,泡沫喷头是一种常见的消防设备。
总的来说,消防喷头是一种非常重要的消防设备,不同类型的消防喷头在不同场合具有不同的灭火效果。
正确选择和安装适合的消防喷头对于及时控制火灾、保护人们的生命财产安全至关重要。
希望大家能够重视消防安全,合理配置消防设备,提高火灾应急处理能力,共同维护社会的安全和稳定。