细丝直径的测量铁丝直径.doc
- 格式:doc
- 大小:186.00 KB
- 文档页数:3
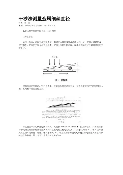
干涉法测量金属细丝直径作者:刘莹来源:《中小学实验与装备》 2014年第2期长春工程学院理学院(130012)刘莹1实验原理如图1所示,两块平板玻璃叠放,其间夹入薄片或细丝状物体的时候,玻璃之间就形成一空气劈尖。
在单色平行光垂直照射下,玻璃上出现明暗相间、间距相等的平行于玻璃棱边的干涉条纹。
根据波动光学理论,空气劈尖上、下表面反射光是相干光。
如若在劈尖内空气层厚度为e 处,其两相干光的光程差为:在实验室中采用钠光灯照射劈尖,其波长λ=589.3×10-9 m。
由上式可知,只要利用游标卡尺或读数显微镜测得金属丝所在位置到劈尖棱边的距离L以及条纹间距Δl,即可获得金属丝直径e的数值。
此外,④式中的L/Δl,即是视场中所观察到从劈尖棱边至金属丝之间干涉暗纹的数目,用K表示,则上式可以表示为:可见只要利用读数显微镜读得K值,同样可以获得金属丝直径e的数值。
2实验数据处理与实验结果2.1实验方法之一于是,金属细丝直径的测量结果表示为:e=(3.89±0.02)×10-5m2.3注意事项一是使用测微显微镜测量时,为避免产生回程误差,测微刻度轮应沿同一方向旋转,不可中途反向;二是在测量数据之前需调整细丝的位置,以使条纹间距适当。
金属细丝的位置距离劈尖棱边如果太近,会因为干涉条纹过密而分辨不清;如果太远,会因为干涉条纹过于稀疏,造成条纹数目过少而增大测量的不确定度。
3体会借助游标卡尺、千分尺等工具测物体直径。
虽然操作简单、效果直观,但精度较低。
本实验运用光学等厚干涉理论进行测量,结果的精度较高。
同时结合光学原理的运用,将普通的长度测量这类基础性实验上升为综合性、设计性的实验项目,对于激发学生的实验兴趣,培养他们创造的能力十分有益。
收稿日期:2014-03-03。
测量细线直径的方法
1. 嘿,你可以用显微镜呀!就像侦探用放大镜找线索一样,把细线放在显微镜下,那直径不就看得清清楚楚啦!比如你有一根像头发丝那么细的线,放在显微镜下,哇塞,一下子就看明白它有多粗啦。
2. 哎呀,还可以用卡尺来量嘛!卡尺就像一个小助手,紧紧夹住细线,然后你就能轻松读出直径啦!就好比你要知道一根缝衣服的线有多粗,卡尺一夹不就搞定啦!
3. 嘿呀,你知道吗?可以把很多根同样的细线并排紧密地缠在一起,然后测量总宽度,再除以细线的根数,不就得到每根的直径啦!这就好像一堆人站一起量总宽度,再算出每个人大概多宽一样有趣呀!比如有十根一样的细线,缠好一量,除以十,简单吧!
4. 哇哦,还可以把细线绕在一个圆柱体上,绕好多圈,然后量出这个长度,再除以圈数,不也能算出直径嘛!这不是和绕毛线球一个道理嘛,绕好几圈然后看看长度,多有意思!像绕在铅笔上,绕它个十几圈,再算算,嘿!
5. 哈哈,你想过用排水法吗?把细线浸到水里,看排出多少水,根据这个也能算出直径啊!就好像测量一块石头排开多少水一样新奇呢!要是一根细细的金属线,用这个方法试试看呀!
6. 咦,还可以做个小模具呀,让细线正好能卡进去的那种,那不就知道直径大概范围啦!这和给鞋子找合适的鞋盒一样嘛,得刚刚好。
比如做个小塑料卡槽,让细线卡得严丝合缝的,多妙呀!
我觉得呀,这些方法各有各的妙处,关键是看你在什么情况下怎么方便怎么来,都能帮你准确测量出细线的直径哦!。
吉林大学珠海学院课程设计报告设计题目测量金属丝的直径学生姓名学号********学生姓名学号********所属院系电子信息系专业电子信息科学与技术班级电子一班指导教师王天会设计地点实验楼4372016年12月12日一、 实验目的1、 学习读数显微镜的使用方法2、 观察劈尖干涉现象及其特点3、 用劈尖干涉法测量金属丝直径 二、劈尖测量金属丝直径的原理如图1-1所示,G 1、G 2为两片叠放在一起的平板玻璃,起一端的棱边相接触,另一端被一直径为D 的细丝隔开,故在G 1的下边卖女和G 2的上表面之间形成一层空气薄层,叫做空气劈尖。
图中M 为倾斜45°角放置的半透明半反射平面镜,L 为透镜,T 为显微镜。
单色光源S 发出的光经透镜L 后成为平行光,经M 反射后垂直射入劈尖(入射角i=0)。
自空气劈尖上、下两面反射的光相互干涉,从显微镜T 中可观察到明暗交替、均匀分布的干涉条纹,如图1-2所示。
图中相邻两暗纹(或明纹)的中心间距b 叫做劈尖干涉的条纹宽度。
在图1-3中,D 为细丝直径,L 为玻璃片长度,θ为两玻璃片间的夹角。
由于θ实际很小(为清晰期间被,图中θ被夸大),所以在劈尖的上表面处反射的光线都可看作垂直与劈尖表面,他们在劈尖表面处。
相遇并相干叠加。
由于劈尖层空气的折射率n 比比玻璃的折射率n 1小,所以光在劈尖下表面反射时因有相位跃变而产生附加光程差λ/2。
这样,由kλ, k=1,2,…(加强)Δr=2n2d+λ/2=(2k+1), λ/2, k=0,1,2,…(减弱)可得劈尖上下表面反射的两相干光的总光程差为Δ=2nd+λ/2式中d为劈尖上下表面间的距离。
劈尖反射光干涉条纹极大(明纹)的条件为2nd+λ/2=kλ,k=1,2,3,… (1-1)产生干涉条纹极小(暗纹)的条件为2nd+λ/2=(2k+1)λ/2, k=0,1,2,… (1-2)从师1-1和1-2可以看出,凡劈尖内厚度d相同的地方均满足相同的干涉条件。
测细丝直径的应用原理
测细丝直径的应用原理主要基于以下几个方面:
1. 光学原理:利用光学显微镜原理观察细丝,并通过测量细丝在显微镜视野中的尺寸变化来确定其直径。
2. 角度测量原理:利用倾斜仪器或测角仪器,在细丝上测量两个点之间的角度,根据已知距离和夹角计算细丝的直径。
3. 描迹法:将细丝放在平面上,使其留下一条线迹,通过测量线迹的宽度或长度来推算细丝的直径。
这种方法常用于测量纺织品中的纱线直径。
4. 力学原理:利用拉力测力计等力学仪器,在细丝两端施加一个拉力,根据拉力、材料特性和材料直径的关系,计算细丝的直径。
这种方法常用于测量金属丝或其他可弯曲的材料的直径。
5. 电阻测量原理:利用电阻计或电桥等仪器,通过测量细丝电阻的变化来反推细丝的直径。
这种方法常用于测量电阻丝的直径。
上述原理中,光学原理是最常用的方法,可以通过显微镜观察细丝,利用目测或图像处理等方法来测量细丝的尺寸,达到精确测量的目的。
其他原理通常用于特
殊情况下的测量,或在实际操作中与光学原理相结合使用。
实验二衍射法测量细丝直径
一、实验目的
1.了解衍射效应在计量技术中的应用。
2.掌握激光衍射法测量细丝直径的基本原理和测量方法。
二、实验原理
激光衍射法测量细丝直径是基于巴定理:两个互补的障碍物,其夫朗和费衍射图形、光强分布相同,位相相差π/2,因此,当细丝直径与狭缝宽度相等时,他们是两互补障该物,可以用测量狭缝的方法测量细丝直径。
测量原理如图12—1所示
图12—1
当一束激光照射到被测细丝上,发生衍射效应,在距光纤L距离处接收其衍射光强分布图,由衍射光强分布图测出第n级暗纹中心到中央零级条纹中心的距离X, 即可计算出细丝直径。
值得注意的是:此法虽然测量精度较高,但一般只适用于测量0.5mm以下的细丝直径,同时要求L ››d。
三、实验仪器与设备
激光参数测量系统(接收器移动距离为400mm)一套
四、实验内容与要求
实验内容
测量细铜丝直径
实验要求
1.根据远场夫朗和费衍射公式,导出d的计算式。
2.设计实验光路。
注意事项
1. 调整光路时不能用眼睛正对激光束,以免伤害眼睛。
要用白纸接收光。
2. 激光束与平台平行、且与接收器中心等高,保持与接收器移动方向垂直,光能量应全部进入接收器内。
3.接收器前狭缝开启的不要太大(0.2 —0.3mm),要与扫描间隔相匹配。
吉林大学珠海学院课程设计报告设计题目测量金属丝的直径学生姓名学号********学生姓名学号********所属院系电子信息系专业电子信息科学与技术班级电子一班指导教师王天会设计地点实验楼4372016年12月12日一、 实验目的1、 学习读数显微镜的使用方法2、 观察劈尖干涉现象及其特点3、 用劈尖干涉法测量金属丝直径 二、劈尖测量金属丝直径的原理如图1-1所示,G 1、G 2为两片叠放在一起的平板玻璃,起一端的棱边相接触,另一端被一直径为D 的细丝隔开,故在G 1的下边卖女和G 2的上表面之间形成一层空气薄层,叫做空气劈尖。
图中M 为倾斜45°角放置的半透明半反射平面镜,L 为透镜,T 为显微镜。
单色光源S 发出的光经透镜L 后成为平行光,经M 反射后垂直射入劈尖(入射角i=0)。
自空气劈尖上、下两面反射的光相互干涉,从显微镜T 中可观察到明暗交替、均匀分布的干涉条纹,如图1-2所示。
图中相邻两暗纹(或明纹)的中心间距b 叫做劈尖干涉的条纹宽度。
在图1-3中,D 为细丝直径,L 为玻璃片长度,θ为两玻璃片间的夹角。
由于θ实际很小(为清晰期间被,图中θ被夸大),所以在劈尖的上表面处反射的光线都可看作垂直与劈尖表面,他们在劈尖表面处。
相遇并相干叠加。
由于劈尖层空气的折射率n 比比玻璃的折射率n 1小,所以光在劈尖下表面反射时因有相位跃变而产生附加光程差λ/2。
这样,由kλ, k=1,2,…(加强)Δr=2n2d+λ/2=(2k+1), λ/2, k=0,1,2,…(减弱)可得劈尖上下表面反射的两相干光的总光程差为Δ=2nd+λ/2式中d为劈尖上下表面间的距离。
劈尖反射光干涉条纹极大(明纹)的条件为2nd+λ/2=kλ,k=1,2,3,… (1-1)产生干涉条纹极小(暗纹)的条件为2nd+λ/2=(2k+1)λ/2, k=0,1,2,… (1-2)从师1-1和1-2可以看出,凡劈尖内厚度d相同的地方均满足相同的干涉条件。
多种方法测量细丝直径学院:物理电子工程学院专业:物理学姓名及学号:冯伟(2008261004)杨保国(2008261026)多种方法测量细丝直径物理学 冯伟 杨保国摘要:利用巴俾涅原理,通过单缝夫琅和费衍射,测量丝线的直径。
实验表明,这是一种高精度的非接触测量,它通过对衍射图样的检测来求细丝的直径。
关键字:激光器;单缝衍射;单丝衍射引言:随着生产的发展,要求对各种金属丝,光导纤维以及钟表游丝等进行高精度的非接触测量。
过去测量0.1毫米以下的细丝外径,一般用普通光学测量仪或电测策计等接触测量仪器。
细丝的衍射效应使普通光学方法误差变大,接触测量易受到测量力大小的影响。
激光束细丝衍射对于线径极小的细丝,其测量结果是可靠的。
1. 实验原理方法一:(1) 巴俾涅原理两个互补屏单独产生的衍射场的复振幅之和等于没有屏时的复振幅,,对于单缝的夫琅和费衍射,除点光源在像平面的像点之外有U=0,即像点外两个互补屏所产生的衍射图形,其形状和光强完全相同,仅位相相差,所以我们可用丝线代替单缝进行夫琅和费衍射。
(2) 夫琅和费单缝衍射原理为获得明亮的远场条纹,一般用透镜在焦面上形成夫朗和费条纹,如图所示。
设透镜的焦距为f ,细丝直径为a 。
当平行光垂直于单缝平面入射时,单缝衍射就形成平行的明暗条纹其位置衍射角由下式决定:暗条纹的中心 asin θ=k λ (k=±1,±2,±3,…)明条纹的中心asin θ=(2k+1)λ/2 (k=±1,±2,±3,…)中心条纹θ=0本实验一般采用暗条纹进行测量,考虑到一般情况下θ角较小,于是有θ≈sin θ≈tan θ 2互补法测量的计算故由式得暗条纹的衍射角由下式决定aθ1=mλaθ2=nλ令 L=Xm+Xn,( Xm,Xn分别表示第m和第n级条纹到接收屏中心P0的距离),即L为中心条纹左侧第m条与中心条纹右侧第n条间的距离。
细丝直径的测量摘要:本次实验为细丝直径的测量,由于细丝利用普通的测量工具很难准确测量,误差很大,所以此次实验是利用等厚干涉原理,即由同一光源发出的平行单色光垂直入射分别经过空气劈尖所形成的空气薄膜上下表面反射后,在上表面相遇时产生的一组与棱边平行的,明暗相间,间隔相同的干涉条纹,由此来测量细丝的直径,使数据更加准确,本次试验就是利用干涉原理制作劈尖测量发丝的直径。
关键词:干涉原理空气劈尖直径光程差引言:本次实验是利用空气劈尖根据光的干涉原理测量发丝的直径,干涉和衍射是光的波动性的具体变现,利用光的等厚干涉由同一光源发出的平行光,分别经过劈尖间所形成的空气薄膜上下表面反射后产生干涉现象,形成明暗相间的条纹,使用显微镜观察明暗条纹间的距离,由此来计算发丝的直径实验原理:当两片很平的玻璃叠合在一起,并在其一端垫入细丝时,两片玻璃片之间就形成了一层空气薄膜,叫做空气劈尖。
在同一光源发出的单色平行光垂直照射下,经劈尖上下表面反射后将会产生干涉现象,在显微镜观察可发现明暗相间的干涉条纹,如图所示实验内容与步骤:实验仪器:读数显微镜 45度反射镜 2片光学玻璃钠光灯发丝1 将发丝夹在2片光学玻璃的一端,另一端直接接触,形成空气劈尖。
将劈尖放在读数显微镜的载物台上。
2 打开钠光灯,调节45度反射镜,使光线平行垂直射入充满视野,此时显微镜的视野由暗变亮。
3 调节显微镜物镜的焦距使视野内明暗相间的条纹清晰,调节显微镜目镜焦距以及叉丝的位置是否对齐和劈尖放置的位置,4 找出一段最清晰的条纹用读数显微镜读出两条明条纹或暗条纹之间的距离,同一方向转动测微鼓轮测量出5组明或暗条纹的间距。
5 使用游标卡尺测量出劈尖内细丝到较远一端的距离L6 根据公式和测量的数据计算出细丝的直径和不确定度数据处理与实验结果表达式:S=(0.212+0.220+0.216+0.218+0.220)÷5=0.2172mm L=45.2mm D=2λ•S L =2172.02.452103.5896-⨯•=0.061mmU l =0.01mmU s =t)1()(12--∑=n n S Snn i=2.78⨯0.00665=0.0185U r =22)()(SU L U S l +=00029.0=0.017U D =r U D ⨯=0.013⨯0.017=0.0221 最后结果为D=D ±U D =0.061±0.0221mm U r =DU D ⨯100%=1.61%结束语本次试验让我们学习到了光的等厚干涉原理,利用这一原理我们学会了如何测量细丝的直径,使我们受益匪浅,实验过程中我们应当多次测量,因为实验过程中存在较大误差,应该仔细认真以免读数发生错误。
细丝直径的测量铁丝直径【实验目的】(1)通过实验加深对等厚干预原理及干预概念的理解 (2)学习用等厚干预测量铁丝直径的方法 (3)学会读书显微镜的正确使用 【仪器用具】钠光灯读数显微镜劈尖装置 【实验原理】当两片很平的玻璃叠合在一起,并在其一端垫入细丝时,两玻璃片之间就形成一空气薄层〔空气劈〕。
在单色光束垂直照射下,经劈上、下外表反射后两束反射光是相干的,干预条纹将是间隔相等且平行于二玻璃交线的明暗交替的条纹。
λλk d =+=∆22明纹()21222λλ+=+=∆k d 暗纹相邻两暗纹〔或明纹〕对应的空气厚度λλk d k =+22()1221+=++k d k λ21λ=-+k k d d那么细丝直径D 为2λN D = N 为干预条纹总条纹S L D 2tan λαα==≈2λ⋅=S L DL 为劈尖的长度用游标卡尺测,S 为相邻两暗条纹的间距,用读书显微镜测量〔5次测量〕Λ 为钠光波长,λ =mm 103.5896-⨯入射光波长λ,测出0N 和L ,就可计算出细丝〔或薄片〕的直径D 。
【实验内容】〔1〕将细丝〔或薄片〕夹在劈尖两玻璃板的一端,另一端直接接触,形成空气劈尖。
然后置于移测显微镜的载物平台上。
〔2〕开启钠光灯,调节半反射镜使钠黄光充满整个视场。
此时显微镜中的视场由暗变亮。
调节显微镜目镜焦距及叉丝方位和劈尖放置的方位。
调显微镜物镜焦距看清干预条纹,并使显微镜同移动方向与干预条纹相垂直。
〔3〕用显微镜测读出叉丝越过条暗条纹时的距离l,可得到单位长度的条纹数0N 。
再测出两块玻璃接触处到细丝处的长度L.重复测量五次,根据式)2/(0λL N D =计算细丝直径D 平均值和不确定度。
【数据记录】实验测量数据单位〔mm 〕5j i S S - S1 S6 S2 S7S3 S8S4 S9S5S10【考前须知】(1)干预环两侧的序数不要数错(2)防止读书显微镜的回程误差。
狭缝缝宽和细丝直径的测量编号:课程设II (论文)计说明书题目:狭缝缝宽和细丝直径测量院(系):电子工程与自动化学院专业:学生姓名:学号:指导教师:职称:30217 张副教授2019年 1 月20日摘要本课题主要目的是狭缝缝宽和细丝直径的测量。
微小物体的测量在生产和科研中有很重要的作用,光学衍射法测量微小物体的直径是一种非破坏性,精度高的方法。
利用光的单缝衍射效应:光传播过程中遇到障碍物时,当障碍物(小孔、狭缝、毛发、细丝等)的线度与光的波长相差不多时,所发生的偏离直线传播的现象。
即光可绕过障碍物,传播到障碍物的几何阴影区域中,并在障碍物后的CCD 相机上捕捉到光强不均匀分布的图样,这样的图样为衍射图样。
另外根据巴比涅原理,两个互补屏单独产生的衍射场的复振幅之和等于没有屏时的复振幅,,对于单缝的夫琅和费衍射,除点光源在像平面的像点之外有U=0,即像点外两个互补屏所产生的衍射图形,其形状和光强完全相同,仅位相相差π/2,所以也可用丝线代替单缝进行衍射。
把CCD 相机采集到的衍射图样用MATLAB 进行图像处理,即可计算出衍射图样暗纹或亮纹之间的间距。
关键词:单缝衍射;衍射图样;巴比涅原理AbstractThe main purpose of this study is to measure the slit width and the diameter of the filament. The measurement of small objects is very importantin the production and scientific research. The optical diffraction method is a non-destructive method to measure the diameter of micro objects.The light of the single seam diffraction effects: light propagation encountered obstacles when obstacle pin hole and slit, hair, filaments, etc.) and the linear dimension of the light wave looks almost, the deviation travels in straight lines. The light can bypass the obstacles, spread to the area ofthe geometric shadow of obstacles, and in the obstacle after the CCD camera to capture the light intensity distribution of the pattern, so that the patternfor the diffraction pattern. Also according to Babinet's principle, two complementary screen alone produces a diffraction field of complex amplitude is equal to no screen the complex amplitude, for single slit Fraunhofer diffraction, in addition to the point light source in a plane like beyond the point of U=0, that point as two complementary screen produced by diffraction pattern, its shape and intensity are exactly the same, only phase difference PI, so also available thread instead of single slit diffraction. CCD camera to collect the diffraction pattern with MATLAB for image processing, you can calculate the distance between the diffraction pattern of dark lines or bright lines.Key words:Single slit diffraction;Diffraction pattern;Babinet principle目录引言 ........................................................................... ......................................................... 3 1. 任务与要求 ........................................................................... .......................................... 3 2. 方案论证 ........................................................................... . (3)2.1 狭缝测量方案论证及选择 ........................................................................... ...... 3 2.2 细丝直径测量方案选择 ........................................................................... .......... 5 3. 实验测量光路的搭建及测量 ........................................................................... .. (6)3.1细丝直径测量 ........................................................................... ........................... 6 3.2 细丝直径测量方法 ........................................................................... .................. 6 3.3 狭缝缝宽测量装置 ........................................................................... ................. 7 4. 实验数据处理 ........................................................................... .. (8)4.1 CCD标定 . ......................................................................... ................................... 8 4.2 实验数据处理 ........................................................................... .......................... 8 5. 误差分析 ........................................................................... .. (12)5.1 测量距离的误差 ........................................................................... .................... 12 5.2 CCD相机存在的误差 ........................................................................... ............ 12 5.3图像处理的误差 ........................................................................... .................... 13 6. 结论 ........................................................................... .................................................... 13 谢辞 ........................................................................... ................................................... 14 参考文献 ........................................................................... ............................................... 15 附录 ........................................................................... ................... 错误!未定义书签。
一种测量金属细丝直径的新方法
姜华
【期刊名称】《青海大学学报(自然科学版)》
【年(卷),期】2006(024)003
【摘要】介绍了利用波的干涉--驻波测量导电金属细丝直径的测量原理和方法.【总页数】3页(P78-80)
【作者】姜华
【作者单位】青海大学基础部,青海,西宁,810016
【正文语种】中文
【中图分类】O4
【相关文献】
1.干涉法测量金属细丝直径 [J], 刘莹
2.贵金属细丝直径和不圆度测量 [J], 邓世隆
3.光的干涉法测量金属细丝直径的研究 [J], 何启浩
4.细丝直径的一种精确测量方法 [J], 苏小保;聂传辉
5.一种新型的多功能细丝直径测量仪 [J], 聂秋华;胡龙飞;白贵儒;陈敏敏
因版权原因,仅展示原文概要,查看原文内容请购买。
细丝直径的测量铁丝直径
【实验目的】
(1)通过实验加深对等厚干涉原理及干涉概念的理解 (2)学习用等厚干涉测量铁丝直径的方法 (3)学会读书显微镜的正确使用 【仪器用具】
钠光灯 读数显微镜 劈尖装置 【实验原理】
当两片很平的玻璃叠合在一起,并在其一端垫入细丝时,两玻璃片之间就形成一空气薄层(空气劈)。
在单色光束垂直照射下,经劈上、下表面反射后两束反射光是相干的,干涉条纹将是间隔相等且平行于二玻璃交线的明暗交替的条纹。
λλk d =+=∆22明纹()21222λ
λ+=+=∆k d 暗纹
相邻两暗纹(或明纹)对应的空气厚度
λλ
k d k =+
2
2()12
21+=+
+k d k λ
21λ
=
-+k k d d
则细丝直径D 为
2λ
N D = N 为干涉条纹总条纹S L D 2
tan λ
αα==≈
2λ⋅=
S L D
L 为劈尖的长度用游标卡尺测,S 为相邻两暗条纹的间距,用读书显微镜测量(5次测量)
Λ 为钠光波长,λ =
mm 103.5896-⨯
已知入射光波长λ,测出0N 和L ,就可计算出细丝(或薄片)的直径D 。
【实验内容】
(1)将细丝(或薄片)夹在劈尖两玻璃板的一端,另一端直接接触,形成空气劈尖。
然后置于移测显微镜的载物平台上。
(2)开启钠光灯,调节半反射镜使钠黄光充满整个视场。
此时显微镜中的视场由暗变亮。
调节显微镜目镜焦距及叉丝方位和劈尖放置的方位。
调显微镜物镜焦距看清干涉条纹,并使显微镜同移动方向与干涉条纹相垂直。
(3)用显微镜测读出叉丝越过条暗条纹时的距离l,可得到单位长度的条纹数0N 。
再测出两块玻璃接触处到细丝处的长度L.重复测量五次,根据式)2/(0λL N D =计算细丝直径D 平均值和不确定度。
【数据记录】
实验测量数据
单位(mm ) 错误!未找到引用源。
5
j i S S - S1 S6 S2 S7
S3 S8
S4 S9
S5
S10
【注意事项】
(1)干涉环两侧的序数不要数错
(2)防止读书显微镜的回程误差。