普通干混砂浆规格对应表
- 格式:docx
- 大小:8.71 KB
- 文档页数:1
普通干粉砂浆与传统砂浆分类对应表种类干粉砂浆传统砂浆砌筑砂浆DM5.O M5.0混合砂浆、M5.O水泥砂浆DM7.5 M7.5混合砂浆、M7.5水泥砂浆DMl0.O M10.O混合砂浆、M10.O水泥砂浆抹灰砂浆DP5.O 1:1:6混合砂浆DPlO.O 1:l:4混合砂浆DPl5.O l:3水泥砂浆DP20.O 1:1:2混合砂浆;1:2.0、1:2.5水泥砂浆地面砂浆DSl5.0 1:2.5、l:1.3水泥砂浆DS20.O 1:2水泥砂浆砂浆、混凝土配合比表水泥砂浆配合比表单位:立方米石灰砂浆配合比表单位:立方米混合砂浆配合比表单位:立方米混合砂浆配合比续表单位:立方米砌筑砂浆配合比表单位:立方米1、水泥强度等级与水泥标号对照表其它灰浆浆比表单位:立方米其它灰浆浆比续表单位:立方米水泥石碴(豆石)浆配合比表单位:立方米豆石砼及灰土配合比表单位:立方米水泥蛭石(珍珠岩)配合比表单位:立方米水泥焦渣配合比表单位:立方米陶粒砼配合比表单位:立方米普通砼配合比表单位:立方米普通砼配合比续表单位:立方米特种砂浆、砼配合比表单位:立方米特种砂浆、砼配合比续表 1 单位:立方米特种砂浆、砼配合比续表 2 单位:立方米特种砂浆、砼配合比续表 3 单位:立方米特种砂浆、砼配合比续表 4 单位:立方米摘自北京市建设工程概算定额建筑工程第一册土建(下册)注:(1)采用细砂配制混凝土时,每立方米混凝土的水泥用量增加4%;(2)表列各种混凝土标号的水泥用量,系按机器捣固计算,如果用人工捣固时,每立方米混凝土应增加水泥用量25kg;材料消耗数量已包括场内运输及操作损耗在内;(4)公路水下构造物每立方米混凝土水泥用量机械捣固不应少于240kg,人工捣固不应少于265kg;(5)采用输送泵输送混凝土时,混凝土的运输与操作损耗按4%计算;(6)采用输送泵输送混凝土时,每10m3混凝土拌和与养生用水为:现浇混凝土基础18m3 现浇混凝土上部构造21m3现浇混凝土下部构造18m3 预制混凝土22m3。
普通干粉砂浆与传统砂浆分类对应表砂浆、混凝土配合比表水泥砂浆配合比表单位:立方米石灰砂浆配合比表单位:立方米混合砂浆配合比表单位:立方米混合砂浆配合比续表单位:立方米砌筑砂浆配合比表单位:立方米1、水泥强度等级与水泥标号对照表其它灰浆浆比表单位:立方米其它灰浆浆比续表单位:立方米水泥石碴(豆石)浆配合比表单位:立方米豆石砼及灰土配合比表单位:立方米水泥蛭石(珍珠岩)配合比表单位:立方米水泥焦渣配合比表单位:立方米陶粒砼配合比表单位:立方米普通砼配合比表单位:立方米普通砼配合比续表单位:立方米特种砂浆、砼配合比续表 1 单位:立方米特种砂浆、砼配合比续表 2 单位:立方米特种砂浆、砼配合比续表 3 单位:立方米特种砂浆、砼配合比续表 4 单位:立方米摘自北京市建设工程概算定额建筑工程第一册土建(下册)混凝土配合比表时间:2007-6-26 10:05:48 来自: 作者:单位:1m3混凝土续上表单位:1m3混凝土续上表单位:1m3混凝土续上表单位:1m3混凝土续上表单位:1m3混凝土注:(1)采用细砂配制混凝土时,每立方米混凝土的水泥用量增加4%;(2)表列各种混凝土标号的水泥用量,系按机器捣固计算,如果用人工捣固时,每立方米混凝土应增加水泥用量25kg;)材料消耗数量已包括场内运输及操作损耗在内;(4)公路水下构造物每立方米混凝土水泥用量机械捣固不应少于240kg,人工捣固不应少于265kg;(5)采用输送泵输送混凝土时,混凝土的运输与操作损耗按4%计算;(6)采用输送泵输送混凝土时,每10m3混凝土拌和与养生用水为:现浇混凝土基础18m3 现浇混凝土上部构造21m3现浇混凝土下部构造18m3 预制混凝土22m3。
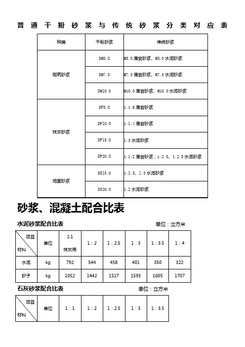
普通干粉砂浆与传统砂浆分类对应表
砂浆、混凝土配合比表
水泥砂浆配合比表单位:立方米
石灰砂浆配合比表单位:立方米
混合砂浆配合比表单位:立方米
混合砂浆配合比续表单位:立方米
砌筑砂浆配合比表单位:立方米
1
、水泥强度等级与水泥标号对照表
其它灰浆浆比表单位:立方米
其它灰浆浆比续表单位:立方米
水泥石碴(豆石)浆配合比表单位:立方米
豆石砼及灰土配合比表单位:立方米
水泥蛭石(珍珠岩)配合比表单位:立方米
水泥焦渣配合比表单位:立方米
陶粒砼配合比表单位:立方米
普通砼配合比表单位:立方米
普通砼配合比续表单位:立方米
特种砂浆、砼配合比表单位:立方米
特种砂浆、砼配合比续表1 单位:立方米
特种砂浆、砼配合比续表2 单位:立方米
特种砂浆、砼配合比续表3 单位:立方米
特种砂浆、砼配合比续表4 单位:立方米
摘自北京市建设工程概算定额建筑工程第一册土建(下册)
材料消耗数量已包括场内运输及操作损耗在内;
(4)公路水下构造物每立方米混凝土水泥用量机械捣固不应少于240kg,人工捣固不应少于265kg;
(5)采用输送泵输送混凝土时,混凝土的运输与操作损耗按4%计算;
(6)采用输送泵输送混凝土时,每10m3混凝土拌和与养生用水为:
现浇混凝土基础18m3 现浇混凝土上部构造21m3
现浇混凝土下部构造18m3 预制混凝土22m3。
普通干粉砂浆与传统砂浆分类对应表砂浆、混凝土配合比表水泥砂浆配合比表单位:立方米石灰砂浆配合比表单位:立方米混合砂浆配合比表单位:立方米混合砂浆配合比续表单位:立方米砌筑砂浆配合比表单位:立方米1、水泥强度等级与水泥标号对照表其它灰浆浆比表单位:立方米其它灰浆浆比续表单位:立方米水泥石碴(豆石)浆配合比表单位:立方米豆石砼及灰土配合比表单位:立方米水泥蛭石(珍珠岩)配合比表单位:立方米水泥焦渣配合比表单位:立方米陶粒砼配合比表单位:立方米普通砼配合比表单位:立方米普通砼配合比续表单位:立方米特种砂浆、砼配合比表单位:立方米特种砂浆、砼配合比续表1单位:立方米特种砂浆、砼配合比续表2单位:立方米特种砂浆、砼配合比续表3单位:立方米特种砂浆、砼配合比续表4单位:立方米摘自北京市建设工程概算定额建筑工程第一册土建(下册)混凝土配合比表时间:2007-6-2610:05:48???来自:???作者:单位:1m3混凝土续上表单位:1m3混凝土续上表单位:1m3混凝土续上表单位:1m3混凝土续上表单位:1m3混凝土注:(1)采用细砂配制混凝土时,每立方米混凝土的水泥用量增加4%;(2)表列各种混凝土标号的水泥用量,系按机器捣固计算,如果用人工捣固时,每立方米混凝土应水泥用量25kg;?(3)材料消耗数量已包括场内运输及操作损耗在内;(4)公路水下构造物每立方米混凝土水泥用量机械捣固不应少于240kg,人工捣固不应少于265k(5)采用输送泵输送混凝土时,混凝土的运输与操作损耗按4%计算;(6)采用输送泵输送混凝土时,每10m3混凝土拌和与养生用水为:现浇混凝土基础18m3现浇混凝土上部构造21m3现浇混凝土下部构造18m3预制混凝土22m3。
普通干粉砂浆与传统砂浆分类对应表
砂浆、混凝土配合比表
水泥砂浆配合比表单位:立方米
石灰砂浆配合比表单位:立方米
混合砂浆配合比表单位:立方米
混合砂浆配合比续表单位:立方米
砌筑砂浆配合比表单位:立方米
1
、水泥强度等级与水泥标号对照表
其它灰浆浆比表单位:立方米
其它灰浆浆比续表单位:立方米
水泥石碴(豆石)浆配合比表单位:立方米
豆石砼及灰土配合比表单位:立方米
水泥蛭石(珍珠岩)配合比表单位:立方米
水泥焦渣配合比表单位:立方米
陶粒砼配合比表单位:立方米
普通砼配合比表单位:立方米
普通砼配合比续表单位:立方米
特种砂浆、砼配合比表单位:立方米
特种砂浆、砼配合比续表1 单位:立方米
特种砂浆、砼配合比续表2 单位:立方米
特种砂浆、砼配合比续表3 单位:立方米
特种砂浆、砼配合比续表4 单位:立方米
摘自北京市建设工程概算定额建筑工程第一册土建(下册)
材料消耗数量已包括场内运输及操作损耗在内;
(4)公路水下构造物每立方米混凝土水泥用量机械捣固不应少于240kg,人工捣固不应少于265kg;
(5)采用输送泵输送混凝土时,混凝土的运输与操作损耗按4%计算;
(6)采用输送泵输送混凝土时,每10m3混凝土拌和与养生用水为:
现浇混凝土基础18m3 现浇混凝土上部构造21m3
现浇混凝土下部构造18m3 预制混凝土22m3。
砂浆、混凝土配合比表水泥砂浆配合比表石灰砂浆配合比表混合砂浆配合比表混合砂浆配合比续表单位:立方米砌筑砂浆配合比表单位:立方米单位:立方米单位:立方米单位:立方米1、水泥强度等级与水泥标号对照表其它灰浆浆比表单位:立方米其它灰浆浆比续表单位:立方米水泥石碴(豆石)浆配合比表单位:立方米豆石砼及灰土配合比表单位:立方米水泥蛭石(珍珠岩)配合比表单位:立方米水泥焦渣配合比表单位:立方米粒砼配合比表普通砼配合比表单位:立方米普通砼配合比续表单位:立方米单位:立方米特种砂浆、砼配合比表单位:立方米特种砂浆、砼配合比续表 1 单位:立方米Array特种砂浆、砼配合比续表 2 单位:立方米特种砂浆、砼配合比续表 3 单位:立方米特种砂浆、砼配合比续表 4 单位:立方米单位:1m3混凝土续上表单位:1m3混凝土续上表单位:1m3混凝土续上表单位:1m3混凝土续上表单位:1m3混凝土注:(1)采用细砂配制混凝土时,每立方米混凝土的水泥用量增加4%;⑵表列各种混凝土标号的水泥用量,系按机器捣固计算,如果用人工捣固时,每立方米混凝土应增加水泥用量25kg;(3) 材料消耗数量已包括场内运输及操作损耗在内;⑷公路水下构造物每立方米混凝土水泥用量机械捣固不应少于240kg,人工捣固不应少于265kg;(5)采用输送泵输送混凝土时,混凝土的运输与操作损耗按4%计算;(6)采用输送泵输送混凝土时,每10m3混凝土拌和与养生用水为:现浇混凝土基础18m3现浇混凝土上部构造21m3现浇混凝土下部构造18m3预制混凝土 22m3。
普通干粉砂浆与传统砂浆分类对应表砂浆、混凝土配合比表水泥砂浆配合比表单位:立方米石灰砂浆配合比表单位:立方米混合砂浆配合比表单位:立方米混合砂浆配合比续表单位:立方米砌筑砂浆配合比表单位:立方米1、水泥强度等级与水泥标号对照表其它灰浆浆比表单位:立方米其它灰浆浆比续表单位:立方米水泥石碴(豆石)浆配合比表单位:立方米豆石砼及灰土配合比表单位:立方米水泥蛭石(珍珠岩)配合比表单位:立方米水泥焦渣配合比表单位:立方米陶粒砼配合比表单位:立方米普通砼配合比表单位:立方米普通砼配合比续表单位:立方米特种砂浆、砼配合比表单位:立方米特种砂浆、砼配合比续表1 单位:立方米特种砂浆、砼配合比续表2 单位:立方米特种砂浆、砼配合比续表3 单位:立方米特种砂浆、砼配合比续表4 单位:立方米摘自北京市建设工程概算定额建筑工程第一册土建(下册)混凝土配合比表时间:2007-6-26 10:05:48 来自:作者:单位:1m3混凝土续上表单位:1m3混凝土续上表单位:1m3混凝土续上表单位:1m3混凝土续上表单位:1m3混凝土注:(1)采用细砂配制混凝土时,每立方米混凝土的水泥用量增加4%;(2)表列各种混凝土标号的水泥用量,系按机器捣固计算,如果用人工捣固时,每立方米混凝土应增加水泥用量25kg;(3) 材料消耗数量已包括场内运输及操作损耗在内;(4)公路水下构造物每立方米混凝土水泥用量机械捣固不应少于240kg,人工捣固不应少于265kg;(5)采用输送泵输送混凝土时,混凝土的运输与操作损耗按4%计算;(6)采用输送泵输送混凝土时,每10m3混凝土拌和与养生用水为:现浇混凝土基础18m3 现浇混凝土上部构造21m3现浇混凝土下部构造18m3 预制混凝土22m3。
普通干粉砂浆与传统砂浆分类对应表
砂浆、混凝土配合比表
水泥砂浆配合比表单位:立米
灰砂浆配合比表单位:立米
混合砂浆配合比表单位:立米
混合砂浆配合比续表单位:立米
砌筑砂浆配合比表单位:立米
1、水泥强度等级与水泥标号对照表
其它灰浆浆比表单位:立米
其它灰浆浆比续表单位:立米
水泥碴(豆)浆配合比表单位:立米
豆砼及灰土配合比表单位:立米
水泥蛭(珍珠岩)配合比表单位:立米
水泥焦渣配合比表单位:立米
粒砼配合比表单位:立米
普通砼配合比表单位:立米
普通砼配合比续表单位:立米
特种砂浆、砼配合比表单位:立米
特种砂浆、砼配合比续表1 单位:立米
特种砂浆、砼配合比续表2 单位:立米
特种砂浆、砼配合比续表3 单位:立米
特种砂浆、砼配合比续表4 单位:立米
摘自北京市建设工程概算定额建筑工程第一册土建(下册)。
普通干粉砂浆与传统砂浆分类对应表砂浆、混凝土配合比表水泥砂浆配合比表单位:立方米石灰砂浆配合比表单位:立方米混合砂浆配合比表单位:立方米混合砂浆配合比续表单位:立方米砌筑砂浆配合比表单位:立方米1、水泥强度等级与水泥标号对照表其它灰浆浆比表单位:立方米其它灰浆浆比续表单位:立方米水泥石碴(豆石)浆配合比表单位:立方米豆石砼及灰土配合比表单位:立方米水泥蛭石(珍珠岩)配合比表单位:立方米水泥焦渣配合比表单位:立方米陶粒砼配合比表单位:立方米普通砼配合比表单位:立方米普通砼配合比续表单位:立方米特种砂浆、砼配合比表单位:立方米特种砂浆、砼配合比续表 1 单位:立方米特种砂浆、砼配合比续表 2 单位:立方米特种砂浆、砼配合比续表 3 单位:立方米特种砂浆、砼配合比续表 4 单位:立方米摘自北京市建设工程概算定额建筑工程第一册土建(下册)混凝土配合比表时间:2007-6-26 10:05:48??? 来自:??? 作者:单位:1m3混凝土续上表单位:1m3混凝土续上表单位:1m3混凝土续上表单位:1m3混凝土续上表单位:1m3混凝土注:(1)采用细砂配制混凝土时,每立方米混凝土的水泥用量增加4%;(2)表列各种混凝土标号的水泥用量,系按机器捣固计算,如果用人工捣固时,每立方米混凝土应增加水泥用量25kg;?(3) 材料消耗数量已包括场内运输及操作损耗在内;(4)公路水下构造物每立方米混凝土水泥用量机械捣固不应少于240kg,人工捣固不应少于265kg;(5)采用输送泵输送混凝土时,混凝土的运输与操作损耗按4%计算;(6)采用输送泵输送混凝土时,每10m3混凝土拌和与养生用水为:现浇混凝土基础18m3 现浇混凝土上部构造21m3现浇混凝土下部构造18m3 预制混凝土22m3。
普通干粉砂浆与传统砂浆分类对应表砂浆、混凝土配合比表水泥砂浆配合比表单位:立方米石灰砂浆配合比表单位:立方米混合砂浆配合比表单位:立方米混合砂浆配合比续表单位:立方米砌筑砂浆配合比表单位:立方米1、水泥强度等级与水泥标号对照表其它灰浆浆比表单位:立方米其它灰浆浆比续表单位:立方米水泥石碴(豆石)浆配合比表单位:立方米豆石砼及灰土配合比表单位:立方米水泥蛭石(珍珠岩)配合比表单位:立方米水泥焦渣配合比表单位:立方米陶粒砼配合比表单位:立方米普通砼配合比表单位:立方米普通砼配合比续表单位:立方米特种砂浆、砼配合比表单位:立方米特种砂浆、砼配合比续表 2 单位:立方米特种砂浆、砼配合比续表 3 单位:立方米摘自北京市建设工程概算定额建筑工程第一册土建(下册)混凝土配合比表时间:2007-6-26 10:05:48 来自:作者:单位:1m3混凝土续上表单位:1m3混凝土续上表单位:1m3混凝土续上表单位:1m3混凝土续上表单位:1m3混凝土注:(1)采用细砂配制混凝土时,每立方米混凝土的水泥用量增加4%;(2)表列各种混凝土标号的水泥用量,系按机器捣固计算,如果用人工捣固时,每立方米混凝土应增加水泥用量25kg;材料消耗数量已包括场内运输及操作损耗在内;(4)公路水下构造物每立方米混凝土水泥用量机械捣固不应少于240kg,人工捣固不应少于265kg;(5)采用输送泵输送混凝土时,混凝土的运输与操作损耗按4%计算;(6)采用输送泵输送混凝土时,每10m3混凝土拌和与养生用水为:现浇混凝土基础18m3 现浇混凝土上部构造21m3现浇混凝土下部构造18m3 预制混凝土22m3。