最新建筑退让道路红线距离规定[1]
- 格式:doc
- 大小:32.50 KB
- 文档页数:8
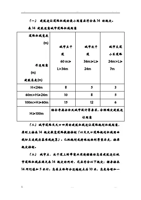
(一)建筑退让道路红线的最小距离应符合表14 的规定。
表14 建筑退离城市道路红线距离(二)城市道路交叉口四周的建筑红线退让道路规划红线距离,原则上按表14 规定较宽道路数据控制(以交叉口道路规划红线圆曲线切点连线为基准线起算)。
已批规划或特殊地块则尊重历史,按原规定控制。
(三)城市主、次干道上附带商业用途裙楼的高层建筑退让城市道路红线在满足表14 规定的同时,还应符合以下规定:裙房按表14所列值加5米计;高层主体部分退缩起点为10米,高度每增加一层(高层建筑指10层及10层以上的居住建筑,或其它民用建筑高度≥24米的民用建筑),增加退缩0.3米。
(四)广清大道与清远大道两侧建筑退缩距离原则上需满足本条第(一)、(二)、(三)项退让城市主干道的要求,已批规划或因道路建设时置换土地的地块仍按原规定的以道路控制线控制,无需增加退缩。
(五)新建影剧院、游乐场、体育馆、展览馆、大型商场(建筑面积大于3000平方米的集中式商场)等有大量人流车流集散的多、低层建筑(含高层建筑裙房),其临城市道路的主要出入口后退城市道路红线不小于20 米后,同时增设集散广场,并留出临时停车或回车场地,其增加的退让距离,按规模大小个案确定。
第二十条建筑退让城市高架路、立交、高速公路(一)沿城市高架道路两侧新建、改建、扩建的居住建筑,其沿高架道路主线边缘线后退距离不得小于35米;其沿高架道路匝道边缘线后退距离不得小于25米。
(二)建筑物相邻城市立交,建筑退让立交匝道边缘线的距离应不少于30米。
交叉口设有立交控制线的,建筑退让立交控制线:多层、低层建筑不少于6米,中高层建筑不少于9米,高层建筑主体不少于13米,并应符合消防、抗震、安全等相关要求。
(三)距高速公路50米范围内,除停车场、加油站等服务设施外,不得布置任何建筑物。
第二十一条建筑退让轨道交通控制线、铁路交通控制线城市轨道交通主要包括轻轨与地铁,根据轨道所处位置,有地下轨道、地面轨道和高架轨道三种形式。
建筑后退道路红线,规范篇一:建筑后退红线标准规定建筑物应距离城市道路或用地红线的程度多层一般不小于退让5m,高层退让不小于10M从建设部门获悉,今后,沿道路两侧新建、扩建、改建的建筑物应当按照规定后退道路红线。
其中,沿城市主、次干路的各类建筑,后退距离应当不小于15米。
按照要求,今后,沿城市快速路的各类建筑,后退距离应当不小于20米;沿城市主、次干路的各类建筑,后退距离应当不小于15米;沿城市支路的各类建筑,后退距离应当不小于10米;沿建制镇主要道路的各类建筑,后退距离应当不小于8米;沿建制镇一般道路的各类建筑,后退距离应当不小于5米;在道路交叉口的建筑,其后退距离还应当满足道路交通安全视距要求。
此外,因城市规划调整导致道路红线变更,使道路红线两侧规划建筑物退让距离难以满足有关要求的,城市规划行政主管部门可适当调整退让距离。
高层建筑计算高度大于60米时,主楼退让道路红线:临支道后退不小于3米;临次干道后退不小于5米;临主干道1后退不小于7米新建影剧院、游乐场、体育馆、展览馆、大型商场、星级旅馆等有大量人流、车流集散的建筑,其面临城市道路的主要入口,后退道路规划红线的距离,由城市规划行政主管部门按城市规划要求确定,但不得小于8米。
第四章建筑物退让第二十一条沿建筑用地边界和沿城市道路、公路、河(渠)道、铁路两侧以及电力线路、文物、绿地保护区范围内的建筑物,其退让距离除符合消防、防汛、交通、安全要求外,并同时符合本章规定。
第二十二条沿建筑用地边界建筑物,其离界距离按以下规定控制,但离界距离小于消防要求时,应按消防要求控制。
(一)相邻建筑双方各自从用地界线起计算离界距离,离界距离不小于下列表1所列值。
表1:建筑朝向层数及离界距离建筑类别文、教、卫建筑居住建筑与其他非居住建筑山墙退界建筑物规最小距离(米) 建筑物规定间距倍数最小距离(米) 山墙宽度?13(18)南北朝向一--八层 0.60 9 0.55 8 4 八层以上 0.60 1820.55 15 9东西朝向一--八层 0.60 4 0.55 4 4 八层以上 0.60 10 0.559 9(二)界外为住宅建筑,除须满足表1离界距离规定外,须同时满足第三章的有关规定要求.、、(三)界外为公共绿地的,各类建筑的最小离界距离为5米。
(一)建筑退让道路红线的最小距离应符合表14 的规定。
(一)表14 建筑退离城市道路红线距离(二)城市道路交叉口四周的建筑红线退让道路规划红线距离,原则上按表14 规定较宽道路数据控制(以交叉口道路规划红线圆曲线切点连线为基准线起算)。
已批规划或特殊地块则尊重历史,按原规定控制。
(三)城市主、次干道上附带商业用途裙楼的高层建筑退让城市道路红线在满足表14 规定的同时,还应符合以下规定:裙房按表14所列值加5米计;高层主体部分退缩起点为10米,高度每增加一层(高层建筑指10层及10层以上的居住建筑,或其它民用建筑高度≥24米的民用建筑),增加退缩0.3米。
(四)广清大道与清远大道两侧建筑退缩距离原则上需满足本条第(一)、(二)、(三)项退让城市主干道的要求,已批规划或因道路建设时置换土地的地块仍按原规定的以道路控制线控制,无需增加退缩。
(五)新建影剧院、游乐场、体育馆、展览馆、大型商场(建筑面积大于3000平方米的集中式商场)等有大量人流车流集散的多、低层建筑(含高层建筑裙房),其临城市道路的主要出入口后退城市道路红线不小于20 米后,同时增设集散广场,并留出临时停车或回车场地,其增加的退让距离,按规模大小个案确定。
第二十条建筑退让城市高架路、立交、高速公路(一)沿城市高架道路两侧新建、改建、扩建的居住建筑,其沿高架道路主线边缘线后退距离不得小于35米;其沿高架道路匝道边缘线后退距离不得小于25米。
(二)建筑物相邻城市立交,建筑退让立交匝道边缘线的距离应不少于30米。
交叉口设有立交控制线的,建筑退让立交控制线:多层、低层建筑不少于6米,中高层建筑不少于9米,高层建筑主体不少于13米,并应符合消防、抗震、安全等相关要求。
(三)距高速公路50米范围内,除停车场、加油站等服务设施外,不得布置任何建筑物。
第二十一条建筑退让轨道交通控制线、铁路交通控制线城市轨道交通主要包括轻轨与地铁,根据轨道所处位置,有地下轨道、地面轨道和高架轨道三种形式。
建筑后退道路红线,规范篇一:建筑后退红线标准规定建筑物应距离城市道路或用地红线的程度多层一般不小于退让5m,高层退让不小于10M从建设部门获悉,今后,沿道路两侧新建、扩建、改建的建筑物应当按照规定后退道路红线。
其中,沿城市主、次干路的各类建筑,后退距离应当不小于15米。
按照要求,今后,沿城市快速路的各类建筑,后退距离应当不小于20米;沿城市主、次干路的各类建筑,后退距离应当不小于15米;沿城市支路的各类建筑,后退距离应当不小于10米;沿建制镇主要道路的各类建筑,后退距离应当不小于8米;沿建制镇一般道路的各类建筑,后退距离应当不小于5米;在道路交叉口的建筑,其后退距离还应当满足道路交通安全视距要求。
此外,因城市规划调整导致道路红线变更,使道路红线两侧规划建筑物退让距离难以满足有关要求的,城市规划行政主管部门可适当调整退让距离。
高层建筑计算高度大于60米时,主楼退让道路红线:临支道后退不小于3米;临次干道后退不小于5米;临主干道后退不小于7米新建影剧院、游乐场、体育馆、展览馆、大型商场、星级旅馆等有大量人流、车流集散的建筑,其面临城市道路的主要入口,后退道路规划红线的距离,由城市规划行政主管部门按城市规划要求确定,但不得小于8米。
第四章建筑物退让第二十一条沿建筑用地边界和沿城市道路、公路、河(渠)道、铁路两侧以及电力线路、文物、绿地保护区范围内的建筑物,其退让距离除符合消防、防汛、交通、安全要求外,并同时符合本章规定。
第二十二条沿建筑用地边界建筑物,其离界距离按以下规定控制,但离界距离小于消防要求时,应按消防要求控制。
(一)相邻建筑双方各自从用地界线起计算离界距离,离界距离不小于下列表1所列值。
表1:建筑朝向层数及离界距离建筑类别文、教、卫建筑居住建筑与其他非居住建筑山墙退界建筑物规最小距离(米)建筑物规定间距倍数最小距离(米)山墙宽度≤13(18)南北朝向一--八层0.60 9 0.55 8 4 八层以上0.60 180.55 15 9东西朝向一--八层0.60 4 0.55 4 4 八层以上0.60 10 0.55 9 9(二)界外为住宅建筑,除须满足表1离界距离规定外,须同时满足第三章的有关规定要求.、、(三)界外为公共绿地的,各类建筑的最小离界距离为5米。
For personal use only in study and research; not for commercial use(一)建筑退让道路红线的最小距离应符合表14 的规定。
表14 建筑退离城市道路红线距离(二)城市道路交叉口四周的建筑红线退让道路规划红线距离,原则上按表14 规定较宽道路数据控制(以交叉口道路规划红线圆曲线切点连线为基准线起算)。
已批规划或特殊地块则尊重历史,按原规定控制。
(三)城市主、次干道上附带商业用途裙楼的高层建筑退让城市道路红线在满足表14 规定的同时,还应符合以下规定:裙房按表14所列值加5米计;高层主体部分退缩起点为10米,高度每增加一层(高层建筑指10层及10层以上的居住建筑,或其它民用建筑高度≥24米的民用建筑),增加退缩0.3米。
(四)广清大道与清远大道两侧建筑退缩距离原则上需满足本条第(一)、(二)、(三)项退让城市主干道的要求,已批规划或因道路建设时置换土地的地块仍按原规定的以道路控制线控制,无需增加退缩。
(五)新建影剧院、游乐场、体育馆、展览馆、大型商场(建筑面积大于3000平方米的集中式商场)等有大量人流车流集散的多、低层建筑(含高层建筑裙房),其临城市道路的主要出入口后退城市道路红线不小于20 米后,同时增设集散广场,并留出临时停车或回车场地,其增加的退让距离,按规模大小个案确定。
第二十条建筑退让城市高架路、立交、高速公路(一)沿城市高架道路两侧新建、改建、扩建的居住建筑,其沿高架道路主线边缘线后退距离不得小于35米;其沿高架道路匝道边缘线后退距离不得小于25米。
(二)建筑物相邻城市立交,建筑退让立交匝道边缘线的距离应不少于30米。
交叉口设有立交控制线的,建筑退让立交控制线:多层、低层建筑不少于6米,中高层建筑不少于9米,高层建筑主体不少于13米,并应符合消防、抗震、安全等相关要求。
(三)距高速公路50米范围内,除停车场、加油站等服务设施外,不得布置任何建筑物。
建筑退让道路红线距离规定2010年7月市政府批复执行的《清远市城市规划管理技术规定》第十九条至二十五条对清远市建筑退让道路红线等距离有明确规定,但在规划建设过程中,发现现行的城市街景建设不理想。
为了改善我市城市风貌,更好地引导城市街景建设,为市民营造舒适、丰富的开敞空间,市规划局对上述规定提出修改建议,并于2012年3月22日经市规委会审议通过(清规委〔2012〕3号文)。
《清远市城市规划管理技术规定》的其它内容规划局正在组织修订,对于影响较大的“建筑退让道路红线等距离”先进行修改,修改后的内容如下:…………第十九条建筑退让道路红线(一)建筑退让道路红线的最小距离应符合表14 的规定。
表14 建筑退离城市道路红线距离(二)城市道路交叉口四周的建筑红线退让道路规划红线距离,原则上按表14 规定较宽道路数据控制(以交叉口道路规划红线圆曲线切点连线为基准线起算)。
已批规划或特殊地块则尊重历史,按原规定控制。
(三)城市主、次干道上附带商业用途裙楼的高层建筑退让城市道路红线在满足表14 规定的同时,还应符合以下规定:裙房按表14所列值加5米计;高层主体部分退缩起点为10米,高度每增加一层(高层建筑指10层及10层以上的居住建筑,或其它民用建筑高度≥24米的民用建筑),增加退缩0.3米。
(四)广清大道与清远大道两侧建筑退缩距离原则上需满足本条第(一)、(二)、(三)项退让城市主干道的要求,已批规划或因道路建设时置换土地的地块仍按原规定的以道路控制线控制,无需增加退缩。
(五)新建影剧院、游乐场、体育馆、展览馆、大型商场(建筑面积大于3000平方米的集中式商场)等有大量人流车流集散的多、低层建筑(含高层建筑裙房),其临城市道路的主要出入口后退城市道路红线不小于20 米后,同时增设集散广场,并留出临时停车或回车场地,其增加的退让距离,按规模大小个案确定。
第二十条建筑退让城市高架路、立交、高速公路(一)沿城市高架道路两侧新建、改建、扩建的居住建筑,其沿高架道路主线边缘线后退距离不得小于35米;其沿高架道路匝道边缘线后退距离不得小于25米。
建筑后退道路红线标准
建筑应退让用地边界线,南北向后退距离为建筑高度的0.45倍;东西向为0.4倍;住宅退让用地边界线视地块情况而定。
建筑退线范围内应以硬地、绿化为主,建筑后退红线形成的建筑线不应是一条直线,具体的位置详见地块控制图则标示。
绿地系统由中心绿地、生态廊道、沿街绿地、防护绿地、单位附属绿地等构成。
绿地指标规定
1. 高唐新建区公共绿地所占总用地比例不得小于11%,居住小区内公共绿地不得小于1㎡/人。
2. 本区内各地块绿地主要指标按表8-1有关规定制定,不得低于地块控制指标中有关规定值。
绿地率指标控制表。
“领仕网”最专业的地产链招聘平台: 1
建筑红线后退距离的相关规定和处理方式
建筑红线后退距离是城市规划建设中,在城市街道规划建设规划时,城市道路两侧的沿街建筑物与临街面是有一定的界限的,而这个界限就是建筑红线后退距离,也称“建筑控制线”。
建筑红线后退距离有着具体的规定,和具体的处理方式。
建筑红线后退距离的相关规定
对于建筑红线后退距离的规定,不同地区根据自身城市规划建设的情况,规定也是不同的。
例如:重庆市城市规划管理技术规定
临街建筑应按以下标准在道路红线的基础上退让:
临支道后退不小于1.5米;临次干道后退不小于3米;临主干道后退不小于5米。
(一)建筑退让道路红线的最小距离应符合表14 的规定。
表14 建筑退离城市道路红线距离(二)城市道路交叉口四周的建筑红线退让道路规划红线距离,原则上按表14 规定较宽道路数据控制(以交叉口道路规划红线圆曲线切点连线为基准线起算)。
已批规划或特殊地块则尊重历史,按原规定控制。
(三)城市主、次干道上附带商业用途裙楼的高层建筑退让城市道路红线在满足表14 规定的同时,还应符合以下规定:裙房按表14所列值加5米计;高层主体部分退缩起点为10米,高度每增加一层(高层建筑指10层及10层以上的居住建筑,或其它民用建筑高度≥24米的民用建筑),增加退缩0.3米。
(四)广清大道与大道两侧建筑退缩距离原则上需满足本条第(一)、(二)、(三)项退让城市主干道的要求,已批规划或因道路建设时置换土地的地块仍按原规定的以道路控制线控制,无需增加退缩。
(五)新建影剧院、游乐场、体育馆、展览馆、大型商场(建筑面积大于3000平方米的集中式商场)等有大量人流车流集散的多、低层建筑(含高层建筑裙房),其临城市道路的主要出入口后退城市道路红线不小于20 米后,同时增设集散广场,并留出临时停车或回车场地,其增加的退让距离,按规模大小个案确定。
第二十条建筑退让城市高架路、立交、高速公路(一)沿城市高架道路两侧新建、改建、扩建的居住建筑,其沿高架道路主线边缘线后退距离不得小于35米;其沿高架道路匝道边缘线后退距离不得小于25米。
(二)建筑物相邻城市立交,建筑退让立交匝道边缘线的距离应不少于30米。
交叉口设有立交控制线的,建筑退让立交控制线:多层、低层建筑不少于6米,中高层建筑不少于9米,高层建筑主体不少于13米,并应符合消防、抗震、安全等相关要求。
(三)距高速公路50米围,除停车场、加油站等服务设施外,不得布置任何建筑物。
第二十一条建筑退让轨道交通控制线、铁路交通控制线城市轨道交通主要包括轻轨与地铁,根据轨道所处位置,有地下轨道、地面轨道和高架轨道三种形式。
(一)建筑退让道路红线的最小距离应符合表14 的规定。
--(二)表14 建筑退离城市道路红线距离(二)城市道路交叉口四周的建筑红线退让道路规划红线距离,原则上按表14 规定较宽道路数据控制(以交叉口道路规划红线圆曲线切点连线为基准线起算)。
已批规划或特殊地块则尊重历史,按原规定控制。
(三)城市主、次干道上附带商业用途裙楼的高层建筑退让城市道路红线在满足表14 规定的同时,还应符合以下规定:裙房按表14所列值加5米计;高层主体部分退缩起点为10米,高度每增加一层(高层建筑指10层及10层以上的居住建筑,或其它民用建筑高度≥24米的民用建筑),增加退缩0.3米。
(四)广清大道与清远大道两侧建筑退缩距离原则上需满足本条第(一)、(二)、(三)项退让城市主干道的要求,已批规划或因道路建设时置换土地的地块仍按原规定的以道路控制线控制,无需增加退缩。
(五)新建影剧院、游乐场、体育馆、展览馆、大型商场(建筑面积大于3000平方米的集中式商场)等有大量人流车流集散的多、低层建筑(含高层建筑裙房),其临城市道路的主要出入口后退城市道路红线不小于20 米后,同时增设集散广场,并留出临时停车或回车场地,其增加的退让距离,按规模大小个案确定。
第二十条建筑退让城市高架路、立交、高速公路(一)沿城市高架道路两侧新建、改建、扩建的居住建筑,其沿高架道路主线边缘线后退距离不得小于35米;其沿高架道路匝道边缘线后退距离不得小于25米。
(二)建筑物相邻城市立交,建筑退让立交匝道边缘线的距离应不少于30米。
交叉口设有立交控制线的,建筑退让立交控制线:多层、低层建筑不少于6米,中高层建筑不少于9米,高层建筑主体不少于13米,并应符合消防、抗震、安全等相关要求。
(三)距高速公路50米范围内,除停车场、加油站等服务设施外,不得布置任何建筑物。
第二十一条建筑退让轨道交通控制线、铁路交通控制线城市轨道交通主要包括轻轨与地铁,根据轨道所处位置,有地下轨道、地面轨道和高架轨道三种形式。
(一)建筑退让道路红线的最小距离应符合表14的规定表14建筑退离城市道路红线距离(二)城市道路交叉口四周的建筑红线退让道路规划红线距离,原则上按表14规定较宽道路数据控制(以交叉口道路规划红线圆曲线切点连线为基准线起算)。
已批规划或特殊地块则尊重历史,按原规定控制。
(三)城市主、次干道上附带商业用途裙楼的高层建筑退让城市道路红线在满足表14规定的同时,还应符合以下规定:裙房按表14所列值加5米计;高层主体部分退缩起点为10米,高度每增加一层(高层建筑指10层及10层以上的居住建筑,或其它民用建筑高度》24米的民用建筑),增加退缩0.3米。
(四)广清大道与清远大道两侧建筑退缩距离原则上需满足本条第(一)、(二)、(三)项退让城市主干道的要求,已批规划或因道路建设时置换土地的地块仍按原规定的以道路控制线控制,无需增加退缩。
(五)新建影剧院、游乐场、体育馆、展览馆、大型商场(建筑面积大于3000平方米的集中式商场)等有大量人流车流集散的多、低层建筑(含高层建筑裙房),其临城市道路的主要出入口后退城市道路红线不小于20米后,同时增设集散广场,并留出临时停车或回车场地,其增加的退让距离,按规模大小个案确定。
第二十条建筑退让城市高架路、立交、高速公路(一)沿城市高架道路两侧新建、改建、扩建的居住建筑,其沿高架道路主线边缘线后退距离不得小于35米;其沿高架道路匝道边缘线后退距离不得小于25米。
(二)建筑物相邻城市立交,建筑退让立交匝道边缘线的距离应不少于30米。
交叉口设有立交控制线的,建筑退让立交控制线:多层、低层建筑不少于6米,中高层建筑不少于9米,高层建筑主体不少于13米,并应符合消防、抗震、安全等相关要求。
(三)距高速公路50米范围内,除停车场、加油站等服务设施外,不得布置任何建筑物第二十一条建筑退让轨道交通控制线、铁路交通控制线城市轨道交通主要包括轻轨与地铁,根据轨道所处位置,有地下轨道、地面轨道和高架轨道三种形式。
(一)建筑退让道路红线的最小距离应符合表14的规定表14建筑退离城市道路红线距离(二)城市道路交叉口四周的建筑红线退让道路规划红线距离,原则上按表14规定较宽道路数据控制(以交叉口道路规划红线圆曲线切点连线为基准线起算)。
已批规划或特殊地块则尊重历史,按原规定控制。
(三)城市主、次干道上附带商业用途裙楼的高层建筑退让城市道路红线在满足表14规定的同时,还应符合以下规定:裙房按表14所列值加5米计;高层主体部分退缩起点为10米,高度每增加一层(高层建筑指10层及10层以上的居住建筑,或其它民用建筑高度 > 24米的民用建筑),增加退缩0.3米。
(四)广清大道与清远大道两侧建筑退缩距离原则上需满足本条第(一)、(二)、(三)项退让城市主干道的要求,已批规划或因道路建设时置换土地的地块仍按原规定的以道路控制线控制,无需增加退缩。
(五)新建影剧院、游乐场、体育馆、展览馆、大型商场(建筑面积大于3000 平方米的集中式商场)等有大量人流车流集散的多、低层建筑(含高层建筑裙房),其临城市道路的主要出入口后退城市道路红线不小于20 米后,同时增设集散广场,并留出临时停车或回车场地,其增加的退让距离,按规模大小个案确定。
第二十条建筑退让城市高架路、立交、高速公路(一)沿城市高架道路两侧新建、改建、扩建的居住建筑,其沿高架道路主线边缘线后退距离不得小于35 米;其沿高架道路匝道边缘线后退距离不得小于25 米。
(二)建筑物相邻城市立交,建筑退让立交匝道边缘线的距离应不少于30 米。
交叉口设有立交控制线的,建筑退让立交控制线:多层、低层建筑不少于6米,中高层建筑不少于9 米,高层建筑主体不少于13 米,并应符合消防、抗震、安全等相关要求。
(三)距高速公路50米范围内,除停车场、加油站等服务设施外,不得布置任何建筑物。
第二十一条建筑退让轨道交通控制线、铁路交通控制线城市轨道交通主要包括轻轨与地铁,根据轨道所处位置,有地下轨道、地面轨道和高架轨道三种形式。
建筑后退道路红线,规范篇一:建筑后退红线标准规定建筑物应距离城市道路或用地红线的程度多层一般不小于退让5m,高层退让不小于10M从建设部门获悉,今后,沿道路两侧新建、扩建、改建的建筑物应当按照规定后退道路红线。
其中,沿城市主、次干路的各类建筑,后退距离应当不小于15米。
按照要求,今后,沿城市快速路的各类建筑,后退距离应当不小于20米;沿城市主、次干路的各类建筑,后退距离应当不小于15米;沿城市支路的各类建筑,后退距离应当不小于10米;沿建制镇主要道路的各类建筑,后退距离应当不小于8米;沿建制镇一般道路的各类建筑,后退距离应当不小于5米;在道路交叉口的建筑,其后退距离还应当满足道路交通安全视距要求。
此外,因城市规划调整导致道路红线变更,使道路红线两侧规划建筑物退让距离难以满足有关要求的,城市规划行政主管部门可适当调整退让距离。
高层建筑计算高度大于60米时,主楼退让道路红线:临支道后退不小于3米;临次干道后退不小于5米;临主干道后退不小于7米新建影剧院、游乐场、体育馆、展览馆、大型商场、星级旅馆等有大量人流、车流集散的建筑,其面临城市道路的主要入口,后退道路规划红线的距离,由城市规划行政主管部门按城市规划要求确定,但不得小于8米。
第四章建筑物退让第二十一条沿建筑用地边界和沿城市道路、公路、河(渠)道、铁路两侧以及电力线路、文物、绿地保护区范围内的建筑物,其退让距离除符合消防、防汛、交通、安全要求外,并同时符合本章规定。
第二十二条沿建筑用地边界建筑物,其离界距离按以下规定控制,但离界距离小于消防要求时,应按消防要求控制。
(一)相邻建筑双方各自从用地界线起计算离界距离,离界距离不小于下列表1所列值。
表1:建筑朝向层数及离界距离建筑类别文、教、卫建筑居住建筑与其他非居住建筑山墙退界建筑物规最小距离(米)建筑物规定间距倍数最小距离(米)山墙宽度≤13(18)南北朝向一--八层0.60 9 0.55 8 4 八层以上0.60 180.55 15 9东西朝向一--八层0.60 4 0.55 4 4 八层以上0.60 10 0.55 9 9(二)界外为住宅建筑,除须满足表1离界距离规定外,须同时满足第三章的有关规定要求.、、(三)界外为公共绿地的,各类建筑的最小离界距离为5米。
(一)建筑退让道路红线的最小距离应符合表14 的规定。
表14 建筑退离城市道路红线距离(二)城市道路交叉口四周的建筑红线退让道路规划红线距离,原则上按表14 规定较宽道路数据控制(以交叉口道路规划红线圆曲线切点连线为基准线起算)。
已批规划或特殊地块则尊重历史,按原规定控制。
(三)城市主、次干道上附带商业用途裙楼的高层建筑退让城市道路红线在满足表14 规定的同时,还应符合以下规定:裙房按表14所列值加5米计;高层主体部分退缩起点为10米,高度每增加一层(高层建筑指10层及10层以上的居住建筑,或其它民用建筑高度≥24米的民用建筑),增加退缩0.3米。
(四)广清大道与清远大道两侧建筑退缩距离原则上需满足本条第(一)、(二)、(三)项退让城市主干道的要求,已批规划或因道路建设时置换土地的地块仍按原规定的以道路控制线控制,无需增加退缩。
(五)新建影剧院、游乐场、体育馆、展览馆、大型商场(建筑面积大于3000平方米的集中式商场)等有大量人流车流集散的多、低层建筑(含高层建筑裙房),其临城市道路的主要出入口后退城市道路红线不小于20 米后,同时增设集散广场,并留出临时停车或回车场地,其增加的退让距离,按规模大小个案确定。
第二十条建筑退让城市高架路、立交、高速公路(一)沿城市高架道路两侧新建、改建、扩建的居住建筑,其沿高架道路主线边缘线后退距离不得小于35米;其沿高架道路匝道边缘线后退距离不得小于25米。
(二)建筑物相邻城市立交,建筑退让立交匝道边缘线的距离应不少于30米。
交叉口设有立交控制线的,建筑退让立交控制线:多层、低层建筑不少于6米,中高层建筑不少于9米,高层建筑主体不少于13米,并应符合消防、抗震、安全等相关要求。
(三)距高速公路50米范围内,除停车场、加油站等服务设施外,不得布置任何建筑物。
第二十一条建筑退让轨道交通控制线、铁路交通控制线城市轨道交通主要包括轻轨与地铁,根据轨道所处位置,有地下轨道、地面轨道和高架轨道三种形式。
沿轨道、铁路两侧新建、改建的建筑工程,应符合以下规定:(一)除地面轨道、铁路管理维护所必需的少量建(构)筑物外,在地面轨道、铁路的干线两侧的其他建(构)筑物,与最外侧钢轨的距离不小于30米(高速铁路、高架轨道交通两侧不小于35米),与支线、专用线最外侧钢轨距离不小于20米。
地面轨道、铁路两侧修建围墙,其高度不得大于3米。
(二)地面轨道、铁路两侧的高层建筑、高大构筑物(如水塔、烟囱等)、可能危及运输安全的其他建(构)筑物、危险品仓库和厂房须符合国家相关规范要求。
(三)在地下轨道周边新建、改建建筑物时,要充分考虑轨道交通运行和建筑工程的安全,根据轨道交通的相关规范,充分退后轨道交通控制线。
(四)在铁路道口、桥梁附近进行建设的,须符合铁路管理的有关规定。
第二十二条建筑退让河涌、河道当建筑临河布置时,建筑红线退让河涌的距离应满足水利部门的规定,且其退让河道规划蓝线最小距离不得小于15米;沿排洪渠两侧(有规划道路的除外)改建、新建建筑物,其后退排洪渠规划蓝线的距离除有关规划另有规定外,不得小于10米。
第二十三条围墙的设置要求(一)所有围墙在设置时,必须后退城市道路红线不小于5米,后退小区道路红线不小于3 米,并且不妨碍城市交通,满足规范要求。
(二)体育场馆、影剧院、宾馆、饭店、图书馆、展览馆等对社会公众开放的公共建筑,临城市道路或广场一面不宜修建围墙。
居住区围墙高度不得大于1.8 米,并应透空设置,布置绿化,或以绿篱来代替围墙。
学校、医院等设置的围墙,高度不得大于1.8米;油库、水厂等对围墙设置有特殊要求的,围墙高度原则上不得大于2.2米,并应当对围墙进行绿化、美化。
第二十四条在表14规定的后退道路红线距离范围内,不得设置零星建筑物,也不允许设置建筑物突出物(包括台阶、平台、窗井等),雨篷、招牌、灯饰等经城乡规划行政主管部门批准可外挑,但其离室外地面的净空高度不得小于3米。
建筑按表14规定退缩道路红线的基本退缩范围的用地,应作为公共开敞空间,纳入城市统一规划建设和管理。
第二十五条建筑高度(一)建筑高度除必须满足消防、安全和通风、日照等要求外,还应根据建筑物所在地区的实际情况来控制建筑高度。
(二)沿城市道路两侧新建、改建建筑物的控制高度(H)不得超过道路红线宽度(W)加建筑后退道路红线距离(S)之和的1.5 倍,即:H<1.5(W+S)。
经批准的详细规划或城市设计有特殊规定的,从其规定。
(三)建筑物临接两条以上道路的,可按较宽的道路计算其控制高度。
建筑物直接临接或跨路临接广场、河道、电力线保护区的,在计算控制高度时,可将广场、河道、电力线保护区的二分之一宽度计入道路红线宽度。
(四)在有净空高度限制的气象台、电台和其它无线电通讯(含微波通讯)设施周围,新建、改建建筑物高度应符合有关净空高度限制的规定。
鞍山市工业园区规划管理技术指导意见(暂行)关于印发《鞍山市工业园区规划管理技术指导意见(暂行)》的通知根据鞍山市规划委员会2006年第14次会议要求,由鞍山市规划局、鞍山市城乡规划设计院会同有关部门共同制定了《鞍山市工业园区规划管理技术指导意见(暂行)》,已经由鞍山市规划委员会2006年第17次会议讨论通过,并批准执行,本指导意见自发布之日起执行。
本指导意见由鞍山市规划局负责管理,其具体解释等工作由鞍山市城乡规划设计院负责。
鞍山市工业园区规划管理技术指导意见(暂行)一、关于园区内围栏、建筑物、构筑物退让道路红线的规定沿街建筑物、构筑物应后退道路红线进行布置1、园区道路两侧厂区围栏可与道路红线重合布置,围栏内建、构筑物与围栏之间距离应符合交通或消防等相关规范要求,但不得小于5米。
2、高速公路东侧、千山西路北侧厂区围栏后退绿化带边界线距离为3米,围栏内建、构筑物与围栏之间距离应符合交通或消防等相关规范要求。
二、关于沿路建筑景观及环境控制的规划1、沿工业园区道路两侧布置的围栏、建筑物的构图型式及立面造型设计应遵循新颖、美观,空间景观相互协调的原则,具体设计方案报送规划委员会审查批准。
2、千山西路沿线不得设置厂区出入口。
3、园区内道路两侧不得设置实体围墙。
4、园区总体规划应符合相关绿化指标要求,厂区内部规划绿地率不作具体规定。
三、关于建筑容量控制的规定1、工业园区工业项目容积率与建筑密度控制指标原则上应符合《工业项目建设用地控制指标》(试行)中的相关规定,上限指标以《鞍山市城市规划管理指导意见》为准。
具体工业项目,按表一给定的容积率控制指标控制。
容积率控制指标表一石油化工业≥0.65冶金工业≥0.6机械制造加工业≥0.7新型建材业≥0.6电子设备制造业≥0.82、园区内工业项目的建筑系数不宜低于45%。
3、园区内工业项目所需行政办公及生产服务设施用地面积不得超过工业项目总用地面积的8%。
严禁在厂区内建设用于居住和培训等非生产配套设施。
四、关于建筑高度控制的规定1、园区内单层厂房的高度(室内地坪至檐口)不得低于8米。
多层厂房的层高不得低于4.5米。
2、园区内围栏高度不得超过2.2米。
附录:名词解释1、容积率:项目用地范围内总建筑面积与项目总用地面积的比值(当建筑物层高超过8米,在计算容积率时该层建筑面积加倍计算)。
2、建筑密度:项目基地范围内,所有建筑物底层占地面积与基地面积的比率(%)。
3、建筑系数:项目用地范围内各种建构筑物(包括堆场)占地面积总和占总用地面积的比例。
4、道路红线:规划的工业园区道路路幅的边界线,包括机动车道、慢车道、绿化隔离带、人行道。
5、工业园区:具体为鞍山市高新技术产业园区(东区、西区、南区)、达道湾工业区园区、灵山工业园区以及农业高新技术开发园区等。
《传染病学》课程大纲第一章总论一、教学目的与要求1. 了解传染病的现状和发展趋势2. 掌握传染病的概念、感染的概念及感染过程的五种表现3. 熟悉传染病流行过程的基本条件4. 掌握传染病的基本特征,熟悉其临床特点5. 掌握国家法定传染病的病种及其报告时限和管理方法第二章病毒性传染病一病毒性肝炎一、教学目的与要求1. 熟悉肝炎病毒的种类及其抗原抗体系统2. 熟悉甲、乙、丙、丁和戊型肝炎的传染源、传播途径和人群易感性3. 掌握病毒性肝炎的临床分型和急性黄疸型肝炎的临床症状、体征4. 掌握急性黄疸型肝炎的诊断(流行病学资料、临床表现、肝功能检查和病原学检查)5. 熟悉型病毒性肝炎的治疗原则6. 熟悉甲、乙、丙和戊型肝炎的预防措施二、计划学时数:4学时三、教学内容1. 概述1) 病毒性肝炎的定义:由多种嗜肝(肝炎)病毒引起的,以肝脏炎症和坏死病变为主的一组传染病2) 各型肝炎病毒的发现、感染状况和临床转归2. 病原学1) 甲型肝炎病毒(HA V)属嗜肝RNA病毒科,只有一个血清型和1个抗原抗体系统2) 乙型肝炎病毒(HBV)属嗜肝DNA病毒科,完整HBV颗粒又称Dane颗粒,包膜由HBsAg组成,核心由HBcAg和HBV-DNA等组成。
HBV抗原抗体系统包括:乙肝表面抗原(HBsAg)与表面抗体(抗-HBs)、乙肝核心抗原(HBcAg)与核心抗体(抗-HBc)、乙肝E抗原(HBeAg)与E抗体(抗-HBe)。
HBV分子生物学标志:HBV-DNA和HBV-DNA聚合酶(HBV-DNAP)3) 丙型肝炎病毒(HCV)系RNA病毒,属黄热病毒科。
中国大陆以1b(Ⅱ)型为主。
HCV 是多变异病毒4) 丁型肝炎病毒(HDV)是一种缺陷病毒,必需有HBsAg存在才能构成完整病毒。
包膜由HBsAg 构成,核心由HDV抗原(HDAg)和基因组(一条单股环状闭合RNA)组成。
有一个抗原抗体系统5) 戊型肝炎病毒(HEV)系单股正链RNA病毒,属杯状病毒科3. 流行病学1) 传染源病人、亚临床感染者和病原携带者2) 传播途径甲、戊型肝炎主要经粪—口消化道途径。
乙、丙和丁型肝炎主要经①输血(制品)、注射(预防、药物、毒品)和针刺(纹身等)、②生活密切接触(以性接触为主)、③母婴传播。