阻燃电缆等级分类
- 格式:doc
- 大小:43.00 KB
- 文档页数:5
一、适用原则本设计指引适用于新建、改建和扩建的民用建筑中1KV及以下供配电线路、控制线路的电线电缆设计。
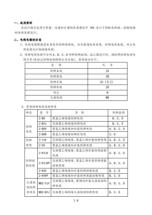
二、电线电缆的分类1、电线电缆根据其本身具有的燃烧特性,分为普通电线电缆、阻燃电线电缆、耐火电线电缆及矿物绝缘电缆。
2、阻燃电线电缆可分为A、B、C、D四种阻燃级别。
施工图设计时,须标明阻燃电线电缆代号(未标注阻燃级别的默认为C级),具体标示如下:3、常用阻燃电线电缆种类4、常用阻燃耐火电线电缆种类三、电线电缆使用场所分级电线电缆使用场所根据建筑高度和层数可分为单、多层民用建筑和高层民用建筑。
高层民用建筑根据其建筑高度、使用功能和楼层的建筑面积可分为一类和二类,并宜符合表3.1规定。
表3.1 民用建筑的分类注:1、表中未列入的建筑,其类别应根据本表类比确定。
2、宿舍、公寓等非住宅类居住建筑的防火要求,应符合本规范有关公共建筑的规定。
3、裙房的防火要求应符合本规范有关高层民用建筑的规定。
四、电线电缆及其阻燃级别的选用1、一般规定)电缆。
(1)直埋敷设和穿管暗敷的电缆可采用普通YJV(有防护需要的采用YJV22 (2)用于普通设备线路的电线在穿管敷设时,可采用BV普通电线。
(3)当电线电缆成束敷设时,应采用阻燃电线电缆ZBV、ZYJV。
(4)在外部火势作用下,需保持线路完整性、维持通电的场所,其线路应采用耐火电线电缆NBV、NYJV。
(5)电线电缆选用时,应按使用场所和敷设条件选择阻燃级别,但同一建筑物内选用的阻燃和阻燃耐火电线电缆,其阻燃级别宜相同。
2、普通设备线路的选用(1)电缆的阻燃级别应根据同一电缆通道内电缆的非金属含量确定(具体计算可参照《民用建筑电线电缆防火设计规程》 DGJ08-93-2002中附录C),并应不低于下表4.2.1的规定。
表4.2.1电缆的阻燃级别选择(2)阻燃电缆敷设在有防火封堵的通道时,阻燃级别可按表4.2.2选择。
表4.2.2电缆的阻燃级别选择(3)当采用阻燃电线时,其阻燃级别应不低于表4.2.3的规定。
阻燃电缆标准及阻燃电缆等级目前,电缆行业习惯将阻燃( Fire Retardant)、无卤低烟(Low Smoke Halogen Free ,LSOH)或低卤低烟(Low Smoke Fume ,LSF)、耐火(Fire Resistant)等具有一定防火性能的电缆统称为防火电缆。
◎阻燃电缆(Flame Retardant)阻燃电缆的特点是延缓火焰沿着电缆蔓延使火灾不致扩大。
由于其成本较低,因此是防火电缆中大量采用的电缆品种。
无论是单根线缆还是成束敷设的条件下,电缆被燃烧时能将火焰的蔓延控制在一定范围内,因此可以避免因电缆着火延燃而造成的重大灾害,从而提高电缆线路的防火水平。
◎无卤低烟阻燃电缆(LSOH)无卤低烟电缆的特点是不仅具有优良的阻燃性能,而且构成低烟无卤电缆的材料不含卤素,燃烧时的腐蚀性和毒性较低,产生极少量的烟雾,从而减少了对人体、仪器及设备的损害,有利于发生火灾时的及时救援。
无卤低烟阻燃电缆虽然具有优良阻燃性、耐腐蚀性及低烟浓度,但其机械和电气性能比普通电缆稍差。
◎低卤低烟阻燃电缆(LSF)低卤低烟阻燃电缆的氯化氢释放量和烟浓度指标介于阻燃电缆与无卤低烟阻燃电缆之间。
低卤(Low Halogen)电缆的材料中亦会含有卤素,但含量较低。
这种电缆的特点是不仅具备阻燃性能,而且在燃烧时释放的烟量较少,氯化氢释放量较低。
这种低卤低烟阻燃电缆一般以聚氯乙烯(PVC)为基材,再配以高效阻燃剂、HCL吸收剂及抑烟剂加工而成。
因此这种阻燃材料显著改善了普通阻燃聚氯乙烯料的燃烧性能。
◎耐火电缆(Fire Resistant)耐火电缆是在火焰燃烧情况下能保持一定时间的正常运行,可保持线路的完整性(Circuit Intergrity)。
耐火阻燃电缆燃烧时产生的酸气烟雾量少,耐火阻燃性能大大提高,特别是在燃烧时,伴随着水喷淋和机械打击震动的情况下,电缆仍可保持线路完整运行。
阻燃电缆标准及等级电缆涉及火灾安全的主要技术指标是CO2电缆的阻燃性、烟雾的密度和气体的有毒性。
光缆阻燃等级划分标准以光缆阻燃等级划分标准为标题,写一篇文章光缆阻燃等级是指光缆在火灾发生时燃烧的特性,是评价光缆耐火性能的重要指标。
根据光缆阻燃等级的不同,可分为多个等级,每个等级对应着不同的耐火性能。
一、光缆阻燃等级划分标准根据国家标准《室内光缆通信电缆》(GB/T 50093-2013)的规定,光缆阻燃等级分为A、B、C三个等级,分别代表不同的阻燃能力。
1. A级阻燃等级:在火焰燃烧作用下,光缆的火焰传播速度较慢,火焰的温度较低,燃烧时间较短,烟气产生量较少,对人体健康和设备安全的影响较小。
2. B级阻燃等级:在火焰燃烧作用下,光缆的火焰传播速度适中,火焰的温度适中,燃烧时间适中,烟气产生量适中,对人体健康和设备安全的影响较小。
3. C级阻燃等级:在火焰燃烧作用下,光缆的火焰传播速度较快,火焰的温度较高,燃烧时间较长,烟气产生量较大,对人体健康和设备安全的影响较大。
二、光缆阻燃等级的重要性光缆作为信息传输的重要设备,在各种场合都得到了广泛的应用。
然而,在一些特殊环境下,如机房、电力设备间等,火灾的危险性较高。
因此,光缆的阻燃等级成为了评判光缆安全性能的重要指标。
高阻燃等级的光缆具有较好的耐火性能,能够在火灾发生时有效地减缓火势蔓延,降低火灾对设备和人员的威胁。
而低阻燃等级的光缆则容易在火灾中燃烧,产生大量的烟雾和有毒气体,加剧火势的蔓延,对人员逃生和设备的安全造成较大威胁。
因此,选择符合要求的阻燃等级光缆对于提高设备和人员的安全性至关重要。
三、光缆阻燃等级的应用领域根据不同的场合和需求,选择合适的阻燃等级光缆非常重要。
A级阻燃等级的光缆适用于对火灾安全要求较高的场所,如机房、数据中心等。
由于A级阻燃等级的光缆燃烧速度较慢,烟气产生量较少,能够有效地减少火灾对设备和人员的威胁。
B级阻燃等级的光缆适用于对火灾安全要求适中的场所,如办公楼、商场等。
由于B级阻燃等级的光缆燃烧速度适中,能够在火灾发生时,有效地减缓火势蔓延,减少火灾造成的损失。
阻燃防火电缆标准和等级阻燃防火电缆标准和等级阻燃电缆标准及等级电缆涉及火灾安全的主要技术指标是CO2电缆的阻燃性、烟雾的密度和气体的有毒性。
美国防火标准较关注前两个问题,但是欧洲和美国对火灾安全有着完全不同的观点。
美国传统的概念认为:火灾的根源在于一氧化碳(CO)毒气的产生以及其后的燃烧过程中CO转化为CO2的热释放,因此,控制燃烧过程中的热释放量可减少火灾的危害。
欧洲传统以来深信:在燃烧中产生的卤酸(HCL)释放量、气体腐蚀性、烟雾浓度及气体毒性是决定人们能否安全脱离火灾现场的主要因素。
IEC阻燃等级为了评定线缆的阻燃性能优劣,国际电工委员会分别制定了IEC60332-1、IEC60332-2和IEC60332-3三个标准。
IEC60332-1和IEC60332-2分别用来评定单根线缆按倾斜和垂直布放时的阻燃能力(国内对应GB12666.3和GB12666.4标准)。
IEC60332-3(国内对应GB12666.5-90)用来评定成束线缆垂直燃烧时的阻燃能力,相比之下成束线缆垂直燃烧时在阻燃能力的要求上要高得多。
IEC60332-1/BS4066-1阻燃等级(单根电线或电缆垂直燃烧测试Flame Test On Single Vertical Insulated Wires/Cables)这是单根电缆的阻燃标准。
试验规定,一根60cm长的试样垂直固定在前壁开通的金属箱内,火焰长度175mm的丙烷燃烧器从距试样的上部固定端450mm的位置上火焰锥与电缆以45度角接触,如果试样燃烧损坏部分距离固定端下部不超过50mm,测试通过。
IEC60332-3/BS4066-3阻燃等级(成束电线或电缆垂直燃烧测试Flame Test On BunchedWires/Cables)这是成束电缆的阻燃标准。
试验规定,成束3.5m长的电缆试样用铁丝固定在梯形测试架上,试样数量按不同分类所要求的非金属物料决定。
试样垂直挂在燃烧炉背壁上,空气通过底板上的进气口引入燃烧炉。
阻燃电缆标准及阻燃电缆等级字体大小:大 - 中 - 小gqgmzhang发表于 09-06-07 19:17 阅读(2185) 评论(5)目前,电缆行业习惯将阻燃( Fire Retardant)、无卤低烟(Low Smoke Halogen Free ,LSOH)或低卤低烟(Low Smoke Fume ,LSF)、耐火(Fire Resistant)等具有一定防火性能的电缆统称为防火电缆。
◎ 阻燃电缆(Flame Retardant)阻燃电缆的特点是延缓火焰沿着电缆蔓延使火灾不致扩大。
由于其成本较低,因此是防火电缆中大量采用的电缆品种。
无论是单根线缆还是成束敷设的条件下,电缆被燃烧时能将火焰的蔓延控制在一定范围内,因此可以避免因电缆着火延燃而造成的重大灾害,从而提高电缆线路的防火水平。
◎ 无卤低烟阻燃电缆(LSOH)无卤低烟电缆的特点是不仅具有优良的阻燃性能,而且构成低烟无卤电缆的材料不含卤素,燃烧时的腐蚀性和毒性较低,产生极少量的烟雾,从而减少了对人体、仪器及设备的损害,有利于发生火灾时的及时救援。
无卤低烟阻燃电缆虽然具有优良阻燃性、耐腐蚀性及低烟浓度,但其机械和电气性能比普通电缆稍差。
◎ 低卤低烟阻燃电缆(LSF)低卤低烟阻燃电缆的氯化氢释放量和烟浓度指标介于阻燃电缆与无卤低烟阻燃电缆之间。
低卤( Low Halogen)电缆的材料中亦会含有卤素,但含量较低。
这种电缆的特点是不仅具备阻燃性能,而且在燃烧时释放的烟量较少,氯化氢释放量较低。
这种低卤低烟阻燃电缆一般以聚氯乙烯(PVC)为基材,再配以高效阻燃剂、HCL吸收剂及抑烟剂加工而成。
因此这种阻燃材料显著改善了普通阻燃聚氯乙烯料的燃烧性能。
◎ 耐火电缆(Fire Resistant)耐火电缆是在火焰燃烧情况下能保持一定时间的正常运行,可保持线路的完整性( Circuit Intergrity)。
耐火阻燃电缆燃烧时产生的酸气烟雾量少,耐火阻燃性能大大提高,特别是在燃烧时,伴随着水喷淋和机械打击震动的情况下,电缆仍可保持线路完整运行。
随着我国经济的快速发展,近年来由电气引起的火灾逐年增多,而其中由于电线电缆原因所引发的火灾占相当大的比例。
随着人们对电缆阻燃与火灾事故的认识加深,有关部门对电缆防火、阻燃等特性的要求也越来越高,不仅要求电缆线路具有高的可靠性,而且必须考虑它对周围环境的安全性。
GB 50217—94《电力工程电缆设计规范》中已把采用阻燃电缆、耐火电缆等作为电缆防火的重要措施,对阻燃电缆、耐火电缆、低烟低毒阻燃电缆等的选用作了明确规定。
目前,电缆行业习惯将阻燃电缆、无卤低烟或低卤低烟型阻燃电缆、耐火电缆等具有一定防火性能的电缆统称为防火电缆。
这些产品由于其制造技术、性能特性等的不同,其应用的范围也不同。
1 普通型阻燃电线电缆普通型阻燃电线电缆(简称阻燃电缆)由于制造简单、成本较低,是防火电缆中用量最大的电缆品种。
阻燃电线电缆,通常是指成束敷设时具有阻燃特性的电缆,即凡能通过成束电线电缆燃烧试验的电缆称之为阻燃电缆。
这种电缆的特点是在成束敷设的条件下,电缆被燃烧时能将火焰的蔓延控制在一定范围内,因此可以避免电线电缆着火延燃而造成的重大灾害,提高电缆整条线路的防火水平。
阻燃电缆通常适用于电缆敷设密集程度较高的发电站、核电站、地铁、隧道、重要的高层建筑等。
但随着人们认识的提高,现在许多普通建筑乃至家庭也已使用阻燃电缆。
关于阻燃电缆的阻燃特性试验标准比较多,其中IEC 332—3、IEEE 383是两个典型的成束燃烧试验标准,我国的国家标准则是等效采用IEC 332—3。
阻燃电缆分为A、B、C三种类别,它是根据试验时垂直成束布放的电缆根数(即燃烧物的体积)和燃烧时间的不同来分类的。
A类的试样根数应使每米电缆所含的非金属材料的总体积为7L,B类为3.5L,C类为1.5L;外火源燃烧时间A、B类为40min,C类为20min。
当试验结束,外火源撤除后,电缆炭化部分所达到的高度应不超过2.5m。
很显然,A类的阻燃性能最优。
如果用户在购阻燃电缆时不注明类别,通常购的都是C类阻燃电缆,其价格大约比普通电缆高5%~10%。
阻燃电缆标准及等级电缆涉及火灾安全的主要技术指标是CO2电缆的阻燃性、烟雾的密度和气体的有毒性。
美国防火标准较关注前两个问题,但是欧洲和美国对火灾安全有着完全不同的观点。
美国传统的概念认为:火灾的根源在于一氧化碳(CO)毒气的产生以及其后的燃烧过程中CO转化为CO2的热释放,因此,控制燃烧过程中的热释放量可减少火灾的危害。
欧洲传统以来深信:在燃烧中产生的卤酸(HCL)释放量、气体腐蚀性、烟雾浓度及气体毒性是决定人们能否安全脱离火灾现场的主要因素。
IEC阻燃等级为了评定线缆的阻燃性能优劣,国际电工委员会分别制定了IEC60332-1、IEC60332-2和IEC60332-3三个标准。
IEC60332-1和IEC60332-2分别用来评定单根线缆按倾斜和垂直布放时的阻燃能力(国内对应GB12666.3和GB12666.4标准)。
IEC60332-3(国内对应GB12666.5-90)用来评定成束线缆垂直燃烧时的阻燃能力,相比之下成束线缆垂直燃烧时在阻燃能力的要求上要高得多。
◎IEC60332-1/BS4066-1阻燃等级(单根电线或电缆垂直燃烧测试Flame Test On Single Vertical Insulated Wires/Cables)这是单根电缆的阻燃标准。
试验规定,一根60cm长的试样垂直固定在前壁开通的金属箱内,火焰长度175mm的丙烷燃烧器从距试样的上部固定端450mm的位置上火焰锥与电缆以45度角接触,如果试样燃烧损坏部分距离固定端下部不超过50mm,测试通过。
◎IEC60332-3/BS4066-3阻燃等级(成束电线或电缆垂直燃烧测试Flame Test On BunchedWires/Cables)这是成束电缆的阻燃标准。
试验规定,成束 3.5m长的电缆试样用铁丝固定在梯形测试架上,试样数量按不同分类所要求的非金属物料决定。
试样垂直挂在燃烧炉背壁上,空气通过底板上的进气口引入燃烧炉。
电线电缆及其阻燃级别设计电线电缆的阻燃级别是根据其在火灾情况下的燃烧性能来划分的。
电线电缆的阻燃级别设计非常重要,因为在建筑、交通、通信等领域中使用的电线电缆数量巨大,一旦发生火灾,电线电缆的燃烧会对人的生命财产安全造成极大的威胁。
因此,设计合适的阻燃级别可以有效地减少火灾事故的发生,保护人们的生命财产安全。
电线电缆的阻燃级别主要分为A、B、C三个等级,其中A级为最高阻燃级别,C级为最低阻燃级别。
不同的阻燃级别要求电线电缆在一定的火源下燃烧时间和火焰后的延燃时间有不同的限制。
A级电线电缆的阻燃性能最好,要求在明火持续燃烧下,电线电缆的火焰蔓延速度必须小于2米/分钟,在火灾火源熄灭后,电缆的延燃时间要小于20秒,并且火焰后自熄时间必须小于60秒。
B级电线电缆的阻燃性能次之,要求在明火持续燃烧下,电线电缆的火焰蔓延速度必须小于4米/分钟,在火灾火源熄灭后,电缆的延燃时间要小于60秒,并且火焰后自熄时间必须小于120秒。
C级电线电缆的阻燃性能较低,要求在明火持续燃烧下,电线电缆的火焰蔓延速度必须小于6米/分钟,在火灾火源熄灭后,电缆的延燃时间要小于120秒,并且火焰后自熄时间没有要求。
要设计合适的阻燃级别,首先要根据不同应用场景的需要确定使用的电线电缆类型和规格。
一般来说,建筑物内部用电线电缆要求阻燃性能高于建筑物外部用电线电缆,因为建筑物内部人员密集,火灾蔓延速度快,所以需要选择A级电线电缆来确保人员的安全。
而建筑物外部用电线电缆则可以选择阻燃性能稍低的B级电线电缆。
在一些特殊场合,如隧道、地铁等场所,要求电线电缆的阻燃级别达到A级,以满足高安全性、火灾延燃时间短的需求。
其次,要根据电线电缆的材料特性来选择合适的阻燃级别。
一般来说,聚氯乙烯(PVC)和聚乙烯(PE)等塑料材料的电线电缆阻燃性能相对较差,容易燃烧。
而阻燃聚烯烃(XLPE)等特殊材料的电线电缆具有良好的阻燃性能,可以选择低阻燃级别,如B级或C级。
电缆涉及火灾安全的主要技术指标是CO2电缆的阻燃性、烟雾的密度和气体的有毒性。
美国防火标准较关注前两个问题,但是欧洲和美国对火灾安全有着完全不同的观点。
美国传统的概念认为:火灾的根源在于一氧化碳(CO)毒气的产生以及其后的燃烧过程中CO转化为CO2的热释放,因此,控制燃烧过程中的热释放量可减少火灾的危害。
欧洲传统以来深信:在燃烧中产生的卤酸(HCL)释放量、气体腐蚀性、烟雾浓度及气体毒性是决定人们能否安全脱离火灾现场的主要因素。
IEC阻燃等级为了评定线缆的阻燃性能优劣,国际电工委员会分别制定了IEC60332-1、IEC60332-2和IEC60332-3三个标准。
IEC60332-1和IEC60332-2分别用来评定单根线缆按倾斜和垂直布放时的阻燃能力(国内对应GB12666.3和GB12666.4标准)。
IEC60332-3(国内对应GB12666.5-90)用来评定成束线缆垂直燃烧时的阻燃能力,相比之下成束线缆垂直燃烧时在阻燃能力的要求上要高得多。
◎IEC60332-1/BS4066-1阻燃等级(单根电线或电缆垂直燃烧测试Flame Test On Single Vertical Insulated Wires/Cables)这是单根电缆的阻燃标准。
试验规定,一根60cm长的试样垂直固定在前壁开通的金属箱内,火焰长度175mm的丙烷燃烧器从距试样的上部固定端450mm的位置上火焰锥与电缆以45度角接触,如果试样燃烧损坏部分距离固定端下部不超过50mm,测试通过。
◎IEC60332-3/BS4066-3阻燃等级(成束电线或电缆垂直燃烧测试Flame Test On BunchedWires/Cables)这是成束电缆的阻燃标准。
试验规定,成束 3.5m长的电缆试样用铁丝固定在梯形测试架上,试样数量按不同分类所要求的非金属物料决定。
试样垂直挂在燃烧炉背壁上,空气通过底板上的进气口引入燃烧炉。
丙烷平面燃烧器以750℃的火焰与试样接触,试样在强制吹风(气流排放5m3/分钟,风速0.9m/秒)的情况下,必须在垂直燃烧20分钟内燃不起来,电缆在火焰蔓延2.5米以内自行熄灭。
阻燃防火电缆标准和等级阻燃电缆标准及等级电缆涉及火灾安全的主要技术指标是CO2电缆的阻燃性、烟雾的密度和气体的有毒性。
美国防火标准较关注前两个问题,但是欧洲和美国对火灾安全有着完全不同的观点。
美国传统的概念认为:火灾的根源在于一氧化碳(CO)毒气的产生以及其后的燃烧过程中CO转化为CO2的热释放,因此,控制燃烧过程中的热释放量可减少火灾的危害。
欧洲传统以来深信:在燃烧中产生的卤酸(HCL)释放量、气体腐蚀性、烟雾浓度及气体毒性是决定人们能否安全脱离火灾现场的主要因素。
IEC阻燃等级为了评定线缆的阻燃性能优劣,国际电工委员会分别制定了IEC60332-1、IEC60 332-2和IEC60332-3三个标准。
IEC60332-1和IEC60332-2分别用来评定单根线缆按倾斜和垂直布放时的阻燃能力(国内对应GB12666.3和GB12666.4标准)。
IEC60332-3(国内对应GB12666.5-90)用来评定成束线缆垂直燃烧时的阻燃能力,相比之下成束线缆垂直燃烧时在阻燃能力的要求上要高得多。
◎IEC60332-1/BS4066-1阻燃等级(单根电线或电缆垂直燃烧测试Flame Test On Sin gle Vertical Insulated Wires/Cables)这是单根电缆的阻燃标准。
试验规定,一根60cm长的试样垂直固定在前壁开通的金属箱内,火焰长度175mm的丙烷燃烧器从距试样的上部固定端450mm的位置上火焰锥与电缆以45度角接触,如果试样燃烧损坏部分距离固定端下部不超过50mm,测试通过。
◎IEC60332-3/BS4066-3阻燃等级(成束电线或电缆垂直燃烧测试Flame Test On Bu nchedWires/Cables)这是成束电缆的阻燃标准。
试验规定,成束3.5m长的电缆试样用铁丝固定在梯形测试架上,试样数量按不同分类所要求的非金属物料决定。
试样垂直挂在燃烧炉背壁上,空气通过底板上的进气口引入燃烧炉。
阻燃防火电缆简介&阻燃电缆标准及等级目前,电缆行业习惯将阻燃(Fire Retardant)、无卤低烟(Low Smoke Haloge n Free ,LSOH)或低卤低烟(Low Smoke Fume ,LSF)、耐火(Fire Resistant)等具有一定防火性能的电缆统称为防火电缆。
◎阻燃电缆(Flame Retardant)阻燃电缆的特点是延缓火焰沿着电缆蔓延使火灾不致扩大。
由于其成本较低,因此是防火电缆中大量采用的电缆品种。
无论是单根线缆还是成束敷设的条件下,电缆被燃烧时能将火焰的蔓延控制在一定范围内,因此可以避免因电缆着火延燃而造成的重大灾害,从而提高电缆线路的防火水平。
◎无卤低烟阻燃电缆(LSOH)无卤低烟电缆的特点是不仅具有优良的阻燃性能,而且构成低烟无卤电缆的材料不含卤素,燃烧时的腐蚀性和毒性较低,产生极少量的烟雾,从而减少了对人体、仪器及设备的损害,有利于发生火灾时的及时救援。
无卤低烟阻燃电缆虽然具有优良阻燃性、耐腐蚀性及低烟浓度,但其机械和电气性能比普通电缆稍差。
◎低卤低烟阻燃电缆(LSF)低卤低烟阻燃电缆的氯化氢释放量和烟浓度指标介于阻燃电缆与无卤低烟阻燃电缆之间。
低卤(Low Halogen)电缆的材料中亦会含有卤素,但含量较低。
这种电缆的特点是不仅具备阻燃性能,而且在燃烧时释放的烟量较少,氯化氢释放量较低。
这种低卤低烟阻燃电缆一般以聚氯乙烯(PVC)为基材,再配以高效阻燃剂、HCL吸收剂及抑烟剂加工而成。
因此这种阻燃材料显著改善了普通阻燃聚氯乙烯料的燃烧性能。
◎耐火电缆(Fire Resistant)耐火电缆是在火焰燃烧情况下能保持一定时间的正常运行,可保持线路的完整性(Ci rcuit Intergrity)。
耐火阻燃电缆燃烧时产生的酸气烟雾量少,耐火阻燃性能大大提高,特别是在燃烧时,伴随着水喷淋和机械打击震动的情况下,电缆仍可保持线路完整运行。
阻燃电缆标准及等级电缆涉及火灾安全的主要技术指标是CO2电缆的阻燃性、烟雾的密度和气体的有毒性。
电缆防火等级分类电缆防火等级分类B、C)类阻燃电力电缆可敷设在对阻燃有要求的室内、隧道及管道中。
ZB-YJVZB-YJLVZC-YJVZC-YJLVZA-YJV22ZA-YJLV22交联聚乙烯绝缘钢带铠装聚氯乙烯护套A(B、C)类阻燃电力电缆适宜对阻燃有要求时埋地敷设,不适宜管道内敷设。
ZB-YJV22ZB-YJLV22ZC-YJV22ZC-YJLV22ZA-VVZA-VLV 聚氯乙烯绝缘聚氯乙烯护套A(B、C)类阻燃电力电缆可敷设在对阻燃有要求的室内、隧道及管道中。
ZB-VVZB-VLVZC-VVZC-VLVZA-VV22ZA-VLV22聚氯乙烯绝缘钢带铠装聚氯乙烯护套A(B、C)类阻燃电力电缆适宜对阻燃有要求时埋地敷设,不适宜管道内敷设。
ZB-VV22ZB-VLV22ZC-VV22ZC-VLV22WDZA-YJYWDZA-YJLY交联聚乙烯绝缘聚烯烃护套A(B、C)类阻燃电力电缆可敷设在对阻燃且无卤低烟有要求的室内、隧道及管道中。
WDZB-YJYWDZB-YJLYWDZC-YJYWDZC-YJLYWDZA-YJY23WDZA-YJLY23交联聚乙烯绝缘钢带铠装聚烯烃护套A(B、C)类阻燃电力电缆适宜对阻燃且无卤低烟有要求时埋地敷设,不适宜管道内敷设。
WDZB-YJY23WDZB-YJLY23WDZC- YJY23WDZC-YJLY23pvc电缆名称用途VV、VLV铜(铝)芯聚氯乙烯绝缘聚氯乙烯护套电力电缆敷设在室内、隧道及管道中或户外托架敷设,不承受压力和机械外力VY、VLY铜(铝)芯聚氯乙烯绝缘聚乙烯护套电力电缆VV22、VLV22铜(铝)芯聚氯乙烯绝缘钢带铠装聚氯乙烯护套电力电缆敷设在室内、隧道、电缆沟及直埋土壤中,电缆能承受压力及其它外力VV23、VLV23铜(铝)芯聚氯乙烯绝缘钢带铠装聚乙烯护套电力电缆。
阻燃电缆标准及阻燃电缆等级字体大小:大 - 中 - 小gqgmzhang发表于 09-06-07 19:17 阅读(2185) 评论(5)目前,电缆行业习惯将阻燃( Fire Retardant)、无卤低烟(Low Smoke Halogen Free ,LSOH)或低卤低烟(Low Smoke Fume ,LSF)、耐火(Fire Resistant)等具有一定防火性能的电缆统称为防火电缆。
◎ 阻燃电缆(Flame Retardant)阻燃电缆的特点是延缓火焰沿着电缆蔓延使火灾不致扩大。
由于其成本较低,因此是防火电缆中大量采用的电缆品种。
无论是单根线缆还是成束敷设的条件下,电缆被燃烧时能将火焰的蔓延控制在一定范围内,因此可以避免因电缆着火延燃而造成的重大灾害,从而提高电缆线路的防火水平。
◎ 无卤低烟阻燃电缆(LSOH)无卤低烟电缆的特点是不仅具有优良的阻燃性能,而且构成低烟无卤电缆的材料不含卤素,燃烧时的腐蚀性和毒性较低,产生极少量的烟雾,从而减少了对人体、仪器及设备的损害,有利于发生火灾时的及时救援。
无卤低烟阻燃电缆虽然具有优良阻燃性、耐腐蚀性及低烟浓度,但其机械和电气性能比普通电缆稍差。
◎ 低卤低烟阻燃电缆(LSF)低卤低烟阻燃电缆的氯化氢释放量和烟浓度指标介于阻燃电缆与无卤低烟阻燃电缆之间。
低卤( Low Halogen)电缆的材料中亦会含有卤素,但含量较低。
这种电缆的特点是不仅具备阻燃性能,而且在燃烧时释放的烟量较少,氯化氢释放量较低。
这种低卤低烟阻燃电缆一般以聚氯乙烯(PVC)为基材,再配以高效阻燃剂、HCL吸收剂及抑烟剂加工而成。
因此这种阻燃材料显著改善了普通阻燃聚氯乙烯料的燃烧性能。
◎ 耐火电缆(Fire Resistant)耐火电缆是在火焰燃烧情况下能保持一定时间的正常运行,可保持线路的完整性( Circuit Intergrity)。
耐火阻燃电缆燃烧时产生的酸气烟雾量少,耐火阻燃性能大大提高,特别是在燃烧时,伴随着水喷淋和机械打击震动的情况下,电缆仍可保持线路完整运行。
目前,电缆行业习惯将阻燃(FireRetardant)、无卤低烟(LowSmokeHalogenFree,LSOH)或低卤低烟(LowSmokeFume,LSF)、耐火(FireResistant)等具有一定防火性能的电缆统称为防火电缆。
阻燃电缆(FlameRetardant)阻燃电缆的特点是延缓火焰沿着电缆蔓延使火灾不致扩大。
由于其成本较低,因此是防火电缆中大量采用的电缆品种。
无论是单根线缆还是成束敷设的条件下,电缆被燃烧时能将火焰的蔓延控制在一定范围内,因此可以避免因电缆着火延燃而造成的重大灾害,从而提高电缆线路的防火水平。
无卤低烟阻燃电缆(LSOH)无卤低烟电缆的特点是不仅具有优良的阻燃性能,而且构成低烟无卤电缆的材料不含卤素,燃烧时的腐蚀性和毒性较低,产生极少量的烟雾,从而减少了对人体、仪器及设备的损害,有利于发生火灾时的及时救援。
无卤低烟阻燃电缆虽然具有优良阻燃性、耐腐蚀性及低烟浓度,但其机械和电气性能比普通电缆稍差。
低卤低烟阻燃电缆(LSF)低卤低烟阻燃电缆的氯化氢释放量和烟浓度指标介于阻燃电缆与无卤低烟阻燃电缆之间。
低卤(LowHalogen)电缆的材料中亦会含有卤素,但含量较低。
这种电缆的特点是不仅具备阻燃性能,而且在燃烧时释放的烟量较少,氯化氢释放量较低。
这种低卤低烟阻燃电缆一般以聚氯乙烯(PVC)为基材,再配以高效阻燃剂、HCL吸收剂及抑烟剂加工而成。
因此这种阻燃材料显著改善了普通阻燃聚氯乙烯料的燃烧性能。
耐火电缆(FireResistant)耐火电缆是在火焰燃烧情况下能保持一定时间的正常运行,可保持线路的完整性(Circuit Intergrity)。
耐火阻燃电缆燃烧时产生的酸气烟雾量少,耐火阻燃性能大大提高,特别是在燃烧时,伴随着水喷淋和机械打击震动的情况下,电缆仍可保持线路完整运行。
阻燃电缆标准及等级电缆涉及火灾安全的主要技术指标是CO2电缆的阻燃性、烟雾的密度和气体的有毒性。
国标电线阻燃等级
国标电线阻燃等级是指电线在遇到火源时的防火能力。
根据国家标准,电线阻燃等级分为A、B、C三级,其中A级为最高级别,C级为最低级别。
A级电线的防火性能最好,能够在高温下长时间抵御火焰燃烧,阻燃性能非常稳定,适用于高风险场所,如高层建筑、地铁等。
B级电线的防火性能次于A级,能够在中温下抵御火焰燃烧,适用于中等风险场所,如宾馆、医院等。
C级电线的防火性能最低,只能在较低温度下抵御火焰燃烧,适用于低风险场所,如居民楼、学校等。
在选择电线时,应根据使用场所的风险等级选择相应的阻燃等级,以确保电线的安全可靠。
- 1 -。
电缆阻燃c级
(原创版)
目录
1.电缆阻燃等级介绍
2.C 级电缆阻燃的定义和特点
3.C 级电缆阻燃的测试方法和标准
4.C 级电缆阻燃的应用范围和优势
5.我国在电缆阻燃 C 级方面的研究和发展
正文
一、电缆阻燃等级介绍
电缆阻燃等级是指电缆在火焰作用下能保持一定时间不燃烧、不延燃的性能。
根据国际标准,电缆阻燃等级分为 A、B、C 三个等级,其中 A 级为最高级别,C 级为最低级别。
二、C 级电缆阻燃的定义和特点
C 级电缆阻燃是指在规定的火焰作用下,电缆在火焰源离开后能在一定时间内自行熄灭,并且不会产生滴落物。
C 级电缆阻燃的特点是具有一定的阻燃性能,但阻燃效果相对较低,适用于对阻燃性能要求不高的场合。
三、C 级电缆阻燃的测试方法和标准
C 级电缆阻燃的测试方法通常采用燃烧试验,例如氧指数法、水平燃烧试验等。
根据不同的国家和行业标准,C 级电缆阻燃的具体测试方法和要求会有所不同,如我国的 GB/T 18380.3-2001 标准对 C 级电缆阻燃的氧指数要求为 21%-40%。
四、C 级电缆阻燃的应用范围和优势
C 级电缆阻燃适用于一般工业和民用建筑中的低压电缆、通信电缆等。
其主要优势在于较高的性价比,能够在保证电缆基本性能的同时,提供一定的阻燃保护。
五、我国在电缆阻燃 C 级方面的研究和发展
我国在电缆阻燃 C 级方面的研究和发展一直致力于提高阻燃性能,降低成本,以满足不同场合的需求。
1阻燃防火电缆阻燃标准与耐火等级介绍目前,电缆行业习惯将阻燃(FireRetardant)、无卤低烟(LowSmokeHalogenFree,LSOH)或低卤低烟(LowSmokeFume,LSF)、耐火(FireResistant)等具有一定防火性能的电缆统称为防火电缆。
阻燃电缆(FlameRetardant)阻燃电缆的特目前,电缆行业习惯将阻燃(FireRetardant)、无卤低烟(LowSmokeHalogenFree,LSOH)或低卤低烟(LowSmokeFume,LSF)、耐火(FireResistant)等具有一定防火性能的电缆统称为防火电缆。
阻燃电缆(FlameRetardant)阻燃电缆的特点是延缓火焰沿着电缆蔓延使火灾不致扩大。
由于其成本较低,因此是防火电缆中大量采用的电缆品种。
无论是单根线缆还是成束敷设的条件下,电缆被燃烧时能将火焰的蔓延控制在一定范围内,因此可以避免因电缆着火延燃而造成的重大灾害,从而提高电缆线路的防火水平。
无卤低烟阻燃电缆(LSOH)无卤低烟电缆的特点是不仅具有优良的阻燃性能,而且构成低烟无卤电缆的材料不含卤素,燃烧时的腐蚀性和毒性较低,产生极少量的烟雾,从而减少了对人体、仪器及设备的损害,有利于发生火灾时的及时救援。
无卤低烟阻燃电缆虽然具有优良阻燃性、耐腐蚀性及低烟浓度,但其机械和电气性能比普通电缆稍差。
低卤低烟阻燃电缆(LSF)低卤低烟阻燃电缆的氯化氢释放量和烟浓度指标介于阻燃电缆与无卤低烟阻燃电缆之间。
低卤(LowHalogen)电缆的材料中亦会含有卤素,但含量较低。
这种电缆的特点是不仅具备阻燃性能,而且在燃烧时释放的烟量较少,氯化氢释放量较低。
这种低卤低烟阻燃电缆一般以聚氯乙烯(PVC)为基材,再配以高效阻燃剂、HCL吸收剂及抑烟剂加工而成。
因此这种阻燃材料显著改善了普通阻燃聚氯乙烯料的燃烧性能。
耐火电缆(FireResistant)耐火电缆是在火焰燃烧情况下能保持一定时间的正常运行,可保持线路的完整性(CircuitIntergrity)。
耐火阻燃电缆燃烧时产生的酸气烟雾量少,耐火阻燃性能大大提高,特别是在燃烧时,伴随着水喷淋和机械打击震动的情况下,电缆仍可保持线路完整运行。
阻燃电缆标准及等级电缆涉及火灾安全的主要技术指标是CO2电缆的阻燃性、烟雾的密度和气体的有毒性。
美国防火标准较关注前两个问题,但是欧洲和美国对火灾安全有着完全不同的观点。
美国传统的概念认为:火灾的根源在于一氧化碳(CO)毒气的产生以及其后的燃烧过程中CO转化为CO2的热释放,因此,控制燃烧过程中的热释放量可减少火灾的危害。
欧洲传统以来深信:在燃烧中产生的卤酸(HCL)释放量、气体腐蚀性、烟雾浓度及气体毒性是决定人们能否安全脱离火灾现场的主要因素。
为了评定线缆的阻燃性能优劣,国际电工委员会分别制定了IEC60332-1、IEC60332-2和IEC60332-3三个标准。
IEC60332-1和IEC60332-2分别用来评定单根线缆按倾斜和垂直布放时的阻燃能力(国内对应GB12666.3和GB12666.4标准)。
IEC60332-3(国内对应GB12666.5-90)用来评定成束线缆垂直燃烧时的阻燃能力,相比之下成束线缆垂直燃烧时在阻燃能力的要求上要高得多。
IEC60332-1/BS4066-1阻燃等级(单根电线或电缆垂直燃烧测试FlameTestOnSingleVerticalInsulatedWires/Cables)这是单根电缆的阻燃标准。
试验规定,一根60cm长的试样垂直固定在前壁开通的金属箱内,火焰长度175mm的丙烷燃烧器从距试样的上部固定端450mm的位置上火焰锥与电缆以45度角接触,如果试样燃烧损坏部分距离固定端下部不超过50mm,测试通过。
IEC60332-3/BS4066-3阻燃等级(成束电线或电缆垂直燃烧测试FlameTestOnBunchedWires/Cables)这是成束电缆的阻燃标准。
试验规定,成束3.5m长的电缆试样用铁丝固定在梯形测试架上,试样数量按不同分类所要求的非金属物料决定。
试样垂直挂在燃烧炉背壁上,空气通过底板上的进气口引入燃烧炉。
丙烷平面燃烧器以750℃的火焰与试样接触,试样在强制吹风(气流排放5m3/分钟,风速0.9m/秒)的情况下,必须在垂直燃烧20分钟内燃不起来,电缆在火焰蔓延2.5米以内自行熄灭。
IEC60332有A类、B类、C类和D类之分,以评定阻燃性能优劣。
UL阻燃标准UL列明的任何电缆经过测试验证若符合某种防火等级,可在电缆印上UL识别字、防火等级和批准编号。
增压级-CMP级(送风燃烧测试/斯泰钠风道实验PlenumFlameTest/SteinerTunnelTest)这是UL防火标准中要求最高的电缆(PlenumCable),适用安全标准为UL910,实验规定在装置的水平风道上敷设多条试样,用87.9KW煤气本生灯(300,000BTU/Hr)燃烧20分钟。
合格标准为火焰不可延伸到距煤气本生灯火焰前端5英尺以外。
光密度的峰值最大为0.5,平均密度值最大为0.15.这种CMP电缆通常安装在通风管道或空气处理设备使用的空气回流增压系统中,被加拿大和美国所认可采用。
符合UL910标准的FEP/PLENUM材料,阻燃性能要比符合IEC60332-1及IEC60332-3标准的低烟无卤材料的阻燃性能好,燃烧起来烟的浓度低。
干线级-CMR级(直立燃烧测试RiserFlameTest)这是UL标准中商用级电缆(RiserCable),适用安全标准为UL1666.实验规定在模拟直立轴上敷设多条试样,用规定的154.5KW煤气本生灯(527,500BTU/Hr)30分钟。
合格标准为火焰不可蔓延到12英尺高的房间的上部。
干线级电缆没有烟雾浓度规范,一般用于楼层垂直和水平布线使用。
商用级-CM级(垂直燃烧测试VertialTrayFlameTest)这是UL标准中商用级电缆(GeneralPurposeCable),适用安全标准为UL1581.实验规定在垂直8英尺高的支架上敷设多条试样,用规定的20KW带状喷灯燃烧(70,000BTU/Hr)20分钟。
合格标准为火焰不可蔓延到电缆的上端并自行熄灭。
UL1581和IEC60332-3C类似,只是敷设电缆根数不同。
商用级电缆没有烟雾浓度规范,一般仅应用于同一楼层的水平走线,不应用于楼层的垂直布线上。
通用级-CMG级(垂直燃烧测试VertialTrayFlameTest)这是UL标准中通用级电缆(GeneralPurposeCable),适用安全标准为UL1581.商用级和通用级的测试条件类似,同为加拿大和美国认可使用。
通用级电缆没有烟雾浓度规范,一般仅应用于同一楼层的水平走线,不应用于楼层的垂直布线上。
家居级-CMX级(垂直燃烧测试VertialWireFlameTest)这是UL标准中家居级电缆(RestrictedCable),适用安全标准为UL1581,VW-1.实验规定试样保持垂直,用试验用的喷灯燃烧(30,000TU/Hr)15秒钟,然后停止15秒钟,反复5次。
合格标准为余火焰不可超过60秒钟,试样不可烧损25%以上,垫在底部的外科用棉不可被落下物引燃。
UL1581-VW-1和IEC60332-1类似,只是燃烧的时间不同。
这种等级也没有烟雾或毒性规范,仅用于敷设单条电缆的家庭或小型办公室系统中。
这类电缆不应成捆敷设使用,必须套管。
烟密度、卤素含量和毒性等级IEC60754-1/BS6425-1卤素气体含量的测定(EmissionOfHalogens)这是IEC和BS标准中针对氯化氢(HCL)释放浓度的规范。
卤素含氟(Florine)、氯(Chlorine)、溴(Bromine)、碘(Iodine)和放射性易挥发的元素砹(Astatine),成分的毒性很高。
实验规定,燃烧炉预热到800℃时,把一根内置1.0g试样推入炉内,利用气流排放速率使HCL溶入水中,再测定水溶液的卤酸含量。
如果电缆材料燃烧时卤酸(HCL)释放量少于5mg/g时,可被称为无卤电缆(LSOH),如果卤酸(HCL)释放量大于5mg/g时而小于15mg/g时,可被称为低卤电缆(LSF)。
值得注意的是,IEC60754-1方法不能用来测定HCL含量小于5mg/g的材料,即不能判定是否“无卤”。
需要判定是否完全无卤可采用IEC60754-2方法来测定。
IEC60754-2气体酸度测量(Corrosivity)这是IEC标准中针对燃烧气体腐蚀性的规范,此测试是量度在燃烧时物料所产生的卤酸气体酸度。
它通过水溶液的PH值和导电率来测定。
实验规定,燃烧炉预热到800℃,把一根内置试样的石英管推入炉内,同时开始记时。
在试样燃烧的前5分钟,每隔1分钟测一次PH值和电传导性能,接下来的25分钟每隔5分钟测一次。
一般无卤电缆材料的PH值会大于4.3,导电率小于10μs;PH值越少,即表示物料的卤酸气体酸度越高。
值得注意的是,当HCL含量大于2mg/g而小于5mg/g(即符合IEC60754-1的要求时),其水溶液的PH值亦小于4.3,即不符合IEC60754-2的要求。
IEC61034-1/ASTME662烟密度(EmissionofSmoke)这是IEC和ASTM标准中针对烟密度的规范。
实验由一个3m3的立方体和一个带光源的光度测量系统组成,矩形曹内装酒精作为燃烧源。
一个功率为10-15m3/分钟的鼓风机确保烟雾均匀分布在一块档风板上防止槽上产生火焰涡流,酒精燃烧时,与光电源相连的记录仪记下光减弱量。
烟密度是以透光率量度,如果能达到60%光传输值(LightTransmittance),该电缆材料就达到低烟标准,透光率越高,物料于燃烧时所释放的烟雾越少。
ISO4589-2/BS2863氧指数(OxygenIndexLOI)这是ISO和BS标准中针对氧指数的规范。
它是指在室温下,当空气的含氧量大于此氧指数时,物料便会马上燃烧。
氧指数值越高则表示物料越阻燃。
假若某材料的氧指数为21%,即表示此物料处于正常室温下亦会自动燃烧,在正常室温下,空气的含氧量为21%,一般阻燃电缆的氧指数均大于33%.ISO4589-3/BS2782.1温度指数(TemperatureIndexTI)这是ISO和BS标准中针对温度指数的规范,材料的氧指数会随着温度升高而下降,当气温升高而物料的氧指数降至21%时,物料便会自动燃烧,此温度被称为温度指数。
例如,煤于室温下的氧指数为50%,但当温度升高至150℃,氧指数会降至21%,此材料亦会马上燃烧,材料的温度指数便为150℃。
一般阻燃电缆温度指数均大于250℃。