防火电线电缆(阻燃和耐火、低烟无卤等)的特性和型号知
- 格式:doc
- 大小:37.00 KB
- 文档页数:4
阻燃电线电缆种类及性能1.含阻燃剂的PVC电线电缆这种电线电缆的绝缘层和护套都是采用聚氯乙烯(PVC)材料,并添加了阻燃剂。
这种电线电缆具有耐燃性好、热稳定性高、绝缘电阻大等特点,具备良好的电气性能并且易于加工。
同时,该电线电缆还具有良好的机械性能和耐化学性,能够在复杂的工作环境中稳定可靠地运行。
2.低烟无卤阻燃电线电缆这种电线电缆采用的是低烟无卤阻燃材料作为绝缘层和护套。
相比于含有卤素的电线电缆,低烟无卤阻燃电缆在燃烧时产生的烟雾量更少,且燃烧过程中不会产生对人体有害的毒气。
它具有防火性能好、耐候性好、抗化学性能好等优点,能够在高温和恶劣环境下长时间稳定工作。
3.耐火阻燃电线电缆这种电线电缆采用耐火材料制作,能够在高温环境下保持一定时间的电路通断。
耐火阻燃电线电缆通常由多重绝缘层和护套组成,中间还加入了阻燃剂和耐火材料,以确保在火灾中不会燃烧或熔化,从而保护电力系统的正常运行。
该电线电缆具有耐高温、耐火能力强、可靠性高等特点,适用于需要在火灾中继续供电的场所。
4.防鼠阻燃电线电缆这种电线电缆的护套采用特殊的材料,具备阻燃和防鼠功能。
电线电缆的护套表面光滑,不易被啃咬而破坏线路,同时具有良好的防水、耐油和耐紫外线性能。
防鼠阻燃电线电缆通常用于室外、地下或灯饰等特殊场所,能够有效防止鼠类对线路的破坏,并降低因电线电缆燃烧引发的火灾。
以上是几种常见的阻燃电线电缆种类及其性能。
随着科技的进步和人们对安全性能的要求不断提高,阻燃电线电缆的种类和性能将会不断改进和扩展,以更好地满足各类电力系统的需求。
附录A 阻燃或耐火电线电缆的型号表示A.0.1型号组成阻燃、耐火、低烟无卤等具有燃烧特性的电线电缆型号由燃烧特性和电缆型号两部分组成,见图A.1。
A.1阻燃耐火低烟无卤电线电缆型号组成A.0.2产品阻燃耐火特性代号阻燃耐火特性代号按无卤、低烟、低毒、阻燃或耐火顺序排列,其代号见表A.0.2-1。
表A.0.2-1阻燃耐火特性代号注:耐火性能指标见本技术规程表3.4.1-1A.0.3产品燃烧性能代号产品燃烧性能本规程分二级,其代号见表A.0.3-1。
表A.0.3-1燃烧性能代号注: A、B1级为《电缆及光缆燃烧性能分级》GB 31247—2014标准内规定的燃烧性能分级,需要此类电线电缆时加注。
A.0.4 产品表示示例1 阻燃电缆表示示例:示例1:铜芯,交联聚乙烯绝缘聚烯烃护套电力电缆,无卤低烟,阻燃A类,额定电压0.6/1 kV,表示为:WDZA-YJY-0.6/1若还有B1级燃烧性能要求,表示为:WDZA-YJY-B1-0.6/12 低毒电缆表示示例:示例1:铜芯,交联聚乙烯绝缘聚烯烃护套电力电缆,无卤低烟低毒,阻燃C类,额定电压0.6/1 kV,表示为:WDUZC-YJY-0.6/1若还有B1级燃烧性能要求,表示为:WDUZC-YJY-B1-0.6/13 耐火电缆表示示例:例1:铜芯,交联聚乙烯绝缘聚烯烃护套电力电缆,无卤低烟,阻燃B类,供火加机械冲击和喷水的耐火,额定电压0.6/1 kV,表示为:WDZBNS-YJY-0.6/1 GB/T 19666;GB/T 12706.1示例2:铜芯,交联聚乙烯绝缘聚烯烃护套电力电缆,无卤低烟,阻燃C类,供火加机械冲击的耐火,额定电压0.6/1 kV,表示为:WDZCNJ-YJY-0.6/1 GB/T 19666;GB/T 12706.1示例3:铜芯,不燃类耐火电缆,供火加机械冲击和喷水的耐火,额定电压0.75 kV,表示为:NW-BTTZ-A-0.75。
关于低烟无卤、阻燃和耐火电缆的性能说明
1、低烟无卤电缆,其护套阻燃材料含有AL(OH)3、Mg(OH)2等无机金属水化物,受热后极易分解成不能燃烧的金属氧化物覆盖在电缆表面,隔绝空气,阻止电缆进一步燃烧;同时挥发出大量的水分,吸收周围环境的热量,降低电缆表面温度实现阻燃目的。
低烟无卤电缆,绕包材料采用无碱玻璃丝带,填充材料采用无碱玻璃丝绳,该材料不含卤素、无毒环保,具有极高的阻燃性能。
2、阻燃电缆的阻燃特性是针对电缆本身整体而言,通过电缆的整体结构来实现的,并不要求绝缘材料一定要具有阻燃性能。
阻燃的定义是指在规定的试验条件下,试样被燃烧,在撤去火源后,火焰在试样上的蔓延仅在限定范围内并且自行熄灭的特性,即具有阻止或延缓火焰发生或蔓延的能力。
3、耐火电缆的耐火特性是指在规定的试验条件下,试样在火焰中被燃烧而在一定时间内(标准规定为90分钟)仍能够保持正常运行的功能。
电缆的耐火性能主要是通过在导体表面绕包的耐火云母带来实现的。
云母的主要成分是铝-硅酸盐矿物质,该材料在常温和高温下均具有优良的电气绝缘性能。
第 1 页共1 页。
阻燃和耐火电线电缆的区别及如何选用防火电线电缆是具有防火性能电线电缆的总称,通常分为阻燃电线电缆和耐火电线电缆两种。
对于一些刚从事电气设计的设计人员来说,懂得行业内一些电缆特性是必不可少的知识,下面就来说说,阻燃电缆与耐火电缆的区别,以及选用时需要注意的事项!(1)耐火和阻燃电缆的主要用途1)耐火电缆主要用途主要用于高层建筑、地下铁路、核电站及重要工矿企业与防火安全和消防救生有关的地方,如应急电源至户内消防设备、火灾报警设备、信号灯、通风排烟设备、紧急用电梯等的供电线路。
使用特性:耐火电缆(电线)是一种在处于燃烧情况仍能保持线路在一定时间里正常运行的电缆。
他与通常的阻燃电线电缆的区别在于发生火灾时,仍能传输电能,以利于疏散人群和抢救重要设备。
2)阻燃电缆的主要用途广泛用于大型建筑物、隧道、石油化工行业、发电站、矿山等对防火有较高有求的地方。
当发生火灾时,能阻止火势在电缆上蔓延,避免火灾事故扩大,减少损失。
使用特性:电缆(电线)的长期允许工作温度与相应标准中型号的普通产品相一致全面正确地了解阻燃及耐火电缆是正确选用它们的首要条件。
(2)阻燃电线电缆和耐火电线电缆的区别1)阻燃电线电缆阻燃是指阻滞、延缓火焰沿着电线电缆的蔓延,使火灾不扩大,该类型电缆着火后具有自熄性能。
阻燃电缆按国家实验标准(GB12666-99)可分为三个等级:ZRA、ZRB、ZRC。
在一般产品命名中,ZRA通常用GZR表示,属称高阻燃电缆或隔氧层电缆或高阻燃隔氧层电缆。
ZRC在一般阻燃产品中表示ZR。
阻燃电缆是保持普通电缆的电性能和理化性能的同时,具有自熄性,即不易燃烧,或当电缆因故自身着火或是外火源引燃着火时,在着火熄灭后电缆不再继续燃烧,或燃烧时间很短(60分钟以内),或延燃长度很短。
无卤阻燃电缆相对于含卤阻燃电缆有低毒、低烟、无卤的优点。
阻燃级别不高,基本上是C类。
其原因是卤素自由基的吞氧灭火能效要大于非卤化物阻燃剂降解温的能效。
各类防火电缆的特性分析随着我国的经济建设飞速发展,城市中高标准高要求的建筑象雨后春笋,日新月异,对这些重要建筑的防火提出了新要求。
据消防部门的统计,我国发生的火灾中,靠建筑物自身的消防系统迅速灭火,不很完善,大多数火灾都借助外来的消防系统来灭火,显然,小火灾已变成大火灾或特大火灾,教训深刻。
怎样提高建筑物自身的消防系统,能及时将火灾消灭在初始状态,不使它扩大,这是个系统工程比较复杂。
本文仅在防火电缆系统中作一些分析探索。
防火电缆的发展也很快,品种也比较多,这里只能将一些常用的品种分析一下,常用的防火电缆有VV型阻燃,VV型阻燃耐火,,YJV 型阻燃,YJV型阻燃耐火,DWYJY或DWYJE型阻燃耐火,以及金属护套无机(矿物)绝缘型,显然,把它们区分一下,防火电缆只有两种类型,有机绝缘型、无机绝缘型。
VV型(PVC/PVC),电缆的绝缘及护套都是聚氯乙烯,该型号电缆材料中含有阻燃因子卤素“氯”具有较好的阻燃性,而且原材料丰富,创造工艺成熟,价格便宜。
但该类电缆存在致命缺陷,由于它含有氯燃点约450℃在燃烧中含大量效出HCE气体及其它有一丝一毒气体,它的毒性指数达到15.01,人在其中逃生机会只有2MM左右,同时会产生大量的烟雾,烟密度Dm=500-60透光率只有10-20%(无视野)。
HCE气体还会产生二次污染,会严重腐蚀电气设备和其它设备。
因此,VV型阻燃耐火电缆有些国家已不使用。
YJV型(XLPE/PVC)电缆的绝缘是交联聚乙烯,护套还是PVC。
绝缘中加入氢氧化合铝(全美)作为阻燃剂,该类电缆载流量大于VV型材料充足,工艺成熟价格也比较便宜,而且毒性指数降到7,烟密度降到300,透光率达40-50%(视野模糊),人在其中逃生机会约10MM左右,PE的燃点为340℃(低)存在轻度二次污染,还有一个缺点是在交联中不注意,会在绝缘层内产生“水树”,非但缩短电缆寿命,还会造成短路。
YJY或YJE型(XLPE/XLPE),大家称之为低烟无卤型,阻燃加入氯化铝(镁),材料还是充足,而创造工艺有些难度,正宗的YJY电缆,价格比前二种都贵。
防火电缆分阻燃、耐火、无卤低烟或低卤低烟,它们的区别是
什么?
防火电缆是什么?想必大部分电气人员都不陌生,但对于某些电气小白来说就可能一知半解了。
随着社会的快速发展,我国迈入了互联网信息化大数据时代,推动了电气行业的迅速发展,促进了材料设备,施工技术,工艺流程等方面的发展,与此同时,由电气引发的火灾数量也日益增多。
因此,研究电气防火设计是当前社会普遍面临的问题。
那么防火电缆的种类有哪些?阻燃电缆与耐火电缆在原理、结构上又有哪些区别呢?下面就跟着小编一起来学习一下吧!
1、什么是防火电缆?
2、防火电缆的种类有哪些?
3、阻燃电缆与耐火电缆在原理、结构上都有哪些区别?
4、防火电缆的相关标准有哪些?
了解更多电气方面的知识:
YJV电缆、VV电缆两种电缆的区别是什么?一篇文章弄清楚了
图文详细解读:电缆桥架施工工艺控制标准、电缆的敷设及电缆接线
图解:矿物绝缘电缆的结构、应用
电缆型号与尺寸对照表大全
电线电缆载流量、电压降速查表
干货分享:电线、电缆缆及电器设备的选择,拿走不谢
电气电缆桥架设计与分析,收藏吧
电线电缆的规格型号选择!详细给你解析
电力电缆载流量对照表,建议收藏备用
电线电缆的结构、分类及选择(PPT图文详解)。
阻燃耐火电缆型号一、引言阻燃耐火电缆是一种广泛应用于建筑、交通、石油、化工等行业的电缆产品。
其主要特点是具有良好的阻燃性能和耐火性能,能够有效地避免火灾事故对电力设备和人员的威胁。
本文将介绍几种常见的阻燃耐火电缆型号,并分析其特点和应用范围。
二、低烟无卤阻燃耐火电缆低烟无卤阻燃耐火电缆是一种采用无卤阻燃材料制造而成的电缆,具有低烟、无毒、无腐蚀性等特点。
该型号的电缆在燃烧时产生的烟雾较少,不会对人员造成危害,且不会造成设备的二次损坏。
因此,低烟无卤阻燃耐火电缆广泛应用于人员密集场所、地下工程和重要设施等区域。
三、钢带臂oured阻燃耐火电缆钢带臂oured阻燃耐火电缆是一种采用钢带臂oured材料作为护套制造而成的电缆。
该型号的电缆具有良好的耐火性能和机械强度,能够在火灾发生时保持电缆的电气功能。
钢带臂oured阻燃耐火电缆适用于石化、冶金等高温环境和需要耐火性能的场所。
四、矿用阻燃耐火电缆矿用阻燃耐火电缆是专门用于矿井等危险环境的电缆产品。
该型号的电缆具有良好的抗拉强度和阻燃性能,能够在矿井火灾发生时有效地保护电力设备以及矿工的人身安全。
矿用阻燃耐火电缆的型号多样,适用于不同类型的矿井环境。
五、轨道交通阻燃耐火电缆轨道交通阻燃耐火电缆是专门应用于地铁、高铁、城市轨道交通等领域的电缆产品。
该型号的电缆具有良好的耐火性能和抗干扰能力,能够满足轨道交通系统对电力传输的需求。
轨道交通阻燃耐火电缆适用于高温、高湿、高电压的环境,能够保证轨道交通系统的安全稳定运行。
六、结语阻燃耐火电缆型号多样,应用范围广泛。
无论是在建筑、交通、石油还是化工行业,阻燃耐火电缆都起到了至关重要的作用。
不仅保护了电力设备的正常运行,还保障了相关行业及人员的安全。
随着科技的进步和对安全的要求不断提高,相信阻燃耐火电缆将在未来得到更广泛的应用和发展。
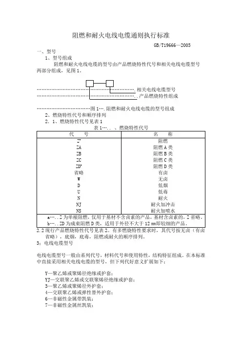
阻燃和耐火电线电缆通则执行标准GB/T19666—2005一、型号1、型号组成阻燃和耐火电线电缆的型号由产品燃烧特性代号和相关电线电缆型号两部分组成,见图1。
……………………………图1….阻燃和耐火电线电缆的型号组成2、燃烧特性代号和顺序排列2.1、燃烧特性代号见表1省略),底烟,底毒,阻燃或耐火的顺序排列。
3;电线电缆型号电线电缆型号一般由系列代号,材料代号和使用特性,结构特征组成。
在本标准中直接采用相关电线电缆的型号,但下列代好意义扩展如下;Y—聚乙烯或聚烯径绝缘或护套;YJ—交联聚乙烯或交联聚烯径绝缘或护套;3—聚乙烯或聚烯径外护套;4—交联聚乙烯或弹性替外护套;6—非磁性金属带凯装;7—非磁性金属丝凯装;产品用“型号,规格及本标准编号/相关产品标准编号”表示。
相关产品标准参见附录A。
示例1:聚氯乙烯绝缘聚氯乙烯护套阻燃A类电力电缆为:ZA-VV….规格(略)GB/T19666—2005/GB/T12706.1—2002示例2:绞联聚乙烯绝缘聚氯乙烯护套阻燃B类电力电缆为:ZB-YJV…规格(略)GB/T19666—2005/GB/T12706.1—2002示例3:绞联聚乙烯绝缘聚氯乙烯护套阻燃C类电力电缆为:ZCN-YJV…规格(略)GB/T19666—2005/GB/T12706.1—2002示例4:绞联聚乙烯绝缘聚氯乙烯护套无卤低烟阻燃B类电力电缆为:WDZB-YJV…规格(略)GB/T19666—2005/GB/T12706.1—2002示例5:聚氯乙烯绝缘阻燃D类固定布线用电线为:ZD-BV…规格(略)GB/T19666—2005/GB5023.3—1997示例6:聚氯乙烯绝缘轻型聚氯乙烯护套阻燃C类电缆为:ZC-BVV…规格(略)GB/T19666—2005/GB5023.4—1997示例7:聚氯乙烯绝缘钢带铠装聚氯乙烯护套阻燃A类控制电缆为:ZA-KVV22…规格(略)GB/T19666—2005/GB9330—1988示例8:聚烯烃绝缘填充式挡潮层聚烯烃护套单层纵包扎纹钢带铠装聚烯烃外套无卤低烟阻燃B类市内通信电缆为:WDZB-HYAT53…规格(略)GB/T19666—2005/GB/T13849.2—1993.。
阻燃电缆,低烟无卤电缆,耐火电缆的区别阻燃电缆,无卤电缆,耐火电缆三者的区别:1、阻燃电缆的特点是延缓火焰沿着电缆蔓延使火灾不致扩大。
无论是单根线缆还是成束敷设的条件下,电缆知燃烧时能将火焰的蔓延控制在一定范围内,因此可以避免着火延燃而造成的重大灾害,从而提高电缆线路的防火水平。
2、无卤低烟阻燃电缆的特点是不仅拥有良好的阻燃性能,而且构成低烟无卤电缆材料的不含卤素,燃烧时的腐蚀性和毒性较低,产生极少量的烟雾,从而减少了对人身、仪器、设备的损害,有利于发生火灾时及时救援,虽然有良好阻燃性、耐腐独性、极少烟雾浓度等。
3、耐火电缆是在火焰燃烧情况下能保持一定时间的正常运行,可保持线路的完整性。
耐火电缆燃烧时产生的酸气烟雾量少,耐火阻燃性能大大提高,特别是在燃烧时,伴随着水喷和机械打击的情况下,电缆仍可保持线路的完整运行。
有些电气设计人员对阻燃电缆及耐火电缆的概念分辨不清,对二者的结构及特性不甚了解,从而导致无法根据供电要求正确设计选用这两种电缆,在现场进行设计代理或监理工作时不能正确指导这两种电缆的敷设施工。
1、阻燃电缆是什么?阻燃电缆是指:在规定试验条件下,试样被燃烧,在撤去试验火源后,火焰的蔓延仅在限定范围内,残焰或残灼在限定时间内能自行熄灭的电缆。
它的根本特性是:在火灾情况下有可能被烧坏而不能运行,但可阻止火势的蔓延。
通俗地讲,电缆万一失火,能够把燃烧限制在局部范围内,不产生蔓延,保住其他的各种设备,避免造成更大的损失。
2、阻燃电缆的结构特点阻燃电缆的结构和普通电缆基本相同,不同之处在于它的绝缘层、护套、外护层以及辅助材料(包带及填充)全部或部分采用阻燃材料。
3、耐火电缆是什么?耐火电缆是指:在规定试验条件下,试样在火焰中被燃烧,在一定时间内仍能保持正常运行的性能。
它的根本特性就是:电缆在燃烧条件下仍然能维持该线路一段时间的正常工作。
通俗地讲就是,万一失火,电缆不会一下就燃烧,回路比较安全。
4、耐火电缆的结构特点耐火电缆的结构和普通电缆基本相同,不同之处在于耐火电缆的导体采用耐火性能好的铜导体(铜的熔点为1 083℃),并在导体和绝缘层间增加耐火层。
阻燃防火电缆简介前言:本文为您详细介绍了电线电缆的阻燃、防火、低烟、无卤以及电线电缆阻燃等级、各相关国家标准及国际标准中对阻燃防火的标准要求等相关方面的电线电缆性能介绍阻燃电缆标准及等级阻燃防火电缆简介&阻燃电缆标准及等级目前,电缆行业习惯将阻燃( Fire Retardant)、无卤低烟(Low Smoke Halogen Free ,LSOH)或低卤低烟(Low Smoke Fume ,LSF)、耐火(Fire Resistant)等具有一定防火性能的电缆统称为防火电缆。
◎ 阻燃电缆(Flame Retardant)阻燃电缆的特点是延缓火焰沿着电缆蔓延使火灾不致扩大。
由于其成本较低,因此是防火电缆中大量采用的电缆品种。
无论是单根线缆还是成束敷设的条件下,电缆被燃烧时能将火焰的蔓延控制在一定范围内,因此可以避免因电缆着火延燃而造成的重大灾害,从而提高电缆线路的防火水平。
◎ 无卤低烟阻燃电缆(LSOH)无卤低烟电缆的特点是不仅具有优良的阻燃性能,而且构成低烟无卤电缆的材料不含卤素,燃烧时的腐蚀性和毒性较低,产生极少量的烟雾,从而减少了对人体、仪器及设备的损害,有利于发生火灾时的及时救援。
无卤低烟阻燃电缆虽然具有优良阻燃性、耐腐蚀性及低烟浓度,但其机械和电气性能比普通电缆稍差。
◎ 低卤低烟阻燃电缆(LSF)低卤低烟阻燃电缆的氯化氢释放量和烟浓度指标介于阻燃电缆与无卤低烟阻燃电缆之间。
低卤( Low Halogen)电缆的材料中亦会含有卤素,但含量较低。
这种电缆的特点是不仅具备阻燃性能,而且在燃烧时释放的烟量较少,氯化氢释放量较低。
这种低卤低烟阻燃电缆一般以聚氯乙烯(PVC)为基材,再配以高效阻燃剂、HCL吸收剂及抑烟剂加工而成。
因此这种阻燃材料显著改善了普通阻燃聚氯乙烯料的燃烧性能。
◎ 耐火电缆(Fire Resistant)耐火电缆是在火焰燃烧情况下能保持一定时间的正常运行,可保持线路的完整性( Circuit Intergrity)。
关于防火电线电缆(阻燃和耐火、低烟无卤等)的特性和型号知识摘要:根据国际标准对电线电缆防火性能的要求,作者提出用相应燃烧特性的汉语拼音首位字母定型,并按规定顺序排列,作为前缀加在一般电线电缆型号之前而成为防火电线电缆的型号。
其优点是顺应国内约定俗成的习惯,简便直观,容易记忆,便于日后的增创关键词:防火电线电缆;阻燃;耐火;无卤;低卤;低烟;低毒1引言防火(Flame proof)电线电缆为具有防火性能电线电缆的总称,通常分为阻燃电线电缆和耐火电线电缆两类。
从防火安全和消防救生出发,对电线电缆防火性能的要求越来越多,例如:阻燃(Flame retardancy)--阻滞、延缓火焰沿着电线电缆的蔓延,使火灾不扩大。
耐火(Fire resistance)--在火焰燃烧情况下能保持一定时间的运行,即保持线路的完整性(Circuit integrity)。
无卤(Free halogen)--构成电线电缆的材料不含卤素,其燃烧产物的腐蚀性较低。
低卤(Low halogen)--构成电线电缆的材料中可含有卤素,但含量较低。
低烟(Low smoke)--电线电缆燃烧时产生的烟尘较少,即透光率较高。
低毒(LOW toxicity)--电线电缆材料燃烧时产生的气体毒性较低。
我国阻燃和耐火电线电缆的研究开发始于1982年。
经过5年时间,即1987年,许多电缆厂家已投入生产并为用户所认同。
针对当时对燃烧特性的命名和型号比较混乱的情况,笔者提出以燃烧试验方法相对应的电线电缆燃烧特性,对防火电线电缆进行分类,用汉语拼音的首位字母定型作为相应普通电线电缆型号的前缀。
其中阻燃电线电缆类的型号ZR 和耐火电线电缆类的型号NH已沿用至今。
随着防火电线电缆在开发研究中所取得的许多新进展,原有型号已不敷使用。
加之投产厂家越来越多,在制订企业标准时,对有关型号各取所需,又造成新的混乱。
最突出的表现是,电线电缆的燃烧特性相同,但名称和型号却不同。
关于防火电线电缆的特性和型号摘要:根据国际标准对电线电缆防火性能的要求,作者提出用相应燃烧特性的汉语拼音首位字母定型,并按规定顺序排列,作为前缀加在一般电线电缆型号之前而成为防火电线电缆的型号。
其优点是顺应国内约定俗成的习惯,简便直观,容易记忆,便于日后的增创(注:原文发表于1999年中国电工技术学会电线电缆专委会年会上,被评为优秀论文。
本文有所增创)。
关键词:防火电线电缆阻燃耐火无卤低卤低烟低毒型号1 引言防火(Flame proof)电线电缆为具有防火性能电线电缆的总称,通常分为阻燃电线电缆和耐火电线电缆两类。
从防火安全和消防救生出发,对电线电缆防火性能的要求越来越多,例如:阻燃(Flame retardancy)——阻滞、延缓火焰沿着电线电缆的蔓延,使火灾不扩大。
耐火(Fire resistance)——在火焰燃烧情况下能保持一定时间的运行,即保持线路的完整性(Circuit integrity)。
无卤(Free halogen)——构成电线电缆的材料不含卤素,其燃烧产物的腐蚀性较低。
低卤(Low halogen)——构成电线电缆的材料中可含有卤素,但含量较低。
低烟(Low smoke)——电线电缆燃烧时产生的烟尘较少,即透光率较高。
低毒(LOW toxicity)——电线电缆材料燃烧时产生的气体毒性较低。
我国阻燃和耐火电线电缆的研究开发始于1982年。
经过5年时间,即1987年,许多电缆厂家已投入生产并为用户所认同。
针对当时对燃烧特性的命名和型号比较混乱的情况,笔者提出以燃烧试验方法相对应的电线电缆燃烧特性,对防火电线电缆进行分类,用汉语拼音的首位字母定型作为相应普通电线电缆型号的前缀。
其中阻燃电线电缆类的型号ZR和耐火电线电缆类的型号NH已沿用至今。
随着防火电线电缆在开发研究中所取得的许多新进展,原有型号已不敷使用。
加之投产厂家越来越多,在制订企业标准时,对有关型号各取所需,又造成新的混乱。
关于阻燃防火电缆阻燃标准与耐火等级介绍关于阻燃防火电缆阻燃标准与耐火等级介绍目前,电缆行业习惯将阻燃(FireRetardant)、无卤低烟(LowSmokeHalogenFree,LSOH)或低卤低烟(LowSmokeFume,LSF)、耐火(FireResistant)等具有一定防火性能的电缆统称为防火电缆。
阻燃电缆(FlameRetardant)阻燃电缆的特点是延缓火焰沿着电缆蔓延使火灾不致扩大。
由于其成本较低,因此是防火电缆中大量采用的电缆品种。
无论是单根线缆还是成束敷设的条件下,电缆被燃烧时能将火焰的蔓延控制在一定范围内,因此可以避免因电缆着火延燃而造成的重大灾害,从而提高电缆线路的防火水平。
无卤低烟阻燃电缆(LSOH)无卤低烟电缆的特点是不仅具有优良的阻燃性能,而且构成低烟无卤电缆的材料不含卤素,燃烧时的腐蚀性和毒性较低,产生极少量的烟雾,从而减少了对人体、仪器及设备的损害,有利于发生火灾时的及时救援。
无卤低烟阻燃电缆虽然具有优良阻燃性、耐腐蚀性及低烟浓度,但其机械和电气性能比普通电缆稍差。
低卤低烟阻燃电缆(LSF)低卤低烟阻燃电缆的氯化氢释放量和烟浓度指标介于阻燃电缆与无卤低烟阻燃电缆之间。
低卤(LowHalogen)电缆的材料中亦会含有卤素,但含量较低。
这种电缆的特点是不仅具备阻燃性能,而且在燃烧时释放的烟量较少,氯化氢释放量较低。
这种低卤低烟阻燃电缆一般以聚氯乙烯(PVC)为基材,再配以高效阻燃剂、HCL吸收剂及抑烟剂加工而成。
因此这种阻燃材料显著改善了普通阻燃聚氯乙烯料的燃烧性能。
耐火电缆(FireResistant)耐火电缆是在火焰燃烧情况下能保持一定时间的正常运行,可保持线路的完整性(CircuitIntergrity)。
耐火阻燃电缆燃烧时产生的酸气烟雾量少,耐火阻燃性能大大提高,特别是在燃烧时,伴随着水喷淋和机械打击震动的情况下,电缆仍可保持线路完整运行。
阻燃电缆标准及等级电缆涉及火灾安全的主要技术指标是CO2电缆的阻燃性、烟雾的密度和气体的有毒性。
防火电线的特点与选择防火电线作为一种重要的电气材料,在建筑、工业、交通等领域广泛应用。
它具有很多特点,而选购合适的防火电线也是至关重要的。
本文将介绍防火电线的特点和选择要点。
一、防火电线的特点1. 阻燃性:防火电线采用特殊的阻燃材料制造,具有良好的阻燃性能,能有效减少火灾发生的概率,并能在火灾发生后延缓火势的蔓延,给人们争取更多的逃生时间。
2. 耐高温性:防火电线能够在高温环境下长时间工作,减少因电线熔化等问题造成的火灾风险。
3. 灭火性:一些高级防火电线采用特殊的材料制作,具有火焰熄灭功能,能够有效控制火势的蔓延。
4. 稳定性:防火电线具有良好的电气性能,能够稳定传输电能,并保持良好的电气连接。
5. 抗老化性:防火电线采用特殊的防老化材料制造,具有抗氧化、抗紫外线等特性,能够延长使用寿命。
二、选择防火电线的要点1. 规格与用途匹配:在选择防火电线时,要根据实际用途和需求来选购相应的规格。
不同场合的电线要求不同,如家庭用电、工业用电等,需根据电流负荷、环境要求等因素合理选择。
2. 安全认证标志:购买防火电线时,需要注意选择有安全认证标志的产品,如CCC认证标志,这些标志代表产品已经通过国家相关部门的安全测试和认证,具有一定的安全性保障。
3. 品牌信誉:选择有品牌信誉好的厂家生产的防火电线,可以提高产品质量的可靠性和使用寿命,减少火灾风险。
4. 产品检测报告:挑选防火电线时,可以要求厂家提供相关产品的检测报告,从中了解电线的材料、性能、安全性等方面的信息,确保选购的产品符合相关标准。
5. 安装要求:防火电线的安装也十分重要,要求专业人员按照国家标准进行安装,确保电线的敷设和连接质量。
三、常见防火电线的类型1. 矿物绝缘电缆:采用矿物绝缘材料,具有良好的阻燃性和耐高温性能。
2. 硅橡胶绝缘电缆:具有优良的防火性能和耐高温性能,适用于高温环境下的电气设备。
3. 防火低烟无卤电缆:该类型电线采用低烟无卤材料制作,具有防火性能好、烟雾少、无毒无害等特点,适用于人员密集场所和防火要求较高的场合。
常用阻燃、耐火、矿物质绝缘电缆型号引言:在电力传输和通信领域,电缆是不可或缺的基础设施。
为了确保电缆的安全性和可靠性,阻燃、耐火和矿物质绝缘电缆成为了常用的选择。
本文将介绍几种常见的阻燃、耐火、矿物质绝缘电缆型号,以及它们的特点和应用领域。
一、型号一:ZR-YJV电缆ZR-YJV电缆是一种常用的阻燃电缆,具有良好的阻燃性能。
它采用了特殊的阻燃材料,能够在火灾发生时有效地阻止火焰的蔓延。
该电缆广泛应用于建筑、地铁、隧道等场所,以确保人员和设备的安全。
二、型号二:NH-YJV电缆NH-YJV电缆是一种耐火电缆,具有出色的耐高温性能。
它采用了特殊的耐火材料,能够在高温环境下保持电缆的正常工作。
NH-YJV 电缆常用于火灾风险较高的场所,如化工厂、发电厂等,以确保电力传输的可靠性。
三、型号三:WDZ-YJY电缆WDZ-YJY电缆是一种矿物质绝缘电缆,采用矿物质作为绝缘材料,具有优异的耐火性能。
它能够在极端高温下保持电缆的绝缘性能,有效地防止火灾的发生。
WDZ-YJY电缆广泛应用于石油、化工、冶金等行业,以满足严苛的工作环境要求。
四、型号四:ZR-BYJ电缆ZR-BYJ电缆是一种特殊的阻燃、耐火电缆,采用了多种阻燃和耐火材料的复合结构。
它具有极高的阻燃性能和耐火性能,能够在恶劣的环境下保持电力传输的稳定。
ZR-BYJ电缆常用于船舶、航天器等特殊场所,以确保电力系统的安全运行。
结论:阻燃、耐火、矿物质绝缘电缆在现代社会中扮演着重要的角色。
通过选择适合的电缆型号,我们能够提高电力传输和通信的安全性和可靠性。
ZR-YJV电缆、NH-YJV电缆、WDZ-YJY电缆和ZR-BYJ 电缆是几种常见的阻燃、耐火、矿物质绝缘电缆型号,它们在不同的应用领域发挥着重要的作用。
我们应根据实际需求选择合适的电缆型号,以确保电力系统的正常运行和人员的安全。
阻燃电缆标准及阻燃电缆等级目前,电缆行业习惯将阻燃(Fire Retardant)、无卤低烟(Low Smoke Halogen Free ,LSOH)或低卤低烟(Low Smoke Fume ,LSF)、耐火(Fire Resistant)等具有一定防火性能的电缆统称为防火电缆。
◎阻燃电缆(Flame Retardant)阻燃电缆的特点是延缓火焰沿着电缆蔓延使火灾不致扩大。
由于其成本较低,因此是防火电缆中大量采用的电缆品种。
无论是单根线缆还是成束敷设的条件下,电缆被燃烧时能将火焰的蔓延控制在一定范围内,因此可以避免因电缆着火延燃而造成的重大灾害,从而提高电缆线路的防火水平。
◎无卤低烟阻燃电缆(LSOH)无卤低烟电缆的特点是不仅具有优良的阻燃性能,而且构成低烟无卤电缆的材料不含卤素,燃烧时的腐蚀性和毒性较低,产生极少量的烟雾,从而减少了对人体、仪器及设备的损害,有利于发生火灾时的及时救援。
无卤低烟阻燃电缆虽然具有优良阻燃性、耐腐蚀性及低烟浓度,但其机械和电气性能比普通电缆稍差。
◎低卤低烟阻燃电缆(LSF)低卤低烟阻燃电缆的氯化氢释放量和烟浓度指标介于阻燃电缆与无卤低烟阻燃电缆之间。
低卤( Low Halogen)电缆的材料中亦会含有卤素,但含量较低。
这种电缆的特点是不仅具备阻燃性能,而且在燃烧时释放的烟量较少,氯化氢释放量较低。
这种低卤低烟阻燃电缆一般以聚氯乙烯(PVC)为基材,再配以高效阻燃剂、HCL吸收剂及抑烟剂加工而成。
因此这种阻燃材料显著改善了普通阻燃聚氯乙烯料的燃烧性能。
◎耐火电缆(Fire Resistant)耐火电缆是在火焰燃烧情况下能保持一定时间的正常运行,可保持线路的完整性( Circuit Intergrity)。
耐火阻燃电缆燃烧时产生的酸气烟雾量少,耐火阻燃性能大大提高,特别是在燃烧时,伴随着水喷淋和机械打击震动的情况下,电缆仍可保持线路完整运行。
阻燃电缆标准及等级电缆涉及火灾安全的主要技术指标是 CO2电缆的阻燃性、烟雾的密度和气体的有毒性。
低烟无卤阻燃电线的特点及识别方法一、低烟无卤阻燃电线的特点1.低烟:低烟无卤阻燃电线在发生火灾时,燃烧产生的烟雾浓度较低,大大减少了火灾对人体和设备的伤害,提高了疏散和救援的效率,保护了人员的生命安全。
2.无卤素:低烟无卤阻燃电线不含卤素元素,如氯、溴等,燃烧时不会释放出有毒的卤化物气体,减少了火灾对环境的污染,保护了大自然的生态环境。
3.阻燃性能好:低烟无卤阻燃电线采用特殊的阻燃材料,使其具有良好的阻燃性能,能够抑制火势的蔓延,降低火灾的危害程度,提高了火灾的扑救效果。
4.长寿命:低烟无卤阻燃电线采用优质的材料制造,具有优异的耐热、耐老化和抗紫外线能力,使用寿命长,能够保证电力系统的稳定运行。
5.良好的电气性能:低烟无卤阻燃电线具有优异的电气性能,如低电阻、低介质损耗、良好的绝缘性能和导电性能,能够有效地传输电能,提高能源利用效率。
二、低烟无卤阻燃电线的识别方法1.外观:低烟无卤阻燃电线一般外观呈白色或浅黄色,电线表面光滑,没有明显的物理损伤和变形。
2.标识:低烟无卤阻燃电线在表面或包装上应有明确的标识,标明产品名称、规格型号、生产厂家、执行标准等信息。
3.燃烧测试:可以通过进行燃烧测试来判断电线是否符合低烟无卤阻燃要求。
将电线放置在明火上燃烧,观察燃烧情况,合格的低烟无卤阻燃电线燃烧时产生较少烟雾,燃烧后的灰烬不含有毒物质。
4.封装材料:低烟无卤阻燃电线的封装材料通常采用无卤素环保材料,具有良好的耐热性和阻燃性能,可以通过查看生产信息中的材料成分、环保标志等来进行判断。
5.产品认证:低烟无卤阻燃电线出厂前一般需要经过国家相关机构的认证,如CCC认证、CE认证等。
消费者可以通过查看产品标识和相关认证文件来判断电线是否符合低烟无卤阻燃要求。
综上所述,低烟无卤阻燃电线具有低烟、无卤素、阻燃性好、长寿命和良好的电气性能等特点。
在使用低烟无卤阻燃电线时,可以通过观察外观、标识、进行燃烧测试、查看封装材料和产品认证等方法来进行识别。
关于防火电线电缆(阻燃和耐火、低烟无卤等)的特性和型号知识2008-07-28 09:59摘要:根据国际标准对电线电缆防火性能的要求,作者提出用相应燃烧特性的汉语拼音首位字母定型,并按规定顺序排列,作为前缀加在一般电线电缆型号之前而成为防火电线电缆的型号。
其优点是顺应国内约定俗成的习惯,简便直观,容易记忆,便于日后的增创关键词:防火电线电缆;阻燃;耐火;无卤;低卤;低烟;低毒1引言防火(Flame proof)电线电缆为具有防火性能电线电缆的总称,通常分为阻燃电线电缆和耐火电线电缆两类。
从防火安全和消防救生出发,对电线电缆防火性能的要求越来越多,例如:阻燃(Flame retardancy)--阻滞、延缓火焰沿着电线电缆的蔓延,使火灾不扩大。
耐火(Fire resistance)--在火焰燃烧情况下能保持一定时间的运行,即保持线路的完整性(Circuit integrity)。
无卤(Free halogen)--构成电线电缆的材料不含卤素,其燃烧产物的腐蚀性较低。
低卤(Low halogen)--构成电线电缆的材料中可含有卤素,但含量较低。
低烟(Low smoke)--电线电缆燃烧时产生的烟尘较少,即透光率较高。
低毒(LOW toxicity)--电线电缆材料燃烧时产生的气体毒性较低。
我国阻燃和耐火电线电缆的研究开发始于1982年。
经过5年时间,即1987年,许多电缆厂家已投入生产并为用户所认同。
针对当时对燃烧特性的命名和型号比较混乱的情况,笔者提出以燃烧试验方法相对应的电线电缆燃烧特性,对防火电线电缆进行分类,用汉语拼音的首位字母定型作为相应普通电线电缆型号的前缀。
其中阻燃电线电缆类的型号ZR和耐火电线电缆类的型号NH已沿用至今。
随着防火电线电缆在开发研究中所取得的许多新进展,原有型号已不敷使用。
加之投产厂家越来越多,在制订企业标准时,对有关型号各取所需,又造成新的混乱。
最突出的表现是,电线电缆的燃烧特性相同,但名称和型号却不同。
业内及用户强烈要求改变这个状况,希望对型号予以统一。
为此,本文提出防火电线电缆型号的编制方法,供日后编制企业标准或行业标准参考。
2 防火电线电缆型号的编制原则(1)一个型号对应于一个燃烧特性,有相应的试验方法和具体的指标可以考核,并用汉语拼音的首位字母表示,尽量简化。
(2)型号用前缀方法加在普通电线电缆型号之前。
(3)普通电线电缆固有的燃烧特性,不另给型号。
(4)留有补充发展目前我国标准与IEC国际标准尚有些差别,因为有些标准,IEC颁布在我国标准之后,根据等同采用国际标准的原则,今后这种差别将会消除。
3 防火电缆型号及使用方法的说明3.1关于阻燃(ZURAN)根据IEC 332,阻燃有单根和成束之分。
十多年前,我国电线电缆主要为聚氯乙烯、氯丁橡皮等含卤制品,通过单根垂直燃烧试验在产品标准中是基本要求,因此不需要给予单根阻燃的型号。
而把成束C类作为阻燃电线电缆的基本要求,把B类和A类作为用户必须特别指定的阻燃要求。
因此,用阻燃(ZURAN)的首位字母ZR作为型号也就盛行一时了。
现在的情况不同。
聚烯烃如聚乙烯、聚丙烯、乙丙、天然一丁苯等是易燃材料,当其阻燃制品能通过单根垂直燃烧试验时就要给以型号,来与原有的易燃特性相区别。
这个型号用Z。
成束燃烧因有阻燃A类、阻燃B类、阻燃C类、阻燃D类之分,因此用ZA、ZB、ZC、ZD型号来区分。
其中阻燃D类为IEC 的新提案,适用于外径12mm及以下的电线电缆。
其所用试样的非金属材料总体积仅为C类的1/3,即0.5L/m。
要求供火时间20min和烧焦高度小于2.5m 则与C类相同。
因为这个提案尚待表决通过。
此外,IEC 332-3有一个规定,即做A类试验时,若试样取间隔排列(有一芯导体大于35mm2的场合)在标准梯子前面排列不下时,可在后面排列,并且用AF/R表示。
或采用宽型梯(0.8m宽)全部排在梯子的前面(用AF 表示),并且用双喷灯供火。
但若大规格电缆在标准梯子前面排得下时,则用单喷灯供火,仍记作AF。
为简化型号,对于这一类情况均记作ZA。
3.2关于耐火(NAIHUO)根据我国标准GB 12666.6-90,耐火分A类和B类二个级别。
A类的供火温度为950℃~1000℃,B类的供火温度为750℃~800℃。
早先曾用NH 型号表示耐火电线电缆,按IEC 331-1970标准要求,相当于我国标准的B 类。
由于有些用户要求A类耐火电线电缆,故把型号扩展为NA和NB,以示区别。
但是,在最近IEC新出版的标准IEC60331-1999中,供火温度仍为750C~800℃,而提高试验温度的建议尚在考虑中。
因此,如等同采用编制新的国家标准时,耐火等级就没有A类B类之区分。
届时耐火电线电缆型号可以简化为队如果将来IEC把试验温度再分出类别来,我们的型号就有了发展的余地。
值得注意的是,英国对耐火电缆的要求花样最多,因而有许多型号。
考虑到英国对IEC的影响,IEC对提高试验温度、喷水和机械冲击已在考虑之中,因此,附加冲击(CHONGJI)用型号C,附加喷水(PENSHUI)用型号S,以备日后使用。
注:耐火、喷水耐火和冲击时火试验是分别进行的。
如通过耐火950℃3h和750℃冲击的电缆型号为CY;通过650℃3h耐火、950℃20min耐火、650℃喷水和650℃冲击要求的电缆型号为ASWX,余类推。
其最高级别型号3.3 关于低卤(DILU)、无卤(WULU)低烟(DIYAN)、低容(DIDU)关于低卤(DILU),用D表示。
用IEC60754-1:1994(国标为GB /T 17650.1-1998)方法测定HCI含量。
标准中无指标,建议HCI≤100 mg /g。
关于无卤(WULU)即低腐蚀性,用W表示:用IEC 60754-2:1991(1997修正),我国等同采用的国标为GB/T17650.2-1998方法测定,揩标为PH≥4.3,r(电导率)≤10ps/mm。
国外不少国家或公司把无卤标准定为HCI≤5mg/g,国人也有所仿效,这是不恰当的。
因为IEC 60754-l已明确指出该方法不能用来测定HCI含量小于5mg/g的材料,即不能判定"无卤"。
其次,当HCI含量>2mg/g时,其水溶液的PH值就小于4.3,即不符IEC60754-2的要求。
此外,有人认为IEC定的指标PH≥4.3,而德国的指标是PH≥3.5,因此IEC的要求比德国高。
这只是表面现象。
其实两者的效果是完全相同的。
有机会笔者将另文再作介绍。
关于低烟(DIYAN),也用D表示。
虽与低卤的D重复,但已约定俗成,在型号组合时也不致误解。
低烟的国际标准要求为透光率≥60%。
必须指出,我国以PVC为基的所谓低卤低烟材料所制作的电线电缆,其低烟达不到上述要求,不应采用低烟的型号。
除非在产品标准中另有说明,例如降低透光率的指标,并说明该指标低于国际标准或国家标准的要求,以免用户误解。
关于低毒(DIDU),不能再用D表示,而用U。
有关标准IEC尚在考虑中。
目前使用较多的是英国海军工程标准NES713,用毒性指数(TI)表示,如要求绝缘材料的毒性指数小于3、护套的毒性指数小于5。
国内有些厂家称可提供无卤、低烟、无毒电缆,这里所称的无毒是不恰当的,应为低毒。
因无卤、低烟材料燃烧时会产生有毒的CO,如材料中含有P、N、S,则生成的有毒气体还要多。
3.4关于型号的组合当某~电线电缆具有多种燃烧特性时,按国际惯例,某型号及称谓按下列顺序(没有的项目应略去);无(低)卤一低烟一低毒一阻燃一耐火例如:(1)阻燃(A)类聚氯乙烯绝缘聚氯乙烯护套电力电缆,型号为:ZA-VV (2)低卤阻燃(B类)PVC绝缘PVC护套电力电缆,型号为:DZB-VV (3)低卤低烟阻燃(C类)PVC绝缘PVC护套电力电缆,型号为:DDZC-VV (4)无卤低烟阻燃(A类)交联聚乙烯绝缘钢带销装聚烯烃护套电力电缆,型号为:WDZA-YJY23(外护层的聚烯烃护套用数字3)(5)无卤低烟阻燃(B类)交联聚乙烯绝缘聚烯烃护套电力电缆,型号为:WDZB 一YJY(聚烯烃型号用Y不用X、E、O或P,据GB/T13849-1993)(6)无卤低烟耐火(A类)交联聚乙烯绝缘聚烯烃护套电力电缆,型号为:WDNA -YJY(7)耐火(B类)聚氯乙烯绝缘聚氯乙烯护套电力电缆,型号为:NB-VV3.5防火电缆必须注意的问题以上提出了根据电线电缆的燃烧特性来确定相应型号和称谓的方法。
现就目前出现的一些问题及如何处理说明如下:(1)不要给阻燃戴高帽子为使电线电缆达到阻燃的要求,有各种各样的方法。
例如,采用以无机阻燃剂为基的胶泥填充(即所谓"隔氧层"、"隔火层"等)或以无机阻燃剂为基的涂料涂覆的阻燃市带(即所谓"高阻燃带"、"隔氧隔火带"等)包绕,在解决交联聚乙烯绝缘等易燃材料组成的电缆阻燃问题上起着非常重要的作用,甚至可以达到阻燃A类的水平。
但不要给它戴上"高阻燃"、"超高阻燃"、"特高阻燃"的帽子,不要采用GZR的型号。
这是因为,依据的燃烧试验方法和指标相同,都是IEC 332-3或GB 12666.5,所以不管采用何种手段和方法来实现阻燃,其型号和称谓应该相同。
目前阻燃的最高级别是ZA。
值得指出的是,不要给阻燃电缆起新名字,如隔氧层电缆、隔火层电缆等,否则,在国际招标中就让人难以理解。
(2)称谓不要颠来倒去你叫"无卤低烟",他叫"低烟无卤",在实质上没有差别,但称谓就不统一。
而且导致型号可以是WD,也可以是DW,颠来倒去也不统一。
在国外,称谓都是先卤后烟。
例如,法国阿尔卡特公司称HALOGEN FREE LOW SMOKE CABLES(无卤低烟电缆),型号为XLS;英国德尔塔公司称ZERO HALOGEN LOW SMOKECABLES(应译无卤低烟电缆,不译零卤低烟电缆,以免自造混乱),型号为OHLS,等等。
可见还是叫"无卤低烟"好。
同理,"低卤低烟"不要叫做"低烟低卤"。
(3)阻燃不要称为难燃阻燃与国际通用的FLAME RETARDANT切合,因为RETARDANT是延迟、阻止之意。
日本人称为难燃;并把阻燃剂叫做难燃剂。
为统一称谓,叫阻燃好,型号用Z不用N。
(4)矿物绝缘(MI)电缆不要再Pg防火电缆矿物绝缘(MI)电缆是有别于有机绝缘电缆的另类电缆,阻燃和耐火是其固有特性之一,因此,在需防火的地方,可推荐选用MI电缆。
但不必把它再叫做防火电缆,以免与有机绝缘的阻燃电缆和耐火电缆相混淆。