数字指示秤计量校准规范
- 格式:doc
- 大小:253.00 KB
- 文档页数:4
数字指示秤检定操作规程一、目的及适用范围为了保证检定时操作程序规范化,使检定结果准确可靠,特制定本操作规程。
本程序适用于中准确度级、普通准确度级的数字指示秤的首次检定,随后检定和使用中的检验。
二、技术依据JJG539-1997《数字指示秤检定规程》三、技术要求及检定条件技术要求:按照JJG539-1997规程要求进行检定。
环境条件:1、环境温度:常温2、相对湿度:小于85%四、使用主要仪器及配套设施五、检定程序5.1检定前的准备5.1.1收录被检秤的技术参数:Max、准确度等级、分度值(是否多分度值)、生产厂家,了解有关检定信息(是否首次检定、随后检定、使用中检验),必要时向用户索取技术资料和使用说明书。
5.1.2组织计量标准设备:Max <1t的秤,组织等于Max的M1级砝码;(建议Max v 10t全部用砝码检定)Max > 1t的秤,一般组织50% Max的M1级砝码。
应能组合成Min、500e (或50e)、2000e (或200e )、50% Max、Max 的砝码组合。
组织m支e的M1级附加砝码(应有15个0.1e的小砝码)。
5.1.3搬运、装卸砝码时应轻拿轻放,保护砝码不受损坏和注意搬运人员安全;装载设备吊装大砝码时,检定人员应将安全注意事项与装载人员进行勾通,并遵守有关安全规则,确保砝码不受损坏和人身安全,防止意外事件发生。
5.2首次检定5.2.1外观检查:按JJG539-1997《数字指示秤检定规程》(以下简称《规程》)的5.1.1〜5.1.4条款对被检秤进行目测检查。
5.2.2称量测试:5.2.2.1测试前的准备:a、移动式的秤应在平板或平台上进行测试,并调整水平;b、检查秤的供电情况,对首次使用的电源要用电测仪器测量电源参数,供电质量应符合秤的使用要求;c、不大于10 t的秤预加一次载荷到Max,Max》0t的秤可用>50% Max载重车辆往返通过承载器》3次,试验后应检查秤的承重机构、显示等有无异常变化,卸载后秤的指示一般为0。
数字指示秤示值误差测量结果的不确定度评定1概述1.1测量依据:JJG539--1997《数字指示秤》计量检定规程。
1.2环境条件:温度(-10~40)℃。
1.3测量标准:M1等级砝码,根据JJG99-2006 《砝码》计量检定规程中给出100mg~10kg砝码质量的最大允许误差为±(0.5mg~0.5g)。
1.4被测对象数字指示秤○Ⅲ级,最大称量15kg、最小称量100g、检定分度值e为5g,0≤m≤500e时MPE为±0.5e;500<m≤2000e时MPE为±1.0e;2000e<m≤MAX时MPE为±1.5e。
1.5测量过程从零点起按由小到大的顺序加载砝码至最大称量后再倒序卸载至零点,分别测量其示值与标准砝码质量值之差即为示值误差。
一般情况按照检定规程要求数字指示秤应选定最小称量;500e;50%最大称量;2000e;最大称量五个称量点进行测量。
1.6评定结果的使用在符合上述条件下,对15kg规格数字指示秤的0.1kg;2.5kg;7.5kg;10.0kg;15.0kg点示值误差的测量,一般可直接使用本不确定度的评定结果。
对其他规格○Ⅲ级数字指示秤的示值误差测量结果的不确定度可采用本评定方法。
2建立数学模型2.1数学模型m p -=∆E式中: ∆E ――电子秤化整前的示值误差;p ――电子秤化整前的示值;m ――标准砝码质量值;2.2灵敏系数 11=∂∆E∂=pc 12-=∂∆E ∂=m c2.3传播率公式因各输入量彼此独立不相关,所以 ()()()()()m u p u m u c p u c u c 222222212+=+=∆E3全部输入量的标准不确定度评定及其相应自由度本评定方法以0.1kg ;2.5kg ;7.5kg ;10.0kg ;15.0kg ;五个称量点为例。
3.1输入量p 的标准不确定度()p u 来源主要是数字指示秤测量重复性、四角偏载误差等引起的。
中华人民共和国国家计量检定规程—数字指示称中华人民共和国国家计量检定规程——数字指示称的具体内容如下:
1.准确度等级的划分:根据数字指示称的准确度要求,可以分为不同的等级,如0.1级、0.2级、0.5级、1级等。
2.计量性能要求:包括最大允许误差、最小称量、稳定性等。
最大允许误差是数字指示称在称量点上的允许误差,最小称量是数字指示称能够准确测量的最小质量,稳定性则表示数字指示称在一定时间内保持计量性能不变的能力。
3.检定分度值:检定分度值是指数字指示称的刻度值,它反映了数字指示称的精度。
检定分度值越小,说明数字指示称的精度越高。
4.引用文件和术语:为了确保数字指示称的计量准确性,需要遵守相关标准和规范,如JJG539-2016数字指示秤检定规程等。
同时,还需要了解相关的术语和计量单位。
5.概述:对数字指示称的基本概念、应用范围和特点进行简要介绍。
总之,中华人民共和国国家计量检定规程——数字指示称是为了确保数字指示称的计量准确性和可靠性而制定的规范,对数字指示称的生产和使用具有重要意义。
数字指示秤校准作业指导书1、目的为确保检验、测量和试验所用的衡器溯源至国家基准,保持其量值的准确可靠,规范本公司内部校准操作,特制定本作业指导书。
2、范围本职业指导书适用于本公司使用的国家依法管理的中准确度级和普通准确度级的数字指示秤的校准。
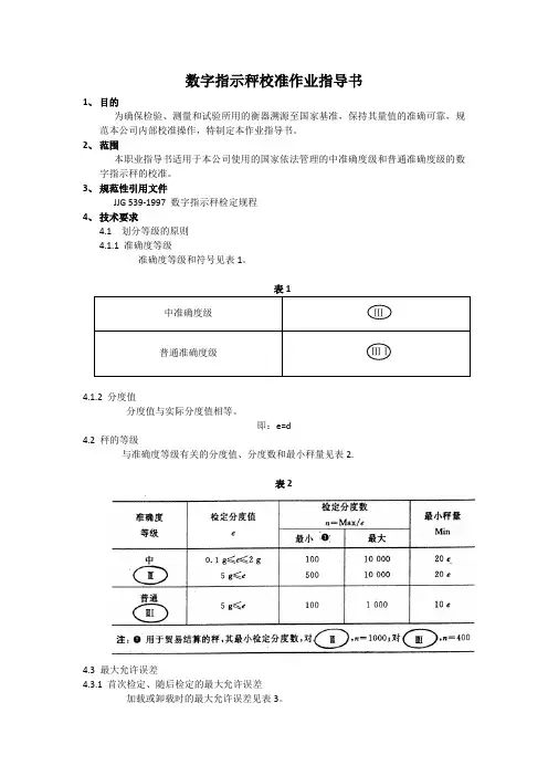
3、规范性引用文件JJG 539-1997 数字指示秤检定规程4、技术要求4.1 划分等级的原则4.1.1 准确度等级准确度等级和符号见表1。
表14.1.2 分度值分度值与实际分度值相等。
即:e=d4.2 秤的等级与准确度等级有关的分度值、分度数和最小秤量见表2.表24.3 最大允许误差4.3.1 首次检定、随后检定的最大允许误差加载或卸载时的最大允许误差见表3。
表34.3.2 校准的最大允许误差,是首次检定最大允许误差的2.0倍(上限)。
4.3.3 净重值的最大允许误差最大允许误差均适用于除皮后的净重值,预置皮重值除外。
4.4 称量结果间的允许差值不管称量结果如何变化,任何一次称量结果的误差,应不大于该称量的最大允许误差。
4.5 校准标准器校准时用做校准标准器的标准砝码误差,应不大于秤相应称量最大允许误差的三分之一。
4.6 秤的标志4.6.1 说明标志4.6.1.1 说明标志内容:制造厂的名称和商标;准确度等级:中准确度等级(符号为:Ⅲ);普通准确度级(符号为:ⅢⅠ);最大称量(Max);最小称量(Min);分度值(e);制造许可标志和编号;4.6.1.2 对说明标志的要求说明标志应牢固可靠,其字迹大小和形状必须清楚、易读。
这些标志应集中在明显易见的地方,标志在称量结果附近,固定于秤的一块铭牌上,或在秤的一个部位上。
标志的铭牌应加封,不破坏铭牌无法将其拆下。
4.6.2 校准标志4.6.2.1 位置校准标志的位置应当是:a.标志容易固定;b.在使用中,不移动秤就可以看见标志。
4.6.2.2 固定采用自粘型检定标志,应保证标志持久保存,并留出固定位置,位置的直径至少为25mm。
数字指示秤校验规程1.0目的规范数字指示秤校验的操作,确保数字指示秤的测量精度处于受控状态,检验结果真实、可靠,以确保产品品质。
2.0范围本规程适用于中准确度等级和普通准确度级的数字指示秤(以下简称秤)的首次检定、后续检定和使用中检查。
数字指示秤主要有电子案秤、电子台秤、电子吊秤和固定式电子秤四种类型。
3.0供电电源按照制造厂商技术说明书中规定的供电方式接通被测秤的电源。
4.0环境条件应在环境温度稳定的条件下进行,一般为-10ºC~40ºC,温度变化一般不超过5℃/h。
5.0校验方法5.1外观检查计量法制标志和计量器具标识应标注在秤的明显易见位置,并应表示在永久固定于秤体的铭牌上,或在秤自身不可拆卸的部分上。
标志和标识必须清晰可辨、牢固可靠。
由不同制造商生产的称重指示器和称重传感器组成的秤,则每个独立单元应有各自的说明性标识。
5.1.1计量法制标志内容:a)制造计量器具许可证的标志和编号;b)检定合格标志(适用于后续检定和使用中检查)。
5.1.2计量器具标识内容:a) 制造厂名称;b) 秤的名称、规格(型号)、出厂编号;c) 准确度等级标志;d) 最大秤量,可表示为Max,多分度秤可表示为Maxi:.../.../...;e) 最小秤量,可表示为Min;f) 检定分度值,可表示为e,多分度秤可表示为ei:.../.../...,实际分度值,可表示为d;g) 检定分度数,可表示为n;h) 工作温度范围;i) 限制使用场合的特殊说明:若n>3000时,应注明“不允许室外使用”;j)封签是否完好,铅封的直径应不小于5mm,并且有相关标识。
5.2检定前的准备a)开机预热,预热时间等于或大于制造厂商规定的预热时间,一般不超过30 min;b)带水平调整装置的秤,应将秤调整到水平位置;c)对于可旋转的秤,测试前应将秤调整到处于自由悬挂状态;d)预加载一次到接近最大秤量或确定的安全最大载荷,卸除全部载荷;5.3每项检定结束后,在进行下一项检定前,应有必要的恢复时间。
数字指示秤检定/校准实施细则1 目的为了保证数字指示秤检定/校准的正确实施,确保检定/校准数据、结论的准确可靠,特制定本实施细则。
2 适用范围本细则适用于新制造、新安装、使用中和修理后的数字指示秤的检定/校准工作的实施。
3 依据文件JJG539—1997《数字指示秤检定规程》4 检定/校准实施内容4.1 检定/校准前的准备4.1.1 准备好与被检器具量程相应的M1等级砝码。
4.1.2 准备好相应的辅助检定设备。
4.1.3 准备好计量检定规程备查;以及原始记录。
4.2 检定/校准步骤4.2.1 外观检查检定前对秤进行下列目测检查:①法制计量管理标志检查制造许可证的标志和编号②计量特征检查本规程4.1.1项规定的标志要求③铭牌以及检定标志和管理标志④若已确定秤的使用条件与地点,则应检查其是否合适。
4.2.2 进行一系列测试,以证实其是否符合下列项目要求。
4.2.2.1 测试前的准备a.移动式的秤应在平板或平台上进行测试;b.带水平调整的秤,测试前应将秤调至标准位置;c.称量测试前,应预加一次载荷到最大称量;对最大称量大于或等于10t的秤,也可用不少于50%最大称量的载重车辆往返通过承载器不少于三次。
4.2.2.2 置零与除皮装置的准确度4.2.2.3 置零装置的准确度①置零装置的准确度的测试②将示值摆脱自动置零与零点跟踪范围,然后按照4.2.4.2点计算零点误差。
4.2.2.4 除皮装置的准确度确定除皮装置的准确度,应把使用除皮装置的示值调整为零,用4.2.2.1.2点方法测试。
4.2.3 加载前的置零按下述方法置零或确定零点a.对非自动置零秤,将0.5e的小砝码放于承载器上,调整秤直至出现示值在零上一个分度值之间闪变,取下小砝码,即获得零位的中心。
b.对半自动置零、自动置零或零点跟踪的秤,零点的偏差按照4.2.2.1规定测定。
4.2.4 称量性能4.2.4.1 称量测试从零点起按由小到大的顺序加砝码至最大称量,用相同的方法卸砝码至零点,测试至少应选定以下5个称量:最小称量,最大允许误差改变的称量,如中准确度级:500e,2000e;普通准确度级:50e,200e;50%最大称量;最大称量,4.2.4.2 误差计算无指示较小分度值(不大于0.2e)的秤,采用闪变点方法来确定化整前的示值。
数字指示秤检定操作规程一、目的及适用范围为了保证检定时操作程序规范化,使检定结果准确可靠,特制定本操作规程。
本程序适用于中准确度级、普通准确度级的数字指示秤的首次检定,随后检定和使用中的检验。
二、技术依据JJG539-1997《数字指示秤检定规程》三、技术要求及检定条件技术要求:按照JJG539-1997规程要求进行检定。
环境条件:1、环境温度:常温2、相对湿度:小于85%四、使用主要仪器及配套设施五、检定程序5.1 检定前的准备5.1.1 收录被检秤的技术参数:Max、准确度等级、分度值(是否多分度值)、生产厂家,了解有关检定信息(是否首次检定、随后检定、使用中检验),必要时向用户索取技术资料和使用说明书。
5.1.2 组织计量标准设备: Max≤1t的秤,组织等于Max的M1级砝码;(建议Max<10t全部用砝码检定)Max>1t的秤,一般组织50% Max的M1级砝码。
应能组合成Min、500e(或50e)、2000e(或200e)、50% Max、Max的砝码组合。
组织m≥2e的M1级附加砝码(应有15个0.1e的小砝码)。
5.1.3 搬运、装卸砝码时应轻拿轻放,保护砝码不受损坏和注意搬运人员安全;装载设备吊装大砝码时,检定人员应将安全注意事项与装载人员进行勾通,并遵守有关安全规则,确保砝码不受损坏和人身安全,防止意外事件发生。
5.2 首次检定5.2.1 外观检查:按JJG539-1997《数字指示秤检定规程》(以下简称《规程》)的5.1.1~5.1.4条款对被检秤进行目测检查。
5.2.2 称量测试:5.2.2.1 测试前的准备:a、移动式的秤应在平板或平台上进行测试,并调整水平;b、检查秤的供电情况,对首次使用的电源要用电测仪器测量电源参数,供电质量应符合秤的使用要求;c、不大于10 t的秤预加一次载荷到Max,Max≥10t的秤可用≥50% Max载重车辆往返通过承载器≥3次,试验后应检查秤的承重机构、显示等有无异常变化,卸载后秤的指示一般为0。
质量文件1.目的为公司数字指示秤的校准能遵循一标准操作程序,使其达到应有的精确度,减少测量误差并避免损失。
2.适用范围适用于本公司计量室对数字指示秤进行内校准。
3.定义检定分度值:一般用e表示,厂商已标定在秤上;实际分度值:一般用d表示,厂商已标定在秤上;检定分度数:一般用n表示,n=最大秤量/e。
准确度等级:中准确度Ⅲ(万分之一以下精确度且d大于等于0.1g),普通准确度级Ⅳ的数字指示秤(千分之一以下精确度且d大于等于5g)4.职责品控部负责数字指示秤校准操作实务并对校准规范及时维护更新;5.内容和要求5.1对校准系统追溯体系要求5.1.1计量室直接追溯至国家二级计量机构。
广州中通生化制品有限公司校准系统追溯体系图5.2计量员校准操作实务内容5.2.1电子计数秤的外观、通电检查5.2.1.1外形结构完整:部件无松动、损坏,附件齐全,面板指示、读数LED清晰可辨;5.2.1.2铭牌标识完整:制造厂名、商标、机身编码、准确度等级、最大和最小秤量、检定分度值e、实际分度值d、制造许可证标志和编号标记清晰,铭牌加封牢固;5.2.1.3通电功能检查:能正常开关机,仪器供电电压、频率和电源保险丝是否符合要求(重点检查区分110V或220V输入符合要求)。
5.2.2计算零点误差5.2.2.1零点误差的产生:待校准电子秤虽有置零功能键,但随着使用频次、或秤本身置零点变动而产生了相对于理想零位点的飘移;5.2.2.2零点误差的计算:为了摆脱自动置零和零点跟踪范围,特在待校准秤上预加砝码值m0=10e(若秤为不带零点跟踪功能则不需预加),此时秤的示值为I;逐渐添加每个为0.1e的小砝码(添加之和为Δm0)使秤的示值明显变化为I+e,零点误差E0=P0-m0=I+0.5e-Δm0-m0,零点误差或接近零点误差(如10e)E0须不大于0.25e。
5.2.3计算修正误差5.2.3.1秤上添加质量为 m的称量误差E的计算与零点误差计算相同(参见5.2.2.2),不同的是零位误差秤上预放的是10e质量砝码,而称量误差E是预放质量为m砝码时的误差。
目的:本规程规定了对数字指示秤进行检定的操作规程。
责任: 由工程部制订、审核,质量保证部批准并颁发,工程部计量室执行。
范围:本规程适用于数字指示秤的检定人员。
定义:无相关定义。
内容:1.外观检定对秤进行目测检查,察看其标志铭牌是否完好。
2.测试前应将秤放置于平板或平台之上,并进行水平调整后,打开电源。
3.置零装置准确度测试:给秤加上10e的砝码m,读出示值I,逐一加放0.1e的小砝码,至秤的示值明显地增加了一个e,记下附加的小砝码的质量为Δm。
由公式E=I+0.5e-Δm-m ⑴计算出零点误差E0的数值。
4.偏载测试将1/3最大秤量的砝码依次加放在面积约等于承载器1/4的区域内,读出示值I,逐一加放0.1e的小砝码,至秤的示值明显地增加了一个e,记下附加的小砝码的质量为Δm。
由公式⑴计算各区域的偏载误差E,由公式E C=E-E0⑵计算E C的数值。
5.称量及鉴别力测试5.1从零点起按由小到大的顺序加砝码至最大秤量,用相同的方法卸砝码至零点。
测试应选定以下5个秤量:最小秤量、最大允许误差改变的秤量、50%最大秤量、最大秤量。
在各个测量秤量进行误差测试,由公式⑴、⑵计算各点的秤量误差。
5.2在最小秤量、50%秤量和最大秤量进行鉴别力测试。
方法如下:在承载器上加放一定量砝码和10个0.1d的小砝码,然后集资取下小砝码,直至示值I确实地减少了一个实际分度值为I-d,此时加上1.5d的小砝码时,示值应为I+d。
鉴别力测试在称量测试中进行。
6.除皮准确度及除皮称量测试6.1除皮准确度给秤加上作为皮重的砝码或替代物,按“除皮”键除皮,此时示值为0,逐渐加上0.1e的小砝码,直至秤的示值明显地增加了一个e,附加的砝码为Δm,由公式⑴计算出除皮后的零点误差为E0。
6.2除皮称量测试:对2个不同的皮重量进行除皮称量测试,除皮后如5.1操作,计算除皮称量误差。
7.重复性测试分别在约50%最大秤量和接近最大秤量进行两组测试,每组重复3次。
中华人民共和国国家计量检定规程JJG 539—2015数字指示秤Digital Indicating Weighing Instruments(征求意见稿)XXXX-XX-XX发布XXXX-XX-XX实施国家质量监督检验检疫总局发布归 口 单 位 : 全国衡器计量技术委员会主要起草单位:北京市计量检测科学研究院福建省计量科学研究院浙江省计量科学研究院新疆维吾尔自治区计量测试研究院参加起草单位:山东省计量科学研究院济南市计量检定测试院永康市华鹰衡器有限公司本规程委托全国衡器计量技术委员会负责解释 数字指示秤检定规程Verification Regulation of Digital Indicating WeighingInstruments本规程主要起草人:刘伟(北京市计量检测科学研究院)池辉(福建省计量科学研究院)陆品(浙江省计量科学研究院)赵力军(新疆维吾尔自治区计量测试研究院)参加起草人:刘平(山东省计量科学研究院)李峻(济南市计量检定测试院)潘发兴(永康市华鹰衡器有限公司)目录引言 (V)1 范围 (1)2 引用文件 (1)3 术语和计量单位 (1)3.1 术语 (1)3.2 计量单位 (2)4 概述 (2)5 计量性能要求 (2)5.1 准确度等级及符号 (2)5.2 检定分度值 (2)5.3 准确度等级的划分 (3)5.4 多分度秤的附加要求 (3)5.5 最大允许误差 (3)5.6 称量结果间的允许误差 (4)5.7 鉴别阈 (4)5.8 置零准确度及除皮准确度 (4)6 通用技术要求 (5)6.1适用性 (5)6.2 一致性 (5)6.3 安全性 (5)6.4 扩展指示装置 (5)6.5 多指示装置 (5)6.6 计量法制标志和计量器具标识 (5)7 计量器具控制 (6)7.1 检定用标准器具 (6)7.2 环境条件 (7)7.3 检定项目 (7)7.4 通用技术要求的检查 (8)7.4.1 适用性 (8)7.4.2 一致性 (8)7.4.3 安全性 (8)7.4.4 扩展指示装置 (8)7.4.5 多指示装置 (8)7.4.6 计量法制标志和计量器具标识 (8)7.5 计量性能检定 (8)7.6 检定结果的处理 (14)7.7 检定周期 (14)附录A (15)附录B (18)附录C (19)引言本规程是对JJG 539-1997《数字指示秤》检定规程进行修订。
●数字指示秤检定规程数字指示秤检定规程为JJG539—97,其母规程为JJG555—96适用。
它适用于数字指示秤的首检、随后检定和使用中的检验,装有电子装置的秤就叫数字指明示秤,如:电子计价秤、电子台秤、固定式电子秤(含电子汽车衡、电子地上衡等)等。
2,术语:检定:为评定秤的计量性能,确定其是否符合法定要求所进行的全部工作。
首检:即首次检定,是指对从未检定过的秤所进行的检定。
含通过样机试验和定型鉴定并取得制造许可证后的新制造、新安装和进口秤的检定。
随后检定:首次检定后的检定。
●数字指示秤检定规程使用中检验:检验使用中的秤是否符合计量检定规程的要求;是否处于良好的工作状态;使用是否正确、可靠。
3,秤的等级:准确度等级与秤的检定分度值检定分度数最小秤量的关系见下表。
●数字指示秤检定规程4,最大充许误差:中等准确度和普通准确度的首检和随后检定最大充许误差见下表,使用中检验最大充许误差为下表的两倍。
不管称量结果如何变化,任何一次称量结果的误差,应不大于该秤量的最大充许误差。
多指示装置的秤其各指示装置指示之间或指示装置指示与打印装置指示之间示值●数字指示秤检定规程5,置零装置和除皮装置的准确度和鉴别力测试:置零装置准确度:置零后,零点偏差对称量结果的影响应不大于0.25e。
对不带置零装置的秤,先将秤置零,然后测定使示值由零变为零上一个分度值所施加的砝码量;对自动置零的秤,可用加放10e的砝码,使其摆脱自动置零和零点跟踪再测试。
除皮装置的准确度:a,对单分度值秤为±0.25e;对多分度值秤为最小量程的一个分度值。
鉴别力测试:在最小秤量、50%最大秤量和最大秤量进行鉴别力测试。
方法是在承载器上加放某一定量的砝码和10个0.1d的小砝码,此时示值为I,然后依次最下0.1d 的小砝码,直至示值确实地减小一个分度值,加上0.1d砝码,再加上1.4d的砝码,此时其示值应变为I+1 d。
●数字指示秤检定规程6,外观检查和测试前的准备:外观检查必须检查:制造许可证的标志()和许可证号;强制必备标志(制造厂的名称和商标、准确度等级、最大秤量、最小秤量、检定分度值);必要时可备标志(出厂编号等)。
精心整理中华人民共和国国家计量检定规程JJG539—2015数字指示秤济南市计量检定测试院永康市华鹰衡器有限公司本规程委托全国衡器计量技术委员会负责解释本规程主要起草人:刘伟(北京市计量检测科学研究院)池辉(福建省计量科学研究院)陆品(浙江省计量科学研究院)赵力军(新疆维吾尔自治区计量测试研究院)参加起草人:刘平(山东省计量科学研究院)目录引言................................................................. 错误!未指定书签。
1范围............................................................ 错误!未指定书签。
2引用文件 ...................................................... 错误!未指定书签。
3术语和计量单位 .............................................. 错误!未指定书签。
3.1术语 ............................................................ 错误!未指定书签。
3.2计量单位....................................................... 错误!未指定书签。
4概述............................................................ 错误!未指定书签。
5计量性能要求................................................. 错误!未指定书签。
5.1准确度等级及符号............................................ 错误!未指定书签。
7.4.6计量法制标志和计量器具标识7.5计量性能检定 ................................................. 错误!未指定书签。
jjg539-2016《数字指示秤检定规程》解读
《数字指示秤检定规程》是指对数字指示秤进行检定的一套规程。
下面是对该规程的简要解读:
1.适用范围:该规程适用于使用数字指示秤进行商品交易、计量检定等场合的检定工作。
2.检定对象:检定对象为数字指示秤,包括电子秤和机械秤。
3.检定要求:对数字指示秤的准确度、重复性、稳定性等性能进行检定,确保其符合计量法规定的精度要求。
4.检定方法:检定方法包括静态检定和动态检定。
其中静态检定包括零点检定、最小计量单位检定、线性度检定等;动态检定包括稳定性检定、回归检定等。
5.检定依据:检定依据根据国家标准《计量器具技术要求和检定方法》等相关规定进行。
6.检定记录:对进行检定的数字指示秤需进行检定记录,包括检定结果、检定时间、检定人员等信息。
7.检定周期:根据使用频率和检定结果,合理确定数字指示秤的检定周期。
8.检定机构:检定机构应具备合法资质,并需严格遵守检定规程的相关要求。
通过对《数字指示秤检定规程》的解读,可以帮助相关人员理解并正确执行对数字指示秤的检定工作,提高计量准确度和交易的公平性。
参照国际建议OIML R76-1 :2006(E)《非自动衡器第一部分:计量和技术要求一试验中有关的内容》1.计量安全性原规程在器件和预置控制器的保护条款中作出印封或铅封的要求;新规程要求在其明显易见位置应注明“本秤不具备欺骗性使用的特征”的字样。
只保留了铅封的防护措施,给出了具体防护的部位。
明确规定了经检定合格后必须加检定机构的铅封。
国家质检总局对于数字指示秤的防作弊工作非常重视,为了更好地重新制修订“数字指示秤”国家型评大纲及计量检定规程,提供切实可行的防作弊技术依据,全国衡器计量技术委员会于2015年2月至3月向全国31 个省、市计量行政管理部门和计量技术机构展开了“数字指示秤防作弊”的专题调研,并于5月初召开了全国数字指示秤防作弊项目专题论证会议,在制定或修订型式评价大纲和检定规程时分别增加相关技术要求。
其中检定规程要求:(1)厂家声明“本秤不具备欺骗性使用的特征”的字样。
通过声明,生产厂家首先是杜绝自己生产的秤留有作弊的缺口,另外从生产领域提高秤的防作弊功能。
(2)加强对秤的首次检定的核查,以及首次检定应进行哪些检定项目。
核查对于整体结构的秤外壳是否有铅封,分体结构的秤称重指示器和接线盒是否有铅封。
核查铅封不破坏情况下是否能被拆下。
禁止任何不破坏铅封就能对秤进行与计量性能有关的参数调整。
(3)经首次检定或后续检定合格的秤应重新加铅封。
经检定合格后必须加检定机构的铅封,铅封不能破坏和拆下;铅封破坏后,合格即失效。
根据调研报告和论证会议提出的要求,新规程分别在3.1.1及6.1中提出了具体要求。
2.扩展显示装置新规程较原规程增加了扩展显示装置的要求。
某些电子秤为了便于调整,生产厂家通常设有特定程序,通过内置开关或键盘指令,使秤的显示进入“内分辨状态”。
装有扩展显示装置的秤,应该有明示的按键或位置,其实际分度值d不能大于0.2e,_般是0.1e或者0.2e,在扩展显示期间,或在发出手动指令后的5s 内,均不得打印,但对带有计价功能的秤不允许安装扩展显示装置。
中华人民共和国国家计量检定规程JJG 539—2015数字指示秤Digital Indicating Weighing Instruments(征求意见稿)XXXX-XX-XX发布XXXX-XX-XX实施国家质量监督检验检疫总局发布归 口 单 位 : 全国衡器计量技术委员会主要起草单位:北京市计量检测科学研究院福建省计量科学研究院浙江省计量科学研究院新疆维吾尔自治区计量测试研究院参加起草单位:山东省计量科学研究院济南市计量检定测试院永康市华鹰衡器有限公司本规程委托全国衡器计量技术委员会负责解释 数字指示秤检定规程Verification Regulation of Digital Indicating WeighingInstruments本规程主要起草人:刘伟(北京市计量检测科学研究院)池辉(福建省计量科学研究院)陆品(浙江省计量科学研究院)赵力军(新疆维吾尔自治区计量测试研究院)参加起草人:刘平(山东省计量科学研究院)李峻(济南市计量检定测试院)潘发兴(永康市华鹰衡器有限公司)目录引言 (V)1 范围 (1)2 引用文件 (1)3 术语和计量单位 (1)3.1 术语 (1)3.2 计量单位 (2)4 概述 (2)5 计量性能要求 (2)5.1 准确度等级及符号 (2)5.2 检定分度值 (2)5.3 准确度等级的划分 (3)5.4 多分度秤的附加要求 (3)5.5 最大允许误差 (3)5.6 称量结果间的允许误差 (4)5.7 鉴别阈 (4)5.8 置零准确度及除皮准确度 (4)6 通用技术要求 (5)6.1适用性 (5)6.2 一致性 (5)6.3 安全性 (5)6.4 扩展指示装置 (5)6.5 多指示装置 (5)6.6 计量法制标志和计量器具标识 (5)7 计量器具控制 (6)7.1 检定用标准器具 (6)7.2 环境条件 (7)7.3 检定项目 (7)7.4 通用技术要求的检查 (8)7.4.1 适用性 (8)7.4.2 一致性 (8)7.4.3 安全性 (8)7.4.4 扩展指示装置 (8)7.4.5 多指示装置 (8)7.4.6 计量法制标志和计量器具标识 (8)7.5 计量性能检定 (8)7.6 检定结果的处理 (14)7.7 检定周期 (14)附录A (15)附录B (18)附录C (19)引言本规程是对JJG 539-1997《数字指示秤》检定规程进行修订。
1. 目的规范数字指示秤的内校作业, 使校验工作有据可依, 确保仪器正常运行及校验结果的准确性。
特制定本作业指导书。
2. 概述适用于移动式的案秤、台秤、固定式的地秤、机械吊秤的内校作业。
3. 术语4. 操作说明4.1使用标准件:标准砝码4.2校验环境:温度: 24±2℃;湿度:40%±20%RH;4.3校验周期:每年1次。
4.4校验步骤:4.4.1校验前4.4.1.1确认标准件外校日期是否在有效期范围内;4.4.1.2确认校验环境是否符合要求;4.4.1.3校验员必须佩戴手套或手指套作业;4.4.2外观检查:4.4.2.1检查制造许可证的标志和编号;4.4.2.2强制必备标志准确度等级:中准确度级符号为;普通准确度级符号为;最大秤量:(Max);最小秤量:(Min);检定分度值:(e);4.4.2.3标志应牢固可靠,字迹大小和形状必须清楚、易读。
4.4.3测试4.4.3.1测试前准备4.4.3.1.1测试前的准备:移动式的秤,安放在平地上进行测试;4.4.3.1.2带水平调整装置的秤,测试前应将秤调至标准位置;4.4.3.1.3称量测试前,应预加一次载荷到最大秤量;4.4.3.2置零:置零后,零点偏差对称量结果的影响应不大于0.25e;4.4.3.3秤量测试性能:4.4.3.3.1从零点起按由小到大的顺序加砝码至最大秤量,用相同的方法卸砝码至零点。
测试至少应选定以5个秤量:4.4.3.3.2秤量最少要5个载荷点:①最小秤量②最大允许误差改变的秤量如:中准确度级:500e、2000e;普通准确度级;50e、200e;③50%最大秤量;④最大秤量。
备注:使用中校验:秤量测试,可根据实际使用情况,不测试至最大秤量,至少测试至2/3最大秤量;4.4.3.3.3加卸砝码时应分别逐渐地递增或递减;4.4.3.3.4加载或卸载的最大允许误差如下表:最大允许误差载荷m以检定标尺分度度值e表示首次检定使用中检验Ⅰ级Ⅱ级Ⅲ级Ⅳ级±0.5e ±1e 0≤m≤50000 0≤m≤5000 0≤m≤500 0≤m≤50 ±1.0e ±2e 50000<m≤200000 5000<m≤20000 500<m≤2000 50<m≤200 ±1.5e ±3e 200000<m 20000<m≤100000 2000<m≤10000 200<m≤10004.4.3.4使用替代物进行称量测试:4.4.3.4.1从零点开始,使用砝码进行称量测试,直至确定的砝码用完,然后卸去砝码,返回零点;4.4.3.4.2用替代物取代前面所加砝码,直至达到测定该秤量误差时出现相同的闪变点。
关于数字指示秤的检定规程资料整理一、参数及术语说明1、数字指示秤铭牌上应有的参数最大称量:最大能称的重量,超过此重量时,数字指示秤不保证准确度或有可能损坏数字指示秤。
最小称量:最小能称的重量,低于此重量时,数字指示秤不保证准确度。
检定分度值:字母代号为e,数字指示秤称重时,显示的值均为检定分度值的整数倍,即显示的值增大或减小的最小数量。
准确度:分为○Ⅰ、○Ⅱ、○Ⅲ、○Ⅳ级别,一般铭牌上会注明,如未注明可根据下表2、检定操作及计算误差时的参数及术语小砝码:一个小砝码的重量为0.1e。
大砝码:不当小砝码用的砝码均称为大砝码。
m:加载的所有大砝码的总重量。
I:示值,即数字指示秤上显示的值。
Δm:闪变点,即一个小砝码一个小砝码的加载,当示值变化时加载的所有小砝码的总重量。
mpe:最大允许误差。
二、各项称量测试的操作1、测试项目的顺序首先,测试置零准确度。
其次,进行称量测试和鉴别力测试。
然后,进行除皮称量测试、偏载测试或旋转测试、重复性测试中的一项或几项。
2、置零准确度大砝码的重量:10e,即检定分度值的10倍。
操作:先加载10e重量的大砝码,然后一个小砝码一个小砝码的加载,直至示值发生变化(即加载至闪变点),并记下所有小砝码的总重量(即Δm)。
E0的计算:E0=0.5e-Δm。
mpe:根据《JJG 539-1997 数字指示秤检定规程》规定,置零准确度的mpe的绝对值应小于或等于0.25e。
3、称量测试和鉴别力测试大砝码的重量:受检的秤的最小称量、一半称量及最大称量必须测试,另外可根据需要选取其它称量点。
称量点的测试顺序:先将最小称量、一半称量、最大称量及选取的其它称量进行排序,测试时先从小到大或从大到小一个称量点一个称量点依次进行测试,每个称量点测试完毕后只取下小砝码,秤台上的大砝码不取下,然后加载或取下大砝码至下一称量点进行测试。
当按从小到大或从大到小的顺序测试完所有的称量点后,取下秤台上所有的大砝码和所有的小砝码,并在示值归零后进行反向顺序的测试。
质量文件
1.目的
为公司数字指示秤的校准能遵循一标准操作程序,使其达到应有的精确度,减少测量误差并避免损失。
2.适用范围
适用于本公司计量室对数字指示秤进行内校准。
3.定义
检定分度值:一般用e表示,厂商已标定在秤上;
实际分度值:一般用d表示,厂商已标定在秤上;
检定分度数:一般用n表示,n=最大秤量/e。
准确度等级:中准确度Ⅲ(万分之一以下精确度且d大于等于0.1g),普通准确度级Ⅳ的数字指示秤(千分之一以下精确度且d大于等于5g)
4.职责
品控部负责数字指示秤校准操作实务并对校准规范及时维护更新;
5.内容和要求
5.1对校准系统追溯体系要求
5.1.1计量室直接追溯至国家二级计量机构。
广州中通生化制品有限公司校准系统追溯体系图
5.2计量员校准操作实务内容
5.2.1电子计数秤的外观、通电检查
5.2.1.1外形结构完整:部件无松动、损坏,附件齐全,面板指示、读数LED清晰可辨;
5.2.1.2铭牌标识完整:制造厂名、商标、机身编码、准确度等级、最大和最小秤量、检定分度值e、
实际分度值d、制造许可证标志和编号标记清晰,铭牌加封牢固;
5.2.1.3通电功能检查:能正常开关机,仪器供电电压、频率和电源保险丝是否符合要求(重点检查
区分110V或220V输入符合要求)。
5.2.2计算零点误差
5.2.2.1零点误差的产生:待校准电子秤虽有置零功能键,但随着使用频次、或秤本身置零点变动而
产生了相对于理想零位点的飘移;
5.2.2.2零点误差的计算:为了摆脱自动置零和零点跟踪范围,特在待校准秤上预加砝码值m0=10e(若
秤为不带零点跟踪功能则不需预加),此时秤的示值为I;逐渐添加每个为0.1e的小砝码(添加之和为Δm0)使秤的示值明显变化为I+e,零点误差E0=P0-m0=I+0.5e-Δm0-m0,零点误差或接近零点误差(如10e)E0须不大于0.25e。
5.2.3计算修正误差
5.2.3.1秤上添加质量为 m的称量误差E的计算与零点误差计算相同(参见5.2.2.2),不同的是零位
误差秤上预放的是10e质量砝码,而称量误差E是预放质量为m砝码时的误差。
5.2.3.2修正误差E c是判定称量测试是否合格的依据,代入E c=E-E0=(P-m)-(P-m0),每点修正误差E C
差必须不大于该秤量最大允差;
5.2.4称量测试:称量测试分进程与回程,从零点起按从小到大顺序添加砝码,再依次卸载至零点并记
录示值。
测试点至少5点:最小秤量(Ⅲ级20eⅣ10e)、最大允许误差改变的秤量(Ⅲ级500e,2000e Ⅳ50e,200e)、50%秤量、最大秤量。
首次校准各称量测试点修正误差须符合下表(表中的范围数值代表检定分度数n)最大允许误差:
例:一台25kg/5g电子秤,其检定分度数n=最大秤量/e=25000g/5g=5000(Ⅲ级电子秤),对照上表由式25kg*(500/n)=2.5kg,这台电子秤前500个检定分度数内对应的秤量范围是0~2.5kg,依次对照上表可分别得到不同秤量范围对应的允许误差:
0~2.5kg:修正误差的允差为:±2.5g(0.5e);
2.5kg~10kg:范围内修正误差的允差为:±5g(1.0e);
10~25kg:范围内修正误差的允差为±:±7.5g(1.5e)。
5.2.5偏载误差测试:选取待校准秤最大秤量1/3质量的砝码依次放在面积约等于电子计数秤承载盘1/4
之区域正中心(如下图),各点上最大的误差不大于该秤量最大允许误差(允差大小参见5.2.5);。