供水设备安装单元工程质量评定表(表格记录)
- 格式:doc
- 大小:103.50 KB
- 文档页数:6
饮水安全工程供水设备安装单元工程质量评定表
注:单元工程质量标准:合格为工序质量全部合格;优良为工序质量全部合格,优良工序达70%及其以上,且主要工序全部优良。
表1 饮水安全工程清水箱(池)工序质量评定表
注:工序工程质量标准:合格为主要项目达到质量评定标准,一般检查项目基本符合质量标准要求;优良为一般检查项目基本符合质量标准要求,主要项目全部达到质量优良评定标准。
表2 饮水安全工程曝气箱(池)工序质量评定表
注:工序工程质量标准:合格为主要项目达到质量评定标准,一般检查项目基本符合质量标准要求;优良为一般检查项目基本符合质量标准要求,主要项目全部达到质量优良评定标准。
表3 饮水安全工程水处理设备工序质量评定表
注:工序工程质量标准:合格为主要项目达到质量评定标准,一般检查项目基本符合质量标准要求;优良为一般检查项目基本符合质量标准要求,主要项目全部达到质量优良评定标准。
表4 饮水安全工程压力罐、变频设备工序质量评定表
注:工序工程质量标准:合格为主要项目达到质量评定标准,一般检查项目基本符合质量标准要求;优良为一般检查项目基本符合质量标准要求,主要项目全部达到质量优良评定标准。
饮水安全工程供水设备安装单元工程质量评定表
注:单元工程质量标准:合格为工序质量全部合格;优良为工序质量全部合格,优良工序达70%及其以上,且主要工序全部优良。
表1饮水安全工程清水箱(池)工序质量评定表
注:工序工程质量标准:合格为主要项目达到质量评定标准,一般检查项目基本符合质量标准要求;优良为一般检查项目基本符合质量标准要求,主要项目全部达到质量优良评定标准。
表2饮水安全工程曝气箱(池)工序质量评定表
注:工序工程质量标准:合格为主要项目达到质量评定标准,一般检查项目基本符合质量标准要求;优良为一般检查项目基本符合质量标准要求,主要项目全部达到质量优良评定标准。
表3饮水安全工程水处理设备工序质量评定表
注:工序工程质量标准:合格为主要项目达到质量评定标准,一般检查项目基本符合质量标准要求;优良为一般检查项目基本符合质量标准要求,主要项目全部达到质量优良评定标准。
表4饮水安全工程压力罐、变频设备工序质量评定表
注:工序工程质量标准:合格为主要项目达到质量评定标准,一般检查项目基本符合质量标准要求;优良为一般检查项目基本符合质量标准要求,主要项目全部达到质量优良评定标准。
水泵安装单元工程质量评定表
水泵安装单元工程质量评定表
水泵安装单元工程质量评定表
水泵安装单元工程质量评定表
水泵安装单元工程质量评定表
水泵安装单元工程质量评定表
水泵安装单元工程质量评定表
水泵安装单元工程质量评定表
水泵安装单元工程质量评定表
水泵安装单元工程质量评定表
水泵安装单元工程质量评定表
水泵安装单元工程质量评定表
水泵安装单元工程质量评定表
水泵安装单元工程质量评定表
水泵安装单元工程质量评定表
水泵安装单元工程质量评定表
水泵安装单元工程质量评定表
水泵安装单元工程质量评定表
水泵安装单元工程质量评定表
水泵安装单元工程质量评定表
水泵安装单元工程质量评定表
水泵安装单元工程质量评定表
水泵安装单元工程质量评定表
水泵安装单元工程质量评定表
水泵安装单元工程质量评定表
水泵安装单元工程质量评定表
水泵安装单元工程质量评定表
水泵安装单元工程质量评定表。
供水工程
项目划分质量检验评定表
(共13个)
供水工程项目划分表
供水工程
管理房、厂房、泵房单元工程质量评定表表1
注:1、表中“△”项为主要项目
供水工程
输水管道开挖单元工程质量评定表表5
注:1、表中“△”项为主要项目
供水工程
塑料管道安装单元工程质量评定表表6
注:1、表中“△”项为主要项目
供水工程
输水管道管槽回填单元工程质量评定表表7
注:1、表中“△”项为主要项目
供水工程
加压泵安装单元工程质量评定表表8
注:1、表中“△”项为主要项目
供水工程
低压输电线路架设单元工程质量评定表表9
注:1、表中“△”项为主要项目
供水工程
电器安装单元工程质量评定表表10
注:1、表中“△”项为主要项目
供水工程
阀门井、渗水井单元工程质量评定表表2
注:1、阀门井检查项目为;表中项次1、2、3、4、5、7、8;2、渗水井检查项目为:表中项次1、6、7;3、表中“△”项为主要项目
供水工程
水源井单元工程质量评定表表11
注:1、表中“△”项为主要项目,2、凿一眼井为一个单元工程,3、质
量等级:合格或优良。
供水工程潜水泵电泵安装单元工程质量评定表表12
注:安装一台潜水电泵为一个单元工程。
△为主要项目。
供水工程
压力钢管安装单元工程质量检验评定表
注:1、表中“△”项为主要项目;
供水工程
压力混凝土管安装单元工程质量检验评定表
注:1、表中“△”项为主要项目;。
潜水泵安装单元工程质量验收评定表
填表时必须遵守“填表基本规定”,并应符合下列要求:
1.单元工程划分:一台或数台同型号的潜水泵安装宜划分为一个单元工程。
2.单元工程量:填写本单元工程潜水泵台数。
3.各检验项目的检验方法及检验数量按表的要求执行。
4.单元工程施工质量验收评定应提交下列资料:
(1)安装单位应提供的资料包括:潜水泵安装、调试、检验、检测记录以及试运转检验记录。
(2)监理单位对单元工程安装质量的平行检验资料;监理工程师签署质量复核意见的单元工程安装质量验收评定表及质量检查表。
5.表中数值为允许偏差值。
潜水泵安装单元工程质量验收评定表。
【全套】给水排水分项工程质量检验评定表格1. 表格简介此评定表格旨在评估给水排水分项工程的质量,并提供一个综合的评价体系。
通过填写此表格,能够全面了解工程的各项指标,从而确保工程的质量符合相应的标准和要求。
2. 表格内容2.1 总体评价- 项目名称:___________- 工程编号:___________- 承包商名称:___________- 评定日期:___________2.2 工程质量指标在以下各项指标中,根据实际情况选择相应的评分,并在备注栏中填写具体情况。
评分范围为1到5分,1分表示质量不合格,5分表示质量非常合格。
- 水源供应质量- 供水稳定性:______/5- 供水水质:______/5- 供水压力:______/5- 排水系统质量- 排水通畅性:______/5- 排水水质:______/5- 排水泵站运行情况:______/5- 管道及设备质量- 管道材料质量:______/5- 设备安装质量:______/5- 设备运行稳定性:______/5- 安全管理- 安全操作规范:______/5- 应急及事故处理能力:______/5 - 安全设施完备性:______/52.3 总评分根据各项指标的评分情况,计算总评分,并给出相应的评级。
评级范围为A+到D,A+表示质量非常优秀,D表示质量不合格。
- 总评分:______(满分100分)- 评级:______3. 使用说明2. 根据实际情况选择相应的评分,并在备注栏中填写具体情况;3. 根据各项指标的评分情况,计算总评分,并给出相应的评级。
请确保填写时准确、真实,以便对工程质量进行准确评定。
---注意:此表格仅为参考工具,具体评定结果需要结合实际工程情况和相关标准进行综合判断。
如有任何疑问,请及时联系质量管理部门或相关责任人。
潜水泵安装单元工程质量评定表
注:1、安装一台潜水泵为一个单元工程。
2、Δ项为保证项目。
土基坑(槽)开挖工程质量评定表
注:Δ项为保证项目。
水泥砂浆砌砖单元工程质量评定表
混凝土模板安装工序质量评定表
注:Δ项为主要检查项目。
混凝土钢筋工序质量评定表
注:1.表中Δ项为主要检查项目。
2.d为钢筋直径
混凝土止水、伸缩缝安装工序质量评定表
注:Δ项为保证项目。
注:Δ项为主要检查项目。
注:Δ项为主要检查项目。
基础面或混凝土施工缝处理工序质量评定表
注:Δ项为主要检查项目。
管道开挖单元工程质量评定表
注:Δ项为主要检查项目。
注:Δ项为主要检查项目。
首部枢纽、阀门井、渗水井单元工程质量评定表
注:Δ项为主要检查项目。
首部枢纽安装单元工程质量评定表
注:Δ项为主要检查项目。
田面节水灌溉设备安装单元工程质量评定表
注:Δ项为主要检查项目。
基层单元工程质量评定表
注:Δ项为主要检查项目。
地面单元工程质量评定表
供水管理房屋顶单元工程质量评定表
水源井单元工程质量评定表
2、凿一眼井为一个单元工程。
3、质量等级,合格或优良。
一般抹灰单元工程质量评定表
注:农水工程房建可按中级标准要求。
钢门窗安装单元工程质量评定表
饰面工程检验评定表
刷浆(喷浆)工程检验评定表
一般土方回填单元工程质量评定表。
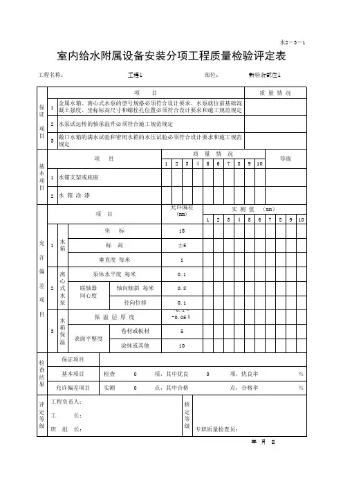
室内供水附属设备安装分项工程质量检验评定表
本表适用于金属水箱和离心式水泵的安装。
保证项目
检查数量:全数检查。
检查方法:1项检查交接记录或根据设计图纸对照检查。
2项检查温升测试纪录。
3项满水检查或检查试压记录。
基本项目
评定代号:优良√,合格○,不合格×
检查数量:全数检查
1项水箱支架或底座
合格:尺寸及位置符合设计要求,埋设平整牢固。
优良:在合格基础上,水箱与支架(座)接触紧密。
检验方法:观察和对照设计图纸检查。
2项水箱涂漆
合格:油漆种类和涂刷遍数符合设计要求;附着良好无脱皮起泡和漏涂。
优良:在合格基础上,漆膜厚度均匀,色泽一致无流淌及污染现象。
检验方法:观察检查。
允许偏差项目
1项检查数量:全数检查。
检验方法:坐标、标高用水准仪(水平尺)、直尺、拉线和尺量检查;垂直度用吊线和尺量检查。
2项检查数量:全数检查。
检验方法:在联轴器互相垂直的四个位置上,用水准仪、百分表或测微螺钉和塞尺检查。
3项检查数量:每台不少于5点。
检查方法:保温层厚度用钢针刺入保温层检查;表面平整度用2米靠尺和楔形塞尺检查。
室内供水附属设备安装分项工程质量检验评定表
1。
水泵安装单元工程质量评定表
水泵安装单元工程质量评定表
水泵安装单元工程质量评定表
水泵安装单元工程质量评定表
水泵安装单元工程质量评定表
水泵安装单元工程质量评定表
水泵安装单元工程质量评定表
水泵安装单元工程质量评定表
水泵安装单元工程质量评定表
水泵安装单元工程质量评定表
水泵安装单元工程质量评定表
水泵安装单元工程质量评定表
水泵安装单元工程质量评定表
水泵安装单元工程质量评定表
水泵安装单元工程质量评定表
水泵安装单元工程质量评定表
水泵安装单元工程质量评定表
水泵安装单元工程质量评定表
水泵安装单元工程质量评定表
水泵安装单元工程质量评定表
水泵安装单元工程质量评定表
水泵安装单元工程质量评定表
水泵安装单元工程质量评定表
水泵安装单元工程质量评定表
水泵安装单元工程质量评定表
水泵安装单元工程质量评定表
水泵安装单元工程质量评定表
水泵安装单元工程质量评定表。
《给水设备安装检验批质量验收记录》表格示例及填写说明
【规范名称及编号】《建筑给水排水及采暖工程质量验收规范》(GB 50242-2002)
【条文摘录】
4.4给水设备安装
主控项目
4.4.1水泵就位前的基础混凝土强度、坐标、标高、尺寸和螺栓孔位置必须符合设计规
定。
检验方法:对照图纸用仪器和尺量检查。
4.4.2水泵试运转的轴承温升必须符合设备说明书的规定。
检验方法:温度计实测检查。
4.4.3敞口水箱的满水试验和密闭水箱(罐)的水压试验必须符合设计与本规范的规定。
检验方法:满水试验静置24h观察,不渗不漏;水压试验在试验压力下10min压力不降,不渗不漏。
一般项目
4.4.4水箱支架或底座安装,其尺寸及位置应符合设计规定,埋设平整牢固。
检验方法:对照图纸,尺量检查。
4.4.5水箱溢流管和泄放管应设置在排水地点附近但不得与排水管直接连接。
检验方法:观察检查。
4.4.6立式水泵的减振装置不应采用弹簧减振器。
检验方法:观察检查。
4.4.7室内给水设备安装的允许偏差应符合表4.4.7的规定。
4.4.8管道及设备保温层的厚度和平整度的允许偏差应符合表4.4.8的规定。
饮水安全工程供水设备安装单元工程质量评定表
单位工程名称工程量
干线: m
支线: m 分部工程名称承建单位
单元工程名称检验日期
序号主要工序
质量等级
合格优良
1 △清水箱(池)
2 曝气箱(池)
3 △水处理设备
4 压力罐、变频设备
评定意见质量等级
工序质量全部合格,主要工序质量。
工序优良
率为%。
施工单位
年月日建设(监理)单位
年月日
注:单元工程质量标准:合格为工序质量全部合格;优良为工序质量全部合格,优良工序达70%及其以上,且主要工序全部优良。
表1 饮水安全工程清水箱(池)工序质量评定表
单位工程名称工程量容积:3
m 分部工程名称承建单位
单元工程名称检验日期
序号检查项目检验记录
质量等级
合格优良
1
△清水箱(池)现场制作组装的,材料的强度、厚度等指标符合相关规定,其容积满足设计要求
2
清水箱(池)现场砌筑的,砌筑质量符合相关规定,其容积满足设计要求
3
清水箱(池)购置的设备,其规格、尺寸、容积满足要求
4
清水箱(池)观感质量良好,无渗漏
5
△清水箱(池)使用环保材料,不污染水
6
清水箱(池)安装位置正确,固定牢固
7
评定意见质量等级
检查项目全部符合质量标准,主要检查项目质量。
检查项
目优良率为%。
施工单位
年月日建设(监理)单位
年月日
注:工序工程质量标准:合格为主要项目达到质量评定标准,一般检查项目基本符合质量标准要求;优良为一般检查项目基本符合质量标准要求,主要项目全部达到质量优良评定标准。
表2 饮水安全工程曝气箱(池)工序质量评定表
单位工程名称工程量容积:3
m
分部工程名称承建单位
单元工程名称检验日期
序号检查项目检验记录
质量等级
合格优良
1
△曝气箱(池)现场制作组装的,材料的强度、厚度等指标符合相关规定,其容积满足设计要求
2
曝气箱(池)现场砌筑的,砌筑质量符合相关规定,其容积满足设计要求
3
曝气箱(池)购置的设备,其规格、尺寸、容积满足要求
4
曝气箱(池)观感质量良好,无渗漏
5
△曝气箱(池)使用环保材料,不污染水
6
曝气箱(池)安装位
置正确,固定牢固
评定意见质量等级
检查项目全部符合质量标准,主要检查项目质量。
检查项目优良率为%。
施工单位
年月日建设(监理)单位
年月日
注:工序工程质量标准:合格为主要项目达到质量评定标准,一般检查项目基本符合质量标准要求;优良为一般检查项目基本符合质量标准要求,主要项目全部达到质量优良评定标准。
表3 饮水安全工程水处理设备工序质量评定表
单位工程名称工程量规格、性能
分部工程名称承建单位
单元工程名称检验日期
序号检查项目检验记录
质量等级
合格优良
1
水处理设备规格、性能等指标符合使用要求,设备出厂合格证及产品的质量报告、说明书等资料齐全
2
△水处理设备采用的工艺应符合相关规定的要求,水处理设备级配必须以处理前水质化验报告为基础
3
水处理设备安装位置正确,固定牢固,垂直度、水平度满足规范要求
4
△处理后水质达到饮
用水标准
评定意见质量等级。