施工现场签证工程量计算书
- 格式:doc
- 大小:126.50 KB
- 文档页数:9
农田水利项目县项目工程施工标段三变更、新增项目现场工程量签证单农田水利项目县项目工程施工标段三变更、新增项目现场工程量签证单农田水利项目县项目工程施工标段三机电设备及金属结构购置及安装工程清单说明:分水器为钢制厚壁管,一进四出,进水口径DN300,出水口径DN160*DN160*DN125*DN125农田水利项目县项目工程施工标段三农田水利项目县项目工程施工标段三洪山村1区、洪山村2区新建闸阀井及附属建筑物工程计算说明书1.洪山村2区(1)闸阀室基础及管道沟槽土方开挖工程量:基础长度3.70m,宽度3.20m,深度1.50m;混凝土预制管沟槽开挖长度30.00m,宽度1.00m,深度1.20m。
V=3.70*3.20*1.50+30.00*1.00*1.20=53.76m3(2)闸阀室基础及管道沟槽土方回填工程量:53.76m3(3)闸阀室C20混凝土垫层工程量:下部长度2.70m,宽度2.20m,厚度0.15m;上部长度2.20m,宽度1.80m,厚度0.15mV=2.70*2.20*0.15+2.20*1.80*0.15=1.49m3(4)墙体砖砌体(厚度25cm)工程量:墙体一总长度9.00m,高度1.70m;墙体二总长度7.20m,高度1.40m;墙体厚度0.25m。
V=9.00*1.70*0.25+7.20*1.4*0.25=6.35m3(5)墙体砂浆抹面工程量:内外墙体一总长度9.00m,高度1.70m;内外墙体二总长度7.20m,高度1.40m;墙体厚度0.25m;下部预制板长度2.50m,宽度2.00m,上部预制板长度2.00m,宽度1.60m。
V=2面*9.00*1.70+2面*7.20*1.40+2.50*2.00+2.00*1.60=58.96m2(6)钢筋混凝土预制空心板工程量:下部预制板长度2.50m,宽度2.00m,板厚0.10m;上部预制板长度2.00m,宽度1.60m,板厚0.10m;V=2.50*2.00*0.10+2.00*1.60*0.10=0.82m22.洪山村1区、泉山沟村3区(1)闸阀室基础土方开挖工程量:2座,基础长度2.00m,宽度2.00m,深度1.50m;V=2座*2.00*2.00*1.50=12.00m3(2)闸阀室基础及管道沟槽土方回填工程量:6.00m3(3)闸阀室C20混凝土垫层工程量:2座,长度1.90m,宽度1.90m,厚度0.15m。
合同内工程量做签证【工程量签证范本】甲方(业主):_________________乙方(承包商):_______________工程项目名称:_________________合同编号:_________________签证编号:_________________根据甲乙双方签订的《建设工程合同》(以下简称“原合同”),现因实际施工需要,对原合同约定的工程量进行如下签证:一、变更内容:(在此详细描述变更的具体内容,包括新增或减少的工程量、材料、规格等。
)二、变更原因:(在此说明引起工程量变更的原因,如设计变更、现场条件变化、甲方要求等。
)三、变更工程量及计算依据:(在此列出具体的变更工程量及其计算方法,附上详细的计算书和图纸。
)四、变更影响分析:(在此分析变更对工期、成本、质量等方面的影响,并提出相应的解决方案。
)五、变更费用:(在此列出因工程量变更而产生的额外费用或减少的费用,并提供详细的费用计算表。
)六、双方确认:1. 甲方确认上述变更内容、原因、工程量及费用的真实性,并同意按照变更后的内容执行。
2. 乙方确认已充分理解变更内容,并承诺按照甲方的要求完成变更工作。
七、其他约定:(如有其他需要双方共同遵守的事项,在此列明。
)八、签字盖章:本签证一式两份,甲乙双方各执一份,自双方签字盖章之日起生效。
甲方代表(签字):_______ 日期:____年__月__日乙方代表(签字):_______ 日期:____年__月__日(甲方盖章)(乙方盖章)注:本签证范本仅供参考,具体签证内容应根据实际情况和相关法律法规进行调整。
在签署任何工程量签证之前,建议双方咨询法律专业人士,确保所有条款的合法性和有效性。
XXXXXX 金三角购物中心建设项目(景观部分)原始工程量收方单工程收方时间:2020 年 9 月 19 日编号:01效附件。
施工单位可以复印。
分部分项名称 围墙拆除工程量发生部位场地内部施工单位XXXXXX 建筑工程有限责任公司一.收方内容及说明:拆除施工现场原砖砌围墙并外运至渣场。
二.计算式:1、拆除页岩实心砖:长 475 米 × 高 2.5 米 × 厚 0.24 米 = 285 立方米2、建筑垃圾外运至江北火车站附近渣场:285 立方米(运距:15.7 公里)业主单位: 监理单位: 施工单位:年 月 日 年 月 日 年 月 日注:1.本表为现场手写页,记录要清晰、工整,不得涂改,参加收方人员现场签字确认。
2. 本表仅一份原件,作为项目成本负责人整理《工程量签证单》的依据,是《工程量签证单》的有金三角购物中心建设项目(景观部分)原始工程量收方单工程收方时间:2020 年 9 月 29 日编号:02注:1.本表为现场手写页,记录要清晰、工整,不得涂改,参加收方人员现场签字确认。
2.本表仅一份原件,作为项目成本负责人整理《工程量签证单》的依据,是《工程量签证单》的有效 附件。
施工单位可以复印。
分部分项名称 路面拆除工程量发生 部位场地内部施工单位XXXXX 建筑工程有限责任公司一.收方内容及说明:拆除施工现场原混凝土路面并外运至渣场。
二、计算式:1、拆除混凝土路面:面积 1243 平方米 × 厚 0.3 米 = 372.9 立方米 (附件:路面拆除坐标签证单)2、建筑垃圾外运至江北火车站附近渣场:372.9 立方米(运距:15.7 公里)业主单位: 监理单位: 施工单位:年 月 日 年 月 日 年 月 日原始工程量收方单工程收方时间:2020 年 10 月 3 日编号:03注:1.本表为现场手写页,记录要清晰、工整,不得涂改,参加收方人员现场签字确认。
2.本表仅一份原件,作为项目成本负责人整理《工程量签证单》的依据,是《工程量签证单》的有效 附件。
第1篇一、工程名称:本项目工程名称为:(此处填写工程名称)二、工程地点:本项目工程地点为:(此处填写工程地点)三、签证原因:1. 施工过程中,由于以下原因导致工程量发生变化:(1)施工图纸与现场实际情况不符;(2)甲方要求进行设计变更;(3)施工过程中遇到特殊情况,如地质条件、材料供应等;(4)其他原因。
2. 签证内容:(1)变更部分工程量;(2)变更部分工程量的预算;(3)变更部分工程量的施工方案。
四、签证单位及人员:1. 施工单位:(此处填写施工单位名称)2. 甲方代表:(此处填写甲方代表姓名及职务)3. 监理单位:(此处填写监理单位名称)4. 监理人员:(此处填写监理人员姓名及职务)5. 设计单位:(此处填写设计单位名称)6. 设计人员:(此处填写设计人员姓名及职务)五、签证日期:(此处填写签证日期)六、签证附件:1. 施工图纸变更通知单;2. 设计变更通知书;3. 施工现场照片;4. 施工记录;5. 其他相关资料。
七、签证内容:1. 变更部分工程量:(1)变更项目名称及编号;(2)变更前工程量;(3)变更后工程量;(4)变更原因。
2. 变更部分工程量的预算:(1)变更项目名称及编号;(2)变更前工程量预算;(3)变更后工程量预算;(4)变更原因。
3. 变更部分工程量的施工方案:(1)变更项目名称及编号;(2)变更前施工方案;(3)变更后施工方案;(4)变更原因。
八、备注:1. 本签证单由施工单位填写,经甲方、监理、设计单位确认后生效;2. 本签证单一式四份,甲乙双方、监理单位、设计单位各执一份;3. 本签证单自签字之日起生效,如有未尽事宜,可另行协商解决。
施工单位:(盖章)甲方代表:(签字)监理单位:(盖章)监理人员:(签字)设计单位:(盖章)设计人员:(签字)年月日第2篇一、签证单基本信息1. 工程名称:____________________2. 施工单位:____________________3. 监理单位:____________________4. 甲方单位:____________________5. 签证日期:____________________二、签证事项1. 工程部位:____________________2. 工程内容:____________________3. 工程量变更原因:____________________4. 变更前工程量:____________________5. 变更后工程量:____________________6. 变更原因及依据:____________________三、签证单附件1. 施工图纸及相关资料2. 施工现场照片3. 施工部位横截面图4. 工程量计算书5. 相关合同、协议及会议纪要四、签证单内容1. 根据现场实际情况,经施工单位、监理单位、甲方单位共同确认,对工程部位:____________________进行工程量变更。
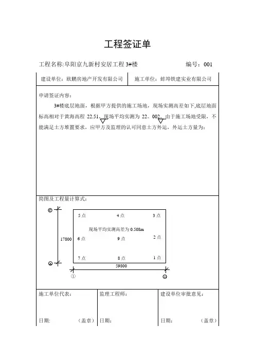
工程签证单
工程名称:阜阳京九新村安居工程3#楼编号:001
海信集团通用表格编号:FXJT-ZJGL—006
工程签证单
工程名称:漳州市金峰工业区北斗福星标准厂房编号:
注明:1、所有签证均应使用本工程签证单标准格式。
2、签证单原则上只应签证工程量,涉及造价金额由建设单位预算科依据预算规定确定。
3、施工单位应在签证工作发生后三日内办理签证手续,否则视为放弃,补办签证结算时不予确认。
4、签证单应按顺序进行编号。
5、单项经济签证单金额超过五千元的签证项目需由建设单位盖章生效.
海信集团通用表格编号:FXJT—ZJGL—006
工程签证单
工程名称:漳州市金峰工业区北斗福星标准厂房编号:
注明:1、所有签证均应使用本工程签证单标准格式。
2、签证单原则上只应签证工程量,涉及造价金额由建设单位预算科依据预算规定确定。
3、施工单位应在签证工作发生后三日内办理签证手续,否则视为放弃,补办签证结算时不予确认.
5、单项经济签证单金额超过五千元的签证项目需由建设单位盖章生效。
海信集团通用表格编号:FXJT-ZJGL-006
工程签证单
工程名称:漳州市金峰工业区北斗福星标准厂房编号:
注明:1、所有签证均应使用本工程签证单标准格式.
2、签证单原则上只应签证工程量,涉及造价金额由建设单位预算科依据预算规定确定。
3、施工单位应在签证工作发生后三日内办理签证手续,否则视为放弃,补办签证结算时不予确认。
5、单项经济签证单金额超过五千元的签证项目需由建设单位盖章生效。
第1篇一、签证单基本信息1. 工程名称:XX项目2. 工程地点:XX省XX市XX区XX街道3. 签证编号:XXXXXX4. 签证日期:____年__月__日5. 施工单位:XX建设集团有限公司6. 监理单位:XX工程监理有限公司二、签证内容1. 工程量变更原因:因地质条件复杂,实际施工过程中发现地基承载力不足,需进行地基处理。
2. 工程量变更内容:(1)地基处理:原设计地基承载力为150kPa,实际检测值为100kPa,需对地基进行处理,提高承载力至150kPa。
(2)施工方案调整:根据实际情况,调整部分施工方案,增加地基处理工序。
3. 工程量变更计算:(1)地基处理工程量:根据设计图纸和实际情况,计算地基处理工程量为2000立方米。
(2)施工方案调整工程量:根据实际情况,计算施工方案调整工程量为500立方米。
4. 变更后的工程量:(1)地基处理工程量:2000立方米。
(2)施工方案调整工程量:500立方米。
三、签证费用及结算1. 地基处理工程量费用:根据市场价格,地基处理费用为100元/立方米,共计200,000元。
2. 施工方案调整工程量费用:根据市场价格,施工方案调整费用为80元/立方米,共计40,000元。
3. 变更后的总费用:240,000元。
四、签证审核及确认1. 施工单位代表:____2. 监理单位代表:____3. 建设单位代表:____五、其他事项1. 本签证单作为合同补充协议,与合同具有同等法律效力。
2. 本签证单经三方签字盖章后生效。
3. 本签证单一式三份,施工方、监理方、建设单位各执一份。
附件:1. 地基处理工程量计算书2. 施工方案调整工程量计算书3. 地基承载力检测报告注:本样本仅供参考,具体签证内容可根据实际情况进行调整。
第2篇一、签证基本信息1. 签证编号:_______2. 工程名称:_______3. 施工单位:_______4. 监理单位:_______5. 建设单位:_______6. 签证日期:_______二、签证内容1. 签证项目:_______(如:土方开挖、基础施工、钢筋绑扎等)2. 签证原因:因_______(如:地质条件变化、设计变更、材料代用等)导致实际施工工程量与原设计或合同约定不符。
施工现场签证工程量计算书工程名称:南方钢厂(一期)保障性住房项目施工总承包(标段二)
施工单位:广州市第三建筑工程有限公司日期:
施工现场签证工程量计算书
工程名称:南方钢厂(一期)保障性住房项目施工总承包(标段二)
施工单位:广州市第三建筑工程有限公司日期:2011年7月21日
1
施工现场签证工程量计算书
工程名称:南方钢厂(一期)保障性住房项目施工总承包(标段二)
施工单位:广州市第三建筑工程有限公司日期:2011年8月4日
2
施工现场签证工程量计算书
工程名称:南方钢厂(一期)保障性住房项目施工总承包(标段二)
施工单位:广州市第三建筑工程有限公司日期:2011年8月4日
3
施工现场签证工程量计算书
工程名称:南方钢厂(一期)保障性住房项目施工总承包(标段二)
施工单位:广州市第三建筑工程有限公司日期:2011年8月8日
4
施工现场签证工程量计算书
工程名称:南方钢厂(一期)保障性住房项目施工总承包(标段二)
施工单位:广州市第三建筑工程有限公司日期:2011年8月8日
5
施工现场签证工程量计算书
工程名称:南方钢厂(一期)保障性住房项目施工总承包(标段二)
施工单位:广州市第三建筑工程有限公司日期:2011年8月8日
3。