ERP系统的五个计划层次的关系
- 格式:docx
- 大小:13.48 KB
- 文档页数:1
1、PAC(生产作业控制)原理和流程:生产作业控制(Production Activity Control,PAC),也称作车间控制,它与采购作业计划同属于ERP计划层次的执行层。
它是在物料需求计划产生的生产建议订单的基础上,产生的零部件生产计划,是一种实际的执行计划,它对车间生产的有关事务进行动作管理和分析控制。
生产作业控制是在物料需求计划输出的生产建议订单的基础上,按照交货期的先后和生产优先级的选择原则,以及车间的设备、人员、加工能力等生产资源情况,将零部件的生产计划以订单的形式下达给相关的车间。
生产作业控制的目标是通过对生产过程中,车间层及车间层以下各层次的物料流的合理计划、调度与控制,缩短产品的制造周期,减少在制品,降低库存,提高设备、人员等生产资源的利用率,最终提高生产率。
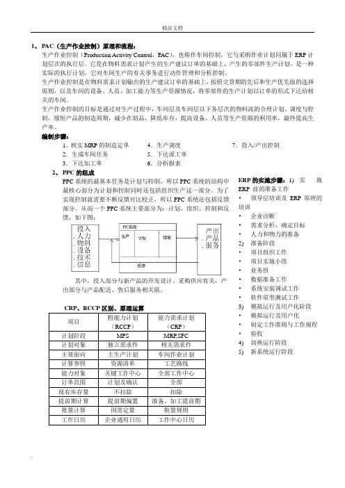
编制步骤:1.核实MRP的制造定单2.生成车间任务3.下达加工单4.生产调度5.下达派工单6.分析报表7.投入/产出控制2、PPC的组成PPC系统的最基本任务是计划与控制,所以PPC系统的结构中最核心部分为计划和控制同时还包括组织生产这一部分。
为了实现控制就需要不断反馈对比校正,所以PPC系统还包括反馈部分。
从而一个PPC系统主要部分为:计划、组织、控制和反馈,如下图:其中,投入部分与新产品的开发设计、采购供应有关,产出部分与产品配送、售后服务相关联。
项目粗能力计划(RCCP)能力需求计划(CRP)计划阶段MPS MRP,SFC计划对象独立需求件相关需求件主要面向主生产计划车间作业计划计算参照资源清单工艺路线能力对象关键工作中心全部工作中心订单范围计划及确认全部现有库存量不扣除扣除提前期计算提前期偏置准备、加工提前期批量计算因需定量批量规则工作日历企业通用日历工作中心日历ERP的实施步骤:1) 实施ERP 前的准备工作•领导层培训及ERP原理的培训•企业诊断•需求分析,确定目标•人力和物力的准备2) 准备阶段•项目组织工作•项目实施小组•业务组•数据准备工作•系统安装调试工作•软件原型测试工作3) 模拟运行及用户化阶段•模拟运行及用户化•制定工作准则与工作规程•验收4) 切换运行阶段5) 新系统运行阶段能力需求计划(Capacity Requirements Planning,简称CRP)是对物料需求计划所需能力进行核算的一种计划管理方法,以确定是否有足够的生产能力来满足生产的需求。
Erp 包括5个计划层次,即经营规划、销售与运营规划、主生产计划、物料需求计划和能力需求计划。
下面将一一阐述其各自的内容:经营规划表达企业的愿景,是企业的战略规划。
但经营规划本身并不具体完成什么,它确定企业经营的战略和目标以及所采取的行动,为企业发展,特别是财务和经济效益方面做出规划。
销售与运营规划以产品族为处理对象,帮组企业从大格局、高层次上平衡供需关系。
提供优秀的客户服务。
具有衔接经营规划与详细计划中的执行过程协调市场和企业职能部门工作的作用。
主生产计划是对企业生产大纲的细化,以协调生产需求与可用资源。
主要解决生产什么、生产多少、何时交货的问题;以需要人、便与人的控制为原则确定对象充分利用企业资源满足需求。
物料需求计划依据主生产计划、物料清单和库存记录对每种物料计算,核心是确保物料和能力的可用性,指出何时将会发生物料短缺并给出建议,以最小库存量满足需求避免物料短缺。
能力需求计划把物料需求转换为能力需求,即对各生产阶段和工作中心所需资源精确计算按得出人力负荷、设备负荷等,平衡和调整生产计划,使之更加合理有效。
上述5个层次体现由宏观到微观、由战略级到战术级、由粗到细的可执行的深化过程。
越接近顶层计划对需求的预测成分越大,内容越概括,计划展望期越长;往下则反之。
其中经营计划和销售与运营规划具有宏观的性质,主生产计划是宏观向微观的过度计划,物料需求计划是主生产计划的具体化,能力需求计划把物料需求转化为能力需求;前3个层次称为主控计划,是制定企业经营战略目标的层次;后2个是在需求和供给两个方面计划与控制的具化与协调实施的过程,要进行不同深度的供需平衡,并根据反馈的信息,运用模拟方法加以调整或修订。
可以说上层计划是下层计划的依据,下层计划不能偏离上层计划的目标,以保证企业遵循着一个统一的计划。
划分层次是为了明确责任,不同层次计划的制订或实施由不同的管理层负责。
计划和控制是ERP的目标手段。
计划是为达到一定的目标而制定的行动。
1.生产类型划分(1) 从生产工艺角度:离散型生产和连续型生产离散型生产:产品在结构上是可拆分的,产品由零部件或元件组成。
连续型生产:企业在生产过程中,原材料从一投入就顺序地经过各个工作地点,直至产品产出。
(2) 从生产组织方式角度面向库存生产(Made To Stock, MTS);面向订单生产(Made To Order, MTO)面向订单装配(Assemble To Order, ATO)面向订单设计(Engineer To Order, ETO)或面向项目设计(Engineer To Project,ETP);2.ERP基本概念:ERP不仅仅是一个信息系统,还是一种管理理论和思想。
它利用企业所有资源(包括内部和外部),为企业制造产品或提供服务创造最优的解决方案和计划,最终达到企业的经营目标,是对企业一切资源的全面计划和控制。
简要地讲, ERP是对物流、资金流和信息流3种资源进行全面集成管理的信息系统,是建立在信息技术基础上,利用现代企业的先进管理思想,全面地集成了企业的所有资源信息,并为企业提供决策、计划、控制与经营业绩评估的全方位和系统化的管理平台。
3.ERP的内涵ERP中第一个字母E(enterprise)是企业的意思,首先对企业的内涵要有一个清晰的认识。
ERP是从企业的整体利益出发的,为企业全局服务。
ERP中第二个字母R(resource)是代表资源,资源对于企业而言有两个最基本的特征。
企业获取资源是有代价的,且是有限的。
企业在利用资源的过程中,资源是运动和变化的,且是有规律的。
第三个字母P(planning)是代表计划,这是ERP理念中和思想中最核心的部分。
企业要有效利用和整合资源,并使企业的效益最大化,对资源的利用必须是有计划的。
4.ERP发展的几个阶段库存订货点法ROP:订货点法依靠对库存补充周期内的需求量预测,保持一定的安全库存设备,来确定订货点。
再订货点=单位时段的需求量*订货提前期+安全库存量物料需求计划MRP(时段式):目标:围绕所要生产的产品,应当在正确的时间、正确的地点、按照规定的数量得到真正需要的物料;通过按照各种物料真正需要的时间来确定订货与生产日期,以避免造成库存积压。
ERP计划与控制的五个层次的具体内容。
ERP在中国的发展经历了哪几个阶段?每个阶段有什么特点?答:启蒙期“洋为中用”导入期“国外软件占主导地位”发展期“中国自己ERP软件兴起,由制造业扩大适用范围至各个行业”普及期“应用范围普及,价格降低”库存积压和物料短缺同时存在是一种在制造企业中常见和棘手问题。
ERP能够解决这个问题么?答:通过MRP达到配套生产;设置未到时间不能入库;物料订购上,采用净需求方式下单;通过物料滞存分析表采取各种方法消除呆滞物料;通过已领料未缴库明细可用查询出车间已经领料但一直没有缴库的明细,通过要求其退库处理,后通过仓库进行处理;MRP和订货点法的主要区别?答:MRP与订货点法的区别有三点:一是通过产品结构将所有物料的需求联系起来;二是将物料需求区分为独立需求和非独立需求并分别加以处理;三是对物料的库存状态数据引入了时间分段的概念。
什么是订货点法?有什么局限?答:对于某种物料或产品,由于生产或销售的原因而逐渐减少,当库存量降低到某一预先设定的点时,即开始发出订货单(采购单或加工单)来补充库存。
直至库存量降低到安全库存时,发出的订单所定购的物料(产品)刚好到达仓库,补充前一时期的消耗,此一订货的数值点,即称为订货点。
局限:没有按照各种物料真正需用的时间来确定定货日期,因此往往造成较多的库存积压理解 ERP成功实施对企业和客户价值的提升?答:可以帮助企业规范管理流程、实现信息协同,通过快速订单响应、减少库存积压、确保及时交货、降低赊销风险、完善内控体系,提升企业竞争力,提升效益。
满足客户需求,方便对客户提出的要求作出及时的改动。
什么是毛需求?什么是净需求?答:毛需求:是指导生产的信息,根据一定的规则从预测量和合同量中得到。
净需求:是指在物料需求计划里某一个零件或组装品的净需求,它是由毛需求加上预留存货减去库存数、预计到货数和安全存量之后而得什么是独立需求和相关需求?答:独立需求是来自用户的对企业产品和服务的需求称为独立需求;相关需求是当对一项物料的需求与对其他物料项目或最终产品的需求有关时,称为非独立需求。
1、ERP发展历程本部分主要讲述ERP产生背景及发展历程,重点知识包括:1、MRPII系统的特点包括:MRPII把企业中的各子系统有机地结合起来,形成一个面向整个企业的一体化的系统.MRPII的所有数据来源于企业的中央数据库。
各子系统在统一的数据环境下工作。
MRPII具有模拟功能,能根据不同的决策方针模拟出各种未来将会发生的结果.2、掌握ERP(Enterprise Resources Planning)系统的产生背景:经济全球化与市场国际化;面向对象、客户机/服务器计算环境的产生;以客户为中心;业务流程再造的流行。
3、掌握ERP系统在企业管理中的几大作用:解决多变的市场与均衡生产之间的矛盾;对客户的供货承诺做得更好;解决既有库存积压又有物料短缺的矛盾;提高质量并降低成本.4、掌握MRP、MRPII和ERP集成范围的差异:MRP实现企业物料信息的集成、MRPII实现企业物流和资金流的集成、ERP实现供应链合作伙伴的集成5、掌握订货点发计算公式:订货点=单位时区的需求量×订货提前期+安全库存量。
6、ERP的发展经历了五个阶段:20世纪40年代的库存控制订货点法;20世纪60年代的时段式MRP;20世纪70年代的闭环MRP;20世纪80年代发展起来的MRPII;20世纪90年代出现的ERP.。
2、基础数据管理本部分是ERP系统的基础部分,讲述ERP系统涉及到的几类基础数据:物料主文件、物料清单、工作中心、工艺路线、提前期和库存记录。
1、物料清单(Bill of Material,简记为BOM)是产品结构文件,它在计划系统中主要用于表述产品的结构。
2、掌握工艺路线的作用:对一个制造件的工序执行顺序进行定义。
3、工艺路线是重要的文件,它代表着一项作业在工厂里的运动方式。
工艺路线中,通常包括标准准备时间和每件加工时间,不包括平均排队时间.4、对整个生产周期来说,提前期包括设计提前期、采购提前期、加工提前期、装配提前期等。
ERP的实施过程的五个阶段和六个步骤 ERP的实施过程基本都是必需经历五个阶段和六个步骤,五个阶段: 1. 基础建设 2. 引进观念 3. 业务重组 4. 系统运⽤ 5. 持续完善六个步骤:1. ⽅案规划 2. 项⽬组织 3. 全⾯培训 4. 原型定义 5. 数据准备 6. 系统切换 这五个阶段和六个步骤互为穿插,不断循环,以保证ERP项⽬的成功.1、总体规划,分步实施ERP项⽬包含内容很⼴,因此实施时要有总体规划,按管理上的急需程度、实施中的难易程度等确定优先次序,在效益驱动、重点突破的指导下,分阶段、分步骤实施。
科学的实施⽅法可以起到事半功倍的作⽤,保证ERP项⽬的顺利推⾏。
2、设⽴专项机构为了顺利实施ERP系统,在企业内部成⽴完善的三级组织机构,即领导⼩组、项⽬⼩组和职能⼩组。
ERP系统不仅是⼀个软件系统,它更多的是先进管理思想的体现,关系到企业内部管理模式的调整、业务流程的变化及相关⼈员的变动。
企业的最⾼决策⼈要亲⾃参加到领导⼩组中,负责制定计划的优先级、资源的合理配置、重⼤问题的改变及政策的制定等。
项⽬⼩组负责协调公司领导层和部门,其负责⼈⼀般应由公司⾼层领导担任,要有⾜够的权威和协调能⼒,同时要有丰富的项⽬管理和实施经验。
职能⼩组是实施ERP系统在本部门的顺利实施的保证,由各部门的关键⼈组成。
3、培训在ERP实施过程中,培训是⼗分重要的环节,培训⼯作要贯穿实施的全过程,培训⼯作要分层次不断深化。
从内容上分:ERP理论培训、计算机和⽹络知识培训、应⽤软件使⽤培训等。
从⼈员上分:企业领导层培训、项⽬⼯作组培训、计算机专业⼈员培训和业务管理⼈员培训。
4、业务蓝图设计与实现根据企业的业务流程,结合ERP软件的标准做出差异化分析,优化系统和流程以使⼆者达到最佳契合,并能通过企业领导和业务⼈员的评审,为下⼀步实施测试奠定整体基础。
5、原型测试通过培训后,了解了ERP系统能⼲些什么,再结合⾃⼰的需求,即想要解决哪些问题,进⾏适应性实验,来验证系统对⽬标问题解决的程度,决定有哪些⽤户化的⼯作,有多少⼆次开发的⼯作量。
1.市场多变和均衡安排生产时制造企业面临的一个基本矛盾,ERP如何解决这个矛盾?答:由于企业生产能力和其他资源的限制,企业希望均衡地安排生产是很自然的事情。
使用 ERP 系统来计划生产时,要作主生产计划。
通过这一计划层次,由主生产计划员均衡地对产品或最终项目作出生产安排,使得在一段时间内生产计划量和市场需求在总量上相匹配,而不追求每个具体时刻上均与市场需求相匹配。
在这段时间内,即使需求发生很大变化,但只要需求总量不变,就可能保持主生产计划不变。
从而,可以得到一份相对稳定和均衡的生产计划。
由于产品或最终项目的主生产计划是稳定和均衡的,据此所得到的物料需求计划也将是稳定的和均衡的。
从而可以解决以均衡的生产应对多变的市场的问题。
2.库存积压和物料短缺同时存在是制造企业中常见和棘手的问题,ERP能够解决这个问题吗?答:能。
ERP的核心部分MRP恰好就是为解决这样的问题而发展起来的。
MRP模拟制造企业中无聊计划与控制的实际过程。
通过MRP达到配套生产;设置未到时间不能入库;物料订购上,采用净需求方式下单;通过物料滞存分析表采取各种方法消除呆滞物料;通过已领料未缴库明细可用查询出车间已经领料但一直没有缴库的明细,通过要求其退库处理,后通过仓库进行处理。
或:答:通过MRP达到配套生产;设置未到时间不能入库;物料订购上,采用净需求方式下单;通过物料滞存分析表采取各种方法消除呆滞物料;通过已领料未缴库明细可用查询出车间已经领料但一直没有缴库的明细,通过要求其退库处理,后通过仓库进行处理;3.ERP能够在提高产品质量的同时降低成本吗?答:ERP可以提高质量并降低成本。
通过ERP系统,人们的工作更有秩序,时间花在按部就班地执行计划上,而不是忙于对出乎意料的情况作出紧急反应。
在这种情况下,工作士气提高了,工作质量提高了,不出废品,一次就把工作做好。
于是,提高生产率,提高产品质量,降低成本和增加利润都是相伴而来的事情。
4.什么是独立需求和相关需求?答:独立需求是来自用户的对企业产品和服务的需求称为独立需求;相关需求是当对一项物料的需求与对其他物料项目或最终产品的需求有关时,称为非独立需求。
第一章绪论1。
生产类型P4 (了解)生产类型就是以生产专业化特征为标志划分的生产种类。
生产类型:从生产工艺角度,可分为离散型生产、连续型生产、混合型生产。
离散型生产①指产品在结构上是可拆分的,产品是由零件或元件组成的.②可通过雇佣工人、购买或租赁设备、生产外包等方式增加产能.③其原材料或采购件具备准确、配套和一致的规格连续型生产①企业在生产过程中,原材料从一投入就顺序地经过各个工作地点,直至产品产出。
其工艺过程是不可停顿的,产品在物理结构上也是不可分的。
②限制较大,另建工厂来增加产能③通常使用自然资源作原材料,规格一般覆盖一个较宽的范围从生产组织方式角度生产类型可分为6种:①面向订单设计(Engineer To Order,ETO)或面向项目设计(Engineer To Project, ETP);②面向订单装配(Assemble To Order,ATO)或面向订单制造(Made To Order,MTO);③面向库存生产(Made To Stock,MTS);④重复生产(Repetitive);⑤批量生产(Batch);⑥连续生产(Continuous)。
第二章ERP思想的发展历程1。
ERP的概念P15(了解)ERP是企业资源计划系统(Enterprise Resource Planning)的英文缩写,是为了适应当前知识经济时代特征─顾客、竞争、变化,整合了企业内部和外部的所有资源,使用信息技术,建立起来的面向供应链的管理工具。
2.ERP发展的几个阶段P19 (记)五大阶段:订货点法、MRP、闭环MRP、MRPⅡ、ERP第一阶段:订货点法一种使库存量不得低于安全库存的库存补充方法,以此来保证需求.为每一种物料都设置一个最大库存量和安全库存量。
订货点=安全库存+提前期×物料消耗速率(预测,变动)按过去的经验预测未来的物料需求库存补充原则假设条件:◎对各种物料的需求是相互独立的;◎物料需求是连续发生的;◎提前期是已知的和固定的;◎库存消耗之后,应被重新填满。
ERP系统的主生产计划与物料需求计划【摘要】为了提高生产效率,降低生产成本,从而达到为公司创利润的目的,一种新型的企业管理思想—企业ERP系统产生了,并在企业中得到了的广泛应用。
而ERP系统在企业运行过程中,主生产计划与与物料需求计划,是ERP系统计划管理的重要组成部分,起着核心作用。
【关键词】ERP;主生产计划;物料需求计划一、ERP、主生产计划、物料需求计划的概述ERP是英文Enterprise Resource Planning(企业资源计划)的简写。
是指建立在信息的技术基础上,以系统化的管理思想,为企业决策及员工提供决策运行手段管理平台。
ERP系统是由计划模块驱动的,ERP的计划模块管理分为五大模块(有书上叫层次),每个计划模块都有自己单独的内容与作用,同时相互彼此之间有着密切的联系,特别上一模块为下一模块提供数字依据,而且要求相互各计划模块的数字准确度非常高,否则上一个计划模块数字有误就有会影响下一个以及下下一个模块的数字不准,会造成连锁反应,最终会导致整个系统数据不准。
五大模块分别是:企业经营计划模块、销售与运作计划模块、主生产计划模块、物料需求计划模块、车间作业和采购计划模块。
此文由于篇幅的关系,只谈主生计划模块与物料需求计划模块。
主生产计划仍由企业决策层制定,依据销售计划制定在计划期内(一般以一年作单位再分成十二个月当然也有大中型企业制订一至三年的主计划)各时间段最终产品数量和交货期的详细计划;物料需求计划是依据主生产计划的订单量、交货期再根据BOM清单减去仓库库存和预进货量制定物料需求量提供给采购计划的依据。
二、主生产主计划作用及订制1.主生产计划的作用。
主生产计划(MPS)是对每一个具体的产品在每—个具体的时间段的生产计划。
早期的物料需求计划系统并没有主生产计划这模块,它是按照客户提供订单数或销售部门根据市场预测的订单量,再依据BOM清单进行计算,算出所需要配套的实生产计划量与采购计划量,再进行安排生产与采购。
学号_0811110230____河北科技师范学院企业资源计划论文2012-2013第1学期ERP发展历程院(系)名称:工商管理学院专业名称:信息管理与信息系统学生姓名:指导教师:二○一二年十一月ERP发展历程摘要:ERP的发展大致经历了五个阶段:第一阶段——订货点法;第二阶段——基本MRP,即基本物料需求计划;第三阶段——闭环MRP,即闭环物料需求计划;第四阶段——MRPⅡ即制造资源计划;第五阶段——ERP,即企业资源计划。
关键词:ERP 发展历程未来一、订货点法1.1 订货点法订货点法是企业在解决物料需求控制问题的基础上产生的。
1.1.1 订货点法的产生20世纪40年代,西方经济学家通过对库存物料随时间推移而被使用和消耗的规律的研究,提出了订货点的方法和理论,并将其运用到企业的库存管理中。
订货点法是在当时的条件下,为改变这种被动的状况而提出的一种按过去的经验预测未来的物料需求的方法。
1.1.2 订货点法的作用企业控制物料的需求通常采用控制库存数量的方法,为需求的每种物料设置一个最大库存量和安全库存量。
库存订货点法就是依据库存补充周期内的需求量预测,并保持一定的安全库存设备低于预先规定的数量——订货点法,则立即进行订货来补充库存。
1.1.3 订货点法的优势与缺陷优势:采用订货点法,实现了库存的科学管理,改变了传统库存管理的无序混乱局面,降低了库存成本。
缺陷:能在稳定消耗的情况下不会出现短缺,但不能保证在消耗多变的情况下也不出现短缺或库存积压,因此不能从根本上解决不出现短缺同时又降低库存的矛盾,更进一步不能解决应该何时订货、订货多少的问题。
1.2 物料需求计划MRP物料需求计划简称MRP,亦称为时段式MRP,基本MRP。
MRP是在解决订货点法的基础上发展起来的,它对产品构成进行管理,借助计算机的运算能力及系统对客户订单、在库物料、产品构成的管理能力,实现依据客户订单,按照产品结构清单展开并计算物料需求计划。
制造业ERP系统的五大模块ERP模块一:高层管理决策支持系统ERP系统的功能之一是如何把高层管理的决策传递到整个企业中去。
同时ERP 系统也应帮助企业高层管理就解决实际问题提供更好的解决办法,并就他们所作的经营决策所产生的效应做出更好的预测。
在这一方面,ERP的主要功能包括以下几方面:(1) 企业战略规划。
企业战略规划是任何企业长期成功运作的基础,同时也是指导企业日常运作的根据。
高层管理决策支持系统可帮助高层管理制定企业战略规划;在营销方面,高层管理决策支持系统可帮助高层管理人员开展客户需求研究和市场研究;销售和运作方面,该系统可帮助高层管理调整有关实际销售、市场预测、生产能力和物料方面的决策,并迅速把这些决策传达到整个企业中去;在财务方面,该系统可帮助高层管理就销售和运作计划与财务计划和市场预测之间的关系进行协调。
(2) 决策支持。
高层管理决策支持系统可为高层管理提供战略战术决策用的工具。
其中一个主要工具是仿真决策系统。
这一系统主要用于预测管理决策对企业经营的效应。
另一系统为预警系统,主要用于随时跟踪企业经营中一些重要指标观察其是否超出警戒线。
(3) 企业经营状况检测。
高层管理决策支持系统可用于支持企业经营水准连续性的改善。
以往用于企业运行状况检验的系统往往不具备此项功能。
(4) 供应链管理整合。
高层管理决策支持系统与供应链管理系统联机,参与供应链管理。
ERP模块二:客户系统企业系统与客户系统联机具有重要意义。
客户关系管理要求把所有与客户有关的企业功能联系起来。
与客户系统联机的ERP子系统包括:(1) 销售及预测系统。
这一系统支持各种形式的销售活动与ERP系统其他部分联接,提供定量与定性两种预测。
(2) 定单产生及处理系统。
这一系统以各种形式产生定单并处理各种形式的定单。
(3) 报价和按时交货系统。
这一系统用于报价和提供交货日期。
一般情况下客户系统与供货商系统联机,后者的系统可直接报价和给出交货期。
第一章测试题一.填空题1:对于ERP的基本概念,可以从管理思想、_______和_______三个层面进行理解。
答案软件产品。
管理系统2:ERP在国内20多年的应用历程,可以将其划分为启蒙期、_______、发展期_______和_______。
答案导人期。
普及期3:ERP中的R代表资源,其除了传统的人、财和物之外,还应该包括_______。
答案信息4:企业信息化工作大体上可以划分为三个方面的内容:工程技术领域、生产制造领域和_______。
答案企业管理领域5:企业信息化的核心是_______。
答案对信息资源的开发利用6:实施ERP可使制造企业获得明显的_______效益和_______效益。
答案直接。
间接7:现代制造业的主要特征是_______和_______的融合。
答案信息技术。
制造业二.多选题1:关于企业信息化,下列表述正确的有_______。
(A)企业信息化的核心是对信息资源的开发利用(B)很多企业都以ERP系统的实施作为企业信息化的开始(C)企业制造过程的信息化是指产品设计和生产的自动化(D)以工业化带动信息化是我国工业发展的基本战略之一答案ABC2:ERP的特点有_______。
(A)包含客户/服务架构(B)应用开放系统制作(C)支持和优化企业内部的协同运作和财务过程(D)是一套面向具体行业的应用系统答案ABCD3:ERP的概念可以从_______层次进行理解。
(A)管理思想(B)软件产品(C)管理系统(D)管理方法答案ABC4:ERP中的资源包含_______。
(A)人(B)财(C)物(D)信息答案ABCD5:ERP中的“P”是指计划,其所包含的计划层次有_______。
(A)经营规划(B)销售与运作规划(C)主生产计划 (D)物料需求计划(E)车间作业及采购计划答案ABCDE6:企业经营规划的目标,通常是以_______来表达。
(A)资金量(B)实物量(C)产量(D)信息置答案A7:ERP的管理思想主要体现在_______。
erp的计划层次和作用
ERP(企业资源计划)系统的计划层次主要包括战略层、战术
层和操作层。
每个层次都有不同的作用和功能。
1. 战略层:在战略层,企业的高层管理者制定全面的业务战略和目标。
ERP系统在这一层次的作用是提供数据和分析支持,帮助管理者制定合适的战略决策。
例如,ERP系统可以提供
销售数据、财务数据和供应链数据等,帮助管理者了解业务的现状和趋势,从而制定相应的战略方向。
2. 战术层:在战术层,企业的中层管理者负责将战略目标转化为具体的业务计划和任务。
ERP系统在这一层次的作用是协
助中层管理者进行资源规划、人力资源管理、供应链管理等。
例如,ERP系统可以帮助中层管理者进行人员调配、物料采
购计划和生产调度等,以实现战略目标。
3. 操作层:在操作层,企业的一线员工负责具体的业务操作和执行。
ERP系统在这一层次的作用是提供实时的订单处理、
库存管理、生产控制等功能。
例如,ERP系统可以帮助员工
管理订单流程、库存运营和机器设备使用,提高工作效率和准确性。
综上所述,ERP系统在不同的计划层次上发挥着不同的作用。
在战略层,它可以提供数据和分析支持,帮助管理者制定战略决策;在战术层,它可以协助中层管理者进行资源规划和管理;在操作层,它可以提供实时的业务处理和管理功能。
通过
ERP系统的辅助,企业能够更好地实现业务目标和提高经营效率。
ERP教程课后习题答案(复习资料)第一章一.填空题1、对于ERP的基本概念,可以从管理思想、软件产品和管理系统三个层面进行理解。
2、ERP在国内的20多年的应用历程中,可以将其划分为启蒙期、导入期、发展期和普及期 .3、ERP中的R代表资源、其除了传统的人、财和物之外,还应包括信息。
4、企业信息化工作大体上可以划分为三个方面的内容:工程技术领域、生产制造领域和企业管理领域.二.名词解释1.企业信息化:企业信息化是指利用电子信息技术,实现企业经营、生产、管理和产品开发的自动化、集成化、智能化,让自动化的工具不仅代替人的体力劳动,而且还代替或者部分代替人的脑力劳动.2。
ERP:是指建立在信息技术基础上,通过一些先进管理思想和方法,对企业内部资源和企业相关的外部资源进行整合,通过标准化的数据和业务操作流程,把企业的人、财、物、产、供、销及相应的物流、信息流、资金流进行紧密集成,最终实现资源优化配置和业务流程优化的目的,并为企业各级管理人员提供一个有效、科学的决策管理平台。
三.简答题:1.简述目前ERP在国内企业的应用背景。
A企业内管理水平落后——(1)国内企业管理问题:流动资产周转速度问题;库存问题(2)企业内部生产管理问题:决策信息实时性、准确性差;生产上所需要的原材料不能准时供应或供应不足;零部件生产不配套、积压严重;产品生产周期过长,劳动生产率下降;库存资金积压严重,周转期长;市场和客户的需求多变、快速,使企业的经营和计划系统难以应付。
B外部竞争环境的变化——经济全球化:竞争无国界,中国制造和世界制造融合;市场快速多变难以捉摸;产成品价格下降、原材料价格上升利润被压缩;生产灵活性不断提高;来自客户、竞争对手的压力不断增大;产品生命周期越来越短.C企业信息化与ERP--工程技术领域;生产制造领域;企业管理领域2。
ERP所蕴涵的先进管理思想主要包含哪些?现代的ERP系统在传统的管理思想基础上,又逐渐扩展并蕴含了更多更新的先进管理思想、理论和方法,如供应链、信息集成、JIT等。
1. ERP系统的功能目标??ERP管理体系作为支持企业谋求新形式下竞争优势的手段,其涉及面很广,包含了企业的所有资源,同时,其应用又起到了“管理驱动”的作用。
总的来说,ERP在原有功能的基础上,使MRPⅡ向内、外两个方向延伸,向内主张以精益生产方式改造企业生产管理系统,向外则增加战略决策功能和供需链管理功能。
这样,ERP管理系统主要由以下六大功能目标组成:(1)支持企业整体发展战略的战略经营系统该系统的目标是在多变的市场环境中建立与企业整体发展战略相适应的战略经营系统。
具体地说,就是实现Intranet与Internet相连接的战略信息系统;完善决策支持服务体系,为决策者提供企业全方位的信息支持;完善人力资源开发与管理系统,做到既面向市场又注重培训企业内部的现有人员。
(2)实现全球大市场营销战略与集成化市场营销这是对市场营销战略的一个扩展。
目标是实现在市场规划、广告策略、价格策略、服务、销售、分销、预测等方面进行信息集成和管理集成,以顺利推行基于“顾客永远满意”的经营方针;建立和完善企业商业风险预警机制和风险管理系统;进行经常性的市场营销与产品开发、生产集成性评价工作;优化企业的物流系统,实现集成化的销售链管理。
(3)完善企业成本管理机制,建立全面成本管理(Total Cost Management)系统目前,我国企业所处的环境可以说是一个不完全竞争的市场环境,价格在竞争中仍旧占据着重要的地位。
ERP中这部分的作用和目标就是建立和保持企业的成本优势,并由企业成本领先战略体系和全面成本管理系统予以保障。
(4)应用新的技术开发和工程设计管理模式ERP的一个重要目标就是通过对系统各部门持续不断的改进,最终提供给顾客满意的产品和服务。
从这个角度出发,ERP致力于构筑企业核心技术体系;建立和完善开发与控制系统之间的递阶控制机制;实现从顶向下和从底至上的技术协调机制;利用Internet实现企业与外界的良好的信息沟通。
Erp 包括5个计划层次,即经营规划、销售与运营规划、主生产计划、物料需求计划和能力需求计划。
下面将一一阐述其各自的内容:
经营规划表达企业的愿景,是企业的战略规划。
但经营规划本身并不具体完成什么,它确定企业经营的战略和目标以及所采取的行动,为企业发展,特别是财务和经济效益方面做出规划。
销售与运营规划以产品族为处理对象,帮组企业从大格局、高层次上平衡供需关系。
提供优秀的客户服务。
具有衔接经营规划与详细计划中的执行过程协调市场和企业职能部门工作的作用。
主生产计划是对企业生产大纲的细化,以协调生产需求与可用资源。
主要解决生产什么、生产多少、何时交货的问题;以需要人、便与人的控制为原则确定对象充分利用企业资源满足需求。
物料需求计划依据主生产计划、物料清单和库存记录对每种物料计算,核心是确保物料和能力的可用性,指出何时将会发生物料短缺并给出建议,以最小库存量满足需求避免物料短缺。
能力需求计划把物料需求转换为能力需求,即对各生产阶段和工作中心所需资源精确计算按得出人力负荷、设备负荷等,平衡和调整生产计划,使之更加合理有效。
上述5个层次体现由宏观到微观、由战略级到战术级、由粗到细的可执行的深化过程。
越接近顶层计划对需求的预测成分越大,内容越概括,计划展望期越长;往下则反之。
其中经营计划和销售与运营规划具有宏观的性质,主生产计划是宏观向微观的过度计划,物料需求计划是主生产计划的具体化,能力需求计划把物料需求转化为能力需求;前3个层次称为主控计划,是制定企业经营战略目标的层次;后2个是在需求和供给两个方面计划与控制的具化与协调实施的过程,要进行不同深度的供需平衡,并根据反馈的信息,运用模拟方法加以调整或修订。
可以说上层计划是下层计划的依据,下层计划不能偏离上层计划的目标,以保证企业遵循着一个统一的计划。
划分层次是为了明确责任,不同层次计划的制订或实施由不同的管理层负责。
计划和控制是ERP的目标手段。
计划是为达到一定的目标而制定的行动方案;控制是为保证计划完成而采取的措施。